LSL 32 A2 - LED reflektor Livarno Lux - Bezplatný návod k obsluze
Najděte návod k zařízení zdarma LSL 32 A2 Livarno Lux ve formátu PDF.
Stáhněte si návod pro váš LED reflektor ve formátu PDF zdarma! Najděte svůj návod LSL 32 A2 - Livarno Lux a vezměte svůj elektronický přístroj zpět do rukou. Na této stránce jsou zveřejněny všechny dokumenty potřebné k používání vašeho zařízení. LSL 32 A2 značky Livarno Lux.
NÁVOD K OBSLUZE LSL 32 A2 Livarno Lux
Pokyny pro obsluhu a bezpečnostní poukyny
IAN 314687

DE AT CH
CZ Pokyny pro obsluhu a bezpečnostní poukyny
SK Pokyny pre obsluhu a bezpečnostné pokyny
Strana 45
Strana 53

A

B
C

Technické udaje Strana 47
Obsah dodávky. Strana 47
Bezpečnostní poukyny Strana 47
Prijrava Strana 48
Nasmérováni pohybového senzoru Strana 49
Automatický provoz Strana 50
Cisteni a osetrovani Strana 50
Zlikvidovani Strana 50
Zaruka a servis Strana 50
Prohlasei k zaruce. Strana 50
Adresa servisu Strana 51
Prohlasei o shode Strana 51
| Legenda použitých piktogramů | |||
| i | Přětěte siPokyny! | Nebezpečí ohroženiživota aúrazu pro malé i velké děti! | |
| Dbeje na výstráhy ařid'te se bezpečnostnímiPokyny! | Výstráha! Nebezpečí zásahu elektrickým proudem! | ||
| Takto postupujete správně Pozor! Nebezpečí krobuchul! | |||
| Ochranná třida l | Obal i vyrobek likvidujte ekologicky! | ||
LEDreflektor30W
Uvod

Blahoprejeme Vam ke koupi noveho vrobku. Rozhodli jste se pro kvalitni produkt. Navod k obsluze je soucasti tohoto vyrobku.
Obsahuje dulezite pouky pro bezpecnost, pouziti a likvidaci. Pred pouzitim vyrobku se sznamte se vsemi poukyn k obsluze a bezpecnostnimi poukny. Pouziveje vyrobek jen popsanym zpusobem a na uvedenych mistech. Pri predani vyrobku trefi osobe predeje i vsechny podklady.
- Použitíke stanovenému učelu
Tento reflektor je vchodny k pouziti venku i v uzavrenych prostorech. Svitidlo lze upevni na vsechny bezné hořlavé povrchy. Nepouživeje vyrobek v blízkosti vody. Instalaci nechte provest Jen autorizovanym elektrárém. Jine než popsané pouziti nebo zmena na vyrobku nejsou priustné a mohou vestk jeho poskozeni. Za skody vznílek pri pouziti k jinému než ke stanovenému učelu nepvezezmé vyrobce ruceni. Vyrobek není urcen ke komercnimu vyuzivani.
- Popis dilü
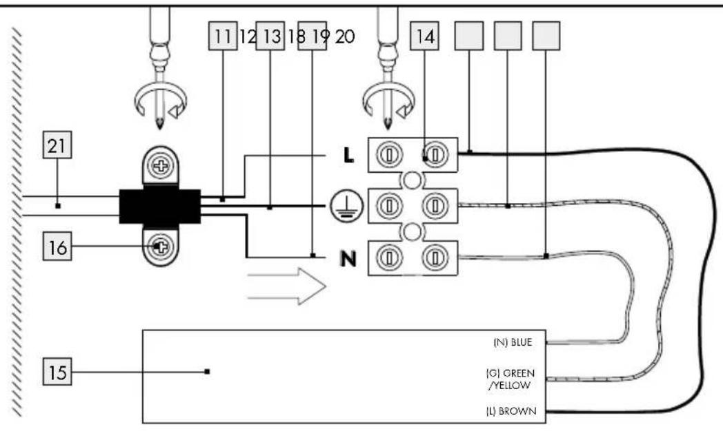
1 Sroub (svorkovnice)
2 Skrinka pro pripojeni kabelu
3 Uchycen na stenu
4 Stavěci sroub (držák)
5 Zajiš'ovací sroub (pohybový senzor)
6 Otočný regulátor SENS (citlivost)
7 Otočný regulator TIME (doba zapnutí)
8 Otočný regulator LUX (citlivost na světlo)
9 Pohybov'y senzor
10 LED osvětlovací prostředek
11 Hnédy kabel (domovni rozvody)
12 Zelenožlutý kabel (ochranný vodič) (domovní rozvody)
13 Modry kabel (domovni rozvody)
14 Lustrova svorka
15 Transformátor (LED konverter/ ovladac zařizení) (nedotýkat se)
16 Držák kabelu
17 Sroubení kabelu
18 Hnedy kabel (kabel transformatoru)
19 Zelenožlutý kabel (ochranný vodič) (kabel transformátoru)
20 Modrý kabel (kabel transformátoru)
[21] Pruzný prívodníkabel (domovní rozvody)
- Technické udaje
Jmenovite napétí: 100-240V\~, 50/60Hz
Jmenovity vykon: cca 30 W
Učiník: >0,9
Ochranná trída: I/
Druh ochrany: IP 44 (chráněno proti strikaci vode)
Uhel dosahu: cca 180°
Svetelny tok: cca 2200 Lumen
Barevná teplota: cca 5000 K
Spinaci cykly: cca 30000
Velká osvetlená
plocha: 0,045 m
Rozmery: 22,4× 25,3× 11,5cm
Váha: 1460g
Model c: LSL 32 A2
Obsah dodávky
1 LEDreflektor
2 srouby ST8 (pro montáz na stenu)
2 podložky (16× 8,4× 1,6mm)
2 hmozdkny (pro pripevnéni na stenu)
1 návod k obssluze

BezpečnostníPokyny
Pri skodach zpusobenych nedodrzenim tohoto návodu k obsluze zanika záruka! Za následné skody se nerucí! Za věcné nebo osoblí skody, zpusobene neodborným zacházenínebo nerespektováním bezpečnostnichPokynú, se nerucí!

NEBEZPECI OHROZENI ZIVOTA A URAZU PRO MALÉ DÉTI A
DÉTI! Nenechávejte déti nikdy sa-
motné s obalovým materiaLEM. Hrozi jim nebezpečí uduseni. Děti nebezpečí casto podcenuji. Vyrobek vždy chrănte pred detmi.
Tento pristroj mohou použivat deti starsí než 8 let, osoby se snizenymi fyzickymi, senzorickymi nebo duševnimi schopnosti nebo s nedostatečnymi zkušenostmi a znalostmi o použivani pristroje
jen tehy, jestlze byly pouceny o jeho bezpecnem pouzivani a porozumely moznym ohrozenim.
Děti si nesmi s pristrojem hrát. Děti nesměji bez dohledu provadět Čišeni ani uživatelskou udžbu.
NEBEZPECI OHROZENI ZIVOTA! Behem montaže držte deti mimo pracoviste. Soucasti dodávky je velký počet sroubu a jiních drobnych dlù. Tyto predměty mahou být v pripadě spolknutí nebo vdechnutí zivotu nebezpečné.

NEBEZPECI VYBUCHU! Nepou-ziveje vyrobek ve vybushnem prosfedi, napr. kde se nachaceji hoivrave y
pary, plyny nebo prachy.
Nevystavujte reflektor primitemu slunecnimu zareni, desti, snehu nebo ledu. V opacnem pripademuze dojit k poskozenim vyrobku.
Reflektor je moźne montovat na vsech normalné hořlavych plochach.
Svitidlo není urçeno k trvalému provozu.

Zabrańte ohrożeni zivota v dusledku zasahu elektrickym proudem
Elektrickou instalaci nechte provadétjen vyuce ného elektráré nebo osobu s odpovidajicimi zkušenostmi.
Nepoužívejte reflektorPokud jste zjistili ze je poškozený.
Pri poskozenich, opravach nebo jinych problemech souvisejicich s vyrobkem se obratae na servis nebo odbornika.
Nikdy neotvireje zádny z elektrickych provoznich prostředku ani do nich nestrkejte jakékoli prédměty. Takové zásahy znamenaji nebezpeci ohroženiživota elektrickým proudem.
Prid montázi odstraîte pojistku nebo vypněte jistič v pojiskové skřini (poloha 0).
Pred montázi se presvedcte, jesti se shoduje napétí elektrického proudu, ktere máte k dispozici, s napétim potrebným pro reflektor (100-240 V~).
Zajistete, aby se pri monta zi neposkodily zadne vodicie.

Vyvarujte se nebezpeci požáru a poraněni
NEBEZPECI ZRANENI! Zkontrolujte ihned po vybaleni osvetlovaci prostredek a celni sklo, jestli nejsou poskozené. Nemontujte reflektor s vadnym osvetlovacin prostredkem nebo vadny celnim sklem. V takovem pripadse se obratte na servis se zaasti o nahradu.
NEBEZPECI ZASAHU ELEKTRICKYM PROUDEM! NEBEZPECI VECNÉ SKODY! NEBEZPECI ZRANENI! Ujistete se, ze nena-razite na vodiche proudu, plynové ci vodovodni potrubí, vrtáte-li do stěny. Před vrtáním do stěny pripadné proved'te kontrolu detektorem vedení.

NEBEZPECI POZARU! Svetlo
montujte v odstupu nejmene 1 m od oza-rovanych materialu. Nadmerny
vyin tepla muze vest ke vzniku pozaru.

Pred dalsim pouzivanim se musi praskle sklo vymenit.
Svitici prostredky nelze vymenit.
Nediveje se primo do zdroje svetla (osvetlovaci prostredek LED, atd.).
Než se reflektoru znovu dotkete musí být vypnuty a 15 minut vychlazený.

Tak postupujete správně
Montáž nejdrive pečlive pripravte a uděleje si na ní cas. Pripravte si predtim prehledné vsechny jegnotlivé díly a navic potřebné nastroje nebo material.
Bud'te vždy pozorní! Dbejié vždy na to, co dé-láte, a postupujte s Rozumem. Nikdy nimontujte svítidlo, nejste-li koncentrovani nebo necitite-li se dobre.
Připrava
Potrebné náradí
Uvedené náradí a materiaíly nejsou současti dodávky.
Jedné se zde o nezávazné udaje a orientácni
hodnoty. Vlastnosti materialu jsou závislé na individuálné podminkach v mistě.
-Tuzka/nastrojkoznačení
-Zkousecka napeti
- Sroubovák
-Vrtačka
-Vrtak
- Srouby pro montáž na stenu
Hmozdinky
-Kleste stipacky
- Zebrik
Vodováha
Pred instalaci
Dulezite: Pripojeni na elektricky Rozvod musi provest vyucheny elektrikar nebo osoba zaiskolena pro prace na elektrickych Rozvodech. Tato osoba musi byt seznamena s vlastnostmi svitidla a s prdepisy pro pripojeni.
Pred instalaci se nejdriveseznamte se svetlem,Pokyny a obrzky v toto navodu.
Pred instalaci zajistete,aby byl privod elektrického proudukreflektoru bez napeti.Za timto ucelem vyjmte pojistikne nebo vypnete jistič v pojistikovskrini (poloha 0).
Zkontrolujte beznapěřový stav zkousečkou.
PriVyberu mista k monta zi dbeje na nasledujici:
Zajistete,aby byl osvetleny pozadovany prostor. LED reflektor muzete nasmerovat svisle.
Zajistete,aby mél pohybov y sent 8r dosah do požadovaného prostoru.
Zajistete,aby nebyl pohybov syenr usen jinym zdrojem svetla, jakopn.poulicnim osvetlenim nebo osvetlenim dvora.
Montáz
Montáz na stenu (obr. C)
Prid montáží odstrańte pojistku nebo vypněte jistič v pojiskové skřini (póloha 0).
Pridrzte nastenny drzak na vyhlédnutem miste na stene a vyznace si pomoci jeho otvoru
mista pro vrtani do steny. Pouziveje pritom poppripadevodovahu.
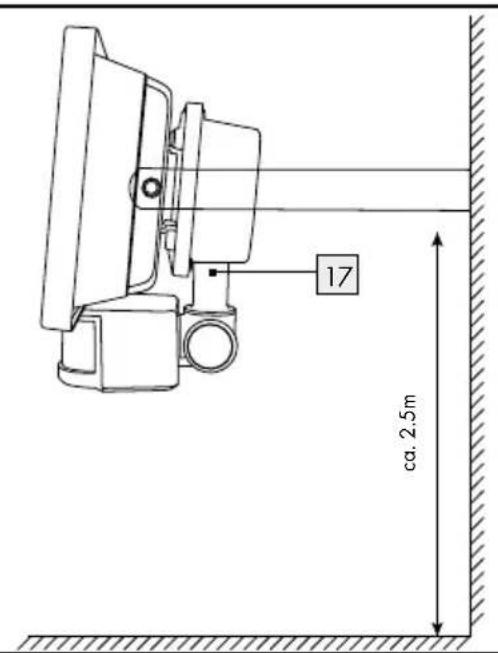
Upozorneni: Montujte svetlo ve vysce cca 2,5 m, aby byla zajistena upnafunkce pohyboveho senzoru.
POZOR! NEBEZPECI ZRANENI! Pouzijte
k tomu námod k obsluze vaši vrtáčky.
Vyvrteje otvory (Ø 12 mm). Dbeije, abyste neposkodili vodicice privodu elektrickeho proudu.
Nastréte do vyvrtanych otvoru hmoždinky.
Nasuhte podlozky na srouby (ST8).
Prisrobujte temito srouby drzna stenu. Poznámka: Pri umisteni vyse nez 3 m použijte jeste jeder sroub do plechu s podložkou (neni v obsahu dodávky).
Po montázi zkontrolujte pevnost pripevnéi držák u 3.
Otevretesvorkovn i odroubovanim chyr sroubu 1.
Protáhněte pružný privodní kabel (typ H05RN-F 3G 1,0 mm²) skrz prišroubovány kabelu 17 a do pripojovác krabice 2. Pokud je průměr pružného privodního kabelu 21 o neco větů, doporučujeme použití kluzného tuku k tomu, abyste silikonový utěsnovác kroužek kabelového sroubení 17 snadnéji instalovali.
Nyni spoje kabely 12, 13, ktere ycnicvaji z pruzneho privodniho kabelu 21, pomoci lustrove svorky 14 s kabely transformatoru 18, 19, 20, a tim i transformatorem 15. Nasledne utahnete srouby lustrove svorky 14 (obr. B).
Upozorneni: Daveje pozor na spravne pripojeni Jednotlivych kabelu 11, 12, 13: elektricky vodic, cerny nebo hnedy = symbol L, neutralni vodic, modry = symbol N, ochranny vodic, zelenožluty = symbol.
Zajistete pruzný privodni kabel, typ H05RN-F 3G 1,0 mm², utaženim sroubů držák u kabelu 16.
Utáhněte príšroubování kabelu 17 natolik,abybylovodotěsne.
Uzavrte svorkovri 2i chtyimi srouby 1 a z je vodotesna.
Opět nasad'te pojistku nebo zapněte jistič v pojistkové skřini.
Nyní je refléktor pripraven k provozu.
Upozorněni:
Jestlize není uhel osvětlení optimálné vypněte nejdíve
reflektor a nechte ho 15 minut vychladit. Povolte
sroubovákem stavěci sroub 4 a nastavte znovu uhel
osvětlení. Potom sroub 4 zase utáhněte.
Uvedeni do provozu
Upozorneni: LED reflector je vybaven pohybovym senzorem 9, ktery reaguje na zmemy tepoty. Pohybov y senzor 9 funguje nejlepe pri tepote okolniho prostre di 20^ Objekt s priblizne stejnou teplotou jako je tepota okolniho prostre di je tzeko rozeznatelny.
Poznámka: Maximálí dosah pohybového senzoru 9 Činí cca 12 m, uhel dosahu cca 180°.
Poznámka: Vodorovny nastavovaci uhel pohybového senzoru 9 cini cca 130°. Svisly nastavovaci uhel pohybového senzoru cini cca 90°.
Nesmerujte pohybov y senzor 9 nasilym. Bezpecnostni zarazky se mohou ulomit.
Nasmérováni pohybového senzoru
Poznámka: Zádaný dosah pohybového senzoru musí být dosažitelný pro infracervé paprsky. Dohlednost na registrovanou oblast nesmi být omezena prédměty, rostlinami apod. Infracervé paprsky nemohou proniknout pevnymi prédměty.
Poznámka: Prostor dosahu má ležet pricné ke směru chodících osob a bytPokud možno co nejmensi. Velké prostory dosahu zvyšuji riziko chybnychch spinani.
- Nasmérujte pohybov'y senzor 9 nejdrive vodorovne.
- Povolte fixovaci sroub (pohybového senzoru) smre mdoleva.
-
Nyní nastavte pohybový senzor 9 v požadované svislé poloze a utáhněte fixovaci sroub (pohybového senzoru) 5 otáčením ve směru doprava.
-
Testujte svá nastavení tim, ze pomalu jdete do rozlišovaci oblasti. Opakujte kroky 1 až 3 tak dlouho až dosáhnete požadovaný vysledek.
Automatický provoz
Nastaveni citlivosti senzoru (SENS):
Nastavte otočným regulátorem SENS požadovanou citlivost senzoru.
roPzvy'sení citlivosti senzoru točte ve směru chodu hodinovych ručiček.
Pro snizeni citlivosti pootacejte regulator protis smeru chodu hodinovych ručicek.
Upozorneni: Cim dale doprava se toci regulatorem, tim citliveji reaguje pohybov y senzor, tzn. reaguje jiz na mensi zmeny v prostoru dosahu. jestlje nastavite prilis vysokou citlivost muze pohybov senzor reagovat jiz na mala zvirata nebo pohybujici se listy, napr. stromu nebo krovi a rozsvitit reflektor.
Nastaveni doby sviceni (TIME):
Nastavte pomoci regulatoru TINE pozadovanou dobu sviceni svetla (5 vterin ± 5 vterin-10 minut ± 2 minuty).
Otácením ve směru chodu hodinovych ručíček prodloužite dobu sviceni. Opačnám směrem zkrátě dobu sviceni.
Nastavení citlivosti na světlo (LUX):
Nastavte pomoci regulatoru Lux pozadovanou citlivost na intenzitu svetla.
Pro zvyšeni citlivosti otáceije regulátorem ve směru chodu hodinovych rucicek. Senzor reaguje citli-veji na zmenu intensity světla a prépíná spíse na automatický provoz.
Otácenim regulatoru proti sméru chodu hodinovych rucicek muzete citlivost snizit. Senzor reaguje mené citlive na zmeny intensity svetla a spiná později do automatického provozu.
Poznámka: jestliže se nacházi regulátor LUX 8 v poloze -pracuje pohybový senzor 9 ve dne i v noci. jestliže se nacházi regulátor LUX 8 v poloze -, pracuje pohybový senzor 9 jen v noci.
Poznámka: Světlo zapnuté pohybovým senzorem 9 svítí nastavenou dobu. Nový, během tétó
doby senzorem Rozpoznany pohyb, prodluzujedobu sviceni o pvodne nastavenou dobu.
Cisteni a osetrovani
POZOR! NEBEZPECI ZASAHU ELEKTRICKYM PROUDEM! Pri ciisteni nejprove svitidlo odpojte od elektrické site. Za tímtó ucelem vyjměte pojistku nebo vypněte jistič v pojistkové skrini (poloha 0).
Nepoužívejte zádná Rozpoustédla, benzín apod. Svitidlo by se tím poskodilo.
Vyrobek neponoirjte do vody.
Nepoužívejte na Čišěné zahradní hadici nebo tlakovou myčku.
Nechte reflektor uplné vychladnout.
K Čišěni používejte jen suchou utěrku nepoustějici vlákna.
Zlikvidovani
Obal se skláda z ekologickych materialú, které muzete zlikvidovat prostřednictvimmistnich sberen recyklovatelnych materialú.

Elektrické spotřebične neodha-zujte do domovniho oppadu!
Podle Evropské směrnice 2012 / 19 / ES o elektrickych a elektronickych vysloužilích zařizenich a
realizaci národního práva se musí opotřebované elektrické spotřebiče odděleně sebrat a odevzdat k ekologicky vchodnému opětnnému zužitkovány.
Na nyni platná opatřeni ke zlikvidovani vysloužilych elektrickych pristroju se laskavě zeptěte u své správy obce Čměsta.
Záruka a servis
Prohlášeník záruce
Na tento vyrobek poskytujeme 3letou zaruku od data nakupu. Prosime uschoveje siPokladni
stvrzenku jako doklad o zakoupeni. Záruka plati jen pro vady materialu nebo chyby z vyroby, nevtahuje se na dily podlehajici opotbrebeni nebo na skody vznikle neodbornym pouzivanim. Cizim zasahem do vyrobku zanika záruka. Vase prava vyplvajici ze zakona touto zárukou nejsou omezena. V pripadé, ze chcete uplatnit záruku, obrafte se telefonicky na nas servis. Jen tak je mozné zajistit bezplatnézaslání vaseho zařizení do servisu.
Adresa servisu
Atlanta Electronics GmbH
Gernotstr. 18
V souladus následujícimi Evropskymi smernicemi byla na vyrobku umistěna znáčka CE.
Proto odevzdeje opotbrebované baterie u komunánlí sberny.
2014/35/EU Směrnice o nizkém napěti
2014/30/EU Směrnice o elektromagnetické kompatibilité
2011/65/EU (RoHS II)
Ekologický design, směrnice 2009/125/EG
C∈IP44

Legendapouzitychpiktogramov Strana 54
Uvod Strana 54
Pouzivanie v sulade s urcenym ucelom Strana 54
Popis Častí Strana 54
Technické udaje Strana 55
Obsah dodávky Strana 55
Bezpečnostné upozornenia Strana 55
Priprava Strana 56
Potrebne náradie Strana 56
Pred instalaciou Strana 56
Montaz Strana 57
Uvedenie do prevadzky Strana 57
Nasmerovanie hlasiča pohybu Strana 57
Automatický režim Strana 58
Cistenie a udrzba Strana 58
Likvidácia Strana 58
Zaruka a servis Strana 59
Garancne prehlaseenie. Strana 59
Servisna adresa. Strana 59
Vyhlasenie o zhode Strana 59
Vykonnostny faktor: >0,9
Trieda ochrany: I/

Druh ochrany: IP 44 (s ochranou proti
striekajucej vode)
Uhol dosahu: cca. 180°
STARŠE DETI! Nikdy nenechávajte deti bez dozoru s obalovým materiálom. Hroží nebezpečenstvo udusenia obalovým materiálom. Deti Často podcenjú nebezpečenstva. Držte deti vždy v bezpečnej vzdialenosti od vyrobku.
Zabránte ohrozeniuživota zásahom elektrickym prudom
Elektricku instalaci prenechajte kvalifikovanemu elektrárovi alebo osobe zaškolenej pre elektroinstalacie.
Sviétidlo nikdy nepoužívajte v pripe, ze zisté akékol'vek poškodenia.
V priptide poskodeni, oprav alebo inych problemov so svietidom sa obratte na servisné stre Disko alebo kvalifikovaneho elektroodbornika.
Nikdy neotvarajte ziadny z elektrickych prevadzkovych prostriedkov, ani do nich nestrkaite ziadne predmety. Taketo zasahy predstavuju ohrozenie zivota v dosledku zasahu elektrickym prudom.
Pred montážou odstránte poistku alebo vypnite istic vedenia v poistkovej skinke (poloha 0).
Pred montážou sa uistite, ze sa siefove napatie zhoduje s prevadzkovym napatim lampy (100-240V~).
Zabezpečte, aby pri montáži neboli poskodené ziadne vedenia.
Priprava

Zabrante nebezpečenstvu požiaru a poraneni
Uistite sa, ze je zeelaná oblast osvetlená. LED-ziaric možete nasmerovat vertíkalne.
Zabezpeche,aby hlasic pohyIpokryval pozadovanu oblasf.
Zabezpečte, aby hlásic pohy [b] nebol v noci ruşeny inymi svetelnymi zdrojmi, napr. dvorovým alebo poulčnám osvetlením, pretoze inak moze byt ovplyvné jeho funkcia.
Montáz
Montáz na stenu (obr. C)
Poznámka: Namontujte svietidlo vo vyške cca. 2,5 m, aby bolo zarucné plné fungovanie hlásiča pohybu.
Notice-Facile