DHBE 18 SLi 25A electronic - Chauffe-eau électrique STIEBEL ELTRON - Notice d'utilisation et mode d'emploi gratuit
Retrouvez gratuitement la notice de l'appareil DHBE 18 SLi 25A electronic STIEBEL ELTRON au format PDF.
| Caractéristiques techniques | Appareil de chauffage instantané, puissance de 18 kW, alimentation électrique 400 V, 25 A. |
|---|---|
| Utilisation | Conçu pour fournir de l'eau chaude sanitaire à la demande, idéal pour les maisons et appartements. |
| Maintenance et réparation | Vérification régulière des filtres, nettoyage des éléments chauffants, intervention par un professionnel recommandé pour les réparations. |
| Sécurité | Équipé de dispositifs de sécurité contre la surchauffe et les courts-circuits, conforme aux normes de sécurité en vigueur. |
| Informations générales | Installation recommandée par un professionnel, garantie constructeur de 2 ans, dimensions compactes pour un gain de place. |
FOIRE AUX QUESTIONS - DHBE 18 SLi 25A electronic STIEBEL ELTRON
Questions des utilisateurs sur DHBE 18 SLi 25A electronic STIEBEL ELTRON
0 question sur cet appareil. Repondez a celles que vous connaissez ou posez la votre.
Poser une nouvelle question sur cet appareil
Téléchargez la notice de votre Chauffe-eau électrique au format PDF gratuitement ! Retrouvez votre notice DHBE 18 SLi 25A electronic - STIEBEL ELTRON et reprennez votre appareil électronique en main. Sur cette page sont publiés tous les documents nécessaires à l'utilisation de votre appareil DHBE 18 SLi 25A electronic de la marque STIEBEL ELTRON.
MODE D'EMPLOI DHBE 18 SLi 25A electronic STIEBEL ELTRON
» DHB-E 11 SLi electronic
» DHB-E 13 SLi electronic
» DHB-E 18 SLi 25 A electronic
» DHB-E 18/21/24 SLi electronic
» DHB-E 27 SLi electronic

| 380 V | 400 V | 415 V | 5 °C | 10 °C | 15 °C | 20 °C |
| 10,1 | 4,4 | 5,2 | 6,3 | 8,0 | ||
| 11,0 | 4,8 | 5,6 | 6,8 | 8,7 | ||
| 12,0 | 5,2 | 6,1 | 7,5 | 9,5 | ||
| 12,2 | 5,3 | 6,2 | 7,6 | 9,7 | ||
| 13,2 | 5,7 | 6,7 | 8,2 | 10,5 | ||
| 13,5 | 5,8 | 6,9 | 8,4 | 10,7 | ||
| 13,6 | 5,9 | 6,9 | 8,4 | 10,8 | ||
| 14,2 | 6,1 | 7,2 | 8,8 | 11,3 | ||
| 14,5 | 6,3 | 7,4 | 9,0 | 11,5 | ||
| 15,0 | 6,5 | 7,7 | 9,3 | 11,9 | ||
| 16,2 | 7,0 | 8,3 | 10,1 | 12,9 | ||
| 16,3 | 7,1 | 8,3 | 10,1 | 12,9 | ||
| 18,0 | 7,8 | 9,2 | 11,2 | 14,3 | ||
| 19,0 | 8,2 | 9,7 | 11,8 | 15,1 | ||
| 19,4 | 8,4 | 9,9 | 12,0 | 15,4 | ||
| 21,0 | 9,1 | 10,7 | 13,0 | 16,7 | ||
| 21,7 | 9,4 | 11,1 | 13,5 | 17,2 | ||
| 22,6 | 9,8 | 11,5 | 14,0 | 17,9 | ||
| 23,5 | 10,2 | 12,0 | 14,6 | 18,7 | ||
| 24,0 | 10,4 | 12,2 | 14,9 | 19,0 | ||
| 24,4 | 10,6 | 12,4 | 15,2 | 19,4 | ||
| 25,8 | 11,2 | 13,2 | 16,0 | 20,5 | ||
| 26,0 | 11,3 | 13,3 | 16,1 | 20,6 | ||
| 27,0 | 11,7 | 13,8 | 16,8 | 21,4 |
| 380 V | 400 V | 415 V | 5 °C | 10 °C | 15 °C | 20 °C |
| 10,1 | 3,2 | 3,6 | 4,1 | 4,8 | ||
| 11,0 | 3,5 | 3,9 | 4,5 | 5,2 | ||
| 12,0 | 3,8 | 4,3 | 4,9 | 5,7 | ||
| 12,2 | 3,9 | 4,4 | 5,0 | 5,8 | ||
| 13,2 | 4,2 | 4,7 | 5,4 | 6,3 | ||
| 13,5 | 4,3 | 4,8 | 5,5 | 6,4 | ||
| 13,6 | 4,3 | 4,9 | 5,6 | 6,5 | ||
| 14,2 | 4,5 | 5,1 | 5,8 | 6,8 | ||
| 14,5 | 4,6 | 5,2 | 5,9 | 6,9 | ||
| 15,0 | 4,8 | 5,4 | 6,1 | 7,1 | ||
| 16,2 | 5,1 | 5,8 | 6,6 | 7,7 | ||
| 16,3 | 5,2 | 5,8 | 6,7 | 7,8 | ||
| 18,0 | 5,7 | 6,4 | 7,3 | 8,6 | ||
| 19,0 | 6,0 | 6,8 | 7,8 | 9,0 | ||
| 19,4 | 6,2 | 6,9 | 7,9 | 9,2 | ||
| 21,0 | 6,7 | 7,5 | 8,6 | 10,0 | ||
| 21,7 | 6,9 | 7,8 | 8,9 | 10,3 | ||
| 22,6 | 7,2 | 8,1 | 9,2 | 10,8 | ||
| 23,5 | 7,5 | 8,4 | 9,6 | 11,2 | ||
| 24,0 | 7,6 | 8,6 | 9,8 | 11,4 | ||
| 24,4 | 7,7 | 8,7 | 10,0 | 11,6 | ||
| 25,8 | 8,2 | 9,2 | 10,5 | 12,3 | ||
| 26,0 | 8,3 | 9,3 | 10,6 | 12,4 | ||
| 27,0 | 8,6 | 9,6 | 11,0 | 12,9 |
1 Cold water inlet
2 DHW outlet
1 Cold water inlet
2 DHW outlet

Note
- Remarques générales 41
1.1 Consignes de sécurité 41
1.2 Autres symboles utilisés dans cette documentation 41
1.3 Unités de mesure 41
- Sécurité 41
2.1 Utilisation conforme 41
2.2 Consignes de sécurité générales ____ 41
2.3 Label de conformité 42
-
Description de l'appareil 42
-
Utilisation 42
4.1 Réglages recommandés 42
4.2 Limitation de température/protection anti-ébouillantement 42
-
Nettoyage, entretien et maintenance 43
-
Aide au dépannage 43
INSTALLATION
- Sécurité 44
7.1 Consignes de sécurité générales ____ 44
7.2 Réglementations, normes et directives 44
- Description de l'appareil 44
8.1 Fournitures 44
8.2 Accessoires 44
- Travaux préparatoires 45
9.1 Lieu d'implantation 45
9.2 Installation hydraulique 45
9.3 Appareil avec puissance de raccordement modifiable_46
- Pose 46
10.1 Pose standard 46
10.2 Fin du montage 48
- Mise en service 48
11.1 Première mise en service 48
11.2 Remise en service 49
-
Mise hors service 49
-
Variantes de montage 49
13.1 Raccordement électrique par le haut en installation encastrée 49
13.2 Raccordement électrique en saillie 49
13.3 Conducteur de grande section avec raccordement électrique par le dessous ____ 49
13.4 Branchement d'un relais de délestage 50
13.5 Installation hydraulique en saillie 50
13.6 Installation hydraulique en saillie avec raccord à souder / à sertir 50
13.7 Installation hydraulique en saillie, montage du capot_50
13.8 Montage de la partie inférieure de la paroi arrière avec raccords filetés en saillie ____ 51
13.9 Support mural si remplacement de l'appareil 51
13.10 Installation avec déport de carrelage ____ 51
13.11 Position du capot inversée 51
13.12 Limitation de température/protection anti-ébouillantement 52
-
Aide au dépannage 53
-
Maintenance 54
-
Données techniques 54
16.1 Cotes et raccordements 54
16.2 Schéma électrique 54
16.3 Capacité de production d'eau chaude 55
16.4 Domaines d'utilisation / Tableau de conversion ____ 55
16.5 Pertes de charge 55
16.6 Conditions d'incidents 55
16.7 Homologations et certificats spécifiques au pays : Allemagne 56
16.8 Indications relatives à la consommation énergétique_56
16.9 Tableau de données 57
GARANTIE
ENVIRONNEMENT ET RECYCLAGE
REMARQUES PARTICULIÈRES
- L'appareil peut être utilisé par des enfants dès l'âge de 8 ans ainsi que par des personnes aux facultés physiques, sensorielles ou mentales réduites ou par des personnes sans expérience sous surveillance ou après formation à l'utilisation en toute sécurité de l'appareil si les dangers potentiels ont été compris. Ne laissez pas les enfants jouer avec l'appareil. Ni le nettoyage ni la maintenance relevant de l'utilisateur ne doivent être effectués par des enfants sans surveillance.
- Risque de brûlures : La température de la robinetterie peut dépasser 60 °C.
- L'appareil doit pouvoir être déconnecté du secteur par un dispositif de coupure multipolaire ayant une ouverture minimale des contacts de 3 mm.
- Fixez l'appareil comme indiqué au chapitre « Installation / Montage ».
- Tenez compte de la pression admissible maximale (voir chapitre « Installation / Données techniques / Tableau de données »).
- Vidangez l'appareil comme indiqué au chapitre « Installation / Maintenance / Vidange de l'appareil ».
UTILISATION
1. Remarques générales
Les chapitres « Remarques particulières » et « Utilisation » s'adressent aux utilisateurs de l'appareil et aux installateurs.
Le chapitre « Installation » s'adresse aux installateurs.

Remarque
Lisez attentivement cette notice avant utilisation et conservez-la soigneusement.
Le cas échéant, veuillez remettre cette notice au nouvel utilisateur.
1.1 Consignes de sécurité
1.1.1 Structure des consignes de sécurité

MENTION D'AVERTISSEMENT Nature du danger Sont indiqués ici les risques éventuellement encourus en cas de non-respect de la consigne de sécurité.
- Sont indiquées ici les mesures permettant de p le danger.
1.1.2 Symboles, nature du danger
Symbole Nature du danger

Blessure

Électrocution

Brûlure (brûlure, ébouillantement)
1.1.3 Mentions d'avertissement
| MENTION D'AVERTISSE-MENT | Signification |
| DANGER | Caractérise des remarques dont le non-respect entraîne de graves lésions, voire la mort. |
| AVERTISSEMENT | Caractérise des remarques dont le non-respect peut entraîner de graves lésions, voire la mort. |
| ATTENTION | Caractérise des remarques dont le non-respect peut entraîner des lésions légères ou moyennement graves. |
1.2 Autres symboles utilisés dans cette documentation

Remarque
Le symbole ci-contre caractérise des remarques générales.
▶ Lisez attentivement les remarques.
Symbole Signification

Dommages matériels
(dégâts induits, dommages causés à l'appareil, à l'environnement)

Recyclage de l'appareil
▶ Ce symbole signale que vous devez intervenir. Les actions nécessaires sont décrites étape par étape.
1.3 Unités de mesure

Remarque
Sauf indication contraire, toutes les cotes sont indiquées en millimètres.
2. Sécurité
2.1 Utilisation conforme
Cet appareil est conçu pour la production d'eau chaude sanitaire ou le chauffage d'appoint d'une eau préchauffée et peut alimenter un ou plusieurs points de soutirage.
eL'appareil est destiné à une utilisation domestique. Il peut être utilisé sans risques par des personnes qui ne disposent pas de connaissances techniques particulières. L'appareil peut également être utilisé dans un environnement non domestique, p. ex. dans de petites entreprises, à condition que son utilisation soit du même ordre.
Tout autre emploi est considéré comme non conforme. Une utilisation conforme de l'appareil implique le respect de cette notice et de celles relatives aux accessoires utilisés.
2.2 Consignes de sécurité générales

ATTENTION Brûlure
Pendant le fonctionnement, la température de la robinetterie peut dépasser 60 °C.
Danger de brûlures à des températures de sortie supérieures à 43 °C.

ATTENTION Brûlure
En cas de fonctionnement avec de l'eau préchauffée, provenant par ex. d'une installation solaire, la température de l'eau chaude sanitaire peut différer de la température de consigne réglée.

AVERTISSEMENT Blessure
L'appareil peut être utilisé par des enfants dès l'âge de 8 ans ainsi que par des personnes aux facultés physiques, sensorielles ou mentales réduites ou par des personnes sans expérience sous surveillance ou après formation à l'utilisation en toute sécurité de l'appareil si les dangers potentiels ont été compris. Ne laissez pas les enfants jouer avec l'appareil. Ni le nettoyage ni la maintenance relevant de l'utilisateur ne doivent être effectués par des enfants sans surveillance.

Dommages matériels
L'appareil et la robinetterie doivent être protégés du gel par l'utilisateur.
2.3 Label de conformité
Voir la plaque signalétique sur l'appareil.
3. Description de l'appareil
Ce chauffe-eau instantané à régulation électronique maintient une température de sortie constante dans les limites de sa puissance nominale, quelle que soit la température d'arrivée d'eau.
L'appareil chauffe l'eau directement au niveau du point de soutirage dès que vous ouvrez le robinet d'eau chaude. Grâce aux faibles longueurs des conduites, les pertes d'énergie et d'eau sont réduites.
Pour le débit d'enclenchement, voir le chapitre « Installation / Données techniques / Tableau de données, Marche ».
La capacité de production d'eau chaude sanitaire dépend de la température de l'eau froide, de la puissance de chauffage, du débit et du réglage de la température souhaitée.
Lorsque la température d'arrivée d'eau maximale pour le chauffage d'appoint est dépassée, ce dernier n'est pas effectué.
Température ECS
Il est possible de régler la température de sortie de l'ECS en continu.
Limitation de température/protection anti-ébouillantement
La température de sortie maximale peut être limitée à 43 °C pour l'appareil. Veuillez contacter votre installateur à ce sujet.
Système de chauffe
Le système de chauffe à fil nu est doté d'une gaine en matière synthétique résistant à la pression. Le système de chauffe est adapté aux eaux fortement aussi bien que peu calcaires et est peu sujet à l'entartrage. Ce système de chauffe permet une alimentation en eau chaude sanitaire rapide et efficace.

Remarque
L'appareil est équipé d'un détecteur d'air qui prévient en grande partie l'endommagement du système de chauffe. Si de l'air pénètre dans l'appareil en cours de fonctionnement, la puissance de chauffe est désactivée pendant une minute de manière à protéger le système de chauffe.
4. Utilisation

gauge
| Value | |---| | 50 | | 35 | | 60 |- Réglez le bouton de réglage de température sur la température souhaitée.
Si la température de sortie est insuffisante alors que la robinette-rie est entièrement ouverte et que la température est réglée sur le maximum, la quantité d'eau traversant l'appareil est supérieure à celle que le corps de chauffe est capable de chauffer.
Réduisez le débit au niveau de la robinetterie.
4.1 Réglages recommandés
Robinetterie thermostatique
Si l'appareil fonctionne avec une robinetterie thermostatique, nous vous recommandons de régler la température de l'appareil sur la valeur maximale. La température souhaitée sera alors réglée au niveau de la robinetterie thermostatique.
Après coupure d'eau

Dommages matériels
Afin d'éviter une panne du système de chauffe à fil nu après une coupure d'eau, procéder aux étapes suivantes pour remettre l'appareil en service.
▶ Mettez l'appareil hors tension en coupant le fusible ou le disjoncteur.
▶ Ouvrez la robinetterie pendant une minute jusqu'à ce que l'appareil et la conduite d'arrivée d'eau froide en amont soient purgés.
▶ Rétablissez la tension secteur.
4.2 Limitation de température/protection anti-ébouillantement
La température de sortie maximale peut être limitée à 43 °C pour l'appareil. Veuillez contacter votre installateur à ce sujet.
5. Nettoyage, entretien et maintenance
N'utilisez ni produit de nettoyage abrasif ni solvant. Un chiffon humide suffit pour le nettoyage et l'entretien de l'appareil.
Contrôlez régulièrement la robinetterie. Vous pouvez éliminer le tartre au niveau des becs de robinetterie avec les produits de détartrage du commerce.
- Aide au dépannage
| Problème Cause Remède | ||
| L'appareil ne démarre pas, bien que le robinet d'eau chaude soit entièrement ouvert. | L'appareil n'est pas sous tension. | Contrôlez les fusibles et disjoncteurs dans votre armoire électrique. |
| Le régulateur de jet placé dans la robinetterie ou la pomme de douche sont entartrés ou encrassés. | Nettoyez et/ou détartrez le régulateur de jet ou la pomme de douche. | |
| De l'eau froide s'écoule temporairement pendant le prélèvement d'eau chaude sanitaire. | Le détecteur d'air constate la présence d'air dans l'eau et désactive temporairement la chauffe. | Après 1 minute, l'appareil se remet automatiquement en marche. |
| La température souhaitée >45 °C n'est pas atteinte. | L'arrivée d'eau a été coupée. | Purgez l'appareil et la conduite d'arrivée d'eau froide (voir chapitre « Utilisation / Réglages recommandés / Après coupure d'eau »). |
| La température d'admission d'eau froide est supérieure à 45 °C. | Réduisez la température d'admission d'eau froide. | |
Appelez un installateur si vous ne réussissez pas à éliminer la cause du problème. Communiquez-lui le numéro indiqué sur la plaque signalétique pour qu'il puisse vous aider plus rapidement et plus efficacement (000000-0000-000000).

text_image
File C...SLI No.: 000000-0000-00000026_02_02_0818
INSTALLATION
7. Sécurité
L'installation, la mise en service, la maintenance et les réparations de cet équipement ne doivent être effectuées que par un installateur qualifié.
7.1 Consignes de sécurité générales
Nous ne garantissons le bon fonctionnement et la sécurité de l'appareil que si des accessoires et pièces de rechange d'origine sont utilisés.

Dommages matériels
Tenez compte de la température d'arrivée d'eau maximale admissible (voir chapitre « Installation / Données techniques / Tableau de données »). L'appareil peut subir des détériorations en cas de températures trop élevées. Une robinetterie thermostatique centralisée (voir chapitre « Installation / Description de l'appareil / Accessoires ») vous permet de limiter la température d'arrivée d'eau.
7.2 Réglementations, normes et directives

Remarque
Respectez la législation et les réglementations nationales et locales en vigueur.
- L'indice de protection IP 25 (protégé contre les projections d'eau) n'est garanti que si le passe-câble est monté dans les règles de l'art.
- La résistance électrique spécifique de l'eau ne doit pas être inférieure à celle indiquée sur la plaque signalétique. Pour les réseaux interconnectés, tenez compte de la résistance électrique inférieure de l'eau (voir chapitre « Installation / Données techniques / Tableau de données »). Votre société de distribution d'eau est en mesure de délivrer les informations relatives à la résistance électrique spécifique ou à la conductivité électrique de l'eau.
8. Description de l'appareil
8.1 Fournitures
Sont fournis avec l'appareil :
- Support mural
- Gabarit de montage
- 2 manchons doubles
- Vanne d'arrêt à boisseau sphérique à 3 voies pour l'eau froide
- Raccord en T pour l'eau chaude sanitaire
- Joints plats
- Filtre
- Limiteur de débit
-
Rondelle en matière synthétique
-
Pièces de raccordement en matière synthétique / Accessoires de pose
- Guides de capot et de paroi arrière
8.2 Accessoires
Robinetterie
- MEKD - Robinetterie d'évier sous pression à monocommande
- MEBD - Robinetterie de baignoire sous pression à monocommande
Bouchon à eau G 1/2 mâle
Pour l'installation de robinetteries sous pression en saillie autres que les accessoires recommandés, utilisez des bouchons à eau.
Kit de montage pour installation en saillie
- Raccord fileté à souder pour tube en cuivre ∅ 12 mm
- Raccord à sertir pour tube en cuivre
- Raccord à sertir pour tube en matière synthétique (adapté à Viega : Sanfix-Plus ou Sanfix-Fosta)
Cadre de montage universel
- Cadre de montage avec raccords électriques
Kit de tubes pour appareils à monter sous évier
Le kit de montage sous évier est nécessaire si les raccordements hydrauliques (G 3/8 mâle) se font au-dessus de l'appareil.
Kit de tubes pour montage déporté
Ce kit de tubes est nécessaire si l'appareil doit être décalé verticalement de 90 mm vers le bas par rapport au raccordement hydraulique.
Kit de tubes pour remplacement d'un chauffe-eau au gaz
Ce kit de tubes est nécessaire si l'installation existante comporte des raccords pour chauffe-eau au gaz (raccords eau froide à gauche et eau chaude à droite).
Kit de tubes avec raccords rapides pour DHB
Si l'installation existante est équipée des raccords enfichables d'un chauffe-eau instantané DHB, utilisez des raccords rapides.
Relais de délestage (LR 1-A)
Le relais de délestage pour tableau de répartition permet une alimentation électrique du chauffe-eau instantané sur circuit prioritaire en cas de fonctionnement simultané avec des radiateurs électriques à accumulation par exemple.
ZTA 3/4 - Robinetterie thermostatique centralisée
Robinetterie thermostatique utilisée comme mitigeur centralisé pour, par exemple, le fonctionnement d'un chauffe-eau instantané avec une installation solaire.
9. Travaux préparatoires
9.1 Lieu d'implantation

Dommages matériels
L'appareil doit impérativement être installé dans un local hors gel.
▶ Montez l'appareil verticalement à proximité du point de soutirage.
L'appareil convient au montage sous ou sur évier.
Montage sous évier

1 Arrivée eau froide
2 Sortie eau chaude
Montage sur évier

1 Arrivée eau froide
2 Sortie eau chaude

Remarque
Montez l'appareil au mur. Le mur doit être suffisamment porteur pour supporter la charge.
9.2 Installation hydraulique
- Une soupape de sécurité est superflue.
▶ Rincez soigneusement la conduite d'eau.
Robinetterie
Utilisez des robinetteries sous pression appropriées (voir chapitre « Installation / Description de l'appareil / Accessoires »). Les robinetteries à écoulement libre ne sont pas autorisées.

Remarque
La vanne d'arrêt à boisseau sphérique à 3 voies sur l'arrivée d'eau froide ne doit pas être utilisée pour brider le débit. La vanne d'arrêt à boisseau sphérique à 3 voies sert à l'isolement de l'appareil.
Matériaux autorisés pour les conduites d'eau
- Conduite d'arrivée d'eau froide : tube d'acier galvanisé, en inox, en cuivre ou en matière synthétique
- Conduite de sortie de l'eau chaude sanitaire : tube en inox, en cuivre ou en matière synthétique

Dommages matériels
Si des systèmes de tuyauterie en matière synthétique sont utilisés, respectez la température d'arrivée d'eau maximale et la pression maximale admissible (voir le chapitre « Installation / Données techniques / Tableau de données »).
Débit
▶ Assurez-vous que le débit (voir chapitre « Installation / Données techniques / Tableau de données / Marche ») nécessaire à la mise en marche de l'appareil peut être atteint.
▶ Si le débit est insuffisant alors que le robinet de soutirage est entièrement ouvert, augmentez la pression dans la conduite d'eau. Si le débit reste insuffisant malgré l'augmentation, démontez le limiteur de débit et insérez la rondelle en matière synthétique.

1 Limiteur de débit
2 Rondelle en matière synthétique

Remarque
Ne remplacez pas le limiteur de débit par la rondelle en matière synthétique pour que la robinetterie thermostatique fonctionne correctement.
9.3 Appareil avec puissance de raccordement modifiable
À la livraison, l'appareil DHB-E 18/21/24 SLi est réglé sur 21 kW. Si l'appareil doit être installé avec une autre puissance, procédez comme suit :
- Enfichez le cavalier de codage conformément à la puissance souhaitée. Concernant la puissance sélectionnable et la protection de l'appareil, voir «Installation / Données techniques / Tableau de données».
▶ Cochez la puissance sélectionnée sur la plaque signalétique Utilisez pour cela un feutre indélébile.
Réglez le limiteur de débit en fonction de la puissance de l'appareil (voir chapitre «Installation / Données techniques / Tableau de données»).

- Raccordement électrique par le dessous, installation encastrée
- Raccordement hydraulique en installation encastrée
Pour d'autres possibilités de pose, voir chapitre « Installation / Variantes de montage » :
- Raccordement électrique par le haut en installation encastrée
- Raccordement électrique en saillie
- Conducteur de grande section avec raccordement électrique par le dessous
- Branchement d'un relais de délestage
- Installation hydraulique en saillie
- Installation hydraulique en saillie avec raccord à souder / à sertir
- Installation hydraulique en saillie, montage du capot
- Montage de la partie inférieure de la paroi arrière avec raccords filetés en saillie
- Support mural si remplacement de l'appareil
- Installation avec déport de carrelage
- Position du capot inversée
- Limitation de température/protection anti-ébouillantement
10.1 Pose standard
Ouverture de l'appareil

▶ Ouvrez l'appareil en abaissant le clapet vers l'avant, desserrez la vis, puis relevez le capot.

Déposez la paroi arrière en appuyant sur les deux crochets d'arrêt et en tirant la partie inférieure vers l'avant.
Préparation du câble d'alimentation

text_image
160 ≥30 1 26 02 08 241 Accessoires de pose
Préparez le câble d'alimentation.
Pose du support mural

Tracez les trous de fixation à l'aide du gabarit de montage. Si l'appareil doit être installé avec des raccords hydrauliques en saillie, tracez également un trou de fixation au bas du gabarit.
Percez les trous puis fixez le support mural en 2 points à l'aide du matériel de fixation adéquat (vis et chevilles non comprises dans la fourniture).
Réalisation du raccordement hydraulique

Dommages matériels
Exécutez tous les travaux de raccordement et d'installation hydrauliques suivant les prescriptions.

D0000053319
▶ Vissez les manchons doubles avec les joints.

text_image
1 2 3 4 5 D00000509471 Eau chaude sanitaire avec raccord en T
2 Joint d'étanchéité
3 Eau froide avec vanne d'arrêt à boisseau sphérique à 3 voies
4 Filtre
5 Limiteur de débit ou rondelle en matière synthétique (voir chapitre « Installation / Installation hydraulique /Débit volumique »)

Remarque
Pour le DHB-E 18/21/24 SLi, un deuxième limiteur de débit est fourni. Réglez le limiteur de débit en fonction de la puissance de l'appareil (voir chapitre «Limitation du débit /Installation / Données techniques / Tableau de données») :
4 l/min = rose
7,5 l/min = bleu
8,5 l/Mn = vert
- Vissez le raccord en T et la vanne d'arrêt à boisseau sphérique à 3 voies sur les manchons doubles avec chacun un joint plat.

Dommages matériels
La vanne d'arrêt à boisseau sphérique à 3 voies sur l'arrivée d'eau froide ne doit pas être utilisée pour brider le débit.
Pose de l'appareil

Pour faciliter la pose, insérez le passe-câble du raccord électrique supérieur depuis l'arrière dans la paroi arrière.
▶ Retirez les capuchons de transport montés sur les raccords hydrauliques.
▶ Sortez la manette de fixation de la partie supérieure de la paroi arrière.
Introduisez le câble d'alimentation par l'arrière dans le passe-câble jusqu'à ce qu'il soit en contact avec la gaine. Ajustez le câble d'alimentation.
Si le câble d'alimentation présente une section > 6 mm², agrandissez le trou du passe-câble.
- Appuyez l'appareil contre le goujon fileté du support mural afin de percer le joint d'étanchéité souple. Le cas échéant, utilisez un tournevis.
▶ Enfoncez la manette de fixation sur le goujon fileté du support mural. - Appuyez fermement sur la paroi arrière. Verrouillez la manette de fixation en tournant d'un quart de tour vers la droite.

▶ Vissez les tubes sur les manchons doubles avec les joints plats.

Dommages matériels
Le tamis doit être en place pour garantir le bon fonctionnement de l'appareil.
En cas de remplacement de l'appareil, assurez-vous de la présence du filtre.
Réalisation du raccordement électrique

AVERTISSEMENT Électrocution Exécutez tous les travaux de raccordement et d'installation électriques selon les prescriptions.

AVERTISSEMENT Électrocution Le raccordement au secteur n'est autorisé que sous forme d'une connexion fixe réalisée en liaison avec le passe-câble amovible. L'appareil doit pouvoir être déconnecté du secteur par un dispositif de coupure multipolaire ayant une ouverture minimale des contacts de 3 mm.

AVERTISSEMENT Électrocution Veillez à ce que l'appareil soit raccordé au conducteur de mise à la terre (liaison équipotentielle).

Dommages matériels Respectez les indications de la plaque signalétique. La tension indiquée doit correspondre à la tension du secteur.
- Branchez le câble d'alimentation sur le bornier de raccorde ment au secteur (voir chapitre « Installation / Données techniques / Schéma électrique »).
Montage de la partie inférieure de la paroi arrière

Montez la partie inférieure de la paroi arrière. Enclenchez la partie inférieure de la paroi arrière.
▶ Alignez l'appareil ainsi posé en desserrant la manette de fixation, placez correctement le raccordement électrique et la paroi arrière puis resserrez la manette de fixation. Si l'appui de la paroi arrière de l'appareil sur le mur n'est pas correct, il est possible d'ajouter une vis dans la partie inférieure pour fixer l'appareil.
10.2 Fin du montage
▶ Ouvrez la vanne d'arrêt à boisseau sphérique à 3 voies ou le robinet d'arrêt de la conduite d'arrivée d'eau froide.
11. Mise en service

AVERTISSEMENT Électrocution La mise en service doit être réalisée par un installateur respectant les prescriptions de sécurité.
11.1 Première mise en service

Ouvrez et fermez plusieurs fois tous les robinets de soutirage raccordés jusqu'à ce que la tuyauterie et l'appareil soient purgés.
▶ Effectuez un contrôle d'étanchéité.
La robinetterie étant ouverte, activez le pressostat de sécurité en enfonçant fermement la touche de réinitialisation (à la livraison, le pressostat de sécurité de l'appareil est désactivé).
- Branchez la fiche du câble du générateur de valeur de consigne au système électronique.
Montez le capot. Vérifiez le bon positionnement du capot.
▶ Fixez le capot à l'aide de la vis.
▶ Mettez sous tension secteur.
▶ Étalonnez la température. Tournez le bouton de réglage de température jusqu'en butée à droite et à gauche.
▶ Retirez le film de protection du panneau de commande.
Contrôlez le fonctionnement de l'appareil.
Remise de l'appareil au client
▶ Expliquez les différentes fonctions à l'utilisateur, puis familiarisez-le avec l'emploi de l'appareil.
Indiquez à l'utilisateur les risques encourus, notamment les risques de brûlures.
▶ Remettez-lui cette notice.
11.2 Remise en service

Dommages matériels
Afin d'éviter une panne du système de chauffe à fil nu après une coupure d'eau, procéder aux étapes suivantes pour remettre l'appareil en service.
▶ Mettez l'appareil hors tension en coupant le fusible ou le disjoncteur.
▶ Ouvrez la robinetterie pendant une minute jusqu'à ce que l'appareil et la conduite d'arrivée d'eau froide en amont soient purgés.
▶ Rétablissez la tension secteur.
12. Mise hors service
Déconnectez l'appareil du secteur sur tous les pôles.
- Vidangez l'appareil (voir le chapitre « Installation / Maintenance / Vidange de l'appareil »).
13. Variantes de montage
13.1 Raccordement électrique par le haut en installation encastrée

Incisez le passe-câble pour le câble d'alimentation.
Poussez le crochet d'arrêt de fixation du bornier de raccordement au secteur vers le bas. Sortez le bornier de raccordement au secteur.
Déplacez du bas vers le haut le bornier de raccordement au secteur dans l'appareil. Fixez le bornier de raccordement au secteur en le poussant sous le crochet d'arrêt.
▶ Posez les fils de commande sous le guide.
13.2 Raccordement électrique en saillie

Remarque
Ce type de raccordement modifie l'indice de protection de l'appareil.
▶ Modifiez la plaque signalétique. Rayez l'indication IP 25 et cochez la case IP 24 à l'aide d'un stylo à bille.

Dommages matériels
Si vous percez par inadvertance une ouverture incorrecte dans la paroi arrière, vous devez utiliser une nouvelle paroi arrière.
Dans la paroi arrière, découpez ou rompez proprement traversée appropriée (voir le chapitre « Installation / Données techniques / Cotes et raccordements » pour l'emplacement). Ébavurez si nécessaire les arêtes vives à l'aide d'une lime.
Faites passer le câble d'alimentation au travers du passe-câble. Raccordez le câble d'alimentation au bornier de raccordement au secteur.
13.3 Conducteur de grande section avec raccordement électrique par le dessous
Si vous utilisez des conducteurs de grande section, vous pouvez installer le passe-câble après le montage de l'appareil.

text_image
1. 2. 3. 4. 26_02_02_1124_Avant la pose de l'appareil, appuyez sur le passe-câble à l'aide d'un tournevis pour le sortir.
▶ Passez le passe-câble sur le câble d'alimentation. Utilisez l'accessoire de pose compris dans la fourniture. En cas de section > 6 mm², agrandissez le trou dans le passe-câble.
- Insérez le passe-câble dans la paroi arrière. Enclenchez le passe-câble.
13.4 Branchement d'un relais de délestage
Installez un relais de délestage en cas de combinaison avec d'autres appareils électriques, p. ex. des radiateurs électriques à accumulation. Le délestage s'effectue pendant le fonctionnement du chauffe-eau instantané.

Dommages matériels
Raccordez la phase d'excitation du relais de délestage à la borne indiquée dans le bornier de raccordement au secteur de l'appareil (voir chapitre « Installation / Données techniques / Schéma électrique »).
13.5 Installation hydraulique en saillie

Remarque
Ce type de raccordement modifie l'indice de protection de l'appareil.
▶ Modifiez la plaque signalétique. Rayez l'indication IP 25 et cochez la case IP 24 à l'aide d'un stylo à bille.

text_image
18 Nm 24 D000033104Montez des bouchons à eau avec des joints d'étanchéité pour obturer le raccordement encastré. Les robinetteries disponibles comme accessoires sont fournies avec les bouchons à eau et joints d'étanchéité correspondants. Si vous utilisez des robinetteries sous pression autres que celles recommandées, vous pouvez commander les bouchons à eau et joints d'étanchéité correspondants comme accessoires.
Montez une robinetterie sous pression appropriée.
- Posez la partie inférieure de la paroi arrière sous les conduites de raccordement de la robinetterie puis insérez-la dans la paroi arrière.
- Vissez les conduites de raccordement avec le raccord en T et la vanne d'arrêt à boisseau sphérique à 3 voies.
13.6 Installation hydraulique en saillie avec raccord à souder / à sertir
Vous pouvez raccorder des tubes en cuivre ou en matière synthétique avec les accessoires « raccord à souder » ou « raccord à sertir ».
Pour les raccords à souder avec raccord vissé pour tube en cuivre de 12 mm, procédez de la manière suivante :
- Insérez les écrous tournants sur les conduites de raccordement.
▶ Soudez les inserts aux conduites en cuivre.
▶ Posez la partie inférieure de la paroi arrière sous les conduites de raccordement de la robinetterie puis insérez-la dans la paroi arrière. - Vissez les conduites de raccordement avec le raccord en T et la vanne d'arrêt à boisseau sphérique à 3 voies.

Remarque
Respectez les indications du fabricant de la robinetterie.
13.7 Installation hydraulique en saillie, montage du capot

text_image
4 3 2 1 ur 26_02_02_08211 Guides de panneau arrière
2 Vis
3 Guides de capot
4 Ouverture de passage
- Rompez proprement les ouvertures de passage dans le capot de l'appareil. Si nécessaire, utilisez une lime.

Remarque
En cas de léger déport des conduites de raccordement; vous pouvez utiliser les guides du capot.
En cas de fort déport des conduites de raccordement, ne posez pas les guides du capot de paroi arrière.
▶ Si les conduites de raccordement sont bien alignées, rompez les lèvres des guides du capot.
▶ Enclenchez les guides de capot dans les ouvertures de passage.
- Placez les guides du capot de paroi arrière sur les conduites. Insérez-les ensemble. Appuyez ensuite les guides contre le panneau arrière jusqu'en butée.
▶ Fixez la paroi arrière en bas avec une vis.
▶ Si vous utilisez des flexibles de raccordement, veillez à ne pas tordre les tuyaux (raccords à baïonnette dans l'appareil). 13.10 Installation avec déport de carrelage
13.8 Montage de la partie inférieure de la paroi arrière avec raccords filetés en saillie
En cas d'utilisation de raccords filetés en saillie, il est possible de monter la partie inférieure de la paroi arrière après avoir posé la robinetterie. Pour ce faire, procédez comme suit :
▶ Sciez la partie inférieure de la paroi arrière.
Montez la partie inférieure de la paroi arrière en l'ouvrant sur le côté et en l'introduisant sur les conduites apparentes.
- Insérez les pièces de raccordement par l'arrière dans la partie inférieure de la paroi arrière.
▶ Enclenchez cette partie inférieure dans la paroi arrière.
▶ Fixez la partie inférieure de la paroi arrière au moyen d'une vis.

text_image
3 2 1 <2 <2 26_02_02_10801 Partie inférieure de la paroi arrière
2 Pièces de raccordement fournies
3 Vis
13.9 Support mural si remplacement de l'appareil
Il est possible de réutiliser un support mural STIEBEL ELTRON en place lors du remplacement d'un appareil (à l'exception du chauffe-eau instantané DHF).
Percez la paroi arrière de l'appareil pour faire passer le goujon fileté sur le support mural en place.
Remplacement du chauffe-eau instantané DHF

Déplacez le goujon fileté sur le support mural (ce goujon possède un filetage auto-taraudant).
▶ Tournez le support mural de 180° et fixez-le au mur (l'inscription DHF doit apparaître dans le bon sens).

text_image
2 ≤20 1 ≥110 26_02_02_1066_1 Surface d'appui minimale de l'appareil 2 Déport de carrelage maximum
▶ Ajustez le dégagement au mur. Bloquez la paroi arrière l'aide de la manette de fixation (rotation de 90° à droite).
13.11 Position du capot inversée
Pour le montage sous évier, le capot peut être inversé.

Enlevez l'unité de commande du capot. Appuyez, pour ce faire, sur les crochets d'arrêt.
▶ Retournez le capot. Remettez l'unité de commande en place en encliquetant tous les crochets d'arrêt. Pour faciliter le montage de l'unité de commande, appuyez sur l'intérieur du capot au niveau de la zone hachurée.
Dommages matériels
Il est interdit de monter une unité de commande dont les crochets d'arrêt sont défectueux. La sécurité ne serait alors plus garantie.
- Branchez le câble du générateur de valeur de consigne au système électronique (voir chapitre « Installation / Mise en service / Première mise en service »).
Remettez le capot en place par le haut. Faites basculer le capot en bas contre la paroi arrière et appuyez jusqu'à entendre l'enclenchement.
▶ Vissez le capot.
13.12 Limitation de température/protection anti-ébouillantement
La limite de température maximale peut être réglée sur 43 °C à l'aide de l'organe de commande situé sur le capot. Pour ce faire, procédez comme suit :
▶ Retirez le capot.
▶ Retirez la carte électronique insérée dans l'organe de commande du capot. Tenez compte des crochets d'encliquetage.
Déplacez la fiche de la gauche vers la droite (position « 43 °C »).
Remontez l'organe de commande, les crochets d'encliquetage doivent s'enclencher. Tenez compte de la position des boutons et de l'axe.

ATTENTION Brûlure
En cas d'utilisation avec de l'eau préchauffée, la limitation de température réglée ou la protection anti-ébouillantement peuvent être inopérantes.
Dans ce cas, limitez la température au niveau de la robinetterie thermostatique centralisée installée en amont, voir chapitre « Installation / Description de l'appareil / Accessoires ».

14. Aide au dépannage

AVERTISSEMENT Électrocution
Pour contrôler l'appareil, celui-ci doit être sous tension secteur.
Possibilités d'affichage des voyants de diagnostic (DEL)
| ● | rouge allumé en cas de défaut | |
| ● | jaune allumé en mode chauffage | |
| ● | vert clignotant : appareil raccordé au secteur |
| Défaut / Affichage des voyants LED de diagnostic | Cause Remède | ||
| L'appareil ne s'allume pas. | La pomme de douche ou le régulateur de jet sont en-tartrés. | Procédez au détartrage ou remplacez la pomme de douche / le régulateur de jet. | |
| Le débit est trop faible. | Le filtre de l'appareil est encrassé. | Nettoyez le filtre. | |
| Impossible d'atteindre la température de consigne. | Il manque une phase. | Contrôlez le fusible (le disjoncteur) dans votre ar-moire électrique. | |
| Le chauffage s'arrête. | La détection d'air détecte de l'air dans l'eau. La puis-sance de chauffe se désactive temporairement. | Après une minute, l'appareil se remet en marche. | |
| Pas d'eau chaude et pas d'indication des LED. | Le fusible s'est déclenché. | Contrôlez le fusible (le disjoncteur) dans votre ar-moire électrique. | |
| Le pressostat de sécurité a coupé l'appareil. | Remédiez à la cause du problème (par exemple, un robinet sous pression défectueux). | ||
| Protégez le système de chauffe contre la surchauffe en laissant ouvert pendant une minute un robinet de soutirage en aval de l'appareil. Le système de chauffe est ainsi mis hors pression et se refroidit. | |||
| La robinetterie étant ouverte, activez le pressostat de sécurité en appuyant sur la touche de réinitialisation, voir également le chapitre « Installation / Mise en service / Première mise en service ». | |||
| Le système électronique est défectueux. | Contrôlez le système électronique, remplacez-le si nécessaire. | ||
| Indication des LED : vert clignotant Absence d'eau chaude avec débit > 3 l/min. | Le dispositif de détection de débit DFE est débranché. | Rebranchez la fiche du dispositif de détection de débit. | |
| Le dispositif de détection de débit DFE est défectueux. | Contrôlez le dispositif de détection de débit, rem-placez-le si nécessaire. | ||
| Impossible d'atteindre la température de consigne. | Générateur de valeur de consigne ou câble de raccorde-ment défectueux ou bien ce dernier est débranché. | Rebranchez le câble de raccordement, remplacez le générateur de valeur de consigne si nécessaire. | |
| La limitation de température est activée. | Désactivez la limitation de température. | ||
| Indication des LED : orange fixe, vert clignotant Absence d'eau chaude avec débit > 3 l/min. | Le limiteur de sécurité STB s'est déclenché ou est inter-rompu. | Contrôlez le limiteur de sécurité, remplacez-le si nécessaire. | |
| Le système de chauffe est défectueux. | Mesurez la résistance du système de chauffe, rem-placez-le si nécessaire. | ||
| Le système électronique est défectueux. | Contrôlez le système électronique, remplacez-le si nécessaire. | ||
| Indication des LED : jaune fixe, vert clignotant | La sonde de sortie est défectueuse. | Contrôlez la connexion, remplacez la sonde si né-cessaire. | |
| Impossible d'atteindre la température de consigne. | L'appareil a atteint sa limite de puissance. | Réduisez le débit. Installez le limiteur de débit. | |
| Indication des LED : rouge fixe, vert clignotant | La sonde de sortie est défectueuse. | Contrôlez la connexion, remplacez la sonde si né-cessaire. | |
| Absence d'eau chaude | La sonde d'eau froide est défectueuse. | Contrôlez le système électronique, remplacez-le si nécessaire. | |
| La température souhaitée > 45 °C n'est pas atteinte. | La température d'arrivée d'eau froide est supérieure à 45 °C. | Diminuez la température d'arrivée d'eau froide. | |
15. Maintenance

AVERTISSEMENT Électrocution
Déconnectez l'appareil du secteur sur tous les pôles avant toute intervention.
Vidange de l'appareil
Vous pouvez vidanger l'appareil pour les travaux de maintenance.

AVERTISSEMENT Brûlure
Lors de la vidange de l'appareil, de l'eau brûlante peut s'écouler.
▶ Fermez la vanne d'arrêt à 3 voies ou le robinet d'arrêt de la conduite d'arrivée d'eau froide.
▶ Ouvrez tous les robinets de soutirage.
▶ Desserrez les raccords hydrauliques de l'appareil.
▶ Veillez à protéger du gel tout appareil démonté, car celui contient encore de l'eau qui pourrait geler et provoquer des dommages.
Nettoyage du filtre
Nettoyez le filtre situé dans le raccord fileté d'arrivée d'eau froide en cas d'encrassement. Fermez la vanne d'arrêt à 3 voies ou le robinet d'arrêt de la conduite d'arrivée d'eau froide avant de démonter le filtre, nettoyez-le et remontez-le.
16. Données techniques
16.1 Cotes et raccordements

text_image
140 478 414 368 44 100 B03 B02 30 35 338 105≤20 35 114 C01606 D0000017973| DHB-E SLi | |||
| b02 | Passage des câbles électriques I | ||
| b03 | Passage des câbles électriques II | ||
| c01 | Arrivée eau froide | Filetage mâle | G 1/2 A |
| c06 | Sortie eau chaude | Filetage mâle | G 1/2 A |
Autres branchements possibles

text_image
338 b04 50 44 165 b04 b03 47 b02 30 b04 72 35 b04 b04 325 D000019212| DHB-E SLi | ||
| b02 | Passage des câbles électriques I | |
| b03 | Passage des câbles électriques II | |
| b04 | Passage des câbles électriques III | |
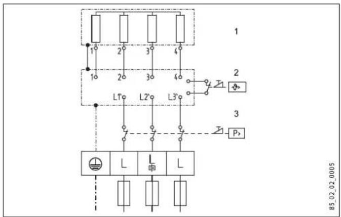
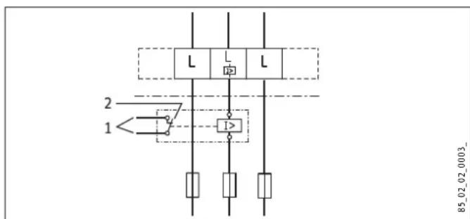
16.2 Schéma électrique
3/PE \~ 380 à 415 V

1 Chauffe
2 Limiteur de sécurité
3 Pressostat de sécurité
Circuit prioritaire avec LR 1-A

1 Câble de commande vers le contacteur du 2e appareil (par exemple radiateur électrique à accumulation).
2 Le contact de commande s'ouvre lorsque le chauffe-eau instantané se met en marche.
16.3 Capacité de production d'eau chaude
La capacité de production d'eau chaude dépend de la tension secteur présente, de la puissance raccordée de l'appareil et de la température d'arrivée d'eau froide. La tension nominale et la puissance nominale figurent sur la plaque signalétique (voir chapitre « Utilisation / Aide au dépannage »).
| Puissance raccordée en kW | 38 °C Capacité de production d'eau chaude en L/min. | |||||
| Tension nominale Température d'arrivée d'eau froide | ||||||
| 380 V | 400 V | 415 V | 5 °C | 10 °C | 15 °C | 20 °C |
| 10,1 | 4,4 | 5,2 | 6,3 | 8,0 | ||
| 11,0 | 4,8 | 5,6 | 6,8 | 8,7 | ||
| 12,0 | 5,2 | 6,1 | 7,5 | 9,5 | ||
| 12,2 | 5,3 | 6,2 | 7,6 | 9,7 | ||
| 13,2 | 5,7 | 6,7 | 8,2 | 10,5 | ||
| 13,5 | 5,8 | 6,9 | 8,4 | 10,7 | ||
| 13,6 | 5,9 | 6,9 | 8,4 | 10,8 | ||
| 14,2 | 6,1 | 7,2 | 8,8 | 11,3 | ||
| 14,5 | 6,3 | 7,4 | 9,0 | 11,5 | ||
| 15,0 | 6,5 | 7,7 | 9,3 | 11,9 | ||
| 16,2 | 7,0 | 8,3 | 10,1 | 12,9 | ||
| 16,3 | 7,1 | 8,3 | 10,1 | 12,9 | ||
| 18,0 | 7,8 | 9,2 | 11,2 | 14,3 | ||
| 19,0 | 8,2 | 9,7 | 11,8 | 15,1 | ||
| 19,4 | 8,4 | 9,9 | 12,0 | 15,4 | ||
| 21,0 | 9,1 | 10,7 | 13,0 | 16,7 | ||
| 21,7 | 9,4 | 11,1 | 13,5 | 17,2 | ||
| 22,6 | 9,8 | 11,5 | 14,0 | 17,9 | ||
| 23,5 | 10,2 | 12,0 | 14,6 | 18,7 | ||
| 24,0 | 10,4 | 12,2 | 14,9 | 19,0 | ||
| 24,4 | 10,6 | 12,4 | 15,2 | 19,4 | ||
| 25,8 | 11,2 | 13,2 | 16,0 | 20,5 | ||
| 26,0 | 11,3 | 13,3 | 16,1 | 20,6 | ||
| 27,0 | 11,7 | 13,8 | 16,8 | 21,4 | ||
| Puissance raccordée en kW | 50 °C Capacité de production d'eau chaude en L/min. | |||||
| Tension nominale Température d'arrivée d'eau froide | ||||||
| 380 V | 400 V | 415 V | 5 °C | 10 °C | 15 °C | 20 °C |
| 10,1 | 3,2 | 3,6 | 4,1 | 4,8 | ||
| 11,0 | 3,5 | 3,9 | 4,5 | 5,2 | ||
| 12,0 | 3,8 | 4,3 | 4,9 | 5,7 | ||
| 12,2 | 3,9 | 4,4 | 5,0 | 5,8 | ||
| 13,2 | 4,2 | 4,7 | 5,4 | 6,3 | ||
| 13,5 | 4,3 | 4,8 | 5,5 | 6,4 | ||
| 13,6 | 4,3 | 4,9 | 5,6 | 6,5 | ||
| 14,2 | 4,5 | 5,1 | 5,8 | 6,8 | ||
| 14,5 | 4,6 | 5,2 | 5,9 | 6,9 | ||
| 15,0 | 4,8 | 5,4 | 6,1 | 7,1 | ||
| 16,2 | 5,1 | 5,8 | 6,6 | 7,7 | ||
| 16,3 | 5,2 | 5,8 | 6,7 | 7,8 | ||
| 18,0 | 5,7 | 6,4 | 7,3 | 8,6 | ||
| 19,0 | 6,0 | 6,8 | 7,8 | 9,0 | ||
| 19,4 | 6,2 | 6,9 | 7,9 | 9,2 | ||
| 21,0 | 6,7 | 7,5 | 8,6 | 10,0 | ||
| 21,7 | 6,9 | 7,8 | 8,9 | 10,3 | ||
| 22,6 | 7,2 | 8,1 | 9,2 | 10,8 | ||
| 23,5 | 7,5 | 8,4 | 9,6 | 11,2 | ||
| 24,0 | 7,6 | 8,6 | 9,8 | 11,4 | ||
| 24,4 | 7,7 | 8,7 | 10,0 | 11,6 | ||
| 25,8 | 8,2 | 9,2 | 10,5 | 12,3 | ||
| 26,0 | 8,3 | 9,3 | 10,6 | 12,4 | ||
| 27,0 | 8,6 | 9,6 | 11,0 | 12,9 | ||
16.4 Domaines d'utilisation / Tableau de conversion
Résistance électrique spécifique et conductivité électrique spécifique (voir chapitre « Installation / Tableau de données »).
| Indication normalis-see à 15 °C | 20 °C | 25 °C | ||||||
| Résistance ≥ | Conductivité ≤ | Résistance ≥ | Conductivité ≤ | Résistance ≥ | Conductivité ≤ | |||
| mS/m | μS/cm | mS/m | μS/cm | mS/m | μS/cm | |||
| 900 | 111 | 1111 | 800 | 125 | 1250 | 735 | 136 | 1361 |
| 1000 | 100 | 1000 | 890 | 112 | 1124 | 815 | 123 | 1227 |
| 1100 | 91 | 909 | 970 | 103 | 1031 | 895 | 112 | 1117 |
| 1200 | 83 | 833 | 1070 | 93 | 935 | 985 | 102 | 1015 |
| 1300 | 77 | 769 | 1175 | 85 | 851 | 1072 | 93 | 933 |
16.5 Pertes de charge
Robinetterie
| Perte de charge des robinetteries pour un débit de 10 L/min | ||
| Mitigeur monocommande, env. | MPa | 0,04 - 0,08 |
| Robinetterie thermostatique, env. | MPa | 0,03 - 0,05 |
| Pomme de douche, env. | MPa | 0,03 - 0,15 |
Dimensionnement des conduites
La prise en compte d'une perte de charge de 0,1 MPa est recommandée pour le dimensionnement des conduites de l'appareil.
16.6 Conditions d'incidents
En cas d'incident, des températures de 95 °C maximum sous pression de 1,2 MPa peuvent survenir brièvement dans l'installation.
16.7 Homologations et certificats spécifiques au pays : Allemagne
Un agrément d'essai général administratif attestant l'autorisation d'utilisation au vu des émissions sonores a été obtenu pour cet appareil sur la base des prescriptions urbanistiques régionales.

text_image
STIEBEL ELTRON DIN 4109 PA-IX 6816/I LGA16.8 Indications relatives à la consommation énergétique
Les caractéristiques produit correspondent aux prescriptions de la directive UE sur l'éco-conception applicable aux produits liés à l'énergie (ErP).
| DHB-E 11 SLi DHB-E 13 SLi DHB-E 18 SLi 25 A DHB-E 18/21/24 SLi DHB-E 27 SLi | ||||||
| 232013 | 232014 | 232015 | 232016 | 232017 | ||
| Fabricant | STIEBEL ELTRON | STIEBEL ELTRON | STIEBEL ELTRON | STIEBEL ELTRON | STIEBEL ELTRON | |
| Profil de charge | S | S | S | S | S | |
| Classe d'efficacité énergétique | A | A | A | A | A | |
| Consommation annuelle d'électricité | kWh | 472 | 472 | 477 | 477 | 481 |
| Rendement énergétique | % | 39 | 39 | 39 | 39 | 39 |
| Réglage de température départ usine | °C | 60 | 60 | 60 | 60 | 60 |
| Niveau de puissance acoustique | dB(A) | 15 | 15 | 15 | 15 | 15 |
| Indications particulières concernant les mesures d'efficacité | aucune | aucune | aucune | Indications pour Pmax. | aucune | |
16.9 Tableau de données
| DHB-E 11 SLi DHB-E 13 SLi DHB-E 18 SLi | 25 A | DHB-E 18/21/24 SLi | DHB-E 27 SLi | ||||||||||||
| 232013 | 232014 | 232015 | 232016 | 232017 | |||||||||||
| Données électriques | |||||||||||||||
| Tension nominale | V | 380 | 400 | 415 | 380 | 400 | 415 | 380 | 400 | 415 | 380 | 400 | 415 | 380 | 400 |
| Puissance nominale | kW | 10,1 | 11 | 12,2 | 13,5 | 14,5 | 16,2 | 18 | 19,4 | 16,2/19/21,7 | 18/21/24 | 19,4/22,6/25,8 | 24,4 | 27 | |
| Intensité nominale | A | 15,4 | 16 | 18,5 | 19,5 | 20,2 | 24,7 | 26 | 27 | 27,6/29,5/33,3 | 29/31/35 | 30,1/32,2/36,3 | 37,1 | 39 | |
| Protection électrique | A | 16 | 16 | 20 | 20 | 20 | 25 | 25 | 32 | 32/32/35 | 32/32/35 | 32/32/40 | 40 | 40 | |
| Phases | 3/PE | 3/PE | 3/PE | 3/PE | |||||||||||
| Fréquence | Hz | 50/60 | 50/60 | 50/60 | 50/60 | 50/- | 50/60 | 50/60 | 50/- | 50/60 | 50/60 | 50/- | 50/- | 50/- | |
| Résistance spécifique _15 ≥ (pour ∅froid ≤ 25 °C) | Ω cm | 900 | 900 | 1000 | 900 | 900 | 1000 | 900 | 900 | 1000 | 900 | 900 | 1000 | 900 | 900 |
| Conductivité spécifique _5 ≤ (pour ∅froid ≤ 25 °C) | μS/cm | 1111 | 1111 | 1000 | 1111 | 1111 | 1000 | 1111 | 1111 | 1000 | 1111 | 1111 | 1000 | 1111 | 1111 |
| Résistance spécifique _15 ≥ (pour ∅froid ≤ 45 °C) | Ω cm | 1200 | 1200 | 1300 | 1200 | 1200 | 1300 | 1200 | 1200 | 1300 | 1200 | 1200 | 1300 | 1200 | 1200 |
| Conductivité spécifique _5 ≤ (pour ∅froid ≤ 45 °C) | μS/cm | 833 | 833 | 770 | 833 | 833 | 770 | 833 | 833 | 770 | 833 | 833 | 770 | 833 | 833 |
| Impédance de réseau maxi-male à 50 Hz | Ω | 0,379 | 0,360 | 0,347 | 0,284 | 0,270 | 0,260 | 0,254 | 0,241 | ||||||
| Raccordements | |||||||||||||||
| Raccordement hydraulique | G 1/2 A | G 1/2 A | G 1/2 A | G 1/2 A | G 1/2 A | ||||||||||
| Limites d'utilisation | |||||||||||||||
| Pression maximale admissible | MPa | 1 | 1 | 1 | 1 | 1 | |||||||||
| Température maximale d'ar-rivée d'eau en chauffage d'appoint | °C | 45 | 45 | 45 | 45 | 45 | |||||||||
| Valeurs | |||||||||||||||
| Température d'arrivée d'eau maximale admissible | °C | 60 | 60 | 60 | 60 | 60 | |||||||||
| Marche | l/min | >3,0 | >3,0 | >3,0 | >3,0 | >3,0 | |||||||||
| Débit pour perte de charge | l/min | 3,1 | 3,9 | 5,2 | 5,2/6,0/6,9 | 7,7 | |||||||||
| Perte de charge par débit | MPa | 0,07 (0,02 sans limi-teur de débit) | 0,11 (0,03 sans limi-teur de débit) | 0,08 (0,06 sans limi-teur de débit) | 0,08/0,10/0,13 (0,06/0,08/0,10 sans limiteur de débit) | 0,16 (0,12 sans limi-teur de débit) | |||||||||
| Limitation de débit à | l/min | 4,0 | 4,0 | 7,5 | 7,5/7,5/8,5 | 8,5 | |||||||||
| Mise à disposition d'eau chaude sanitaire | l/min | 5,6 | 6,9 | 9,2 | 9,2/10,7/12,3 | 13,8 | |||||||||
| Δθ pour mise à disposition | K | 28 | 28 | 28 | 28 | 28 | |||||||||
| Données hydrauliques | |||||||||||||||
| Capacité nominale | I | 0,4 | 0,4 | 0,4 | 0,4 | 0,4 | |||||||||
| Versions | |||||||||||||||
| Puissance de raccordement sélectionnable | - | - | - | X | - | ||||||||||
| Réglage de la température | °C | 30 - 60 | 30 - 60 | 30 - 60 | 30 - 60 | 30 - 60 | |||||||||
| Classe de protection | 1 | 1 | 1 | 1 | 1 | ||||||||||
| Bloc isolant | Matière synthétique | Matière synthétique | Matière synthétique | Matière synthétique | Matière synthétique | ||||||||||
| Générateur de chaleur système de chauffe | Fil nu | Fil nu Fil nu | Fil nu Fil nu | ||||||||||||
| Capot et paroi arrière | Matière synthétique | Matière synthétique | Matière synthétique | Matière synthétique | Matière synthétique | ||||||||||
| Couleur | blanc | blanc | blanc | blanc | blanc | ||||||||||
| Indice de protection (IP) | IP25 | IP25 | IP25 | IP25 | IP25 | ||||||||||
| Dimensions | |||||||||||||||
| Hauteur | mm | 478 | 478 | 478 | 478 | 478 | |||||||||
| Largeur | mm | 225 | 225 | 225 | 225 | 225 | |||||||||
| Profondeur | mm | 105 | 105 | 105 | 105 | 105 | |||||||||
| Poids | |||||||||||||||
| Poids | kg | 3,6 | 3,6 | 3,6 | 3,6 | 3,6 | |||||||||
Garantie
Les conditions de garantie de nos sociétés allemandes ne s'appliquent pas aux appareils achetés hors d'Allemagne. Au contraire, c'est la filiale chargée de la distribution de nos produits dans le pays qui est seule habilitée à accorder une garantie. Une telle garantie ne pourra cependant être accordée que si la filiale a publié ses propres conditions de garantie. Il ne sera accordé aucune garantie par ailleurs.
Nous n'accordons aucune garantie pour les appareils achetés dans des pays où aucune filiale de notre société ne distribue nos produits. D'éventuelles garanties accordées par l'importateur restent inchangées.
Environnement et recyclage
Merci de contribuer à la préservation de notre environnement. Après usage, procédez à l'élimination des matériaux conformément à la réglementation nationale.
BIJZONDERE INFO
BEDIENING
| Aansluitvermogen in kW 38 °C warmwatervermogen in U/min. | ||||||
| Nominale spanning Koudwatertoevoertemperatuur | ||||||
| 380 V | 400 V | 415 V | 5 °C | 10 °C | 15 °C | 20 °C |
| 10,1 | 4,4 | 5,2 | 6,3 | 8,0 | ||
| 11,0 | 4,8 | 5,6 | 6,8 | 8,7 | ||
| 12,0 | 5,2 | 6,1 | 7,5 | 9,5 | ||
| 12,2 | 5,3 | 6,2 | 7,6 | 9,7 | ||
| 13,2 | 5,7 | 6,7 | 8,2 | 10,5 | ||
| 13,5 | 5,8 | 6,9 | 8,4 | 10,7 | ||
| 13,6 | 5,9 | 6,9 | 8,4 | 10,8 | ||
| 14,2 | 6,1 | 7,2 | 8,8 | 11,3 | ||
| 14,5 | 6,3 | 7,4 | 9,0 | 11,5 | ||
| 15,0 | 6,5 | 7,7 | 9,3 | 11,9 | ||
| 16,2 | 7,0 | 8,3 | 10,1 | 12,9 | ||
| 16,3 | 7,1 | 8,3 | 10,1 | 12,9 | ||
| 18,0 | 7,8 | 9,2 | 11,2 | 14,3 | ||
| 19,0 | 8,2 | 9,7 | 11,8 | 15,1 | ||
| 19,4 | 8,4 | 9,9 | 12,0 | 15,4 | ||
| 21,0 | 9,1 | 10,7 | 13,0 | 16,7 | ||
| 21,7 | 9,4 | 11,1 | 13,5 | 17,2 | ||
| 22,6 | 9,8 | 11,5 | 14,0 | 17,9 | ||
| 23,5 | 10,2 | 12,0 | 14,6 | 18,7 | ||
| 24,0 | 10,4 | 12,2 | 14,9 | 19,0 | ||
| 24,4 | 10,6 | 12,4 | 15,2 | 19,4 | ||
| 25,8 | 11,2 | 13,2 | 16,0 | 20,5 | ||
| 26,0 | 11,3 | 13,3 | 16,1 | 20,6 | ||
| 27,0 | 11,7 | 13,8 | 16,8 | 21,4 | ||
| 380 V | 400 V | 415 V | 5 °C | 10 °C | 15 °C | 20 °C |
| 10,1 | 3,2 | 3,6 | 4,1 | 4,8 | ||
| 11,0 | 3,5 | 3,9 | 4,5 | 5,2 | ||
| 12,0 | 3,8 | 4,3 | 4,9 | 5,7 | ||
| 12,2 | 3,9 | 4,4 | 5,0 | 5,8 | ||
| 13,2 | 4,2 | 4,7 | 5,4 | 6,3 | ||
| 13,5 | 4,3 | 4,8 | 5,5 | 6,4 | ||
| 13,6 | 4,3 | 4,9 | 5,6 | 6,5 | ||
| 14,2 | 4,5 | 5,1 | 5,8 | 6,8 | ||
| 14,5 | 4,6 | 5,2 | 5,9 | 6,9 | ||
| 15,0 | 4,8 | 5,4 | 6,1 | 7,1 | ||
| 16,2 | 5,1 | 5,8 | 6,6 | 7,7 | ||
| 16,3 | 5,2 | 5,8 | 6,7 | 7,8 | ||
| 18,0 | 5,7 | 6,4 | 7,3 | 8,6 | ||
| 19,0 | 6,0 | 6,8 | 7,8 | 9,0 | ||
| 19,4 | 6,2 | 6,9 | 7,9 | 9,2 | ||
| 21,0 | 6,7 | 7,5 | 8,6 | 10,0 | ||
| 21,7 | 6,9 | 7,8 | 8,9 | 10,3 | ||
| 22,6 | 7,2 | 8,1 | 9,2 | 10,8 | ||
| 23,5 | 7,5 | 8,4 | 9,6 | 11,2 | ||
| 24,0 | 7,6 | 8,6 | 9,8 | 11,4 | ||
| 24,4 | 7,7 | 8,7 | 10,0 | 11,6 | ||
| 25,8 | 8,2 | 9,2 | 10,5 | 12,3 | ||
| 26,0 | 8,3 | 9,3 | 10,6 | 12,4 | ||
| 27,0 | 8,6 | 9,6 | 11,0 | 12,9 |
| 380 V | 400 V | 415 V | 5 °C | 10 °C | 15 °C | 20 °C |
| 10,1 | 4,4 | 5,2 | 6,3 | 8,0 | ||
| 11,0 | 4,8 | 5,6 | 6,8 | 8,7 | ||
| 12,0 | 5,2 | 6,1 | 7,5 | 9,5 | ||
| 12,2 | 5,3 | 6,2 | 7,6 | 9,7 | ||
| 13,2 | 5,7 | 6,7 | 8,2 | 10,5 | ||
| 13,5 | 5,8 | 6,9 | 8,4 | 10,7 | ||
| 13,6 | 5,9 | 6,9 | 8,4 | 10,8 | ||
| 14,2 | 6,1 | 7,2 | 8,8 | 11,3 | ||
| 14,5 | 6,3 | 7,4 | 9,0 | 11,5 | ||
| 15,0 | 6,5 | 7,7 | 9,3 | 11,9 | ||
| 16,2 | 7,0 | 8,3 | 10,1 | 12,9 | ||
| 16,3 | 7,1 | 8,3 | 10,1 | 12,9 | ||
| 18,0 | 7,8 | 9,2 | 11,2 | 14,3 | ||
| 19,0 | 8,2 | 9,7 | 11,8 | 15,1 | ||
| 19,4 | 8,4 | 9,9 | 12,0 | 15,4 | ||
| 21,0 | 9,1 | 10,7 | 13,0 | 16,7 | ||
| 21,7 | 9,4 | 11,1 | 13,5 | 17,2 | ||
| 22,6 | 9,8 | 11,5 | 14,0 | 17,9 | ||
| 23,5 | 10,2 | 12,0 | 14,6 | 18,7 | ||
| 24,0 | 10,4 | 12,2 | 14,9 | 19,0 | ||
| 24,4 | 10,6 | 12,4 | 15,2 | 19,4 | ||
| 25,8 | 11,2 | 13,2 | 16,0 | 20,5 | ||
| 26,0 | 11,3 | 13,3 | 16,1 | 20,6 | ||
| 27,0 | 11,7 | 13,8 | 16,8 | 21,4 |
| 380 V | 400 V | 415 V | 5 °C | 10 °C | 15 °C | 20 °C |
| 10,1 | 3,2 | 3,6 | 4,1 | 4,8 | ||
| 11,0 | 3,5 | 3,9 | 4,5 | 5,2 | ||
| 12,0 | 3,8 | 4,3 | 4,9 | 5,7 | ||
| 12,2 | 3,9 | 4,4 | 5,0 | 5,8 | ||
| 13,2 | 4,2 | 4,7 | 5,4 | 6,3 | ||
| 13,5 | 4,3 | 4,8 | 5,5 | 6,4 | ||
| 13,6 | 4,3 | 4,9 | 5,6 | 6,5 | ||
| 14,2 | 4,5 | 5,1 | 5,8 | 6,8 | ||
| 14,5 | 4,6 | 5,2 | 5,9 | 6,9 | ||
| 15,0 | 4,8 | 5,4 | 6,1 | 7,1 | ||
| 16,2 | 5,1 | 5,8 | 6,6 | 7,7 | ||
| 16,3 | 5,2 | 5,8 | 6,7 | 7,8 | ||
| 18,0 | 5,7 | 6,4 | 7,3 | 8,6 | ||
| 19,0 | 6,0 | 6,8 | 7,8 | 9,0 | ||
| 19,4 | 6,2 | 6,9 | 7,9 | 9,2 | ||
| 21,0 | 6,7 | 7,5 | 8,6 | 10,0 | ||
| 21,7 | 6,9 | 7,8 | 8,9 | 10,3 | ||
| 22,6 | 7,2 | 8,1 | 9,2 | 10,8 | ||
| 23,5 | 7,5 | 8,4 | 9,6 | 11,2 | ||
| 24,0 | 7,6 | 8,6 | 9,8 | 11,4 | ||
| 24,4 | 7,7 | 8,7 | 10,0 | 11,6 | ||
| 25,8 | 8,2 | 9,2 | 10,5 | 12,3 | ||
| 26,0 | 8,3 | 9,3 | 10,6 | 12,4 | ||
| 27,0 | 8,6 | 9,6 | 11,0 | 12,9 |
| Jmenovité napětí Teplota přiváděné studené vody | ||||||
| 380 V 400 V 415 V 5 °C 10 °C | 15 °C | 20 °C | ||||
| 10,1 | 4,4 | 5,2 | 6,3 | 8,0 | ||
| 11,0 | 4,8 | 5,6 | 6,8 | 8,7 | ||
| 12,0 | 5,2 | 6,1 | 7,5 | 9,5 | ||
| 12,2 | 5,3 | 6,2 | 7,6 | 9,7 | ||
| 13,2 | 5,7 | 6,7 | 8,2 | 10,5 | ||
| 13,5 | 5,8 | 6,9 | 8,4 | 10,7 | ||
| 13,6 | 5,9 | 6,9 | 8,4 | 10,8 | ||
| 14,2 | 6,1 | 7,2 | 8,8 | 11,3 | ||
| 14,5 | 6,3 | 7,4 | 9,0 | 11,5 | ||
| 15,0 | 6,5 | 7,7 | 9,3 | 11,9 | ||
| 16,2 | 7,0 | 8,3 | 10,1 | 12,9 | ||
| 16,3 | 7,1 | 8,3 | 10,1 | 12,9 | ||
| 18,0 | 7,8 | 9,2 | 11,2 | 14,3 | ||
| 19,0 | 8,2 | 9,7 | 11,8 | 15,1 | ||
| 19,4 | 8,4 | 9,9 | 12,0 | 15,4 | ||
| 21,0 | 9,1 | 10,7 | 13,0 | 16,7 | ||
| 21,7 | 9,4 | 11,1 | 13,5 | 17,2 | ||
| 22,6 | 9,8 | 11,5 | 14,0 | 17,9 | ||
| 23,5 | 10,2 | 12,0 | 14,6 | 18,7 | ||
| 24,0 | 10,4 | 12,2 | 14,9 | 19,0 | ||
| 24,4 | 10,6 | 12,4 | 15,2 | 19,4 | ||
| 25,8 | 11,2 | 13,2 | 16,0 | 20,5 | ||
| 26,0 | 11,3 | 13,3 | 16,1 | 20,6 | ||
| 27,0 | 11,7 | 13,8 | 16,8 | 21,4 | ||
| Jmenovité napětí Teplota přiváděné studené vody | ||||||
| 380 V | 400 V | 415 V | 5 °C | 10 °C | 15 °C | 20 °C |
| 10,1 | 3,2 | 3,6 | 4,1 | |||
| 11,0 | 3,5 | 3,9 | 4,5 | |||
| 12,0 | 3,8 | 4,3 | 4,9 | |||
| 12,2 | 3,9 | 4,4 | 5,0 | |||
| 13,2 | 4,2 | 4,7 | 5,4 | |||
| 13,5 | 4,3 | 4,8 | 5,5 | |||
| 13,6 | 4,3 | 4,9 | 5,6 | |||
| 14,2 | 4,5 | 5,1 | 5,8 | |||
| 14,5 | 4,6 | 5,2 | 5,9 | |||
| 15,0 | 4,8 | 5,4 | 6,1 | |||
| 16,2 | 5,1 | 5,8 | 6,6 | |||
| 16,3 | 5,2 | 5,8 | 6,7 | |||
| 18,0 | 5,7 | 6,4 | 7,3 | |||
| 19,0 | 6,0 | 6,8 | 7,8 | |||
| 19,4 | 6,2 | 6,9 | 7,9 | |||
| 21,0 | 6,7 | 7,5 | 8,6 | |||
| 21,7 | 6,9 | 7,8 | 8,9 | |||
| 22,6 | 7,2 | 8,1 | 9,2 | |||
| 23,5 | 7,5 | 8,4 | 9,6 | |||
| 24,0 | 7,6 | 8,6 | 9,8 | |||
| 24,4 | 7,7 | 8,7 | 10,0 | |||
| 25,8 | 8,2 | 9,2 | 10,5 | |||
| 26,0 | 8,3 | 9,3 | 10,6 | |||
| 27,0 | 8,6 | 9,6 | 11,0 | |||
7-9, rue des Selliers
B.P 85107 | 57073 Metz-Cédex 3
Tel. 0387 7438-88 | Fax 0387 7468-26
info@stiebel-eltron.fr
www.stiebel-eltron.fr
Hungary
STIEBEL ELTRON Kft.
Notice Facile