DHBE 18 SLi 25A electronic - Elektryczny podgrzewacz wody STIEBEL ELTRON - Bezpłatna instrukcja obsługi
Znajdź bezpłatnie instrukcję urządzenia DHBE 18 SLi 25A electronic STIEBEL ELTRON w formacie PDF.
Często zadawane pytania - DHBE 18 SLi 25A electronic STIEBEL ELTRON
Questions des utilisateurs sur DHBE 18 SLi 25A electronic STIEBEL ELTRON
0 question sur cet appareil. Repondez a celles que vous connaissez ou posez la votre.
Poser une nouvelle question sur cet appareil
Pobierz instrukcję dla swojego Elektryczny podgrzewacz wody w formacie PDF za darmo! Znajdź swoją instrukcję DHBE 18 SLi 25A electronic - STIEBEL ELTRON i weź swoje urządzenie elektroniczne z powrotem w ręce. Na tej stronie opublikowane są wszystkie dokumenty niezbędne do korzystania z urządzenia. DHBE 18 SLi 25A electronic marki STIEBEL ELTRON.
INSTRUKCJA OBSŁUGI DHBE 18 SLi 25A electronic STIEBEL ELTRON
1.1 Wskazówki dotyczące bezpieczeństwa 79
1.2 Inne oznaczenia stosowane w niniejszej dokumentacji_79
1.3 Jednostki miar 79
- Bezpieczeństwo 79
2.1 Użytkowanie zgodne z przeznaczeniem 79
2.2 Ogólne wskazówki dotyczące bezpieczeństwa ____ 79
2.3 Znak kontroli 80
-
Opis urządzenia 80
-
Obsługa 80
4.1 Zalecane nastawy 80
4.2 Ograniczenie temperatury/zabezpieczenie przed poparzeniem 80
-
Czyszczenie i konserwacja 81
-
Usuwanie problemów 81
INSTALACJA
- Bezpieczeństwo 82
7.1 Ogólne wskazówki dotyczące bezpieczeństwa ____ 82
7.2 Przepisy, normy i wymogi 82
- Opis urządzenia 82
8.1 Zakres dostawy 82
8.2 Osprzęt 82
- Przygotowania 83
9.1 Miejsce montażu 83
9.2 Instalacja wodna 83
9.3 Urządzenie z przełączalną mocą przyłączeniową 84
- Montaż 84
10.1 Montaż standardowy 84
10.2 Zakończenie montażu 86
- Uruchomienie 86
11.1 Pierwsze uruchomienie 86
11.2 Ponowne uruchomienie 87
-
Wyłączenie z eksploatacji 87
-
Inne sposoby montażu 87
13.1 Przyłącze elektryczne podtynkowe górne ____ 87
13.2 Przyłącze elektryczne natynkowe 87
13.3 Pola przekroju przewodów przy przyłączu elektrycznym dolnym ____ 87
13.4 Podłączenie przekaźnika priorytetu 88
13.5 Natynkowa instalacja wodna 88
13.6 Instalacja wodna natynkowa z przyłączem lutowanym / złączką rurową zaprasowywaną 88
13.7 Instalacja wodna natynkowa, montaż pokrywy urządzenia 88
13.8 Montaż dolnej części ścianki tylnej przy złączu śrubowym natynkowym 89
13.9 Uchwyt ścienny przy wymianie urządzenia 89
13.10 Instalacja na płytkach ceramicznych 89
13.11 Odwrócona pokrywa urządzenia 89
13.12 Ograniczenie temperatury/zabezpieczenie przed poparzeniem ____ 90
- Usuwanie usterek 91
- Konserwacja 92
- Dane techniczne 92
16.1 Wymiary i przyłącza ____ 92
16.2 Schemat połączeń elektrycznych 92
16.3 Wydajność ciepłej wody użytkowej ____ 93
16.4 Zakres pracy / tabela przeliczeniowa 93
16.5 Straty ciśnienia 93
16.6 Warunki awaryjne 93
16.7 Krajowe dopuszczenia i certyfikaty: Niemcy ____ 94
16.8 Dane dotyczące zużycia energii 94
16.9 Tabela danych 95
GWARANCJA
OCHRONA ŚRODOWISKA NATURALNEGO I RECYCLING
WSKAZÓWKI SPECJALNE
- Urządzenie może być obsługiwane przez dzieci w wieku powyżej 8 lat, a także przez osoby o obniżonej sprawności ruchowej, sensorycznej lub umysłowej, lub też przez osoby bez doświadczenia i odpowiedniej wiedzy, jeśli obsługa odbywa się pod nadzorem lub jeśli osoby te zostały po-instruowane odnośnie do bezpiecznego użytkowania urządzenia i rozumieją wynikające z tego zagrożenia. Urządzenie nie może być używane przez dzieci do zabawy. Czyszczenie oraz konserwacja wykonywana przez użytkownika są czynnościami, których dzieciom nie wolno wykonywać bez nadzoru.
- Ryzyko poparzenia: Temperatura armatury może przekroczyć 60 °C.
- Urządzenie musi mieć możliwość oddzielania od sieci elektrycznej za pomocą wielobiegunowego wyłącznika z rozwarciem styków wynoszącym min. 3 mm.
- Zamocować urządzenie w sposób opisany w rozdziale „Instalacja / Montaż”.
- Należy przestrzegać maksymalnego dopuszczalnego ciśnienia (patrz rozdział „Instalacja / Dane techniczne / Tabela danych”).
- Urządzenie opróżniać w sposób opisany w rozdziale „Instalacja / Konserwacja / Opróżnianie urządzenia”.
OBSŁUGA
1. Wskazówki ogólne
Rozdziały „Wskazówki specjalne” i „Obsługa” są przeznaczone dla użytkowników urządzenia i specjalistów.
Rozdział „Instalacja” przeznaczony jest dla specjalisty.

Wskazówka
Przed przystąpieniem do obsługi urządzenia należy dokładnie zapoznać się z niniejszą instrukcją i zachować ją do późniejszego wykorzystania.
W przypadku przekazania produktu osobie trzeciej należy jej również przekazać niniejszą instrukcję.
1.1 Wskazówki dotyczące bezpieczeństwa
1.1.1 Struktura wskazówek dotyczących bezpieczeństwa

HASŁO OSTRZEGAWCZE – rodzaj zagrożenia W tym miejscu określone są potencjalne skutki nieprze- strzegania wskazówki dotyczącej bezpieczeństwa.
▶ W tym miejscu określone są środki zapobiegające zagrożeniu.
1.1.2 Symbole i rodzaje zagrożenia
Symbol Rodzaj zagrożenia

Obrażenia ciała

Porażenie prądem elektrycznym

Poparzenie
1.1.3 Hasła ostrzegawcze
HASŁO OSTRZE- Znaczenie GAWCZE
ZAGROŻENIE Wskazówki, których nieprzestrzeganie prowadzi do ciężkich obrażeń ciała lub śmierci.
OSTRZEŻENIE Wskazówki, których nieprzestrzeganie może prowadzić do ciężkich obrażeń ciała lub śmierci.
OSTROŻNIE Wskazówki, których nieprzestrzeganie może prowadzić do średnich lub lekkich obrażeń ciała.
1.2 Inne oznaczenia stosowane w niniejszej dokumentacji

Wskazówka
Ogólne wskazówki są oznaczone symbolem umieszczonym obok.
Należy dokładnie zapoznać się z treścią wskazówek.
Symbol Znaczenie

Szkody materialne
(uszkodzenie urządzenia, szkody następcze, zanieczyszczenie środowiska naturalnego)
Utylizacja urządzenia

▶ Ten symbol informuje o konieczności wykonania jakiejś czynności. Wymagane czynności opisane są krok po kroku.
1.3 Jednostki miar

Wskazówka
Jeśli nie określono innych jednostek, wszystkie wymiary podane są w milimetrach.
2. Bezpieczeństwo
2.1 Użytkowanie zgodne z przeznaczeniem
Urządzenie przeznaczone jest do podgrzewania wody użytkowej lub dogrzewania wstępnie podgrzanej wody użytkowej i może służyć do zasilania jednego lub kilku punktów poboru wody.
Urządzenie przeznaczone jest do użytku domowego. Nieprzeszko-lone osoby mogą bezpiecznie z niego korzystać. Urządzenie można stosować również poza domem, np. w małych przedsiębiorstwach pod warunkiem użytkowania zgodnego z przeznaczeniem.
Inne lub wykraczające poza obowiązujące ustalenia użytkowanie traktowane jest jako niezgodne z przeznaczeniem. Do użytkowania zgodnego z przeznaczeniem należy również przestrzeganie niniejszej instrukcji obsługi oraz instrukcji obsługi użytego wyposażenia dodatkowego.
2.2 Ogólne wskazówki dotyczące bezpieczeństwa

OSTROŻNIE Poparzenie
Podczas pracy temperatura armatury może osiągnąć wartość powyżej 60 °C.
W przypadku temperatur na wyjściu wyższych niż 43 °C istnieje niebezpieczeństwo poparzenia.

OSTROŻNIE Poparzenie
Temperatura ciepłej wody przy zasilaniu wodą wstępnie podgrzaną, np. przez instalację solarną, może różnić się od nastawionej temperatury zadanej.

OSTRZEŻENIE obrażenia ciała
Urządzenie może być obsługiwane przez dzieci w wieku powyżej 8 lat, a także przez osoby o obniżonej sprawności ruchowej, sensorycznej lub umysłowej, lub też przez osoby bez doświadczenia i odpowiedniej wiedzy, jeśli obsługa odbywa się pod nadzorem lub jeśli osoby te zostały poinstruowane odnośnie do bezpiecznego użytkowania urządzenia i rozumieją wynikające z tego zagrożenia. Urządzenie nie może być używane przez dzieci do zabawy. Czyszczenie oraz konserwacja wykonywana przez użytkownika są czynnościami, których dzieciom nie wolno wykonywać bez nadzoru.

Szkody materialne
Obowiązkiem użytkownika jest zabezpieczenie urządzenia i armatury przed mrozem.
2.3 Znak kontroli
Patrz tabliczka znamionowa na urządzeniu.
3. Opis urządzenia
Elektronicznie regulowany przepływowy ogrzewacz wody utrzymuje stałą temperaturę na wyjściu, niezależnie od temperatury na zasilaniu, aż do granicy mocy.
Urządzenie podgrzewa wodę bezpośrednio w punkcie poboru, po otwarciu zaworu ciepłej wody. Dzięki krótkim przewodom powsta- ją niewielkie straty energii i wody.
Przepływ włączeniowy patrz rozdział „Instalacja / Dane techniczne / Tabela danych, Wł.”.
Wydajność ciepłej wody urządzenia zależy od temperatury zimnej wody, mocy grzejnej, natężenia przepływu wody i nastawionej temperatury.
Jeśli maksymalna temperatura na zasilaniu wodą wstępnie podgrzaną zostanie przekroczona, dogrzewanie nie odbywa się.
Temperatura ciepłej wody użytkowej
Temperaturę ciepłej wody na wyjściu można płynnie regulować.
Ograniczenie temperatury/zabezpieczenie przed poparzeniem
Maksymalną temperaturę wyjścia dla urządzenia można ograni- czyć do 43 °C. W tym celu nawiązać kontakt ze specjalistą.
System grzejny
System grzejny z odkrytą grzałką wyposażony jest w płaszcz z tworzywa sztucznego odporny na ciśnienie. System grzejny jest przeznaczony zarówno do wody o niskiej, jak i o wysokiej zawartości wapnia, ponieważ jest w dużym stopniu odporny na zakamienienie. System grzejny zapewnia szybkie i wydajne przygotowanie ciepłej wody użytkowej.

Wskazówka
Urządzenie jest wyposażone w funkcję wykrywania powietrza, która w znacznym stopniu zapobiega uszkodzeniom systemu grzejnego. Jeżeli podczas pracy do urządzenia dostaną się pęcherzyki powietrza, urządzenie wyłącza moc grzejną na jedną minutę, chroniąc tym samym system grzejny.
4. Obstuga

gauge
| Value | |---| | 50 | | 45 | | 40 | | 35 | | 30 | | 26 |▶ Obrócić pokrętło regulacji temperatury do żądanej pozycji.
Jeżeli przy całkowicie otwartej armaturze i maksymalnej nastawie temperatury, na wyjściu nie jest osiągana wymagana temperatura, oznacza to, że przez urządzenie przepływa większa ilość wody niż może zostać podgrzana przez grzałkę.
Zredukować natężenie przepływu za pomocą armatury.
4.1 Zalecane nastawy
Armatura termostatyczna
W przypadku użytkowania urządzenia z armaturą termostatyczną zaleca się nastawienie na urządzeniu maksymalnej temperatury. Żądaną temperaturę należy wówczas nastawić na armaturze termostatycznej.
W przypadku przerwy w dopływie wody:

Szkody materialne
Aby nie uszkodzić systemu grzejnego z odkrytą grzałką, po przerwie w dopływie wody należy ponownie uruchomić urządzenie, wykonując poniższe czynności.
▶ Odłączyć urządzenie od źródła zasilania, wyłączając bezpieczniki.
- Otworzyć armaturę i odczekać około minuty, aż urządzenie i przewód doprowadzający zimną wodę do urządzenia zostaną odpowiedrzone.
▶ Włączyć ponownie napięcie zasilające.
4.2 Ograniczenie temperatury/zabezpieczenie przed poparzeniem
Maksymalną temperaturę wyjścia dla urządzenia można ograni- czyć do 43 °C. W tym celu nawiązać kontakt ze specjalistą.
5. Czyszczenie i konserwacja
▶ Nie wolno używać szorujących, ani rozpuszczających środków czyszczących. Do konserwacji i czyszczenia urządzenia wystarczy wilgotna ściereczka.
▶ Należy regularnie sprawdzać stan armatury. Osad z wylotu armatury należy usuwać przy użyciu dostępnych w handlu środków do odkamieniania.
- Usuwanie problemów
| Problem Przyczyna Rozwiązanie | ||
| Urządzenie nie włącza się, mimo całkowicie otwartego zaworu ciepłej wody. | Brak napięcia. | Sprawdzić bezpieczniki w instalacji domowej. |
| Regulator strumienia w armaturze lub głowica natryskowa jest pokryta kamieniem lub zanie-czyszczona. | Oczyścić i/lub usunąć kamień z regulatora strumienia lub głowicy natryskowej. | |
| Podczas pobierania ciepłej wody chwilowo wypływa zimna woda. | Funkcja wykrywania po-wietrza wykrywa powie-trze w wodzie i wyłącza moc grzejną. | Urządzenie uruchamia się automatycznie po upływie 1 minuty. |
| Żądana temperatura >45 °C nie jest osiągana. | Doprowadzanie wody zostało przerwane. | Odpowietrzyć urządzenie i przewód doprowadza-jący zimną wodę (patrz rozdział „Obsługa / Zalecane nastawy / W przypadku przerwy w dopływie wody”). |
| Temperatura na zasilaniu zimną wodą wynosi >45 °C. | Zmniejszyć temperaturę na zasilaniu zimną wodą. | |
Jeśli nie można usunąć przyczyny usterki, należy wezwać serwis. W celu usprawnienia i przyspieszenia pomocy należy podać numer urządzenia z tabliczki znamionowej (000000-0000-000000).

text_image
CHF-F ... S11 N: 000000-0000-00000026_02_02_0818
INSTALACJA
7. Bezpieczeństwo
Instalacja, uruchomienie, jak również konserwacja i naprawa urządzenia mogą być wykonane wyłącznie przez specjalistę.
7.1 Ogólne wskazówki dotyczące bezpieczeństwa
Producent zapewnia prawidłowe działanie i bezpieczeństwo eksploatacji tylko w przypadku stosowania oryginalnego wyposażenia dodatkowego przeznaczonego do tego urządzenia, oraz oryginalnych części zamiennych.

Szkody materialne
Przestrzegać maks. dopuszczalnej temperatury na zasilaniu (patrz rozdział „Instalacja / Dane techniczne / Tabela danych”). Przy wyższych temperaturach może nastąpić uszkodzenie urządzenia. Centralna armatura termostatyczna (patrz rozdział „Instalacja / Opis urządzenia / Wyposażenie dodatkowe”) pozwala ograniczyć temperaturę na zasilaniu.
7.2 Przepisy, normy i wymogi

Wskazówka
Należy przestrzegać wszystkich krajowych i miejscowych przepisów oraz wymogów.
- Stopień ochrony IP 25 (ochrona strugoszczelna) jest zapewniony tylko przy prawidłowo zamontowanej osłonie przewodu.
- Oporność elektryczna właściwa wody nie może być mniejsza niż podana na tabliczce znamionowej. W przypadku sieci wodociągowej należy uwzględnić najniższą oporność elektryczną wody (patrz rozdział „Instalacja / Dane techniczne / Tabela danych”). Informacje o właściwej oporności elektrycznej lub elektrycznej przewodności wody można uzyskać w miejscowym zakładzie wodociągów.
8. Opis urządzenia
8.1 Zakres dostawy
Do urządzenia dołączone są następujące elementy:
- Zawieszenie na ścianie
- Szablon montażowy
- 2 złączki podwójne
- 3-drożny kulowy odcinający zawór zimnej wody
- Trójnik ciepłej wody
- Uszczelki płaskie
- Sitko
- Ogranicznik przepływu
- Krążek kształtowy z tworzywa sztucznego
- Elementy łączące z tworzywa sztucznego / pomoc montażowa
- Elementy prowadzące pokrywy i ściany tylnej
8.2 Osprzęt
Armatury
- Jednouchwytowa kuchenna armatura ciśnieniowa MEKD
- Jednouchwytowa wannowa armatura ciśnieniowa MEBD
Zatyczka G 12 A
Jeżeli stosowana jest inna natynkowa armatura ciśnieniowa niż zalecana, użyć zatyczek zawartych w dostawie.
Zestaw montażowy do instalacji natynkowej
- Dwuzłączka do lutowania - rura miedziana do przyłącza lutowanego ∅ 12 mm
- Złączka rurowa zaprasowywana, rura miedziana
- Złączka rurowa zaprasowywana, rura z tworzywa sztucznego (przeznaczona do produktów firmy Viega: Sanfix-Plus lub Sanfix-Fosta)
Uniwersalna rama montażowa
- Rama montażowa z przyłączami elektrycznymi
Zestaw rurek do urządzeń montowanych poniżej punktu poboru wody
Jeżeli przyłącza wody (G 3/8 A) mają być podłączone powyżej urządzenia, konieczny jest zestaw do montażu poniżej punktu poboru wody.
Zestaw rurek do montażu z przemieszczeniem
Jeżeli planowane jest przesunięcie urządzenia w pionie względem przyłącza wody o 90 mm w dół, zastosować ten zestaw rurek.
Zestaw rurek do przyłączenia w miejsce gazowego ogrzewacza wody
Ten zestaw rur jest potrzebny, jeżeli dostępna instalacja zawiera przyłącza gazowego ogrzewacza wody (przyłącze zimnej wody z lewej strony i przyłącze ciepłej wody z prawej strony).
Zestaw rurek do złącz wtykowych DHB
Jeżeli dostępna instalacja zawiera przyłącza wtykowe urządzenia DHB, użyć złączek wtykowych wody.
Przekaźnik priorytetu (LR 1-A)
Przekaźnik priorytetu do montażu w rozdzielnicy umożliwia priorytetowe włączanie przepływowego ogrzewacza wody, przy równoczesnej pracy na przykład elektrycznych pieców akumulacyjnych.
ZTA 3/4 - Centralna armatura termostatyczna
Armatura termostatyczna do centralnego mieszania wstępnego, na przykład do eksploatacji przepływowego ogrzewacza wody z instalacją solarną.
9. Przygotowania
9.1 Miejsce montażu

Szkody materialne
Urządzenie należy zainstalować w pomieszczeniu, w którym nie istnieje ryzyko zamarznięcia.
▶ Urządzenie należy zamontować pionowo i w pobliżu punktu poboru.
Urządzenie jest dostosowane do instalacji poniżej lub powyżej punktu poboru wody.
Montaż poniżej punktu poboru wody

1 Zimna woda zasilanie
2 Ciepła woda wyjście
Montaż powyżej punktu poboru wody

1 Zimna woda zasilanie
2 Ciepła woda wyjście

Wskazówka
Zamontować urządzenie na ścianie. Ściana musi mieć odpowiednią nośność.
9.2 Instalacja wodna
- Zawór bezpieczeństwa nie jest wymagany.
▶ Dokładnie przepłukać przewód wody.
Armatury
Stosować odpowiednie armatury ciśnieniowe (patrz rozdział „Instalacja / Opis urządzenia / Wyposażenie dodatkowe”). Nie wolno stosować armatur bezciśnieniowych.

Wskazówka
Do dławienia przepływu nie wolno używać 3-drożnego kulowego odcinającego zaworu w dopływie zimnej wody. 3-drożny odcinający zawór kulowy służy do odcięcia urządzenia.
Dopuszczalne materiały przewodów wodnych
- Przewód doprowadzający zimną wodę: rura stalowa ocynkowana ogniowo, rura ze stali nierdzewnej, rura miedziana lub rura z tworzywa sztucznego
- Przewód wyjścia ciepłej wody: Rura ze stali nierdzewnej, rura miedziana lub rura z tworzy- wa sztucznego

Szkody materialne
Przy zastosowaniu rur z tworzywa sztucznego przestrzegać maksymalnej temperatury na zasilaniu i maksymalnego dopuszczalnego ciśnienia (patrz rozdział „Instalacja / Dane techniczne / Tabela danych”).
Strumień przepływu
Upewnić się, że osiągnięty został strumień przepływu (patrz rozdział „Instalacja / Dane techniczne / Tabela danych”), włączeniowego niezbędny do załączenia się urządzenia.
▶ Jeśli nie można uzyskać wymaganego strumienia przepływu przy całkowicie otwartym zaworze poboru, zwiększyć ciśnienie w instalacji wodnej. Jeśli mimo to strumień przepływu nie zostanie osiągnięty, wymontować ogranicznik przepływu i zamontować krążek kształtowy z tworzywa sztucznego.

1 Ogranicznik przepływu
2 Krążek kształtowy z tworzywa sztucznego

Wskazówka
Aby armatura termostatyczna działała prawidłowo, nie wolno zastępować ogranicznika przepływu krążkiem kształtowym z tworzywa sztucznego.
9.3 Urządzenie z przełączalną mocą przyłączeniową
Urządzenie DHB-E 18/21/24 SLi jest fabrycznie nastawione na 21 kW. Jeżeli urządzenie ma zostać zainstalowane z inną mocą, należy wykonać następujące czynności:
Podłączyć wtyczkę kodującą zgodnie z wybraną mocą; moc do wyboru i zabezpieczenie urządzenia – patrz „Instalacja / Dane techniczne / Tabela danych”.
Zaznaczyć wybraną moc na tabliczce znamionowej. Użyć przy tym trwałego tuszu.
Zamontować ogranicznik przepływu odpowiadający mocy urządzenia (patrz rozdział „Instalacja / Dane techniczne / Tabela danych”).

- Przyłącze elektryczne na dole, instalacja podtynkowa
- Przyłącze wody, instalacja podtynkowa
Inne sposoby montażu przedstawiono w rozdziale „Instalacja / Inne sposoby montażu”:
- Przyłącze elektryczne podtynkowe górne
- Przyłącze elektryczne natynkowe
- Pola przekroju przewodów przy przyłączu elektrycznym dolnym
- Podłączenie przekaźnika priorytetu
- Natynkowa instalacja wodna
- Instalacja wodna natynkowa z przyłączem lutowanym / złączką rurową zaprasowywaną
- Instalacja wodna natynkowa, montaż pokrywy urządzenia
- Montaż dolnej części ścianki tylnej przy złączu śrubowym natynkowym
- Uchwyt ścienny przy wymianie urządzenia
- Instalacja na płytkach ceramicznych
- Odwrócona pokrywa urządzenia
- Ograniczenie temperatury/zabezpieczenie przed poparzeniem
10.1 Montaż standardowy
Otwieranie urządzenia

- Otworzyć urządzenie poprzez pociągnięcie pokrywy do przodu i w dół, odkręcenie śruby i odchylenie pokrywy urządzenia.

Zdjąć ściankę tylną, naciskając oba haczyki blokujące i pociągając dolną część ścianki tylnej do przodu.
Przygotowanie elektrycznego przewodu zasilającego

Przygotować sieciowy przewód przyłączeniowy.
Mocowanie uchwytu ściennego

- Za pomocą szablonu montażowego zaznaczyć otwory do wywiercenia. W przypadku montażu urządzenia z natynkowymi przyłączami wody należy dodatkowo oznaczyć otwór mocujący w dolnej części szablonu.
Wywiercić otwory i zamocować uchwyt ścienny w 2 punktac Montaż urządzenia
przy pomocy odpowiednich materiałów mocujących (wkręty i kołki rozporowe nie są objęte zakresem dostawy).
Zamontować uchwyt scienny na ścianie.
Podłączanie wody

Szkody materialne
Wszystkie prace w zakresie podłączania wody i prace instalacyjne należy wykonywać zgodnie z przepisami.

D0000053319
▶ Uszczelnić i wkręcić złączkę podwójną.

text_image
1 2 3 4 5 D00000509471 Ciepła woda z trójnikiem
2 Uszczelka
3 Zimna woda z 3-drożnym kulowym zaworem odcinającym
4 Sitko
5 Ogranicznik przepływu lub krążek kształtowy z tworzywa sztucznego (patrz rozdział „Instalacja / Instalacja wodna / Strumień przepływu”)

Wskazówka
W przypadku urządzenia DHB-E 18/21/24 SLi dołączony jest drugi ogranicznik przepływu. Zamontować ogranicznik przepływu odpowiadający mocy urządzenia (patrz „Ogranicznik strumienia przepływu” w rozdziale „Instalacja / Dane techniczne / Tabela danych”):
4,0 l/min = różowy
7,5 l/min = niebieski
8,5 l/min = zielony
▶ Przykręcić trójnik i 3-drożny kulowy zawór odcinający wraz z uszczelką płaską na złączkę podwójną.

Szkody materialne
Do dławienia przepływu nie wolno używać 3-drożnego kulowego odcinającego zaworu w dopływie zimnej wody.

Dla ułatwienia montażu wcisnąć osłone przewodu górnego przyłącza elektrycznego od tyłu w ściankę tylną.
- Usunąć zabezpieczające zatyczki transportowe z przyłączy wody.
Wyjąć przetyczkę mocującą z górnej części ścianki tylnej.
Wprowadzić sieciowy przewód przyłączeniowy od tyłu prostonę przewodu, tak aby sieciowy przewód przyłączeniowy przylegał do płaszcza przewodu. Wyprostować sieciowy przewód przyłączeniowy.
Jeżeli pole przekroju sieciowego przewodu przyłączeniowego wynosi > 6 mm², powiększyć otwór w tulejce przewodu.
▶ Wcisnąć urządzenie na sworzeń gwintowany uchwytu ściennego, przebijając miękką uszczelkę. W razie potrzeby użyć śrubokręta.
▶ Założyć przetyczkę mocującą na sworzeń gwintowany uchwytu ściennego.
▶ Mocno docisnąć ściankę tylną. Zablokować przetyczkę mocującą poprzez obrót w prawo o 90°.

▶ Przykręcić rurki z uszczelkami płaskimi do złączek podwójnych.

Szkody materialne
Przy eksploatacji urządzenia sitko musi być zamontowane.
▶ Przy wymianie urządzenia sprawdzić, czy sitko jest założone.
Wykonanie przyłącza elektrycznego

OSTRZEŻENIE porażenie prądem elektrycznym Wszystkie elektryczne prace przyłączeniowe i instalacyjne należy wykonywać zgodnie z przepisami.

OSTRZEŻENIE porażenie prądem elektrycznym Podłączenie do sieci elektrycznej jest dopuszczalne tylko w postaci przyłącza stałego, w połączeniu z wyjmowaną osłona przewodu. Urządzenie musi mieć możliwość oddzielania od sieci elektrycznej za pomocą wielobiegu nowego wyłącznika z rozwarciem styków wynoszącym min. 3 mm.

OSTRZEŻENIE porażenie prądem elektrycznym Zwrócić uwagę, aby urządzenie zostało podłączone do przewodu ochronnego.

Szkody materialne Zwrócić uwagę na treść tabliczki znamionowej. Podane napięcie musi być zgodne z napięciem sieciowym.
Podłączyć sieciowy przewód przyłączeniowy do sieciowego zacisku przyłączeniowego (patrz rozdział „Instalacja / Dane techniczne / Schematy połączeń elektrycznych”).
Montaż dolnej części tylnej ścianki

Zamontować dolną część ścianki tylnej w ściance tylnej. Zatrasnąć dolną część ścianki tylnej.
▶ Wyprostować zamontowane urządzenie, zwalniając przetyczkę mocującą, wyrównując przyłącze elektryczne i tylną ściankę, a następnie z powrotem dokręcając przetyczkę mocującą. Jeżeli ścianka tylna urządzenia nie przylega płasko, urządzenie można zamocować w jego dolnej części przy użyciu dodatkowej śruby.
10.2 Zakończenie montażu
- Otworzyć 3-drożny kulowy zawór odcinający lub zawór odcinający w przewodzie doprowadzającym zimną wodę.
11. Uruchomienie

OSTRZEŻENIE porażenie prądem elektrycznym Uruchomienie może zostać przeprowadzone wyłącznie przez specjalistę lub Serwisanta z zachowaniem przepisów bezpieczeństwa.
11.1 Pierwsze uruchomienie

Kilkakrotnie otworzyć i zamknąć wszystkie podłączone armatury poboru wody, aż do usunięcia całego powietrza z przewodów i urządzenia.
Przeprowadzić kontrolę szczelności.
- Aktywować ogranicznik ciśnienia bezpieczeństwa przy ciśnieniu przepływu, mocno naciskając przycisk resetowania (urządzenie dostarczane jest z wyłączonym ogranicznikiem ciśnienia bezpieczeństwa).
Podłączyć wtyczkę przewodu nadajnika wartości zadanej do układu elektroniki.
Zamontować pokrywę urządzenia. Sprawdzić prawidłowe osadzenie pokrywy urządzenia.
Zamocować pokrywę urządzenia przy pomocy wkrętu.
▶ Włączyć napięcie sieciowe.
▶ Skalibrować temperaturę. Obrócić pokrętło regulacji temperatury do oporu w prawo i w lewo.
Zdjąć folię ochronną z panelu sterowania.
▶ Sprawdzić prawidłowość pracy urządzenia.
Przekazanie urządzenia
▶ Objainsić użytkownikowi sposób działania urządzenia i zapoznać go ze sposobem użytkowania.
Poinformować użytkownika o potencjalnych zagrożeniach, zwłaszcza o niebezpieczeństwie poparzenia.
Przekazać niniejszą instrukcję.
11.2 Ponowne uruchomienie

Szkody materialne
Aby nie uszkodzić systemu grzejnego z odkrytą grzałką, po przerwie w dopływie wody należy ponownie uruchomić urządzenie, wykonując poniższe czynności.
▶ Odłączyć urządzenie od źródła zasilania, wyłączając bezpieczniki.
- Otworzyć armaturę i odczekać około minuty, aż urządzenie i przewód doprowadzający zimną wodę do urządzenia zostaną odpowiedrzone.
▶ Włączyć ponownie napięcie zasilające.
12. Wyłączenie z eksploatacji
▶ Odłączyć urządzenie na wszystkich biegunach od przyłącza sieciowego.
▶ Opróżnić urządzenie (patrz rozdział „Instalacja / Konserwacja / Opróżnianie urządzenia”).
13. Inne sposoby montażu
13.1 Przyłącze elektryczne podtynkowe górne

Naciąć tulejkę sieciowego przewodu przyłączeniowego.
▶ Docisnąć w dół hak zatrzaskowy w celu zamocowania sieciowego zacisku przyłączeniowego. Wyciągnąć sieciowy zacisk przyłączeniowy.
Przełożyć zacisk sieciowy w urządzeniu z dołu do góry. Zamocować sieciowy zacisk przyłączeniowy, wsuwając go pod hak zatrzaskowy.
▶ Poprowadzić przewody przyłączeniowe pod prowadnicą przewodów.
13.2 Przyłącze elektryczne natynkowe

Wskazówka
Przy takim sposobie podłączenia zmienia się stopień ochrony urządzenia.
Zmienić zapis na tabliczce znamionowej. Skreślić „IP 25” i zaznaczyć pole „IP 24”. Użyć do tego celu długopisu.

Szkody materialne
W razie przygotowania nieodpowiedniego otworu w ściance tylnej, należy użyć nowej ścianki tylnej!
Wyciąć lub równo wyłamać niezbędny otwór przelotowy w ściance tylnej (pozycje patrz rozdział „Instalacja / Dane techniczne / Wymiary i przyłącza”). W razie potrzeby wygładzić ostre krawędzie pilnikiem.
- Poprowadzić sieciowy przewód przyłączeniowy przez tulejkę przewodu. Podłączyć sieciowy przewód przyłączeniowy do sieciowego zacisku przyłączeniowego.
13.3 Pola przekroju przewodów przy przyłączu elektrycznym dolnym
W przypadku użycia przewodów o dużym przekroju tulejkę przewodu można zamontować po zamontowaniu urządzenia.

▶ Przed przystąpieniem do montażu urządzenia wyjąć przy użyciu śrubokręta tulejkę przewodu.
▶ Nasunąć osłonę przewodu na sieciowy przewód przyłączeniowy. Użyć pomocy montażowej zawartej w zakresie dostawy. Przy przekroju > 6 mm² powiększyć otwór w osłonie przewodu.
▶ Wsunąć osłone przewodu w ściankę tylną. Zatrzasnąć osłone przewodu.
13.4 Podłączenie przekaźnika priorytetu
W przypadku stosowania innych urządzeń elektrycznych o dużej mocy, jak np. elektryczny piec akumulacyjny, w rozdzielni elektrycznej zainstalować przekaźnik priorytetu. W tym przypadku praca innych urządzeń podłączonych do przekaźnika będzie wstrzymywana na czas pracy ogrzewacza.

Szkody materialne
Fazę przekaźnika priorytetu należy podłączyć do odpowiednio oznaczonego sieciowego zacisku przyłączeniowego w urządzeniu (patrz rozdział „Instalacja / Dane techniczne / Schematy połączeń elektrycznych”).
13.5 Natynkowa instalacja wodna

Wskazówka
Przy takim sposobie podłączenia zmienia się stopień ochrony urządzenia.
Zmienić zapis na tabliczce znamionowej. Skreślić „IP 25” i zaznaczyć pole „IP 24”. Użyć do tego celu długopisu.

text_image
18 Nm 24 D000033106Zamontować korki wody z uszczelkami, aby zamknąć przyłącze podtynkowe. W przypadku armatur z wyposażenia dodatkowego zatyczki i uszczelki należą do zakresu dostawy. Do innych armatur ciśnieniowych niż zalecane przez nas można zamówić zatyczki i uszczelki, jako osprzęt.
Zamontować odpowiednią armaturę ciśnieniową.
Podłożyć dolną część ścianki tylnej pod rurki przyłączeniowe armatury i wsunąć ją w ściankę tylną.
▶ Przykręcić rurki przyłączeniowe trójnikiem i 3-drożnym kulo-
wym zaworem odcinającym
13.6 Instalacja wodna natynkowa z przyłączem lutowanym / złączką rurową zaprasowywaną
Miedziane przewody rurowe lub przewody rurowe z tworzywa sztucznego można łączyć elementami osprzętu „przyłącze lutowane” lub „złączka rurowa zaprasowywana”.
W przypadku „przyłącza lutowanego” z przyłączem śrubowym do miedzianych przewodów rurowych 12 mm należy postępować w następujący sposób:
▶ Nasunąć nakrętki kołpakowe na rury przyłączeniowe.
Zlutować wkładki z przewodami miedzianymi.
Podłożyć dolną część ścianki tylnej pod rurki przyłączeniowe armatury i wsunąć ją w ściankę tylną.
▶ Przykręcić rurki przyłączeniowe trójnikiem i 3-drożnym kulo-
wym zaworem odcinającym

Wskazówka
Należy przestrzegać wskazówek producenta armatury!
13.7 Instalacja wodna natynkowa, montaż pokrywy urządzenia

1 Elementy prowadzące ściany tylnej
2 Šruba
3 Elementy prowadzące pokrywy
4 Otwór przelotowy
▶ Dokładnie wyłamać otwory przelotowe w pokrywie urządzenia. W razie potrzeby użyć pilnika.

Wskazówka
W przypadku lekkiego przesunięcia rur przyłączeniowych można skorzystać z elementów prowadzących osłony.
▶ Przy większym przesunięciu rur przyłączeniowych nie należy montować elementów prowadzących ścianki tylnej.
▶ Przy montażu rur przyłączeniowych bez przesunięcia krawędzie elementów prowadzących osłony należy wyłamać.
- Zatrzasnąć elementy prowadzące pokrywy w otworach przelotowych.
- Założyć elementy prowadzące ścianki tylnej na rury. Zsunąć je. Następnie dosunąć elementy prowadzące do ścianki tylnej aż do oporu.
Przymocować ściankę tylną na dole przy użyciu śruby.
▶ W przypadku stosowania elastycznych przewodów przyłączeniowych wody zapobiec przekręceniu kolanek rurowych (połączenia bagnetowe w urządzeniu).
13.8 Montaż dolnej części ścianki tylnej przy złączu śrubowym natynkowym
W przypadku natynkowych przyłączy śrubowych dolną część ściany tylnej można zamontować również po montażu armatury. W tym celu wymagane są następujące czynności:
Przeciąć dolną część ścianki tylnej.
Zamontować dolną część ścianki tylnej, zaginając ją z boku i nasuwając na rury natynkowe.
Włożyć elementy łączące od tyłu w dolną część ścianki tylne
Zablokować dolną część ścianki tylnej w ściance tylnej.
Zamocować dolną część ścianki tylnej przy użyciu śruby.

1 Dolna część ścianki tylnej
2 Elementy łączące dołączone do urządzenia
3 Šruba
13.9 Uchwyt ścienny przy wymianie urządzenia
Dostępny uchwyt ścienny firmy STIEBEL ELTRON można wykorzystać przy wymianie urządzenia (wyjątek: ogrzewacz przepływowy DHF).
Przebić ściankę tylną urządzenia w miejscu przejścia sworznia gwintowanego na zamontowanym uchwycie ściennym.
Wymiana ogrzewcza przepływowego DHF

Przestawić sworzeń gwintowany na uchwycie sciennym (sworzeń gwintowany posiada gwint samonacinający).
▶ Obrócić uchwyt ścienny o 180° i zamontować go na ścianie (napis DHF będzie wówczas ustawiony w kierunku czytania).
13.10 Instalacja na płytkach ceramicznych

text_image
2 ≤20 ≥110 126_02_02_1066_
1 Minimalne przyleganie urządzenia
2 Maksymalne przesunięcie płytek ceramicznych
Ustawić odpowiednią odległość od ściany. Zablokować ściankę tylną za pomocą przetyczki mocującej (obrót w prawo o 90°).
13.11 Odwrócona pokrywa urządzenia
W przypadku montażu poniżej punktu poboru można obrócić pokrywę urządzenia.

▶ Wyjąć panel obsługowy z pokrywy urządzenia. W tym celu nacisnąć haczyki blokujące.
▶ Obrócić pokrywę urządzenia. Zablokować ponownie panel obstługowy- wszystkie haczyki blokujące muszą się zatrza- Graphic. W celu ułatwienia montażu panela obstługowego należy naciskać na zakreskowanym obszarze w kierunku strony we- nëtrznej pokrywy urządzenia.
Szkody materialne
Nie wolno montować panela obstugowego z uszkodzonymi haczykami blokującymi. Nie można wówczas zapewnić bezpieczeństwa.
Podłączyć przewód nadajnika wartości zadanej do układu elektroniki (patrz rozdział „Instalacja / Uruchomienie / Pierwsze uruchomienie”).
Zawiesić pokrywę urządzenia u góry. Przechylić pokrywę urządzenia u dołu w kierunku ścianki tylnej i docisnąć pokrywę urządzenia, tak aby słychać było zatrzaśnięcie.
Zamontować pokrywę urządzenia.
13.12 Ograniczenie temperatury/zabezpieczenie przed poparzeniem
Maksymalną granicę temperatury można nastawić za pomocą panela obsługowego pokrywy urządzenia na 43 °C. W tym celu należy wykonać następujące czynności:
Zdjąć pokrywę urządzenia.
▶ Wyjąć płytkę elektroniczną z panela obsługowego pokrywy urządzenia. Zwrócić przy tym uwagę na haki zatrzaskowe.
▶ Przełożyć wtyczkę ze strony lewej na prawą (pozycja „43 °C”).
Zamontować z powrotem panel obsługowy, haki zatrzaskowe muszą się zablokować. Zwrócić uwagę na pozycję przycisku i osi.

OSTROŻNIE Poparzenie
Przy zasilaniu wodą wstępnie podgrzaną nastawione ograniczenie temperatury bądź zabezpieczenie przed poparzeniem mogą być nieskuteczne.
W takim przypadku temperaturę należy ograniczyć na centralnej armaturze termostatycznej umieszczonej przed urządzeniem, patrz rozdział „Instalacja / Opis urządzenia / Osprzęt”.

OSTRZEŻENIE porażenie prądem elektrycznym Aby umożliwiać sprawdzenie urządzenia, należy doprowadzić do niego napięcie zasilające.
| Możliwe wskazania lampki diagnostycznej (LED) | |||
| czerwony świeci się w razie usterek | |||
| żółty świeci się w trybie grzania | |||
| zielony | miga: urządzenie podłączone do sieci | ||
| Usterka / Wskazanie wskaźnika diagno-stycznego | Przyczyna Rozwiązanie | ||
| Urządzenie nie włącza się. Głowica natryskowa / Regulatory strumienia pokryte są kamieniem. | Usunąć kamięń lub wymienić głowicę natryskową /regulatory strumienia. | ||
| Zbyt mały przepływ. | Zanieczyszczone sitko w urządzeniu. | Wyczyścić sitko. | |
| Zadana temperatura nie jest osiągana. | Brak fazy. | Sprawdzić bezpiecznik w instalacji domowej. | |
| Ogrzewanie wyłącza się. | System wykrywania powietrza sygnalizuje obecność powietrza w wodzie. W urządzeniu zostaje tymczasowo wyłączona moc grzejna. | Urządzenie powraca do pracy po minucie. | |
| Brak ciepłej wody i brak wskazania na wskaź-niku. | Zadział bezpiecznik. | Sprawdzić bezpiecznik w instalacji domowej. | |
| Ogranicznik ciśnienia bezpieczeństwa spowodował wy-łączenie. | Usunąć przyczynę błędu (na przykład uszkodzona turbinka kontroli ciśnienia). | ||
| Zabezpieczyć system grzejny przed przegrzaniem,otwierając na jedną minutę zawór czerpalny znajdu-jący się za urządzeniem. Powoduje to zredukowanie ciśnienia i schłodzenie systemu grzejnego. | |||
| Aktywować ogranicznik ciśnienia bezpieczeństwa przy ciśnieniu przepływu, naciskając przycisk resetowania, patrz także rozdział „Instalacja / Uruchomienie / Pierwsze uruchomienie”. | |||
| Elektronika uszkodzona. | Sprawdzić układ elektroniczny, a w razie potrzeby wymienić. | ||
| Wskazanie kontrolki: kolor zielony migaBrak ciepłej wody przy przepływie > 3 l/min | Wykrywanie przepływu DFE nie jest podłączone. | Z powrotem podłączyć wtyczkę wykrywania przepływu. | |
| Uszkodzone wykrywanie przepływu DFE. | Sprawdzić moduł wykrywania strumienia, w razie potrzeby wymienić. | ||
| Zadana temperatura nie jest osiągana. | Nadajnik wartości zadanej lub przewód łączący jest uszko-dzony albo przewód łączący nie jest podłączony. | Podłączyć przewód łączący, w razie potrzeby wymie-nić nadajnik wartości zadanej. | |
| Ogranicznik temperatury jest włączony. | Wyłączyć ograniczenie temperatury. | ||
| Wskazanie kontrolki: kolor żółty - światło cią-głe, kolor zielony migaBrak ciepłej wody przy przepływie > 3 l/min | Ogranicznik temperatury bezpieczeństwa STB zadział lub jest przerwany. | Sprawdzić ogranicznik temperatury bezpieczeństwa,w razie potrzeby wymienić. | |
| System grzejny jest uszkodzony. | Zmierzyć oporność systemu grzejnego | ||
| Elektronika uszkodzona. | Sprawdzić układ elektroniczny, a w razie potrzeby wymienić. | ||
| Wskazanie kontrolki: kolor żółty - światło cią-głe, kolor zielony miga | Czujnik wyjścia jest uszkodzony. | Sprawdzić połączenie, w razie potrzeby wymienić czujnik wyjścia. | |
| Temperatura zadana nie jest osiągana. | Urządzenie osiągnęło granicę mocy. | Zmniejszyć strumień przepływu wody. Zamontować ogranicznik przepływu. | |
| Wskazanie kontrolki: kolor czerwony - światło ciągłe, kolor zielony miga | Czujnik wyjścia jest uszkodzony. | Sprawdzić połączenie, w razie potrzeby wymienić czujnik wyjścia. | |
| Brak ciepłej wody | Uszkodzony czujnik zimnej wody. | Sprawdzić układ elektroniczny, a w razie potrzeby wymienić. | |
| Żądana temperatura > 45 °C nie jest osiągana. | Temperatura zimnej wody na wyjściu jest wyższa niż 45 °C. | Zmniejszyć temperaturę zimnej wody na zasilaniu urządzenia. | |
15. Konserwacja

OSTRZEŻENIE porażenie prądem elektrycznym Przed przystąpieniem do wszelkich prac należy odłączyć urządzenie na wszystkich biegunach od sieci.
Opróżnianie urządzenia
Urządzenie można opróżnić do celów konserwacyjnych.

OSTRZEŻENIE poparzenie Podczas opróżniania urządzenia może wyciekać gorąca woda.
Zamknąć 3-drożny zawór odcinający lub zawór odcinający w przewodzie doprowadzającym zimną wodę.
▶ Otworzyć wszystkie zawory poboru.
▶ Odkręcić wszystkie przyłącza wody od urządzenia.
Zdemontowane urządzenie przechowywać w miejscu zabez pieczonym przed mrozem, ponieważ resztki wody pozostałe w urządzeniu mogą doprowadzić do jego zamarznięcia i uszkodzenia.
Czyszczenie sitka
W razie zabrudzenia, oczyścić sitko w przyłączu zimnej wody. Przed wymontowaniem, czyszczeniem sitka i ponownym jego zamontowaniem zamknąć 3-drożny zawór odcinający lub zawór odcinający w przewodzie doprowadzającym zimną wodę.
16. Dane techniczne
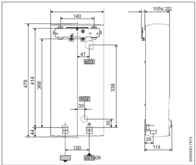
16.1 Wymiary i przyłącza

text_image
140 47 b03 478 414 368 338 b02 30 35 44 100 c01c06 105≤20' 35 114 D0000017973| DHB-E SLi | |||
| b02 | Przepust na przewody elektr. I | ||
| b03 | Przepust na przewody elektr. II | ||
| c01 | Zimna woda zasilanie | Gwint zewnętrzny | G 1/2 A |
| c06 | Ciepła woda wyjście | Gwint zewnętrzny | G 1/2 A |
Inne możliwości podłączenia

text_image
338 b04 50 44 165 b04 b03 47 b02 30 b04 b04 72 35 325 D000019212| DHB-E SLi | |
| b02 Przepust na przewody elektr. I | |
| b03 Przepust na przewody elektr. II | |
| b04 Przepust na przewody elektr. III |
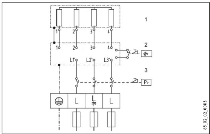
16.2 Schemat połączeń elektrycznych
3/PE \~ 380-415 V

2 Ogranicznik temperatury bezpieczeństwa
3 Ogranicznik ciśnienia bezpieczeństwa
Przełączanie priorytetowe za pomocą LR 1-A

1 Przewód sterujący do stycznika 2 urządzenia (np. elektryczny piec akumulacyjny).
2 Zestyk sterujący otwiera się po włączeniu przepływowego ogrzewacza wody.
16.3 Wydajność ciepłej wody użytkowej
Wydajność ciepłej wody użytkowej zależy od napięcia zasilającego, mocy przyłączeniowej urządzenia i temperatury zimnej wody na zasilaniu urządzenia. Napięcie znamionowe i moc znamionowa podane są na tabliczce znamionowej (patrz rozdział „Obsługa / Usuwanie problemów”).
Moc przyłączeniowa w kW 38 °C – wydajność ciepłej wody w U/min.
Napięcie znamionowe Temperatura dopływającej wody zimnej
Moc przyłączeniowa w kw 50 °C – wydajność ciepłej wody w l/min.
Napięcie znamionowe Temperatura dopływającej wody zimnej
16.4 Zakres pracy / tabela przeliczeniowa
Oporność elektryczna właściwa i przewodność elektryczna właściwa (patrz rozdział „Instalacja / Tabela danych”).
| Wartość znamionowa przy 15°C | 20 °C | 25 °C | ||||||
| Opor- ność ≥ | Przewodność ≤ | Opor- ność ≥ | Przewodność ≤ | Opor- ność ≥ | Przewodność ≤ | |||
| Ωcm | mS/m | μS/cm | Ωcm | mS/m | μS/cm | Ωcm | mS/m | μS/cm |
| 900 | 111 | 1111 | 800 | 125 | 1250 | 735 | 136 | 1361 |
| 1000 | 100 | 1000 | 890 | 112 | 1124 | 815 | 123 | 1227 |
| 1100 | 91 | 909 | 970 | 103 | 1031 | 895 | 112 | 1117 |
| 1200 | 83 | 833 | 1070 | 93 | 935 | 985 | 102 | 1015 |
| 1300 | 77 | 769 | 1175 | 85 | 851 | 1072 | 93 | 933 |
16.5 Straty ciśnienia
Armatury
Strata ciśnienia w armaturze przy strumieniu przepływu 10 L/min
| Jednouchwytowa armatura mieszająca, ok. | MPa | 0,04 - 0,08 |
| Armatura termostatyczna, ok. | MPa | 0,03 - 0,05 |
| Głowica natryskowa, ok. | MPa | 0,03 - 0,15 |
Wymiarowanie sieci rur
Przy wymiarowaniu sieci przewodów zaleca się zastosowanie dla urządzenia straty ciśnienia wynoszącej 0,1 MPa.
16.6 Warunki awaryjne
W razie awarii w instalacji mogą chwilowo występować obciążenia maks. 95 °C przy ciśnieniu 1,2 MPa.
16.7 Krajowe dopuszczenia i certyfikaty: Niemcy
Zgodnie z niemiecką ustawą budowlaną dla urządzenia zostało wystawione ogólne świadectwo budowlane stwierdzające spełnianie przez nie wymogów dotyczących emisji hałasu.

text_image
STIEBEL ELTRON DIN 4109 PA-IX 6816/I LGA16.8 Dane dotyczące zużycia energii
Dane produktu odpowiadają rozporządzeniom UE dotyczącym dyrektywy do ekologicznego kształtowania produktów istotnych dla zużycia energii.
| DHB-E 11 SLi DHB-E 13 SLi DHB-E 18 SLi 25 A DHB-E 18/21/24 SLi DHB-E 27 SLi | ||||||
| 232013 | 232014 | 232015 | 232016 | 232017 | ||
| Producent | STIEBEL ELTRON | STIEBEL ELTRON | STIEBEL ELTRON | STIEBEL ELTRON | STIEBEL ELTRON | |
| Profil obciążeń | S | S | S | S | S | |
| Klasa efektywności energetycznej | A | A | A | A | A | |
| Roczne zużycie prądu | kWh | 472 | 472 | 477 | 477 | 481 |
| Współczynnik sprawności energetycznej | % | 39 | 39 | 39 | 39 | 39 |
| Fabryczne nastawy temperatury | °C | 60 | 60 | 60 | 60 | 60 |
| Poziom mocy akustycznej | dB(A) | 15 | 15 | 15 | 15 | 15 |
| Specjalne wskazówki dotyczące pomiaru efektywności | Brak | Brak | Brak | Dane w przypadku Pmaks. | Brak | |
16.9 Tabela danych
| DHB-E 11 SLi DHB-E 13 SLi DHB-E 18 SLi | |||||||||||||||
| 25 A | DHB-E 18/21/24 SLi | DHB-E 27 SLi | |||||||||||||
| 232013 | 232014 | 232015 | 232016 | 232017 | |||||||||||
| Dane elektryczne | |||||||||||||||
| Napięcie znamionowe | V | 380 | 400 | 415 | 380 | 400 | 415 | 380 | 400 | 415 | 380 | 400 | 415 | 380 | 400 |
| Moc znamionowa | kW | 10,1 | 11 | 12,2 | 13,5 | 14,5 | 16,2 | 18 | 19,4 | 16,2/19/21,7 | 18/21/24 | 19,4/22,6/25,8 | 24,4 | 27 | |
| Prąd znamionowy | A | 15,4 | 16 | 18,5 | 19,5 | 20,2 | 24,7 | 26 | 27 | 27,6/29,5/33,3 | 29/31/35 | 30,1/32,2/36,3 | 37,1 | 39 | |
| Zabezpieczenie | A | 16 | 16 | 20 | 20 | 20 | 25 | 25 | 32 | 32/32/35 | 32/32/35 | 32/32/40 | 40 | 40 | |
| Fazy | 3/PE | 3/PE | 3/PE | 3/PE | |||||||||||
| Częstotliwość | Hz | 50/60 | 50/60 | 50/60 | 50/60 | 50/- | 50/60 | 50/60 | 50/- | 50/60 | 50/60 | 50/- | 50/- | 50/- | |
| Oporność właściwa p1s ≥ (przy ∅zimna ≤25 °C) | Ω cm | 900 | 900 | 1000 | 900 | 900 | 1000 | 900 | 900 | 1000 | 900 | 900 | 1000 | 900 | 900 |
| Przewodność właściwa σ15 ≤ (przy ∅zimna ≤25 °C) | μS/cm | 1111 | 1111 | 1000 | 1111 | 1111 | 1000 | 1111 | 1111 | 1000 | 1111 | 1111 | 1000 | 1111 | 1111 |
| Oporność właściwa p1s ≥ (przy ∅zimna ≤45 °C) | Ω cm | 1200 | 1200 | 1300 | 1200 | 1200 | 1300 | 1200 | 1200 | 1300 | 1200 | 1200 | 1300 | 1200 | 1200 |
| Przewodność właściwa σ15 ≤ (przy ∅zimna ≤45 °C) | μS/cm | 833 | 833 | 770 | 833 | 833 | 770 | 833 | 833 | 770 | 833 | 833 | 770 | 833 | 833 |
| Maks. impedancja sieci przy 50 Hz | Ω | 0,379 | 0,360 | 0,347 | 0,284 | 0,270 | 0,260 | 0,254 | 0,241 | ||||||
| Przyłącza | |||||||||||||||
| Podłączenie wody | G 1/2 A | G 1/2 A | G 1/2 A | G 1/2 A | G 1/2 A | ||||||||||
| Granice stosowania | |||||||||||||||
| Maks. dopuszczalne ciśnienie | MPa | 1 | 1 | 1 | 1 | 1 | |||||||||
| Maks. temp. podgrzanej wody na zasilaniu | °C | 45 | 45 | 45 | 45 | 45 | |||||||||
| Parametry | |||||||||||||||
| Maks. dopuszczalna temperatura na zasilaniu wody | °C | 60 | 60 | 60 | 60 | 60 | |||||||||
| Przepływ włączeniowy | l/min | >3,0 | >3,0 | >3,0 | >3,0 | >3,0 | |||||||||
| Strumień przepływu przy spadku ciśnienia | l/min | 3,1 | 3,9 | 5,2 | 5,2/6,0/6,9 | 7,7 | |||||||||
| Spadek ciśnienia przy strumie-niu przepływu | MPa | 0,07 (0,02 bez ogranicznika przepływu) | 0,11 (0,03 bez ogranicznika przepływu) | 0,08 (0,06 bez ogranicznika przepływu) | 0,08/0,10/0,13 (0,06/0,08/0,10 bez DMB) | 0,16 (0,12 bez ogranicznika przepływu) | |||||||||
| Ograniczenie strumienia przepływu przy | l/min | 4,0 | 4,0 | 7,5 | 7,5/7,5/8,5 | 8,5 | |||||||||
| Wydajność ciepłej wody | l/min | 5,6 | 6,9 | 9,2 | 9,2/10,7/12,3 | 13,8 | |||||||||
| Δ9 przy przygotowaniu ciepłej wody | K | 28 | 28 | 28 | 28 | 28 | |||||||||
| Dane hydrauliczne | |||||||||||||||
| Pojemność znamionowa | I | 0,4 | 0,4 | 0,4 | 0,4 | 0,4 | |||||||||
| Wykonania | |||||||||||||||
| Moc przyłączeniowa nastawiana | - | - | - | X | - | ||||||||||
| Regulacja temperatury | °C | 30 - 60 | 30 - 60 | 30 - 60 | 30 - 60 | 30 - 60 | |||||||||
| Klasa ochronności | 1 | 1 | 1 | 1 | 1 | ||||||||||
| Blok izolacyjny | Tworzywo sztuczne | Tworzywo sztuczne | Tworzywo sztuczne | Tworzywo sztuczne | Tworzywo sztuczne | ||||||||||
| Wytwornica ciepła systemu grzejnego | Z odkrytą grzałką | Z odkrytą grzałką | Z odkrytą grzałką | Z odkrytą grzałką | Z odkrytą grzałką | ||||||||||
| Pokrywa i ścianka tylna | Tworzywo sztuczne | Tworzywo sztuczne | Tworzywo sztuczne | Tworzywo sztuczne | Tworzywo sztuczne | ||||||||||
| Kolor | Biały | Biały | Biały | Biały | Biały | ||||||||||
| Stopień ochrony (IP) | IP25 | IP25 | IP25 | IP25 | IP25 | ||||||||||
| Wymiary | |||||||||||||||
| Wysokość | mm | 478 | 478 | 478 | 478 | 478 | |||||||||
| Szerokość | mm | 225 | 225 | 225 | 225 | 225 | |||||||||
| Głębokość | mm | 105 | 105 | 105 | 105 | 105 | |||||||||
| Masy | |||||||||||||||
| Masa | kg | 3,6 | 3,6 | 3,6 | 3,6 | 3,6 | |||||||||
Gwarancja
Urządzeń zakupionych poza granicami Niemiec nie obejmu- ją warunki gwarancji naszych niemieckich spółek. Ponadto w krajach, w których jedna z naszych spółek córek jest dystrybu- torem naszych produktów, gwarancji może udzielić wyłącznie ta spółka. Taka gwarancja obowiązuje tylko wówczas, gdy spół- ka-córka sformułowała własne warunki gwarancji. W innych przypadkach gwarancja nie jest udzielana.
Nie udzielamy gwarancji na urządzenia zakupione w krajach, w których żadna z naszych spółek córek nie jest dystrybutorem naszych produktów. Ewentualne gwarancje udzielone przez importera zachowują ważność.
Ochrona środowiska i recycling
Pomóż chronić środowisko naturalne. Materiały po wykorzystaniu należy utylizować zgodnie z krajowymi przepisami.
ZVLÁŠTNÍ POKYNY
OBSLUHA
ul. Działkowa 2 | 02-234 Warszawa
Tel. 022 60920-30 | Fax 022 60920-29
biuro@stiebel-eltron.pl
www.stiebel-eltron.pl
Russia
STIEBEL ELTRON LLC RUSSIA
ProstaInstrukcja