DHBE 18 SLi 25A electronic - Elektrische boiler STIEBEL ELTRON - Gratis gebruiksaanwijzing en handleiding
Vind de handleiding van het apparaat gratis DHBE 18 SLi 25A electronic STIEBEL ELTRON in PDF-formaat.
Veelgestelde vragen - DHBE 18 SLi 25A electronic STIEBEL ELTRON
Questions des utilisateurs sur DHBE 18 SLi 25A electronic STIEBEL ELTRON
0 question sur cet appareil. Repondez a celles que vous connaissez ou posez la votre.
Poser une nouvelle question sur cet appareil
Download de handleiding voor uw Elektrische boiler in PDF-formaat gratis! Vind uw handleiding DHBE 18 SLi 25A electronic - STIEBEL ELTRON en neem uw elektronisch apparaat weer in handen. Op deze pagina staan alle documenten die nodig zijn voor het gebruik van uw apparaat. DHBE 18 SLi 25A electronic van het merk STIEBEL ELTRON.
GEBRUIKSAANWIJZING DHBE 18 SLi 25A electronic STIEBEL ELTRON
- Algemene aanwijzingen 60
1.1 Veiligheidsaanwijzingen 60
1.2 Andere aandachtspunten in deze documentatie ____60
1.3 Maateenheden 60 - Veiligheid 60
2.1 Voorgeschreven gebruik 60
2.2 Algemene veiligheidsaanwijzingen 60
2.3 Keurmerk 61 - Toestelbeschrijving 61
- Bediening 61
4.1 Instellingsaanbevelingen 61
4.2 Temperatuurbegrenzing / Verbrandingsbeveiliging 61 - Reiniging, verzorging en onderhoud 62
- Problemen verhelpen 62
INSTALLATIE
- Veiligheid 63
7.1 Algemene veiligheidsaanwijzingen 63
7.2 Voorschriften, normen en bepalingen 63 - Toestelbeschrijving 63
8.1 Inhoud van het pakket 63
8.2 Toebehoren 63 - Voorbereidingen 64
9.1 Montageplaats 64
9.2 Waterinstallatie 64
9.3 Toestel met selecteerbaar aansluitvermogen 65 - Montage 65
10.1 Standaardmontage 65
10.2 Montage afsluiten 67 - Ingebruikname 67
11.1 Eerste ingebruikname 67
11.2 Opnieuw in gebruik nemen 68 - Buitendienststelling 68
-
Alternatieven voor montage 68
13.1 Elektro-aansluiting onderbouw boven 68
13.2 Elektro-aansluiting opbouw 68
13.3 Grote geleiderdoorsneden bij elektro-aansluiting onder 68
13.4 Aansluiting van een lastafwerprelais 69
13.5 Waterinstallatie opbouw 69
13.6 Waterinstallatie opbouw met soldeeraansluiting / persfitting 69
13.7 Waterinstallatie opbouw, montage van de bovenkap__69
13.8 Montage onderstuk achterwand bij opbouwschroefaansluiting ____ 70
13.9 Wandbevestiging bij vervanging van het toestel ____ 70
13.10 Installatie bij betegeling 70
13.11 Gedraaide bovenkap 70
13.12 Temperatuurbegrenzing / Verbrandingsbeveiliging ____ 71 -
Storingen verhelpen 72
- Onderhoud 73
- Technische gegevens 73
16.1 Afmetingen en aansluitingen 73
16.2 Elektriciteitsschema 73
16.3 Warmwatervermogen 74
16.4 Toepassingsgebieden/omrekentabel 74
16.5 Drukverliezen 74
16.6 Storingen 74
16.7 Landspecifieke vergunningen en certificaten: Duitsland 75
16.8 Gegevens over het energieverbruik 75
16.9 Gegevenstabel 76
GARANTIE
MILIEU EN RECYCLING
BIJZONDERE INFO
- Het toestel kan door kinderen vanaf 8 jaar, alsmede door personen met verminderde fysieke, sensorische of geestelijke vermogens of met een gebrek aan ervaring en kennis gebruikt worden, wanneer er toezicht op hen gehouden wordt, of wanneer ze met betrekking tot het veilige gebruik van het toestel geïnstrueerd zijn en de gevaren die daaruit ontstaan, begrepen hebben. Kinderen mogen niet met het toestel spelen. Kinderen mogen zonder toezicht geen reiniging of gebruikersonderhoud uitvoeren.
- Verbrandingsgevaar: de kraan kan warmer worden dan 60 °C.
- Het toestel moet op alle polen met een afstand van minstens 3 mm van het stroomnetwerk losgekoppeld kunnen worden.
- Monteer het toestel zoals beschreven in het hoofdstuk "Installatie / Montage".
- Neem de maximaal toegelaten druk in acht (zie hoofdstuk "Installatie / Technische gegevens / Gegevenstabel").
- Tap het toestel af zoals beschreven in het hoofdstuk "Installatie / Onderhoud / Het toestel aftappen".
BEDIENING
1. Algemene aanwijzingen
De hoofdstukken "Bijzondere info" en "Bediening" zijn bedoeld voor de gebruiker van het toestel en voor de installateur.
Het hoofdstuk "Installatie" is bestemd voor de vakman.

Info
Lees deze handleiding voor gebruik zorgvuldig door en bewaar deze op een veilige plaats.
Overhandig de handleiding in voorkomende gevallen aan een volgende gebruiker.
1.1 Veiligheidsaanwijzingen
1.1.1 Structuur veiligheidsaanwijzingen

TREFWOORD Soort gevaar Hier staan mogelijke gevolgen wanneer de veiligheids- aanwijzing wordt genegeerd.
Hier staan maatregelen om het gevaar af te wen- den.
1.1.2 Symbolen, soort gevaar
Symbool Soort gevaar

Letsel

Elektrische schok

Verbranden (verbranding, verschroeiing)
1.1.3 Trefwoorden
TREFWOORD Betekenis
GEVAAR Aanwijzingen die leiden tot zwaar letsel of overlijden, wanneer deze niet in acht worden genomen.
WAARSCHUWING Aanwijzingen die kunnen leiden tot zwaar letsel of overlijden, wanneer deze niet in acht worden genomen.
VOORZICHTIG Aanwijzingen die kunnen leiden tot middelmatig zwaar of licht letsel, wanneer deze niet in acht worden genomen.
1.2 Andere aandachtspunten in deze documentatie

Info
Algemene aanwijzingen worden aangeduid met het symbool dat hiernaast staat.
Lees de aanwijzingsteksten grondig door.
Symbool Betekenis

Materièle schade
(toestel-, gevolg-, milieuschade)

Het toestel afdanken
- Dit symbool geeft aan dat u iets moet doen. De vereiste handelingen worden stapsgewijs beschreven.
1.3 Maateenheden

Info
Tenzij anders wordt vermeld, worden alle maten in millimeters aangegeven.
2. Veiligheid
2.1 Voorgeschreven gebruik
Het toestel is bestemd voor het opwarmen van drinkwater of het warm houden van voorverwarmd water en kan één of meerdere tappunten voeden.
Het toestel is bestemd voor gebruik in een huishoudelijke omgeving. Het kan veilig bediend worden door personen die daarover niet geïnstrueerd zijn. Het toestel kan eveneens buiten een huishouden gebruikt worden, bijv. in het kleinbedrijf, voor zover het op dezelfde wijze gebruikt wordt.
Elk ander gebruik geldt niet als gebruik conform de voorschriften. Tot gebruik conform de voorschriften behoort ook het in acht nemen van deze handleiding evenals de handleidingen voor het gebruikte toebehoren.
2.2 Algemene veiligheidsaanwijzingen

De temperatuur van de kraan kan bij gebruik hoger worden dan 60 °C.
Bij uitlooptemperaturen van meer dan 43 °C bestaat gevaar voor brandwonden.

Het is mogelijk dat de warmwatertemperatuur afwijkt van de ingestelde nominale temperatuur, wanneer de doorstromer wordt gebruikt met water dat bijv. door een zonne-installatie is voorverwarmd.

WAARSCHUWING letsel
Het toestel kan door kinderen vanaf 8 jaar, alsmede door personen met verminderde fysieke, sensorische of geestelijke vermogens of met een gebrek aan ervaring en kennis gebruikt worden, wanneer er toezicht op hen gehouden wordt, of wanneer ze met betrekking tot het veilige gebruik van het toestel geïnstrueerd zijn en de gevaren die daaruit ontstaan, begrepen hebben. Kinderen mogen niet met het toestel spelen. Kinderen mogen zonder toezicht geen reiniging of gebruikersonderhoud uitvoeren.

Materièle schade
Het toestel en de kraan dienen door de gebruiker tegen vorst beschermd te worden.
2.3 Keurmerk
Zie het typeplaatje op het toestel.
3. Toestelbeschrijving
De elektronisch geregelde doorstromer houdt de uitlooptemperatuur tot aan de vermogensgrens constant, onafhankelijk van de aanvoertemperatuur.
Het toestel verwarmt het water direct aan het tappunt zodra u het warmwaterventiel in de kraan opent. Door het korte leidingtraject ontstaan slechts geringe energie- en waterverliezen.
Zie voor de tapdrempel het hoofdstuk "Installatie / Technische gegevens / Gegevenstabel, aan".
Het warmwatervermogen is afhankelijk van de koudwatertemperatuur, het verwarmingsvermogen, het doorstroomvolume en de ingestelde gewenste temperatuur.
Wanneer de maximale toevoertemperatuur voor naverwarming wordt overschreden, wordt er niet naverwarmd.
Warmwatertemperatuur
U kunt de uitlooptemperatuur van het warme water traploos instellen.
Temperatuurbegrenzing / Verbrandingsbeveiliging
De maximale uitlooptemperatuur kan voor het toestel worden begrensd op 43 °C. Neem daarvoor contact op met uw installateur.
Verwarmingssysteem
Het blankdraadelement heeft een drukvaste kunststofmantel. Het verwarmingssysteem is (zowel) geschikt voor kalkarm als kalkhoudend water en is in grote mate ongevoelig voor verkalking. Het verwarmingssysteem zorgt voor een snelle en efficiente warmwatervoorziening.

Info
Het toestel is uitgerust met een luchtherkenning, die beschadiging van het verwarmingssysteem grotendeels voorkomt. Als er tijdens de werking lucht in het toestel komt, schakelt het toestel het verwarmingsvermogen gedurende één minuut uit, zodat het verwarmingssysteem wordt beschermd.
4. Bediening

gauge
| Value | |---| | 50 | | 45 | | 40 | | 35 | | 30 | | 26 |Draai de temperatuurinstelknop naar de gewenste positie.
Als bij volledig geopende kraan en maximale temperatuurinstelling onvoldoende uitlooptemperatuur wordt verkregen, loopt er meer water door het toestel dan het verwarmingselement kan opwarmen.
▶ Verminder het doorstroomvolume bij de kraan.
4.1 Instellingsaanbevelingen
Wanneer u het toestel met een thermostatische kraan gebruikt, is het aan te bevelen de temperatuur op het toestel in te stellen op de maximale temperatuur. U stelt de gewenste temperatuur dan in op de thermostatische kraan.
Na onderbreking van de watertoevoer

Materièle schade
Om te vermijden dat het blankdraadelement na onderbreking van de watervoorziening beschadigd raakt, moet het toestel met de volgende procedure weer in werking worden gesteld.
▶ Schakel het toestel spanningsvrij door de zekeringen uit te schakelen.
▶ Open de kraan gedurende een minuut tot het toestel en de voorgeschakelde koudwatertoevoerleiding vrij zijn van lucht.
▶ Schakel de netspanning opnieuw in.
4.2 Temperatuurbegrenzing / Verbrandingsbeveiliging
De maximale uitlooptemperatuur kan voor het toestel worden begrensd op 43 °C. Neem daarvoor contact op met uw installateur.
5. Reiniging, verzorging en onderhoud
- Gebruik geen schurende reinigingsmiddelen of reinigingsmiddelen met oplosmiddelen. Een vochtige doek volstaat om het toestel te onderhouden en te reinigen.
-
Controleer de kranen regelmatig. Verwijder kalk op de kraanuitlopen met in de handel verkrijgbare ontkalkingsmiddelen.
-
Problemen verhelpen
| Probleem Oorzaak Oplossing | ||
| Het toestel schakelt niet in, hoewel de warmwaterkraan volledig open staat. | Er is geen spanning. | Controleer de zekeringen van de huisinstallatie. |
| De straalregelaar in de kraan of de douchekop is verkalkt of vuil. | Reinig en / of ontkalk de straalregelaar of de douchekop. | |
| Terwijl er warm water wordt afgenomen, stroomt er kortstondig koud water. | De luchtherkenning heeft lucht in het water vast-gesteld en schakelt het verwarmingsvermogen gedurende korte tijd uit. | Na 1 minuut treedt het toestel automatisch weer in werking. |
| Gewenste temperatuur >45 °C wordt niet bereikt. | De watertoevoer is onderbroken. | Ontlucht het toestel en de koudwatertoevoer-leiding (zie hoofdstuk "Bediening / Instellingsaanbevelingen / Na onderbreking van de watertoevoer"). |
| De aanvoertemperatuur voor koud water is >45 °C. | Verlaag de aanvoer-temperatuur voor koud water. | |
Waarschuw de installateur als u de oorzaak zelf niet kunt verhel- pen. Houd het nummer op het typeplaatje (000000-0000-000000) bij de hand voor een betere en snellere afhandeling.

text_image
M10 E...SLI No.: 000000-0000-000000INSTALLATIE
7. Veiligheid
Installatie, ingebruikname, onderhoud en reparatie van het toestel mogen alleen door een gekwalificeerde installateur uitgevoerd worden.
7.1 Algemene veiligheidsaanwijzingen
Wij waarborgen de goede werking en de bedrijfszekerheid uitsluitend bij gebruik van originele onderdelen en vervangingsonderdelen voor het toestel.

Materièle schade
Neem de maximaal toegelaten toevoertemperatuur in acht (zie hoofdstuk "Installatie / Technische gegevens / Gegevenstabel"). Bij hogere temperaturen kan het toestel beschadigd raken. Met een centrale thermostatische kraan (zie hoofdstuk "Installatie / Toestelbeschrijving / Toebehoren") kunt u de aanvoertemperatuur begrenzen.
7.2 Voorschriften, normen en bepalingen

Info
Neem alle nationale en regionale voorschriften en be- palingen in acht.
- Beschermingsgraad IP 25 (straalwaterdicht) is alleen gewaarborgd met vakkundig gemonteerde kabeltulle.
- De specifieke elektrische weerstand van het water mag niet lager zijn dan de waarde die aangegeven is op het typeplaatje. Bij een water-koppelnet moet u rekening houden met de laagste elektrische weerstand van het water (zie het hoofdstuk "Installatie / Technische gegevens / Gegevenstabel"). De specifieke elektrische weerstand of het elektrisch geleidend vermogen van het water kunt u opvragen bij uw watermaatschappij.
8. Toestelbeschrijving
8.1 Inhoud van het pakket
Bij het toestel wordt het volgende geleverd:
- Wandbevestiging
- Montagesjabloon
- 2 nippels
- Koud water 3-weg kogelkraan
- Warm water T-stuk
- Vlakke afdichtingen
- Zeef
- Doorstroomvolumebegrenzer
- Kunststof vormring
- Kunststof aansluitstukken / montagehulp
- Kap- en achterwand-geleidingsstukken
8.2 Toebehoren
Kranen
- MEKD-eengreeps-keuken-drukkraan
- MEBD-eengreeps-bad-drukkraan
Waterstoppen G 12 A
Wanneer u andere dan de in het toebehoren aanbevolen opbouwdrukkanen gebruikt, gebruikt u de waterstoppen.
Montageset opbouwinstallatie
- Soldeerschroefkoppeling koperbuis voor soldeeraansluiting ∅ 12 mm
- Persfitting koperbuis
- Persfitting kunststofbuis (geschikt voor Viega: Sanfix-Plus of Sanfix-Fosta)
Universeel montageframe
- Montageframe met elektrische aansluitingen
Buiskit voor toestellen onder het aftappunt
Wanneer u de wateraansluitingen (G 3/8 buitendraad) boven het toestel aansluit, heeft u de buiskit voor montage onder het aftappunt nodig.
Buiskit voor verschoven montage
Wanneer u het toestel 90 mm ten opzichte van de wateraansluiting verticaal omlaag moet verschuiven, gebruikt u deze buiskit.
Buiskit voor vervanging van de gas-waterverwarmer
Wanneer de bestaande installatie gas-waterverwarmeraansluitingen omvat (koudwateraansluiting links en warmwateraansluiting rechts), heeft u deze buiskit nodig.
Buiskit DHB-watersteekkoppelingen
Wanneer de bestaande installatie watersteekaansluitingen van een DHB omvat, gebruikt u de watersteekkoppelingen.
Lastafwerprelais (LR 1-A)
Het lastafwerprelais voor inbouw in de elektrische verdeling laat een voorrangsschakeling van de doorstromer toe, wanneer bijvoorbeeld tegelijkertijd elektrische boilerverwarmingstoestellen gebruikt worden.
ZTA 3/4 - centrale thermostatische kraan
Thermostatische kraan voor centrale voormenging, bijvoorbeeld wanneer een doorstromer wordt gecombineerd met een zonne-in- stallatie.
9. Voorbereidingen
9.1 Montageplaats

Materièle schade
Het toestel mag alleen in een vorstvrije ruimte geïnstalleerd worden.
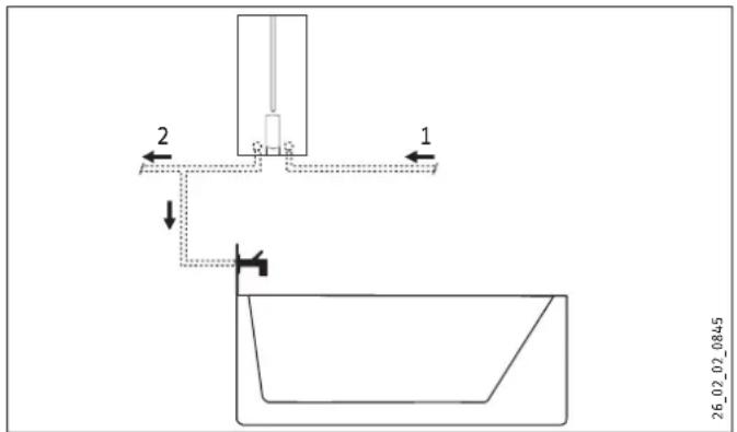
▶ Monteer het toestel verticaal en in de buurt van het tappunt.
Het toestel is geschikt voor montage onder of boven het aftappunt.
Montage onder het aftappunt

Montage boven het aftappunt

▶ Monteer het toestel aan de muur. De muur moet vo oende draagvermogen hebben.
9.2 Waterinstallatie
- Een veiligheidsklep is niet vereist.
▶ Spoel de waterleiding grondig door.
Kranen
Gebruik geschikte drukkranen (zie hoofdstuk "Installatie / Toestelbeschrijving / Toebehoren"). Open kranen zijn niet toegestaan.

Info
De 3-weg kogelafsluitklep in de koudwatertoevoer mag niet gebruikt worden om het debiet te smoren. De 3-weg kogelafsluitklep dient om het toestel af te sluiten.
Toegestaan materiaal waterleidingen
- Koudwatertoevoerleiding:
thermisch gegalvaniseerde stalen buis, roestvrijstalen buis, koperbuis of kunststofbuis - Warmwateruitloopleiding: roestvrijstalen buis, koperbuis of kunststofbuis

Materièle schade
Wanneer kunststofbuizen gebruikt worden, dient u rekening te houden met de maximale aanvoertemperatuur en de maximaal toegelaten druk (zie hoofdstuk "Installatie / Technische gegevens / Gegevenstabel").
Debiet
▶ Controleer of het debiet (zie hoofdstuk "Installatie / Technische gegevens / Gegevenstabel", aan) voor het inschakelen van het toestel bereikt wordt.
▶ Als het benodigde debiet bij volledig geopende aftapklep niet wordt gehaald, verhoogt u de waterleidingdruk. Als het debiet ondanks de verhoging niet wordt bereikt, demonteert u de doorstroomvolumebegrenzer en plaatst u de kunststof vormring.

Voor een goede werking van de thermostatische kraan mag u de doorstroomvolumebegrenzer niet vervangen door de kunststof vormring.
9.3 Toestel met selecteerbaar aansluitvermogen
Het toestel DHB-E 18/21/24 SLi wordt geleverd met de instelling op 21 kW. Als het toestel met een ander vermogen geïnstalleerd moet worden, gaat u als volgt te werk:
▶ Verplaats de codeerstekker overeenkomstig het gekozen vermogen, selecteerbaar vermogen en de zekering van het toestel, zie "Installatie / Technische gegevens / Gegevenstabel".
▶ Markeer het geselecteerde vermogen op het typeplaatje. Gebruik daarvoor een watervaste stift.
Monteer een doorstroomvolumebegrenzer met het juiste toestelvermogen (zie hoofdstuk "Installatie / Technische gegevens / Gegevenstabel").

text_image
D000004734110. Montage
Standaardmontage
- Elektrische installatie onderaan, onderbouwinstallatie
- Wateraansluiting onderbouwinstallatie
Zie voor meer montagemogelijkheden het hoofdstuk "Installatie / Alternatieven voor montage":
- Elektro-aansluiting onderbouw boven
- Elektro-aansluiting opbouw
- Grote geleiderdoorsneden bij elektro-aansluiting onder
- Aansluiting van een lastafwerprelais
- Waterinstallatie opbouw
- Waterinstallatie opbouw met soldeeraansluiting / persfitting
- Waterinstallatie opbouw, montage van de bovenkap
- Montage onderstuk achterwand bij opbouwschroefaansluiting
- Wandbevestiging bij vervanging van het toestel
- Installatie bij betegeling
- Gedraaide bovenkap
- Temperatuurbegrenzing / Verbrandingsbeveiliging
10.1 Standaardmontage
Toestel openen

▶ Open het toestel door de klep naar voren omlaag te trekken. Draai de schroef los en kantel de bovenkap.

▶ Scheid de achterwand door de beide vergrendelhaken in te drukken en het onderstuk van de achterwand naar voren eraf te trekken.
▶ Bereid de netaansluitkabel voor.
Wandbevestiging monteren

▶ Teken de boorgaten af met de montagesjabloon. Wanneer het toestel gemonteerd wordt met opgebouwde wateraansluitingen, dient u ook een bevestigingsgat in het onderste gedeelte van de sjabloon af te tekenen.
▶ Boor de gaten en bevestig de wandbevestiging op 2 punten Toestel monteren met het gepaste bevestigingsmateriaal (schroeven en pluggen niet meegeleverd).
▶ Monteer de wandbevestiging.
Wateraansluiting tot stand brengen

Materièle schade
Voer alle werkzaamheden voor wateraansluiting en installatie uit conform de voorschriften.

D0000053319
Dicht af en schroef de nippel erin.

text_image
1 2 3 4 5 D00000509471 Warm water met T-stuk
2 Dichting
3 Koud water met 3-weg kogelkraan
4 Zeef
5 Doorstroomvolumebegrenzer of kunststof vormring (zie hoofdstuk "Installatie / Waterinstallatie / Debiet")

Info
Bij de DHB-E 18/21/24 SLi wordt een tweede doorstroomvolumebegrenzer meegeleverd. Monteer een doorstroomvolumebegrenzer met het juiste toestelvermogen (zie "Volumestroombegrenzing" in het hoofdstuk "Installatie / Technische gegevens / Gegevenstabel"):
4,0 l/min = roze
7,5 l/min = blauw
8,5 l/min = groen
▶ Schroef het T-stuk en de 3-weg kogelafsluitklep met telkens een vlakke afdichting op de nippels.

Materièle schade
De 3-weg kogelafsluitklep in de koudwatertoevoer mag niet gebruikt worden om het debiet te smoren.

Druk voor een gemakkelijkere montage de kabeltulle van de bovenste elektro-aansluiting van achteraf in de achterwand.
▶ Verwijder de transportstoppen uit de wateraansluitingen.
▶ Neem de bevestigingsknevel uit het bovenste gedeelte van de achterwand.
▶ Steek de netaansluitkabel achterlangs door de kabeltulle totdat de netaansluitkabel tegen de kabelmantel komt. Lijn de netaansluitkabel uit.
Vergroot bij een diameter van de netaansluitkabel van > 6 mm² het gat in de kabeltulle.
▶ Duw het toestel over de schroefbout van de wandbevestiging, zodat de pakkingstof doorboord wordt. Doe dat eventueel met een schroevendraaier.
▶ Steek de bevestigingsknevel op de schroefbout van de wandbevestiging.
Druk de achterwand stevig aan. Vergrendel de bevestigingsknevel door 90° naar rechts te draaien.

▶ Schroef de buizen met de vlakke afdichtingen op de nippel.

Materièle schade
Voor de werking van het toestel moet de zeef ingebouwd zijn.
▶ Controleer bij vervanging van het toestel of de zeef aanwezig is.
Elektriciteit aansluiten

WAARSCHUWING elektrische schok Voer alle werkzaamheden voor de aansluiting en instal- latie van de elektriciteit uit conform de voorschriften.

WAARSCHUWING elektrische schok Aansluiting op het stroomnet is alleen toegestaan als vaste aansluiting in combinatie met de uitneembare kabeltulle. Het toestel moet op alle polen met een afstand van minstens 3 mm van het stroomnetwerk losgekoppeld kunnen worden.

WAARSCHUWING elektrische schok Zorg ervoor dat het toestel op de aardleiding is aangesloten.

Materiële schade Houd rekening met de gegevens op het typeplaatje. De aangegeven spanning moet overeenkomen met de netspanning.
▶ Sluit de netaansluitkabel aan op de klem van de netaansluiting (zie hoofdstuk "Installatie / Technische gegevens / Elektriciteitsschema's").
Onderstuk van achterwand monteren

▶ Monteer het onderstuk van de achterwand in de achterwand. Vergrendel het onderstuk van de achterwand.
Lijn het gemonteerde toestel uit door de bevestigingsknevel los te maken, de elektro-aansluiting en de achterwand uit te lijnen en de bevestigingsknevel weer vast te draaien. Als de achterwand van het toestel niet goed tegen de wand komt, kunt u het toestel onderaan met een extra schroef bevestigen.
10.2 Montage afsluiten
▶ Open de 3-weg kogelafsluitklep of de afsluitklep in de koudwatertoevoerleiding.
11. Ingebruikname

WAARSCHUWING elektrische schok Ingebruikname mag alleen uitgevoerd worden door een installateur die rekening houdt met alle veiligheidsvoor- schriften.
11.1 Eerste ingebruikname

text_image
on ≥ 60 s on D0000519L6▶ Open en sluit meerdere keren alle aangesloten aftapkranen totdat het leidingwerk en het toestel luchtvrij zijn.
▶ Voer een dichtheidscontrole uit.
▶ Schakel de veiligheidsdrukbegrenzer bij stromingsdruk in door de resettoets stevig in te drukken (het toestel wordt met uitgeschakelde veiligheidsdrukbegrenzer geleverd).
▶ Steek de stekker van de kabel van de sensor met de gevraagde waarde op de elektronica.
▶ Monteer de bovenkap. Controleer de plaatsing van de bovenkap.
Zet de bovenkap vast met de schroef.
▶ Schakel de netspanning in.
- Kalibreer de temperatuur. Draai de temperatuurinstelknop naar de rechter- en naar de linkeraanslag.
▶ Trek de beschermfolie van het bedieningspaneel af.
▶ Controleer de werking van het toestel.
Overdracht van het toestel
Leg aan de gebruiker de werking van het toestel uit en maak hem vertrouwd met het gebruik ervan.
▶ Wijs de gebruiker op mogelijke gevaren, met name het gevaar van brandwonden.
▶ Overhandig hem deze handleiding.
11.2 Opnieuw in gebruik nemen

Materièle schade
Om te vermijden dat het blankdraadelement na onderbreking van de watervoorziening beschadigd raakt, moet het toestel met de volgende procedure weer in werking worden gesteld.
▶ Schakel het toestel spanningsvrij door de zekeringen uit te schakelen.
▶ Open de kraan gedurende een minuut tot het toestel en de voorgeschakelde koudwatertoevoerleiding vrij zijn van lucht.
▶ Schakel de netspanning opnieuw in.
12. Buitendienststelling
Koppel het toestel op alle polen los van het elektriciteitsnet.
- Tap het toestel af (zie het hoofdstuk "Installatie / Onderhoud Toestel aftappen").
13. Alternatieven voor montage
13.1 Elektro-aansluiting onderbouw boven

▶ Snijd de kabeltulle voor de netaansluitkabel open.
▶ Duw de vergrendelhaak voor bevestiging van de netaansluitklem omlaag. Trek de netaansluitklem eruit.
▶ Verplaats de netaansluitklem in het toestel van onder naar boven. Bevestig de netaansluitklem door deze onder de vergrendelhaak te schuiven.
Plaats de schakeldraden onder de draadgeleiding.
13.2 Elektro-aansluiting opbouw

Info
Bij dit aansluittype wijzigt de beschermingsgraad van het toestel.
Wijzig het typeplaatje. Streep de vermelding IP 25 door en kruis het vakje IP 24 aan. Doe dat met een balpen.

Materièle schade
Als u per ongeluk een verkeerd gat doorbreekt in de achterwand, dient u een nieuwe achterwand te gebruiken.
▶ Snijd of breek de benodigde doorvoer in de achterwand netjes uit (zie hoofdstuk "Installatie / Technische gegevens / Afmetingen en aansluitingen"). Verwijder zo nodig scherpe randen met een vijl.
▶ Leid de aansluitkabel door de kabeltulle. Sluit de aansluitkabel aan op de netaansluitklem.
13.3 Grote geleiderdoorsneden bij elektro-aansluiting onder
Als u een kabel met een grote diameter gebruikt, kan de kabeltulle na de montage van het toestel gemonteerd worden.

▶ Maak voor montage van het toestel de kabeltulle met behulp van een schroevendraaier los.
▶ Schuif de kabeltulle over de netaansluitkabel. Gebruik de montagehulp uit het leveringspakket. Vergroot bij een diameter van > 6 mm² het gat in de kabeltulle.
▶ Schuif de kabeltulle in de achterwand. Vergrendel de kabeltulle.
13.4 Aansluiting van een lastafwerprelais
Plaats een lastafwerprelais in combinatie met andere elektrische toestellen in de elektrotechnische installatie, bijv. elektrische boilerverwarmingstoestellen. De lastafwerping vindt plaats bij de werking van de doorstromer.

Materièle schade
Sluit de fase die het lastafwerprelais schakelt, aan op de gemerkte klem van de netaansluitklem in het toestel (zie hoofdstuk "Installatie / Technische gegevens / Elektrici- teitsschema's").
13.5 Waterinstallatie opbouw

Info
Bij dit aansluittype wijzigt de beschermingsgraad van het toestel.
Wijzig het typeplaatje. Streep de vermelding IP 25 door en kruis het vakje IP 24 aan. Doe dat met een balpen.

text_image
18 Nm 24 D000033104Monteer waterstoppen met dichtingen om de inbouwaansluiting af te sluiten. Bij de kranen uit het toebehoren zitten de waterstoppen en dichtingen in het leveringspakket. Voor andere dan de door ons aanbevolen drukkranen kunt u waterstoppen en dichtingen als "Toebehoren" bestellen.
▶ Monteer een geschikte drukkraan.
▶ Plaats het onderstuk van de achterwand onder de aansluitbuizen van de kraan en zet het vast in de achterwand.
▶ Schroef de aansluitbuizen op het T-stuk en de 3-weg kogelafsluitklep.
13.6 Waterinstallatie opbouw met soldeeraansluiting / persfitting
U kunt met het toebehoren "soldeeraansluiting" of "persfitting" koperbuizen of kunststofbuizen verbinden.
Bij "soldeeraansluiting" met een schroefaansluiting voor 12 mm koperbuizen dient u als volgt te werk te gaan:
▶ Schuif de wartelmoeren over de aansluitbuizen.
▶ Soldeer de inlegstukken op de koperleidingen.
▶ Plaats het onderstuk van de achterwand onder de aansluitbuizen van de kraan en zet het vast in de achterwand.
▶ Schroef de aansluitbuizen op het T-stuk en de 3-weg kogelafsluitklep.

Info
Houd rekening met de info van de fabrikant van de kraan.
13.7 Waterinstallatie opbouw, montage van de bovenkap

1 Achterwand-geleidingsstukken
2 Schroef
3 Kapgeleidingstukken
4 Doorvoeropening
Breek de doorvoeropeningen in de bovenkap netjes uit. Gebruik, indien nodig, een vijl.

Info
In geval van een kleine verschuiving van de aansluitbuizen kunt u de kapgeleidingsstukken gebruiken.
Zijn de aansluitbuizen in grotere mate verschoven, monteer dan de achterwandgeleidingsstukken niet.
▶ Bij montage van de aansluitbuizen zonder verschuiving breekt u de lipjes uit de kapgeleidingsstukken.
Klik de kapgeleidingstukken vast in de doorvoeropeningen.
▶ Plaats de achterwandgeleidingsstukken op de buizen. Schuif ze in elkaar. Tenslotte schuift u de geleidingsstukken tot aan de aanslag tegen de achterwand.
▶ Bevestig de achterwand onderaan met een schroef.
▶ Als u flexibele wateraansluitleidingen gebruikt, voorkomt u dat de kniestukken verdraaien (bajonetaansluitingen in het toestel).
13.8 Montage onderstuk achterwand bij opbouwschroefaansluiting
Bij gebruik van opbouwschroefaansluitingen kan het onderstuk van de achterwand ook na de kraanmontage gemonteerd worden. Daarvoor gaat u als volgt te werk:
▶ Zaag het onderstuk van de achterwand open.
▶ Monteer het onderstuk van de achterwand door het zijdelings open te buigen en over de opbouwbuizen te steken.
▶ Steek de verbindingsstukken achterlangs in het onderstuk van de achterwand.
Klik het onderstuk van de achterwand vast in de achterwand.
Bevestig het onderstuk van de achterwand met een schroef,

text_image
<2> 1 3 2 26_02_02_10801 Onderstuk van de achterwand
2 Verbindingsstukken uit het toebehoren
3 Schroef
13.9 Wandbevestiging bij vervanging van het toestel
Bij het vervangen van het toestel kan een aanwezige wandbevestiging van STIEBEL ELTRON worden gebruikt (met uitzondering van doorstromer DHF).
▶ Prik de achterwand van het toestel voor de schroefbout door op de reeds gemonteerde wandbevestiging.
Vervanging van de doorstromer DHF

▶ Verschuif de schroefbout op de wandbevestiging (de schroefbout heeft een zelftappende schroefdraad).
▶ Draai de wandbevestiging 180° en monteer deze op de wand (de tekst DHF verschijnt dan in de leesrichting).
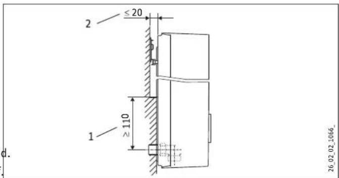
13.10 Installatie bij betegeling

text_image
2 ≤ 20 1 ≥ 110 d. 26_02_02_1066_1 Minimaal steunvlak van het toestel
2 Maximale tegelverschuiving
▶ Stel de wandafstand af. Zet de achterwand vast met de bevestigingsknevel (90° rechtsom draaien).
13.11 Gedraaide bovenkap
Bij montage onder het aftappunt kan de bovenkap gedraaid worden.

▶ Haal de bedieningseenheid uit de bovenkap. Druk hiervoor op de vergrendelhaken.
▶ Draai de bovenkap. Klik de bedieningseenheid weer vast. Zorg ervoor dat alle vergrendelhaken hierbij vastgeklikt worden. Om de bedieningseenheid gemakkelijker te kunnen monteren, drukt u tegen de binnenzijde van de bovenkap in de gearceerde zone.
Materièle schade
Een bedieningseenheid met defecte vergrendelhaken mag niet ingebouwd worden. De veiligheid is daardoor niet meer gewaarborgd.
▶ Steek de kabel van de sensor voor de gevraagde waarde op de elektronica (zie hoofdstuk "Installatie / Ingebruikname / Eerste ingebruikname").
Haak de bovenkap langs boven vast. Zwenk de bovenkap omlaag naar de achterwand en duw op de bovenkap tot deze hoorbaar vergrendelt.
▶ Schroef de bovenkap vast.
13.12 Temperatuurbegrenzing / Verbrandingsbeveiliging
De maximale temperatuurbegrenzing kan op het bedieningselement van de bovenkap worden ingesteld op 43 °C. Daarvoor gaat u als volgt te werk:
▶ Neem de bovenkap af.
▶ Haal de ingestoken elektronicaprint uit het bedienings-element van de bovenkap. Houd daarbij rekening met de klikhaken.
▶ Verplaats de stekker van links naar rechts (positie "43 °C").
▶ Herbevestig het bedieningselement, de vergrendelhaken moeten vastklikken. Let op de knop- en aspositie.

Werkt het toestel met voorverwarmd water, dan is het mogelijk dat de ingestelde temperatuurbegrenzing of verbrandingsbeveiliging niet werkt.
▶ Beperk dan de temperatuur op de voorgeschakelde, centrale thermostaatkraan (zie hoofdstuk "Installatie / Toestelbeschrijving / Toebehoren").

WAARSCHUWING elektrische schok Om het toestel te kunnen controleren, moet er spanning op het toestel staan.
Indicatiemogelijkheden diagnoselampje (LED)
| rood brandt bij storing | |
| geel brandt tijdens de verwarmingsfunctie | |
| groen knippert: toestel met netaansluiting |
| Storing / weergave LED-diagnoselampje Oorzaak Oplossing | |||
| Het toestel schakelt niet in. | De douchekop / straalregelaars zijn verkalkt. | Ontkalk of vervang eventueel de douchekop / straal-regelaars. | |
| Het debiet is te gering. | De zeef in het toestel is vuil. | Reinig de zeef. | |
| De nominale temperatuur wordt niet bereikt. | Er ontbreekt een fase. | Controleer de zekering van de huisinstallatie. | |
| De verwarming schakelt uit. | De luchtherkenning detecteert lucht in het water. Het verwarmingsvermogen schakelt kortstondig uit. | Na één minuut gaat het toestel weer in werking. | |
| Geen warm water en geen lampindicatie. | De zekering is geactiveerd. | Controleer de zekering van de huisinstallatie. | |
| De veiligheidsdrukbegrenzer is uitgeschakeld. | Verhelp de oorzaak van de fout (bijvoorbeeld een defecte drukspoelkraan). | ||
| Bescherm het verwarmingssysteem tegen over-verhitting door een voorbij het toestel geschakelde aftapkraan gedurende één minuut open te zetten. Daarvoor wordt de druk van het verwarmingssysteem afgevoerd en wordt het verwarmingssysteem afgekoeld. | |||
| Activeer de veiligheidsdrukbegrenzer bij stromings-druk door op de resetknop te drukken, zie ook het hoofdstuk "Installatie / Ingebruikname / Eerste ingebruikname". | |||
| De elektronica is defect. | Controleer de elektronica; vervang deze indien nodig. | ||
| Lampindicatie: groen knippertGeen warm water bij debiet >3 l/min. | De doorstroomhoeveelheidsmeter DFE is niet aangeslo-ten. | Sluit de stekker van de doorstroomhoeveelheidsme-ter weer aan. | |
| De doorstroomhoeveelheidsmeter DFE is defect. | Controleer de doorstroomhoeveelheidsmeter; ver-vang deze indien nodig. | ||
| De nominale temperatuur wordt niet bereikt. | De sensor voor de gevraagde waarde of de verbindings-kabel is defect of de verbindingskabel is niet aangesloten. | Sluit de verbindingskabel aan; vervang evt. de sensor voor de gevraagde waarde. | |
| De temperatuurbegrenzing is geactiveerd. | Schakel de temperatuurbegrenzing uit. | ||
| Lampindicatie: geel is continu verlicht, groen knippertGeen warm water bij debiet >3 l/min. | De veiligheidstemperatuurbegrenzer STB is geactiveerd of is onderbroken. | Controleer de veiligheidstemperatuurbegrenzer; vervang deze indien nodig. | |
| Het verwarmingssysteem is defect. | Meet de weerstand van het verwarmingssysteem; vervang deze indien nodig. | ||
| De elektronica is defect. | Controleer de elektronica; vervang deze indien nodig. | ||
| Lampindicatie: geel brandt continu, groen knippert | De uitloopsensor is defect. | Controleer de aansluiting, vervang de uitloopsensor indien nodig. | |
| De nominale temperatuur wordt niet bereikt. | Het toestel werkt aan de vermogensgrens. | Reduceer het debiet. Plaats de doorstroomvolume-begrenzer. | |
| Lampindicatie: rood brandt continu, groen knippert | De uitloopsensor is defect. | Controleer de aansluiting, vervang de uitloopsensor indien nodig. | |
| Er is geen warm water | De koudwatersensor is defect. | Controleer de elektronica; vervang deze indien nodig. | |
| Gewenste temperatuur >45 °C wordt niet be-reikt | De koudwatertoevoertemperatuur is hoger dan 45 °C. | Verlaag de koudwatertoevoertemperatuur naar het toestel. | |
15. Onderhoud

WAARSCHUWING elektrische schok
Scheid alle polen van het toestel van het elektriciteitsnet voor aanvang van alle werkzaamheden.
Het toestel aftappen
U kunt het toestel voor onderhoudswerkzaamheden aftappen.

Wanneer u het toestel aftapt, kan er heet water uitlopen.
▶ Sluit de 3-weg afsluitklep of de afsluitklep in de koudwatertoevoerleiding.
▶ Open alle aftappunten.
Maak de wateraansluitingen van het toestel los.
▶ Een gedemonteerd toestel moet vorstvrij bewaard worden, want er kan restwater in het toestel zitten dat bevriezen kan en daardoor schade veroorzaken kan.
Zeef reinigen
Reinig bij vervuiling de zeef in de koudwaterschroefaansluiting. Sluit de 3-weg afsluitklep of de afsluitklep in de koudwatertoevoerleiding voordat u de zeef demonteert, reinigt en weer inbouwt.
16.1 Afmetingen en aansluitingen

text_image
140 478 414 368 338 b03 b02 30 35 44 100 c01c06 105≤202 35 114 D000017973| DHB-E SLi | |||
| b02 | Doorvoer elektr.kabels I | ||
| b03 | Doorvoer elektr.kabels II | ||
| c01 | Koudwatertoevoer | Buitendraad | G 1/2 A |
| c06 | Warmwateruitloop | Buitendraad | G 1/2 A |
Optionele aansluitmogelijkheden

text_image
338 b04 50 44 165 b04 b02 30 47 b03 b04 325 72 35 b04 b04 D0000019212| DHB-E SLi | |
| b02 Doorvoer elektr.kabels I | |
| b03 Doorvoer elektr.kabels II | |
| b04 Doorvoer elektr.kabels III |
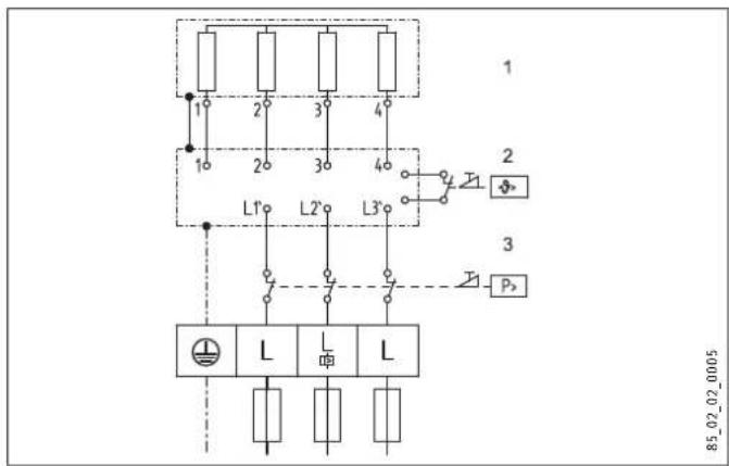
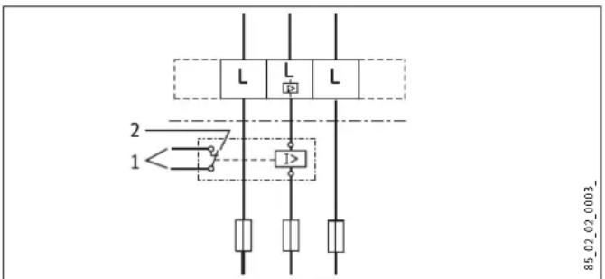
16.2 Elektriciteitsschema
3/PE \~ 380-415 V

1 Verwarming
2 Veiligheidstemperatuurbegrenzer
3 Veiligheidsdrukbegrenzer
Voorrangsschakeling met LR 1-A

1 Stuurkabel voor het relais van het 2e toestel (bijv. elektrische boilerverwarming).
2 Besturingscontact gaat open als de doorstromer inschakelt.
16.3 Warmwatervermogen
Het warmwatervermogen is afhankelijk van de aanwezige netspanning, het aansluitvermogen van het toestel en de koudwatertoevoertemperatuur. De nominale spanning en het nominale vermogen treft u aan op het typeplaatje (zie hoofdstuk "Bediening / Problemen verhelpen").
Aansluitvermogen in kW 50 °C warmwatervermogen in U/min. Nominale spanning Koudwatertoevoertemperatuur
16.4 Toepassingsgebieden/omrekentabel
Specifieke elektrische weerstand en specifieke elektrische geleidbaarheid (zie hoofdstuk "Installatie / Gegevenstabel").
| Genormeerde waar-de bij 15 °C | 20 °C | 25 °C | ||||||
| Weer-stand ≥ | Geleidbaarheid ≤ | Weer-stand ≥ | Geleidbaarheid ≤ | Weer-stand ≥ | Geleidbaarheid ≤ | |||
| cm | mS/m | S/cm | cm | mS/m | S/cm | cm | mS/m | S/cm |
| 900 | 111 | 1111 | 800 | 125 | 1250 | 735 | 136 | 1361 |
| 1000 | 100 | 1000 | 890 | 112 | 1124 | 815 | 123 | 1227 |
| 1100 | 91 | 909 | 970 | 103 | 1031 | 895 | 112 | 1117 |
| 1200 | 83 | 833 | 1070 | 93 | 935 | 985 | 102 | 1015 |
| 1300 | 77 | 769 | 1175 | 85 | 851 | 1072 | 93 | 933 |
16.5 Drukverliezen
Kranen
| Drukverlies van de kranen bij debiet 10 Umin | ||
| Eenhendel mengkraan, ca. | MPa | 0,04 - 0,08 |
| Thermostatische kraan, ca. | MPa | 0,03 - 0,05 |
| Douchekop, ca. | MPa | 0,03 - 0,15 |
Dimensionering van het buisnet
Voor de berekening van de dimensionering van het buisnet wordt voor het toestel een drukverlies van 0,1 MPa aanbevolen.
16.6 Storingen
In geval van storing kunnen in de installatie kortstondige belastingen van maximaal 95 °C bij een druk van 1,2 MPa optreden.
16.7 Landspecifieke vergunningen en certificaten: Duitsland
Op basis van de landelijke bouwverordeningen heeft het toestel een algemeen bouwkundig testcertificaat ontvangen om de geschiktheid op het vlak van het geluidsniveau aan te tonen.

text_image
STIEBEL ELTRON DIN 4109 PA-IX 6816/I LGA16.8 Gegevens over het energieverbruik
De productgegevens voldoen aan de EU-verordeningen betreffende de richtlijn voor milieuvriendelijke vormgeving van energiege-relateerde producten (ErP).
| DHB-E 11 SLi | DHB-E 13 SLi | DHB-E 18 SLi 25 A | DHB-E 18/21/24 SLi | DHB-E 27 SLi | ||
| 232013 | 232014 | 232015 | 232016 | 232017 | ||
| Fabrikant | STIEBEL ELTRON | STIEBEL ELTRON | STIEBEL ELTRON | STIEBEL ELTRON | STIEBEL ELTRON | |
| Lastprofiel | S | S | S | S | S | |
| Energieklasse | A | A | A | A | A | |
| Jaarlijks stroomverbruik | kWh | 472 | 472 | 477 | 477 | 481 |
| Energetisch rendement | % | 39 | 39 | 39 | 39 | 39 |
| Temperatuurinstelling af fabriek | °C | 60 | 60 | 60 | 60 | 60 |
| Geluidsniveau | dB(A) | 15 | 15 | 15 | 15 | 15 |
| Bijzondere aanwijzingen voor efficiëntiemeting | Geen | Geen | Geen | Gegevens bij Pmax. | Geen |
16.9 Gegevenstabel
| DHB-E 11 SLi | DHB-E 13 | SLi | DHB-E 18 | SLi | 25 A | DHB-E 18/21/24 SLi | DHB-E 27 SLi | |||||||||||
| 232013 | 232014 | 232015 | 232016 | 232017 | ||||||||||||||
| Elektrische gegevens | ||||||||||||||||||
| Nominale spanning | V | 380 | 400 | 415 | 380 | 400 | 415 | 380 | 400 | 415 | 380 | 400 | 415 | 380 | 400 | 415 | ||
| Nominaal vermogen | kW | 10,1 | 11 | 12,2 | 13,5 | 14,5 | 16,2 | 18 | 19,4 | 16,2/19/21,7 | 18/21/24 | 19,4/22,6/25,8 | 24,4 | 27 | ||||
| Nominale stroom | A | 15,4 | 16 | 18,5 | 19,5 | 20,2 | 24,7 | 26 | 27 | 27,6/29,5/33,3 | 29/31/35 | 30,1/32,2/36,3 | 37,1 | 39 | ||||
| Zekering | A | 16 | 16 | 20 | 20 | 20 | 25 | 25 | 32 | 32/32/35 | 32/32/35 | 32/32/40 | 40 | 40 | ||||
| Fasen | 3/PE | 3/PE | 3/PE | 3/PE | 3/PE | |||||||||||||
| Frequentie | Hz | 50/60 | 50/60 | 50/60 | 50/60 | 50/- | 50/60 | 50/60 | 50/- | 50/60 | 50/60 | 50/- | 50/- | 50/- | ||||
| Specifieke weerstand _15 ≥ (bij ∅koud ≤ 25 °C) | Ω cm | 900 | 900 | 1000 | 900 | 900 | 1000 | 900 | 900 | 1000 | 900 | 900 | 1000 | 900 | 900 | 1000 | ||
| Specifieke geleidbaarheid _15 ≤ (bij ∅koud ≤ 25 °C) | μS/cm | 1111 | 1111 | 1000 | 1111 | 1111 | 1000 | 1111 | 1111 | 1000 | 1111 | 1111 | 1000 | 1111 | 1111 | 1000 | ||
| Specifieke weerstand _15 ≥ (bij ∅koud ≤ 45 °C) | Ω cm | 1200 | 1200 | 1300 | 1200 | 1200 | 1300 | 1200 | 1200 | 1300 | 1200 | 1200 | 1300 | 1200 | 1200 | 1300 | ||
| Specifieke geleidbaarheid _15 ≤ (bij ∅koud ≤ 45 °C) | μS/cm | 833 | 833 | 770 | 833 | 833 | 770 | 833 | 833 | 770 | 833 | 833 | 770 | 833 | 833 | 770 | ||
| Max. netimpedantie bij 50Hz | Ω | 0,379 | 0,360 | 0,347 | 0,284 | 0,270 | 0,260 | 0,254 | 0,241 | |||||||||
| Aansluitingen | ||||||||||||||||||
| Aansluiting voor het water | G 1/2 A | G 1/2 A | G 1/2 A | G 1/2 A | G 1/2 A | |||||||||||||
| Werkingsgebied | ||||||||||||||||||
| Max. toegelaten druk | MPa | 1 | 1 | 1 | 1 | 1 | ||||||||||||
| Max. toevoertemperatuur voor bijverwarming | °C | 45 | 45 | 45 | 45 | 45 | ||||||||||||
| Waarden | ||||||||||||||||||
| Max. toegelaten toevoertemperatuur | °C | 60 | 60 | 60 | 60 | 60 | ||||||||||||
| Aan | l/min | >3,0 | >3,0 | >3,0 | >3,0 | >3,0 | ||||||||||||
| Debiet voor drukverlies | l/min | 3,1 | 3,9 | 5,2 | 5,2/6,0/6,9 | 7,7 | ||||||||||||
| Drukverlies bij debiet | MPa | 0,07 (0,02 zonder DMB) | 0,11 (0,03 zonder DMB) | 0,08 (0,06 zonder DMB) | 0,08/0,10/0,13 (0,06/0,08/0,10 zonder DMB) | 0,16 (0,12 zonder DMB) | ||||||||||||
| Volumestroombegrenzing bij | l/min | 4,0 | 4,0 | 7,5 | 7,5/7,5/8,5 | 8,5 | ||||||||||||
| Warmwateraanbieding | l/min | 5,6 | 6,9 | 9,2 | 9,2/10,7/12,3 | 13,8 | ||||||||||||
| Δθ bij aanbieding | K | 28 | 28 | 28 | 28 | 28 | ||||||||||||
| Hydraulische gegevens | ||||||||||||||||||
| Nominale inhoud | l | 0,4 | 0,4 | 0,4 | 0,4 | 0,4 | ||||||||||||
| Uitvoeringen | ||||||||||||||||||
| Aansluitvermogen selecteer-baar | - | - | - | X | - | |||||||||||||
| Temperatuurinstelling | °C | 30 - 60 | 30 - 60 | 30 - 60 | 30 - 60 | 30 - 60 | ||||||||||||
| Beveiligingsklasse | 1 | 1 | 1 | 1 | 1 | |||||||||||||
| Isolatieblok | Kunststof | Kunststof | Kunststof | Kunststof | Kunststof | |||||||||||||
| Verwarmingssysteem warmte-generator | Blanke draad | Blanke draad | Blanke draad | Blanke draad | Blanke draad | |||||||||||||
| Kap en achterwand | Kunststof | Kunststof | Kunststof | Kunststof | Kunststof | |||||||||||||
| Kleur | wit | wit | wit | wit | wit | |||||||||||||
| Beschermingsgraad (IP) | IP25 | IP25 | IP25 | IP25 | IP25 | |||||||||||||
| Afmetingen | ||||||||||||||||||
| Hoogte | mm | 478 | 478 | 478 | 478 | 478 | ||||||||||||
| Breedte | mm | 225 | 225 | 225 | 225 | 225 | ||||||||||||
| Diepte | mm | 105 | 105 | 105 | 105 | 105 | ||||||||||||
| Gewichten | ||||||||||||||||||
| Gewicht | kg | 3,6 | 3,6 | 3,6 | 3,6 | 3,6 | ||||||||||||
Garantie
Voor toestellen die buiten Duitsland zijn gekocht, gelden de garantievoorwaarden van onze Duitse ondernemingen niet. Bovendien kan in landen waar één van onze dochtermaatschappijen verantwoordelijk is voor de verkoop van onze producten, alleen garantie worden verleend door deze dochtermaatschappij. Een dergelijk garantie wordt alleen verstrekt, wanneer de dochtermaatschappij eigen garantievoorwaarden heeft gepubliceerd. In andere situaties wordt er geen garantie verleend.
Voor toestellen die in landen worden gekocht waar wij geen dochtermaatschappijen hebben die onze producten verkopen, verlenen wij geen garantie. Een eventueel door de importeur verzekerde garantie blijft onverminderd van kracht.
Milieu en recycling
Wij verzoeken u ons te helpen ons milieu te beschermen. Doe de materialen na het gebruik weg overeenkomstig de nationale voorschriften.
WSKAZÓWKI SPECJALNE
OBSŁUGA
- Wskazówki ogólne 79
SimpelGids