DHBE 24 SLi electronic - Elektrische boiler STIEBEL ELTRON - Gratis gebruiksaanwijzing en handleiding
Vind de handleiding van het apparaat gratis DHBE 24 SLi electronic STIEBEL ELTRON in PDF-formaat.
Veelgestelde vragen - DHBE 24 SLi electronic STIEBEL ELTRON
Questions des utilisateurs sur DHBE 24 SLi electronic STIEBEL ELTRON
0 question sur cet appareil. Repondez a celles que vous connaissez ou posez la votre.
Poser une nouvelle question sur cet appareil
Download de handleiding voor uw Elektrische boiler in PDF-formaat gratis! Vind uw handleiding DHBE 24 SLi electronic - STIEBEL ELTRON en neem uw elektronisch apparaat weer in handen. Op deze pagina staan alle documenten die nodig zijn voor het gebruik van uw apparaat. DHBE 24 SLi electronic van het merk STIEBEL ELTRON.
GEBRUIKSAANWIJZING DHBE 24 SLi electronic STIEBEL ELTRON
- Algemene aanwijzingen 60
1.1 Veiligheidsaanwijzingen 60
1.2 Andere aandachtspunten in deze documentatie 60
1.3 Maateenheden 60 - Veiligheid 60
2.1 Voorgeschreiben gebruik 60
2.2 Algemeneveiligheidsaanwijzingen 60
2.3 Keurmerk 61
3.Toestelbeschrijving 61 - Bediening 61
4.1 Instellingsaanbevelingen 61
4.2 Temperatuurbegrenzung / Verbrandingsbeveiliging 61 - Reiniging, verzorging en onderhoud 62
- Problemenverhelpen 62
INSTALLATIE
- Veiligheid 63
7.1 Algemeneveiligheidsaanwijzingen 63
7.2 Voorschriften, normen en bepalingen 63
8.Toestelbeschrijving 63
8.1 Inhoud van het pakket 63
8.2 Toebehoren 63 - Voorbereidingen 64
9.1 Montageplaat 64
9.2 Waterinstallatie 64
9.3 Toestel met selecteerbaar aansluitvermogen 65 - Montage 65
10.1 Standaardmontage 65
10.2 Montage afluien 67 - Ingebruikname 67
11.1 Eerste ingebruikname 67
11.2 Opniew in gebruik nemen 68 - Buitendienststellung 68
-
Alternatieven voor montage 68
13.1 Elektro-aansluiting onderbouw boven 68
13.2 Elektro-aansluiting opbouw 68
13.3 Grote geleiderdoorsneden bij elektro-aansluiting onder 68
13.4 Aansluiting van een lastafwerprélas 69
13.5 Waterinstallatie opbouw 69
13.6 Waterinstallatie opbouw met soldeeraansluiting / persfitting 69
13.7 Waterinstallatie opbouw, montage van de bovenkap 69
13.8 Montage onderstuk anschterwand bij opbouwschroeefaansluiting 70
13.9 Wandbevestigbing bij verranging van het toestel 70
13.10 Installatie bij betegeling 70
13.11 Gedraide bovenkap 70
13.12 Temperatuurbegrenzing/Verbrandingsbeveiliging 71 -
Storingen verhelpen 72
- Onderhoud 73
- Technische gegevens 73
16.1 Afmetingen en aansluitingen 73
16.2 Elektriciteitschema 73
16.3 Warmwatervermogen 74
16.4 Toepassingsgebieden/omrekentabel 74
16.5 Drukverliezen 74
16.6 Storingen 74
16.7 Landspecifieke vergunningen en certificateen: Duitsland 75
16.8 Gegevens over het energieverbruik 75
16.9 Gegevenstabel 76
GARANTIE
MILIEU EN RECYCLING
BIJZONDERE INFO
- Het toestel kan door kinderen vanaf 8aar, alsmede door Personen met verminderde fysieke, sensorische of geestelijkke vermogens of met eengebrek aan ervaring en kennis gebruikt worden, wanner er toezicht op hen gehonden wordt, ofwanner ze met betrekking tot het veilige gebruik van het toestel geinstrueerd zich en de bevaren die waaruit ontstaan, begrepen hebben. Kinderen mogen Niet met het toestel spelen. Kinderenmogen zonder toezicht geen reiniging of gebrui-kersonderhoud uitvoeren.
- Verbrandingsgevaar: de kraan kan warmer worden dan 60^
- Het toestel moet op alle polen met een afstand van minstens 3mm van het stroomnetwork losgekoppeld+kennen worden.
- Monteer het toestel zoals beschreven in het hoofdstuk "Installatie / Montage".
- Neem de maximaal toegelaten druk in acht (zie hoofdstuk "Installatie / Technische gegevens / Gegevenstabel").
- Tap het toestel af zoals beschreiben in het hoofdstuk "Installatie / Onderhoud / Het toestel aftappen".
BEDIENING
1. Algemene aanwijzingen
De hoofdstukken "Bijzondere info" en "Bediening" zijn bedoeld voor de gebruiker van het toestel en voor de installmenter.
Het hoofdstuk "Installatie" is bestemd voor de vakman.

Info
Lees deze handleiding voor gebruik zorgvuldig door en bewaar deze op een veilige plaats.
Overhandig de handleiding in voorkomende gevalen aan een volgende gebruiker.
1.1 Veiligheidsaanwijzingen
1.1.1 Structuur verilgheidsaanwijzingen

TREFWOORD Soort gevaar
Hier staan möglichke gevolgen wonneer de veiligheidsaanwijzing worden genedeerd.
Hier staan maatregelen om het gevaar af te wen-den.
1.1.2 Symbolen, soort gevaar
Symbool Soort gevaar

Letsel

Elektrische schok

Verbranden (verbranding,verschroeiing)
1.1.3 Trefwoorden
TREFWOORD Betekenis
GEVAAR Aanwijzingen die leiden tot zwaar letsel of overlijden, wanner diezne nicht in acht worden genomen.
WAARSCHUWING Aanwijzingen die kunnen leiden tot zwaar letsel of overlijden, wanner deze nicht in acht worden genomen.
VOORZlichtig Aanwijzingen die kunnen leiden tot middelmatig zwaar of Licht letsel, wonneer deze nicht in acht worden genomen.
1.2 Andere aandachtspunten in denen documentatione

Info
Algemene aanwijzingen worden aangeduid met het symbol dat hiernaast staat.
Lees de aanwijzingsteksten grondig door.
Symbool Betekenis

Materielle schade
(toestel-, gevolg-, milieuschade)
Het toestel afdanken

Dit symbol geeft aan dat uiets要去en. De vereiste handelingen worden stapsgewijts beschreiben.
1.3 Maateenheden

Info
Tenzij anders worden vermeld, worden alle maten in millimeters aangegeven.
2. Veiligheid
2.1 Voorgeschreve genbruiK
Het toestel is bestemd voor het opwarmen van drinkwater of het warm honden van voorverwarmd water en kan een of Meerdere tappunten voeden.
Het toestel is bestemd voor gebruik in een huishoudelijkke omgeving. Het kan veilig bediend worden door personen die waarover Niet geinstruerd着眼. Het toestel kan eveneens buiten een huishouden gebruikt worden, bijv. in het Kleinbedrijf, voor zover het opdezelfde wijze gebruikt worden.
Elk ander gebruik geldt nicht als gebruik conform de voorschriften. Tot gebruik conform de voorschriften behoort ook het in acht nemen van deze handleiding evenals de handleidingen voor het gebruekte toebehoren.
2.2 Algemene veiligheidsaanwijzingen

De temperatuur van de kraan kan bij gebruik hoger worden dan 60^
Bij uitlooptemperaturen van meer dan 43^ bestaat ge-vaar voor brandwonden.

Het is möglichk dat de warmwatertemperatuur afwijk van de ingestelde nominale temperatuur, wanneer de doorstromer worden gebruikt met water dat bijv. door een zonne-installatie is voorverwarmd.

WAARSCHUWING letsel
Het toestel kan door kinderen vanaf 8aar, alsmede door personen met verminderde fysieke, sensorische of geestelijkke vermogens of met een gebrek aan ervaring en kennis gebruikt worden, wanner er toezicht op heng gehonden worden, of wanner ze met betrekking tot het veilige gebruik van het toestel geinstrueerd zich en deGeVaren die waaruit ontstaan, begren bebben. Kinde- ren mogen Niet met het toestel spelen. Kinderen mogen zonder toezicht geen reiniging of gebruikersondouduiyoeeren.

Materièle schade
Het toestel en de kraan dienen door de gebruiker gegen vorst beschermd te worden.
2.3 Keurmerk
Zie het typeplaatje op het toestel.
3. Toestelbeschrijving
De elektronisch geregelde doorstromer houdt de uitloooptemperatuur tot aan de vermogensgrens constant, onafhankelijk van de aanvoertemporatuur.
Het toestel verwarmt het water direct aan het tappunt zodra u het warmwaterventiel in de kraan opent. Door het korte leidingtraject ontstaan slechts geringe energie- en waterverliezen.
Zie voor de tapdrempel het hoofdstuk "Installatie / Technische gegevens / Gegevenstabel, aan".
Het warmwatervermögen is afhankelijk van de koudwatertemperatuur, het verwarmingsvermögen, het doorstroomvolume en de ingestelde gewenste temperatuur.
Wanneer de maximale toeovertemperatuur voor naverwarming wordt overschreden, wordt er Niet naverwarmd.
Warmwatertemperatuur
U kunt de uitloooptemperatuur van het warme water traploos instellen.
Temperatuurbegrenzung / Verbrandingsbeveiliging
De maximale uitlooptemperatuur kan voor het toestel worden begrensd op 43^ . Neem waarvoort contact op met uw installmenter.
Verwarmingsystem
Het blankdraadelement heeft een drukvaste kunststofmantel. Het verwarmingssysteme is (zowel) geschikt voor kalkarm als kalkhoudend water en is in grote mate ongevoelig voor verkalking. Het verwarmingssystem zorgt voor een snelle en efficiente warmwatervoorzieening.

Info
Het toestel is uitgerust met een luchtherkenning, die beschadiging van het verwarmingssysteme grotendeels voorkomt. Als er tijdens de werking luckht in het toestel komt, schakelt het toestel het verwarmingsvermogen gedurende een minuutuit, zodat het verwarmingssysteme worden beschermd.
4. Bediening

Draai de temperatuurinstelknop maar de gewenste positie.
Als bij volledig geopende kraan en maximale temperatuurinstelling onvoldoende uitlooptemperatuur worden verkreten, loopt ermeer water door het toestel dan het verwarmingselement kan opwarmen.
Verminder het doorstroomvolume bij de kraan.
4.1 Instellingsaanbevelingen
Wanner u het toestel met een thermostatische kraan gebruikt, is het aan te bevelen de temperatuur op het toestel in te stellen op de maximale temperatuur. U stelt de gewenste temperatuur dan in op de thermostatische kraan.
Na onderbreking van de watertoevoer

Materielle schade
Om te vermijden dat het blankdraadelement na onderbreking van de watervoorzieening beschadigd raakt,要去 het toestel met de volgende procedure wee in werkung worden gesteld.
Schakel het toestel spanningsvrij door de zekeringenuit te schakelen.
- Open de kraan gedurende een minuut tot het toestel en de voorgeschakelde koudwatertoevoerleiding vrij়n van lucht.
Schakel de netspanning opniew in.
4.2 Temperatuurbegrenzing / Verbrandingsbeveiliging
De maximale uitloopectemperatuur kan voor het toestel worden begrensd op 43^ . Neem waarvoort contact op met uw installmenter.
5. Reiniging, verzorging en onderhoud
- Gebruik geen schurende reinigingsmiddelen of reinigings-middelen met oplosmiddelen. Een vochtige doek volstaat om het toestel te onderhonden en te reinigen.
Controller de kranen regelmatig. Verwijder kalk op de kraanuitlopen met in de handel verkrijgbare ontkalkingsmiddelen.
6. Problemen verhelpen
| Problem Oorzaak Oplossing | ||
| Het toestel schakelt nicht in, hoewel de warmwa-terkraan volledig open staat. | Er is geen spanning. | Controleer de zekeringen van de huisinstallatie. |
| De straalregelaar in de kraan of de douchekop is verkalkt of vuil. | Reinig en / of ontkalk de straalregelaar of de dou-chekop. | |
| Terwijl er warm water worden afgenomen, stroomt er kortstandig koud water. | De luchtherkenning heeft lucht in het water vast-gesteld en schakelt het verwarmingsvermögen gedurende korte tijduit. | Na 1 minuut treedt het toestel automatisch waar in werkung. |
| Gewenste temperatuur >45 °C wordt nicht bereikt. | De watertoeoer is on-derbroken. | Ontlucht het toestel en de koudwatertoeoer-leiding (zie hoofdstuk "Bediening / Instel-lingsaanbevelingen / Na onderbreking van de watertoeoer"). |
| De aanvoertempera-tuur voor koud water is >45 °C. | Verlaag de aanvoer-temperatuur voor koud water. | |
Waarschuw de installmenter als u de oorzaak zich nicht kunt verhelen. Houd het nummer op het typeplaatje (000000-0000-000000) bij de hand voor een betere en snellere afhandeling.

INSTALLATIE
7. Veiligheid
Installatie, ingebruikname, onderhoud en reparatie van het toestel mogen alleen door een gekwalificeerde installmentuitgevoerd worden.
7.1 Algemene veiligheidsaanwijzingen
Wij waarborgen de goede werkung en de bedrijfszekerheid uitsluitend bij gebruik van originele onderdelen en verwangingsonderdelen voor het toestel.

Materièle schade
Neem de maximaal toegelaten toevoertemperatuur in acht (zie hoofdstuk "Installatie / Technische gegevens / Gegevenstabel"). Bij hogere temperaturen kan het toestel beschadigd raken. Met een centrale thermostatische kraan (zie hoofdstuk "Installatie / Toestelbeschrijving / Toebehoren") kut u de aanvoertemperatuur begrenzen.
7.2 Voorschriften, normen en bepalingen

Info
Neem alle nationale en regionale voorschriften en be-palingen in acht.
- Beschermingsgraad IP 25 (straalwaterdicht) is alleen gewaarborgd met vakkundig gemonteerde kabeltulle.
- De specifieke elektrischeesterstand van het water mag Niet lager zijn dan de waarde die aangegeven is op het typeplaatje. Bij een water-koppelnet moet u rekening honden met de laagste elektrischeesterstand van het water (zie het hoofdstuk "Installatie / Technische geevens / Gegevenstabel"). De specifieke elektrischeesterstand of het elektrisch geleidend vermogen van het water kunt u opvragen bij uw watermaatschappij.
8. Toestelbeschrijving
8.1 Inhoud van het pakket
Bij het toestel worden het volgende geleverd:
- Wandbevestiging
- Montagesjabloon
-2 nippels
Koud water 3-weg kogelkraan - Warm water T-stuk
-Vlakke afdichtingen - Zeef
- Doorstroomvolumebegrenzer
Kunststoffvormring
Kunststof aansluiistukken / montagehulp
-Kap-en achterwand-geleidingsstukken
8.2 Toebehoren
Kranen
- MEKD-eengreeps-keuken-drukkraan
-MEBD-eengreeps-bad-drukkraan
Waterstoppen G 1/2 A
Wanneer u andere dan de in het toebehoren aanbevolen opbouwdrukkranen gebruikt, gebruikt u de waterstoppen.
Montageset opbouinstallatie
- Soldeerschroefkoppeling koperbuis voor soldeeraansluiting 12mm
Persfitting koperbuis - Persfitting kunststoffbuis (geschicht voor Viega: Sanfix-Plus of Sanfix-Fosta)
Universeel montageframe
- Montageframe met elektrische aansluitingen
Buiskit voor toestellen onder het aftappunt
Wanner u de wateraansluitingen (G 3/8 buitendraad) boven het toestel aansluit, heeft u de buiskit voor montage onder het aftappunt nodig.
Buiskit voor verschoven montage
Wanneer u het toestel 90mm ten opzichte van de wateraansluiting verticaal omlaag要去verschuiven, gebruikt u deze buiskit.
Buiskit voor verranging van de gas-waterverwarmer
Wanner de bestaande installment gas-waterverwarmeraansluitingen omvat (koudwateraansluiting links en warmwateraansluitingrechts), heeft u deze buiskit nodig.
Buiskit DHB-watersteekkoppelingen
Wanner de bestaande installment watersteekaansluitingen van een DHB omvat, gebruikt u de watersteekkoppelingen.
Lastafwerprehais (LR 1-A)
Het lastafwerpretais voor inbouw in de elektrische verdeling maar een Voorrangsschakeling van de doorstromer toe, wanneer bijvoorbeeld tegelijkertijd elektrische boilerverwarmingstoestellen gezrukt worden.
ZTA 3/4 - centrale thermostatische kraan
Thermostatische kraan voor centrale voormenging, bijvoorbeeld wanner een doorstromer worden gecombineerd met een zonne-in-stallatie.
9. Voorbereidingen
9.1 Montageplaats

Materièle schade
Het toestel mag alleen in een vorstvrije ruimte geinstalleerd worden.
Monteer het toestel verticaal en in de buurt van het tappunt.
Het toestel is geschikt voor montage onder of boven het aftappunt.
Montage onder het aftappunt

1 Koudwatertoevoer
2 Warmwateruitloop
Montage boven het aftappunt

1 Koudwatertoevoer
2 Warmwateruitloop

Info
Monteer het toestel aan de muur. De muur要去 voP zoende draagvermogen hebben.
9.2 Waterinstallatie
- Een veiligheidsklep is nicht vereist.
Spoel de waterleiding grondig door.
Kranen
Gebruik geschekte drukkranen (zie hoofdstuk "Installatie / Toestelbeschrijving / Toebehoren"). Open kransen zich niem togetstaan.

3-weg kogelafsluitklep in de koudwatertoevoer mag te gebrukt worden om het debiet te smoren. De 3-weg kogelafsluitklep dient om het toestel af te sluiten.
Toegestaan materiaal waterleidingen
Koudwatertoevoerleiding:
thermisch gegalvaniseerde stalen buis, roestvrijstalen buis, koperbuis of kunststofbuis
- Warmwateruitloopleiding:
vrijstalenuis, koperbuis of kunststoffuis.

Materièle schade
Wanneer kunststofbuizen gebruikt worden, dient u rekening te honden met de maximale aanvoertemperatuur en de maximaal toegelaten druk (zie hoofdstuk "Installatie / Technische gegevens / Gegevenstabel").
Debiet
Controller of het debiet (zie hoofdstuk "Installatie / Technische gegevens / Gegevenstabel", aan) voor het inschakelen van het toestel bereikt worden.
Als het benodigde debiet bij volledig geopende aftapklep Niet worden gehaald, verhoogt u de waterleidingdruk. Als het debiet ondanks de verhosing Niet worden bereikt, demonteert u de doorstroomvolumebegrenzer enplaatst u de kunststof vormring.

1 Doorstroomvolumebegrenzer
Kunststoffvormring

Voor een goede werkig van de thermostatische kraan mag u de doorstroomvolumebegrenzer Niet verrangen door de kunststof vormring.
INSTALLATIE
Montage
9.3 Toestel met selecteerbaar aansluitvermögen
Het toestel DHB-E 18/21/24 SLi worden geleverd met de instelling op 21kW Als het toestel met een ander vermogen geinstalleerd moet worden, gaat u als volgt te werk:
Verplaats de codeerstekker overeenkomstig het gekozen vermogen, selecteerbaar vermogen en de zekering van het toestel, die "Installatie / Technische geveens / Gegevenstabel".
Markeer het geselecteerde vermogen op het typeplaatje. Gebruik waarvoor een watervaste stift.
- Monteer een doorstroomvolumebegrenzer met het juiste toestelvermogen (zie hoofdstuk "Installatie / Technische gegevens / Gegevenstabel").

10. Montage
Standaardmontage
-Elektrische installmente onderaan, onderbouwinstallatie
- Wateraansluiting onderbouwinstallatie
Zie voor meer montagemogelijkheden het hoofdstuk "Installatie / Alternatieven voor montage":
-Elektro-aansluiting onderbouw boven
Elektro-aansluiting opbouw
- Grote geleiderdoorsneden bij elektro-aansluiting onder
Aansluiting van een lastafwerpretais
Waterinstallatie opbouw
Waterinstallatie opbouw met soldeeraansluiting / persfitting
Waterinstallatie opbouw, montage van de bovenkap
- Montage onderstuk anschterwand bij opbouwschroefaansluiting
- Wandbevestigbing bij verranging van het toestel
- Installatie bij betegeling
Gedraide bovenkap
- Temperatuurbegrenzung / Verbrandingsbeveiliging
10.1 Standaardmontage

Toestelopenen
- Open het toestel door de klep waar voren omlaag te trekken. Draai de schroef los en kantel de bovenkap.

Scheid de hinterwand door de beiden vergrendelhaken in te drukken en het onderstuk van de hinterwand waar voren eraf te trekken.
Bereid de netaansluitkabel voor.

Wandbevestiging monteren
- Teken de boorgaten af met de montagesjabloon. Wanner het toestel gemonteerd worden met opgebouwde wateraansluitingen, dient u ook een bevestigingsgat in het onderste gedeelte van de sjabloon af te tekenen.
INSTALLATIE
Montage
Boor de gaten en bevestig de wandbevestiging op 2 puntenToestel monteren met het gegaste bevestigingsmaterial (schroeven en plug-gen Niet meegeleverd).
Monteer de wandbevestigng.
Wateraansluiting tot stand brengen
Materielle schade Voer alle werkzaamheden voor wateraansluiting en installatie uit conform de voorschriften.

Dicht af en schroef de nippel erin.

1 Warm water met T-stuk
2 Dichting
3 Koud water met 3-weg kogelkraan
4 Zeef
5 Doorstroomvolumebegrenzer of kunststof vormring (zie hoofdstuk "Installatie / Waterinstallatie / Debiet")
Info Bij de DHB-E 18/21/24 SLi wordt een tweede doostroomvolumebegrenzer meegeleverd. Monteer een doostroomvolumebegrenzer met het juiste toestelvermogen (zie "Volumestroombegrenzing" in het hoofdstuk "Installatie / Technische gegevens / Gegevenstabel"): 4,0 l/min = roze 7,5 l/min = blauw 8,5 l/min = groen
Schroef het T-stuk en de 3-weg kogelafsluitklep met telkens een vlakke affdichting op de nippels.
Materiele schade ! De 3-weg kogelafsluitklep in de koudwatertoevoer mag nicht gebruikt worden om het debiet te smoren.

Druk voor een gemakkelijkere montage de kabeltulle van de bovenste elektro-aansluiting van anschraf in dechterwand.
Verwijder de transportstoppen uit de wateraansluitingen.
Neem de bevestigingsknevel uit het bovenste gedeelte van dechterwand.
Steek de netaansluitkabel achechterlangs door de kabeltulle totdat de netaansluitkabel gegen de kabelmantel kommt. Lijn de netaansluitkabel UIT.
Vergroot bij een diameter van de netaansluitkabel van >6mm^2 het gat in de kabeltulle.
Duw het toestel over de schroefbout van de wandbevestiging, zodat de pakkingstof doorboard worden. Doe dat eventueel met een schroevendraier.
Steek de bevestigingsknevel op de schroefbout van de wandbevestiging.
Druk de weiterwand stevig aan. Vergrendel de bevestigings-knevel door 90^ maar rechts te draaien.

Schroef de buizen met de vlakke affdichtingen op de nippel.
Materièle schade Voor de werking van het toestel moet de zeef ingebouwd zichn.
Controller bij verwanging van het toestel of de zeef aanwezig is.
INSTALLATIE
Ingebruikname
Elektriciteit aansluiken

WAARSCHUWING elektrische schok Voer alle werkzaamheden voor de aansluiting en instalatie van de elektriciteit UIT conform de voorschriften.

WAARSCHUWING elektrische schok
Aansluiting op het stroomnet is alleen toegestaan als vaste aansluiting in combinatie met de uitneembare kabeltulle. Het toestel moet op alle polen met een afstand van minstens 3 mm van het stroomnetwork losgekoppeld konnen worden.

WAARSCHUWING elektrische schok
Zorg ervoor dat het toestel op de aardleiding is aangesloten.

Materielle schade Houd rekening met de gegevens op het typeplaatje. De aangegeven spanning moet overeenkomen met de netspanning.
Sluit de netaansluitkabel aan op de klem van de netaansluiting (zie hoofdstub "Installatie / Technische gegevens / Elektriciteitsschema's").
Onderstuk vanchterwand monteren

- Monteer het onderstuk van dechterwand in dechterwand.
Vergrendel het onderstuk van dechterwand.
Lijn het gemonteerde toestel uit door de bevestigingsknevel los te make, de elektro-aansluiting en dechterwand uit te lijnen en de bevestigingsknevel waar vast te draaien. Als dechterwand van het toestel Niet goed gegen de wand komt,(Intu het toestel onderaan met een extra schroef bevestigen.
- Open de 3-weg kogelafsluitklep of de afsluitklep in de koudwatertoevoerleiding.
11. Ingebruikname

WAARSCHUWING elektrische schok Ingebruikname mag alleen uitgevoerd worden door een installeur die rekening houdt met alle veiligheidsvoorschriften.
11.1 Eerste ingebruikname

Open en sluit meerere keren alle aangesloten aftapkransen totdat het leidingwerk en het toestel luchtvrijহn.
Voere neden dichtheidscontroleuit.
Schakel de veiligheidsdrukbegrenzer bij stromingsdruk in door de resettoets stevig in te drukken (het toestel worden met uitgeschakelde veiligheidsdrukbegrenzer geleverd).
Steek de stekker van de kabel van de sensor met de gezraag de waarde op de elektronica.
- Monteer de bovenkap. Controller de plaatsing van de bovenkap.
Zet de bovenkap vast met de schroef.
Schakel de netspanning in.
▶ Kalibreer de temperatuur. Draai de temperatuurinstelknop maar de rechtter- enaar de linkeraanslag.
Trek de beschermfolie van het bedieningspaneel af.
Controller de werkking van het toestel.
Overdracht van het toestel
Leg aan de gebruiker de werkig van het toestel UIT en maak hem vertrouwd met het gebruik ervan.
Wijs de gelebruiker op möglichke bevaren, met name het gevaar van brandwonden.
Overhandig hemudge handleiding.
INSTALLATIE
11.2 Opniew in gebruik nemen

Materièle schade
Om te vermijden dat het blankdraadelement na onderbreking van de watervoorzieening beschadigd raakt, moet het toestel met de volgende procedure wee in werkung worden gesteld.
Schakel het toestel spanningsvrij door de zekeringenuit te schakelen.
- Open de kraan gedurende een minuut tot het toestel en de voorgeschakelde koudwatertoevoerleiding vrij়n van lucht.
Schakel de netspanning opnieuw in.
Koppel het toestel op alle polen los van het elektriciteitsnet.
Tap het toestel af (zie het hoofdstuk "Installatie / Onderhoud / Toestel aftappen").
13. Alternatieven voor montage
13.1 Elektro-aansluiting onderbouw boven

Snijd de kabeltulle voor de netaansluitkabel open.
Duw de vergrendelhaak voor bevestiging van de netaansluit klem omlaag. Trek de netaansluitklem eruit.
- Verplaats de netaansluitklem in het toestel van onder maar boven. Bevestig de netaansluitklem door deze onder de vergrendelhaar te schuiven.
Plaats de schakeldraden onder de draadgeleiding.
13.2 Elektro-aansluiting opbouw

Info
Bij dit aansluittype wijzigt de beschemingsgraad van het toestel.
Wijzig het typeplaatje. Streep de vermelding IP 25 door en kruis hetvakje IP 24 aan.Doe dat met een balpen.

Materièle schade
Als u per ongeluk een verkeerd gat doorbreekt in de achterwand, dient u een neuechterwand te gebruiken.
Snijd of breek de benodigde doorvoer in dechterwand netjes uit (zie hoofdstuk "Installatie / Technische gegevens / Afmetingen en aansluitingen"). Verwijder zo nodig scherp eranden met een vijl.
Leid de aansluitkabel door de kabeltulle. Sluit de aansluitkabel aan op de netaansluitklem.
13.3 Grote geleiderdoorsneden bij elektroraansluiting onder
Als u een kabel met een große diameter gebruikt, kan de kabeltulle na de montage van het toestel gemonteerd worden.

Maak voor montage van het toestel de kabeltulle met behulp van een schroevendraier los.
Schuif de kabeltulle over de netaansluitkabel. Gebruik de montagehulp uit het leveringspakket. Vergroot bij een diameter van >6mm^2 het gat in de kabeltulle.
Schuif de kabeltulle in de weiterwand. Vergrendel de kabeltulle.
INSTALLATIE
Alternatieven voor montage
13.4 Aansluiting van een lastafwerpretais
Plaats een lastafwerpretais in combinatie met andere elektrische toestellen in de elektrotechnische installmentie, bijv. elektrische boilerverwarmingstoestellen. De lastafwerping vindt plaats bij de werkung van de doorstromer.

Materièle schade
Sluit de fase die het lastafwerpretais schakelt, aan op de gerekkte klem van de netaansluitklem in het toestel (zie hoofdstub "Installatie / Technische geveens / Elektricieteitschemas").
13.5 Waterinstallatie opbouw

Info
Bij dit aansluittype wijzigt de beschemingsgraad van het toestel.
Wijzig het typeplaatje. Streep de vermelding IP 25 door en kruis hetvakje IP 24 aan.Doe dat met een balpen.

- Monteer waterstoppen met dichtingen om de inbouwaansluitig af te sluiten. Bij de kranen uit het toebehoren zitten de waterstoppen en dichtingen in het leveringspakket. Voor andere dan de door ons aanbevolen drukkransen kut u waterstoppen en dichtingen als "Toebehoren" bestellen.
Monteer een geschichte drukkraan.
Plaats het onderstuk van dechterwand onder de aansluitbuizen van de kraan en zet het vast in dechterwand.
Schroef de aansluitbuizen op het T-stuk en de 3-weg kogelafsluitklep.
13.6 Waterinstallatie opbouw met soldeeraansluiting / persfitting
U kunt met het toebehoren "soldeeraansluiting" of "persfitting" koperbuizen of kunststofbuizen verbinden.
Bij "soldeeraansluiting" met een schroefaansluiting voor 12 mm koperbuizen dient u als volgt te werk te gaan:
Schuif de wartelmoeren over de aansluitbuizen.
Soldeer de inlegstukken op de koperleidingen.
Plaats het onderstuk van dechterwand onder de aansluitbuizen van de kraan en zet het vast in dechterwand.
Schroef de aansluitbuizen op het T-stuk en de 3-weg kogelafsluitklep.

Info
Houd rekening met de info van de fabrikant van de kraan.
13.7 Waterinstallatie opbouw, montage van de bovenkap

1 Achterwand-geleidingsstukken
2 Schroef
3 Kapgeleidingstukken
4 Doorvoeropening
Breek de doorvoeropeningen in de bovenkap netjesuit. Gebruik, indien nodig, een vijl.

Info
In geval van eenkleine verschuiving van de aansluitbui- zen kunt u de kapgeleidingsstukken gebruiken.
Zijn de aansluitbuizen in grotere mate verschoven, monteer dan de achterwandgeleidingsstukken Niet.
Bij montage van de aansluitbuizen zonderverschuiving breekte u de lipjes uit de kapgeleidingsstukken.
▶ Klik de kapgeleidingstukken vast in de doorvoeroppeningen.
- Plaats de weiterwandgeleidingsstukken op de buizen. Schuif ze in elkaar. Tenslotte schuift u de geleidingsstukken tot aan de aanslag gegen dechterwand.
Bevestig de hinterwand onderaan met een schroef.
Als u flexibele wateraansluitleidingen gebrukt, voorkomt u dat de kniestukken verdraaien (bajonetaansluitingen in het toestel).
INSTALLATIE
Alternatieven voor montage
13.8 Montage onderstuk achefterwand bij opbouwschroeefaansluiting
Bij gebruik van opbouwschroefaansluitingen kan het onderstuk van dechterwand ook na de kraanmontage gemonteerd worden. Daarvoor gaat u als volgt te werk:
Zaag het onderstuk van dechterwand open.
Monteer het onderstuk van dechterwand door het zijde-lings open te buigen en over de opbouwbuizen te steken.
- Steek de verbindingsstukken weiterlangs in het onderstuk van deijkenwand.
▶ Klik het onderstuk van dechterwand vast in dechterwand
Bevestig het onderstuk van dechterwand met een schroef.

1 Onderstuk van dechterwand
2 Verbindingsstukken uit het toebehoren
3 Schroef
13.9 Wandbevestigbing bij verranging van het toestel
Bij het verzangen van het toestel kan een aanwezige wandbevestiging van STIEBEL ELTRON worden gebruikt (met uitzondering van doorstromer DHF).
Prik dechterwand van het toestel voor de schroefbout door op de reeds gemonteerde wandbevestiging.
Vervanging van de doormstromer DHF

Verschuif de schroefbout op de wandbevestiging (de schroefbout heeft een zelftappende schroefdraad).
Draai de wandbevestiging 180^ en monteer.Deze op de wand (de tekst DHF verschijnt dan in de leesrichting).
13.10 Installatie bij betegeling

1 Minimaal steunvlak van het toestel
2 Maximale tegelverschuiving
Stel de wandafstand af. Zet de achechterwand vast met de bevestigingsknevel (90° rechtsom draaien).
13.11 Gedraide bovenkap
Bij montage onder het aftappunt kan de bovenkap gedraaid worden.

Haal de bedieningseenheid uit de bovenkap. Druk hiervoor op de vergrendelhaken.
Draai de bovenkap. Klik de bedieningseenheid waar vast. Zorg ervoor dat alle vergrendelhaken hierbij vastgeklikt worden. Om de bedieningseenheid gemakkelijker te+kunnen monteren, drukt u tegen de binnenzijde van de bovenkap in de gearceerde zone.
Materielle schade
Een bedieningseenheid met defecte vergrendelhaken mag Niet ingebouwd worden. De veiligheid is daardoor nicht meer gewaarborgd.
Steek de kabel van de sensor voor de bevraagde waarde op de elektronica (zie hoofdstuk "Installatie / Ingebruikname / Eerste ingebruikname").
Haak de bovenkap langs boven vast. Zwenk de bovenkap omlaag maar de weiterwand en duw op de bovenkap tot deze hoorbaar vergrendelt.
Schroef de bovenkap vast.
INSTALLATIE
Alternatieven voor montage
13.12 Temperatuurbegrenzung / Verbrandingsbeveiliging
De maximale temperatuurbegrenzing kan op het bedieningselement van de bovenkap worden ingesteld op 43^ . Daarvoor gaat u als volgt te werk:
Neem de bovenkap af.
Haal de ingestoken elektronicaprint uit het bedienings-element van de bovenkap. Houd waar bij rekening met de klikhaken.
Verplaats de stekker van links maar rechts (positie "43 °C").
Herbevestig het bedieningselement, de vergrendelhaken要去en vastklikken. Let op de knop- en aspositie.

Werkt het toestel met voorverwarmd water, dan is het可想而知 dat de ingestelde temperatuurbegrenzing of verbrandingsbeveiliging Niet werkt.
Beperk dan de temperatuur op de voorgeschakelde, centrale thermostaatkraan (zie hoofdstuk "Installatie / Toestelbeschrijving / Toebehoren").

14. Storingen verhelpen

WAARSCHUWING elektrische schok Om het toestel te kuren controleren, moet er spanning op het toestel staan.
Indicatiemogelijkheden diagnoselampje (LED)
| rood brandt bij storing | ||
| geel brandt tijdens de verwarmingsfunctie | ||
| groen knippert: toestel met netaansluiting | ||
| Storing / weergave LED-diagnoselampje Oorzaak Oplossing | ||
| Het toestel schakelt Niet in. | De douchekop / straalregelaars zijn verkalkt. | Ontkalk of verrang eventueel de douchekop / straalregelaars. |
| Het debiet is te gering. | De zeef in het toestel is vuil. | Reinig de zeef. |
| De nominale temperatuur worden Niet bereikt. | Er ontbrekt een fase. | Controler de zekering van de huisinstallatie. |
| De verwarming schakelt uit. | De luchtherkenning detecteertlicht in het water. Het verwarmingsvermögen schakelt kortstandig uit. | Na eén minuut gaat het toestel werk in werkung. |
| Geen warm water en geen lampindicatie. | De zekering is geactiveerd. | Controler de zekering van de huisinstallatie. |
| De veiligheidsdrukbegrenzer is uitgeschakeld. | Verhelp de oorzaak van de fouit (bijvoorbeeld een defecte drukspoelkraan). | |
| Beschem het verwarmingsystemeegen over-verb hitting door een voorbij het toestel geschakelde aftapkaan gedurende eén minuut open te zetten. Daarvoor worden de dok van het verwarmingssysteme afgevoerd en worden het verwarmingsysteme afgekoeld. | ||
| Activeer de veiligheidsdrukbegrenzer bij stromingsdruk door op de resetknop te drukken, zich ook het hoofdstuk "Installatie / Ingebruikname / Eerste ingebruikname". | ||
| De elektronica is defect. | Controler de elektronica; verrang deze indien nodig. | |
| Lampindicatie: groen knippert Geen warm water bij debiet >3 l/min. | De doorstroomhoeveelheidsmeter DFE is Niet aangeslo-ten. | Sluit de steker van de doorstroomhoeveelheidsmeter waer aan. |
| De doorstroomhoeveelheidsmeter DFE is defect. | Controler de doorstroomhoeveelheidsmeter; ver-vang deze indien nodig. | |
| De nominale temperatuur worden Niet bereikt. | De sensor voor de gezvaagde waarde of de verbinderings-kabel is defect of de verbindingskapitel is Niet aangesloten. | Sluit de verbindingskapel aan; verrang evt. de sensor voor de gezvaagde waarde. |
| De temperatuurbegrenzing is geactiveerd. | Schakel de temperatuurbegrenzing uit. | |
| Lampindicatie: geel is continu verlicht, groen knippert Geen warm water bij debiet >3 l/min. | De veiligheidstemperatuurbegrenzer STB is geactiveerd of is onderbroken. | Controler de veiligheidstemperatuurbegrenzer; verrang deze indien nodig. |
| Het verwarmingsysteme is defect. | Meet de watertstand van het verwarmingsysteme; verrang deze indien nodig. | |
| De elektronica is defect. | Controler de elektronica; verrang deze indien nodig. | |
| Lampindicatie: geel brandt continu, groen knippert | De uitloopsensor is defect. | Controler de aansluiting, verrang de uitloopsensor indien nodig. |
| De nominale temperatuur worden Niet bereikt. | Het toestel werkt aan de vermogensgrens. | Reduceer het debiet. Plaats de doorstroomvolume-begrenzer. |
| Lampindicatie: rood brandt continu, groen knippert | De uitloopsensor is defect. | Controler de aansluiting, verrang de uitloopsensor indien nodig. |
| Er is geen warm water | De koudwatersensor is defect. | Controler de elektronica; verrang deze indien nodig. |
| Gewenste temperatuur >45 °C worden Niet be-reikt | De koudwatertoevoertematuur is hoger dan 45 °C. | Verlaag de koudwatertoevoertematuur waar het toestel. |
15. Onderhoud

WAARSCHUWING elektrische schok
Scheid alle polen van het toestel van het elektriciteitsnet voor aanvang van alle werkzaamheden.
Het toestel aftappen
U kunt het toestel voor onderhoudswerkzamaheden aftappen.

Wanner u het toestel aftapt, kan er heet water uitlopen.
Sluit de 3-weg afsluitklep of de afsluitklep in de koudwatertoevoerleiding.
Open alle aftappunten.
Maak de wateraansluitingen van het toestel los.
Een gedemonteerd toestel moet vorstvrij bewaard worden, want er kan restwater in het toestel zitten dat bevriezen kan en daardoor schade veroorzaken kan.
Zeef reinigen
Reinig bij verruiling de zeef in de koudwaterschroefaansluiting. Sluit de 3-weg aflsuitklep of de aflsuitklep in de koudwatertoevoerleiding voordat u de zeef demonteert, reinigt en weein bouwt.
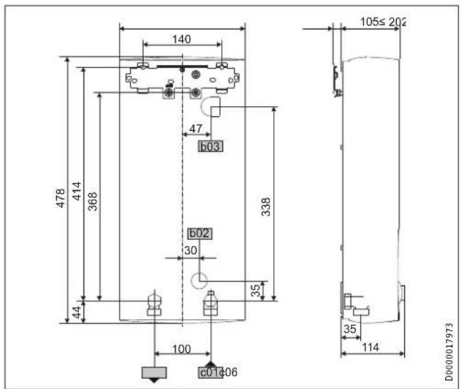
16.1 Afmetingen en aansluitingen

| DHB-E SLi | |||
| b02 | Doorvoer elektr.kabels I | ||
| b03 | Doorvoer elektr.kabels II | ||
| c01 | Koudwatertoevoer | Buitendraad | G 1/2 A |
| c06 | Warmwateruitloop | Buitendraad | G 1/2 A |

Optionele aansluitmogelijkheden
| DHB-E SLi | |
| b02 Doorvoer elektr.kabels I | |
| b03 Doorvoer elektr.kabels II | |
| b04 Doorvoer elektr.kabels III |
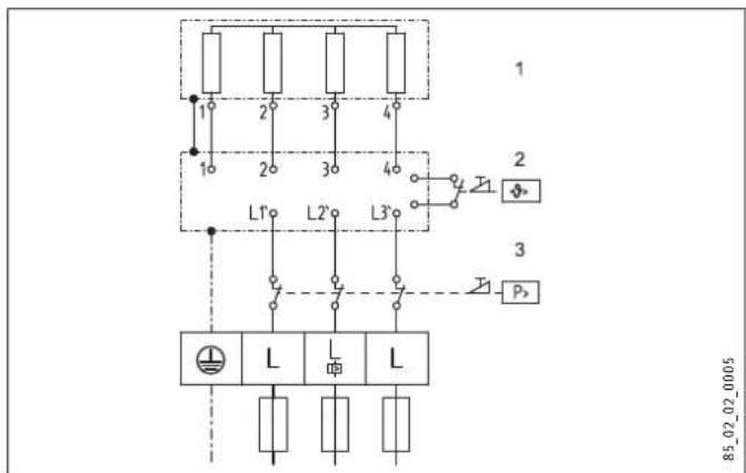
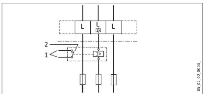
16.2 Elektriciteitsschema

3/PE 380 - 415V
1 Verwarming
2 Veiligheidstemperatuurbegrenzer
3 Veiligheidsdrukbegrenzer

Voarrangsschakeling met LR 1-A
1 Stuurkabel voor het relais van het 2e toestel (bijv. elektrische boilerverwarming).
2 Besturingscontact gaat open als de doorstromer inschakelt.
16.3 Warmwatervermogen
Het warmwatervermögen is afhankelijk van de aanwezigete netspanning, het aansluitvermögen van het toestel en de koudwatertoevoertemporatuur. De nominale spanning en het nominale vermogen treft u aan op het typeplaatje (zie hoofdstuk "Bedienning / Problemen verhelpen").
Aansluitvermogen in kw 38^ warmwatervermogen in U/min.
Nominale spanning Koudwatertoevoertemperatuur
Aansluitvermogen in kw 50^ warmwatervermogen in U/min.
Nominale spanning Koudwatertoevoertemperatuur
16.4 Toepassingsgebieden/omrekentabel
Specifieke elektrische verbessand en specifieke elektrische geleid-baarheid (zie hoofdstuk "Installatie / Gegevenstabel").
| Genormeerde waar- de bij 15 °C | 20 °C | 25 °C | ||||||
| Weer- stand ρ ≥ | Geleidhaarheid Σ ≤ | Weer- stand ρ ≥ | Geleidhaarheid Σ ≤ | Weer- stand ρ ≥ | Geleidhaarheid Σ ≤ | |||
| mS/m | μS/cm | Ωcm | mS/m | μS/cm | Ωcm | mS/m | μS/cm | |
| 900 | 111 | 1111 | 800 | 125 | 1250 | 735 | 136 | 1361 |
| 1000 | 100 | 1000 | 890 | 112 | 1124 | 815 | 123 | 1227 |
| 1100 | 91 | 909 | 970 | 103 | 1031 | 895 | 112 | 1117 |
| 1200 | 83 | 833 | 1070 | 93 | 935 | 985 | 102 | 1015 |
| 1300 | 77 | 769 | 1175 | 85 | 851 | 1072 | 93 | 933 |
16.5 Drukverliezen
Kranen
| Drukverlies van de kranen bij debiet 10 U/min | ||
| Eenhendel mengkraan, ca. | MPa | 0,04 - 0,08 |
| Thermostatische kraan, ca. | MPa | 0,03 - 0,05 |
| Douchekop, ca. | MPa | 0,03 - 0,15 |
Dimensionering van het buisnet
Voor de berekening van de dimensionering van het buisnet worden voor het toestel een drukverlies van 0,1 MPa aanbevolen.
16.6 Storingen
In geval van storing kunnen in de installmentie kortstondige belastingen van maximaal 95^ bij een druk van 1,2 MPa optreden.
16.7 Landspecifieke vergunningen en certificaten: Duitsland
Op basis van de landelijkke bouwverordingen heeft het toestel een algemeen bouwkundig testcertificaat ontvangen om de geschiktheid op het vlak van het geluidsniveau aan te tonen.

16.8 Gegevens over het energieverbruik
De productgeveens voldoen aan de EU-verordeningen betreffende richtlijn voor milieuvriendelijkvormgeving van energiegerelateerde producten (ErP).
| DHB-E 11 SLi | DHB-E 13 SLi | DHB-E 18 SLi 25 A | DHB-E 18/21/24 SLi | DHB-E 27 SLi | ||
| 232013 | 232014 | 232015 | 232016 | 232017 | ||
| Fabrikant | STIEBEL ELTRON | STIEBEL ELTRON | STIEBEL ELTRON | STIEBEL ELTRON | STIEBEL ELTRON | |
| Lastprofiel | S | S | S | S | S | |
| Energieklasse | A | A | A | A | A | |
| Jaarliljs stroomverbruik | kWh | 472 | 472 | 477 | 477 | 481 |
| Energetisch rendement | % | 39 | 39 | 39 | 39 | 39 |
| Temperatuurinstilling af fabriek | °C | 60 | 60 | 60 | 60 | 60 |
| Geluidsniveau | dB(A) | 15 | 15 | 15 | 15 | 15 |
| Bijzondere anwijzingen voor efficientiemeting | Geen | Geen | Geen | Gegevens bij Pmax. | Geen |
16.9 Gegevenstabel
| DHB-E 11 SLi | DHB-E 13 | SLi | DHB-E 18 SLi | 25 A | DHB-E 18/21/24 SLi | DHB-E 27 SLi | |||||||||||
| 232013 | 232014 | 232015 | 232016 | 232017 | |||||||||||||
| Elektrische gevevens | |||||||||||||||||
| Nominate spanning | V | 380 | 400 | 415 | 380 | 400 | 415 | 380 | 400 | 415 | 380 | 400 | 415 | 380 | 400 | 415 | |
| Nominaal vermogen | kW | 10,1 | 11 | 12,2 | 13,5 | 14,5 | 16,2 | 18 | 19,4 | 16,2/19/21,7 | 18/21/24 | 19,4/22,6/25,8 | 24,4 | 27 | |||
| Nominate stroom | A | 15,4 | 16 | 18,5 | 19,5 | 20,2 | 24,7 | 26 | 27 | 27,6/29,5/33,3 | 29/31/35 | 30,1/32,2/36,3 | 37,1 | 39 | |||
| Zekering | A | 16 | 16 | 20 | 20 | 20 | 25 | 25 | 32 | 32/32/35 | 32/32/35 | 32/32/40 | 40 | 40 | |||
| Fasen | 3/PE | 3/PE | 3/PE | 3/PE | 3/PE | ||||||||||||
| Frequentie | Hz | 50/60 | 50/60 | 50/60 | 50/60 | 50/- | 50/60 | 50/60 | 50/- | 50/60 | 50/60 | 50/- | 50/- | 50/- | 50/- | ||
| Specifieke werkstand ρ 15 ≥ (bij Økoud ≤ 25 °C) | Ω cm | 900 | 900 | 1000 | 900 | 900 | 1000 | 900 | 900 | 1000 | 900 | 900 | 1000 | 900 | 900 | 1000 | |
| Specifieke geleidhaaridid σ 15 ≤ (bij Økoud ≤ 25 °C) | μS/cm | 1111 | 1111 | 1000 | 1111 | 1111 | 1000 | 1111 | 1111 | 1000 | 1111 | 1111 | 1000 | 1111 | 1111 | 1000 | |
| Specifieke werkstand ρ 15 ≥ (bij Økoud ≤ 45 °C) | Ω cm | 1200 | 1200 | 1300 | 1200 | 1200 | 1300 | 1200 | 1200 | 1300 | 1200 | 1200 | 1300 | 1200 | 1200 | 1300 | |
| Specifieke geleidhaaridid σ 15 ≤ (bij Økoud ≤ 45 °C) | μS/cm | 833 | 833 | 770 | 833 | 833 | 770 | 833 | 833 | 770 | 833 | 833 | 770 | 833 | 833 | 770 | |
| Max. netimpedantie bij 50Hz | Ω | 0,379 | 0,360 | 0,347 | 0,284 | 0,270 | 0,260 | 0,254 | 0,241 | ||||||||
| Aansluitingen | |||||||||||||||||
| Aansluiting voor het water | G 1/2 A | G 1/2 A | G 1/2 A | G 1/2 A | G 1/2 A | ||||||||||||
| Werkingsgebied | |||||||||||||||||
| Max. toegelaten druk | MPa | 1 | 1 | 1 | 1 | 1 | |||||||||||
| Max. toeovertemporatuur voor bijverwarming | °C | 45 | 45 | 45 | 45 | 45 | |||||||||||
| Waarden | |||||||||||||||||
| Max. toegelaten toeovertemporatuur | °C | 60 | 60 | 60 | 60 | 60 | |||||||||||
| Aan | I/min | >3,0 | >3,0 | >3,0 | >3,0 | >3,0 | |||||||||||
| Debiet voor drukverlies | I/min | 3,1 | 3,9 | 5,2 | 5,2/6,0/6,9 | 7,7 | |||||||||||
| Drukkeries bij deebiet | MPa | 0,07 (0,02 zonder DMB) | 0,11 (0,03 zonder DMB) | 0,08 (0,06 zonder DMB) | 0,08/0,10/0,13 (0,06/0,08/0,10 zonder DMB) | 0,16 (0,12 zonder DMB) | |||||||||||
| Volumestroombegrenzing bij | I/min | 4,0 | 4,0 | 7,5 | 7,5/7,5/8,5 | 8,5 | |||||||||||
| Warmwateraanbieding | I/min | 5,6 | 6,9 | 9,2 | 9,2/10,7/12,3 | 13,8 | |||||||||||
| Δθ bij aanbieding | K | 28 | 28 | 28 | 28 | 28 | |||||||||||
| Hydraulische gevevens | |||||||||||||||||
| Nominate inhoud | I | 0,4 | 0,4 | 0,4 | 0,4 | 0,4 | |||||||||||
| Uitvoeringen | |||||||||||||||||
| Aansluitvermogen selecteer-baar | X | ||||||||||||||||
| Temperaturunstelling | °C | 30 - 60 | 30 - 60 | 30 - 60 | 30 - 60 | 30 - 60 | |||||||||||
| Beveiligingsklasse | 1 | 1 | 1 | 1 | 1 | ||||||||||||
| Isolatieblok | Kunststof | Kunststof | Kunststof | Kunststof | Kunststof | ||||||||||||
| Verwarmingsystem warmeter generator | Blanke draad | Blanke draad | Blanke draad | Blanke draad | Blanke draad | ||||||||||||
| Kap enchterwand | Kunststof | Kunststof | Kunststof | Kunststof | Kunststof | ||||||||||||
| Kleur | wit | wit | wit | wit | wit | ||||||||||||
| Beschermingsgraad (IP) | IP25 | IP25 | IP25 | IP25 | IP25 | ||||||||||||
| Afmetingen | |||||||||||||||||
| Hoopte | mm | 478 | 478 | 478 | 478 | 478 | |||||||||||
| Breedte | mm | 225 | 225 | 225 | 225 | 225 | |||||||||||
| Diepte | mm | 105 | 105 | 105 | 105 | 105 | |||||||||||
| Gewichten | |||||||||||||||||
| Gewicht | kg | 3,6 | 3,6 | 3,6 | 3,6 | 3,6 | |||||||||||
Garantie
Voor toestellen die buiten Duitsland zijn gekocht, gelden de garantievoorwaarden van onze Duitse ondernemingen Niet. Bovendien kan in landen waar een van onze dochtermaatschappijen verantwoordelijk is voor de verkoop van onze producten, alleen garantie worden verleend door deze dochtermaatschappij. Een dergelijk garantie worden alleen verstrecht, wanner de dochtermaatschappij eigien garantievoorwaarden heeft gepubliceerd. In andere situatuies worden er geen garantie verleend.
Voor toestellen die in landen worden gekocht waar wij geen dochtermaatschappijen hebben die once producten verkopen, verlenen wij geen garantie. Een eventueel door de importeur verzekerde garantie blijft onverminderd van kracht.
Milieu en recycling
Wij verzoeken u ons te helpen ons milieu te beschermen. Doe de materialen na het gebruik weg overeenkomstig de nationale voorschriften.
WSKAZÖWKI SPECJALNE
OBSLUGA
t Hofveld 6 - D1 | 1702 Groot-Bijgaarden
Tel. 02 42322-22 | Fax 02 42322-12
info@stiebel-eltron.be
www.stiebel-eltron.be
China
STIEBEL ELTRON (Guangzhou) Electric
Appliance Co., Ltd.
SimpelGids