DHBE 24 SLi electronic - Elektrický ohřívač vody STIEBEL ELTRON - Bezplatný návod k obsluze
Najděte návod k zařízení zdarma DHBE 24 SLi electronic STIEBEL ELTRON ve formátu PDF.
Často kladené otázky - DHBE 24 SLi electronic STIEBEL ELTRON
Questions des utilisateurs sur DHBE 24 SLi electronic STIEBEL ELTRON
0 question sur cet appareil. Repondez a celles que vous connaissez ou posez la votre.
Poser une nouvelle question sur cet appareil
Stáhněte si návod pro váš Elektrický ohřívač vody ve formátu PDF zdarma! Najděte svůj návod DHBE 24 SLi electronic - STIEBEL ELTRON a vezměte svůj elektronický přístroj zpět do rukou. Na této stránce jsou zveřejněny všechny dokumenty potřebné k používání vašeho zařízení. DHBE 24 SLi electronic značky STIEBEL ELTRON.
NÁVOD K OBSLUZE DHBE 24 SLi electronic STIEBEL ELTRON
- Obecné poukyny 98
1.1 Bezpečnostní poukyny 98
1.2 Jiné symboly pouzité v tétó dokumentaci 98
1.3 Mérnejednotky 98 - Bezpečnost 98
2.1 Správné použivani 98
2.2 Vseobecne bezpecnostni pouny 98
2.3 Kontrolni symbol 99 - Popis pristroje 99
- Obsluha 99
4.1 Dopurocená nastaveni 99
4.2 Omezeni teploty/ochrana prd oparenim 99 - Čišění, pěče a udžržba 100
- Odstranéní problému 100
INSTALACE
- Bezpečnost 101
7.1 Vseobecne bezpecnostnipokyny 101
7.2 Predpisy, normy a ustanoveni 101 - Popis pristroje 101
8.1 Rozsah dodávky 101
8.2 Prisluosenstvi 101 - Priprava 102
9.1 Misto montáze 102
9.2 Vodovodni instalace 102
9.3 Pristrojs volitelnym prikonem 103 - Montáž 103
10.1 Standardni montáž 103
10.2 Dokončeni montăze 105 - Uvedení do provozu 105
11.1 První uvedeni do provozu 105
11.2 Opětovné uvedeni do provozu 106 - Uvedeni mimo provoz 106
-
Alternatively montaze 106
13.1 Elektrická prípojka nahore pod omtkou 106
13.2 Elektrická prípojka na zdi 106
13.3 Velké prürezy vodiču pro elektrickou prípojku dole 106
13.4 Pripojen zatezovehorele 107
13.5 Vodovodni instalace na zdi 107
13.6 Vodovodni instalace na zdi s pájenou prípojkou / lisovacim fitinkem 107
13.7 Vodovodni instalace na zdi, montaz vika pristroje 107
13.8 Montáz spodniho dílu zadni stěny pri provedeni se
závitovou prípojkou na zdi 108
13.9 Zaveshni na zed'pri vymene pristroje 108
13.10 Instalace na predsazenych obkladech 108
13.11 Otocené viko pristroje 108
13.12 Omezeni teploty/ochrana prd oparenim 109 -
Odstrańovani poruch 110
- Udrzba 111
- Technické udaje 111
16.1 Rozměry a prípojky 111
16.2 Schema elektrického zapojení 111
16.3 Vykon tepé vody 112
16.4 Oblast pouziti / Převodni tabulka 112
16.5 Ztraty tlaku 112
16.6 Podminky v pripadé poruchy 112
16.7 Potvrzeni a osvěděčeni platné v Jednotlivých zemích: Německo 113
16.8 Udaje ke spotbrebe energia 113
16.9 Tabulka udaju 114
ZARUKA
ZIVOTNI PROSTREDI A RECYKLACE
ZVLÁSTNÍ POKNY
- Pristroj smi pouzivat deti od 8 let a osoby se snizenymi fyzickymi, senzorickymi nebo mentalni schopnostmi nebo s nedostatkem zkušenosti a znalosti pouze pod dozorem nebo po pouceni o bezpečném použivaní pristroje, a poté, co porozuměly nebezpecí, které z jeho použivaní plyne. Nenechávejte deti, aby si s pristrojem hrály. Čisteni a udrzbu, kterou ma povadet uživatel, nesmi povadet deti samostatné bez dozoru.
- Nebezpeci popalen: Armatura muze dosahnout teploty vyss i nez 60 ^ C
- Pristroj musi byt mozné odpojit od sitové pripojky na vsech polech na vzdalenost nejmene 3 mm.
- Upevněte pristroj zpúsobem popsánym v kapitole „Instalace / Montáž".
- Dodržujte maximálni dovoleny tlak (viz kapitola „Instalace / Technické udaje / Tabulka s technickymi udaji").
Vypustte pristroj zpusobem podle popisu v kapitole „Instalace / Üdržba / Vypusteni pristroje".
OBSLUHA
1. Obecné poukyny
Kapitoly „Zvlastni pouky" a „Obsluha" jsou urceny uživatelum pristroje a instalacním technikum.
Kapitola „Instalace" je určena instaláčním technikům.

Upozorneni
Drive, nez zahajite provoz, si pozorné prectete tento navod a peclive jej uschovejte.
Připadne predejte námod dalínu uživateli.
1.1 BezpečnostníPokyny
1.1.1 Struktura bezpečnostnichPokynu

UVOZUjC1 SLOV0 - Druh nebezpeci
Zde jsou uvedeny mozne nasledky nedodrzeni bezpec-nostnichPokynu.
Zde jsou uvedena opatrenik odvraceni nebezpeci.
1.1.2 Symboly, druh nebezpeci
Symbol Druh nebezpeci

Uraz

Uraz elektrickym proudem

Popaleni (popalen, opa
1.1.3 Uvozujic slova
UVOZUJICI
Vyznam
SLOVO
NEBEZPECi Pokyny, jejichnedodrzeni ma za nasledek vazne nebosmrtelne urazy.
VYSTRAHA Pokyny, jejichz nedodrzeni muze mit za nasledek vaznene nebo smrtelné urazy.
POZOR Pokyny, jejich niedodrzeni muze miz za nasledek stredne vaźne nebo lehke urazy.
Obecné poukyny jsou označeny symbolem zobrażnym vedle.
Texty upozorneni ctete peclive.
Symbol Vyznam

Vécné skody
(poškození pristroje, náslédné škody, škody naživotním prostřédi)

Likvidace pristroje
Tento symbol vás vyzývá k určitěmu jegnámí. Potřebné ukony jsou popsány po jegnotlivych krocích.
1.3 Mérné jednotky

Upozorneni
Pokud není uvedeno jinak, jsou všechny rozměry uvedeny v milimetrech.
2. Bezpečnost
2.1 Správné použivání
Pristroj slouží k ohrevu pitné vody nebo naslednému ohrevu predehráté vody. Muze zásobovat jedem nebo několik odbernych mistrist.
Pristroj je urcen k pouziti v domacnostech. Mohou jej tedy bezpečné obsluhovat naskolené osoby. Lze jej použivat i mimo domac-nosti, napr. v drobném prumyslu,Pokud zpúsob pouziti v takovych oblastech odpovída urcení pristroje.
Jiné pouziti nebo pouziti nad ramec daného rozsahu je považováno za pouziti v Rozporu s urcenim. K pouziti v souladu s urcenim patri také dodrzovani tohoto navodu a navoduk použivanému príslusenstvi.
2.2 VseobecnbezpecnostnikPokyny

POZOR popaleni
Armatura muze za provozu dosahnout teploty vyssi nez 60^
Pokud je vystupni teplota vyssi nez 43 ^ C hrozi nebezpeci opareni.

POZOR popaleni
Teplata teplé vody se muze za provozu s predehratou vodou, napr. ze solarniho systemu, lisit od nastavené pozadované teploty.

VYSTRAHA uraz
Pristroj smi pouzivat deti od 8 let a osoby se snizenymi fyzickymi, senzorickymi nebo mentalnimi schopnostmi nebos nedostatkem zkuosenosti aznalosti pouze pod dozorem nebo po poucenio bezpecnem pouzivani pristroje, a pote, co porozumely nebezpeci, ktere z jeho pouzivani plyne. Nenechavejt dei, aby si pristrojem hraly. Ciiste n a udrzbu, kterou ma provadet uzivatel, nesmi povadet deti samostatne bez dozoru.

Vécné skody
Uživatel musi pristroj a armaturu chrani t pred mrazem.
2.3 Kontrolni symbol
Elektronicky regulovaný prutokový ohrivač udržuje stavupni teplotu nezávisle na teplotě pritoku až na hranici vykonu.
Pristroj ohrivá vodu primo u odberného mista, jakmile dojde k otevreni teplovodniho ventilu na armature. Vzhledem ke kratkym rozvodum vznikaji malé ztraty energia a vody.
Spinaci prutok viz kapitola „Instalace / Technické udaje / Tabulka udajù, Zap".
Vykon ohrevu vody zavisi na teplote studené vody, topném vykonu, prutokovém množstvi a nastavené požadované teplotě.
Pokud je prekročena maximali teplota pritoku pro nasledné ohrev, k naslednému ohrevu nedocház.
Teplota tepé vody
Vystupni teplotu vody muzete plynule nastavovat.
Omezeni teploty/ochrana prd oparenim
Maximalí vystupni teplata muže byt na pristroji omezena na 43^ . Kontaktujte svého specializovaného technika.
Topny systém
Topny systém s holou spirálou je vybaven plastovym tlakovym plastem. Topny systém je vchodný pro měne tvrdou i tvrdou vodu a je v široké míre necitlivý vúči zavapnéni. Topny systém zajistuje rychlou a učinnou prípravo teplé vody.

Upozorneni
Pristroj je vybaven zafrizenim, které Rozpoznáva, zda je v systému vzduch. Tim je zabráneno poskozeni topného systému. Pokud se za provozu dostane do pristroje vzduch, pristroj vypne na{jednu minutu topny vykon a chrani tak topny systém.
4. Obsluha

Otoctene nastavovaci tlačitko teploty do požadované polohy.
Pokud je armatura v odberném miste zcela otevrená a byla na-stavena maximalí teplota, a pritom není dosaženo dostatecné yystupni teploty,znamená to, ze systémem protěká vice vody, než je schopno topné tleso ohrát.
Prutok snizte na armatur.
4.1 Doporučena nastavení
Armatura termostatu
Pokud provozujete pristroj s armaturou s termostatem, doporučujeme nastavit teplotu na pristroji na maximálné teplotu. Požadovanou teplotu pak nastavte na armatuře s termostatem.
Po preruseni privodu vody
Věcne škody
Aby nedošlo k poskozeni topného systému s holou spi-ralou po prerušeni dodávky vody, musi se pristroj opět uvest do provozu nasledujícimi kroky.
Odpojtepristroj od napetivypnutimpjistek.
Otevrete armaturu na dobu jegne minuty, dokud nejsou pristroj a predrazena pripojka studene vody ovdzdu-snene.
Opét zapnéte napajeni ze sîte.
4.2 Omezeni teploty/ochrana prd oparenim
Maximalí vystupni teplata mûze byt na pristroji omezena na 43^ . Kontaktujte svého specializovaného technika.
5. Čišění, peče a udržba
Nepoužívejte abrazivní cisticí prostředky nebo prostředky obsahujíci Rozpoustédla. K osétrováni a udrzbe pristroje stači vlhká textilie.
Kontrolujte pravidelné armatury. Vodni kamen na vytocich z armatur odstranite beznymi prostredky k odstraneni vodni-ho kamene.
6. Odstranéní problému
| Problém Prícina Odstraněné | ||
| I když je ventil teplé vody zcela otevřen, pristroj se nezapne. | Došlo k výpadku elektrického napajení. | Zkontrolujte pojstky vnitřné instalace. |
| Perlátor v armatuře nebo sprchová hlavice jsou za-neseny vodním kamemem nebo jsou znečistěné. | Vyčistěte perlátor nebo sprchovou hlavici a zbav-te je vodniho kamene. | |
| Během odběru teplé vody protěká krátkodobě stu-dená voda. | Zařízení Rozpoznalo ve vodě wyssí obsah vzduchu a krátkodobě prěrušilo ohřév. | Pristroj se za 1 minutu opět samočinně zapne. |
| Neni dosaženo požado-vané teploty > 45 °C. | Byla prěrušena dodávka vody. | Pristroj a prípojku stu-dené vody odždusněte (viz kapitola „Obsluha / Doporučěné nastavení / Po prěrušeni dodávky vody"). |
| Teplota prítoku STUDENÉ | vody > 45 °C. | Snižte teplotu prítoku STUDENÉ vody. |
Pokud nelze pricinu odstranit, kontaktujte odbornika. K ziskani lepsi a rychlejsi pomoci sdeltce cislo z typoveho stitku (000000-00000).

INSTALLACE
7. Bezpečnost
Instalaci, uvedeni do provozu, udrzbu a opravy pristroje smi provadet pouze odbornik.
7.1 Všeobecné bezpečnostní poukyny
Rădnou funkci a spolehlivý provoz lze zarucit pouze v pripadé použiti puvodniho príslusenstvi a originánlich nahradnich dilu urcenych pro tento pristroj.

Vécné skody
Dodržujte maximálni pripustnou teplotu pritoku (viz kapitola „Instalace / Technické udaje / Tabulka s technickými udaji"). Pri vyssich teplotach muze dojit k poskození pristroje. Instalaci centránlí termostaticke armatury (viz kapitolu „Instalace / Popis pristroje / Príslušenstvi") mužete omezit teplotu pritoku.
7.2 Předpisy, norma ustanovení

Upozorneni
Dodržujte vsechny národní a mistrí prédpísy ustanoveni.
- Kryti IP 25 (ochrana proti strikajici vode) je zaruceno pouze v pripadé odborné instalované kabelove pruchodky.
- Merny elektricky odpor vody nesmi byt mensi nez hodnota uvedená na typovém stitku. V pripadé propojeni nekolika vodovodnich sití vezměte v uvahu nejnižsí elektrický odpor vody (viz kapitolu „Instalace / Technické udaje / Tabulka s technickymi udaji"). Hodnoty merného elektrického odporu vody nebo elektrické vodivosti vody zjistéu vašeho dodavatele vody.
8. Popis pristroje
8.1 Rozsah dodávky
Spolu s pristrojem je dodáváno:
Zaveshni na zed
Montázní sablona
-2 dvojite vsuvky
- Tricestný kulový uzaviraci ventil studéne vody
Tvarovka T na teplou vodu
- plocha těsněné
-sitko
- Omezovač prútoku
- plastová tvarovka
- plastové spojovaci privky / montázní pomúcky
Vodici prvky na zadni stenu
8.2 Prislušenstvi
Armatury
- Jednopáková kuchyńska tlaková armatura MEKD
- Jednopáková vanová tlaková baterie MEBD
Pokud použiváte jiné tlakové armatury na zdi, než je doporučenov príslušenství, použijte vodni zátku.
Montázní sada k instalaci na stenu
- Pájeci sroubeni - meděná trubka k prípojen pájení 0 12 mm
-Lisovacifitink-medena trubka - Lisováčí fitink - plastová trabka (vhodná pro Viega: Sanfix-P-lus nebo Sanfix-Fosta)
Univerzalni montazni ram
- Montázní rám s elektrickými prípojkami
Potrubni instalacni sada pro pristroje pod umyvadlo
Potrubni instalacni sada k vymene plynového ohrivace vody
Pokud dostupná instalace obsahuje năstrné prípojky vody z Jednoho DHB, použijte năstrné spojky na vodu.
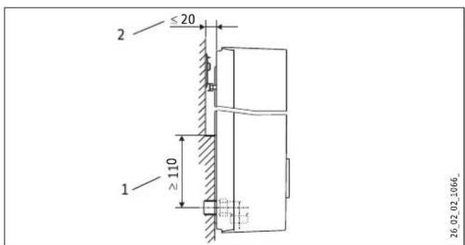
Pristoj smí být instalován pouze v mistrasti chroněne préd mrazem.
Pristroj montujte ve svisle poloze v blizkosti odberneho mista.
Pristroj je vhdnky monta zi pod a nad umyvadlo.
Montáz pod umyvadlo

1 Pritok studene vody
2 Vytok teple vody
Montáz nad umyvadlo

1 Pritok studene vody
2 Vytok teple vody

Upozorneni
Namontujte pristroj na stenu. Stena musi mit dostatecnou nosnost.
Použijte vchodné tlakové armatury (viz kapitola „Instalace / Popis zarizeni/ Príslušenstv“). Beztlakové armatury nejsou dovolné.

Upozorneni
3cestny kulovy uzaviraci ventil na privodu studene vody se nesmi pouzivat k omezovani prutoku. 3cestny kulovy uzaviraci ventil slouzi k uzavreni pristroje.
Dovolené materially vodovodniho potrubí
- Prévod studenté vody:
Zarove zinkovana ocelova trabka, trabka z ušlechtilé oceli, medena trabka nebo plastová trabka
Vystupni potrubi teplé vody:
Trubka z ušlechtilé oceli, meděna trabka nebo plastová trabka

Vécné skody
V pripadé pouziti plastovych potrubnich systému doržujte maximánlí dovolenou vystupné teploa a maximánlí dovolený tlak (viz kapitola „Instalace / Technické udaje / Tabulka udajú").
Objemov prutok
Zkontrolujte, zda je dosaženo objemového prutoku (viz kapitolu „Instalace / Technické udaje / Tabulka s technickymi udaji“, zapnuti) k zapnuti pristroje.
V priade, ze pri plne otevrenem odbernem ventilu neni dosazen pozadovany objemovy prutok, zvyste tlak ve vodovodnim potrubi. Pokud objemovy prutok neni dosazen i pris zvyseen tlaku, demontujte omezovač prutoku a plastovou tvarovku.

1 Omezova prutoku
2 plastová tvorovka

Upozorneni
Aby termostaticka armatura fungovala spravne, nesmite omezovac prutoku vymenit za plastovou tvarovku.
9.3 Pristroj s volitelnym prikonem
Pristroj DHB-E 18/21/24 SLi je ve stavu pfi dodani zapnuty na 21 kW. Pokud budete pristroj instalovat s jinym vykonem, musite postupovat takto:
Prepojte kódovaný konektor podle zvoleneho vykonu; volitelny vykon a jišěnéří stroje viz „Instalace / Technické udaje / Tabulka udajú".
Zakrizkujte zvoleny vkon na typovem stitku. Pouzijte k tom nesmyvatelné y popisovač.
Použijte omezovac prutoku odpovidají výkonu pristroje (viz kapitola „Instalace / Technické udaje / Tabulka udajú”).

10. Montáz
Standardni montáž
-Elektrická prípojka dole, instalace pod omítkou
Vodovodni pripojka s instalaci ve stene (pod omitkou)
Dalsi moznosti montaze viz kapitola „Instalace / Alternativni postupy montaze":
-Elektrická prípojka nahore pod omitkou
-Elektrická prípojka na zdi
- Velké prürezy vodicu pro elektrickou pripojku dole
Pripojenizataezevohe role
Vodovodni instalace na zdi
Vodovodni instalace na zdi s pajenou pripojkou / lisovacim fitinkem
Vodovodni instalace na zdi, montaz vika pristroje
Montaz spodniho dilu zadni steny pri proveden se zavitovou pripojkou na zdi
Zavešeni na zed'pri vyměne pristroje
-Instalacna ppredsazenych obkladech
Otočene víko pristroje
- Omezeni teploty/ochrana prd oparenim
10.1 Standardni montáz
Otevreni pristroje

Pristroj otevrete tahem za klapku smerem dopredu a dolu, povolte sroub a vyklopte viko prestroje.

Demontujte zadni stenu zatlačenim obou pojistnych háčku a stahnéte spodni din zadni steny doprodu.
Příprava prživodního kabelu

1 Montázní pomücka
Prijravte privodni kabel.
Montáz nastenného závesu

Vyznačte pomoci montážni šablony vrtane otvory. V pripadé montáze s vodovodnimi pripojkami primo na zdi musite navic oznacit i upevnovići otvor ve spodni casti šablony.
Vyvrtejte otvory a upevnete zavešovací konzolu na zed've 2 bodech vchodným upevnovacim materiálem (srouby a hmoždinky nejsou současti dodávy).
Namontujte konzolu na zed'.
INSTALLACE
Montáž
Veskeré vodovodni pripojky a instalace provaděje podle predpisù.

1 Tepla voda stvarovkou T
2 Těsnění
3 Studená voda s tricestným kulovým uzaviracim ventilem
4 sitko
5 Omezovač prútoku nebo plastová tvarovka (viz kapitola „Instalace / Vodovodníní instalace / Objemový prútok")

Upozorneni
U DHB-E 18/21/24 SLi se dodáva i druhý omezovac prutoku. Použijte omezovac prutoku odpovidajívi konyu pri stroje (viz kapitola „Instalace / Technické udaje / Tabulka udaju").
Naśroubujte na dvojitou vsuvku tvarovku T a 3cestny kulovy uzaviraci ventil, pritom použijte ploché tésněni.

Vécné skody
3cestny kulovy uzaviraci ventil na privodu studené vody se nesmi použivat k omezovani prutoku.
Montáz pristroje

Pro snazs monta zatae kabelovou pruchodku horni elektricke pripojky zezadu do zdni steny.
Z vodovodnich pripojek odstraţe ochrannă transportni včka.
Vyjměte upevnovaci páčku z horního dílu zadní stěny.
Zavedte privodni kabel zezadu kabelovou pruchodkou tak, aby pruchodka prilnula k plasti kabelu. Vyrovnejte privodni kabel.
Je-li pruñez privodniho kabelu >6mm^2 , zvetsete otvor v ka-belove pruchodce.
Zatlacte pristroj na zavitovy svornik v zavešení na stenu, aby doslo k proraženi mekkého těsněni. Pripadne použijte sroubovák.
Nasadte upevnovaci pačku na zavitový svorník zavešeni na zed.
Zadni stenu pevně pritiskněte. Upevnovaci otočnou pačku zajistěte otočením doprava o 90^ .

Prisrobujte potrubi s plochym tseznim na dvojitie vsuvky.
Vecné skody Zduvodu fun
Zkontrolujte pri vymene pristroje, zda je k dispozici sitko.
INSTALLACE
Uvedeni do provozu
Připojeni privodu elektrické energia

VYSTRAHA elektricky proud
Veskera elektricka zapojeni a instalace provadje podle prdepisu.

VYSTRAHA elektricky proud
Pripojka k elektrické siti smí být provedena pouze jako pevná pripojka v kombinaci s vyjmatemelnou kabelovou vsuvkou. Pistroj musi být mozné odpojit od sitové pripojky na vsech polech na vzdalenost nejmene 3 mm.

VYSTRAHA elektricky proud
Pamatujte, ze pristroj musi byt pripojen k ochrannemu vodici.

Vécné skody
Dodržujte udaje uvedené na typovem stitku. Uvedené napétí se musi shodovat se sitovym napétim.
Pripojte privodni kabel k sitové svorkovnici (viz kapitolu „instalace / Technicke udaje / Schema elektrického zapojeni").
Montáz spodni cásti zadní stěny

Namontujte spodni dil zadni steny do zadni steny. Zajistete spodni dil zadni steny.
Vyrovnejte namontovaný pristroj povolení m upevnováč páčky, vyrovnejte elektrickou pripojku a zadni stenu a opět utáhněte upevnovaci páčku. Pokud zadni stena pristroje nepilélá, mužete pristroj dole upevit dalšim sroubem.
10.2 Dokončeni montáze
Otevete 3cestny kulovy uzaviraci ventil nebo uzaviraci ventil v privodu studene vody.
11. Uvedeni do provozu

VYSTRAHA elektricky proud Uvedeni do provozu smi provadet pouze specializovany odbornik pri dorzeni bezpechnostnich predpisu.
11.1 První uvedeni do provozu

Otevretae uzavretene nekolikratsvechny pripojene odbe ventily, dokud nebudou Rozvodn a sit a pristroj odvdusnene.
Provedte kontrlu teshosti.
Aktivujte bezpečnostni omezovac tlaku pri hydraulickem tlaku pevnym stisknutim resetovaciho tlacitka (pristroj se dodávas deaktivovaném bezpečnostnimi omezovacem tlaku).
Pripojte konektor kabelu snimace pozadované hodnoty k elektronickemu systemu.
Namontujte kryt pristroje. Ovebre usazen i vika pristroje.
Upevnete viko pristroje srouby.
Zapnete napajeni ze site.
Provede kalibraci teploty. Otocte regulator teploty až na doraz doprava a doleva.
Z displeje ovladace odstrahte ochrannou folii.
Zkontrolujte funkci pristroje.
Pridani pristroje
Vysvětlete uživateli funkci prístroje aseznámte ho se zpúsobem jeho uzivaní.
Upozorněte uživatele na mozná rizika, predevím na nebezpeči oparení.
Prideje tento navod.
INSTALACE
Uvedeni mimo provoz
11.2 Opětovné uvedeni do provozu

Vécné skody
Aby nedoslo k poskozeni topneho systemu holou spi-ralou po preruseni dodavky vody, mus se pristroj opet uvest do provozu nasledujicimi kroky.
Odpojte pristroj od napeti vypnutim pojistik.
Otevrete armaturu na dobu jegne minuty, dokud nejsou pristroj a predrazena pripojka studene vody odvdusnene.
Opět zapnéte napajeni ze sítě.
12. Uvedeni mimo provoz
Odpojte pistroj na vsech polech od site.
Vypustte vodu z pristroje (viz kapitola „Instalace / Üdržba / Vypusteni pristroje").
13. Alternativymontáze
Rozfrznefte kabelovou pruchodku pro privodni kabel.
Stlacte dolu hackovou pojistku k upevneni sitove svorkovnice. Vytahnete sitovou svorkovnici.
Premiste privodni sitovou svorku v priestroji zespodu naho ru. Upevnete svorku privodniho kabelu jejim nasunitim pod upevnovaci hacek.
Vedte pripojovaci vodic pod vedenim pro vodic.
13.4 Pripojen zatezového relé
Zatezovre relé pouziveje v kombinaci s jinymi elektrickymi pristroji v elektrickem rozvodu, napriklad s elektrickymi akumulacnimi ohrivac. K yvpnuti zateze dochazpi provozu prutokovoho ohrivace.

Vécné skody
Pripojte fazi, ktera spina zatezovre rele, k oznacene svorce sifove svorkovnice v pristroji (viz kapitolu „Instalace / Technické udaje / Schemata elektrického zapojeni").
13.5 Vodovodni instalace na zdi

Upozorneni
Při totom zpúsobu pripojeni se měni krytī prístroje.
Provedezmenu na typovem stitku. Preskrtnete udaj IP 25 a oznacte krizkem policek O 24. K tomuto ucelu pouzijte propisku.

Namontujte vodovodni zatku s tsesnim tak, aby doslo k uza
vreni privodu pod omitkou. U armatur z „prislustensti" jsou
zaty a tsesnii soucasti dodavky. Pro jine nez doporučene
tlakovi armatury lze objednat vodni zatky a tsesnii jako
„prislustenvi".
Namontujte vchodnou tlakovou armaturu.
Vlozte zadni spodni dil pod pripojovac trubky armatury a 4zasunte do zadni steny.
Pripojovaci trabky sesroubujte s tvarovkou T a 3cestnym kulovym uzaviracim ventilem.
Pomoci prisluesentvi, pajena pripojka" nebo „lisovaci fitink" napojte medene trabky nebo také plastove trabky.
V pripadé „pajéné pripojky" se sroubovym pripojenim na medené trabky 12 mm je nutné postupovat následovné:
Nasadte na privodni potrubi prevlecné matice.
Spajeje vlozené díly s medénym rozvodem.
Vlozte zadni spodni dil pod pripojovaci trubky armatury azasunte do zadni steny.
Pripojovaci trabky sesroubujte s tvarovkou T a 3cestnym kulovym uzaviracim ventilem.

Upozorneni
Dodržujte poukny výrobce armatury.
13.7 Vodovodni instalace na zdi, montáž vika pristroje

2 2
1 Vodici privky na zadni stranu
2 Sroub
3 Vodicici pruchodky vika
4 Pruchozztovor
Vylomte pruchoz otvory ve viku priestroje. V priapde potreby pouzijte pilnik.

Upozorneni
Pri mirnem presazenipripojovacich trubek muzete pouzit vodicici prky vika.
Při většim presazení pripojovacích trubek neinstalujte vodici privky zadné stěny.
Pri montazi pripojovacich trubek bez presazeniyvlomte chlopne vodicich prkukva.
Nasadte pruchodky vika do otvoru pro pruchodky.
- Nasadte vodici prky zadni steny na trabky. Nasuunte je k sobe. Nakonec posuunte vodici prky az nadoraz k zadni stene.
Upevnézadni stenu dole pomoci sroubu.
Pokud používate pruzná privodni vedeni vody, zabraťe poštočeni kolen (bajonetová spojení v pristroji).
INSTALLACE
Alternative montáze
13.8 Montáž spodniho dílu zadné stěny pri provedeni se závitovou prípojkou na zdi
Pri pouziti sroubovych pripojeni nad omitkou (AP) Ize spodni dil zadni steny namontovat i po upevneni armatury. Postupujte takto:
Rozirznete spodni dil zadnsteny.
Namontujte spodni dil zadni steny tak, ze ho po stranach ohnete a povedete pres trubku na omitce.
Zezadunasadte spojkydo spodniho diluzadnsteny.
Zatlacte spodni dil zadn i steny do zadni steny.
Upevnete spodni dil zadni steny sroubem.

1 Zadni strana - spodni dil
2 Dodané spojky
3 Sroub
13.9 Zavěsení na zed'pri výměne prístroje
Stavajici zaveşeni na zed'od vyrobce STIEBEL ELTRON mužete pouzit pri vymene pristroje (vyjimkou je prutokov ohrivac DHF).
Prorazte zadni stenu pristroje pro zavitovy svornik na jiz na montovanem zaveseni na zd.
Vymena prutokového ohrivace DHF

Zmeinte polohu zavitoveho svorniku na zavešeni na zed' (zavitovy svornik ma samořzný zavit).
Otocte zaveseni nazed'o 180^ a namontujte je na stenu (popiska DHF je ve spravne poloze ke cteni).
13.10 Instalace na prëdsazených obklaadech

1 Minimálni opérna plocha pristroje
2 Maximalni presazenio obkladu
Nastavte vzdalenost od steny. Zadni stenu zajistete upevnovaci otočnou pakkou (otočeni doprava o 90^ ).
Při montáži pod odběrné misto lze víko prístroje otočit.

Vyjměte ovladaci Jednotku z vika pristroje. Za tímtu ucelem stisknéte zajišťovaci háčky.
Otocte viko pristroje. Znovu zaklapnete ovladaci Jednotku. Pritom musi vsechny zajistovaci hacky zaskocit. Pro snadnejsi montaz ovladaci Jednotky zatlachte proti vnitri strane vika pristroje ve srafované oblasti.
Věcné škody
Ovladaci Jednotka s vadinymi zajistovacimi hacky se nesmi instalovat. Neni tak zajistena bezpečnost.
Zapojte kabel snímáče požadované hodnoty k elektronicému systému (viz kapitolu „Instalace / Uvedeni do provozu / První uvedeni do provozu").
Viko pristroje zaveste nahore. Viko pristroje sklopte dolu na zadni stenu a pritlacte je az do slysitnelho zacvaknuti.
Prisroubujte viko pristroje.
13.12 Omezeni teploty/ochrana prd oparenim
Maximalíomezeni teploty lze nastavit na ovladacim prvku ve viku pristroje na 43^ . K tomu jsou nezbytné nasledujici kroky:
Sejměte kryt prístroje.
Vyjměte elektronickou desku z ovladaciho prvku ve viku pri-stroje. Pritom davejte pozor na upevnovaci haky.
Presunte zastrcku zleva doprava (poloha ^43^^
Znovu vlozte ovladaci prvek, zajistovaci hacky musi zaskocit. Dbejt peitom na polohu knofliku a osy.

POZOR popaléní
Za provozu s predehratou vodou mohou byt nastaveny omezovač teploty nebo ochra nač opařenim neucinné.
V takovem pripeade omezte teplotu na predrazenene centralni termostaticke armature, viz kapitola „Instalace / Popis pristroje / Prislusenstvi".

14. Odstrańovani poruch

VYSTRAHA elektricky proud Pokud chcete provest kontrolu pristroje, musi byt pristroj pripojen k sitovemu napeti.
Možnosti zobrazení informaci na diagnostické listě (LED)
| ● | červená svítí prí poruše | |
| žlute svítí prí ohřivání | ||
| zelená bliká: Přístroj prípojený k sítí | ||
| Porucha/stav diagnostické kontrolky LED Príchina Odstraněni | ||
| Prístroj nezapíná. Ve sprchovaci hlavici/v perlátorech se usadil vodníkámě. | Odstraťvevodní kámen nebo vyměěnte sprchovác hlavici/perlátory. | |
| Prútok je přilíš nizký. Sítko v prístroji je znečišné. Vyčistěte sítko. | ||
| Nelze dosáhnout požadované teploty. | Výpadek{jedné fáze. | Zkontrolujte pojistky vnitřné instalace. |
| Topeni se vypne. | Detekce vduchu zjistila vduch ve vodě. Topný vykon se nakrátko vypne. | Přístroj se za minutu opět zapné. |
| ● | Žádná tepla voda, kontrolky nesvítí. | Vypnuly pojistky. |
| Bezpečnostní omezováč tlaku provedl vypnutí. | ||
| Odstraťne príčinu závady (např. vadné tlakové pro-plachováci zařizení). | ||
| Chraťne systém ohřevu prěd prehřívaním tím, ze na{jednu minutu otevřete odběrný ventil za prístrojem.Z topného systému tak bude vypušěn tlak a dojdék ochlazení. | ||
| Aktivujte bezpečnostní omezováč tlaku prí hydraulickém tlaku stisknutím tlacitka reset, viz těž kapitola „Instalace / Uvedné do provozu / První uvedné do provozù". | ||
| Závada elektronického systému. | ||
| Zkontrolujte elektroniku, prípadné provedte výmě- nu. | ||
| ● | Kontrolу: bliká zelenáŽádná tepla voda prí prútoku>3 l/min. | Snímač prútoku DFE není prípojen. |
| Prípoje konekter snímače prútoku. | ||
| Zkontrolujte snímač prútoku, prípadné jej vyměěnte. | ||
| Nelze dosáhnout požadované teploty. | Snímač požadované hodnoty nebo spojováci kabel jsouposkozené nebo není spojováci kabel zapojen. | |
| Je aktivován omezováč teploty. | ||
| ● | Kontrolу: svítí Žlute, bliká zelenáŽádná tepla voda prí prútoku>3 l/min. | Byl aktivován bezpečnostní omezováč teploty STB, nebodóšlo k prěrušení. |
| Topný systém je vadný. | ||
| Závada elektronického systému. | ||
| ● | Kontrolу: Žlute svítí, zelená blíká | Vadný vystupní senzor. |
| NeníDosažena nastavenáteplota. | Prístroj dosahuje hranice svého vykonu. | |
| ● | Kontrolу: Červená svítí, zelená blíká | Vadný vystupní senzor. |
| Neteče tepla voda | Snímačstudenté vody je vadný. | |
| Není Dosaženo požadované teploty >45°C. | Teplota prívádené studenté vody je vyšínež 45°C. | |
15. Udržba

VYSTRAHA elektricky proud
Pri vsech cinnostech odpoje pristroj na vsech polech od site.
Vypusteni pristroje
K provaděni udrzbovych prací muzete pristroj vypustit.

VYSTRAHA popaleni PriVyprazdneni pristroje muze vytek horka voda.
Zavre 3cestny uzaviraci ventil nebo uzaviraci ventil v privo du studené vody.
Otevretvechny odbernenventyil.
Odpojte od pristroje vodovodni pripojky.
Demontovany pristroj skladujte tak, aby byl chr'anen pre d mrazem. Pripadne zbytky vody v pristroji mohou zmrznout a zpusokit skody.
Vycisteni sitka
V pripadé znečistěni ocistěte sitko ve sroubení prípojky studéné vody. Uzavrète 3cestné uzaviraci ventil nebo uzaviraci ventil v pri-vodu studéné vody, než sitko vyjmete, ocistěte a opět namontujete.
16. Technické udaje
| DHB-E SLi | |||
| b02 | Pruchodka el. Rozvodu I | ||
| b03 | Pruchodka el. vodiču II | ||
| c01 | Prítok studené vody | Vnější závit | G 1/2 A |
| c06 | Výtok teplé vody | Vnější závit | G 1/2 A |
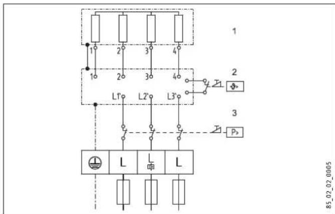
16.2 Schéma elektrického zapojeni

3/PE 380 - 415V
1 Topná telesa
2 Bezpečnostní imezováč teploty
3 Bezpečnostní omezovac tlaku

Predrazeny spinae s LR 1-A
1 Rídici vodičke steykáči 2.pristroje (např. elektrické zařizení k ohřevu zásobníků).
2 Rídici kontakt, ktery se otevre po zapnuti prútokového ohrivace.
16.3 Vykon teplé vody
Vykon teplé vody závisi na napétí sîte, prikonu pristroje a teploš pritoku studéne vody. Jmenovite napétí a jmenovity vykon najdete na typovém stitku (viz kapitola „Obsluha / Odstrǎnováni problemu").
Příkon v kW 38°C vykon teplé vody v U/min. Jmenovite napétí Teplata privádené studené vody
16.4 Oblast použití / Převodní tabulka
Merny elektricky odpor a erna elektricka vodivost (viz kapitola,Instalace / Tabulka s technickymi udaji").
| Udaj podle normy | ||||||||
| pri 15 °C | 20 °C | 25 °C | ||||||
| odpor | Vodivost σ ≤ odpor | Vodivost σ ≤ odpor | Vodivost σ ≤ | |||||
| ρ ≥ | ρ ≥ | ρ ≥ | ρ ≥ | |||||
| ≥ Ωcm | mS/m | μS/cm | ≥ Ωcm | mS/m | μS/cm | ≥ Ωcm | mS/m | μS/cm |
| 900 | 111 | 1111 | 800 | 125 | 1250 | 735 | 136 | 1361 |
| 1000 | 100 | 1000 | 890 | 112 | 1124 | 815 | 123 | 1227 |
| 1100 | 91 | 909 | 970 | 103 | 1031 | 895 | 112 | 1117 |
| 1200 | 83 | 833 | 1070 | 93 | 935 | 985 | 102 | 1015 |
| 1300 | 77 | 769 | 1175 | 85 | 851 | 1072 | 93 | 933 |
16.5 Ztraty tlaku
Armatury
| Tlakova ztrátá armatur prí objemovém prútoku 10 L/min | ||
| Páková baterie cca | MPa | 0,04 - 0,08 |
| Termostatická armatura, cca | MPa | 0,03 - 0,05 |
| Sprchovaci hlavice, cca | MPa | 0,03 - 0,15 |
Dimenzováni potrubní sítě
K výpočtu dimenzováni potrubné sítě je pro prístroj doporučena tlaková ztrát 0,1 MPa.
16.6 Podminky v priapé poruchy
V priapde poruchy muze v instalaci kraktodobe vzniknout zatizeni maximalne 95^ pri tlaku 1,2 MPa.
16.7 Potvrzeni a osvedceni platna v jegnotlivych zemich: Nemecko
K pristroji je vydano na základě mistrích stavebních predpisù vše-obecné osvedčeni stavebniho dozoru jako potvrženi o použitelnosti z hlediska hlucnosti.

16.8 Udaje ke spotbrebě energie
Udaje o vyrobku odpopvidaji naizhenim EU ke smernici o ekodesignu vyrobku v souvislosti se spotrebou energie (ErP).
| DHB-E 11 SLi | DHB-E 13 SLi | DHB-E 18 SLi 25 A | DHB-E 18/21/24 SLi | DHB-E 27 SLi | |
| 232013 | 232014 | 232015 | 232016 | 232017 | |
| Výrobce | STIEBEL ELTRON | STIEBEL ELTRON | STIEBEL ELTRON | STIEBEL ELTRON | STIEBEL ELTRON |
| Zátežový profil | S | S | S | S | S |
| Trída energetické Účinnosti | A | A | A | A | A |
| Rocné spotřeba el. energia | kWh | 472 | 472 | 477 | 477 |
| Energetická Účinnost | % | 39 | 39 | 39 | 39 |
| Nastavení teploty od výrobce | °C | 60 | 60 | 60 | 60 |
| Hladina akustického výkonu | dB(A) | 15 | 15 | 15 | 15 |
| Zvlástné pouky k měrení Účinnosti | žádné | žádné | žádné | Udaje pri Pmax. |
16.9 Tabulka udajü
| DHB-E 11 SLi DHB-E 13 SLi DHB-E 18 SLi | 25 A | DHB-E 18/21/24 SLi | DHB-E 27 SLi | ||||||||||||||||
| 232013 | 232014 | 232015 | 232016 | 232017 | |||||||||||||||
| Elektrotechnické udaje | |||||||||||||||||||
| Imenovité napétí | V | 380 | 400 | 415 | 380 | 400 | 415 | 380 | 400 | 415 | 380 | 400 | 415 | 380 | 400 | 415 | 380 | 400 | 415 |
| Imenovitý výkon | kW | 10,1 | 11 | 12,2 | 13,5 | 14,5 | 16,2 | 18 | 19,4 | 16,2/19/21,7 | 18/21/24 | 19,4/22,6/25,8 | 24,4 | 27 | |||||
| Imenovitý proud | A | 15,4 | 16 | 18,5 | 19,5 | 20,2 | 24,7 | 26 | 27 | 27,6/29,5/33,3 | 29/31/35 | 30,1/32,2/36,3 | 37,1 | 39 | |||||
| Ištěné | A | 16 | 16 | 20 | 20 | 20 | 25 | 25 | 32 | 32/32/35 | 32/32/35 | 32/32/40 | 40 | 40 | |||||
| Fáze | 3/PE | 3/PE | 3/PE | 3/PE | 3/PE | ||||||||||||||
| Frekvence | Hz | 50/60 | 50/60 | 50/60 | 50/60 | 50/- | 50/60 | 50/60 | 50/- | 50/60 | 50/60 | 50/- | 50/- | 50/- | 50/- | 50/- | 50/- | 50/- | |
| Specifický odpor ρ15 ≥ (prijøstudené ≤25 °C) | Ω cm | 900 | 900 | 1000 | 900 | 900 | 1000 | 900 | 900 | 1000 | 900 | 900 | 1000 | 900 | 900 | 900 | 900 | 1000 | |
| Mérna vodivost σ15 ≤ (prijøstudenä ≤25 °C) | μS/cm | 1111 | 1111 | 1000 | 1111 | 1111 | 1000 | 1111 | 1111 | 1000 | 1111 | 1111 | 1000 | 1111 | 1111 | 1111 | 1111 | 1000 | |
| Specifický odpor ρ15 ≥ (prijøstudené ≤45 °C) | Ω cm | 1200 | 1200 | 1300 | 1200 | 1200 | 1300 | 1200 | 1200 | 1300 | 1200 | 1200 | 1300 | 1200 | 1200 | 1200 | 1300 | 1300 | |
| Mérna vodivost σ15 ≤ (prijøstudenä ≤45 °C) | μS/cm | 833 | 833 | 770 | 833 | 833 | 770 | 833 | 833 | 770 | 833 | 833 | 770 | 833 | 833 | 770 | 833 | 833 | 770 |
| Max. impedance sítě prí 50 Hz | Ω | 0,379 | 0,360 | 0,347 | 0,284 | 0,270 | 0,260 | 0,254 | 0,241 | ||||||||||
| Přípojky | |||||||||||||||||||
| Vodovodní prípojka | G 1/2 A | G 1/2 A | G 1/2 A | G 1/2 A | G 1/2 A | ||||||||||||||
| Meze použitelnosti | |||||||||||||||||||
| Max. dovoléný tlak | MPa | 1 | 1 | 1 | 1 | 1 | |||||||||||||
| Max. teplata prítoku pro doda-tečné ohřev | °C | 45 | 45 | 45 | 45 | 45 | |||||||||||||
| Hodnoty | |||||||||||||||||||
| Max. povolená vystupné teplata vody | °C | 60 | 60 | 60 | 60 | 60 | |||||||||||||
| Zap. | l/min. | >3,0 | >3,0 | >3,0 | >3,0 | >3,0 | |||||||||||||
| Objemový průtok pro tlakovou ztrátu | l/min. | 3,1 | 3,9 | 5,2 | 5,2/6,0/6,9 | 7,7 | |||||||||||||
| Tlakové ztráty prí objemověm průtoku | MPa | 0,07 (0,02 bez DMB) | 0,11 (0,03 bez DMB) | 0,08 (0,06 bez DMB) | 0,08/0,10/0,13 (0,06/0,08/0,10 bez DMB) | 0,16 (0,12 bez DMB) | |||||||||||||
| Omezení průtoku prí | l/min. | 4,0 | 4,0 | 7,5 | 7,5/7,5/8,5 | 8,5 | |||||||||||||
| Výkon teplé vody | l/min. | 5,6 | 6,9 | 9,2 | 9,2/10,7/12,3 | 13,8 | |||||||||||||
| Δθprí výkonu teplé vody | K | 28 | 28 | 28 | 28 | 28 | |||||||||||||
| Üdaje o hydraulickém systému | |||||||||||||||||||
| Imenovitý objem | l | 0,4 | 0,4 | 0,4 | 0,4 | 0,4 | |||||||||||||
| Provedení | |||||||||||||||||||
| Volitelný príkón | X | ||||||||||||||||||
| Nastavení teploty | °C | 30 - 60 | 30 - 60 | 30 - 60 | 30 - 60 | 30 - 60 | |||||||||||||
| Třida krytí | 1 | 1 | 1 | 1 | 1 | ||||||||||||||
| Izolační blok | plast | plast | plast | plast | plast | ||||||||||||||
| Zdroj teplá topného systému | holá spirálá | holá spirálá | holá spirálá | holá spirálá | holá spirálá | ||||||||||||||
| Víko a zadní stěna | plast | plast | plast | plast | plast | ||||||||||||||
| Barva | bílá | bílá | bílá | bílá | bílá | ||||||||||||||
| Krytí (IP) | IP25 | IP25 | IP25 | IP25 | IP25 | ||||||||||||||
| Rozměry | |||||||||||||||||||
| Výška | mm | 478 | 478 | 478 | 478 | 478 | |||||||||||||
| Šířka | mm | 225 | 225 | 225 | 225 | 225 | |||||||||||||
| Hloubka | mm | 105 | 105 | 105 | 105 | 105 | |||||||||||||
| Hmotnosti | |||||||||||||||||||
| Hmotnost | kg | 3,6 | 3,6 | 3,6 | 3,6 | 3,6 | |||||||||||||
Záruka
Pro pristroje nabyte mimo uzemi Nemecka neplatzi zaručni podmíky poskytované našimi firmami v Nemecku. V zemich, ve kterych některá z nasich dceřiních společností distribuujene naš výrobky, poskytuje zaruken jenom tato dceřina společnost. Takovou zaruku lze poskytnout pouze tehdy,Pokud dceřiná společnost vydala vlastné zaručni podmíky. Jinak nelze zaruku poskytnout.
Na pristroje zakoupene v zemich, ve kterych nejsou nase yrobky distribuovany zdnou z dceirinych spolecnosti, neposkytujeme zdnou zaruku. Pripadne zaruky zavazne prislibene dovozcem zustavaji proto nedotcené.
Zivotni prostreia recyklace
Pomozte nám chránit naseživotní prostředí. Materialy po použití zlikvidujte v souladu s platnymi národními prédpisy.
Deutschland
info@stiebel-eltron.cz
www.stiebel-eltron.cz
Finland
STIEBEL ELTRON OY
Kapinakuja 1 | 04600 Mntsälä
Tel. 020 720-9988
info@stiebel-eltron.fi
www.stiebel-eltron.fi
France
STIEBEL ELTRON SAS
SnadnýManuál