DHBE 13 SLi electronic - Elektrický ohřívač vody STIEBEL ELTRON - Bezplatný návod k obsluze
Najděte návod k zařízení zdarma DHBE 13 SLi electronic STIEBEL ELTRON ve formátu PDF.
Často kladené otázky - DHBE 13 SLi electronic STIEBEL ELTRON
Dotazy uživatelů ohledně DHBE 13 SLi electronic STIEBEL ELTRON
0 otázka o tomto zařízení. Odpovězte na ty, které znáte, nebo položte vlastní.
Položte novou otázku o tomto zařízení
Stáhněte si návod pro váš Elektrický ohřívač vody ve formátu PDF zdarma! Najděte svůj návod DHBE 13 SLi electronic - STIEBEL ELTRON a vezměte svůj elektronický přístroj zpět do rukou. Na této stránce jsou zveřejněny všechny dokumenty potřebné k používání vašeho zařízení. DHBE 13 SLi electronic značky STIEBEL ELTRON.
NÁVOD K OBSLUZE DHBE 13 SLi electronic STIEBEL ELTRON
- Obecné pokyny 98
1.1 Bezpečnostní pokyny 98
1.2 Jiné symboly použité v této dokumentaci ____ 98
1.3 Měrné jednotky ____ 98 - Bezpečnost 98
2.1 Správné používání 98
2.2 Všeobecné bezpečnostní pokyny ____ 98
2.3 Kontrolní symbol 99 - Popis přístroje 99
- Obsluha 99
4.1 Doporučená nastavení 99
4.2 Omezení teploty/ochrana před opařením ____99 - Čištění, péče a údržba 100
- Odstranění problémů 100
INSTALACE
- Bezpečnost 101
7.1 Všeobecné bezpečnostní pokyny ____ 101
7.2 Předpisy, normy a ustanovení ____ 101 - Popis přístroje 101
8.1 Rozsah dodávky 101
8.2 Příslušenství 101 - Příprava 102
9.1 Místo montáže 102
9.2 Vodovodní instalace 102
9.3 Přístroj s volitelným příkonem 103 - Montáž 103
10.1 Standardní montáž 103
10.2 Dokončení montáže 105 - Uvedení do provozu 105
11.1 První uvedení do provozu 105
11.2 Opětovné uvedení do provozu 106 - Uvedení mimo provoz 106
-
Alternativy montáže 106
13.1 Elektrická přípojka nahoře pod omítkou 106
13.2 Elektrická přípojka na zdi ____ 106
13.3 Velké průřezy vodičů pro elektrickou přípojku dole ____ 106
13.4 Připojení zátěžového relé 107
13.5 Vodovodní instalace na zdi 107
13.6 Vodovodní instalace na zdi s pájenou přípojkou / lisovacím fitinkem 107
13.7 Vodovodní instalace na zdi, montáž víka přístroje ____ 107
13.8 Montáž spodního dílu zadní stěny při provedení se závitovou přípojkou na zdi ____ 108
13.9 Zavěšení na zed' při výměně přístroje 108
13.10 Instalace na předsazených obkladech ____ 108
13.11 Otočené víko přístroje ____ 108
13.12 Omezení teploty/ochrana před opařením ____ 109 -
Odstraňování poruch 110
- Údržba 111
- Technické údaje 111
16.1 Rozměry a přípojky 111
16.2 Schéma elektrického zapojení 111
16.3 Výkon teplé vody 112
16.4 Oblast použití / Převodní tabulka 112
16.5 Ztráty tlaku 112
16.6 Podmínky v případě poruchy 112
16.7 Potvrzení a osvědčení platná v jednotlivých zemích: Německo 113
16.8 Údaje ke spotřebě energie 113
16.9 Tabulka údajů 114
ZÁRUKA
ŽIVOTNÍ PROSTŘEDÍ A RECYKLACE
ZVLÁŠTNÍ POKYNY
- Přístroj smí používat děti od 8 let a osoby se sníženými fyzickými, senzorickými nebo mentálními schopnostmi nebo s nedostatkem zkušeností a znalostí pouze pod dozorem nebo po poučení o bezpečném používání přístroje, a poté, co porozuměly nebezpečí, které z jeho používání plyne. Nenechávejte děti, aby si s přístrojem hrály. Čištění a údržbu, kterou má provádět uživatel, nesmí provádět děti samostatně bez dozoru.
- Nebezpečí popálení: Armatura může dosáhnout teploty vyšší než 60 °C.
- Přístroj musí být možné odpojit od síťové přípojky na všech pôlech na vzdálenost nejméně 3 mm.
- Upevněte přístroj způsobem popsaným v kapitole „Instalace / Montáž“.
- Dodržujte maximální dovolený tlak (viz kapitola „Instalace / Technické údaje / Tabulka s technickými údaji“).
- Vypustte prístroj způsobem podle popisu v kapitole „Instalace / Údržba / Vypuštění prístroje“.
OBSLUHA
1. Obecné pokyny
Kapitoly „Zvláštní pokyny“ a „Obsluha“ jsou určeny uživatelům přístroje a instalačním technikům.
Kapitola „Instalace“ je určena instalačním technikům.

Upozornění
Dříve, než zahájíte provoz, si pozorně přečtěte tento návod a pečlivě jej uschovejte.
Případně předejte návod dalšímu uživateli.
1.1 Bezpečnostní pokyny
1.1.1 Struktura bezpečnostních pokynů

Zde jsou uvedeny možné následky nedodržení bezpečnostních pokynů.
Zde jsou uvedena opatření k odvrácení nebezpečí.
1.1.2 Symboly, druh nebezpečí
Symbol Druh nebezpečí

Úraz

1.1.3 Uvozující slova
| UVOZUJÍCÍSLOVO | Význam |
| NEBEZPEČÍ Pokyny, jejichž nedodržení má za následek vážné nebosmrtelné úrazy. | |
| VÝSTRAHA Pokyny, jejichž nedodržení může mít za následek vážnénebo smrtelné úrazy. | |
| POZOR Pokyny, jejichž nedodržení může mít za následek středněvážné nebo lehké úrazy. | |
1.2 Jiné symboly použité v této dokumentaci

Upozornění
Obecné pokyny jsou označeny symbolem zobrazeným vedle.
▶ Texty upozornění čtěte pečlivě.
Symbol Význam

Věcné škody
(poškození přístroje, následné škody, škody na životním prostředí)

Likvidace prístroje
▶ Tento symbol vás vyzývá k určitému jednání. Potřebné úkony jsou popsány po jednotlivých krocích.
1.3 Měrné jednotky

Upozornění
Pokud není uvedeno jinak, jsou všechny rozměry uvedeny v milimetrech.
2. Bezpečnost
2.1 Správné používání
Přístroj slouží k ohřevu pitné vody nebo následnému ohřevu předhřáté vody. Může zásobovat jedno nebo několik odběrných míst.
Přístroj je určen k použití v domácnostech. Mohou jej tedy bezpečně obsluhovat neškolené osoby. Lze jej používat i mimo domácnosti, např. v drobném průmyslu, pokud způsob použití v takových oblastech odpovídá určení přístroje.
Jiné použití nebo použití nad rámec daného rozsahu je považováno za použití v rozporu s určením. K použití v souladu s určením patří také dodržování tohoto návodu a návodů k použivanému příslušenství.
2.2 Všeobecné bezpečnostní pokyny

POZOR popálení
Armatura může za provozu dosáhnout teploty vyšší než 60 °C.
Pokud je výstupní teplota vyšší než 43 °C hrozí nebezpečí opaření.

POZOR popálení
Teplota teplé vody se může za provozu s předehřátou vodou, např. ze solárního systému, lišit od nastavené požadované teploty.

VÝSTRAHA úraz
Přístroj smí používat děti od 8 let a osoby se sníženými fyzickými, senzorickými nebo mentálními schopnostmi nebo s nedostatkem zkušeností a znalostí pouze pod dozorem nebo po poučení o bezpečném používání přístroje, a poté, co porozuměly nebezpečí, které z jeho používání plyne. Nenechávejte děti, aby si s přístrojem hrály. Čištění a údržbu, kterou má provádět uživatel, nesmí provádět děti samostatně bez dozoru.

Věcné škody
Uživatel musí přístroj a armaturu chránit před mrazem.
2.3 Kontrolní symbol
Viz typový štítek na přístroji.
3. Popis prístroje
Elektronicky regulovaný průtokový ohřívač udržuje stálou výstupní teplotu nezávisle na teplotě přítoku až na hranici výkonu.
Přístroj ohřívá vodu přímo u odběrného místa, jakmile dojde k otevření teplovodního ventilu na armatuře. Vzhledem ke krátkým rozvodům vznikají malé ztráty energie a vody.
Spínací průtok viz kapitola „Instalace / Technické údaje / Tabulka údajů, Zap“.
Výkon ohřevu vody závisí na teplotě studené vody, topném výkonu, průtokovém množství a nastavené požadované teplotě.
Pokud je překročena maximální teplota přítoku pro následný ohřev, k následnému ohřevu nedochází.
Teplota teplé vody
Výstupní teplotu vody můžete plynule nastavovat.
Omezení teploty/ochrana před opařením
Maximální výstupní teplota může být na přístroji omezena na 43 °C. Kontaktujte svého specializovaného technika.
Topný systém
Topný systém s holou spirálou je vybaven plastovým tlakovým pláštem. Topný systém je vhodný pro méně tvrdou i tvrdou vodu a je v široké míře necitlivý vůči zavápnění. Topný systém zajišťuje rychlou a účinnou přípravu teplé vody.

Upozornění
Přístroj je vybaven zařízením, které rozpoznává, zda je v systému vzduch. Tím je zabráněno poškození topného systému. Pokud se za provozu dostane do přístroje vzduch, přístroj vypne na jednu minutu topný výkon a chrání tak topný systém.
4. Obsluha

gauge
| Value | |---| | 45 | | 50 | | 55 | | 60 |26_02_02_1381
▶ Otočte nastavovací tlačitko teploty do požadované polohy.
Pokud je armatura v odběrném místě zcela otevřená a byla nastavena maximální teplota, a přitom není dosaženo dostatečné výstupní teploty, znamená to, že systémem protéká více vody, než je schopno topné těleso ohřát.
Průtok snižte na armatuře.
4.1 Doporučená nastavení
Armatura termostatu
Pokud provozujete přístroj s armaturou s termostatem, doporučujeme nastavit teplotu na přístroji na maximální teplotu. Požadovanou teplotu pak nastavte na armatuře s termostatem.
Po prerušení prívodu vody

Věcné škody
Aby nedošlo k poškození topného systému s holou spirálou po přerušení dodávky vody, musí se přístroj opět uvést do provozu následujícími kroky.
▶ Odpojte přístroj od napětí vypnutím pojistek.
▶ Otevřete armaturu na dobu jedné minuty, dokud nejsou přístroj a předřazená přípojka studené vody odvzdušněné.
▶ Opět zapněte napájení ze sítě.
4.2 Omezení teploty/ochrana před opařením
Maximální výstupní teplota může být na přístroji omezena na 43 °C. Kontaktujte svého specializovaného technika.
5. Čištění, péče a údržba
▶ Nepoužívejte abrazivní čisticí prostředky nebo prostředky obsahující rozpouštědla. K ošetřování a údržbě přístroje stačí vlhká textilie.
- Kontrolujte pravidelně armatury. Vodní kámen na výtocích z armatur odstraníte běžnými prostředky k odstranění vodního kamene.
- Odstranění problémů
| Problém Příčina Odstranění | ||
| I když je ventil teplé vody zcela otevřen, přístroj se nezapne. | Došlo k výpadku elektric-kého napájení. | Zkontrolujte pojistky vnitřní instalace. |
| Perlátor v armatuře nebo sprchová hlavice jsou za-neseny vodním kamenem nebo jsou znečištěné. | Vyčistěte perlátor nebo sprchovou hlavici a zbav-te je vodního kamene. | |
| Během odběru teplé vody protéká krátkodobě stu-dená voda. | Zařízení rozpoznalo ve vodě vyšší obsah vzduchu a krátkodobě přerušilo ohřev. | Přístroj se za 1 minutu opět samočinně zapne. |
| Není dosaženo požado-vané teploty > 45 °C. | Byla přerušena dodávka vody. | Přístroj a přípojku stu-dené vody odvzdušněte (viz kapitola „Obsluha /Doporučená nastavení /Po přerušení dodávky vody“). |
| Teplota přítoku studené | vody > 45 °C. | Snižte teplotu přítoku studené vody. |
Pokud nelze příčinu odstranit, kontaktujte odborníka. K získání lepší a rychlejší pomoci sdělte číslo z typového štítku (000000-0000-000000).

text_image
D-3-E... SLI No.: 000000-0000-000000INSTALACE
7. Bezpečnost
Instalaci, uvedení do provozu, údržbu a opravy přístroje smí provádět pouze odborník.
7.1 Všeobecné bezpečnostní pokyny
Řádnou funkci a spolehlivý provoz lze zaručit pouze v případě použití původního příslušenství a originálních náhradních dílů určených pro tento přístroj.

Věcné škody
Dodržujte maximální přípustnou teplotu přitoku (viz kapitola „Instalace / Technické údaje / Tabulka s technickými údaji“). Při vyšších teplotách může dojít k poškození přístroje. Instalací centrální termostatické armatury (viz kapitolu „Instalace /Popis přístroje /Příslušenství“) můžete omezit teplotu přitoku.
7.2 Předpisy, normy a ustanovení

Upozornění
Dodržujte všechny národní a místní předpisy a ustanovení.
- Krytí IP 25 (ochrana proti stříkající vodě) je zaručeno pouze v případě odborně instalované kabelové průchodky.
- Měrný elektrický odpor vody nesmí být menší než hodnota uvedená na typovém štítku. V případě propojení několika vodovodních sítí vezměte v úvahu nejnižší elektrický odpor vody (viz kapitolu „Instalace / Technické údaje / Tabulka s technickými údaji“). Hodnoty měrného elektrického odporu vody nebo elektrické vodivosti vody zjistíte u vašeho dodavatele vody.
8. Popis prístroje
8.1 Rozsah dodávky
Spolu s přístrojem je dodáváno:
- Zavěšení na zed'
- Montážní šablona
- 2 dvojité vsuvky
- Třícestný kulový uzavírací ventil studené vody
- Tvarovka T na teplou vodu
- plochá těsnění
- sítko
- Omezovač průtoku
- plastová tvarovka
- plastové spojovací prvky / montážní pomůcky
- Vodicí prvky na zadní stěnu
8.2 Příslušenství
Armatury
- Jednopáková kuchyňská tlaková armatura MEKD
- Jednopáková vanová tlaková baterie MEBD
Vodovodní zátka G 1/2 A
Pokud používáte jiné tlakové armatury na zdi, než je doporučeno v příslušenství, použijte vodní zátku.
Montážní sada k instalaci na stěnu
- Pájecí šroubení - měděná trubka k připojení pájením ∅ 12 mm
- Lisovací fitink - měděná trubka
- Lisovací fitink – plastová trubka (vhodná pro Viega: Sanfix-Plus nebo Sanfix-Fosta)
Univerzální montážní rám
- Montážní rám s elektrickými přípojkami
Potrubní instalační sada pro přístroje pod umyvadlo
Pokud přípojky vody (G 3/8 A) připojíte nad přístrojem, potřebujete sadu pro odběrné místo.
Instalační sada pro přesazení potrubí
Je-li zapotřebí svislý posun přístroje vůči přípojce vody o 90 mm směrem dolů, použijte tuto sadu trubek.
Potrubní instalační sada k výměně plynového ohřívače vody
Pokud dostupná instalace obsahuje přípojky plynového ohřívače vody (přípojka studené vody vlevo a přípojka teplé vody vpravo), je zapotřebí tato sada trubek.
Potrubní instalační sada pro vodoinstalační spojky DHB
Pokud dostupná instalace obsahuje nástrčné přípojky vody z jednoho DHB, použijte nástrčné spojky na vodu.
Zátěžové relé (LR 1-A)
Zátěžové relé k instalaci do elektrorozvodného systému umožňuje prioritní spínání průtokového ohřívače při současném provozu např. elektrických zařízení k ohřevu zásobníku.
ZTA 3/4 - centrální termostatická armatura
Termostatická armatura pro centrální přípravné směšování vody, například při provozu průtokového ohřívače se solárním systémem.
9. Příprava
9.1 Místo montáže

Věcné škody
Přístroj smí být instalován pouze v místnosti chráněné před mrazem.
▶ Přístroj montujte ve svislé poloze v blízkosti odběrného místa.
Přístroj je vhodný k montáži pod a nad umyvadlo.
Montáž pod umyvadlo

1 Přitok studené vody
2 Výtok teplé vody
Montáž nad umyvadlo

1 Přítok studené vody
2 Výtok teplé vody

Upozornění
- Namontujte přístroj na stěnu. Stěna musí mít dosta tečnou nosnost.
9.2 Vodovodní instalace
- Pojistný ventil není nutný.
▶ Důkladně vypláchněte vodovodní vedení.
Armatury
Použijte vhodné tlakové armatury (viz kapitola „Instalace / Popis zařízení / Příslušenství“). Beztlakové armatury nejsou dovolené.

Upozornění
3cestný kulový uzavírací ventil na přívodu studené vody se nesmí používat k omezování průtoku. 3cestný kulový uzavírací ventil slouží k uzavření přístroje.
Dovolené materiály vodovodního potrubí
- Přívod studené vody:
Žárově zinkovaná ocelová trubka, trubka z ušlechtilé oceli, měděná trubka nebo plastová trubka
- Výstupní potrubí teplé vody:
Trubka z ušlechtilé oceli, měděná trubka nebo plastová trubka

Věcné škody
V případě použití plastových potrubních systémů dodržujte maximální dovolenou vstupní teplotu a maximální dovolený tlak (viz kapitola „Instalace / Technické údaje / Tabulka údajů“).
Objemový průtok
Zkontrolujte, zda je dosaženo objemového průtoku (viz kapitolu „Instalace / Technické údaje / Tabulka s technickými údaji“, zapnutí) k zapnutí přístroje.
▶ V připadě, že při plně otevřeném odběrném ventilu není dosažen požadovaný objemový průtok, zvyšte tlak ve vodovodním potrubí. Pokud objemový průtok není dosažen i přes zvyšení tlaku, demontujte omezovač průtoku a plastovou tvarovku.

1 Omezovač průtoku
-2 plastová tvarovka

Upozornění
Aby termostatická armatura fungovala správně, nesmíte omezovač průtoku vyměnit za plastovou tvarovku.
9.3 Přístroj s volitelným příkonem
Přístroj DHB-E 18/21/24 SLi je ve stavu při dodání zapnutý na 21 kW. Pokud budete přístroj instalovat s jiným výkonem, musíte postupovat takto:
▶ Přepojte kódovaný konektor podle zvoleného výkonu; volitel ný výkon a jištění přístroje viz „Instalace / Technické údaje / Tabulka údajů“.
Zakřížkujte zvolený výkon na typovém štítku. Použijte k tomu nesmyvatelné ý popisovač.
▶ Použijte omezovač průtoku odpovídající výkonu přístroje (viz kapitola „Instalace / Technické údaje / Tabulka údajů“).

- Elektrická přípojka dole, instalace pod omítkou
- Vodovodní přípojka s instalací ve stěně (pod omítkou)
Další možnosti montáže viz kapitola „Instalace / Alternativní postupy montáže“:
- Elektrická přípojka nahoře pod omítkou
- Elektrická přípojka na zdi
- Velké průřezy vodičů pro elektrickou přípojku dole
- Připojení zátěžového relé
- Vodovodní instalace na zdi
- Vodovodní instalace na zdi s pájenou přípojkou / lisovacím fitinkem
- Vodovodní instalace na zdi, montáž víka přístroje
- Montáž spodního dílu zadní stěny při provedení se závitovou přípojkou na zdi
- Zavěšení na zed' při výměně přístroje
- Instalace na předsazených obkladech
- Otočené víko přístroje
- Omezení teploty/ochrana před opařením
10.1 Standardní montáž
Otevření přístroje

▶ Přístroj otevřete tahem za klapku směrem dopředu a dolů, povolte šroub a vyklopte víko přístroje.

▶ Demontujte zadní stěnu zatlačením obou pojistných háčků a stáhněte spodní díl zadní stěny dopředu.
Příprava přívodního kabelu

text_image
160 ≥30 1 26.02.02 0824_1 Montážní pomůcka
▶ Připravte přívodní kabel.
Montáž nástěnného závěsu

Vyznačte pomocí montážní šablony vrtané otvory. V případě montáže s vodovodními přípojkami přímo na zdi musíte navíc označit i upevňovací otvor ve spodní části šablony.
▶ Vyvrtejte otvory a upevněte zavěšovací konzolu na zed've 2 bodech vhodným upevnovacím materiálem (šrouby a hmoždinky nejsou součástí dodávky).
▶ Namontujte konzolu na zed.
Instalace vodovodní přípojky
Věcné škody Veškeré vodovodní přípojky a instalace provádějte podle předpisů.

text_image
12 D0000053319▶ Utěsněte a našroubujte dvojitou vsuvku.

1 Teplá voda s tvarovkou T
2 Těsnění
3 Studená voda s třícestným kulovým uzavíracím ventilem
4 sítko
5 Omezovač průtoku nebo plastová tvarovka (viz kapitola „Instalace / Vodovodní instalace / Objemový průtok“)

Upozornění
U DHB-E 18/21/24 SLi se dodává i druhý omezovač průtoku. Použijte omezovač průtoku odpovídající výkonu přístroje (viz kapitola „Instalace / Technické údaje / Tabulka údajů“).
4,0 l/min = růžová
7,5 l/min = modrá
8,5 l/min = zelená
▶ Našroubujte na dvojitou vsuvku tvarovku T a 3cestný kulový uzavírací ventil, přitom použijte ploché těsnění.
Věcné škody 3cestný kulový uzavírací ventil na přívodu studené vody se nesmí používat k omezování průtoku.
Montáž přístroje

▶ Pro snazší montáž zatlačte kabelovou průchodku horní elektrické připojky zezadu do zadní stěny.
Z vodovodních přípojek odstraňte ochranná transportní víčka.
Vyjměte upevňovací páčku z horního dílu zadní stěny.
Zavedte přívodní kabel zezadu kabelovou průchodkou tak, aby průchodka přilnula k plášti kabelu. Vyrovnejte přívodní kabel.
Je-li průřez přívodního kabelu > 6 mm², zvětšete otvor v ka-belové průchodce.
Zatlačte přístroj na závitový svorník v zavěšení na stěnu, aby došlo k proražení měkkého těsnění. Připadně použijte šroubovák.
▶ Nasadte upevňovací páčku na závitový svorník zavěšení na zed'.
Zadní stěnu pevně přitiskněte. Upevňovací otočnou páčku zajistěte otočením doprava o 90°.

Přišroubujte potrubí s plochým těsněním na dvojité vsuvky.
! Věcné škody Z důvodu fun
Zkontrolujte při výměně přístroje, zda je k dispozici sitko.
Připojení přívodu elektrické energie

VÝSTRAHA elektrický proud
Veškerá elektrická zapojení a instalace provádějte podle předpisů.

VÝSTRAHA elektrický proud
Přípojka k elektrické síti smí být provedena pouze jako pevná přípojka v kombinaci s vyjímatelnou kabelovou vsuvkou. Přístroj musí být možné odpojit od síťové přípojky na všech pólech na vzdálenost nejméně 3 mm.

VÝSTRAHA elektrický proud
Pamatujte, že přístroj musí být připojen k ochrannému vodiči.

Věcné škody
Dodržujte údaje uvedené na typovém štítku. Uvedené napětí se musí shodovat se sítovým napětím.
Připojte přívodní kabel k síťové svorkovnicí (viz kapitolu „Instalace / Technické údaje / Schéma elektrického zapojení“).
Montáž spodní části zadní stěny

▶ Namontujte spodní díl zadní stěny do zadní stěny. Zajistěte spodní díl zadní stěny.
▶ Vyrvnejte namontovaný přístroj povolením upevnovací páčky, vyrovnejte elektrickou připojku a zadní stěnu a opět utáhněte upevnovací páčku. Pokud zadní stěna přístroje nepřiléhá, můžete přístroj dole upevnit dalším šroubem.
10.2 Dokončení montáže
▶ Otevřete 3cestný kulový uzavírací ventil nebo uzavírací ventil v přívodu studené vody.
11. Uvedení do provozu

VÝSTRAHA elektrický proud
Uvedení do provozu smí provádět pouze specializovaný odborník při dodržení bezpečnostních předpisů.
11.1 První uvedení do provozu

▶ Otevřete a uzavřete několikrát všechny připojené odběrné ventily, dokud nebudou rozvodná síť a přístroj odvzdušněné.
▶ Provedte kontrolu těsnosti.
▶ Aktivujte bezpečnostní omezovač tlaku při hydraulickém tlaku pevným stisknutím resetovacího tlačítka (přístroj se dodává s deaktivovaným bezpečnostním omezovačem tlaku).
▶ Připojte konektor kabelu snímače požadované hodnoty k elektronickému systému.
▶ Namontujte kryt přístroje. Ověřte usazení víka přístroje.
▶ Upevněte víko přístroje šrouby.
Zapněte napájení ze sítě.
▶ Provedte kalibraci teploty. Otočte regulátor teploty až na doraz doprava a doleva.
Z displeje ovladače odstraňte ochrannou fólii.
Zkontrolujte funkci prístroje.
Předání přístroje
▶ Vysvětlete uživateli funkci přístroje a seznamte ho se způsobem jeho užívání.
▶ Upozorněte uživatele na možná rizika, především na nebezpečí opaření.
▶ Předejte tento návod.
11.2 Opětovné uvedení do provozu

Věcné škody
Aby nedošlo k poškození topného systému s holou spirálou po přerušení dodávky vody, musí se přístroj opět uvést do provozu následujícími kroky.
▶ Odpojte přístroj od napětí vypnutím pojistek.
▶ Otevřete armaturu na dobu jedné minuty, dokud nejsou přístroj a předřazená přípojka studené vody odvzdušněné.
▶ Opět zapněte napájení ze sítě.
12. Uvedení mimo provoz
▶ Odpojte přístroj na všech pólech od sítě.
▶ Vypustte vodu z přístroje (viz kapitola „Instalace / Údržba / Vypuštění přístroje“).
13. Alternativy montáže
13.1 Elektrická přípojka nahoře pod omítkou

Rozřízněte kabelovou průchodku pro přívodní kabel.
▶ Stlačte dolů háčkovou pojistku k upevnění síťové svorkovnice. Vytáhněte síťovou svorkovnici.
Přemístěte přívodní síťovou svorku v přístroji zespodu nahoru. Upevněte svorku přívodního kabelu jejím nasunutím pod upevnovací háček.
▶ Vedte připojovací vodiče pod vedením pro vodiče.
13.2 Elektrická přípojka na zdi

Upozornění
Při tomto způsobu připojení se mění krytí přístroje.
▶ Provedte změnu na typovém štítku. Přeškrtněte údaj IP 25 a označte křížkem políčko IP 24. K tomuto účelu použijte propisku.

Věcné škody
Pokud byste nedopatřením vylomili do zadní stěny nesprávný otvor, musíte použít novou zadní stěnu.
Čistě vyřízněte nebo prorazte potřebnou průchodku v zadní stěně přístroje (umístění viz kapitola „Instalace / Technické údaje / Rozměry a připojky“). V případě potřeby odstraňte pilníkem ostré hrany.
▶ Vedte sitový přívodní kabel kabelovou průchodkou. Připojte sitový přívodní kabel k sitové svorkovnici.
13.3 Velké průřezy vodičů pro elektrickou přípojku dole
V případě použití velkých průřezů vodičů můžete instalovat kabelovou průchodku po namontování přístroje.

▶ Před zahájením montáže přístroje musíte vytlačit kabelovou průchodku pomocí šroubováku.
Nasuňte kabelovou průchodku na přívodní kabel. Použijte montážní pomůcku z rozsahu dodávky. Je-li průřez > 6 mm², zvětšete otvor v kabelové průchodce.
▶ Nasadte kabelovou průchodku do zadní stěny. Zajistěte kabelovou průchodku.
13.4 Připojení zátěžového relé
Zátěžové relé používejte v kombinaci s jinými elektrickými přístroji v elektrickém rozvodu, například s elektrickými akumulačními ohřívači. K vypnutí zátěže dochází při provozu průtokového ohřívače.

Věcné škody
Připojte fázi, která spíná zátěžové relé, k označené svorce síťové svorkovnice v přístroji (viz kapitolu „Instalace / Technické údaje / Schémata elektrického zapojení“).
13.5 Vodovodní instalace na zdi

Upozornění
Při tomto způsobu připojení se mění krytí přístroje.
▶ Provedte změnu na typovém štítku. Přeškrtněte údaj IP 25 a označte křížkem políčko IP 24. K tomuto účelu použijte propisku.

text_image
18 Nm 24 D0000033104Namontujte vodovodní zátku s těsněním tak, aby došlo k uzavření přívodu pod omítkou. U armatur z „příslušenství“ jsou zátky a těsnění součástí dodávky. Pro jiné než doporučené tlakové armatury lze objednat vodní zátky a těsnění jako „příslušenství“.
▶ Namontujte vhodnou tlakovou armaturu.
▶ Vložte zadní spodní díl pod připojovací trubky armatury a zasuňte do zadní stěny.
▶ Připojovací trubky sešroubujte s tvarovkou T a 3cestným ku-lovým uzavíracím ventilem.
13.6 Vodovodní instalace na zdi s pájenou přípojkou / lisovacím fitinkem
Pomocí příslušenství „pájená přípojka“ nebo „lisovací fitink“ na-pojte měděné trubky nebo také plastové trubky.
V případě „pájené přípojky“ se šroubovým připojením na měděné trubky 12 mm je nutné postupovat následovně:
▶ Nasadte na přívodní potrubí převlečné matice.
▶ Spájejte vložené díly s měděným rozvodem.
▶ Vložte zadní spodní díl pod připojovací trubky armatury a zasuňte do zadní stěny.
▶ Připojovací trubky sešroubujte s tvarovkou T a 3cestným ku-lovým uzavíracím ventilem.

Upozornění
Dodržujte pokyny výrobce armatury.
13.7 Vodovodní instalace na zdi, montáž víka přístroje

text_image
a- 4 3 2 1 26_02_02_08211 Vodicí prvky na zadní stranu
2 Šroub
3 Vodicí průchodky víka
4 Průchozí otvor
▶ Vylomte průchozí otvory ve víku přístroje. V případě potřeby použijte pilník.

Upozornění
Při mírném přesazení připojovacích trubek můžete použít vodicí prvky víka.
▶ Při větším přesazení připojovacích trubek neinstalujte vodicí prvky zadní stěny.
▶ Při montáži připojovacích trubek bez přesazení vylomte chlopně vodicích prvků víka.
▶ Nasadte průchodky víka do otvorů pro průchodky.
▶ Nasadte vodicí prvky zadní stěny na trubky. Nasuňte je k sobě. Nakonec posuňte vodicí prvky až nadoraz k zadní stěně.
▶ Upevněte zadní stěnu dole pomocí šroubu.
▶ Pokud používáte pružná přívodní vedení vody, zabraňte poo-točení kolen (bajonetová spojení v přístroji).
13.8 Montáž spodního dílu zadní stěny při provedení se závitovou přípojkou na zdi
Při použití šroubových připojení nad omítkou (AP) lze spodní díl zadní stěny namontovat i po upevnění armatury. Postupujte takto:
▶ Rozřízněte spodní díl zadní stěny.
▶ Namontujte spodní díl zadní stěny tak, že ho po stranách ohnete a povedete přes trubku na omítce.
Zezadu nasadte spojky do spodního dílu zadní stěny.
Zatlačte spodní díl zadní stěny do zadní stěny.
▶ Upevněte spodní díl zadní stěny šroubem.

1 Zadní strana - spodní díl
2 Dodané spojky
3 Šroub
13.9 Zavěšení na zed' při výměně přístroje
Stávající zavěšení na zed' od výrobce STIEBEL ELTRON můžete použit při výměně přístroje (výjimkou je průtokový ohřívač DHF).
▶ Prorazte zadní stěnu přístroje pro závitový svorník na již na-montovaném zavěšení na zed'.
Výměna průtokového ohřívače DHF

Změňte polohu závitového svorníku na zavěšení na zed' (závitový svorník má samořezný závit).
▶ Otočte zavěšení na zed'o 180° a namontujte je na stěnu (popiska DHF je ve správné poloze ke čtení).
1 Minimální opěrná plocha přístroje
2 Maximální přesazení obkladů
Nastavte vzdálenost od stěny. Zadní stěnu zajistěte upevňovací otočnou páčkou (otočení doprava o 90°).
13.11 Otočené víko přístroje
Při montáži pod odběrné místo lze víko přístroje otočit.

▶ Vyjměte ovládací jednotku z víka přístroje. Za tímto účelem stiskněte zajišťovací háčky.
▶ Otočte víko přístroje. Znovu zaklapněte ovládací jednotku. Přitom musí všechny zajišťovací háčky zaskočit. Pro snadnější montáž ovládací jednotky zatlačte proti vnitřní straně víka přístroje ve šrafované oblasti.
Věcné škody
Ovládací jednotka s vadnými zajištovacími háčky se nesmí instalovat. Není tak zajištěna bezpečnost.
Zapojte kabel snímače požadované hodnoty k elektronickému systému (viz kapitolu „Instalace / Uvedení do provozu / První uvedení do provozu“).
Víko přístroje zavěste nahoře. Víko přístroje sklopte dolů na zadní stěnu a přitlačte je až do slyšitelného zacvaknutí.
▶ Přišroubujte víko přístroje.
13.12 Omezení teploty/ochrana před opařením
Maximální omezení teploty lze nastavit na ovládacím prvku ve víku přístroje na 43 °C. K tomu jsou nezbytné následující kroky:
Sejměte kryt přístroje.
▶ Vyjměte elektronickou desku z ovládacího prvku ve víku přístroje. Přitom dávejte pozor na upevňovací háky.
▶ Přesuňte zástrčku zleva doprava (poloha „43 °C“).
Znovu vložte ovládací prvek, zajišťovací háčky musí zaskočit. Dbejte přitom na polohu knoflíku a osy.

POZOR popálení
Za provozu s předehřátou vodou mohou být nastavený omezovač teploty nebo ochrana před opařením neúčinné.
V takovém prípadě omezte teplotu na předrazené centrální termostatické armatuře, viz kapitola „Instalace / Popis prístroje / Příslušenství“.

14. Odstraňování poruch

VÝSTRAHA elektrický proud Pokud chcete provést kontrolu přístroje, musí být přístroj připojen k síťovému napětí.
Možnosti zobrazení informací na diagnostické liště (LED)
| červená svítí při poruše | |
| žlutá svítí při ohřívání | |
| zelená bliká: Přístroj připojený k síti |
| Porucha/stav diagnostické kontrolky LED Příčina Odstranění | |||
| Přístroj nezapíná. Ve sprchovací hlavici/v perlátorech se usadil vodníkámen. | Odstraňte vodní kámen nebo vyměňte sprchovacíhlavici/perlátory. | ||
| Průtok je příliš nízký. Sítko v přístroji je znečištěné. Vyčistěte sítko. | |||
| Nelze dosáhnout požadované teploty. | Výpadek jedné fáze. | Zkontrolujte pojistky vnitřní instalace. | |
| Topení se vypne. | Detekce vzduchu zjistila vzduch ve vodě. Topný výkon senakrátko vypne. | Přístroj se za minutu opět zapne. | |
| Žádná teplá voda, kontrolky nesvítí. | Vypnuly pojistky. | Zkontrolujte pojistky vnitřní instalace. | |
| Bezpečnostní omezovač tlaku provedl vypnutí. | Odstraňte příčinu závady (např. vadné tlakové pro-plachovací zařízení). | ||
| Chraňte systém ohřevu před přehříváním tím, že na jednu minutu otevřete odběrný ventil za přístrojem.Z topného systému tak bude vypuštěn tlak a dojdek ochlazení. | |||
| Aktivujte bezpečnostní omezovač tlaku při hydraul-lickém tlaku stisknutím tlačitka reset, viz též kapitola „Instalace / Uvedení do provozu / První uvedenído provozu“. | |||
| Závada elektronického systému. | Zkontrolujte elektroniku, případně provedte výmě-nu. | ||
| Kontrolky: bliká zelenáŽádná teplá voda při průtoku>3 l/min. | Snímač průtoku DFE není připojen. | Připojte konektor snímače průtoku. | |
| Snímač průtoku DFE je vadný. | Zkontrolujte snímač průtoku, případně jej vyměňte. | ||
| Nelze dosáhnout požadované teploty. | Snímač požadované hodnoty nebo spojovací kabel jsoupoškozené nebo není spojovací kabel zapojen. | Zapojte spojovací kabel, příp. vyměňte snímač poža-dované hodnoty. | |
| Je aktivován omezovač teploty. | Deaktivujte omezovač teploty. | ||
| Kontrolky: svítí žlutá, bliká zelenáŽádná teplá voda při průtoku>3 l/min. | Byl aktivován bezpečnostní omezovač teploty STB, nebodošlo k přerušení. | Zkontrolujte bezpečnostní omezovač teploty, pří-padně jej vyměňte. | |
| Topný systém je vadný. | Změřte odpor topného systému, případně provedte výměnu. | ||
| Závada elektronického systému. | Zkontrolujte elektroniku, případně provedte výmě-nu. | ||
| Kontrolky: žlutá svítí, zelená bliká | Vadný výstupní senzor. | Zkontrolujte spojení, případně vyměňte snímač navýtoku. | |
| Není dosažena nastavená teplota. | Přístroj dosahuje hranice svého výkonu. | Zmenšete průtok. Namontujte omezovač průtoku. | |
| Kontrolky: Červená svítí, zelená bliká | Vadný výstupní senzor. | Zkontrolujte spojení, případně vyměňte snímač navýtoku. | |
| Neteče teplá voda | Snímač studené vody je vadný. | Zkontrolujte elektroniku, případně provedte výmě-nu. | |
| Není dosaženo požadované teploty >45 °C. | Teplota přiváděné studené vody je vyšší než 45 °C. | Snižte teplotu studené vody, přiváděné do přístroje. | |
15. Údržba

VÝSTRAHA elektrický proud
Při všech činnostech odpojte přístroj na všech pólech od sítě.
Vypuštění přístroje
K provádění údržbových prací můžete přístroj vypustit.

VÝSTRAHA popálení
Při vyprázdnění přístroje může vytékat horká voda.
Zavřete 3cestný uzavírací ventil nebo uzavírací ventil v přívo- du studené vody.
▶ Otevřete všechny odběrné ventily.
▶ Odpojte od přístroje vodovodní přípojky.
▶ Demontovaný přístroj skladujte tak, aby byl chráněn před mrazem. Případné zbytky vody v přístroji mohou zmrznout a způsobit škody.
Vyčistění sítka
V prípadě znečištení očistěte sitko ve šroubení prípojky studené vody. Uzavřete 3cestný uzavírací ventil nebo uzavírací ventil v prívodu studené vody, než sitko vyjmete, očistíte a opět namontujete.
16. Technické údaje
16.1 Rozměry a přípojky

text_image
140 478 414 368 44 100 b03 b02 30 35 c01c06 105≤202 35 114 D0000017973| DHB-E SLi | |||
| b02 | Průchodka el. rozvodu I | ||
| b03 | Průchodka el. vodičů II | ||
| c01 | Přítok studené vody | Vnější závit | G 1/2 A |
| c06 | Výtok teplé vody | Vnější závit | G 1/2 A |
Alternativní možnosti připojení

text_image
338 b04 50 44 165 b04 b02 30 47 b03 b04 325 72 35 b04 b04 D0000019212| DHB-E SLi | |
| b02 Průchodka el. rozvodu I | |
| b03 Průchodka el. vodičů II | |
| b04 Průchodka el. vodičů III |
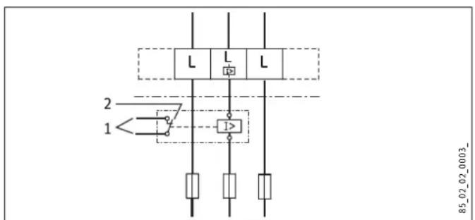
16.2 Schéma elektrického zapojení
3/PE \~ 380-415 V

1 Topná tělesa
2 Bezpečnostní omezovač teploty
3 Bezpečnostní omezovač tlaku
Předřazený spínač s LR 1-A

1 Řídicí vodič ke stykači 2.přístroje (např. elektrické zařízení k ohřevu zásobníku).
2 Řídicí kontakt, který se otevře po zapnutí průtokového ohřívače.
16.3 Výkon teplé vody
Výkon teplé vody závisí na napětí sítě, příkonu přístroje a teplotě přítoku studené vody. Jmenovité napětí a jmenovitý výkon najdete na typovém štítku (viz kapitola „Obsluha / Odstraňování problémů“).
Příkon v kW 38 °C výkon teplé vody v l/min.
Příkon v kW 50 °C výkon teplé vody v L/min.
16.4 Oblast použití / Převodní tabulka
Měrný elektrický odpor a měrná elektrická vodivost (viz kapitola „Instalace / Tabulka s technickými údají“).
| Údaj podle normy při 15 °C | 20 °C | 25 °C | ||||||
| odpor ≥ | Vodivost ≤ odpor | Vodivost ≤ odpor | Vodivost ≤ | |||||
| ≥ | ≥ | |||||||
| ≥ cm | mS/m | S/cm | ≥ cm | mS/m | S/cm | ≥ cm | mS/m | S/cm |
| 900 | 111 | 1111 | 800 | 125 | 1250 | 735 | 136 | 1361 |
| 1000 | 100 | 1000 | 890 | 112 | 1124 | 815 | 123 | 1227 |
| 1100 | 91 | 909 | 970 | 103 | 1031 | 895 | 112 | 1117 |
| 1200 | 83 | 833 | 1070 | 93 | 935 | 985 | 102 | 1015 |
| 1300 | 77 | 769 | 1175 | 85 | 851 | 1072 | 93 | 933 |
16.5 Ztráty tlaku
Armatury
| Tlaková ztráta armatur při objemovém průtoku 10 L/min | ||
| Páková baterie cca | MPa | 0,04 - 0,08 |
| Termostatická armatura, cca | MPa | 0,03 - 0,05 |
| Sprchovací hlavice, cca | MPa | 0,03 - 0,15 |
Dimenzování potrubní sítě
K výpočtu dimenzování potrubní sítě je pro přístroj doporučena tlaková ztráta 0,1 MPa.
16.6 Podmínky v případě poruchy
V případě poruchy může v instalaci krátkodobě vzniknout zatížení maximálně 95 °C při tlaku 1,2 MPa.
16.7 Potvrzení a osvědčení platná v jednotlivých zemích: Německo
K přístroji je vydáno na základě místních stavebních předpisů všeobecné osvědčení stavebního dozoru jako potvrzení o použitelnosti z hlediska hlučnosti.

text_image
STIEBEL ELTRON DIN 4109 PA-IX 6816/I LGA16.8 Údaje ke spotřebě energie
Údaje o výrobku odpovídají nařízením EU ke směrnici o ekodesignu výrobků v souvislosti se spotřebou energie (ErP).
| DHB-E 11 SLi | DHB-E 13 SLi | DHB-E 18 SLi 25 A | DHB-E 18/21/24 SLi | DHB-E 27 SLi | ||
| 232013 | 232014 | 232015 | 232016 | 232017 | ||
| Výrobce | STIEBEL ELTRON | STIEBEL ELTRON | STIEBEL ELTRON | STIEBEL ELTRON | STIEBEL ELTRON | |
| Zátěžový profil | S | S | S | S | S | |
| Třída energetické účinnosti | A | A | A | A | A | |
| Roční spotřeba el. energie | kWh | 472 | 472 | 477 | 477 | 481 |
| Energetická účinnost | % | 39 | 39 | 39 | 39 | 39 |
| Nastavení teploty od výrobce | °C | 60 | 60 | 60 | 60 | 60 |
| Hladina akustického výkonu | dB(A) | 15 | 15 | 15 | 15 | 15 |
| Zvláštní pokyny k měření účinnosti | žádné | žádné | žádné | Údaje při Pmax. | žádné |
16.9 Tabulka údajů
| DHB-E 11 SLi DHB-E 13 SLi DHB-E 18 SLi | 25 A | DHB-E 18/21/24 SLi | DHB-E 27 SLi | ||||||||||||
| 232013 | 232014 | 232015 | 232016 | 232017 | |||||||||||
| Elektrotechnické údaje | |||||||||||||||
| Imenovité napětí | V | 380 | 400 | 415 | 380 | 400 | 415 | 380 | 400 | 415 | 380 | 400 | 415 | 380 | 400 |
| Imenovitý výkon | kW | 10,1 | 11 | 12,2 | 13,5 | 14,5 | 16,2 | 18 | 19,4 | 16,2/19/21,7 | 18/21/24 | 19,4/22,6/25,8 | 24,4 | 27 | |
| Imenovitý proud | A | 15,4 | 16 | 18,5 | 19,5 | 20,2 | 24,7 | 26 | 27 | 27,6/29,5/33,3 | 29/31/35 | 30,1/32,2/36,3 | 37,1 | 39 | |
| Ijštění | A | 16 | 16 | 20 | 20 | 20 | 25 | 25 | 32 | 32/32/35 | 32/32/35 | 32/32/40 | 40 | 40 | |
| Fáze | 3/PE | 3/PE | 3/PE | 3/PE | |||||||||||
| Frekvence | Hz | 50/60 | 50/60 | 50/60 | 50/60 | 50/- | 50/60 | 50/60 | 50/- | 50/60 | 50/60 | 50/- | 50/- | 50/- | |
| Specifický odpor _15 (pří ∅studené ≤25 °C) | Ω cm | 900 | 900 | 1000 | 900 | 900 | 1000 | 900 | 900 | 1000 | 900 | 900 | 1000 | 900 | 900 |
| Měrná vodivost _15 (pří ∅studená ≤25 °C) | μS/cm | 1111 | 1111 | 1000 | 1111 | 1111 | 1000 | 1111 | 1111 | 1000 | 1111 | 1111 | 1000 | 1111 | 1111 |
| Specifický odpor _15 (pří ∅studené ≤45 °C) | Ω cm | 1200 | 1200 | 1300 | 1200 | 1200 | 1300 | 1200 | 1200 | 1300 | 1200 | 1200 | 1300 | 1200 | 1200 |
| Měrná vodivost _15 (pří ∅studená ≤45 °C) | μS/cm | 833 | 833 | 770 | 833 | 833 | 770 | 833 | 833 | 770 | 833 | 833 | 770 | 833 | 833 |
| Max. impedance sítě při 50 Hz | Ω | 0,379 | 0,360 | 0,347 | 0,284 | 0,270 | 0,260 | 0,254 | 0,241 | ||||||
| Přípojky | |||||||||||||||
| Vodovodní přípojka | G 1/2 A | G 1/2 A | G 1/2 A | G 1/2 A | G 1/2 A | ||||||||||
| Meze použitelnosti | |||||||||||||||
| Max. dovolený tlak | MPa | 1 | 1 | 1 | 1 | 1 | |||||||||
| Max. teplota přítoku pro doda- tečný ohřev | °C | 45 | 45 | 45 | 45 | 45 | |||||||||
| Hodnoty | |||||||||||||||
| Max. povolená vstupní teplota vody | °C | 60 | 60 | 60 | 60 | 60 | |||||||||
| Zap. | l/min. | >3,0 | >3,0 | >3,0 | >3,0 | >3,0 | |||||||||
| Objemový průtok pro tlakovou ztrátu | l/min. | 3,1 | 3,9 | 5,2 | 5,2/6,0/6,9 | 7,7 | |||||||||
| Tlakové ztráty při objemovém průtoku | MPa | 0,07 (0,02 bez DMB) | 0,11 (0,03 bez DMB) | 0,08 (0,06 bez DMB) | 0,08/0,10/0,13 (0,06/0,08/0,10 bez DMB) | 0,16 (0,12 bez DMB) | |||||||||
| Omezení průtoku při | l/min. | 4,0 | 4,0 | 7,5 | 7,5/7,5/8,5 | 8,5 | |||||||||
| Výkon teplé vody | l/min. | 5,6 | 6,9 | 9,2 | 9,2/10,7/12,3 | 13,8 | |||||||||
| Δ9 při výkonu teplé vody | K | 28 | 28 | 28 | 28 | 28 | |||||||||
| Údaje o hydraulickém systému | |||||||||||||||
| Imenovitý objem | I | 0,4 | 0,4 | 0,4 | 0,4 | 0,4 | |||||||||
| Provedení | |||||||||||||||
| Volitelný příkon | - | - | - | X | - | ||||||||||
| Nastavení teploty | °C | 30 - 60 | 30 - 60 | 30 - 60 | 30 - 60 | 30 - 60 | |||||||||
| Třída krytí | 1 | 1 | 1 | 1 | 1 | ||||||||||
| Izolační blok | plast | plast | plast | plast | plast | ||||||||||
| Zdroj tepla topného systému | holá spirála | holá spirála | holá spirála | holá spirála | holá spirála | ||||||||||
| Víko a zadní stěna | plast | plast | plast | plast | plast | ||||||||||
| Barva | bílá | bílá | bílá | bílá | bílá | ||||||||||
| Krytí (IP) | IP25 | IP25 | IP25 | IP25 | IP25 | ||||||||||
| Rozměry | |||||||||||||||
| Výška | mm | 478 | 478 | 478 | 478 | 478 | |||||||||
| Šířka | mm | 225 | 225 | 225 | 225 | 225 | |||||||||
| Hloubka | mm | 105 | 105 | 105 | 105 | 105 | |||||||||
| Hmotnosti | |||||||||||||||
| Hmotnost | kg | 3,6 | 3,6 | 3,6 | 3,6 | 3,6 | |||||||||
Záruka
Pro přístroje nabyté mimo území Německa neplatí záruční podmínky poskytované našimi firmami v Německu. V zemích, ve kterých některá z našich dceřiných společností distribuuje naše výrobky, poskytuje záruku jenom tato dceřiná společnost. Takovou záruku lze poskytnout pouze tehdy, pokud dceřiná společnost vydala vlastní záruční podmínky. Jinak nelze záruku poskytnout.
Na přístroje zakoupené v zemích, ve kterých nejsou naše výrobky distribuovány žádnou z dceřiných společností, neposkytujeme žádnou záruku. Případné záruky závazně přislíbené dovozcem zůstávají proto nedotčené.
Životní prostředí a recyklace
Pomozte nám chránit naše životní prostředí. Materiály po použití zlikvidujte v souladu s platnými národními předpisy.
Deutschland
K Hájům 946 | 155 00 Praha 5 - Stodůlky
Tel. 251116-111 | Fax 235512-122
info@stiebel-eltron.cz
www.stiebel-eltron.cz
Finland
STIEBEL ELTRON OY
Kapinakuja 1 | 04600 Mäntsälä
Tel. 020 720-9988
info@stiebel-eltron.fi
www.stiebel-eltron.fi
France
STIEBEL ELTRON SAS
SnadnýManuál