DHBE 13 SLi electronic - Elektrischer Wassererhitzer STIEBEL ELTRON - Kostenlose Bedienungsanleitung
Finden Sie kostenlos die Bedienungsanleitung des Geräts DHBE 13 SLi electronic STIEBEL ELTRON als PDF.
Häufig gestellte Fragen - DHBE 13 SLi electronic STIEBEL ELTRON
Benutzerfragen zu DHBE 13 SLi electronic STIEBEL ELTRON
0 Frage zu diesem Gerät. Beantworten Sie die, die Sie kennen, oder stellen Sie Ihre eigene.
Eine neue Frage zu diesem Gerät stellen
Laden Sie die Anleitung für Ihr Elektrischer Wassererhitzer kostenlos im PDF-Format! Finden Sie Ihr Handbuch DHBE 13 SLi electronic - STIEBEL ELTRON und nehmen Sie Ihr elektronisches Gerät wieder in die Hand. Auf dieser Seite sind alle Dokumente veröffentlicht, die für die Verwendung Ihres Geräts notwendig sind. DHBE 13 SLi electronic von der Marke STIEBEL ELTRON.
BEDIENUNGSANLEITUNG DHBE 13 SLi electronic STIEBEL ELTRON
- Allgemeine Hinweise 3
1.1 Sicherheitshinweise 3
1.2 Andere Markierungen in dieser Dokumentation ____ 3
1.3 Maßeinheiten 3 - Sicherheit 3
2.1 Bestimmungsgemäße Verwendung ____ 3
2.2 Allgemeine Sicherheitshinweise 3
2.3 Prüfzeichen 4 - Gerätebeschreibung 4
- Bedienung 4
4.1 Einstellungsempfehlungen ____ 4
4.2 Temperaturbegrenzung/Verbrühschutz ____ 4 - Reinigung, Pflege und Wartung ____ 5
- Problembehebung 5
INSTALLATION
- Sicherheit 6
7.1 Allgemeine Sicherheitshinweise 6
7.2 Vorschriften, Normen und Bestimmungen ____ 6
- Gerätebeschreibung 6
8.1 Lieferumfang 6
8.2 Zubehör 6
- Vorbereitungen 7
9.1 Montageort 7
9.2 Wasserinstallation 7
9.3 Gerät mit umschaltbarer Anschlussleistung ____ 8
- Montage 8
10.1 Standardmontage 8
10.2 Montage abschließen 10
- Inbetriebnahme 10
11.1 Erstinbetriebnahme 10
11.2 Wiederinbetriebnahme 11
-
Außerbetriebnahme 11
-
Montage-Alternativen 11
13.1 Elektroanschluss Unterputz oben 11
13.2 Elektroanschluss Aufputz 11
13.3 Große Leiterquerschnitte beim Elektroanschluss unten 11
13.4 Anschluss eines Lastabwurfrelais 12
13.5 Wasserinstallation Aufputz 12
13.6 Wasserinstallation Aufputz mit Lötanschluss / Press-Fitting 12
13.7 Wasserinstallation Aufputz, Montage der Gerätekappe 12
13.8 Montage Rückwandunterteil bei Aufputz-Schraubanschluss 13
13.9 Wandaufhängung bei Geräteaustausch 13
13.10 Installation bei Fliesenversatz 13
13.11 Gedrehte Gerätekappe 13
13.12 Temperaturbegrenzung/Verbrühschutz 14
- Störungsbehebung 15
- Wartung 16
- Technische Daten 16
16.1 Maße und Anschlüsse 16
16.2 Elektroschaltplan 16
16.3 Warmwasserleistung 17
16.4 Einsatzbereiche / Umrechnungstabelle 17
16.5 Druckverluste 17
16.6 Störfallbedingungen 17
16.7 Landesspezifische Zulassungen und Zeugnisse: Deutschland 18
16.8 Angaben zum Energieverbrauch 18
16.9 Datentabelle 19
GARANTIE
UMWELT UND RECYCLING
BESONDERE HINWEISE
- Das Gerät kann von Kindern ab 8 Jahren sowie von Personen mit verringerten physischen, sensorischen oder mentalen Fähigkeiten oder Mangel an Erfahrung und Wissen benutzt werden, wenn sie beaufsichtigt werden oder bezüglich des sicheren Gebrauchs des Gerätes unterwiesen wurden und die daraus resultierenden Gefahren verstanden haben. Kinder dürfen nicht mit dem Gerät spielen. Reinigung und Benutzer-Wartung dürfen nicht von Kindern ohne Beaufsichtigung durchgeführt werden.
- Verbrennungsgefahr: Die Armatur kann eine Temperatur von über 60 °C annehmen.
- Das Gerät muss über eine Trennstrecke von mindestens 3 mm allpolig vom Netzanschluss getrennt werden können.
- Befestigen Sie das Gerät wie in Kapitel „Installation / Montage“ beschrieben.
- Beachten Sie den maximal zulässigen Druck (siehe Kapitel „Installation / Technische Daten / Datentabelle“).
- Entleeren Sie das Gerät wie in Kapitel „Installation / Wartung / Gerät entleeren“ beschrieben.
BEDIENUNG
1. Allgemeine Hinweise
Die Kapitel „Besondere Hinweise“ und „Bedienung“ richten sich an den Gerätebenutzer und den Fachhandwerker.
Das Kapitel „Installation“ richtet sich an den Fachhandwerker.

Hinweis
Lesen Sie diese Anleitung vor dem Gebrauch sorgfältig durch und bewahren Sie sie auf.
Geben Sie die Anleitung ggf. an einen nachfolgenden Benutzer weiter.
1.1 Sicherheitshinweise
1.1.1 Aufbau von Sicherheitshinweisen

SIGNALWORT Art der Gefahr
Hier stehen mögliche Folgen bei Nichtbeachtung des Sicherheitshinweises.
Hier stehen Maßnahmen zur Abwehr der Gefahr.
1.1.2 Symbole, Art der Gefahr
Symbol Art der Gefahr

Verletzung

Stromschlag

Verbrennung
(Verbrennung, Verbrühung)
1.1.3 Signalworte
SIGNALWORT Bedeutung
GEFAHR Hinweise, deren Nichtbeachtung schwere Verletzungen oder Tod zur Folge haben.
WARNUNG Hinweise, deren Nichtbeachtung schwere Verletzungen oder Tod zur Folge haben kann.
VORSICHT Hinweise, deren Nichtbeachtung zu mittelschweren oder leichten Verletzungen führen kann.
1.2 Andere Markierungen in dieser Dokumentation

Hinweis
Allgemeine Hinweise werden mit dem nebenstehenden Symbol gekennzeichnet.
Lesen Sie die Hinweistexte sorgfältig durch.
Symbol Bedeutung

Sachschaden
(Geräte-, Folge-, Umweltschaden)

Geräteentsorgung
▶ Dieses Symbol zeigt Ihnen, dass Sie etwas tun müssen. Die erforderlichen Handlungen werden Schritt für Schritt beschrieben.
1.3 Maßeinheiten

Hinweis
Wenn nicht anders angegeben, sind alle Maße in Millimeter.
2. Sicherheit
2.1 Bestimmungsgemäße Verwendung
Das Gerät dient zur Erwärmung von Trinkwasser oder zur Nacherwärmung von vorgewärmtem Wasser und kann eine oder mehrere Entnahmestellen versorgen.
Das Gerät ist für den Einsatz im häuslichen Umfeld vorgesehen. Es kann von nicht eingewiesenen Personen sicher bedient werden. In nicht häuslicher Umgebung, z. B. im Kleingewerbe, kann das Gerät ebenfalls verwendet werden, sofern die Benutzung in gleicher Weise erfolgt.
Eine andere oder darüber hinausgehende Benutzung gilt als nicht bestimmungsgemäß. Zum bestimmungsgemäßen Gebrauch gehört auch das Beachten dieser Anleitung sowie der Anleitungen für eingesetztes Zubehör.
2.2 Allgemeine Sicherheitshinweise

VORSICHT Verbrennung
Die Armatur kann während des Betriebs eine Temperatur von über 60 °C annehmen.
Bei Auslauftemperaturen größer 43 °C besteht Verbrühungsgefahr.

VORSICHT Verbrennung
Die Warmwasser-Temperatur kann bei Betrieb mit vorgewärmtem Wasser, z. B. einer Solaranlage, von der eingestellten Solltemperatur abweichen.

WARNUNG Verletzung
Das Gerät kann von Kindern ab 8 Jahren sowie von Personen mit verringerten physischen, sensorischen oder mentalen Fähigkeiten oder Mangel an Erfahrung und Wissen benutzt werden, wenn sie beaufsichtigt werden oder bezüglich des sicheren Gebrauchs des Gerätes unterwiesen wurden und die daraus resultierenden Gefahren verstanden haben. Kinder dürfen nicht mit dem Gerät spielen. Reinigung und Benutzer-Wartung dürfen nicht von Kindern ohne Beaufsichtigung durchgeführt werden.

Sachschaden
Das Gerät und die Armatur sind vom Nutzer vor Frost zu schützen.
2.3 Prüfzeichen
Siehe Typenschild am Gerät.
3. Gerätebeschreibung
Der elektronisch geregelte Durchlauferhitzer hält die Auslauftemperatur unabhängig von der Zulauftemperatur bis zur Leistungsgrenze konstant.
Das Gerät erwärmt das Wasser direkt an der Entnahmestelle, sobald Sie das Warmwasserventil an der Armatur öffnen. Durch kurze Leitungswege entstehen geringe Energie- und Wasserverluste.
Einschaltmenge siehe Kapitel „Installation / Technische Daten / Datentabelle, Ein“.
Die Warmwasserleistung hängt von der Kaltwassertemperatur, der Heizleistung, der Durchflussmenge und der eingestellten Wunschtemperatur ab.
Wenn die maximale Zulauftemperatur für Nacherwärmung überschritten wird, erfolgt keine Nacherwärmung.
Warmwasser-Temperatur
Die Warmwasser-Auslauftemperatur können Sie stufenlos einstellen.
Temperaturbegrenzung/Verbrühschutz
Die maximale Auslauftemperatur kann für das Gerät auf 43 °C begrenzt werden. Sprechen Sie hierzu Ihren Fachhandwerker an.
Heizsystem
Das Blankdraht-Heizsystem hat einen druckfesten Kunststoffmantel. Das Heizsystem ist (sowohl) für kalkarme als auch kalkhaltige Wässer geeignet und gegen Verkalkung weitgehend unempfindlich. Das Heizsystem sorgt für eine schnelle und effiziente Warmwasserversorgung.

Hinweis
Das Gerät ist mit einer Lufterkennung ausgestattet, die eine Beschädigung des Heizsystems weitgehend verhindert. Gelangt während des Betriebes Luft in das Gerät, schaltet das Gerät die Heizleistung für eine Minute aus und schützt somit das Heizsystem.
4. Bedienung

gauge
| Value | |---| | 50 | | 35 | | 60 |▶ Drehen Sie den Temperatur-Einstellknopf in die gewünschte Position.
Wenn bei voll geöffneter Armatur und maximaler Temperatureinstellung keine ausreichende Auslauftemperatur erreicht wird, fließt mehr Wasser durch das Gerät, als der Heizkörper erwärmen kann.
▶ Reduzieren Sie die Durchflussmenge an der Armatur.
4.1 Einstellungsempfehlungen
Thermostat-Armatur
Wenn Sie das Gerät mit einer Thermostat-Armatur betreiben, empfehlen wir Ihnen, die Temperatur am Gerät auf die maximale Temperatur einzustellen. Die gewünschte Temperatur stellen Sie dann an der Thermostat-Armatur ein.
Nach Unterbrechung der Wasserversorgung

Sachschaden
Damit das Blankdraht-Heizsystem nach Unterbrechung der Wasserversorgung nicht zerstört wird, muss das Gerät mit folgenden Schritten wieder in Betrieb genommen werden.
▶ Schalten Sie das Gerät spannungsfrei, indem Sie die Sicherungen ausschalten.
▶ Öffnen Sie die Armatur eine Minute lang, bis das Gerät und die vorgeschaltete Kaltwasser-Zuleitung luftfrei sind.
▶ Schalten Sie die Netzspannung wieder ein.
4.2 Temperaturbegrenzung/Verbrühschutz
Die maximale Auslauftemperatur kann für das Gerät auf 43 °C begrenzt werden. Sprechen Sie hierzu Ihren Fachhandwerker an.
5. Reinigung, Pflege und Wartung
▶ Verwenden Sie keine scheuernden oder anlösenden Reinigungsmittel. Zur Pflege und Reinigung des Gerätes genügt ein feuchtes Tuch.
- Kontrollieren Sie regelmäßig die Armaturen. Kalk an den Armaturausläufen können Sie mit handelsüblichen Entkalkungsmitteln entfernen.
- Problemebehebung
| Problem Ursache Behebung | ||
| Das Gerät schaltet trotz voll geöffnetem Warmwasserventil nicht ein. | Es liegt keine Spannung an. | Prüfen Sie die Sicherungen in der Hausinstallation. |
| Der Strahlregler in der Armatur oder der Duschkopf ist verkalkt oder verschmutzt. | Reinigen und / oder entkalken Sie den Strahlregler oder den Duschkopf. | |
| Während warmes Wasser entnommen wird, fließt kurzzeitig kaltes Wasser. | Die Lufterkennung erkennt Luft im Wasser und schaltet die Heizleistung kurzzeitig ab. | Das Gerät geht nach 1 Minute selbstständig wieder in Betrieb. |
| Wunschtemperatur >45 °C wird nicht erreicht. | Wasserzufuhr wurde unterbrochen. | Entlüften Sie das Gerät und die Kaltwasser-Zuleitung (siehe Kapitel „Bedienung / Einstellungsempfehlungen / Nach Unterbrechung der Wasserversorgung“). |
| Kaltwasser-Zulauftemperatur ist >45 °C. | Verringern Sie die Kaltwasser-Zulauftemperatur. | |
Können Sie die Ursache nicht beheben, rufen Sie den Fachhandwerker. Zur besseren und schnelleren Hilfe teilen Sie ihm die Nummer vom Typenschild mit (000000-0000-000000).

text_image
CHE-E ... SUI No.: 000000-0000-00000026_02_02_0818
INSTALLATION
7. Sicherheit
Die Installation, Inbetriebnahme sowie Wartung und Reparatur des Gerätes darf nur von einem Fachhandwerker durchgeführt werden.
7.1 Allgemeine Sicherheitshinweise
Wir gewährleisten eine einwandfreie Funktion und Betriebssicherheit nur, wenn das für das Gerät bestimmte Original-Zubehör und die originalen Ersatzteile verwendet werden.

Sachschaden
Beachten Sie die max. zulässige Zulauftemperatur (siehe Kapitel „Installation / Technischen Daten / Datentabelle“). Bei höheren Temperaturen kann das Gerät beschädigt werden. Mit einer Zentral-Thermostatarmatur (siehe Kapitel „Installation / Gerätebeschreibung / Zubehör“) können Sie die Zulauftemperatur begrenzen.
7.2 Vorschriften, Normen und Bestimmungen

Hinweis
Beachten Sie alle nationalen und regionalen Vorschriften und Bestimmungen.
- Die Schutzart IP 25 (strahlwassergeschützt) ist nur mit sachgemäß montierter Kabeltülle gewährleistet.
- Der spezifische elektrische Widerstand des Wassers darf nicht kleiner sein als auf dem Typenschild angegeben. Bei einem Wasser-Verbundnetz berücksichtigen Sie den niedrigsten elektrischen Widerstand des Wassers (siehe Kapitel „Installation / Technischen Daten / Datentabelle“). Den spezifischen elektrischen Widerstand oder die elektrische Leitfähigkeit des Wassers erfahren Sie bei Ihrem Wasserversorgungs-Unternehmen.
8. Gerätebeschreibung
8.1 Lieferumfang
Mit dem Gerät werden geliefert:
- Wandaufhängung
- Montageschablone
- 2 Doppelnippel
- Kaltwasser 3-Wege-Kugelabsperrventil
- Warmwasser T-Stück
- Flachdichtungen
- Sieb
- Durchflussmengen-Begrenzer
- Kunststoff-Formscheibe
- Kunststoff-Verbindungsstücke / Montagehilfe
- Kappen- und Rückwand-Führungsstücke
8.2 Zubehör
Armaturen
- MEKD-Einhebel-Küchen-Druckarmatur
- MEBD-Einhebel-Badewannen-Druckarmatur
Wasserstopfen G 12 A
Wenn Sie andere als die im Zubehör empfohlenen Aufputz-Druckarmaturen einsetzen, verwenden Sie die Wasserstopfen.
Montageset Aufputz-Installation
- Lötverschraubung Kupferrohr für Lötanschluss ∅ 12 mm
- Press-Fitting Kupferrohr
- Press-Fitting Kunststoffrohr (geeignet für Viega: Sanfix-Plus oder Sanfix-Fosta)
Universal-Montagerahmen
- Montagerahmen mit elektrischen Anschlüssen
Rohrbausatz-Untertischgeräte
Wenn Sie die Wasseranschlüsse (G 3/8 A) oberhalb des Gerätes anschließen, benötigen Sie den Bausatz für die Untertischmontage.
Rohrbausatz-Versatzmontage
Wenn Sie eine senkrechte Verschiebung des Gerätes gegenüber dem Wasseranschluss um 90 mm nach unten benötigen, verwenden Sie diesen Rohrbausatz.
Rohrbausatz-Gas-Wasserheizer-Austausch
Wenn die vorhandene Installation Gas-Wasserheizer-Anschlüsse (Kaltwasser-Anschluss links und Warmwasser-Anschluss rechts) enthält, benötigen Sie diesen Rohrbausatz.
Rohrbausatz DHB-Wassersteckkupplungen
Wenn die vorhandene Installation Wasser-Steckanschlüsse von einem DHB enthält, verwenden Sie die Wassersteckkupplungen.
Lastabwurfrelais (LR 1-A)
Das Lastabwurfrelais für den Einbau in der Elektroverteilung ermöglicht eine Vorrangschaltung des Durchlauferhitzers bei gleichzeitigem Betrieb von z. B. Elektro-Speicherheizgeräten.
ZTA 3/4 - Zentral-Thermostat-Armatur
Thermostat-Armatur für zentrale Vormischung, zum Beispiel bei Betrieb eines Durchlauferhitzers mit einer Solaranlage.
9. Vorbereitungen
9.1 Montageort

Sachschaden
Die Installation des Gerätes darf nur im frostfreien Raum erfolgen.
▶ Montieren Sie das Gerät senkrecht und in der Nähe der Entnahmestelle.
Das Gerät ist für eine Untertisch- und Übertischmontage geeignet.
Untertischmontage

1 Kaltwasser Zulauf
2 Warmwasser Auslauf
Übertischmontage

1 Kaltwasser Zulauf
2 Warmwasser Auslauf

Hinweis
▶ Montieren Sie das Gerät an der Wand. Die Wand muss ausreichend tragfähig sein.
9.2 Wasserinstallation
- Ein Sicherheitsventil ist nicht erforderlich.
▶ Spülen Sie die Wasserleitung gut durch.
Armaturen
Verwenden Sie geeignete Druckarmaturen (siehe Kapitel „Installation / Gerätebeschreibung / Zubehör“). Offene Armaturen sind nicht zulässig.

Hinweis
Das 3-Wege-Kugelabsperrventil im Kaltwasser Zulauf dürfen Sie nicht zum Drosseln des Durchflusses verwenden. Das 3-Wege-Kugelabsperrventil dient zur Absperrung des Gerätes.
Zugelassene Werkstoffe der Wasserleitungen
- Kaltwasser-Zuleitung: feuerverzinktes Stahlrohr, Edelstahlrohr, Kupferrohr oder Kunststoffrohr
- Warmwasser-Auslaufleitung: Edelstahlrohr, Kupferrohr oder Kunststoffrohr

Sachschaden
Beim Einsatz von Kunststoff-Rohrsystemen beachten Sie die maximale Zulauftemperatur und den maximal zulässigen Druck (siehe Kapitel „Installation / Technische Daten / Datentabelle“).
Volumenstrom
▶ Stellen Sie sicher, dass der Volumenstrom (siehe Kapitel „Installation / Technische Daten / Datentabelle“, Ein) zum Einschalten des Gerätes erreicht wird.
▶ Falls der benötigte Volumenstrom bei voll geöffnetem Entnahmeventil nicht erreicht wird, erhöhen Sie den Wasserleitungsdruck. Wenn der Volumenstrom trotz Erhöhung nicht erreicht wird, bauen Sie den Durchflussmengen-Begrenzer aus und die Kunststoff-Formscheibe ein.

1 Durchflussmengen-Begrenzer
2 Kunststoff-Formscheibe

Hinweis
Damit die Thermostat-Armatur richtig funktioniert, dürfen Sie den Durchflussmengen-Begrenzer nicht gegen die Kunststoff-Formscheibe austauschen.
9.3 Gerät mit umschaltbarer Anschlussleistung
Das Gerät DHB-E 18/21/24 SLi ist im Anlieferungszustand auf 21 kW geschaltet. Soll das Gerät mit einer anderen Leistung installiert werden, müssen Sie folgende Schritte vornehmen:
▶ Stecken Sie den Codierstecker entsprechend der gewählten Leistung, wählbare Leistung und Absicherung des Gerätes siehe „Installation / Technische Daten / Datentabelle“.
- Kreuzen Sie die gewählte Leistung auf dem Typenschild an. Verwenden Sie dabei einen dokumentenechten Stift.
▶ Setzen Sie den der Geräteleistung entsprechenden Durchflussmengen-Begrenzer ein (siehe Kapitel „Installation / Technische Daten / Datentabelle“).

- Elektroanschluss unten, Unterputz-Installation
- Wasseranschluss Unterputz-Installation
Weitere Montagemöglichkeiten siehe Kapitel „Installation / Montage-Alternativen“:
- Elektroanschluss Unterputz oben
- Elektroanschluss Aufputz
- Große Leiterquerschnitte beim Elektroanschluss unten
- Anschluss eines Lastabwurfrelais
- Wasserinstallation Aufputz
- Wasserinstallation Aufputz mit Lötanschluss / Press-Fitting
- Wasserinstallation Aufputz, Montage der Gerätekappe
- Montage Rückwandunterteil bei Aufputz-Schraubanschluss
- Wandaufhängung bei Geräteaustausch
- Installation bei Fliesenversatz
- Gedrehte Gerätekappe
- Temperaturbegrenzung/Verbrühschutz
10.1 Standardmontage
Gerät öffnen

- Öffnen Sie das Gerät, indem Sie die Klappe nach vorn und unten ziehen, die Schraube lösen und die Gerätekappe aufschwenken.

▶ Trennen Sie die Rückwand, indem Sie die beiden Rasthaken drücken und das Rückwandunterteil nach vorn abziehen.
Netzanschlusskabel vorbereiten

text_image
160 ≥30 1 26.02_02_0824_1 Montagehilfe
▶ Bereiten Sie das Netzanschlusskabel vor.
Wandaufhängung montieren

text_image
26.02.02.0810_- Zeichnen Sie die Bohrlöcher mit der Montageschablone an. Bei der Montage mit Aufputz liegenden Wasseranschlüssen müssen Sie zusätzlich ein Befestigungsloch im unteren Teil der Schablone anzeichnen.
Bohren Sie die Löcher und befestigen Sie die Wandaufhän-Gerät montieren
gung an 2 Punkten mit geeignetem Befestigungsmaterial (Schrauben und Dübel gehören nicht zum Lieferumfang).
▶ Montieren Sie die Wandaufhängung.
Wasseranschluss herstellen

Sachschaden
Führen Sie alle Wasseranschluss- und Installationsarbeiten nach Vorschrift aus.

D0000053319
Dichten und schrauben Sie die Doppelnippel ein.

text_image
1 2 3 4 5 D00000509471 Warmwasser mit T-Stück
2 Dichtung
3 Kaltwasser mit 3-Wege-Kugelabsperrventil
4 Sieb
5 Durchflussmengen-Begrenzer oder Kunststoff-Formscheibe (siehe Kapitel „Installation / Wasserinstallation / Volumenstrom“)

Hinweis
Beim DHB-E 18/21/24 SLi wird ein zweiter Durchflussmengen-Begrenzer mitgeliefert. Setzen Sie den der Geräteleistung entsprechenden Durchflussmengen-Begrenzer ein (siehe „Volumenstrom-Begrenzung“ im Kapitel „Installation / Technische Daten / Datentabelle“):
▶ Schrauben Sie das T-Stück und das 3-Wege-Kugelabsperrventil mit jeweils einer Flachdichtung auf die Doppelnippel.

Sachschaden
Das 3-Wege-Kugelabsperrventil im Kaltwasser Zulauf dürfen Sie nicht zum Drosseln des Durchflusses verwenden.

▶ Zur leichteren Montage drücken Sie die Kabeltülle des oberen Elektroanschlusses von hinten in die Rückwand hinein.
▶ Entfernen Sie die Transport-Schutzstopfen aus den Wasseranschlüssen.
▶ Nehmen Sie den Befestigungsknebel aus dem oberen Teil der Rückwand heraus.
▶ Führen Sie das Netzanschlusskabel von hinten durch die Kabeltülle, bis das Netzanschlusskabel am Kabelmantel anliegt. Richten Sie das Netzanschlusskabel aus.
Wenn der Querschnitt des Netzanschlusskabels > 6 mm², vergrößern Sie das Loch in der Kabeltülle.
Drücken Sie das Gerät über den Gewindebolzen der Wandaufhängung, sodass die Weichdichtung durchstoßen wird. Verwenden Sie ggf. einen Schraubendreher.
▶ Stecken Sie den Befestigungsknebel auf den Gewindebolzen der Wandaufhängung.
▶ Drücken Sie die Rückwand fest an. Verriegeln Sie den Befestigungsknebel durch eine Rechtsdrehung um 90°.

▶ Schrauben Sie die Rohre mit den Flachdichtungen auf die Doppelnippel.

Sachschaden
Für die Funktion des Gerätes muss das Sieb eingebaut sein.
Prüfen Sie beim Geräteaustausch, ob das Sieb vorhanden ist.
Elektroanschluss herstellen

WARNUNG Stromschlag
Führen Sie alle elektrischen Anschluss- und Installationsarbeiten nach Vorschrift aus.

WARNUNG Stromschlag
Der Anschluss an das Stromnetz ist nur als fester Anschluss in Verbindung mit der herausnehmbaren Kabeltülle erlaubt. Das Gerät muss über eine Trennstrecke von mindestens 3 mm allpolig vom Netzanschluss getrennt werden können.

WARNUNG Stromschlag
Achten Sie darauf, dass das Gerät an den Schutzleiter angeschlossen ist.

Sachschaden
Beachten Sie das Typenschild. Die angegebene Spannung muss mit der Netzspannung übereinstimmen.
▶ Schließen Sie das Netzanschlusskabel an die Netzanschlussklemme an (siehe Kapitel „Installation / Technische Daten / Elektroschaltpläne“).
Rückwandunterteil montieren

▶ Montieren Sie das Rückwandunterteil in die Rückwand. Rasten Sie das Rückwandunterteil ein.
Richten Sie das montierte Gerät aus, indem Sie den Befestigungsknebel lösen, den Elektroanschluss und die Rückwand ausrichten und den Befestigungsknebel wieder festdrehen. Wenn die Geräterückwand nicht anliegt, können Sie das Gerät unten mit einer zusätzlichen Schraube befestigen.
10.2 Montage abschließen
▶ Öffnen Sie das 3-Wege-Kugelabsperrventil oder das Absperrventil in der Kaltwasser-Zuleitung.
11. Inbetriebnahme

WARNUNG Stromschlag
Die Inbetriebnahme darf nur durch einen Fachhandwerker unter der Beachtung der Sicherheitsvorschriften erfolgen.
11.1 Erstinbetriebnahme

▶ Öffnen und schließen Sie mehrfach alle angeschlossenen Entnahmeventile, bis das Leitungsnetz und das Gerät luftfrei sind.
▶ Führen Sie eine Dichtheitskontrolle durch.
Aktivieren Sie den Sicherheitsdruckbegrenzer bei Fließdruck, indem Sie die Rücksetztaste fest eindrücken (das Gerät wird mit deaktiviertem Sicherheitsdruckbegrenzer ausgeliefert).
▶ Stecken Sie den Stecker vom Sollwertgeber-Kabel auf die Elektronik.
▶ Montieren Sie die Gerätekappe. Prüfen Sie den Sitz der Gerätekappe.
▶ Befestigen Sie die Gerätekappe mit der Schraube.
▶ Schalten Sie die Netzspannung ein.
- Kalibrieren Sie die Temperatur. Drehen Sie den Temperatur-Einstellknopf zum Rechts- und Linksanschlag.
Ziehen Sie die Schutzfolie von der Bedienblende ab.
Prüfen Sie die Arbeitsweise des Gerätes.
Übergabe des Gerätes
▶ Erklären Sie dem Benutzer die Funktion des Gerätes und machen Sie ihn mit dem Gebrauch des Gerätes vertraut.
▶ Weisen Sie den Benutzer auf mögliche Gefahren hin, speziell die Verbrühungsgefahr.
▶ Übergeben Sie diese Anleitung.
11.2 Wiederinbetriebnahme

Sachschaden
Damit das Blankdraht-Heizsystem nach Unterbrechung der Wasserversorgung nicht zerstört wird, muss das Gerät mit folgenden Schritten wieder in Betrieb genommen werden.
▶ Schalten Sie das Gerät spannungsfrei, indem Sie die Sicherungen ausschalten.
- Öffnen Sie die Armatur eine Minute lang, bis das Gerät und die vorgeschaltete Kaltwasser-Zuleitung luftfrei sind.
▶ Schalten Sie die Netzspannung wieder ein.
12. Außerbetriebnahme
▶ Trennen Sie das Gerät allpolig vom Netzanschluss.
Entleeren Sie das Gerät (siehe Kapitel „Installation / Wartung / Gerät entleeren“).
13. Montage-Alternativen
13.1 Elektroanschluss Unterputz oben

▶ Schneiden Sie die Kabeltülle für das Netzanschlusskabel auf.
Drücken Sie den Rasthaken zur Befestigung der Netzanschlussklemme herunter. Ziehen Sie die Netzanschlussklemme heraus.
▶ Versetzen Sie die Netzanschlussklemme im Gerät von unten nach oben. Befestigen Sie die Netzanschlussklemme, indem Sie sie unter den Rasthaken schieben.
▶ Verlegen Sie die Schaltlitzen unter der Litzenführung.
13.2 Elektroanschluss Aufputz

Hinweis
Bei dieser Anschlussart ändert sich die Schutzart des Gerätes.
- Ändern Sie das Typenschild. Streichen Sie die Angabe IP 25 durch und kreuzen Sie das Kästchen IP 24 an. Verwenden Sie dafür einen Kugelschreiber.

Sachschaden
Sollten Sie versehentlich ein falsches Loch in die Rückwand brechen, müssen Sie eine neue Rückwand verwenden.
▶ Schneiden oder brechen Sie die benötigte Durchführung in der Rückwand sauber heraus (Positionen siehe Kapitel „Installation / Technische Daten / Maße und Anschlüsse“). Entgraten Sie bei Bedarf scharfe Kanten mit einer Feile.
▶ Führen Sie das Netzanschlusskabel durch die Kabeltülle. Schließen Sie das Netzanschlusskabel an die Netzanschlussklemme an.
13.3 Große Leiterquerschnitte beim Elektroanschluss unten
Wenn Sie große Leiterquerschnitte verwenden, können Sie die Kabeltülle nach der Montage des Gerätes montieren.

text_image
1. 2. 3. 4. 26_02_02_1174_▶ Vor der Montage des Gerätes drücken Sie die Kabeltülle mithilfe eines Schraubendrehers heraus.
▶ Schieben Sie die Kabeltülle über das Netzanschlusskabel. Verwenden Sie die Montagehilfe aus dem Lieferumfang. Bei einem Querschnitt > 6 mm² vergrößern Sie das Loch in der Kabeltülle.
▶ Schieben Sie die Kabeltülle in die Rückwand. Rasten Sie die Kabeltülle ein.
13.4 Anschluss eines Lastabwurfrelais
Setzen Sie ein Lastabwurfrelais in Kombination mit anderen Elektrogeräten, z. B. Elektro-Speicherheizgeräte, in der Elektroverteilung ein. Der Lastabwurf erfolgt bei Betrieb des Durchlauferhitzers.

Sachschaden
Schließen Sie die Phase, die das Lastabwurfrelais schaltet, an die gekennzeichnete Klemme der Netzanschlussklemme im Gerät an (siehe Kapitel „Installation / Technische Daten / Elektroschaltpläne“).
13.5 Wasserinstallation Aufputz

Hinweis
Bei dieser Anschlussart ändert sich die Schutzart des Gerätes.
- Ändern Sie das Typenschild. Streichen Sie die Angabe IP 25 durch und kreuzen Sie das Kästchen IP 24 an. Verwenden Sie dafür einen Kugelschreiber.

text_image
18 Nm 24 D000033104Montieren Sie Wasserstopfen mit Dichtungen, um den Unterputzanschluss zu verschließen. Bei den Armaturen aus dem „Zubehör“ gehören die Wasserstopfen und Dichtungen zum Lieferumfang. Für andere als von uns empfohlene Druckarmaturen können Sie Wasserstopfen und Dichtungen als „Zubehör“ bestellen.
▶ Montieren Sie eine geeignete Druckarmatur.
▶ Legen Sie das Rückwandunterteil unter die Anschlussrohre der Armatur und schieben es in die Rückwand ein.
▶ Verschrauben Sie die Anschlussrohre mit dem T-Stück und dem 3-Wege-Kugelabsperrventil.
13.6 Wasserinstallation Aufputz mit Lötanschluss / Press-Fitting
Sie können mit dem Zubehör „Lötanschluss“ oder „Press-Fitting“ Kupfer-Rohrleitungen oder auch Kunststoff-Rohrleitungen verbinden.
Beim „Lötanschluss“ mit einem Schraubanschluss für 12 mm Kupfer-Rohrleitungen müssen Sie wie folgt vorgehen:
▶ Schieben Sie die Überwurfmuttern über die Anschlussrohre.
▶ Verlöten Sie die Einlegeteile mit den Kupferleitungen.
▶ Legen Sie das Rückwandunterteil unter die Anschlussrohre der Armatur und schieben es in die Rückwand ein.
▶ Verschrauben Sie die Anschlussrohre mit dem T-Stück und dem 3-Wege-Kugelabsperrventil.

Hinweis
Beachten Sie die Hinweise des Armaturenherstellers.
13.7 Wasserinstallation Aufputz, Montage der Gerätekappe

1 Rückwand-Führungsstücke
2 Schraube
3 Kappen-Führungsstücke
4 Durchführungsöffnung
▶ Brechen Sie die Durchführungsöffnungen in der Gerätekappe sauber heraus. Benutzen Sie bei Bedarf eine Feile.

Hinweis
Sie können bei einem leichten Versatz der Anschlussrohre die Kappen-Führungsstücken verwenden.
▶ Beim größeren Versatz der Anschlussrohre montieren Sie die Rückwand-Führungsstücke nicht.
▶ Bei der Montage der Anschlussrohre ohne Versatz brechen Sie die Lippen der Kappenführungsstücke heraus.
▶ Rasten Sie die Kappen-Führungsstücke in die Durchführungsöffnungen ein.
▶ Setzen Sie die Rückwand-Führungsstücke auf die Rohre. Schieben Sie sie zusammen. Anschließend schieben Sie die Führungsstücke bis zum Anschlag an die Rückwand.
▶ Befestigen Sie die Rückwand unten mit einer Schraube.
▶ Wenn Sie flexible Wasser-Anschlussleitungen verwenden, verhindern Sie das Verdrehen der Rohrbögen (Bajonett-Verbindungen im Gerät).
13.8 Montage Rückwandunterteil bei Aufputz-Schraubanschluss
Bei Verwendung von AP-Schraubanschlüssen kann das Rückwand-Unterteil auch nach der Armaturenmontage montiert werden. Dazu sind folgende Schritte nötig:
▶ Sägen Sie das Rückwand-Unterteil auf.
▶ Montieren Sie das Rückwand-Unterteil, indem Sie es seitlich aufbiegen und über die Aufputzrohre führen.
▶ Stecken Sie die Verbindungsstücke von hinten in das Rückwand-Unterteil ein.
▶ Rasten Sie das Rückwand-Unterteil in die Rückwand ein.
▶ Befestigen Sie das Rückwand-Unterteil mit einer Schraube.
13.10 Installation bei Fliesenversatz

text_image
2 ≤ 20 ≥ 110 126_02_02_1066_

text_image
3 2 1 <2 <2 26_02_02_10801 Rückwand-Unterteil
2 Verbindungsstücke aus dem Beipack
3 Schraube
13.9 Wandaufhängung bei Geräteaustausch
Eine vorhandene Wandaufhängung von STIEBEL ELTRON kann bei Geräteaustausch verwendet werden (Ausnahme Durchlauferhitzer DHF).
▶ Durchstoßen Sie die Rückwand des Gerätes für den Gewindebolzen auf der montierten Wandaufhängung.
Austausch des Durchlauferhitzers DHF

▶ Versetzen Sie den Gewindebolzen auf der Wandaufhängung (der Gewindebolzen hat ein selbstfurchendes Gewinde).
Drehen Sie die Wandaufhängung um 180° und montieren Sie sie an die Wand (der Schriftzug DHF erscheint dann in Leserichtung).
1 Mindestauflage des Gerätes
2 Maximaler Fliesenversatz
▶ Justieren Sie den Wandabstand. Verriegeln Sie die Rückwand mit dem Befestigungsknebel (90° Rechtsdrehung).
13.11 Gedrehte Gerätekappe
Bei einer Untertischmontage kann die Gerätekappe gedreht werden.

▶ Nehmen Sie die Bedieneinheit aus der Gerätekappe. Drücken Sie dazu die Rasthaken.
Drehen Sie Gerätekappe. Rasten Sie die Bedieneinheit wieder ein, dabei müssen alle Rasthaken einrasten. Zur leichteren Montage der Bedieneinheit drücken Sie gegen die Innenseite der Gerätekappe im schraffierten Bereich.
Sachschaden Eine Bediene
▶ Stecken Sie das Sollwertgeber-Kabel auf die Elektronik (siehe Kapitel „Installation / Inbetriebnahme / Erstinbetriebnahme“).
Hängen Sie die Gerätekappe oben ein. Schwenken Sie die Gerätekappe unten auf die Rückwand und drücken die Gerätekappe an, bis sie hörbar einrastet.
▶ Verschrauben Sie die Gerätekappe.
13.12 Temperaturbegrenzung/Verbrühschutz
Die maximale Temperaturbegrenzung kann im Bedienelement der Gerätekappe auf 43 °C begrenzt werden. Dazu sind folgende Schritte notwendig:
▶ Nehmen Sie die Gerätekappe ab.
▶ Nehmen Sie die eingesteckte Elektronikplatine aus dem Bedienelement der Gerätekappe. Achten Sie dabei auf die Schnapphaken.
▶ Versetzen Sie den Stecker von links nach rechts (Position „43 °C“).
Bauen Sie das Bedienelement wieder ein, die Schnapphaken müssen einrasten. Achten Sie auf die Knopf- und Achsposition.

VORSICHT Verbrennung
Bei Betrieb mit vorgewärmtem Wasser kann die eingestellte Temperaturbegrenzung oder der Verbrühschutz unwirksam sein.
In diesem Fall begrenzen Sie die Temperatur an der vorgeschalteten Zentral-Thermostatarmatur, siehe Kapitel "Installation / Gerätebeschreibung / Zubehör".

14. Störungsbehebung

WARNUNG Stromschlag
Um das Gerät prüfen zu können, muss die Netzspannung am Gerät anliegen.
Anzeigemöglichkeiten der Diagnoseampel (LED)
| rot leuchtet bei Störung | |
| gelb leuchtet bei Heizbetrieb | |
| grün blinkt: Gerät am Netzanschluss |
| Störung / Anzeige LED-Diagnoseampel Ursache Behebung | |||
| Das Gerät schaltet nicht ein. | Der Duschkopf / die Strahlregler sind verkalkt. | Entkalken ggf. erneuern Sie den Duschkopf / die Strahlregler. | |
| Der Durchfluss ist zu gering. | Das Sieb im Gerät ist verschmutzt. | Reinigen Sie das Sieb. | |
| Die Solltemperatur wird nicht erreicht. | Eine Phase fehlt. | Prüfen Sie die Sicherung in der Hausinstallation. | |
| Die Heizung schaltet ab. | Die Luftkerkennung sensiert Luft im Wasser. Die Heizleistung schaltet kurzzeitig ab. | Das Gerät geht nach einer Minute wieder in Betrieb. | |
| Kein warmes Wasser und keine Ampelanzeige. | Die Sicherung hat ausgelöst. | Prüfen Sie die Sicherung in der Hausinstallation. | |
| Der Sicherheitsdruckbegrenzer hat ausgeschaltet. | Beseitigen Sie die Fehlerursache (z. B. ein defekter Druckspüler). | ||
| Schützen Sie das Heizsystem vor Überhitzung, in dem Sie ein dem Gerät nachgeschaltetes Zapfventile eine Minute öffnen. Dadurch wird das Heizsystem druckentlastet und abgekühlt. | |||
| Aktivieren Sie den Sicherheitsdruckbegrenzer bei Fließdruck, indem Sie die Rücksetztaste drücken, siehe auch Kapitel „Installation / Inbetriebnahme / Erstinbetriebnahme“. | |||
| Die Elektronik ist defekt. | Prüfen Sie die Elektronik, ggf. tauschen. | ||
| Ampelanzeige: grün blinktKein warmes Wasser bei Durchfluss >3 l/min. | Die Durchflusserkennung DFE ist nicht aufgesteckt. | Stecken Sie den Stecker der Durchflusserkennung wieder auf. | |
| Die Durchflusserkennung DFE ist defekt. | Kontrollieren Sie die Durchflusserkennung, ggf. tauschen. | ||
| Die Solltemperatur wird nicht erreicht. | Der Sollwertgeber oder das Verbindungskabel ist defekt oder das Verbindungskabel ist nicht aufgesteckt. | Stecken Sie das Verbindungskabel auf, ggf. Sollwertgeber tauschen. | |
| Die Temperaturbegrenzung ist aktiviert. | Deaktivieren Sie die Temperaturbegrenzung. | ||
| Ampelanzeige: gelb Dauerlicht, grün blinktKein warmes Wasser bei Durchfluss >3 l/min. | Der Sicherheitstemperaturbegrenzer STB hat ausgelöst oder ist unterbrochen. | Kontrollieren Sie den Sicherheitstemperaturbegrenzer, ggf. tauschen. | |
| Das Heizsystem ist defekt. | Messen Sie den Widerstand vom Heizsystem, ggf. tauschen. | ||
| Die Elektronik ist defekt. | Prüfen Sie die Elektronik, ggf. tauschen. | ||
| Ampelanzeige: gelb Dauerlicht, grün blinkt | Der Auslaufsensor ist defekt. | Prüfen Sie die Verbindung, ggf. Auslaufsensor tauschen. | |
| Solltemperatur wird nicht erreicht. | Gerät an der Leistungsgrenze. | Reduzieren Sie den Durchfluss. Bauen Sie den Durchflussmengen-Begrenzer ein. | |
| Ampelanzeige: rot Dauerlicht, grün blinkt | Der Auslaufsensor ist defekt. | Prüfen Sie die Verbindung, ggf. Auslaufsensor tauschen. | |
| Kein warmes Wasser | Der Kaltwasser-Sensor ist defekt. | Prüfen Sie die Elektronik, ggf. tauschen. | |
| Wunschtemperatur >45 °C wird nicht erreicht | Die Kaltwasser-Zulauftemperatur ist höher als 45 °C. | Verringern Sie die Kaltwasser-Zulauftemperatur zum Gerät. | |
15. Wartung

WARNUNG Stromschlag
Trennen Sie bei allen Arbeiten das Gerät allpolig vom Netzanschluss.
Gerät entleeren
Das Gerät können Sie für Wartungsarbeiten entleeren.

WARNUNG Verbrennung
Wenn Sie das Gerät entleeren, kann heißes Wasser austreten.
▶ Schließen Sie das 3-Wege-Absperrventil oder das Absperrventil in der Kaltwasser-Zuleitung.
▶ Öffnen Sie alle Entnahmeventile.
Lösen Sie die Wasseranschlüsse vom Gerät.
Lagern Sie ein demontiertes Gerät frostfrei, da sich Restwasser im Gerät befindet, das gefrieren und Schäden verursachen kann.
Sieb reinigen
Reinigen Sie bei Verschmutzung das Sieb im Kaltwasser-Schraubanschluss. Schließen Sie das 3-Wege-Absperrventil oder das Absperrventil in der Kaltwasser-Zuleitung, bevor Sie das Sieb ausbauen, reinigen und wieder einbauen.
16. Technische Daten
16.1 Maße und Anschlüsse

text_image
140 478 414 368 44 100 C01606 b03 b02 30 35 338 105≤20 35 114 D0000017973| DHB-E SLi | |||
| b02 | Durchführung elektr. Leitungen I | ||
| b03 | Durchführung elektr. Leitungen II | ||
| c01 | Kaltwasser Zulauf | Außengewinde | G 1/2 A |
| c06 | Warmwasser Auslauf | Außengewinde | G 1/2 A |
Alternative Anschlussmöglichkeiten

text_image
338 b04 50 44 165 b04 b03 47 b02 30 b04 b04 72 35 325 D000019212| DHB-E SLi | |
| b02 Durchführung elektr. Leitungen I | |
| b03 Durchführung elektr. Leitungen II | |
| b04 Durchführung elektr. Leitungen III |
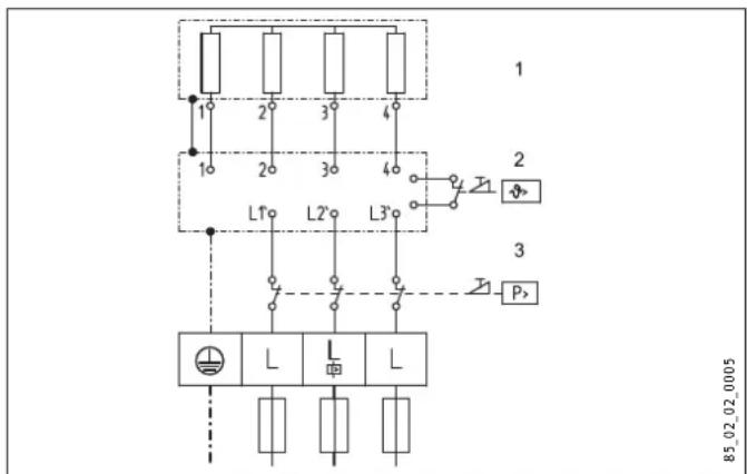
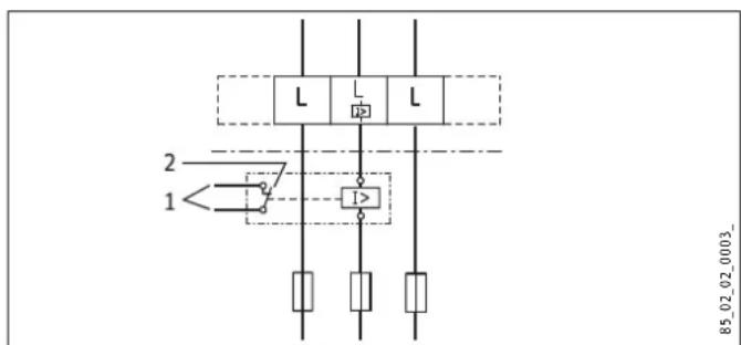
16.2 Elektroschaltplan
3/PE \~ 380-415 V

1 Beheizung
2 Sicherheitstemperaturbegrenzer
3 Sicherheitsdruckbegrenzer
Vorrangschaltung mit LR 1-A

1 Steuerleitung zum Schaltschütz des 2. Gerätes (z. B. Elektro-Speicherheizgerät).
2 Steuerkontakt öffnet beim Einschalten des Durchlauferhitzers.
16.3 Warmwasserleistung
Die Warmwasserleistung ist abhängig von der anliegenden Netzspannung, der Anschlussleistung des Gerätes und der Kaltwasser-Zulauftemperatur. Die Nennspannung und die Nennleistung entnehmen Sie dem Typenschild (siehe „Kapitel „Bedienung / Problembehebung“).
Anschlussleistung in kW 38 °C Warmwasserleistung in l/min. Nennspannung Kaltwasser-Zulauftemperatur
Anschlussleistung in kW 50 °C Warmwasserleistung in L/min. Nennspannung Kaltwasser-Zulauftemperatur
16.4 Einsatzbereiche / Umrechnungstabelle
Spezifischer elektrischer Widerstand und spezifische elektrische Leitfähigkeit (siehe Kapitel „Installation / Datentabelle“).
| Normangabe bei 15 °C | 20 °C | 25 °C | ||||||
| Widerstand ≥ | Leitfähigkeit ≤ | Widerstand ≥ | Leitfähigkeit ≤ | Widerstand ≥ | Leitfähigkeit ≤ | |||
| mS/m | S/cm | mS/m | S/cm | mS/m | S/cm | |||
| 900 | 111 | 1111 | 800 | 125 | 1250 | 735 | 136 | 1361 |
| 1000 | 100 | 1000 | 890 | 112 | 1124 | 815 | 123 | 1227 |
| 1100 | 91 | 909 | 970 | 103 | 1031 | 895 | 112 | 1117 |
| 1200 | 83 | 833 | 1070 | 93 | 935 | 985 | 102 | 1015 |
| 1300 | 77 | 769 | 1175 | 85 | 851 | 1072 | 93 | 933 |
16.5 Druckverluste
Armaturen
Druckverlust der Armaturen bei Volumenstrom 10 L/min
| Einhandmischer, ca. | MPa | 0,04 - 0,08 |
| Thermostat-Armatur, ca. | MPa | 0,03 - 0,05 |
| Duschkopf, ca. | MPa | 0,03 - 0,15 |
Rohrnetz-Dimensionierungen
Zur Berechnung der Rohrnetz-Dimensionierungen wird für das Gerät ein Druckverlust von 0,1 MPa empfohlen.
16.6 Störfallbedingungen
Im Störfall können in der Installation kurzfristig Belastungen von maximal 95 °C bei einem Druck von 1,2 MPa auftreten.
16.7 Landesspezifische Zulassungen und Zeugnisse: Deutschland
Für das Gerät ist aufgrund der Landesbauordnungen ein allgemeines bauaufsichtliches Prüfzeugnis zum Nachweis der Verwendbarkeit hinsichtlich des Geräuschverhaltens erteilt.

text_image
STIEBEL ELTRON DIN 4109 PA-IX 6816/I LGA16.8 Angaben zum Energieverbrauch
Die Produktdaten entsprechen den EU-Verordnungen zur Richtlinie für umweltgerechte Gestaltung energieverbrauchsrelevanter Produkte (ErP).
| DHB-E 11 SLi DHB-E 13 SLi DHB-E 18 SLi 25 A DHB-E 18/21/24 SLi DHB-E 27 SLi | ||||||
| 232013 | 232014 | 232015 | 232016 | 232017 | ||
| Hersteller | STIEBEL ELTRON | STIEBEL ELTRON | STIEBEL ELTRON | STIEBEL ELTRON | STIEBEL ELTRON | |
| Lastprofil | S | S | S | S | S | |
| Energieeffizienzklasse | A | A | A | A | A | |
| Jährlicher Stromverbrauch | kWh | 472 | 472 | 477 | 477 | 481 |
| Energetischer Wirkungsgrad | % | 39 | 39 | 39 | 39 | 39 |
| Temperatureinstellung ab Werk | °C | 60 | 60 | 60 | 60 | 60 |
| Schallleistungspegel | dB(A) | 15 | 15 | 15 | 15 | 15 |
| Besondere Hinweise zur Effizienzmessung | keine | keine | keine | Angaben bei Pmax. | keine | |
16.9 Datentabelle
| DHB-E 11 SLi DHB-E 13 SLi DHB-E 18 SLi | 25 A | DHB-E 18/21/24 SLi | DHB-E 27 SLi | ||||||||||||
| 232013 | 232014 | 232015 | 232016 | 232017 | |||||||||||
| Elektrische Daten | |||||||||||||||
| Nennspannung | V | 380 | 400 | 415 | 380 | 400 | 415 | 380 | 400 | 415 | 380 | 400 | 415 | 380 | 400 |
| Nennleistung | kW | 10,1 | 11 | 12,2 | 13,5 | 14,5 | 16,2 | 18 | 19,4 | 16,2/19/21,7 | 18/21/24 | 19,4/22,6/25,8 | 24,4 | 27 | |
| Nennstrom | A | 15,4 | 16 | 18,5 | 19,5 | 20,2 | 24,7 | 26 | 27 | 27,6/29,5/33,3 | 29/31/35 | 30,1/32,2/36,3 | 37,1 | 39 | |
| Absicherung | A | 16 | 16 | 20 | 20 | 20 | 25 | 25 | 32 | 32/32/35 | 32/32/35 | 32/32/40 | 40 | 40 | |
| Phasen | 3/PE | 3/PE | 3/PE | 3/PE | 3/PE | ||||||||||
| Frequenz | Hz | 50/60 | 50/60 | 50/60 | 50/60 | 50/- | 50/60 | 50/60 | 50/- | 50/60 | 50/60 | 50/- | 50/- | 50/- | |
| Spezifischer Widerstand _15 ≥ (bei ∅kalt ≤25°C) | Ω cm | 900 | 900 | 1000 | 900 | 900 | 1000 | 900 | 900 | 1000 | 900 | 900 | 1000 | 900 | 900 |
| Spezifische Leitfähigkeit _15 ≤ (bei ∅kalt ≤25°C) | μS/cm | 1111 | 1111 | 1000 | 1111 | 1111 | 1000 | 1111 | 1111 | 1000 | 1111 | 1111 | 1000 | 1111 | 1111 |
| Spezifischer Widerstand _15 ≥ (bei ∅kalt ≤45°C) | Ω cm | 1200 | 1200 | 1300 | 1200 | 1200 | 1300 | 1200 | 1200 | 1300 | 1200 | 1200 | 1300 | 1200 | 1200 |
| Spezifische Leitfähigkeit _15 ≤ (bei ∅kalt ≤45°C) | μS/cm | 833 | 833 | 770 | 833 | 833 | 770 | 833 | 833 | 770 | 833 | 833 | 770 | 833 | 833 |
| Max. Netzimpedanz bei 50Hz | Ω | 0,379 | 0,360 | 0,347 | 0,284 | 0,270 | 0,260 | 0,254 | 0,241 | ||||||
| Anschlüsse | |||||||||||||||
| Wasseranschluss | G 1/2 A | G 1/2 A | G 1/2 A | G 1/2 A | G 1/2 A | ||||||||||
| Einsatzgrenzen | |||||||||||||||
| Max. zulässiger Druck | MPa | 1 | 1 | 1 | 1 | 1 | |||||||||
| Max. Zulauftemperatur für Nacherwärmung | °C | 45 | 45 | 45 | 45 | 45 | |||||||||
| Werte | |||||||||||||||
| Max. zulässige Zulauftemperatur | °C | 60 | 60 | 60 | 60 | 60 | |||||||||
| Ein | l/min | >3,0 | >3,0 | >3,0 | >3,0 | >3,0 | |||||||||
| Volumenstrom für Druckverlust | l/min | 3,1 | 3,9 | 5,2 | 5,2/6,0/6,9 | 7,7 | |||||||||
| Druckverlust bei Volumenstrom | MPa | 0,07 (0,02 ohne DMB) | 0,11 (0,03 ohne DMB) | 0,08 (0,06 ohne DMB) | 0,08/0,10/0,13 (0,06/0,08/0,10 ohne DMB) | 0,16 (0,12 ohne DMB) | |||||||||
| Volumenstrom-Begrenzung bei | l/min | 4,0 | 4,0 | 7,5 | 7,5/7,5/8,5 | 8,5 | |||||||||
| Warmwasserdarbietung | l/min | 5,6 | 6,9 | 9,2 | 9,2/10,7/12,3 | 13,8 | |||||||||
| Δ9 bei Darbietung | K | 28 | 28 | 28 | 28 | 28 | |||||||||
| Hydraulische Daten | |||||||||||||||
| Nenninhalt | I | 0,4 | 0,4 | 0,4 | 0,4 | 0,4 | |||||||||
| Ausführungen | |||||||||||||||
| Anschlussleistung wählbar | - | - | - | X | - | ||||||||||
| Temperatureinstellung | °C | 30 - 60 | 30 - 60 | 30 - 60 | 30 - 60 | 30 - 60 | |||||||||
| Schutzklasse | 1 | 1 | 1 | 1 | 1 | ||||||||||
| Isolierblock | Kunststoff | Kunststoff | Kunststoff | Kunststoff | Kunststoff | ||||||||||
| Heizsystem Wärmeerzeuger | Blankdraht | Blankdraht | Blankdraht | Blankdraht | Blankdraht | ||||||||||
| Kappe und Rückwand | Kunststoff | Kunststoff | Kunststoff | Kunststoff | Kunststoff | ||||||||||
| Farbe | weiß | weiß | weiß | weiß | weiß | ||||||||||
| Schutzart (IP) | IP25 | IP25 | IP25 | IP25 | IP25 | ||||||||||
| Dimensionen | |||||||||||||||
| Höhe | mm | 478 | 478 | 478 | 478 | 478 | |||||||||
| Breite | mm | 225 | 225 | 225 | 225 | 225 | |||||||||
| Tiefe | mm | 105 | 105 | 105 | 105 | 105 | |||||||||
| Gewichte | |||||||||||||||
| Gewicht | kg | 3,6 | 3,6 | 3,6 | 3,6 | 3,6 | |||||||||
Garantie
Für außerhalb Deutschlands erworbene Geräte gelten nicht die Garantiebedingungen unserer deutschen Gesellschaften. Vielmehr kann in Ländern, in denen eine unserer Tochtergesellschaften unsere Produkte vertreibt, eine Garantie nur von dieser Tochtergesellschaft erteilt werden. Eine solche Garantie ist nur dann erteilt, wenn die Tochtergesellschaft eigene Garantiebedingungen herausgegeben hat. Darüber hinaus wird keine Garantie erteilt.
Für Geräte, die in Ländern erworben werden, in denen keine unserer Tochtergesellschaften unsere Produkte vertreibt, erteilen wir keine Garantie. Etwaige vom Importeur zugesicherte Garantien bleiben hiervon unberührt.
Umwelt und Recycling
Bitte helfen Sie, unsere Umwelt zu schützen. Entsorgen Sie die Materialien nach der Nutzung gemäß nationalen Vorschriften.
SPECIAL INFORMATION
OPERATION
text_image
2 1 26.02.02.08201 Flow limiter
text_image
26.02.02.0810_VOORZICHTIG verbranding
VOORZICHTIG verbranding
Thermostatische kraan
text_image
2 1 26.02.02.08201 Doorstroomvolumebegrenzer
β Kunststof vormring

Info
text_image
1. 2. 3. 4. 26.02.02.1124_VOORZICHTIG verbranding
16. Technische gegevens
text_image
26.02.02.081014. Usuwanie usterek

STIEBEL ELTRON GmbH & Co. KG
Dr.-Stiebel-Straße 33 | 37603 Holzminden
Tel. 05531 702-0 | Fax 05531 702-480
info@stiebel-eltron.de
www.stiebel-eltron.de
Verkauf Tel. 05531 702-110 | Fax 05531 702-95108 | info-center@stiebel-eltron.de
Kundendienst Tel. 05531 702-111 | Fax 05531 702-95890 | kundendienst@stiebel-eltron.de
Ersatzteilverkauf Tel. 05531 702-120 | Fax 05531 702-95335 | ersatzteile@stiebel-eltron.de
Australia
STIEBEL ELTRON Australia Pty. Ltd.
EinfachAnleitung