DHE 18 SLi - Elektrischer Wassererhitzer STIEBEL ELTRON - Kostenlose Bedienungsanleitung
Finden Sie kostenlos die Bedienungsanleitung des Geräts DHE 18 SLi STIEBEL ELTRON als PDF.
Häufig gestellte Fragen - DHE 18 SLi STIEBEL ELTRON
Questions des utilisateurs sur DHE 18 SLi STIEBEL ELTRON
0 question sur cet appareil. Repondez a celles que vous connaissez ou posez la votre.
Poser une nouvelle question sur cet appareil
Laden Sie die Anleitung für Ihr Elektrischer Wassererhitzer kostenlos im PDF-Format! Finden Sie Ihr Handbuch DHE 18 SLi - STIEBEL ELTRON und nehmen Sie Ihr elektronisches Gerät wieder in die Hand. Auf dieser Seite sind alle Dokumente veröffentlicht, die für die Verwendung Ihres Geräts notwendig sind. DHE 18 SLi von der Marke STIEBEL ELTRON.
BEDIENUNGSANLEITUNG DHE 18 SLi STIEBEL ELTRON
- Allgemeine Hinweise 2
1.1 Sicherheitshinweise 2
1.2 Andere Markierungen in dieser Dokumentation ____ 3
1.3 Maßeinheiten 3
- Sicherheit 3
2.1 Bestimmungsgemäße Verwendung ____ 3
2.2 Allgemeine Sicherheitshinweise 3
2.3 Prüfzeichen 3
-
Gerätebeschreibung ____ 4
-
Einstellungen und Anzeigen ____ 4
4.1 Bedienfeld am Gerät 4
4.2 Temperatur einstellen 5
4.3 Sparmonitor aufrufen 5
4.4 Einstellungen am Gerät 6
-
Reinigung, Pflege und Wartung 7
-
Problembehebung 7
INSTALLATION
- Sicherheit 8
7.1 Allgemeine Sicherheitshinweise 8
7.2 Vorschriften, Normen und Bestimmungen 8
- Gerätebeschreibung 8
8.1 Lieferumfang 8
8.2 Zubehör 8
- Vorbereitungen 9
9.1 Montageort 9
9.2 Werkseinstellungen ____ 9
- Montage 10
10.1 Montage abschließen 12
10.2 Montage-Alternativen 12
- Inbetriebnahme 15
11.1 Erstinbetriebnahme 15
11.2 Wiederinbetriebnahme 15
-
Kundendienstmodus 15
-
Außerbetriebnahme 16
-
Störungsbehebung 16
-
Wartung 18
-
Technische Daten 18
16.1 Maße und Anschlüsse 18
16.2 Elektroschaltplan 18
16.3 Mischwassermenge / Auslaufmenge 19
16.4 Einsatzbereiche / Umrechnungstabelle 19
16.5 Druckverluste 19
16.6 Störfallbedingungen 19
16.7 Angaben zum Energieverbrauch 20
16.8 Datentabelle 20
GARANTIE
UMWELT UND RECYCLING
BEDIENUNG
1. Allgemeine Hinweise
Das Kapitel „Bedienung“ richtet sich an den Gerätebenutzer und den Fachhandwerker.
Das Kapitel „Installation“ richtet sich an den Fachhandwerker.

Hinweis
Lesen Sie diese Anleitung vor dem Gebrauch sorgfältig durch und bewahren Sie sie auf.
Geben Sie die Anleitung gegebenenfalls an einen nachfolgenden Benutzer weiter.
1.1 Sicherheitshinweise
1.1.1 Aufbau von Sicherheitshinweisen

SIGNALWORT Art der Gefahr Hier stehen mögliche Folgen bei Nichtbeachtung des Sicherheitshinweises.
Hier stehen Maßnahmen zur Abwehr der Gefahr.
1.1.2 Symbole, Art der Gefahr
| Symbol | Art der Gefahr |
![]() | Verletzung |
![]() | Stromschlag |
![]() | Verbrennung oder Verbrühung |
1.1.3 Signalworte
| SIGNALWORT | Bedeutung |
| GEFAHR | Hinweise, deren Nichtbeachtung schwere Verletzungen oder Tod zur Folge haben. |
| WARNUNG | Hinweise, deren Nichtbeachtung schwere Verletzungen oder Tod zur Folge haben kann. |
| VORSICHT | Hinweise, deren Nichtbeachtung zu mittelschweren oder leichten Verletzungen führen kann. |
1.2 Andere Markierungen in dieser Dokumentation

Hinweis
Hinweise werden durch horizontale Linien ober- und unterhalb des Textes begrenzt. Allgemeine Hinweise werden mit dem nebenstehenden Symbol gekennzeichnet.
Lesen Sie die Hinweistexte sorgfältig durch.
Symbol
| ! | |
| × |
Sachschaden
(Geräte-, Folge-, Umweltschaden)
Geräteentsorgung
▶ Dieses Symbol zeigt Ihnen, dass Sie etwas tun müssen. Die erforderlichen Handlungen werden Schritt für Schritt beschrieben.
1.3 Maßeinheiten

Hinweis
Wenn nicht anders angegeben, ist die verwendete Maß-einheit Millimeter.
2. Sicherheit
2.1 Bestimmungsgemäße Verwendung
Das Gerät ist für den Einsatz im häuslichen Umfeld vorgesehen. Es kann von nicht eingewiesenen Personen sicher bedient werden. In nicht häuslicher Umgebung, z. B. im Kleingewerbe, kann das Gerät ebenfalls verwendet werden, sofern die Benutzung in gleicher Weise erfolgt.
Eine andere oder darüber hinausgehende Benutzung gilt als nicht bestimmungsgemäß. Zum bestimmungsgemäßen Gebrauch gehört auch das Beachten dieser Anleitung sowie der Anleitungen für eingesetztes Zubehör.
Das Druckgerät dient zur Erwärmung von Trinkwasser oder zur Nacherwärmung von vorgewärmtem Wasser. Das Gerät kann ein oder mehrere Entnahmestellen versorgen.
2.2 Allgemeine Sicherheitshinweise

VORSICHT Verbrennung
Die Armatur kann während des Betriebs eine Temperatur von über 60 °C annehmen.
Bei Auslauftemperaturen größer 43 °C besteht Verbrühungsgefahr.

WARNUNG Verletzung
Das Gerät kann von Kindern ab 8 Jahren sowie von Personen mit verringerten physischen, sensorischen oder mentalen Fähigkeiten oder Mangel an Erfahrung und Wissen benutzt werden, wenn sie beaufsichtigt werden oder bezüglich des sicheren Gebrauchs des Geräts unterwiesen wurden und die daraus resultierenden Gefahren verstanden haben. Kinder dürfen nicht mit dem Gerät spielen. Reinigung und Benutzer-Wartung dürfen nicht von Kindern ohne Beaufsichtigung durchgeführt werden.
Falls Kinder oder Personen mit eingeschränkten körperlichen, sensorischen oder geistigen Fähigkeiten das Gerät benutzen, empfehlen wir eine dauerhafte Temperaturbegrenzung. Die Begrenzung können Sie oder der Fachhandwerker einstellen:
- Kindersicherung vom Benutzer einstellbar
- Verbrühschutz vom Fachhandwerker einstellbar

Sachschaden
Das Gerät und die Armatur sind vom Nutzer vor Frost zu schützen.
2.3 Prüfzeichen
Siehe Typenschild am Gerät
Landesspezifische Zulassungen und Zeugnisse: Deutschland
Für das Gerät ist auf Grund der Landesbauordnungen ein allgemeines bauaufsichtliches Prüfzeugnis zum Nachweis der Verwendbarkeit hinsichtlich des Geräuschverhaltens erteilt.

text_image
STIEBEL ELTRON DIN 4109 PA-IX 6830/I MPA NRW.3. Gerätebeschreibung
Das vollelektronisch geregelte Gerät mit automatischer Leistungsanpassung hält die Auslauftemperatur konstant. Das Wasser wird durch die vollelektronische Regelung mit Motorventil gradgenau auf die eingestellte Temperatur erwärmt. Dies geschieht unabhängig von der Zulauftemperatur.
Warmwassertemperatur
Die Warmwasser-Auslauftemperatur können Sie stufenlos einstellen. Die eingestellte Temperatur erscheint auf dem Display.
Heizsystem
Das Blankdraht-Heizsystem hat einen druckfesten Kupfermantel. Das Heizsystem ist für kalkarme und kalkhaltige Wässer geeignet, es ist gegen Verkalkung weitgehend unempfindlich. Das Heizsystem sorgt für eine schnelle und effiziente Warmwasserversorgung.

Hinweis
Das Gerät ist mit einer Lufterkennung ausgestattet, die eine Beschädigung des Heizsystems weitgehend verhindert. Gelangt während des Betriebes Luft in das Gerät, schaltet die Heizleistung automatisch für eine Minute aus und das Heizsystem ist geschützt.
Hintergrundbeleuchtung im Display
Das Display hat eine zweifarbige Hintergrundbeleuchtung (grün / bernstein).
Effizienz-Display
Das grüne ECO-Backlight signalisiert besonders ökonomische Betriebszustände
- wenn die eingeschaltete Leistung kleiner 80 % ist
- wenn bei einer Zulauftemperatur von größer 35 °C die maximale Leistung kleiner 80 % ist
- wenn bei eingeschalteter ECO-Funktion die maximale Leistung kleiner 80 % ist
In allen anderen Betriebszuständen ist die Hintergrundbeleuchtung bernsteinfarben.
Sparmonitor
Das Gerät besitzt einen Sparmonitor. Dieser wird mit einem Druck auf die entsprechende Taste aktiviert. Anzeigen:
- Energieeinsparung*
- Wassereinsparung*
- CO₂-Einsparung*
- Energiemenge
- Wasserverbrauch
* im Vergleich zu hydraulischen Durchlauferhitzern. Berechnung für einen 3-Personen-Haushalt mit personenbezogenen Nutzwasserbedarf und Nutzenergiebedarf nach VDI 2067. Strom - und Wasserkosten sind individuell programmierbar.
4. Einstellungen und Anzeigen
Sie können das Gerät am Bedienfeld einstellen.
Einlauftemperaturhinweis
Wenn die Einlauftemperatur größer als die Wunschtemperatur ist, z. B. bei Solar vorgewärmtem Wasser, blinkt die Temperaturanzeige und die zweite Anzeige zeigt die Zulauftemperatur an. Es erfolgt keine weitere Erwärmung des Wassers.

text_image
STIEBEL ELTRON 38.5°C 42.0°C M i D00000331131 Anzeige Temperatur blinkt
2 Anzeige Zulauftemperatur
3 Leuchtdiode Verbrühgefahr; rote Leuchtdiode bei Temperatureinstellung > 43 °C
Einstellungsempfehlung bei Betrieb mit einer Thermostatarmatur
Stellen Sie die Temperatur am Gerät auf 60 °C ein.
Nach Unterbrechung der Wasserversorgung
siehe Kapitel „Wiederinbetriebnahme“
4.1 Bedienfeld am Gerät

text_image
STIEBEL ELTRON 38.5°C Error 10.5 L/min ECO 7 6 5 4 3 2 1 M i 10 D00000331141 Temperatur-Einstellknopf
2 Leuchtdiode Verbrühgefahr
3 Speichertaste
4 Menütaste
5 Anzeige zusätzlicher Wert
6 Anzeige Heizleistung
7 Anzeige Temperatur
8 Symbol Service
9 Symbol Fehler
10 Informationstaste Sparmonitor
Bei Lieferung ist die Hintergrundbeleuchtung so eingestellt, dass sich die Beleuchtung automatisch einschaltet, sobald Sie den Einstellknopf oder eine Taste betätigen oder das Gerät heizt. Nach 30 Sekunden ohne Betätigung oder ohne Heizbetrieb schaltet sich die Hintergrundbeleuchtung aus. Sie können auch auf Dauerbeleuchtung stellen.
Symbole

text_image
8.0 m³ l/min kWh ► ECO max °C 1 2 3 4 5 6 26_02_02_1230_1 Wellness-Duschen
2 Wassermengenautomatik
3 ECO
4 Kindersicherung
5 Anzeige zusätzlicher Wert
6 Uhrzeit
4.2 Temperatur einstellen

text_image
2 M i 3 1 26_02_02_1321_1 Temperatureinstellung 20 - 60 °C in 0,5 °C - Schritten, OFF = Heizsystem ausgeschaltet
2 Gespeicherte Temperatur aufrufen
3 Sparmonitor aufrufen
Die Speichertaste M können Sie mit einer Wunschtemperatur belegen.
▶ Wählen Sie eine Wunschtemperatur.
Drücken Sie 2 Sekunden die M-Taste. Zur Bestätigung blinkt Die Verbrauchte Energiemenge in kWh wird Ihnen angezeigt. die Temperaturanzeige 1x.
Die verbrauchte Energiemenge in kWh wird Ihnen angezeigt.
4.3 Sparmonitor aufrufen
Menüstruktur am Beispiel in Euro (Eur)

text_image
i Eur 26 kWh Reset M 2 sec. Eur 0 kWh 1 i Eur 150 m' Reset M 2 sec. Eur 0 m' 2 i C02 280 Reset M 2 sec. C02 0 3 i 1200 kWh Reset M 2 sec. 0 kWh 4 i 26 m' Reset M 2 sec. 0 m' 5 i 2 sec. / time-out 10 sec. D0000329041 Energieeinsparung
Die Energieeinsparung in Euro (Eur) wird Ihnen im Vergleich zu hydraulischen Durchlauferhitzern berechnet und angezeigt.
2 Wassereinsparung
Die Wassereinsparung in Euro (Eur) wird Ihnen im Vergleich zu hydraulischen Durchlauferhitzern berechnet und angezeigt.
3 CO2-Emission
Die CO2-Einsparung in kg wird Ihnen im Vergleich zu hydraulischen Durchlauferhitzern berechnet und angezeigt.
4 Energiemenge
5 Wasserverbrauch
Die verbrauchte Wassermenge in m³ wird Ihnen angezeigt.
4.4 Einstellungen am Gerät
Symbolerklärung

1 x drücken START-Menü
1 x drücken Menü wechseln
2 Sekunden drücken ENDE

Einstellungen / Abfrage wechseln
Menüstruktur

text_image
OFF | 4 - 15 l/min OFF | 20 - 60 °C OFF | 1 | 2 | 3 | 4 OFF | 5 - 200 l l/min 12:00 00:00 - 23:59 Auto On bernstein/amber grün/green Eur cur Eur 0_00...9999 €/kWh cur 0_00...9999 cur/kWh Eur 0_00...9999 €/m³ cur 0_00...9999 €/m³ CO2 0...2000 g/kWh M 2 sec. / time-out 30 sec. ECO OFF 1 °C max OFF 2 OFF OFF 3 OFF OFF 4 0000 l/min 5 0000 l/min 6 Auto Auto 7 100 % 8 100 % 9 Eur cur Eur 0.22 €/kWh 10 cur 0.22 €/kWh 11 Eur 5.00 €/m³ 12 cur 5.00 €/m³ 13 CO2 600 553 g/kWh 14 rc1 rc0 rc1 rc2 D10000329021 ECO Wasser- und Energiesparfunktion
Mit der ECO-Funktion können Sie die Durchflussmenge auf einen Maximalwert begrenzen.
ECO ein = Symbol im Bedienfeld
ECO aus = kein Symbol im Bedienfeld
2 Kindersicherung
Mit der Kindersicherung können Sie als Benutzer die einstellbare Temperatur am Gerät auf einen Maximalwert begrenzen. Der Fachhandwerker kann im Kundendienstmodus zusätzlich eine Verbrühschutztemperatur einstellen (siehe Kapitel „Kundendienstmodus“). Diese Temperatur gilt dann als Obergrenze des Einstellbereichs für die Kindersicherung.
3 Wellness-Duschen
Im Wellness-Dusch-Programm können Sie 4 verschiedene Programme für Wechselduschen wählen.
A Erkältungsvorbeugung
Zur Abhärtung empfehlen wir beim Abschluss eine Kaltdusche; somit wird im Körper eine reflexartige Erwärmung eingeleitet.

B Wintererfrischnung
Als erfrischender Abschluss einer Winterdusche mit Wiedererwärmung.

text_image
WW 3 min WW - 10°C 10 sec 10 sec 10 sec 10 secC Sommerfitnessprogramm
Die schnelle Wechseldusche zur Steigerung der Fitness mit abschließender Wiedererwärmung.

flowchart
graph LR
WW["WW"] -->|3 min| KW["KW"]
KW -->|10 sec| 10sec["10 sec"]
10sec -->|10 sec| 10sec["10 sec"]
10sec -->|10 sec| 10sec["10 sec"]
D Durchblutungsprogramm
Zur Förderung der Durchblutung werden Arme und Beine kalt abgeduscht. Dabei soll das Duschen von Händen und Füßen zum Körper hin erfolgen. Diesen Vorgang können Sie anschließend mit warmem Wasser wiederholen.

flowchart
graph LR
A["WW"] --> B["3 min"]
B --> C["KW"]
C --> D["20 sec"]
D --> E["30 sec"]
E --> F["20 sec"]
F --> G["30 sec"]
4 Wassermengenautomatik
Mit der Wassermengenautomatik können Sie die Wassermenge mit hohem Durchfluss begrenzen. Wird die vorgewählte Wassermenge erreicht, reduziert die Automatik den Durchfluss. Die Wunschtemperatur bleibt konstant. Die Wassermengenautomatik müssen Sie vor jeder Wannenfüllung aktivieren. Beispiel Wannenfüllung 80 Liter: Nach Erreichen der 80 Liter Wannenfüllung reduziert die Automatik die Durchflussmenge auf 4 l/min.
5 Durchflussmenge
Wahlweise können Sie sich die Durchflussmenge oder die Uhrzeit anzeigen lassen.
6 Uhrzeit einstellen
Wahlweise können Sie sich die Uhrzeit oder die Durchflussmenge anzeigen lassen. Sie können die Uhrzeit von 00:00 bis 23:59 einstellen. Nach einer Spannungsunterbrechung müssen Sie die Uhrzeit erneut eingeben.
7 Hintergrundbeleuchtung einstellen
Die Hintergrundbeleuchtung des Displays können Sie einstellen. Bei der Auswahl „Auto“ blinkt die Beleuchtung während der Einstellung.
- Die Hintergrundbeleuchtung ist beim Heizbetrieb und bei jeder Bedienung eingeschaltet.
- Nach 30 Sekunden ohne Betätigung wird die Hintergrundbeleuchtung ausgeschaltet.
- Bei der Auswahl „On“ leuchtet die Hintergrundbeleuchtung dauerhaft.
8 Farbintensität grün/bernstein einstellen
Die Helligkeit für beide Farben der Hintergrundbeleuchtung können Sie individuell anpassen.
9 Währung auswählen
Wählen Sie hier die Währung, in der Energie- und Wassereinsparung angezeigt werden soll:
Eur = € cur = currency (beliebige andere Währung)
10 Strompreis einstellen
Für die Berechnung der Energieeinsparung können Sie hier den individuellen Strompreis in Eur/kWh oder cur/kWh eingeben.
11 Wasserpreis einstellen
Für die Berechnung der Wassereinsparung können Sie hier den individuellen Wasserpreis in €/m³ oder cur/m³ eingeben.
12 CO2-Emissionwert einstellen
Werkseinstellung für die Berechnung der CO2-Emission: 553 g CO2/kWh (Quelle: „Reduzierung von Energieverbrauch und CO2-Emissionen durch dezentrale elektrische Warmwasserversorgung“, 2011). Bei Bedarf können Sie einen individuellen CO2-Emissionswert einstellen.
13 Rücksetzung zur Werkseinstellung
Drücken Sie 2 Sekunden gleichzeitig die Tasten M und i.
Die Werkseinstellungen sind dem gestrichelten Rahmen in der Abbildung zu entnehmen.
14 Menüpunkt
Menüpunkt ist bei dieser Ausführung nicht relevant. Es können keine Einstellungen vorgenommen werden.
15 Menüpunkt
Menüpunkt ist bei dieser Ausführung nicht relevant. Es können keine Einstellungen vorgenommen werden.
5. Reinigung, Pflege und Wartung
▶ Verwenden Sie keine scheuernden oder anlösenden Reinigungsmittel. Zur Pflege und Reinigung des Gerätes genügt ein feuchtes Tuch.
- Kontrollieren Sie regelmäßig die Armaturen. Kalk an den Armaturausläufen können Sie mit handelsüblichen Entkalkungsmitteln entfernen.
- Problemebehebung
| Störung Ursache Behebung | ||
| Das Gerät schaltet trotz voll geöffnetem Warmwasserventil nicht ein. | Es liegt keine Netzspannung an. | Überprüfen Sie die Sicherungen in der Hausinstallation. |
| Der Strahlregler in der Armatur oder der Duschkopf ist verkalkt oder verschmutzt. | Reinigen und / oder entkalken Sie den Strahlregler oder den Duschkopf. | |
| Die Wasserversorgung ist unterbrochen. | Entlüften Sie das Gerät und die Kaltwasser-Zu-laufleitung (siehe Kapitel „Inbetriebnahme/ Wiederinbetriebnahme“). | |
| Es fließt kurzzeitig kaltes Wasser, während war-mes Wasser entnommen wird. | Die Lufterkennung er-kennt Luft im Wasser und schaltet die Heizleistung kurzzeitig ab. | Das Gerät geht nach 1 Minute selbstständig wieder in Betrieb. |
| Temperaturen >43 °C lassen sich nicht ein-stellen. | Der dynamische Ver-brühschutz ist aktiviert. | Der dynamische Ver-brühschutz wird 2 Minu-ten nach dem Ende der Entnahme automatisch aufgehoben. |
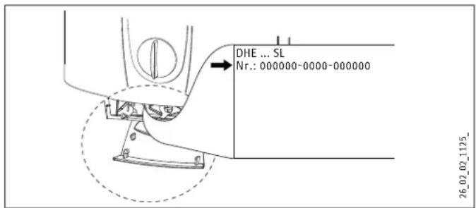
Können Sie die Ursache nicht beheben, rufen Sie den Fachhandwerker. Zur besseren und schnelleren Hilfe teilen Sie ihm die Nummer vom Typenschild mit (000000-0000-000000):

text_image
DHE ... SL Nr.: 000000-0000-000000 26_02_02_1125_INSTALLATION
7. Sicherheit
Die Installation, Inbetriebnahme sowie Wartung und Reparatur des Gerätes darf nur von einem Fachhandwerker durchgeführt werden.
7.1 Allgemeine Sicherheitshinweise
Wir gewährleisten eine einwandfreie Funktion und Betriebssicherheit nur, wenn das für das Gerät bestimmte Original-Zubehör und die Original-Ersatzteile verwendet werden.

Sachschaden
Beachten Sie die maximale Zulauftemperatur. Bei höheren Temperaturen kann das Gerät beschädigt werden. Mit dem Einbau einer Zentral-Thermostatarmatur (siehe Kapitel „Gerätebeschreibung / Zubehör“) können Sie die maximale Zulauftemperatur begrenzen.
7.2 Vorschriften, Normen und Bestimmungen

Hinweis
Beachten Sie alle nationalen und regionalen Vorschriften und Bestimmungen, in Deutschland zum Beispiel die DIN 1988 / DIN EN 806.
- Die Schutzart IP 25 (strahlwassergeschützt) ist nur mit sachgemäß montierter Kabeltülle gewährleistet.
- Der spezifische elektrische Widerstand des Wassers darf nicht kleiner sein als auf dem Typenschild angegeben. Bei einem Wasser-Verbundnetz ist der niedrigste elektrische Widerstand des Wassers zu berücksichtigen (siehe Kapitel „Technischen Daten / Einsatzbereiche“). Den spezifischen elektrischen Widerstand oder die elektrische Leitfähigkeit des Wassers erfahren Sie bei Ihrem Wasserversorgungs-Unternehmen.
8. Gerätebeschreibung
8.1 Lieferumfang
Mit dem Gerät werden geliefert:
- Aufhängeleiste
- Montageschablone
- 2 Doppelnippel
- Kreuzstück
- T-Stück
- Flachdichtungen
- Sieb
- Kunststoffformscheibe
- Kunststoff-Verbindungsstücke / Montagehilfe
- Kappen- und Rückwandführungsstücke
8.2 Zubehör
Fernbedienungen
- FFB 1 SL - Funkfernbedienung Bedienung von zwei Orten
- FFB 2 SL - Funkfernbedienung Funk-Fernbedienteil als Erweiterung der FFB 1 SL
- FB 1 SL - Kabel-Fernbedienung Bedienung nur mit dem Fernbedienteil, geeignet für eine Vorwandinstallation
Armaturen
- MEKD - Küchen-Druckarmatur
- MEBD - Badewannen-Druckarmatur
Wasserstopfen G 12 A
Die Wasserstopfen sind notwendig, wenn Sie andere als im Zubehör empfohlene Aufputz-Druckarmaturen einsetzen.
Montageset Aufputzinstallation
- Lötverschraubung - Kupferrohr für Lötanschluss ∅ 12 mm
- Pressfitting - Kupferrohr
- Pressfitting - Kunststoffrohr (geeignet für Viega: Sanfix-Plus oder Sanfix-Fosta)
Universal-Montagerahmen
Montagerahmen mit elektrischen Anschlüssen.
Rohrbausatz-Untertischgeräte
Der Bausatz für Untertischmontage ist notwendig, wenn Sie die Wasseranschlüsse (G 3/8 A) oberhalb des Gerätes benötigen.
Rohrbausatz-Versatzmontage
Der Rohrbausatz mit Rohrbögen ist notwendig, wenn Sie eine senkrechte Verschiebung des Gerätes gegenüber dem Wasseranschluss um 90 mm nach unten benötigen.
Rohrbausatz-Gas-Wasserheizer-Austausch
Der Rohrbausatz ist notwendig, wenn die vorhandene Installation Gas-Wasserheizer-Anschlüsse (Kaltwasser-Anschluss links und Warmwasser-Anschluss rechts) enthält.
Rohrbausatz DHB-Wassersteckkupplungen
2 Wassersteckkupplungen mit deren Sie das Gerät an die vorhandenen Wasser-Steckanschlüsse eines DHB anschließen können.
Lastabwurfrelais (LR 1-A)
Das Lastabwurfrelais für den Einbau in der Elektroverteilung ermöglicht eine Vorrangschaltung des Durchlauferhitzers bei gleichzeitigem Betrieb von z. B. Elektro-Speicherheizgeräten.
ZTA 3/4 - Zentral-Thermostatarmatur
Thermostatarmatur für zentrale Vormischung, zum Beispiel eines Durchlauferhitzers mit einer Solaranlage.
9. Vorbereitungen
▶ Spülen Sie die Wasserleitung gut durch.
Armaturen
▶ Verwenden Sie geeignete Armaturen (siehe Kapitel „Gerätebeschreibung / Zubehör“). Offene Armaturen sind nicht zulässig.
Ein Sicherheitsventil ist nicht erforderlich.

Hinweis
Das Kreuzstück darf nicht zum Drosseln des Volumenstromes verwendet werden. Es dient zur Absperrung des Gerätes.
Zugelassene Werkstoffe der Wasserleitungen
- Kaltwasser-Zulaufleitung:
feuerverzinktes Stahlrohr, Edelstahlrohr, Kupferrohr oder Kunststoffrohr - Warmwasser-Auslaufleitung:
Edelstahlrohr, Kupferrohr oder Kunststoffrohr

Sachschaden
Beim Einsatz von Kunststoff-Rohrsystemen beachten Sie die maximale Zulauftemperatur und den maximal zulässigen Druck (siehe Kapitel „Technische Daten / Datentabelle“).
Volumenstrom
▶ Stellen Sie sicher, dass der Volumenstrom (siehe Kapitel „Technische Daten / Datentabelle“, Ein) zum Einschalten des Gerätes erreicht wird.
▶ Erhöhen Sie den Wasserleitungsdruck, falls der benötigte Volumenstrom bei voll geöffnetem Entnahmeventil nicht erreicht wird.
Flexible Wasseranschlussleitungen
▶ Verhindern Sie bei der Installation mit flexiblen Wasseranschlussleitungen ein Verdrehen der Rohrbögen. Die Rohrbögen sind mit einer Bajonett-Verbindung im Gerät montiert.
▶ Befestigen Sie die Rückwand unten mit einer zusätzlichen Schraube.
9.1 Montageort

Sachschaden
Die Installation des Gerätes darf nur im frostfreien Raum erfolgen.
▶ Montieren Sie das Gerät senkrecht und in der Nähe der Entnahmestelle.
Das Gerät ist für Untertisch- und Übertischmontage geeignet.

Hinweis
Das Gerät muss an einer ausreichend tragfähigen Wand montiert werden.
Untertischmontage

text_image
D000034274 1 21 Kaltwasser Zulauf
2 Warmwasser Auslauf
Übertischmontage

text_image
2 1 D0000342751 Kaltwasser Zulauf
2 Warmwasser Auslauf
9.2 Werkseinstellungen
Die Geräte sind im Lieferzustand vorbereitet:
- Elektroanschluss „unten“, Unterputz-Installation
- Wasseranschluss Unterputz-Installation
- Bei dem Gerät mit der umschaltbaren Anschlussleistung ist die mittlere Anschlussleistung voreingestellt.
10. Montage
In diesem Kapitel wird die Montage entsprechend der Werkseinstellungen beschrieben.
Weitere Montagemöglichkeiten siehe Kapitel „Montage-Alternativen“.

▶ Öffnen Sie das Gerät.

▶ Trennen Sie die Rückwand, indem Sie die beiden Rasthaken drücken und das Rückwandunterteil nach vorne abziehen.

text_image
26.02.02_0810_▶ Zeichnen Sie die Bohrlöcher mit der Montageschablone an. Bei der Montage mit Aufputz liegenden Wasseranschlüssen müssen Sie zusätzlich das Befestigungsloch im unteren Teil der Schablone anzeichnen.
Bohren Sie die Löcher und befestigen Sie die Aufhängeleiste mit 2 Schrauben und 2 Dübeln (Schrauben und Dübel gehören nicht zum Lieferumfang).

Hinweis
Bei einer Montage mit flexiblen Wasseranschlüssen müssen Sie die Rückwand zusätzlich mit einer Schraube befestigen.
▶ Montieren Sie die Aufhängeleiste.

text_image
160 ≥30 1 26 02 02 08241 Montagehilfe
Richten Sie das Netzanschlusskabel her.
Wasseranschluss herstellen

Sachschaden
Führen Sie alle Wasseranschluss- und Installationsarbeiten nach Vorschrift aus.

text_image
12 D000053319Dichten und schrauben Sie die Doppelnippel ein.

text_image
2 1 2 3 5 4 26_02_02_1307_1 Warmwasser mit T-Stück
2 Dichtung
3 Kaltwasser mit Kreuzstück
4 Sieb
5 Formscheibe
▶ Montieren Sie die Wasseranschlüsse.
Sachschaden
Für die Funktion des Gerätes muss das Sieb eingebaut sein.
▶ Prüfen Sie beim Geräteaustausch das Vorhandensein des Siebes.
Gerät montieren

▶ Zur leichteren Montage drücken Sie die Kabeltülle des oberen Elektroanschlusses von hinten in die Rückwand hinein.
▶ Entfernen Sie die Transportschutzstopfen aus den Wasseranschlüssen.
▶ Nehmen Sie den Befestigungsknebel aus dem oberen Teil der Rückwand heraus.
▶ Führen Sie das Elektroanschlusskabel von hinten durch die Kabeltülle, bis dieses am Kabelmantel anliegt. Richten Sie das Elektroanschlusskabel aus.
Bei einem Querschnitt > 6 mm² vergrößern Sie das Loch in der Kabeltülle.
- Drücken Sie das Gerät über den Gewindebolzen der Aufhän geleiste, sodass die Weichdichtung durchstoßen wird. Verwenden Sie gegebenenfalls einen Schraubendreher.
▶ Stecken Sie den Befestigungsknebel auf den Gewindebolzen der Aufhängeleiste.
Drücken Sie die Rückwand fest an und verriegeln Sie den Befestigungsknebel durch eine Rechtsdrehung um 90°.

text_image
19 24D0000056244
▶ Schrauben Sie die Rohre mit den Flachdichtungen auf die Doppelnippel.
Elektroanschluss herstellen

WARNUNG Stromschlag Führen Sie alle elektrischen Anschluss- und Installationsarbeiten nach Vorschrift aus.

WARNUNG Stromschlag Der Anschluss an das Stromnetz ist nur als fester An- schluss in Verbindung mit der herausnehmbaren Kabel- tülle erlaubt. Das Gerät muss über eine Trenn strecke von mindestens 3 mm allpolig vom Netzanschluss getrennt werden können.

WARNUNG Stromschlag Achten Sie darauf, dass das Gerät an den Schutzleiter angeschlossen ist.

▶ Schließen Sie das Elektroanschlusskabel an die Netzanschlussklemme an (siehe Kapitel „Technische Daten / Elektroschaltplan“). Die angegebene Spannung muss mit der Netzspannung übereinstimmen.
Wählbare Anschlussleistung
Die Anschlussleistung ist je nach Gerätetyp 3-stufig wählbar. Die mittlere Leistung ist voreingestellt. Wählen Sie eine andere Leistung, müssen Sie folgende Schritte vornehmen.

text_image
MFC Adapter T-Soil 10kΩ 2.5V26_02_02_0935_
Wählen Sie die gewünschte Anschlussleistung, siehe Kapitel „Technische Daten / Datentabelle“.
▶ Stecken Sie den Kodierstecker entsprechend der gewählten Anschlussleistung auf.
- Ändern Sie das Typenschild. Kreuzen Sie die gewählte Anschlussleistung an. Verwenden Sie dafür einen Kugelschreiber.
10.1 Montage abschließen

▶ Montieren Sie das Rückwandunterteil. Achten Sie darauf, dass das Rückwandunterteil einrastet.
Richten Sie das montierte Gerät aus, indem Sie den Befestigungsknebel lösen, den Elektroanschluss und die Rückwand ausrichten und den Befestigungsknebel wieder festdrehen. Liegt die Geräterückwand nicht an, können Sie das Gerät unten mit einer zusätzlichen Schraube befestigen.
10.2 Montage-Alternativen
- Elektroanschluss Unterputz oben
- Elektroanschluss Aufputz
- Große Leiterquerschnitte beim Elektroanschluss unten
- Anschluss eines Lastabwurfrelais
- Wasserinstallation Aufputz
- Wasserinstallation Aufputz mit Lötanschluss / Pressfitting
- Wasserinstallation Aufputz, Montage der Gerätekappe
- Montage Rückwandunterteil bei Aufputz-Schraubanschluss
- Verwendung der vorhandenen Aufhängeleiste bei Geräteaustausch
- Installation bei Fliesenversatz
- Gedrehte Gerätekappe
- Betrieb mit vorgewärmtem Wasser
Elektroanschluss Unterputz oben

▶ Schneiden Sie die Kabeltülle für das Elektroanschlusskabel auf.
▶ Drücken Sie den Rasthaken zur Befestigung der Netzanschlussklemme herunter und ziehen Sie diese heraus.
▶ Versetzen Sie die Netzanschlussklemme im Gerät von unten nach oben und befestigen Sie die Netzanschlussklemme, indem Sie sie unter den Rasthaken schieben.

▶ Verlegen Sie die Schaltlitzen unter der Litzenführung.
Elektroanschlusskabel Aufputz
▶ Schneiden oder brechen Sie die benötigte Durchführung in der Rückwand und Gerätekappe sauber heraus, Positionen siehe Kapitel „Technische Daten / Maße und Anschlüsse“. Benutzen Sie gegebenenfalls eine Feile.
▶ Führen Sie das Elektroanschlusskabel durch die Kabeltülle und schließen dieses an die Netzanschlussklemme an.

Hinweis
Bei dieser Anschlussart ändert sich die Schutzart des Gerätes.
- Ändern Sie das Typenschild. Streichen Sie die Angabe IP 25 durch und kreuzen Sie das Kästchen IP 24 an. Verwenden Sie dafür einen Kugelschreiber.
Große Leiterquerschnitte beim Elektroanschluss unten
Bei Verwendung von großen Leiterquerschnitten können Sie die Kabeltülle nach der Montage des Gerätes montieren.

text_image
1. 2. 3. 4. 26.02.02.1124_▶ Vor der Montage des Gerätes drücken Sie die Kabeltülle mit Hilfe eines Schraubendrehers heraus.
▶ Schieben Sie die Kabeltülle über das Elektroanschlusskabel. Verwenden Sie hierfür die Montagehilfe. Bei einem Querschnitt > 6 mm² vergrößern Sie das Loch in der Kabeltülle.
▶ Schieben Sie die Kabeltülle in die Rückwand.
Anschluss eines Lastabwurfrelais
Setzen Sie das Lastabwurfrelais in Kombination mit anderen Elektrogeräten, z. B. Elektrospeicherheizgeräten, in der Elektroverteilung ein. Der Lastabwurf erfolgt bei Betrieb des Durchlauferhitzers. Das Lastabwurfrelais erhalten Sie als Zubehör.

Sachschaden
Schließen Sie die Phase, die das Lastabwurfrelais schaltet, an die gekennzeichnete Klemme der Netzanschlussklemme im Gerät an (siehe Kapitel „Technische Daten / Elektroschaltplan“).
Wasserinstallation Aufputz
Geeignete Druckarmaturen erhalten Sie als Zubehör.

text_image
18 Nm 24 1 2 D00000331041 Wasserstopfen
2 Aufputz-Druckarmatur
Montieren Sie die Wasserstopfen mit Dichtungen, um den Unterputzanschluss zu verschließen. Bei den Druckarmaturen aus dem Zubehör befinden sich die Wasserstopfen und Dichtungen im Lieferumfang.
▶ Montieren Sie die Armatur.
▶ Legen Sie das Rückwandunterteil unter die Anschlussrohre der Armatur und schieben Sie das Rückwandunterteil in die Rückwand ein.
▶ Verschrauben Sie die Anschlussrohre mit dem Gerät.
Wasserinstallation Aufputz mit Lötanschluss / Pressfitting
Mit dem Zubehör Lötanschluss oder Pressfitting können Sie sowohl Kupferrohrleitungen als auch Kunststoffrohrleitungen verbinden.
Der Lötanschluss mit Schraubanschluss ist für 12 mm Kupferrohrleitungen geeignet.
▶ Schieben Sie die Überwurfmuttern über die Anschlussrohre
▶ Verlöten Sie die Einlegeteile mit den Kupferleitungen.
▶ Schieben Sie das Rückwandunterteil unter die Anschlussrohre der Armatur und rasten Sie das Rückwandunterteil ein.
▶ Verschrauben Sie die Anschlussrohre mit dem Gerät.

Hinweis
Beachten Sie die Hinweise des Armaturenherstellers.
Wasserinstallation Aufputz, Montage der Gerätekappe

text_image
1 2 3 4 D00000413911 Rückwandführungsstücke
2 Schraube
3 Kappenführungsstücke
4 Durchführungsöffnung
▶ Brechen Sie die Durchführungsöffnungen in der Gerätekappe sauber aus. Benutzen Sie gegebenenfalls eine Feile.

Hinweis
Mit den Lippen der Kappenführungsstücke lässt sich ein leichter Versatz der Armaturenanschlussrohre abdichten.
▶ Beim Versatz der Armaturenanschlussrohre montieren Sie keine Rückwandführungsstücke.
▶ Bei der Montage der Armaturenanschlussrohre ohne Versatz brechen Sie die Lippen der Kappenführungsstücke heraus.
▶ Rasten Sie die Kappenführungsstücke in die Durchführungsöffnungen ein.
▶ Setzen Sie die Rückwandführungsstücke auf die Rohre und schieben Sie sie zusammen. Anschließend schieben Sie die Führungsstücke bis zum Anschlag an die Rückwand.
▶ Befestigen Sie die Rückwand unten mit einer Schraube.
Montage Rückwandunterteil bei Aufputz-Schraubanschluss
Sie können das Rückwandunterteil nach der Armaturemontage montieren.

text_image
2 1 <2 <2 26_02_02_10801 Schraube
2 Verbindungsstücke aus dem Beipack
▶ Sägen Sie das Rückwandunterteil an den Markierungen auf.
▶ Montieren Sie das Rückwandunterteil, indem Sie es seitlich aufbiegen und über die Aufputzrohre führen.
▶ Stecken Sie die Verbindungsstücke von hinten in das Rückwandunterteil ein.
▶ Rasten Sie das Rückwandunterteil in die Rückwand ein.
▶ Befestigen Sie das Rückwandunterteil mit einer Schraube.
Aufhängeleiste bei Geräteaustausch
Eine vorhandene Aufhängeleiste von Stiebel Eltron kann bei Geräteaustausch evtl. verwendet werden (Ausnahme Durchlauferhitzer DHF).
▶ Durchstoßen Sie die Rückwand des Gerätes für den Gewindebolzen auf der bereits montierten Aufhängeleiste.
DHF-Austausch

▶ Versetzen Sie den Gewindebolzen auf der Aufhängeleiste (der Gewindebolzen hat ein selbstfurchendes Gewinde).
Drehen Sie die Aufhängeleiste um 180° und montieren Sie sie an die Wand (der Schriftzug DHF erscheint dann in Leserichtung).
Installation bei Fliesenversatz

text_image
2 ≤20 ≥110 1 26_02_02_1066_1 Mindestauflage des Gerätes
2 Maximaler Fliesenversatz
Justieren Sie den Wandabstand und verriegeln Sie die Rückwand mit dem Befestigungsknebel durch eine Rechtsdrehung um 90°.
Gedrehte Gerätekappe
Die Gerätekappe kann bei einer Untertischmontage gedreht werden.

▶ Demontieren Sie das Bedienteil aus der Gerätekappe, indem Sie die Rasthaken drücken und das Bedienteil herausnehmen.
Drehen Sie die Gerätekappe (nicht das Gerät) und montieren Sie das Bedienteil wieder, bis alle Rasthaken einrasten. Beim Einrasten der Rasthaken müssen Sie an der Innenseite der Gerätekappe gegendrücken (schraffierter Bereich).
▶ Stecken Sie das Sollwertgeberkabel auf die Elektronik (siehe Kapitel „Inbetriebnahme / Erstinbetriebnahme“).
▶ Hängen Sie die Gerätekappe unten ein und schwenken Sie sie oben auf die Rückwand.
▶ Schieben Sie für einen richtigen Sitz der umlaufenden Rückwanddichtung die Kappe etwas vor und zurück.
▶ Verschrauben Sie die Gerätekappe.
Betrieb mit vorgewärmtem Wasser
Mit dem Einbau einer Zentral-Thermostatarmatur wird die maximale Zulauftemperatur begrenzt (siehe Kapitel „Gerätebeschreibung / Zubehör“).
11. Inbetriebnahme

WARNUNG Stromschlag
Die Inbetriebnahme darf nur durch einen Fachhandwerker unter der Beachtung der Sicherheitsvorschriften erfolgen.
11.1 Erstinbetriebnahme
▶ Öffnen Sie das Kreuzstück.

- Öffnen und schließen Sie mehrfach alle angeschlossenen Entnahmeventile, bis das Leitungsnetz und das Gerät luftfrei sind.
▶ Führen Sie eine Dichtheitskontrolle durch.
Aktivieren Sie den Sicherheitsschalter (AE 3) indem Sie die Rücksetztaste fest eindrücken (das Gerät wird mit deaktiviertem Sicherheitsschalter ausgeliefert).
▶ Stecken Sie den Stecker vom Sollwertgeberkabel auf die Elektronik.
▶ Montieren Sie die Kappe und befestigen Sie diese mit der Schraube.
▶ Schalten Sie die Netzspannung ein.
Prüfen Sie die Arbeitsweise des Gerätes.
Ziehen Sie die Schutzfolie von der Bedienblende ab.
Übergabe des Gerätes
▶ Erklären Sie dem Benutzer die Funktion des Gerätes und machen Sie ihn mit dem Gebrauch des Gerätes vertraut.
▶ Weisen Sie den Benutzer auf mögliche Gefahren hin, speziell die Verbrühungsgefahr.
▶ Übergeben Sie diese Anleitung.
11.2 Wiederinbetriebnahme

Sachschaden
Nach Unterbrechung der Wasserversorgung muss das Gerät mit folgenden Schritten wieder in Betrieb genommen werden, damit das Blankdraht-Heizsystem nicht zerstört wird.
▶ Schalten Sie das Gerät spannungsfrei, indem Sie die Sicherungen ausschalten.
▶ Öffnen Sie die Armatur eine Minute lang, bis das Gerät und die vorgeschaltete Kaltwasser-Zulaufleitung luftfrei sind.
▶ Schalten Sie die Netzspannung wieder ein.
12. Kundendienstmodus

▶ Öffnen Sie die Gerätekappe und hängen diese seitlich an die Rückwand.

text_image
Blade 1 26.02 02 0556_1 Servicetaste zum Aktiveren und Deaktivieren des Kundendienstmodus
Symbolerklärung

1 x drücken START
1 x drücken ENDE

Einstellungen / Abfrage wechseln
Im Kundendienstmodus ist ein Abruf und / oder Änderung der Sollwerttemperatur mit der Taste M (60 °C) möglich.
Error-Menü abfragen
Das Error-Menü erscheint nur, wenn Fehler im Gerät vorhanden sind.

text_image
E1 Error ELEC / 1 2 3 4 E2 Error AE 3 / E3 Error ntc / E4 Error not /1 Symbol elektronische Baugruppe
▶ Tauschen Sie die elektronische Baugruppe.
2 Symbol Sicherheitskreis
▶ Überprüfen Sie die Verbindung vom AE 3, tauschen Sie ggf. den AE 3.
3 Symbol Auslauffühler
▶ Überprüfen Sie die Verbindung vom Auslauffühler, tauscher Sie ggf. den Auslauffühler.
4 Symbol Motorventil
▶ Überprüfen Sie die Verbindung vom Motorventil, tauschen Sie ggf. das Motorventil.
Control-Menü abfragen

text_image
[1] 213 °C / 1 2 3 4 [2] 475 °C / / [3] 6.7 U/min / / [4] 213 kw / 26_02_02_1312_1 Symbol Zulauftemperatur, zeigt die aktuelle Zulauftemperatur (Anzeige 1.0 °C bei feh- lerhaftem Sensor).
2 Symbol Auslauftemperatur, zeigt die aktuelle Auslauftemperatur (Anzeige 65.0 °C bei fehlerhaftem Sensor).
3 Symbol Volumenstrom, zeigt den aktuellen Volumenstrom.
4 Symbol Leistungsaufnahme, zeigt die aktuelle Leistungsaufnahme.
Gerätedaten-Menü abfragen

text_image
d1 8049 / 1 2 3 4 d2 1869 / / d3 172 h / / d4 27kw / 26_02_02_1314_1 Symbol Kundendienstcode, Information für den Kundendienst.
2 Symbol Betriebsdauer am Netzanschluss, akkumulierte Betriebsdauer in Tagen.
3 Symbol Heizstunden, akkumulierte Heizdauer in Stunden.
4 Symbol Maximalleistung Der angezeigte Wert kann bei Netzspannungen ungleich 400 V um einige kW von der Nennleistung abweichen.
Verbrühschutz einstellen
Verwenden Sie diesen Verbrühschutz z. B. in Kindergärten, Krankenhäusern usw. Die hier eingestellte Temperatur ist gleichzeitig die Obergrenze für die Temperatureinstellung der Kindersicherung (siehe Kapitel „Einstellungen am Gerät“).

text_image
430°C max 26_02_02_1301_Einstellbereich: 21 - 60 °C
Einstellungsempfehlung 43 °C

Hinweis
Der eingestellte Verbrühschutz kann nur durch einen Fachhandwerker verändert werden. Es erfolgt keine Änderung mit gleichzeitigem Drücken der M + i-Taste.
13. Außerbetriebnahme
▶ Trennen Sie das Gerät allpolig vom Netzanschluss.
Entleeren Sie das Gerät (siehe Kapitel „Wartung“).
14. Störungsbehebung

WARNUNG Stromschlag
Zur Kontrolle des Gerätes muss die Netzspannung am Gerät anliegen.
Steckverbindungen auf der Elektronik

text_image
Motor DFT STB HTC Adaptor T-bol 1 2 3 4 5 6 7 AR3 26_02_02_13A31 Diagnoseampel (3 LEDs)
2 Volumenstrom-Sensor DFE
3 Motorventil
4 Sicherheitstemperaturbegrenzer STB
5 Auslauffühler NTC
6 Sollwertgeber T-Soll
7 Sicherheitsschalter AE 3; Steckverbindung ist durch Rastnase gesichert.
| Anzeigemöglichkeiten der Diagnoseampel (LED) | |||
| rot leuchtet bei Störung | |||
| gelb leuchtet bei Heizbetrieb | |||
| grün blinkt: Gerät am Netzanschluss | |||
| Störung | Ursache | Diagnoseampel | Behebung |
| Das Gerät heizt nicht auf / die Solltemperatur wird nicht erreicht. | Es liegt keine Netzspannung an. | keine LED leuchtet | Überprüfen Sie die Sicherung in der Hausinstallation. |
| Der Sicherheitsschalter (AE3) hat ausgelöst. | keine LED leuchtet | Beseitigen Sie die Fehlerursache.Schützen Sie das Heizsystem vor Überhitzung, indem Sie ein dem Gerät nachgeschaltetes Entnahmeventil eine Minute öffnen. Dadurch wird das Heizsystem abgekühlt.Aktivieren Sie den Sicherheitsschalter, indem Sie den Knopf am Sicherheitsschalter eindrücken (siehe auch Kapitel „Erstinbetriebnahme“). | |
| Die Elektronik ist defekt. | keine LED leuchtet | Überprüfen Sie die Elektronik, gegebenenfalls tauschen. | |
| Eine Phase ist ausgefallen. | grüne LED blinkt, gelbe LED ein | Überprüfen Sie die Sicherung in der Hausinstallation. | |
| Die Zulauftemperatur ist > 55 °C. | grüne LED blinkt, rote LED leuchtet | Begrenzen Sie die Zulauftemperatur. | |
| Der Volumenstrom-Sensor (DFE) ist defekt oder nicht aufgesteckt. | grüne LED blinkt, gelbe LED aus | Überprüfen Sie die Verbindung des Volumenstrom-Sensors und tauschen Sie diesen ggf. aus. | |
| Das Heizsystem ist defekt. | grüne LED blinkt, gelbe LED ein | Überprüfen Sie das Heizsystem und tauschen Sie dieses ggf. aus. | |
| Der Einlaufsensor ist defekt. | grüne LED blinkt, rote LED leuchtet | Tauschen Sie die Elektronik. | |
| Der Auslaufsensor ist defekt. | grüne LED blinkt, rote LED leuchtet | Überprüfen Sie die Verbindung des Auslaufsensors und tauschen Sie diesen ggf. aus. | |
| Ein Fehler in der Sicherheits-elektronik. | grüne LED blinkt, rote LED nur bei Entnahme | Stecken Sie das Verbindungskabel vom Sicherheitsschalter auf und überprüfen Sie den Sicherheitsschalter. | |
| Ein loses oder defektes Verbindungskabel zum Sollwertgeber. | grüne LED blinkt | Stecken Sie das Verbindungskabel vom Sollwertgeber auf und überprüfen Sie das Verbindungskabel. | |
| Der Sollwertgeber ist defekt. | grüne LED blinkt | Überprüfen Sie den Sollwertgeber und tauschen Sie diesen ggf. aus. | |
| Die Kindersicherung und/oder Temperaturbegrenzung ist aktiviert. | grüne LED blinkt | Deaktivieren Sie die Temperaturbegrenzung. | |
| Das Display im Gerät ist komplett aus. | Ein loses Verbindungskabel zum Sollwertgeber. | grüne LED blinkt | Stecken Sie das Verbindungskabel am Sollwertgeber auf und überprüfen Sie das Verbindungskabel. |
| Die Bedienelektronik ist defekt. | grüne LED blinkt | Überprüfen Sie das Bedienteil und tauschen Sie dieses ggf. aus. | |
| Der Volumenstrom ist zu gering. | Der Duschkopf / die Strahlregler sind verkalkt. | Entkalken oder erneuern Sie gegebenenfalls den Duschkopf / die Strahlregler. | |
| Das Sieb ist verschmutzt. | Reinigen Sie das Sieb. | ||
| Der Sollwert ist nicht höher als 43 °C oder eine andere Solltemperatur einstellbar. | Ein dynamischer Verbrühschutz ist aktiviert. | grüne LED blinkt | Der dynamische Verbrühschutz wird 2 Minuten nach Zapfung wieder aufgehoben. |
| Kurzzeitig kaltes Wasser bei der Entnahme. | Der Volumenstrom (< 2 l/min) ist zu gering. | Das Gerät geht automatisch wieder in Betrieb, wenn ein Volumenstrom > 2,5 l/min vorhanden ist. | |
| Die Lufterkennung erfasst Luft im Wasser und schaltet die Heizleistung kurzzeitig ab. | Das Gerät geht nach einer Minute wieder in Betrieb. | ||
15. Wartung

WARNUNG Stromschlag
Trennen Sie bei allen Arbeiten das Gerät allpolig vom Netzanschluss.
Gerät entleeren
Das Gerät können Sie für Wartungsarbeiten oder zum Schutz vor Frost entleeren.

VORSICHT Verbrühung
Beim Entleeren des Gerätes kann heißes Wasser austreten.
▶ Schließen Sie das Absperrventil in der
Kaltwasser-Zulaufleitung.
▶ Öffnen Sie die alle Entnahmeventile.
Lösen Sie die Wasseranschlüsse vom Gerät.
Lagern Sie ein demontiertes Gerät frostfrei, da sich Restwas
ser im Gerät befindet, das gefrieren und Schäden verursachen kann.
16. Technische Daten
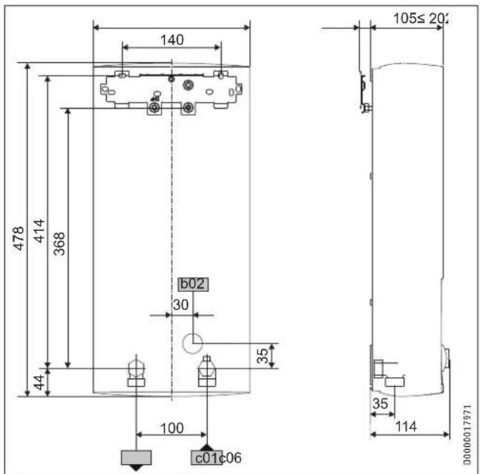
16.1 Maße und Anschlüsse

text_image
140 478 414 368 b02 30 44 35 100 c01c06 105≤20 35 114 D000017971| b02 | Durchführung elektrische Leitungen I | ||
| c01 | Kaltwasser Zulauf | Außengewinde | G 1/2 A |
| c06 | Warmwasser Auslauf | Außengewinde | G 1/2 A |
Alternative Anschlussmöglichkeiten

text_image
338 b04 50 44 165 b04 b03 47 b02 30 b04 b04 325 72 35 b04 b04 D0000019212| b02 | Durchführung elektrische Leitungen I | |
| b03 | Durchführung elektrische Leitungen II | |
| b04 | Durchführung elektrische Leitungen III |
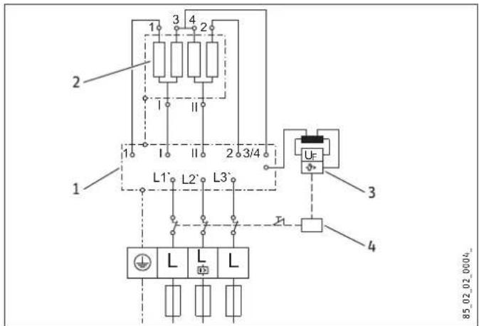
16.2 Elektroschaltplan
3/PE \~ 380-415 V

1 Leistungselektronik
2 Blankdraht-Heizsystem
3 Sicherheitstemperaturbegrenzer
4 Sicherheitsschalter
Vorrangschaltung mit Lastabwurfrelais (LR 1-A)
siehe auch Kapitel „Gerätebeschreibung / Zubehör“

1 Steuerleitung zum Schaltschütz des 2. Gerätes (z. B. Elektrospeicherheizgerät).
2 Steuerkontakt öffnet beim Einschalten des Durchlauferhitzers.
16.3 Mischwassermenge / Auslaufmenge
Die Werte sind auf eine Nennspannung von 400 V bezogen. Die Mischwassermenge bzw. Auslaufmenge ist abhängig vom vorhandenen Versorgungsdruck und der tatsächlich anliegenden Netzspannung.
Nutztemperatur ca. 38 °C in der Dusche, für Handwäsche, Wannenfüllung etc.

line
| X | Y | | ------ | ---- | | 61014 | 9 | | | 10 | | | 11 | | | 12 | | | 13 | | | 14 | | | 15 |Auslauftemperatur ca. 60 °C für die Küchenspüle und bei Einsatz von Thermostatarmaturen.

line
| X | Series 1 | Series 2 | Series 3 | | ------ | -------- | -------- | -------- | | 61014 | 4.8 | 5.8 | 6.5 | | | 5.0 | 5.9 | 6.7 | | | 5.2 | 6.0 | 6.9 | | | 5.4 | 6.1 | 7.1 | | | 5.6 | 6.2 | 7.3 | | | 5.8 | 6.3 | 7.5 | | | 6.0 | 6.4 | 7.7 | | | 6.2 | 6.5 | 7.9 | | | 6.4 | 6.6 | 8.1 | | | 6.6 | 6.7 | 8.3 | | | 6.8 | 6.8 | 8.5 | | | 7.0 | 6.9 | 8.7 | | | 7.2 | 7.0 | 8.9 | | | 7.4 | 7.1 | 9.1 | | | 7.6 | 7.2 | 9.3 | | | 7.8 | 7.3 | 9.5 | | | 8.0 | 7.4 | 9.7 | | | 8.2 | 7.5 | 9.9 | | | 8.4 | 7.6 | 10.1 | | | 8.6 | 7.7 | 10.3 | | | 8.8 | 7.8 | 10.5 | | | 9.0 | 7.9 | 10.7 | | | 9.2 | 8.0 | 10.9 | | | 9.4 | 8.1 | 11.1 | | | 9.6 | 8.2 | 11.3 | | | 9.8 | 8.3 | 11.5 | | | 10.0 | 8.4 | 11.7 | | | | | | | | | | | | | | | | | | | | | | | | | | | | | | | | | | | | | | | | | | | | | | | | | | | | | | | | | | | | |X Kaltwasser Zulauftemperatur in °C
Y Mischwassermenge / Auslaufmenge in l/min
1 18 kW
2 21 kW
3 24 kW
16.4 Einsatzbereiche / Umrechnungstabelle
Spezifischer elektrischer Widerstand und spezifische elektrische Leitfähigkeit, siehe „Datentabelle“.
| Normangabe bei 15 °C | 20 °C | 25 °C | ||||||
| Spez. Widerstand ρ ≥ | Spez. Leitfähig-keit σ ≤ | Spez. Widerstand ρ ≥ | Spez. Leitfähig-keit σ ≤ | Spez. Widerstand ρ ≥ | Spez. Leitfähig-keit σ ≤ | |||
| Ωcm | mS/m | μS/cm | Ωcm | mS/m | μS/cm | Ωcm | mS/m | μS/cm |
| 900 | 111 | 1111 | 800 | 125 | 1250 | 735 | 136 | 1361 |
| 1000 | 100 | 1000 | 890 | 112 | 1124 | 815 | 123 | 1227 |
| 1100 | 91 | 909 | 970 | 103 | 1031 | 895 | 112 | 1117 |
| 1200 | 83 | 833 | 1070 | 93 | 935 | 985 | 102 | 1015 |
| 1300 | 77 | 769 | 1175 | 85 | 851 | 1072 | 93 | 933 |
16.5 Druckverluste
Armaturen
| Druckverlust der Armaturen bei Volumenstrom 10 L/min | ||
| Einhandmischer, ca. | MPa | 0,04 - 0,08 |
| Thermostatarmatur, ca. MPa | 0,03 - 0,05 | |
| Handbrause, ca. | MPa | 0,03 - 0,15 |
Rohrnetz-Dimensionierungen
Zur Berechnung der Rohrnetz-Dimensionierungen wird für das Gerät ein Druckverlust von 0,1 MPa empfohlen.
16.6 Störfallbedingungen
Im Störfall können in der Installation kurzfristig Belastungen von maximal 80 °C bei einem Druck von 1,0 MPa auftreten.
16.7 Angaben zum Energieverbrauch
Die Produktdaten entsprechen den EU-Verordnungen zur Richtlinie für umweltgerechte Gestaltung energieverbrauchsrelevanter Produkte (ErP).
| DHE 18 SLi 25 A DHE 18/21/24 SLi DHE 27 SLi | ||||
| 227492 227493 | 227494 | |||
| Hersteller | STIEBEL ELTRON | STIEBEL ELTRON | STIEBEL ELTRON | |
| Lastprofil | S | S | S | |
| Energieeffizienzklasse | A | A | A | |
| Jährlicher Stromverbrauch | kWh | 479 | 479 | 473 |
| Energetischer Wirkungsgrad | % | 39 | 39 | 39 |
| Temperatureinstellung ab Werk | °C | 60 | 60 | 60 |
| Schallleistungspegel | dB(A) | 15 | 15 | 15 |
| Besondere Hinweise zur Effizienzmessung | keine | Angaben bei Pmax. | keine | |
16.8 Datentabelle
| DHE 18 SLi 25 A | DHE 18/21/24 SLi | DHE 27 SLi | ||||||||
| 227492 | 227493 | 227494 | ||||||||
| Elektrische Daten | ||||||||||
| Nennspannung | V | 380 | 400 | 415 | 380 | 400 | 415 | 380 | 400 | 415 |
| Nennleistung | kW | 16,2 | 18 | 19,4 | 16,2/19/21,7 | 18/21/24 | 19,4/22,6/25,8 | 24,4 | 27 | 29,1 |
| Nennstrom | A | 24,7 | 26 | 27 | 27,6/31,4/33,3 | 29/33/35 | 30,1/34,3/36,3 | 37,1 | 39 | 40,5 |
| Absicherung | A | 25 | 25 | 32 | 32/32/35 | 32/32/35 | 32/35/40 | 40 | 40 | 40 |
| Phasen | 3/PE | 3/PE | 3/PE | |||||||
| Frequenz | Hz | 50/60 | 50/60 | 50/- | 50/60 | 50/60 | 50/- | 50/- | 50/- | 50/- |
| Max. Netzimpedanz bei 50Hz | Ω | 0,300 | 0,285 | 0,274 | 0,331 | 0,314 | 0,302 | 0,200 | 0,190 | 0,183 |
| Spezifischer Widerstand ρ15 ≥ (bei ∅kalt ≤55°C) | Ω cm | 900 | 900 | 900 | 900 | 900 | 900 | 900 | 900 | 900 |
| Spezifische Leitfähigkeit σ15 ≤ (bei ∅kalt ≤55°C) | μS/cm | 1111 | 1111 | 1111 | 1111 | 1111 | 1111 | 1111 | 1111 | 1111 |
| Anschlüsse | ||||||||||
| Wasseranschluss | G 1/2 A | G 1/2 A | G 1/2 A | |||||||
| Einsatzgrenzen | ||||||||||
| Max. zulässiger Druck | MPa | 1 | 1 | 1 | ||||||
| Max. Zulauftemperatur für Nacherwärmung | °C | 55 | 55 | 55 | ||||||
| Werte | ||||||||||
| Max. zulässige Zulauftemperatur | °C | 65 | 65 | 65 | ||||||
| Ein | l/min | >2,5 | >2,5 | >2,5 | ||||||
| Volumenstrom für Druckverlust | l/min | 5,2 | 5,2/6,0/6,9 | 7,7 | ||||||
| Druckverlust bei Volumenstrom | MPa | 0,04 | 0,04/0,06/0,08 | 0,1 | ||||||
| Warmwasserdarbietung | l/min | 9,2 | 9,2 / 10,7 / 12,3 | 13,8 | ||||||
| Δθ bei Darbietung | K | 28 | 28 | 28 | ||||||
| Hydraulische Daten | ||||||||||
| Nenninhalt | I | 0,4 | 0,4 | 0,4 | ||||||
| Ausführungen | ||||||||||
| Anschlussleistung wählbar | - | X | - | |||||||
| Temperatureinstellung | °C | 20-60 | 20-60 | 20-60 | ||||||
| Schutzklasse | 1 | 1 | 1 | |||||||
| Isolierblock | Kunststoff | Kunststoff | Kunststoff | |||||||
| Heizsystem Wärmeerzeuger | Blankdraht | Blankdraht | Blankdraht | |||||||
| Kappe und Rückwand | Kunststoff | Kunststoff | Kunststoff | |||||||
| Farbe | weiß | weiß | weiß | |||||||
| Schutzart (IP) | IP25 | IP25 | IP25 | |||||||
| Dimensionen | ||||||||||
| Höhe | mm | 478 | 478 | 478 | ||||||
| Breite | mm | 225 | 225 | 225 | ||||||
| Tiefe | mm | 105 | 105 | 105 | ||||||
| Gewichte | ||||||||||
| Gewicht | kg | 4,5 | 4,5 | 4,5 | ||||||
Garantie
Für außerhalb Deutschlands erworbene Geräte gelten nicht die Garantiebedingungen unserer deutschen Gesellschaften. Vielmehr kann in Ländern, in denen eine unserer Tochtergesellschaften unsere Produkte vertreibt, eine Garantie nur von dieser Tochtergesellschaft erteilt werden. Eine solche Garantie ist nur dann erteilt, wenn die Tochtergesellschaft eigene Garantiebedingungen herausgegeben hat. Darüber hinaus wird keine Garantie erteilt.
Für Geräte, die in Ländern erworben werden, in denen keine unserer Tochtergesellschaften unsere Produkte vertreibt, erteilen wir keine Garantie. Etwaige vom Importeur zugesicherte Garantien bleiben hiervon unberührt.
Umwelt und Recycling
Bitte helfen Sie, unsere Umwelt zu schützen. Entsorgen Sie die Materialien nach der Nutzung gemäß nationalen Vorschriften.
OPERATION
- General information 22
text_image
on on 26.02.02.0554VOORZICHTIG verbranding
1 Symbool Elektronische module
▶ Vervang de elektronische module.
16. Technische gegevens
text_image
on on 26.02.02.0554text_image
26.02.02.0810_text_image
1. 2. 3. 4. 26.02.02.1124.14. Usuwanie usterek

STIEBEL ELTRON GmbH & Co. KG
Dr.-Stiebel-Straße 33 | 37603 Holzminden
Tel. 05531 702-0 | Fax 05531 702-480
info@stiebel-eltron.de
www.stiebel-eltron.de
Verkauf Tel. 05531 702-110 | Fax 05531 702-95108 | info-center@stiebel-eltron.de
Kundendienst Tel. 05531 702-111 | Fax 05531 702-95890 | kundendienst@stiebel-eltron.de
Ersatzteilverkauf Tel. 05531 702-120 | Fax 05531 702-95335 | ersatzteile@stiebel-eltron.de
Australia
STIEBEL ELTRON Australia Pty. Ltd.
EinfachAnleitung


