S 5U - Chaudière Clage - Notice d'utilisation et mode d'emploi gratuit
Retrouvez gratuitement la notice de l'appareil S 5U Clage au format PDF.
| Caractéristiques | Détails |
|---|---|
| Type de chaudière | Chaudière à gaz |
| Puissance nominale | 5 kW |
| Rendement énergétique | 93% |
| Dimensions (L x l x H) | 600 x 400 x 800 mm |
| Poids | 50 kg |
| Type de combustible | Gaz naturel ou propane |
| Utilisation | Chauffage central et production d'eau chaude |
| Entretien recommandé | Contrôle annuel par un professionnel |
| Système de sécurité | Détecteur de fuite de gaz, thermostat de sécurité |
| Garantie | 2 ans |
| Certifications | CE, NF |
FOIRE AUX QUESTIONS - S 5U Clage
Questions des utilisateurs sur S 5U Clage
0 question sur cet appareil. Repondez a celles que vous connaissez ou posez la votre.
Poser une nouvelle question sur cet appareil
Téléchargez la notice de votre Chaudière au format PDF gratuitement ! Retrouvez votre notice S 5U - Clage et reprennez votre appareil électronique en main. Sur cette page sont publiés tous les documents nécessaires à l'utilisation de votre appareil S 5U de la marque Clage.
MODE D'EMPLOI S 5U Clage
- Sommaire.... 10
- Configuration du chauffe-eau et pièces de rechange.....10
- Consignes de sécurité ..... 11
- Emballage et matériaux....12
- Description de l'appareil 13
- Caractéristiques techniques ..... 13
- Utilisation:
Sélection de la température .... 14
Limitation de la température 14
- Montage et raccordement hydraulique ..... 15
- Raccordement électrique ..... 16
- Mise en service 16
- Maintenance et entretien:
Ouverture du boîtier 17
Détartrage 17
Dépannage réalisé par un installateur ..... 17
1. Inhoudsopgave
2. Configuration du chauffe-eau et pièces de rechange

text_image
256 376
text_image
228 70 156| Pos. | Désignation Benaming Art.-Nr. | ||
| 1 | Élement chauffant 2000 W Verwarmingselement 2000 W 85200 | ||
| 2 | Joint Pakking 85205 | ||
| 4 | Régulateur de température Temperatuurregelaar 85210 | ||
| 5 | Coupe-circuit bilame Bimetaalbeveiliging 85215 | ||
| 7 | Voyant de contrôle Controlelampje | 85220 | |
| 11 | Bouton de réglage de la température avec ressort | Temperatuurregelknop met veer | 85225 |
| 32 | Raccord G^3/_8 | Aansluiting G^3/_8 | 85230 |
En cas de commande, toujours indiquer le type de l'appareil et le numéro de série.
Seules des entreprises d'installation agréées sont habilitées à effectuer les travaux de montage, de première mise en service et de maintenance de l'appareil. L'entreprise contractée assumera l'entière responsabilité quant à la conformité des travaux aux directives en matière d'installation et aux normes en vigueur.
Nous déclinons toute responsabilité pour les dommages dus à un non-respect des ces instructions.
- N'utiliser l'appareil qu'une fois celui-ci correctement installé et en parfait état de fonctionnement !
- N'installer l'appareil que dans une pièce excluant tout risque de gel !
- Ne mettre l'appareil sous tension qu'une fois celui-ci entièrement rempli d'eau !
- Ne procéder à aucune modification technique sur l'appareil, les câbles électriques ou les conduites d'eau !
- Ne jamais ouvrir le panneau frontal de l'appareil sans avoir auparavant mis celui-ci hors tension.
- Attention, après avoir prélevé de l'eau chaude pendant une durée prolongée la robinetterie risque également d'être brûlante !
• Cet appareil doit être relié à la terre ! - Afin d'éviter tout désagrément généré par un déclenchement intempestif du limiteur de sécurité en cas de panne, l'appareil ne devra pas être alimenté par une minuterie.
- L'utilisation de cet appareil est fortement déconseillé aux personnes à capacités réduites, tant mentales que physiques. Pour leur sécurité, conseils et instructions leur seront donnés par une personne compétente. Il faut garder l'appareil hors de porté des enfants.
4. Emballage et matériaux 4. Verpakking en materialen

Lorsque ce symbole figure sur les produits et/ou les documents qui les accompagnent, cela signifie que les appareils électriques et électroniques ne doivent pas être jetés avec les ordures ménagères. Pour que ces produits subissent un traitement, une récupération et un recyclage appropriés, envoyez les aux point de collecte désignés, où ils peuvent être déposés gratuitement. Dans certains pays, il est possible de renvoyer les produits au revendeur local en cas d'achat d'un produit équivalent. En éliminant correctement ce produit, vous contribuerez à la conservation des ressources vitales, à la prévention des éventuels effets négatifs sur l'environnement et la santé humaine qui pourraient survenir dans le cas contraire. Afin de connaître le point de collecte le plus proche, veuillez contacter vos autorités locales. Des sanctions peuvent être appliquées en cas d'élimination incorrecte de ces déchets, conformément à la législation nationale. Utilisateurs professionnels: Pour en savoir plus sur l'élimination des appareils électriques et électroniques, contactez votre revendeur ou fournisseur. Ce symbole n'est reconnu que dans l'Union européenne.
5. Description de l'appareil
- Le chauffe-eau S5-U est un appareil à écoulement libre (sans pression) pour l'alimentation décentralisée en eau chaude d'un seul point d'eau, p. ex. un évier de cuisine.
- Le chauffe-eau maintient la quantité d'eau qu'il renferme à une température préréglée. Si la totalité de l'eau du réservoir est prélevée, la montée en température s'effectue selon le diagramme ci-contre.
- Le chauffe-eau ne doit pas être mis sous pression. Ne jamais obturer la sortie de la robinetterie, et ne jamais utiliser de brise-jet ou un flexible muni d'un régulateur de jet.
- Un dépôt de calcaire peut boucher l'écoulement d'eau et produire ainsi une mise sous pression du chauffe-eau.
- Les signes d'un entartrage sont: des bruits d'ébullition et un écoulement d'eau restreint. Dans ce cas, faire détartrer le chauffe-eau et la robinette-rie par l'installateur.
-
Pendant le temps de montée en température, de l'eau s'écoule de la robinetterie.
-
De kleine boiler S5-U is een open, drukloos toestel voor de decentrale warmwater voorziening van een afzonderlijke tappunt zoals bijv. een keuken-gootsteen.
- De kleine boiler houdt voortdurend warm water op de vooraf gekozen temperatuur gereed. Wanneer de boiler helemaal wordt geleegd, verloopt het opwarmen overeenkomstig het nevenstaande diagram.
- De boiler mag niet worden bloot-gesteld aan druk. Sluit nooit de uitloop aan de kraan af en gebruik nooit een straalbreker of een slang met een straalregelaar.
- Door kalkaanslag kan de uitloop verstopt raken en de boiler onder druk komen.
- Tekenen die duiden op kalkaanslag, zijn kookgeluiden en een geringere wateruitstroom. Laat in dat geval de boiler en de kraan door een vakman ontkalken.
- Tijdens de verwarmingsfase druppelt er water uit de uitloop van de kraan.
6. Caractéristiques techniques
6. Technische specificaties
| Type S 5-U Type | ||
| N° de référence 42052 Bestelnummer | ||
| Contenance nominale I 5 Nominale inhoud | I | |
| Type, pression nominale | libre (sans pression)/open (drukloze) | Model, (nominale overdruk) |
| Réservoir intérieur | Polypropylène / polypropeen | Binnentank |
| Isolation thermique | Styropor (sans CFC) / polystyreen (CKW-vrij) | Thermische isolatie |
| Puissance nominale pour 230 V kW | 2,0 | Nominaal vermogen bij 230 V kW |
| Raccordement eau (pouce) Zoll | ^3/_8 | Wateraansluiting “ (inch) |
| Quantité d'eau mixte1 I | 9,1 | Hoeveelheid mengwater1 I |
| Plage de température °C | ≤ 85 | Temperatuurbereik °C |
| Réglage de température | en continu / traploos instelbaar | Temperatuur-instelling |
| Temps de chauffe de 15°C à 85°C en min | 13 | Opwarmtijd 15°C tot 85°C min |
| Consommation de courant en veille2 kWh | 0,27 | Standby energieverbruik2 kWh |
| Poids vide / plein kg | 3,5 / 8,5 | Leeg gewicht / vol gewicht kg |
| Degré de protection selon VDE | IP 24 | Veiligheidsklasse conform VDE |
1 Température de sortie de 40 °C pour des températures d'eau chaude et d'eau froide de 65 °C et 12 °C.
2 Consommation de courant en état de veille (température de 65 °C / 24 h).
Le réglage de la température souhaitée de l'eau du chauffe-eau s'effectue sur l'appareil. L'eau arrive par la soupape d'eau chaude de la robinetterie en place pour être mélangée à l'eau froide.
1 Bouton du thermostat de réglage arrêteringsring
2 Réglage en usine à 85 °C: „0“ standaardinstelling af fabriek 85 °C: „0“
3 Possibilités de réglage : « A–B–C » instelmogelijkheden temperatuurbegrenzing: "A–B–C"
Sélection de la température
- Appareil éteint
* Protection hors-gel automatique : le chauffage se met en marche lorsque la température de l'eau chute au-dessous de 7 °C environ.
35 ...et la zone noire :
zone d'économie d'énergie (par exemple pour lavabo)
e environ 55 °C : position économie d'énergie, avec réduction des dépôts de calcaire.
65 Position standard (par exemple pour l'évier)
85 température maxi réglable
Le voyant lumineux est allumé lorsque l'appareil chauffe.
Le voyant lumineux est allumé lorsque l'appareil chauffe (1).
Lorsque le réglage est supérieur à 45°C, un écoulement d'eau à haute température peut se produire.
Attention: risque de brûlure!
En réglant la température, vous préréglez également la quantité d'eau mélangée pouvant être obtenue (voir diagramme ci-contre).
Limitation de la température
- minimiser les risques de brulures,
- économiser l'énergie,
- réduire l'entartrage
La bague de limitation est accessible après avoir retiré le bouton de réglage.
La température peut-être préréglée sur une des positions suivantes:
A 38°C B 55°C
C 65 °C 0 85 °C (réglage usine)
Le bouton du thermostat ne peut être retiré que par l'installateur !
Temperatuurkeuze
8. Montage et raccordement hydraulique 8. Montage en wateraansluiting

- Observez les normes nationales ainsi que les dispositions des services locaux de distribution d'eau.
- Si l'appareil est soumis à la pression hydraulique du point de raccordement, le réservoir peut fuir et provoquer une inondation.
- Ne pas laisser d'accessoires dans l'emballage.
- Montez le chauffe-eau en position verticale, les raccords d'eau vers le haut, dans un local hors gel. Utilisez les vis et les chevilles jointes ou des accessoires de fixation équivalents (suivant la nature du mur) espacés de 140 mm dans le sens horizontal.
- Ne pas obturer le tube de sortie et le bec mobile de la robinetterie. Ne pas raccorder de flexible brise-jet ni de régulateur de jet.
La sortie fait fonction d'aérateur. Seules des robinetteries spéciales pour chauffe-eau à écoulement libre (sans pression) doivent être installées.
Observer les instructions de montage de la robinetterie car un débit de 5 l/min doit être respecté. Même en cas d'une pression d'eau temporairement plus élevée, ne pas dépasser le débit d'eau.
Un débit d'eau correct permet d'obtenir:
- un faible niveau de bruit lors du soutirage
- une grande quantité d'eau mélangée
Respecter le repérage de couleur des tubes de raccordement de la robinetterie et du chauffe-eau
bleu = arrivée eau froide
rouge = écoulement eau chaude
En cas d'inversion des raccordements, le chauffe-eau ne pourra pas fonctionner et risque d'être endommagé (dégâts des eaux).
L'écrou de raccordement doit être correctement positionné (fig. A). Un serrage excessif détruit les raccords hydrauliques !
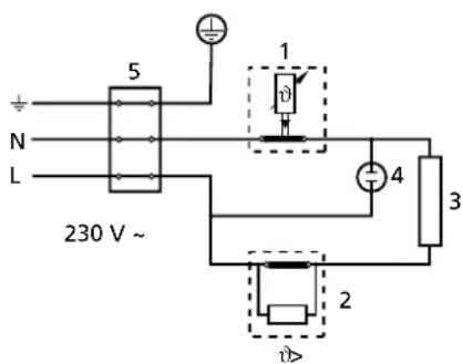
9. Raccordement électrique
Schéma de câblage
Schakelschema

text_image
5 N L 230 V ~ 1 4 3 2 →1 Bouton de réglage de la température
2 Coupe-circuit bilame
3 Élément chauffant
4 Voyant de contrôle
5 Borne de raccordement
Obligation de conformité aux normes et règles suivantes:
- L'installation doit être conforme aux normes IEC et aux normes nationales en vigueur ainsi qu'aux dispositions des entreprises locales d'approvisionnement en énergie !
- Observer les indications sur la plaque signalétique
- Observer les caractéristiques techniques de la page 12
- Cet appareil doit être relié à la terre !
Il faut raccorder l'appareil avec une prise avec terre qui doit rester librement accessible après l'installation de l'appareil.
Si le chauffe-eau doit être raccordé à demeure au réseau électrique alternatif (boîte de connexion pour appareil), il doit pouvoir être isolé du réseau avec un espace intercontact d'au moins 3 mm à chaque pôle.
L'installation avec un câble posé à demeure est interdite.
- Ouvrir la vanne d'eau chaude de la robinetterie ou positionner le mitigeur sur „chaud“ jusqu'à ce qu'il n'y a plus de bulles d'air dans l'eau qui s'écoule.
- Brancher la prise secteur et sélectionner la température.
Danger de marche à sec! En cas d'inversion des opérations, le thermostat de sécurité déclenche. Dans ce cas remplir d'eau l'appareil et couper l'alimentation.
Mise en service chez l'utilisateur
- Expliquez au client utilisateur le fonctionnement de l'appareil. Informez-le des instructions de sécurité à res pecter, prévenez-le que pendant la chauffe, la robinetterie goutte.
-
Remettez les instructions de montage et de fonctionnement au client utilisateur.
-
Warmwaterkraan openen of eengreeps mengkraan op »warm« zetten tot er geen luchtbellen meer in het water zitten.
- Stekker in het stopcontact steken en gewenste temperatuur instellen.
Droogkookgevaar!
Réservé au professionnel !
Pour toute intervention:
• Mettre l'appareil hors tension.
- Desserrer les raccords d'eau froide et chaude sur l'appareil.
- Déposer l'appareil, vidanger par les raccords d'eau chaude et froide et le poser sur la table.
Ouverture du boîtier
- Retirer le sélecteur de température (1).
- Desserrer les quatre vis du boîtier: deux en haut et deux en bas (2).
- Desserrer la vis dans la tête.
- Déposer la partie avant du boîtier (3).
- L'appareil est maintenant accessible pour d'autres travaux. L'assemblage s'effectue dans l'ordre inverse.
Le tuyau de sortie peut être détartré avec des produits de détartrage courants ou du vinaigre. Respecter les avertissements du fabricant lors du détartrage. Si l'eau s'écoule nettement plus lentement alors que le robinet est ouvert à fond, il faut faire détartrer le chauffe-eau et le robinet par un professionnel. Un entartrage prolongé peut avoir pour conséquence une pression excessivement élevée dans l'appareil.
Le tartre se dépose sur l'élément chauffant et sur le côté intérieur du chauffe-eau. Les intervalles de nettoyage dépendent de la dureté de l'eau et du mode de fonctionnement de l'appareil. Il est recommandé de nettoyer le chauffe-eau tous les deux ans.
Attention: n'utilisez pas de produit de nettoyage chimique !
Ontkalking
Dépannage réalisé par un installateur
Si lors d'un usage de l'appareil selon les normes le ou les défaut(s) doit/doivent être éliminé(s) et le thermostat remplacé.
Fax: +49 (0) 4131 · 83 200
Notice Facile