GW14705 - Thermostat Gewiss - Notice d'utilisation et mode d'emploi gratuit
Retrouvez gratuitement la notice de l'appareil GW14705 Gewiss au format PDF.
| Caractéristiques | Détails |
|---|---|
| Type de produit | Thermostat |
| Plage de température | 0 à 40 °C |
| Alimentation | 230 V AC |
| Type de capteur | Capteur de température intégré |
| Dimensions | 80 x 80 x 30 mm |
| Installation | Montage en saillie ou encastré |
| Utilisation | Régulation de la température dans les systèmes de chauffage et de climatisation |
| Maintenance | Vérifier régulièrement le fonctionnement et nettoyer le capteur si nécessaire |
| Sécurité | Conforme aux normes de sécurité électrique en vigueur |
| Garantie | 2 ans |
| Informations supplémentaires | Compatible avec divers systèmes de chauffage |
FOIRE AUX QUESTIONS - GW14705 Gewiss
Questions des utilisateurs sur GW14705 Gewiss
0 question sur cet appareil. Repondez a celles que vous connaissez ou posez la votre.
Poser une nouvelle question sur cet appareil
Téléchargez la notice de votre Thermostat au format PDF gratuitement ! Retrouvez votre notice GW14705 - Gewiss et reprennez votre appareil électronique en main. Sur cette page sont publiés tous les documents nécessaires à l'utilisation de votre appareil GW14705 de la marque Gewiss.
MODE D'EMPLOI GW14705 Gewiss
Thermostat électrique éte/hiver
Attention! La sécurité de l'appareil n'est garantie que si l'on respecte les instructions mentionnées ci-joint. Il est donc nécessaire de les dire avec attention et de bien les conserver.
Les produits de la gamme Chorus doivent être installés en conformité avec les normes HD 384 / IEC364 sur les appareils à usage domestique et similaire, dans des millieux non poussièux et où il n'est pas nécessaire d'avoir une protection spéciale contre la déténération d'eau.
L'organisation de vente GEWISS est à votre disposition pour toute elucidation ou information technique.
SOMMAIRE
GENERALITES SUR LE PRODUIT page
- Fonctions 20
INSTRUCTIONS POUR L'INSTALLATION
- Logique d'application 21
-Raccordementselectriques 23
INSTRUCTIONS POUR L'EMPLOI
-Commandes et signalisations 24
Fonctions
DONNEES SUR LES PERFORMANCES DE L'APPAREIL
Fonction ete / hiver.
Voyants lumineux :
- Led jaune fonction de localisation.
- Led verte indication état de sortie (accès contact NO fermé).
DONNEES TECHNIQUES
Tension d'alimentation: 230V 50÷ 60Hz
Type de sortie : à relais avec contact en échange
Raccordement appeareil (charge) : 2 ou 3 conducteurs
Section maximum des fils aux borniers : 2,5 mm
2
Type d'isolement : Classe II

Degre de protection : IP 30
Pollution : Normale
Plage de réglages: de +5°C au +35°C
Gradient thermique: ± 0 , 5^ au 20^
Limites de la température de fonctionnement: 0^ ÷ +50^
Réglementations de referencia pour marque CE :
EMC EN55014-1 EN55014-2 EN61000-3-2 EN61000-3-3
Logique d'application
OK



INSTRUCTIONS POUR L'INSTALLATION
Logique d'application
Conseils pour le positionnement :
Installer le thermostat à une hauteur de 1,50 ÷ 1,70 m du sol, loin des sources de chaleur, des prises d'air, des portes ou des fenêtres.





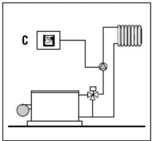
Installations de chauffage avec thermostat commandant :
A Chaudière murale
B Brûleur
C Pompe de circulation
D Electrovanne de zone
N.B.: Les exemples donnés dans la documentation suivante sont des exemples de原則.
Raccordements electriques
Important : L'installation et le raccordement électrique des dispositifs et des apparciels doit être effectuels par des personnes qualifiées et conformément aux normes et aux lois en vigueur. Le constructeur ne répondra aucunement en cas d'utilisation de produits ne respectant pas certaines normes du milieu ambient et/ou d'installation, qui relevant des compétences de l'installateur et sont entière à sa charge .
Attention: avant de proceder à l'installation de l'appareil,mettre hors tension.
Quand on a coupé le courant :
Connector les fils d'alimentation aux bornes n^ L (Ligne) et n^ N (Neutre).
Connector les fils du dispositif à commander aux bornes: n^1 = contact N0
$$ n ^ {\circ} 2 = \text {c o m m u n} $$
$$ n ^ {\circ} 3 = \text {c o n t a c t N F} $$
En cas de fortes charges inductives (pompes et electrovannes) on conseille de relier un filtré RC en parallèle à la charge.

Bornes de câblage
Alimentation : L - Phase
N - Neutre
Relais de sortie: 1 = contact NO
2 = commun
3 = contact NF
INSTRUCTIONS POUR L'EMPLOI
Commandes et signalisations

Bouton avec échelle
des températures :
5^ C ÷ 35^ C
Diode de signalisation
de I'etat de la charge :
allumée = charge activée
Notice Facile