Bravia KD55XG8196 - TV SONY - Gratis bruksanvisning og manual
Finn enhetens veiledning gratis Bravia KD55XG8196 SONY i PDF-format.
Questions des utilisateurs sur Bravia KD55XG8196 SONY
0 question sur cet appareil. Repondez a celles que vous connaissez ou posez la votre.
Poser une nouvelle question sur cet appareil
Last ned instruksjonene for din TV i PDF-format gratis! Finn veiledningen din Bravia KD55XG8196 - SONY og ta den elektroniske enheten tilbake i hendene. På denne siden er alle dokumenter som er nødvendige for bruken av enheten din publisert. Bravia KD55XG8196 av merket SONY.
BRUKSANVISNING Bravia KD55XG8196 SONY
Forsiktighetsatgärder
Forbered installationen av TV:n 9
KD-75XG80□□ 9
KD-65XG81□□/65XG80□□ 10
KD-55XG81□□/55XG80□□ 11
KD-49XG81□/49XG80□/43XG81□/43XG80□
Montera TV:n pa vagen. 14
KD-75XG80□□ 14
KD-65XG81□□ / 65XG80□□ / 55XG81□□ / 55XG80□□ / 49XG81□□ / 49XG80□□ / 43XG81□□ / 43XG80□□
Forbered installationen av TV:n
Se startGUIDen for installation av stativet.
KD-75XG80□□
1 Markera installationsplatsen pa vagggen.
- Använd maskeringstejp etc. (medfoljer ej) für att markera TV: ns lage nara baseller basadaptern. Se foljande tabell.

Enhet: mm
| Modellnamn | Längd für varje markering | Avständ till skärmens mittpunkt | ||
| a | b | c | d | |
| KD-75XG80☐☐ | 1 | 686 | 564 | 150 202 |
Til Sony-forhandlere og installmenter
For at sikre tilstrakkelig ventilation og forhindre ansamling af stov og snavs:
Nar 2-b vaelges, begraenses adgangen til stikket bagpa.

3 Se tabellen nedenfor vedrørende placering af baseadapterens fitting. Ved valg af 2-b springs dette trin over.
| Modelnavn Krogplacering | |
| KD-75XG80□□ | |
| KD-65XG81□□ | b |
| KD-65XG80□□ | |
| KD-55XG81□□ | |
| KD-55XG80□□ | |
| KD-49XG81□□ | c |
| KD-49XG80□□ | |
| KD-43XG81□□ | d |
| KD-43XG80□□ | |

- Hold TV'et sikkert med begge hender og sorg for, at baeltet og bunden af TV'et er i overensstemmelse med afdaekningstapen.
Vær tre personer til at bare TV'et, og den person, der er foran TV'et, fomer de andre til at justere placeringen.

2 Installer TV'et på basen eller baseadaptereren.
- Sørg for, at der er mindst to personer (tre eller flere personer til TV på 75 tomm er og derover) til at bære TV'et.

3 Sādan forbhindres, at TV'et bund flytter sig.
- Hold TV'et fast med begge haender.
2 Installer TV'et på basen eller baseadaptereren.
- Sørg for, at der er mindst to personer (tre eller flere personer til TV på 75 tomm er og derover) til at bære TV'et.

3 Sādan forbhindres, at TV'et bund flytter sig.
Installsjonsveiledning for bruk med Sony veggmonteringingsbrakett (SU-WL450)
Stottededemodeller:
KD-75XG80□□*/65XG81□□*/65XG80□□*/55XG81□□*/
- I de faktiske modellnavnene, indikerer "□□" tall og/eller bokstaver som gjelder spesielt for haver modell.
Til kunder
Av hensyn til produktets beskyttelse og sikkerheten, anbefaler Sony sterkt at TV-en installereres av Sony-forhandlere eller lisensierte entreprises. Ikke forsok Å installere den selv.
Til Sony-forhandlere og -leverandrer
Legg speielt merke til sikkerheten under installasjonen, periodisk vedlikehold og ved undersøkelse av dette produitet.
Tilstrekkelig ekspertise er nødvendig for Å installere detteproduktet, spesielt for Å fastslå at veggen kan klare TV-ens vekt. Overlat monteringen av detteproduktet til Sony-forhandlere eller lisensierte entreprører, ogær spesielt oppmerksom på sikkerheten under installationsjon. Sony er ikke ansvarlig for eventuell skade eller personskade forårsaket av feil behandling eller installationsjon.
Av sikkerhetsmessige Årsaker og for korrekt installationsjon mA bruksanvisingene for veggmoneringsbraketten, innstillingsveiledningen og retningslinjene i/DDne handboken f#.
Om sikkerheten
Takk for at du kjøpte dette produit.
Til kunder
Tilstrekkelig ekspertise er nadvendig for a montere dette produktet. Overlat installasjonen til Sony-forhandlere eller lisensierte entreprises, og vær spesielt oppemerksom pa sikkerheten under installasjonen. Sony er ikke ansvarlige for skader eller personskader som oppstår som føge av feil handtering eller installasjon, eller installasjon av anenet enn det speisifiserte produktet. Dine forbrukerrettigheter (hvis noen) pavirkesDIC
Til Sony-forhandlere
Tilstrekkelig ekspertise er nodvendig for a montere dette produktet. Les noye gjennom donne bruksanvisingen for a gjoare installasjonen pa en trygg mate. Sony er ici ansvarlige for skader aller personskader som oppstar som folge av feil handtering ell installationj. Gi dette handboken til kunden etter installationj.
Denne bruksanvisingen viser korrekt handtering av produit og viktige forholdsrregler som er nadvendige for a forhindre uhell. Sorg for at du leser noye gjennom donne handboken og bruker produit pa riktig mate. Ha donne handboken tilgengelig for fremtidig reference.
Sonysprodukter er utviklet med fokus pa sikkerheten. Hvisproduktne brukes feil, kan det derimot folge til alvorlig personskade pa grunn av brann, elektrisk stot, produitet velter eller faler ned. Overhold forholdsreglene for sikkerhet for aforhindre slike uhell.
FORSIKTIG
Spesifiserteprodukter
Denne veggmonteringnsbraketten er utviklet for bruk med de oppgitte TV-productene. For TV-er, se referanseveiledningene til TV-ene for a bekrete at veggmonteringnsbraketten kan brukes.
Til kunder
ADVARSEL
Hvis falgende forholdsergler icke folges, kan alvorlig personskade erler ddsfall oppsta gjennom brann, elektrisk stot ellerprodukter kan falle ned.
Overlat installasjonen til lisensierte entreprises og hold små barn unna under installasjonen.
Hvis vegmonteringingsbraketten erer TV-en
ikke installeres riktig, kan fologende uhell
oppa. Sorg for at lisensierte entrepreneurer utfor installjonen.
TV-en kan falle ned og forarsake en alvorlig persorskade som et blamerke ell er et brudd.
- Hvis veggen som
veggmonteringisbraketten installeres på er ustabil, ujevn eller ikke vinkelrett til gulvet, kan enheten falle ned og foråsake personskade eller skade på eiendom.
Veggen skalkte stotte en vekt på minst fire ganger TV-ens vekt.
(Se TV-ens referanseveiledning for vekten til TV-en.)
- Hvis veggmonteringingsbraketten/DD enfallen falle ned og forarsake persorskade ell skade e iendom.
Overlat flying ell deremontering av TV-en til lisensierte entreprisesr.
Hvis en annen person enn lisensierte
entrepreneurer transporterer erler demonterer TV-en, kan den falle ned og forarsake
personskade erller skade pa eiendom. Sorg for at to ellere personer (tre ellere flere
personer for TV-er pa 75 tomm er ler mer) baeer erler demonterer TV-en.
Ikke fjern skruer e.l. etter montering av TV-en.
Hvis du gjør dette, kan TV-en falle ned og forårsake perskade eller skade på eieendom.
Ikke gjør endringer på delene til veggmonderingsbraketten.
Hvis du gjør dette, kan vegmonteringinsbraktetten falle ned og forarssake persorskade eller skade pa eienom.
Ilke monter noe annet utstyr enn det spesifiserte produktet.
Denne veggmoneringsbraketten er utviklet for bruk med det speisifiserte produktet. Hvis du monterer annet utstyr enn det som er speisifisert, kan det falle ned elleredelegges, og forarsake personskade eller skade pa eiendom.
Ikke pafør noen annen
vekt enn den fra TV-en pa
veggmonteringnsbraketten.
Ikke rist TV-en til venstre/
høyre eller opp/ned.
Hvis du gjör dette, kan TV-en falle ned og forársake persökade eller skade pa eiendom.
Ikke len deg på eller heng fra TV-en.
Ikke len deg pa aller heng fra TV-en da den kan falle ned pa deg og forarsake個人skade.
FORSIKTIG
Ikke bruk ekstrem kraft pa oversiden pa TV-en. Hvis du gjør dette, kan TV-en falle ned og forårsake persorskade eller skade pa eiendom.
Forholdsregler
- Hvis du braker TV-en montert pa vegmonteringisbraketten over lang tid, kan veggen bak aller over TV-en blimisfart get erer tapeten kan losne, avhengig av veggens materiaie.
Hvis vegmonteringsbraketten er fjernet etter at den er montert på veggen, stär skruehullene ijgen. - Ikke bruk veggmonteringnsbraketten pa et sted hvor den er utsatt for mekaniske vibrasjoner.
Installere veggmonteringsbraketten
Til Sony-forhandlere
ADVARSEL
Folgende instrukser er bare for
Sony-forhandlere. Les
sikkerhetsforholdsgrelene beskrevet
under og legg spesielt merke til
sikkerheten under installationsjon,
vedlikehold og kontroll av dette
produktet.
Ikke monter
veggmonteringsbraketten
på veggoverflater hvor
hjørnene eller sidene av
TV-en stikker frem fra
veggoverflaten.
Ikke monter vegmonteringsbraketten pa veggoverflater som en søyle hvor hjørnene erller sidene av TV-en stikker frem fra veggoverflaten. Hvis en person erler en gjenstand treffer det utstikkende hjørnet erller sideren pa TV-en, kan det fare til persorskade erller skade pa eiendom.

Ikke installer TV-en over
eller under et
klimaanlegg.
Hvis TV-en utsettes for vannlekkasjer erlerluftstrom fra et klimaanlegg over lang tid,kan dette forarsake brann,elektrisk stot ellere n feilfunksjon pa TV-en.
Sorg for at du monterer veggmonteringsbraketten sikkert pa veggen etter anvisingene i donne bruksanvisingen.
Hvis noen av skruene er lose erller falter ut, kan veggmonteringingsbraketten falle ned og forarsake personskade erer skade pa eiendom. Sorg for at du braker riktige skruer etter materialei veggen og installer enheten sikkert med fire erler flere skruer av storrelsen 8 mm diameter (eller tilsvarende).

Sorg for at du bruker de inkluderte skruene og tilkoblingsdelene på riktig mæte etter anvisingene som er gitt i denen bruksanvisingen. Dersom du bruker erstattede deler, kan TV-en falle ned og forårsake personskade eller skade på TV-en.
Sorg for at du monterer braketten riktig etter anvisninger forklart i donne bruksanvisingen.
Dersom noen av skruene er loseller faller ut, kan TV-en falle ned og forarsake personskade ell skade pa TV-en.
Sorg for at du strammer skruene godt til i riktig posisjon.
Vær forsiktig sa TV-en\ ikke utsettes for støt\ under installationsjon.
Hvis TV-en utsettes for stot, kan den falle ned aller odelegges. Dette kan forarsake personskade.
Sorg for at du installerer TV-en pa en vegg som er bade vinkelrett og flat.
Etter riktig installationsjon av TV-en, ma du feste kablene pa riktig mnte.
Hvis personer eller gjenstander blir viklet inn i kablene, kan dette fore til personskade ell skade pa TV-en.
Skruene som er
nødvendige forå sikre
veggmonteringsbraketten
til veggen følger ikke
med.
Bruk skruer som passer for veggmaterialiet og strukturen nár du monterer veggonteringsbraketten.
Innhold
Forberede installasjonen 5
Kontrollere delene 5
Bestemme installationsstedet 6
Forberede installasjonen av TV-en. 9
KD-75XG80□□ 9
KD-65XG81□□/65XG80□□ 10
KD-55XG81□□/55XG80□□ 11
KD-49XG81□/49XG80□/43XG81□/43XG80□
Installere TV-en pa veggen 14
KD-75XG80□□ 14
KD-65XG81□□ / 65XG80□□ / 55XG81□□ / 55XG80□□ / 49XG81□□ / 49XG80□□ / 43XG81□□ / 43XG80□□
Bekrefte fullforgen av installasjonen 19
Annen informasjon. 19
Spesifikasjoner 19
Installere TV-en på veggen
Installasjonsfremgangsmåten varierer avhengig av TV-en.
Bruk veggonteringsbrakett SU-WL450 til a installere TV-en pa veggen.
Merknad
Hvis bordstativet er festet pa TV-en, kobler du fra bordstativet pa forhand. Se Innstillingsveiledning og falg trinnene i motsatt rekkefolge for a losne bordstativet.
- Plasser TV-en med skjermen vendt ned pa en plan og stabil overflate dekt til med en tykk, myk klut, nár du sikrer tilkoblingsdelene for veggmonteringsbrakett aller nár du fjerner bordstativet fra TV-en for a forhindre skade pa overflaten til LCD-skjermen.
- Sørg for at skruene du har fjernet blir oppbevant på entrygg plass, utenfor barns rekkevidde.
Forberedeinstallasjonen
- Sørg for Å ha TV-ens referanseveiledning og innstillingsveiledningen tilgengelig før installasjonen.
Pass pà at du har en Phillips-skrutrekker som passer skruene før monteringen. - Bekreft posisjonen TV-en skal installeres i.
Gjør klare fire eller flere skruer av 8 mm diameter og en skrue pa 5mm ellertilsvarende (medfolver ger ikke). Velg skruersom passer for materialet i veggen.
Kontrollere delene
Inkludert med SU-WL450
Bekreft at alle deler ffolger med.
| A Sokkel (20) (1) B Trinse (2) | |
| C PSW 6x20 (4) D P$W 4x20 med hylse (2) | |
| E Avstandsstykke (20) (2) | F Belte (1) |
| G Hylse (20) (M4) (2) | H PSW 4x20 (2) |
| I Sokkeladapter (2) | I PSW 4x10 (8) |
| K Avstandsstykke (60) (2) | L PSW 6x50 (2) |
| M Hylse (M4) (2) N PSW 4x50 (2) | |
Bestemme installasjonsstedet
1 Bestemme installasjonsstedet.
Sorg for at veggen har nok plass for TV-en og at den kan stotte en vekt på minst fire ganger TV-ens.
Se folgende tabell om Å installere TV-en på veggen. Se TV-ens referanseveiledning for TV-ens vekt.

Enhet: mm
| Modellnavn | Skjermmål | Skjermsen- termål | Lengde for montering | |||
| a | b | c | d | e | ||
| Standard montering | Tynn montering | |||||
| KD-75XG80☐☐ | 1686 970 202 690 142 100 | |||||
| KD-65XG81☐☐ | 1463 845 173 597 142 100 | |||||
| KD-65XG80☐☐ | 1463 845 173 597 142 100 | |||||
| KD-55XG81☐☐ | 1241 721 95 460 141 100 | |||||
| KD-55XG80☐☐ | 1241 721 95 460 141 100 | |||||
| KD-49XG81☐☐ | 1101 645 -15* 314 | 119 | 78 | |||
| KD-49XG80☐☐ | 1101 645 -15* 314 | 119 | 78 | |||
| KD-43XG81☐☐ | 970 | 570 | 23 | 315 | 119 | 77 |
| KD-43XG80☐☐ | 970 | 570 | 23 | 315 | 119 | 77 |
- Brakettpositionen er under skjermssenterpunktet.
Merknad
- Tallene i tabellen kan variere noe avhengig av installasjonen.
- Nár TV-en er installiert på veggen, lener øvre side av TV-en noe fremover.
La det vare en passende klarering mellom TV-en og taket og fremspringende deler av veggen som vist under.
Enhet: mm

-
Sikre god ventilasjon og forbindre oppsamling av smuss erler stov:
-
Ikke legg TV-en flatt, installer den opp ned, baklengs eller sideveis.
- Ikke plasser TV-en pa en hylle, teppe, seng ell er i et skap.
- Ikke dekk til TV-en med en klut, som gardiner, aller med aviser, osv.
Aldri installer TV-en som vist under.
Luftsrukulering er blokkert.

Merknad
Hvis du har tenkt a legge kablene i veggen, ma du lage et hull i veggen for a fore inn kablene for du starter installationen.
For a forhindre at kablene klemmes, ma du lage et hull i veggen en plass utenfor perimeteret til sukkelen (20) A, sukkeladapter 1 og avstandsstykket (20) E, avstandsstykket (60) K.
2 Velg veggmonderingsstil.
Avstand fra TV-ens bakside fra veggen kan velges som vist under.
2-a Standard montering
2-b Tynn montering
Se tabellen i trinn 1.
ADVARSEL
Nar 2-b er valgt, er tilgang til bakre terminal begrenset.


3 Se tabellen under om sted for montering av sukkeladapter. När du velger 2-b, hopper du over dette trinnet.
| Modellnavn Krokplassering | |
| KD-75XG80□□ | |
| KD-65XG81□□ | b |
| KD-65XG80□□ | |
| KD-55XG81□□ | |
| KD-55XG80□□ | |
| KD-49XG81□□ | c |
| KD-49XG80□□ | |
| KD-43XG81□□ | d |
| KD-43XG80□□ | |

Monter sukkeladapter ① ved à bruke skrue (PSW 4x10) ① pa sukkel (20) ④ nár du velger 2-a.

4 Bestem posisjonene til skruene for a installere sukkelen (20) A.
Se spesifikasjonene pà side 19.
Nár du velger 2-a, kan du bruke hullposisjonene til sukkeladapter ①
ADVARSEL
Veggen som TV-en skal monteres pa skal kinne stotte en vekt pa minst fire ganger TV-ens (Se TV-ens referanseveiledning for vekten til TV-en.)
Bestem styrken til veggen som TV-en skal monteres pa. Gjor veggen sterkere ved behov.
Installere Sokkelen på
veggen
- Bruk fire eller flere skruer av 8 mm diameter eller tilsvarende (medfølger ikke).
- Sett fire skruer inn i hullene pa soskeladapter ① Med sukkel (20) A (kun 2-a).
- Installer Sokkelen (20) A horisontalt paveggen.


Forberede installasjonen av TV-en
Se innstillingsveiledningen for installjon av stativet.
KD-75XG80□□
1 Marker installasjonsstedet pa veggen.
- Bruk maskeringtape osv. (medfolger化进程) for a merke plasseringen av TV-en i nærhen av sukkenen eller sukkeladapteren. Se ffolgende tabell.

Enhet: mm
| Modellnavn | Lengde for marking | Skjermsen- termål | ||
| a | b | c | d | |
KD-75XG80□□ 1686 564 150 202
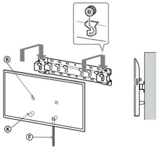
2 Fest tilkoblingsdelene for veggmoneringsbraketten. Kontroller tilkoblingsdelene ved a henvise til "Inkludert med SU-WL450" under "Kontrolere delene" på side 5.
Merknad
- Fest tilkoblingsdelene sikkert med skruer.
Nar du bruker en elektrisk skrumaskin, still inn tiltrekkingsmomentet til ca. 1,5 N·m {15 kgf·cm}.
Sorg for at de brukte aller ubrakte delene blir oppbevart pa en trygg plass for framtidig bruk. Ta vare pa donne handboken for senere.

Standard montering (2-a)
Tynn montering (2-b)
Merknad
- Noen av terminalene pa baksiden av TV-en kan ikke brukes nár davon monteringsstilen benyttes.


4 Demonter bordstativet fra TV-en.
Fjern den ene sider av bordstativet om gangen. Hold bordstativet godt fast med begge hender mens den andre personen Ifofter opp TV-en.

Gjenta det forrige trinnet og fjern den andre sider av bordstativet.
Merknad
Tre ellere flere personer er nodvendig for a Iosne bordstativet.
Vær forsiktig sa du ikke bruker for mye kraft nár bordstativet losnes fra TV-en, da dette kan medfore at TV-en faller ned og ogsa medfore personskader eller fysiske skader pa TV-en.
Vær forsiktig ved handtering av bordstativet for a hindre skader pa TV-en.
Vær forsiktig nar TV-en Ioftes, da bordstativet er Iosnet, bordstativet kan vippe over og medfere personskader.
Vær forsiktig nár bordstativet fjernes fra TV-en for a hindre at det faller ned og skader overflaten pa TV-en som det er festet til.
KD-65XG81□□/65XG80□□
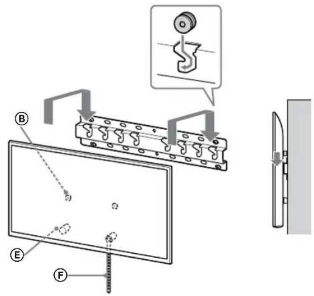
1 Fest tikkoblingsdelene for veggmoneringsbraketten. Kontroller tikkoblingsdelene ved a henvise til "Inkludert med SU-WL450" under "Kontrolere delene" på side 5.
Merknad
Fest tilkoblingsdelene sikkert med skruer.
Nar du bruker en elektrisk skrumaskin, still inn tiltrekkingsmomentet til ca. 1,5 N·m {15 kgf·cm}
Sorg for at de brukte aller ubrakte delene blir oppbevart pa en trygg plass for framtidig bruk. Ta vare pa donne handboken for senere.

Standard montering (2-a)
Tynn montering (2-b)
Merknad
- Noen av terminalene pa baksiden av TV-en kan ikke brukes nár davon monteringsstilen benyttes.


2Koble de(n) nodvendige kabelen(e) til TV-en.
3 Demonter bordstativet fra TV-en.
Fjern den ene sider av bordstativet om gangen. Hold bordstativet godt fast med begge hender mens den andre personen Ifofter opp TV-en.

Gjenta det forrige trinnet og fjern den andre sider av bordstativet.
Merknad
Tre ell flere personer er nodvendig for a Iosne bordstativet.
Vær forsiktig sa du ikke bruker for mye kraft nár bordstativet losnes fra TV-en, da dette kan medfore at TV-en faller ned og och medfrole personskader eller fysiske skader pa TV-en.
Vær forsiktig ved handtering av bordstativet for a hindre skader pa TV-en.
Vær forsiktig nár TV-en Ioftes, da bordstativet er Iosnet, bordstativet kan vippe over og medfere personskader.
Vær forsiktig nár bordstativet fjernes fra TV-en for áhindre at det faller ned og skader overflaten pa TV-en som det er festet til.
KD-55XG81□□/ 55XG80□□
1 Fest tikoblingsdelene for veggmoneringsbraketten. Kontroller tikoblingsdelene ved a henvise til "Inkludert med SU-WL450" under "Kontrolere delene" på side 5.
Merknad
- Fest tilkoblingsdelene sikkert med skruer.
Nar du bruker en elektrisk skrumaskin, still in tiltrekkingsmomentet til ca.1,5 N-m{15 kgf-cm}
Sorg for at de brukte aller ubrakte delene blir oppbevarp a en trygg plss for framtidig bruk. Ta vare pdenne handboken for senere.

Standard montering (2-a)
Tynn montering (2-b)
Merknad
- Noen av terminalene pa baksiden av TV-en kan ikke braukes nár davon monteringsstilen benyttes.


3 Demonter bordstativet fra TV-en.

Merknad
Vær forsiktig nár TV-en Ioftes, da bordstativet er Iosnet, bordstativet kan vippe over og medfere persorskader.
Vær forsiktig nár bordstativet fjernes fra TV-en for Å hindre at det faller ned og skader overflaten pa TV-en som det er festet til.
KD-49XG81□□/
49XG80□□ / 43XG81□□ /
43XG80□□
1 Demonter bordstativet fra TV-en.

Merknad
Pass pà at du plasserer TV-en hvor du har lagt en myk klut for aforhindre skade pa skjermens overflate.
- Ved installasjon av veggmonteringsbraketten,/DD bruk skruene som fjernes fra bordstativet.
Sorg for at bordstativet og skruene du har fjernet blir oppbevart pa en trygg plass, utenfor barnsrekkevidde. Du trenger disse hvis du vil bruke TV-en pa et bord i fremtiden. Bordstativet kan ikke kjøpes separat.
ADVARSEL
Sorg for at TV-en star i en vertical posisjon forden slas pa. TV-en ma ikke slas pa med LCD-skjermen vendt ned da dette kan fore til en ujevn bildeoppstilling.
Hvis trykk ell stp pafores overflaten pa TV-en, kan TV-en bli odelagt ell skadet.
- Legg TV-en med forsiden ned pa en stabil og jevn overflate med bordstativet hengende over kanten pa overflaten. Hvis overflaten pa TV-en og sukkenen til bordstativet er pa samme overflate i et plan, vil den vaere ustabil og du kan skade TV-en.
- Hold bordstativet sikkert med begge hender nár du demonterer bordstativet fra TV-en.
2 Fest tilkoblingsdelene for veggmoneringsbraketten. Kontroller tilkoblingsdelene ved a henvise til "Inkludert med SU-WL450" under "Kontrolere delene" på side 5.
Merknad
Fest tilkoblingsdelene sikkert med skruer.
Nar du bruker en elektrisk skrumaskin, still inn tiltrekkingsmomentet til ca.1,5 N-m{15 kgf-cm}
Sorg for at de brukte aller ubrakte delene blir oppbevant pa en trygg plass for framtidig bruk. Ta vare pa donne handboken for senere.
Standard montering (2-a)

Tynn montering (2-b)
Merknad
- Noen av terminalene på baksiden av TV-en kan/DD brukes när donne monteringsstilen benyttes.


Installere TV-en på veggen
KD-75XG80□□
1 Løft TV-en.
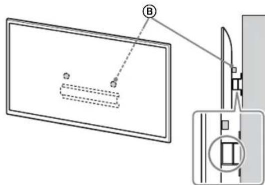
- Set tabellen i trinn 3 i "Bestemme installasjonsstedet" på side 7 for plassering av trinsene ⑧ i opphenget på sukkelen eller sukkeladapteren.
- Sorg for at baksiden av TV-en berør somkelen eller soskeladapteren nr TV-en holds.
Merknad
- Hold TV-en sikkert med begge hender og sorg for at beltet og bunnen av TV-en stemmer overens med maskeringstapen.
- Bruk tre personer nár TV-en loftes, mens personen foran TV-en leder de andere for a justere posisjonen.

Værsvart forsiktig nár TV-en installereres pa veggen, spesielt for Personen som stotter TV-en foran, TV-en kan falle og medfrole alvorlige persorskader erler til og med dodsfall.

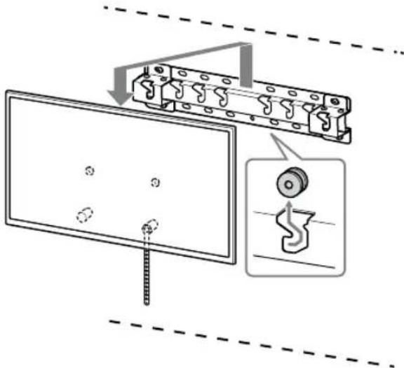
2 Installer TV-en på sokkelen eller sukkeladapteren.
La TV-en gli forsiktig ned og heng trinsene 8 som er festet pa baksiden av TV-en opp pa sukkenen eller sukkeladapteren, sorg for a bekrefte formen pa hullene.
- Etter installasjon av TV-en på veggen, kontROLLERer du at trinsene ⑧ er godt festet på sukkelen eller sukkeladapteren.
- Slipp med begge hender langsomt for a sikre at TV-en/DDke faller.

- Etter installationsjon av TV-en på veggen fjernes maskeringtape osv. fra veggen.




ADVARSEL
Sorg for at to aller flere personer (tre aller flere personer for TV-er pa 75 tomer erer mer) holder TV-en nar den barees.

3 Forhindre at bunnen på TV-en forskyves.
- Ta opp slakken på belte F og fest det stramt til veggen.


- Prov à dra bunnen på TV-en mot deg selv litt, sa du er sikker på at den ikke beveger seg fremover. Hvis det er bevegelse, er ikke TV-en riktig festet, og belte F burde strammes riktig igjen.
KD-65XG81□□/
65XG80□□ / 55XG81□□ /
55XG80□□ / 49XG81□□ /
49XG80□□ / 43XG81□□ /
43XG80□□
1 Loft TV-en.
- Set tabellen i trinn 3 i "Bestemme installasjonsstedet" på side 7 for plassering av trinsene (B) i opphenget på soskelen eller soskeladapteren.
- Sorg for at baksiden av TV-en berør soskeken eller soskeladapteren nr TV-en holds.

Merknad
La TV-en gli forsiktig ned og heng trinsene 包 som er festet pa baksiden av TV-en opp pa sukken erler sukkeladapteren, sorg for a bekrefte formen pa hullene.
- Etter installasjon av TV-en på veggen, kontrollerer du at trinsene ⑧ er godt festet på sukkelen eller sukkeladapteren.
- Slipp med begge hender langsomt for a sikre at TV-en/DDke faller.


2-a

2-b

↓

↓
NO
ADVARSEL
Sorg for at to aller flere personer (tre aller flere personer for TV-er pa 75 tomer erer mer) holder TV-en nar den bares.

3 Forhindre at bunnen på TV-en forskyves.
- Ta opp slakken på belte (F) og fest det stramt til veggen.


- Prov à dra bunnen på TV-en mot deg selv litt, sa du er sikker på at den ikke beveger seg fremover. Hvis det er bevegelse, er ikke TV-en riktig festet, og belte (F) burde strammes riktig igjen.
Bekrefte fullf.orgen av installationsjonen
- Trinsene (B) henger riktig på sukkelen ellen sukkeladapteren.
- Ledningen og kabelen er/DD erler klemt.
- Belte F er stramt uten noe slakk.
ADVARSEL
- Feil plassering av strømledningen, e.l. kan forrsake brann eller elektrisk støt pa grunn av en kortslutning. Sorg for at installationsjonen fullfores pa riktig mæte.
Annen informasjon
Nár du fjerner TV-en, utfør er du installasjonen i motsattrekkefolge.

ADVARSEL
- Sorg for at to aller flere personer (tre aller flere personer for TV-er pa 75 tomer aller mer) holder TV-en nar den fjernes.
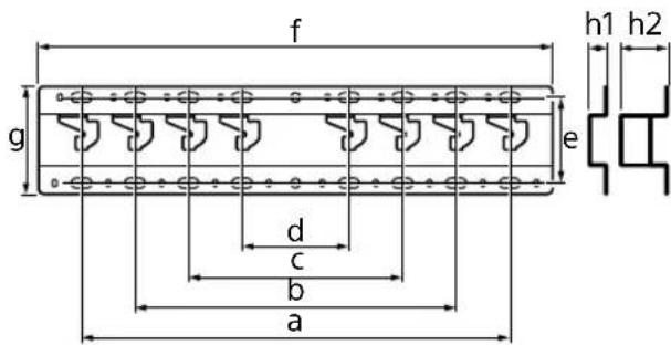
Spesifikasjoner

MaI: (Ca.) [mm]
a : 400
b : 300
c : 200
d : 100
e:80
f:480
q : 100
h1:20(tilfelle 2-b)
h2:60(tilfelle 2-a)
Vekt (kun sukkel): (Ca.) [kg]
0.8
Design og spesifikasjoner kan endres uten forvarsel.
EnkelManual