EXR 1541 - Decoder digitale KATHREIN - Manuale utente e istruzioni gratuiti
Trova gratuitamente il manuale del dispositivo EXR 1541 KATHREIN in formato PDF.
Scarica le istruzioni per il tuo Decoder digitale in formato PDF gratuitamente! Trova il tuo manuale EXR 1541 - KATHREIN e riprendi in mano il tuo dispositivo elettronico. In questa pagina sono pubblicati tutti i documenti necessari per l'utilizzo del tuo dispositivo. EXR 1541 del marchio KATHREIN.
MANUALE UTENTE EXR 1541 KATHREIN
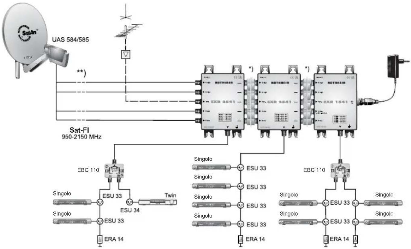
Sistema di distribuzione Sat-Fl (4 x Sat-Fl) Commutatori multipli monocavo
Caratteristiche

- Commutatori multipli compatibili in Cascata per la distribuzione di segnali Sat-FI digitali (4 livelli satellitari, inclusa HDTV) e segnali terrestri per l'alimentazione di 4 ricevitori in nuclei unifamiliari
- Nessuna limitazione della varietà di canali - viene trasmessa l'intera offerta di canali di un satellite
Possibilità di selezione orizzontale/verticale, banda Low/High e selezione transponder da agli ricevitore
La commutazione orizzontale/verticale, banda Low/ High e la selezione del transponder avvengono nel commutatore multiplo e sono gestite dal ricevitore con uno speciale set di comandi monocavo SCR ai sensi della norma EN 50494
Per la selezione del transponder sono integrati nel commutatore multipl monocavo speciali moduli di sintonizzazione, i cosiddetti SCR (Satellite Channel Router), per la conversione sulle frequenze utente
Agni ricevitore è assegnata una frequenza utente fi ssa (un ricevitore Twin necessita di due freuenze utente)
Conforme allo standard monocavo SCR secondo EN 50494, vale a dire tutti i componenti di un sistema monocavo che corrispondono a但这a norma possono essere integrati in un impianto satellitare - Ricezione del Campo terrestre possibileanche con il ricevitore satellitare spento
I commutatori multipli monocavo EXR 2541 e i commutatori multipli passabanda, per esempio EXR 2558, possono essere combinati a piacere. è possible collegare in Cascata fi no a 8 commutatori multipli
Per il montaggio interno


EXR 1541
Commutatore multipl monocavo con collegamento per quattro ricevitori, alimentatore di rete NCF 18 per alimentazione LNB
- Ridotto assorbimento di potenza grazie all'alimentatore a commutazione e al concetto di risparmio energetico altamente effi ciente e protetto contro i cortocircuiti (il commutatore multiple monocavo viene alimentato dai ricevitori collegati e disattivato con lo spegnimento dei ricevitori)
Alimentazione a distanza dell'LNBattraverso l'ingresso horizontal low. Tutti gli altri ingressionsonoenza tensione
EXR 2541
Commutatore multiplio monocavo di transitop er l'ampliamento dell'impianto di un collegamento monocavo per quattro ricevitori
Informazioni di montaggio e di sicurezza
Gli apparecchi descritti servono esclusivamente per l'installazione di impianti di ricezione satellitare.
- Qualsiasi altri utilizzato o la mancata osservanza delle presenti istruzioni per l'uso comporta la perdita della garanzia legale e/o commerciale.
Gli apparecchi possono essere montati soltanto all'internalo di locali asciutti. Non montare su o nei pressi di materiali facilemente infimmabili.
- Dotare gli appearecchi di una linea di collegamento equipotenziale (Cu, minimo 4mm^2 ).
- Osservare le prescrizioni di sicurezza delle norme attuali EN 60728-11 e EN 60065.
- Mezzi di fissaggio: viti autofilettanti, 0max.:4,5mm
- Connettore: AF 75 Ω (serie F) secondo EN 61169-24.
- Ai fini del rispetto dei requisiti EMC, come alimentatore di rete per EXR 1541 è ammesso esclusivamente il modello NCF 18.
- I collegamenti AF non utilizzati devono essere chiusi con resistenze da 75-Ω (per es. EMK 03).


Apparecchio sotto tensione NCF 18
Non aprire o manipolare l'apparecchio!
- Durante i lavori sull'impianto disinserire sempre l'alimentatore alla presa!
- Rispettare sempre una sufficiente distance sicurezza! Da tutti i lati almeno 5 cm!
Non montare l'apparecchio sul soffi tto!
Per raffreddare l'apparecchio l'aria delve poter circolare liberamente. Pericolo di surriscaldamento!
- Temperatura ambiente consentita da -20 a +55°C

Attenzione:
Non appoggiare oggetti pieni di liquidi sull'alimentatore.
Non esporre l'alimentatore a gocce o schizzi di acqua.
- Per scollegare l'apparecchio, è necessario disinserire la spina alla presa, che quando delve sempre essere fácilmente accessibile.

In caso di diametri del condutore interno del cavo superiore a 1,2 mm e/o in presenza di bava è possibile che le prese dell'apparecchio vengano danneggiate in modo irreparabile.

Note
- Assicurarsi che agli frequenza disponibile sull'uscita del commutatore multiplo venga assegnata una sola volta altrimenti i ricevitori si disturbano reciprocamente.
- Le frequenze vengono assegnate nel menu impostazioni del ricevitore.
- A seconda del modello è possibile procedere in modo manuale o automatico.

- Si consiglia di assegnare le prese con lunghezze di collegamento più corte alle frequenze più alto.
- Per definizione, ilsystema è progettato in modo che le apparecchiature monocavo vengano alimentate con 14 V DC.
- Per la trasmissione dei segnali di lavoro similai ai comandi DiSEqCTM'alimentazione viene commutata per un breve intervallo a 18 V. Valori permanenti di 18 V bloccherebbero il systema. Per quello motivo si consiglia l'utilizzo di prese ESU 33/34, dotate di disattivazione elettronica.
- I ricevitori collegati devono essere predisposti per il funzionamento monocavo a norma EN 50494.

Esempio di impianto (rappresentazione indicativa)
4 collegamenti per unità abitativa
*) EMU 250 (connettore quintuplo), BN 20510044 disponibile su richiesta. Non in dotazione con EXR 1541/2542
**) Protezione da sovratensione KAZ 11/KAZ 12
Comandi monocavo SCR per vari canali
| Canale BBC EINS EXTRA PRO 7 QVC | ||||
| Livello Sat-FI Verticale | low Orizzontale low Orizzontale high Verticale high | |||
| 1.847 MHz 994 MHz 1.945 MHz 1.952 MHz | ||||
| E0 10 5A ... E0 10 5A ... E0 10 5A ... E0 10 5A ... | ||||
| SCR 0 (1.284 MHz) 01 | B1 08 DB 0D CA 05 CB | |||
| SCR 1 (1.400 MHz) 21 | CE 28 F8 2D E7 25 E8 | |||
| SCR 2 (1.516 MHz) 41 | EB 49 15 4E 04 | 46 05 | ||
| SCR 3 (1632 MHz) | 62 08 | 69 32 | 6E 21 | 66 22 |
Data aggiornamento: Dec 2010 Per i canali indicati vale: SR-FEC 22000-5/6
Possibili cause di erre e risoluzione
| Errore | Possibile causa | Risoluizione erre |
| Il commutatore multiplo non si attiva | Segnale di lavoro assente o errato dal ricevitore | Accertarsi che il collegamento tra ricevitore e commutatore multiplo sia privo di cortocircuiti. Controllare le impostazioni di menu del ricevitore (modalità-monocavo!). La tensione di esercizio sull'uscita del ricevitore non deve essere superiore ai 14 V |
| Il commutatore multiplo si attiva, ma non c'è l'imagine | Frequenza monocavo errata | Controllare le impostazioni di menu di tutti i ricevitori collegati. Prestare attentione all'assegnazione univoca della frequenza |
Dati tecnici
| Tipo EXR 1541 EXR 2541 | ||||||
| N. d'ordine 20510048 20510049 | ||||||
| Collegamenti utenti 1 x 4 1 x 4 | ||||||
| Ingressi 1 x terrestre 4 x Sat-FI 1 x terrestre 4 x Sat-FI | ||||||
| Campo di frequenza MHz 5-862 950-2150 5-862 950-2150 | ||||||
| Attenuazione passante dB - | 2,5 | 1,5 | ||||
| Attenuazione di collegamento (terrestre) | dB | 1 | - | 7 | - | |
| Amplifi cazione sul collegamento utente (SAT)1 | dB | - | -1 → 3 | - | -1 → 3 | |
| Disaccoppiamento orizz./vert. | dB | - | 30 | - | 30 | |
| Disaccoppiamento tronco | dB | - | - | - | 40 | |
| Livello di esercizio | dBμV | - | 85 | - | 85 | |
| Frequenza utente/indirizzo SCR | Ricevitore 1 | MHz | 1284/0 | 1284/0 | ||
| Ricevitore 2 | 1400/1 | 1400/1 | ||||
| Ricevitore 3 | 1516/2 | 1516/2 | ||||
| Ricevitore 4 | 1632/3 | 1632/3 | ||||
| Tensione di alimentazione consentita sull'uscita utente | V | 10-14 | 10-14 | |||
| Corrente assorbita max. commutatore multiplao a 14 V | mA | 110 | 110 | |||
| Corrente di telealimentazione max.2) | mA | 650 | - | |||
| Corrente di telealimentazione max. pertronco | mA | - | 1000 | |||
| Temperatura ambiente consentita | °C | da -20 a +55 | da -20 a +55 | |||
| Collegamenti | Connettori F | Connettori F | ||||
| Dimensioni | mm | 112 x 148 x 44 | 112 x 148 x 44 | |||
| Unità d'imballaggio/peso | Pz./kg | 1 (10)/0,45 (incl. NCF 18) | 1 (10)/0,31 | |||
1) Attenuazione/amplificazione dipendente della frequenza (preenfasi); valori supplementari SCR 0: -1 dB, SCR 3: +2 dB
2) Attraverso l'ingresso orizzontale low
Dati tecnici alimentatore di rete NCF 18 (solo con EXR 1541)
| Tipo | NCF 18 | |
| N. d'ordine | 20510046 | |
| Tensione nominale d'ingresso | V~ | 220-230 (50/60 Hz) |
| Potenza nominale d'ingresso con carico 10/150/650 mA | W | 1,6/4,7/14,5 |
| Tensione secondaria (resistente a cortocircuito) | V ... | 18 |
| Corrente nominale secondaria | mA ... | Max. 650 |
| Classe di protezione/tipo di protezione | II (isolamento protettivo)/IP 30 | |
| Temperatura ambiente consentita | °C | da -20 a +55 |
| collegamento DC | Connettore F | |
| Dimensioni | mm | 55 x 80 x 75 |

Gli apparecchi elettronici non vanno smaltiti nei rifiuti urbani, bensi in maniera appropriata conformmente alla direttiva 2002/96/CE del Parlamento europeo e del Consiglio del 27 gennaio 2003 sui rifiuti di apparecchiature elettriche ed elettroniche. Quando questo apparecchio non servirà più, portarlo presso uno degli apposti centri di raccolta locali.
ManualeFacile