EXR 2542 - Decoder digitale KATHREIN - Manuale utente e istruzioni gratuiti
Trova gratuitamente il manuale del dispositivo EXR 2542 KATHREIN in formato PDF.
Scarica le istruzioni per il tuo Decoder digitale in formato PDF gratuitamente! Trova il tuo manuale EXR 2542 - KATHREIN e riprendi in mano il tuo dispositivo elettronico. In questa pagina sono pubblicati tutti i documenti necessari per l'utilizzo del tuo dispositivo. EXR 2542 del marchio KATHREIN.
MANUALE UTENTE EXR 2542 KATHREIN
Sistema di distribuzione Sat-Fl (4 x Sat-Fl) Commutatore multiplo monocavo
Caratteristica

- Commutatori multipli compatibili in Cascata per la distribuzione di segnali Sat-FI digitali (4 livelli satellitari; inclusa HDTV) e segnali terrestri per l'alimentazione di 2 × 4 ricevitori in nuclei unifamiliari
- Nessuna limitazione della varietà di canali - viene trasmessa l'intera offerta di canali di un satellite
Possibilità di selezione orizzontale/verticale, banda Low/High e selezione transponder da agli ricevitore
La commutazione orizzontale/verticale, banda Low/ High e la selezione del transponder avvengono nel commutatore multipl e sono gestite dal ricevitore con uno speciale set di comandi monocavo SCR ai sensi della norma EN 50494
Per la selezione del transponder sono integrati nel commutatore multipl monocavo speciali moduli di sintonizzazione, i cosiddetti SCR (Satellite Channel Router), per la conversione sulle frequenze utente
Agni ricevitore è assegnata una frequenza utente fi ssa (un ricevitore Twin necessita di due freuenze utente)
Conforme allo standard monocavo SCR secondo EN 50494, vale a dire tutti i componenti di un sistema monocavo che corrispondono a但这a norma possono essere integrati in un impianto satellitare - Ricezione del Campo terrestre possibileanche con il ricevitore satellitare spento
I commutatori multipli monocavo EXR 2542 e i commutatori multipli passabanda EXR 2558 posso nessere combinati a piacere. E possible collegare in cascata fi no a 8 commutatori multipli
Per il montaggio interno


EXR 1542
Commutatore multipl monocavo per due collegamenti monocavo per 4 ricevitori ciascuno, con alimentatore integrato per l'alimentazione dell'LNB
- Ridotto assorbimento di potenza grazie all'alimentatore a commutazione e al concetto di risparmio energetico altamente effi ciente e protetto contro i cortocircuiti (il commutatore multiple monocavo viene alimentato dai ricevitori collegati e disattivato con lo spegnimento dei ricevitori)
Alimentazione a distanza dell'LNB attraverso l'ingresso horizontal low. Tutti gli altri ingressionsonoenza tensione
EXR 2542
Commutatore multiplo monocavo di transito per l'espansione dell'impianto di due collegamenti monocavo per quattro ricevitori
Dati tecnici
| Tipo EXR 1542 EXR 2542 | ||||||
| N. d'ordine 20510038 20510039 | ||||||
| Collegamenti utenti 2 x 4 2 x 4 | ||||||
| Ingressi 1 x terrestre 4 x Sat-FI 1 x terrestre 4 x Sat-FI | ||||||
| Campo di frequenza MHz 5-862 950-2150 5-862 950-2150 | ||||||
| Attenuazione passante dB - - 2,5 2,0 | ||||||
| Attenuazione di collegamento (terrestre) | dB | 5 | - | 11 | - | |
| Amplificazione sul collegamento utente (SAT)1 | dB | - | 0 → 4 | - | 0 → 4 | |
| Disaccoppiamento orizz./vert. | dB | - | 30 | - | 30 | |
| Disaccoppiamento tronco | dB - - | 40 | ||||
| Livello di esercizio | dBμV | - | 85 | - | 85 | |
| Frequenza utente/indirizzo SCR | Ricevitore 1 | MHz | 1284/0 | 1284/0 | ||
| Ricevitore 2 | 1400/1 | 1400/1 | ||||
| Ricevitore 3 | 1516/2 | 1516/2 | ||||
| Ricevitore 4 | 1632/3 | 1632/3 | ||||
| Tensione di alimentazione consentita sull'uscita utente | V | 12-14 | 12-14 | |||
| Corrente assorbita max. commutatore multiple @ 14 V per agli collegamento | mA | 130 | 130 | |||
| Tensione nominale d'ingresso | V~ | 230 (47-63 Hz) | - | |||
| Intervallo di tensione d'ingresso ammesso | V | 198-253 | ||||
| Potenza nominale d'ingresso (con carico 0/150/800 mA) | W | 1,7/4,7/18 | - | |||
| Tensione secondaria (ingresso orizz. low) | V_ | 18 | - | |||
| Corrente di telealimentazione max. 2) | mA_ | 800 | - | |||
| Corrente di telealimentazione max. cons. per tronco | mA_ | - | 1000 | |||
| Classe di protezione/tipo di protezione | II (isolamento protettivo)/IP 30 | IP 30 | ||||
| Temperatura ambiente consentita | °C | da -20 a +55 | da -20 a +55 | |||
| Collegamenti | Connettori F | Connettori F | ||||
| Dimensioni | mm 215 x 148 x 42,5 | 159 x 148 x 42,5 | ||||
| Unità d'imballaggio/peso | Pz./kg | 1 (10)/0,6 | 1 (10)/0,5 | |||
1) Attenuazione/amplificazione dipendente della frequenza (preenfasi); valori supplementari SCR 0 -1 dB SCR 3 + 2 dB
2) Attraverso I'ingresso orizzontale low
Comandi monocavo SCR per vari canali
| Canale | BBC | EINS EXTRA | PRO 7 | QVC |
| Livello Sat-FI | Vertikal low | Horizontal low | Orizzontale high | Verticale high |
| 1847 MHz | 994 MHz | 1945 MHz | 1952 MHz | |
| E0 10 5A ... ... | E0 10 5A ... ... | E0 10 5A ... ... | E0 10 5A ... ... | |
| SCR 0 (1284 MHz) | 01 B1 | 08 DB | 0D CA | 05 CB |
| SCR 1 (1400 MHz) | 21 CE | 28 F8 | 2D E7 | 25 E8 |
| SCR 2 (1516 MHz) | 41 EB | 49 15 | 4E 04 | 46 05 |
| SCR 3 (1632 MHz) | 62 08 | 69 32 | 6E 21 | 66 22 |
Dataaggiomamento:12/2010
Per i canali indicati vale: SR-FEC 22000-5/6
Informazioni di montaggio e di sicurezza
Gli apparecchi descritti servono esclusivamente per l'installazione di impianti di ricezione satellitare.
- Qualsiasi altri utilizzato o la mancata osservanza delle presenti istruzioni per l'uso compra la perdita della garanzia legale o commerciale.
Gli apparecchi possono essere montati soltanto all'internalo di locali asciutti. Non montare su o nei pressi di materiali facilemente infi ammabili.
- Dotare gli appearecchi di una linea di collegamento equipotenziale (Cu, minimo 4mm^2 ).
- Osservare le prescrizioni di sicurezza delle norme attuali EN 60728-11 e EN 60065.
- Mezzi di fissaggio: viti autofilettanti, 0max.:4,5mm
- Connettore: AF 75 Ω (serie F) secondo EN 61169-24.
I collegamenti AF non utilizzati devono essere chiusi con resistenze da 75Ω (per es. EMK 03).

Apparecchio sotto tensione EXR 1542
Non aprire o manipolare l'apparecchio!
- Durante i lavori sull'impianto disinserire sempre la spina di rete alla presa!
- Rispettare sempre una sufficiente distance sicurezza! Da tutti i lati almeno 5 cm!
Non montare l'apparecchio sul soffi tto!
Per raffreddare l'apparecchio l'aria deve poter circolare liberamente. Pericolo di surriscaldamento!
- Temperatura ambiente consentita da -20 a +55°C

Attenzione:
Non appoggiare oggetti pieni di liquidi sull'alimentatore.
Non esporre l'alimentatore a gobce o schizzi di acqua.
- La spina di rete deve essere facilemente accessibile e utilizzabile.
L'apparecchio cui estere scollegato da la rete elettrica soltanto disinserendo la spina di rete.

- In caso di diametri del conduttore interno del cavo superiori a 1,2 mm e/o in presenza di bava è possible che le prese dell'apparecchio vengano danneggiate in modo irreparabile.

Nota
- Assicurarsi che agli frequenza disponibile sull'uscita del commutatore multiplo venga assegnata una sola volta altrimenti i ricevitori si disturbano reciprocamente.
- Le frequenze vengono assegnate nel menu impostazioni del ricevitore.
- A seconda del modello è possibile procedere in modo manuale o automatico.

- Si consiglia di assegnare le prese con lunghezze di collegamento più corte alle frequenze più alto.
- Per definizione, ilsystema è progettato in modo che le apparecchiature monocavo vengano alimentate con 14 V DC.
- Per la trasmissione dei segnali di lavoro simili ai comandi DiSEqCT alimentazione viene commutata per un breve intervallo a 18 V DC Valori permanenti di 18 V bloccherebbero il sistema. Per quello motivosi consiglia l'utilizzo di prese ESU 33/34, dotate di disattivazione elettronica.
- I ricevitori collegati devono essere predisposti per il funzionamento monocavo a norma EN 50494.
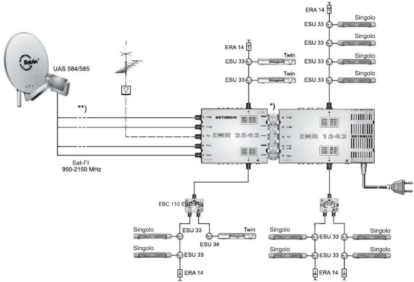
Esempio di impianto (rappresentazione indicativa)

4 collegamenti per unità abitativa
^ 念 EMU 250 (connetlore quintuplo), BN 20510044 disponibile su richiesta. Non in dotazione con EXR 1542/2542
**) Protezione da sovratensione KAZ 11/KAZ 12
Possibili cause di erre e risoluzione
| Errore Possibile causa Risoluzione erre | ||
| Il commutatore multiploni non si attiva | Segnale di dato assente o errato dal ricevitore | Accertarsi che il collegamento tra ricevitore e commutatore multiple sa privo di cortocircuito. Controllare le impostazioni di dato del ricevitore (modalità monocavo!). La tensione di esercizio sull'uscita del ricevitore non deve essere superiore ai 14 V |
| Il commutatore multiplosi attiva, ma non c'è l'imagine | Frequenza monocavo errata | Controllare le impostazioni di dato di tutti i ricevitori collegati. Prestareattenzione all'assegnazione univoca della frequenza |

Gli apparecchi elettronici non vanno smaltiti nei rifiuti urbani, bensi in maniera appropriata conformmente alla direttiva 2002/96/CE DEL PARLAMENTO EUROPEO E DEL CONSIGlio del 27 gennaio 2003 sui rifiuti di apparecchiature elettriche e elettroniche. Quando questo apparecchio non servirà più, portarlo presso uno degli apposti centri di raccolta locali.
ManualeFacile