EXR 2542 - Decodificador digital KATHREIN - Manual de uso y guía de instrucciones gratis
Encuentra gratis el manual del aparato EXR 2542 KATHREIN en formato PDF.
Questions des utilisateurs sur EXR 2542 KATHREIN
0 question sur cet appareil. Repondez a celles que vous connaissez ou posez la votre.
Poser une nouvelle question sur cet appareil
Descarga las instrucciones para tu Decodificador digital en formato PDF gratis! Encuentra tus instrucciones EXR 2542 - KATHREIN y toma tu dispositivo electrónico nuevamente en la mano. En esta página están publicados todos los documentos necesarios para el uso de su dispositivo. EXR 2542 de la marca KATHREIN.
MANUAL DE USUARIO EXR 2542 KATHREIN
- Conmutador multiple monocable apto para conexión en cascada para la distribución de senales Sat-FI digitales (4 niveles de satélite; inclusive HDTV) y senales terrestres para alimentación de 2 × 4 receptores en hogares unifamíreas
No hay restricción alguna en la variedad de programas, siempre se transmite la-oferta completa de programas de un satélite
Posibilidad de seleccion horizontal/vertical, banda low/ high y seleccion de transponder, independiente desde cada receptor
La commutación horizontal/vertical, la de banda baja/ alta y la selección de transponder tiene lugar en el conmutador multiple, sido controladas desde el receptor con un Conjunto especial de comandos monocable SCR según EN 50494 - Para la selección de transponder se han integrado en el conmutador multiple monocable发展模式 de sintonizador especialies, los llamados SCR (Satellite Channel Router), para la conversion a las Frequencias de abonado
Cada receptoriene asignada fi ja un freuencia de abonado (un receptor Twin necessitiesa dos freuencias de abonado) - Cuple el estándar monocable SCR según EN 50494, eskaarir, todos los componentes de un sistemas monocable, que cumplan esta norma, se pueda montar en un sistemas Sat
- Recepación de la gama terrestre possible inclujo estando desconectado el receptor Sat
- Los conmutadores multiples monocable EXR 2542 y los conmutadores multiples de conexión en bucle EXR 2558 se pueda mezclar disrecionalmente. Se pueda conectar en cascada hasta 8 conmutadores multiples
Para el montaje en el interior
C


EXR 1542
- Conmutador multiple monocable para dos conexiones monocable con quatre receptores cada una, con fuente de alimentacion integra para la alimentacion de LNB
- Bajo consumo de potencia gracias a la fuente de alimentacion commutada altoamente efi ciente y resistente a cortocircuito, como como al concepto de ahorro de energia electrica (el commutador multiple monocable es alimentdo por los receptores connectados y se desconecta al disconnectar los receptores)
- Alimentación remota LNB a工程技术 de la entrada horizontal low. Todas las 登sidas entradas estar libres de tension
EXR 2542
- Conmutador multiple monocable de paso para la ampliación del sistema con dos conexiones monocable para cada receptores cada una
Datasétécnicos
| Tipo EXR 1542 EXR 2542 | ||||||
| Ref. 20510038 20510039 | ||||||
| Conexiones de sistemas 2 x 4 2 x 4 | ||||||
| Entradas 1 x terrestre 4 x Sat-Fl 1 x terrestre 4 x Sat-Fl | ||||||
| Gama de Frequencia MHz 5-862 950-2150 5-862 950-2150 | ||||||
| Pérdida de transmisión dB -- 2,5 2,0 | ||||||
| Atenuación de la conexión (terrestre) | dB | 5 | - | 11 | - | |
| Amplificación para conexión de abonado (SAT)1 | dB | - | 0 → 4 | - | 0 → 4 | |
| Desacoplamente horiz./vert. | dB | - | 30 | - | 30 | |
| Desacoplamente de la linea principal | dB --- | 40 | ||||
| Nivel de servicios | dBμV | - | 85 | - | 85 | |
| Frecuencia de abonado/dirección SCR | Receptor 1 | MHz | 1284/0 | 1284/0 | ||
| Receptor 2 | 1400/1 | 1400/1 | ||||
| Receptor 3 | 1516/2 | 1516/2 | ||||
| Receptor 4 | 1632/3 | 1632/3 | ||||
| Tensión de alimentación admissible en laolla de abonado | V | 12-14 | 12-14 | |||
| Consumo de corriente máximo del conmutador multiple @ 14 V por conexión | mA | 130 | 130 | |||
| Tensión nominal de entrada | V~ | 230 (47-63 Hz) | - | |||
| Margen de tensión de entrada admissible | V | 198-253 | ||||
| Potencia nominal de entrada (con 0/150/800 mA dearga) | W | 1,7/4,7/18 | - | |||
| Tensión secundaria (entada horiz. low) | V= | 18 | - | |||
| Corriente de alimentación remota max.2) | mA= | 800 | - | |||
| Corriente de alim. remota maxi. admissible por linea principal | mA= | - | 1000 | |||
| Clase protección/tipo protección | II (aislamento protección)/IP 30 | IP 30 | ||||
| Temperatura ambiente admissible | °C | - 20 a + 55 | - 20 a + 55 | |||
| Conexiones | Conectores F | Conectores F | ||||
| Medidas | mm 215 | x 148 x 42,5 | 159 | x 148 x 42,5 | ||
| Unidad de embalaje/peso | piezas/kg | 1 (10)/0,6 | 1 (10)/0,5 | |||
1) Atenuación/amplificación en función de la Frequencia (preacentuación); adimensionalmente SCR 0 -1 dB SCR 3 + 2 dB
2) A través de entrada horizontal low
Comandos monocable SCR para diversos canales
| Programa | BBC | EINS EXTRA | PRO 7 | QVC |
| Nivel de Sat-FI | Vertikal low | Horizontal low | Horizontal high | Vertical high |
| 1847 MHz | 994 MHz | 1945 MHz | 1952 MHz | |
| E0 10 5A ... ... | E0 10 5A ... ... | E0 10 5A ... ... | E0 10 5A ... ... | |
| SCR 0 (1284 MHz) | 01 B1 | 08 DB | 0D CA | 05 CB |
| SCR 1 (1400 MHz) | 21 CE | 28 F8 | 2D E7 | 25 E8 |
| SCR 2 (1516 MHz) | 41 EB | 49 15 | 4E 04 | 46 05 |
| SCR 3 (1632 MHz) | 62 08 | 69 32 | 6E 21 | 66 22 |
Edisión: 12/2010
Para los canales indicados es valido: SR-FEC 22000-5/6
Montaje e instrucciones de seguidad

- Los equipos descritos sirven exclusivamente para instalar sistemas de recepcion de satélite.
- Cualquier除外lyo el incumplimiento de estas instruetiones de uso tendrán como consecuencia la perdida de la garantía.
- Los equipos sólo deben montarse en interiores secos. No deben montarse sobre o jusqu'à materiales fácilmente infl amables.
- Los equipos deben proveerse de un cable de compensacion de potencial (Cu, minimo 4 mm²).
- Deben tenerse en cuenta las disponeciones de seguridad de las normas respectivas actuales EN 60728-11 y EN 60065.
Medios de fiación: Tornillos para madera, max. 4.5 mm - Clavija de conexión: Conector de HF 75 Ω (serie F) según EN 61169-24.
Las calidas de usuario que no se utilizean deben cerrarse con resistencias de 75 (p. ej., EMK 03).

Aparato conductor de corriente electrica EXR 1542
- NoAbrir ni manipularel equipo!
- Al realizar problemas en la instalacion, desenchufar siempre el conductor de red de la toma de corriente!
- iCerciorarse de que hay suficiente espacio! iComo minimo 5 cm!
- El aparato no se debe montar en el techo!
- Es necessario que haya circulación libre de aire para el enfiambre del aparato. Peligro de recalentimiento!
- Temperatura ambiente permittida -20 a +55°C

Atencion:
- No se debe colocar sobre la fuente de alimentacion ningún objeto que contenga liquido.
- La fuente de alimentación no debe entrada en contacto con gotas ni rocio de agua.
- Se debe poder acceder libremente al conector de red, y este debe poder'utilizarse sin problemas.
-
El aparato solo se pueda desconectar de la red electrica descenthufando el conector de red.
-
En caso de conductores interiores del cable de diametro superior a 1,2 mm o bien si existe rebaba, poder resultar destruidos los conectores hembra de los aparatos.


Notas
Hay que prestar especial atencion a que cada fecuencia disponible en la saliva del commutador multiple se asignne una sola vez, ya que en caso contrario los receptores interferieren entre si.
- La asignación de las Frequencias se efectúa en el menu de configuración del receptor.
- En función del tipo se pueda efectuar manual o automatístico.

- Se recomienda asignar las cajas de enchufe con las longitudes de conexión más cortas a las Frequencias superiores.
- El sistemas está dimensionado por definirion de manera que los equipos monocable se alimenten con 14 V DC.
- Para la transmisión de las señales de control similares a DiSEqCTM, la alimentación se cambia 18 V brevamente a 18 V DC. Una alimentación permanente de 18 V bloquearía el sistema. Por estarzón se recomienda el uso de las cajas de enchufe ESU 33/34, que está dotadas de desconexión electrónica
- Los receptores conectados deben estar diseñados para elFuncionamento monocable segun EN 50494.
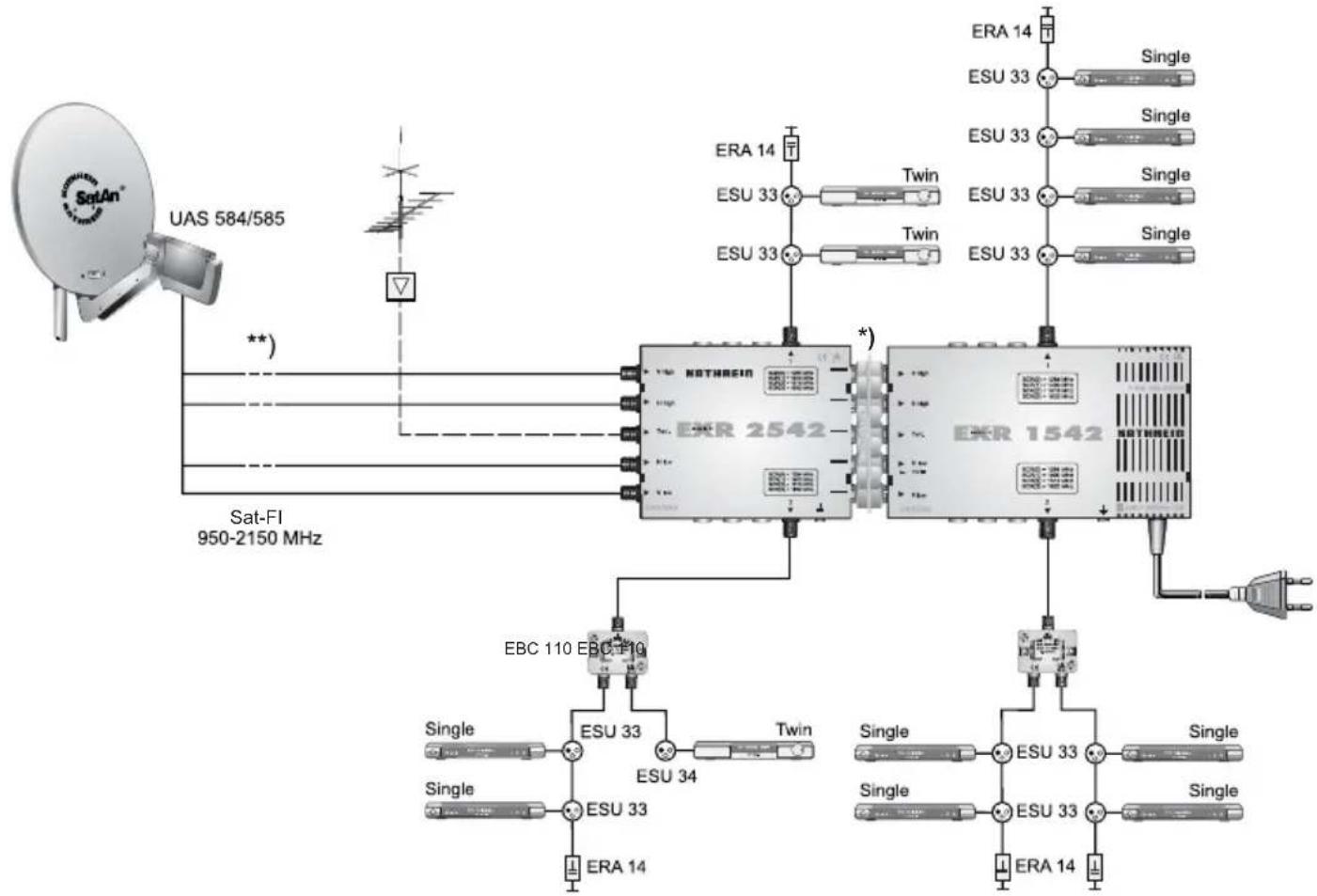
Ejemplodeuna instalacion(representacionsimbolica)

4 conexiones por vivienda
^ 念 EMU 250 (conector de 5 conexiones), BN 20510044 disponible como option. No se incluye en el suministro de EXR 1542/2542
**) Protección contra sobretension KAZ 11/KAZ 12
Posibles causas de fallos y eliminación de los fallos
| Problema Posible causa Eliminación del fallo | ||
| El multiinterruptor no comuta | Señal de control faltante o incorrecta del receptor | Cerciorarse de que no haya ningún cortocircuito en la conexión del receptor al commutador;multiple. Comprobar los ajustes de menú del receptor (jmodo monocable!). La tensión de servicios en la calidad del receptor no debe superar los 14 V |
| El commutador;miple comuta, pero no hay ninguna imagen correspondiente | Frecuencia monocable incorrecta | Comprobar los ajustes del menú de todos los receptores connectados. Cerciorarse de que la asignación de Frequencia sea inequivoca |

Los aparatos electrónicos no se deben tirar a la basura domestica. Según la directiva 2002/96/CE DEL PARLAMENTO EUROPEO Y DEL CONSEJO del 27 de enero de 2003, relativa a aparatos electricos y electrónicos usados, seienen que eliminar correctamente como residuos. Una vez termine la vidautilde este aparato, entregalo en los+puntos de recogida publicos previstos al efecto,para su gestion como residuo.
Özellikler

ManualFácil