EXR 1541 - Digitaler Decoder KATHREIN - Kostenlose Bedienungsanleitung
Finden Sie kostenlos die Bedienungsanleitung des Geräts EXR 1541 KATHREIN als PDF.
Laden Sie die Anleitung für Ihr Digitaler Decoder kostenlos im PDF-Format! Finden Sie Ihr Handbuch EXR 1541 - KATHREIN und nehmen Sie Ihr elektronisches Gerät wieder in die Hand. Auf dieser Seite sind alle Dokumente veröffentlicht, die für die Verwendung Ihres Geräts notwendig sind. EXR 1541 von der Marke KATHREIN.
BEDIENUNGSANLEITUNG EXR 1541 KATHREIN
Kaskaderfähige Einkabel-Multischalter zur Verteilung von digitalen Sat-ZF-Signalen (4 Sat-Ebenen; einschließlich HDTV) und terrestrischen Signalen zur Versorgung von 4 Receivern in Einfamilien-Haushalten
Keine Einschränkung in der Programmvielfalt - es wird das komplette Programmangebot von einem Satelliten übertragen
Unabhängige Wahlmöglichkeit horizontal/vertikal, Low-/High-Band und Transponder-Wahl von jedem Receiver aus
Die Umschaltung horizontal/vertical, Low-/High-Band und die Transponder-Wahl erfolgt im Multischalter, gesteuert vom Receiver mit einem speziellen SCR-Einkabel-Befehlssatz gemäß EN 50494
Fur die Transponder-Wahl sind spezielle Tuner-Bausteine, sogenannte SCR (Satellite Channel Router), zur Umsetzung auf die Teilnehmer-Frequenzen im Einkabel-Multischalter integriert
- Jedem Receiver ist eine Teilnehmer-Frequency fest zugeordnet (ein Twin-Receiver benötigt zwei Teilnehmer-Frequenzen)
Entspricht dem SCR-Einkabel-Standard nach EN 50494, d. h. alle Bauteile eines Einkabel-Systems, die dieser Norm entsprechen, können in einer Sat-Anlage verbaut werden
Empfang des terrestrischen Bereiches auch bei ausgeschaltetem Sat-Receiver möglich
Einkabel-Multischalter EXR 2541 und Durchschnitt-Multischalter z. B. EXR 2558 können beliebig gemisch werden. Es können bis zu 8 Multischalter kaskadiert werden
Fur die Innenmontage


EXR 1541
Einkabel-Multischalter mit einem Anschluss für vier Receiver, NCF 18 Steckernetzteil für die LNB-Versorgung
Niedrige Leistungsaufnahme durch hocheffi-zentes, kurzschlussfestes Schaltnetzteil und Stromsparkkonzept (der Einkabel-Multischalter wird von den angeschlossenen Receiver versorgt und mit dem Ausschalten der Receiver abgescheltet)
LNB-Fernspeisung über den Eingang horizontal low. Alle anderen Eingänge sind spannungsfrei
EXR 2541
Einkabel-Multischalter Durchgang zur Anlagenerweiterung um einen Einkabel-Anschluss für vier Receiver
Montage- und Sicherheitshinweise

Die beschriebenen Geräte dieren ausschließlich der Installation von Satelliten-Empfangsanlagen.
- Jegliche anderweitige Nutzung oder die Nichtbeachtung deses Anwendungshinweises hat den Verlust der Gewährleistung bzw. Garantie zur Folge.
Die Geräe dürfen nur in trockenen Innenaumen montiert werden. Nicht auf oder an leicht entzündlichen Materialien montieren.
Die Geräte sind mit einer Potenzial-Ausgleichsleitung (Cu, mindestens 4mm^2 ) zu verstehen.
Die Sicherheitsbestimmungen der jeweils aktuellen Normen EN 60728-11 und EN 60065 sind zu beachten.
- Befestigungsmittel: Holzschrauben, max Ø: 4,5 mm
- Verbindungsstecker: HF-Stecker 75 Ω (Serie F) nach EN 61169-24.
- Als Steckernetzteil für die EXR 1541 darf zur Einhaltung der EMV-Forderung ausschließlich das NCF 18 verwendet werden.
- Nicht benutzte HF-Anschlusses sind mit 75-Ω-Widerständen (z. B. EMK 03) abzuschreiben.

- Nicht offen oder am Gerät manipulieren!
- Bei Arbeitsen an der Anlage immer das Netzgerät aus der Steckdoseziehen!
- Auf ausreichenden Abstand achten! Nach allen Seiten mind. 5 cm!
Das Gerat darf nicht an der Decke montiert werden! - Für die Geräteentwärzung muss freiie Luftzirkulation möglich sein. Überhitzungsgefahr!
Zulässige Umgebungstemperatur -20 bis +55°C

Achtung:
- Auf das Netzgerät dürfen keine mit Flüssigkeit gefüllten Gegenstände gestellt werden.
- Das Netzgerätarf nicht Tropf- oder Spritzwasser ausgesetzt sein.
- Das Gerät muss zur Trennung vom Netz aus der Steckdose gezogen werden und muss deshalb ohne Schwierigkeit zugänglich sein.

- Bei größem Durchmesser des Kabel-Innenleiters als 1,2 mm bzw. Grat konnen die Gerätebuchsen zerstört werden.

Hinweise
- Es ist entsprechendes darauf zu achtenden, dass jeder am Ausgang des Multischalters zur Verfugung stehende Frequenz nur einmal belegt wird, da sich die Receiver sonst gegenseitig stären.
Die Zuordnung der Frenzen geschieht im Einstellmenü des Receivers. - Je nach Typ kann dies manuell oder automatisch erfolgen.

- Es wird empfohlen, die Steckdosen mit den kürzeren Anschlusslängen den higheren Frenzen zuzuordnen.
- Per Definition ist das System so ausgelegt, dass Einkabelgeräte mit 14 V DC versorgt werden.
Zum Übertragen der DiSEqCTM-ähnlichen Steuersignale wird die Versorgung kurzzeitig auf 18 V DC geschäftet. Dauerhaft angelegte 18 V wurden das System blockieren. Aus thisem Grunde empfeht sich die Verwendung der Steckdosen ESU 33/34, die mit einer elektronischen Abschaltung versehen sind. - Angeschlossene Receiver mussen für Einkabelbetrieb nach EN 50494 ausgelegt sein.
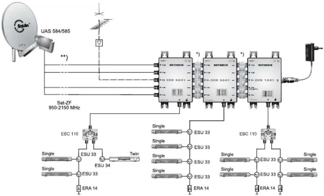
Anlagenbeispiel (Symbolische Darstellung)

4 Anschlüsse pro Wohneinheit
*) EMU 250 (5fach-Steckverbinder), BN 20510044 optional erhältlich. Nicht im Lieferumfang von EXR 1541/2541enthalten
**) Überspannungsschutz KAZ 11/KAZ 12
SCR-Einkabel-Befehle für verschiedene Programme
| Programm BBC EINS | EXTRA PRO 7 QVC | |||
| Sat-ZF-Ebene Vertika | low Horizontal low Horizontal high Vertical high | |||
| 1847 MHz 994 MHz 1945 MHz 1952 MHz | ||||
| E0 10 5A ... E0 10 5A ... E0 10 5A ... E0 10 5A ... | ||||
| SCR 0 (1284 MHz) 01 | B1 08 DB 0D CA 05 CB | |||
| SCR 1 (1400 MHz) | 21 CE 28 F8 | 2D E7 25 E8 | ||
| SCR 2 (1516 MHz) | 41 EB 49 15 4E 04 | 46 05 | ||
| SCR 3 (1632 MHz) | 62 08 | 69 32 | 6E 21 | 66 22 |
Stand: DEZ 2010
Für die angegebenen Programme gilt: SR-FEC 22000-5/6
Mögliche Fehlerursachen und deren Behebung
| Problem | Mögliche Ursache | Fehlerbehebung |
| Multischalter schaltet nicht | Kein oder falsches Steuer-signal vom Receiver | Auf kurzschlussfreie Verbindung vom Receiver zum Multischal-ter achten. Menu-Einstellungen des Receivers (Einkabel-modus!) prüfen.Betriebsspannung am Receiver-Ausgangdorf nicht größter als14 V sein |
| Multischalter schaltet,aber kein zugehöriges Bild | Falsche Einkabel-Frequency | Menu-Einstellungen aller angeschlossenen Receiver prüfen.Auf eindeutige Frequenzvergabe achten |
Technische Daten
| Typ EXR 1541 EXR 2541 | ||||||
| Bestell-Nr. 20510048 20510049 | ||||||
| Teilnehmeranschlüsse 1 x 4 1 x 4 | ||||||
| Eingänge 1 x terrestrisch 4 x Sat-ZF 1 x terrestrisch 4 x Sat-ZF | ||||||
| Frequenzbereich MHz 5-862 950-2150 5-862 950-2150 | ||||||
| Durchgangsdämpfung dB -- 2,5 | 1,5 | |||||
| Anschlussdämpfung (terrestrisch) | dB | 1 | - | 7 | - | |
| Verständigung zum Teilnehmeranschluss (SAT)1) | dB | - | -1 → 3 | - | -1 → 3 | |
| Entkopplung horiz./vert. | dB | - | 30 | - | 30 | |
| Entkopplung Stamm | dB -- - | 40 | ||||
| Betriebspegel | dBμV | - | 85 | - | 85 | |
| Teilnehmer-Frequency/SCR-Adresse | Receiver 1 | MHz | 1284/0 | 1284/0 | ||
| Receiver 2 | 1400/1 | 1400/1 | ||||
| Receiver 3 | 1516/2 | 1516/2 | ||||
| Receiver 4 | 1632/3 | 1632/3 | ||||
| Zul. Versorgungsspannung am Teilnehmer-Ausgang | V | 10-14 | 10-14 | |||
| Max. Stromaufnahme Multischer alter bei 14 V | mA | 110 | 110 | |||
| Max. Fernspeisestrom 2) | mA | 650 | - | |||
| Max. Fernspeisestrom pro Stamm | mA | - | 1000 | |||
| Zulässige Umgebungstemperatur | °C | -20 bis +55 | -20 bis +55 | |||
| Anschlüsse | F-Connectoren | F-Connectoren | ||||
| Abmessungen | mm | 112 x 148 x 44 | 112 x 148 x 44 | |||
| Verpackungs-Einheit/Gewicht | St./kg | 1 (10)/0,45 (inkl. NCF 18) | 1 (10)/0,31 | |||
1) Frequenzabhängige Dämpfung/Verstärkung (Preemphase); zusätzlich SCR 0: -1 dB, SCR 3: +2 dB
2) Uber Eingang horizontal low
Technische Daten Netzteil NCF 18 (nur bei EXR 1541)
| Typ | NCF 18 | |
| Bestell-Nr. | 20510046 | |
| Eingangsnennspannung | V~ | 220-230 (50/60 Hz) |
| Eingangsnennleistung bei 10-/150-/650-mA-Last | W | 1,6/4,7/14,5 |
| Spannung sekundär (kurzschlussfest) | V ... | 18 |
| Nennstrom sekundär | mA ... | Max. 650 |
| Schutzklasse/Schutzart | II (schutzisoliert)/IP 30 | |
| Zulässige Umgebungstemperatur | °C | -20 bis +55 |
| DC-Anschluss | F-Connector | |
| Abmessungen | mm | 55 x 80 x 75 |

Elektronische Geräte gehören nicht in den Hausmüll, sondern müssen - gemäß Richtlinie 2002/96/EG DES EUROPÄISCHEN PARLAMENTS UND DES RATES vom 27. Januar 2003 über Elektro- und Elektronik-Altgeräte fachgerecht entsorgt werden.itte geben Sie thises Gerät am Ende seiner Verwendung zur Entsorgung an den darauf vorgesehenen öffentlichen Sammelstellen ab.
Features

EinfachAnleitung