JOS1F - Intercomunicador Aiphone - Manual de uso y guía de instrucciones gratis
Encuentra gratis el manual del aparato JOS1F Aiphone en formato PDF.
Preguntas frecuentes - JOS1F Aiphone
Preguntas de los usuarios sobre JOS1F Aiphone
0 pregunta sobre este aparato. Responde a las que conoces o haz la tuya.
Hacer una nueva pregunta sobre este aparato
Descarga las instrucciones para tu Intercomunicador en formato PDF gratis! Encuentra tus instrucciones JOS1F - Aiphone y toma tu dispositivo electrónico nuevamente en la mano. En esta página están publicados todos los documentos necesarios para el uso de su dispositivo. JOS1F de la marca Aiphone.
MANUAL DE USUARIO JOS1F Aiphone
Prohibido No desmantelar equipo Mantener el equipo de los del agua Precauciones generales

ADVERTENCIA
No seguir estas instrucciones podría provocar lesiones graves e incluso la muerte.
-
No desmonte ni modifique el equipo. Podria produirse un incendio o una descarga cléctrica.
-
Mantenga el equipoApartada del agua o deequalierotloliquido. Podria producirase un incidio o una descarga electrica.
- Hay alta tension en el interior del equipo. No abra la caja. Podra sufir una descarga electrlica.
- No corneite rigunara fuente de alimentacion distinta a la especificada a los terminals +y- Tampoco instalc dos faculto de alimentacion en paralco en una sola interna Podria producirse un incendio o daños en el equipo.
- No use a suspensa de alimentacion queonga un tena elonga a la specifica. Podria producirse un incidio o una descarga electrica.
- No introduze una material metalleico ni inflamabile en el equipo a travers de las aberturas. Podria producirse un incenso, una descarga electrlica o un fallo del equipo.
- El equipo debe ser instalada y conectada por un technicianequalido.

PRECAUCION
No seguir estas instrucciones podria causar lesiones personales o daños materiales.
- No instale ni realizae terminaciones de cablosado cuando este Concentada una fuente de alimentacion.Puede occasionar descargas electricas o daños en el equipo.
- Cuando instale el equipo en la pared, hagalo en un lugar appropriado,onde no pueda ser golpeada o sacudida. Podria sufear lesiones.
- Antes de enc日子 la alimentacion, asegirese de que no haya ningna cable cruzado o en cortocircuito. Podla producise un incidido o una descarga eléctrica.
- No instale el equipo en lugares sometidos a vibraciones o golpes fecuentes. Podria caress o vulcarse, occasionando daños en el equipo o lesiones personales.
- Para el suministro de alimentacion, utilise un Modelo de fuente de alimentacion de Aiphone,. especificado para su uso con el systema. Si se usa un producto no specificado, pode producirse un incendio o un configuracion del defecto.
- No ponga nada sobre el equipo ni la cubra con un paño, etc. Podria producirse un incidio un fallo del equipo.
-
No instalé el equipo en ninglo de los seginentes lugares. Podria producirse un incendio, una descarga electrica o un fallo del equipo.
-
Lugares expuestos a la luz solar directa o circa de equipos que generen calor cuya temperatura可以选择 variar.
- Lugares en los que exista la presencia de polvo, aceite, productos químicos, sulfuró de hidrogeno (fuenteTERMica).
- Lugares con mucha humcadad, como cuartos de bano, sotanos, invernadros, etc.
- Lugaros en los que la temperatura sea baja, como en el interior de una zona refrigerada o en ante de un acondicionado de aire.
- Lugares expuestos al vapor o humano (cerca de superficies de calefaction o para cocinar).
- Donde esta cerca de dispositivos generadores de ruido, como dispositivos reguladores de voltaje o equipos electricos invescorcs.
-
Lugaresdonde pueca estar sujeta vibraciones o impactos.
-
No apièque alta presión en la punta. Si se rompe, podria causarlesiones.
- Si se perfora la pantalla LCD, evite el contacto de la piel con el cristal liquido del interior. Podria producirce una inflamacion.
^a Si se incige cristal liquido, haga gárgaras inmediamente con agua y acuda a un medico.
* Si existe contacto con los ojos o la piel, lavé la zona afectada con agua minúcosamente y acuda a un medicó.
PRECAUCIONES GENERALES
- Mantenga el equipo a mas de 1 m de una radio o un televisor.
- Mantenga los cables de intercomunicacion a una distancia mayor de 30 em del cablado de 100.240 V CA. Puede producirse rudo inducido por CA y/o un functionamento defecuoso del equipo.
- Cumpla con todas las specifications de fabricacion de terceros que seran usados con este sistemas (sensores, equipuestos de aperture de puerta, etc.).
- Si la unidad se ha bloqueado o no funeciona correctamente, desconnecte la fuente de alimentacion.
- Cuando el equipo está instalada en la pared, la parte superior del equipo cidera osceuececse. Este no indica un mal funcionamento.
-
La casa del equipo podra poder a calentarse durante el uso, pero es no indica un mal funcionaamento.
-
Si la unidad se utilizes cercia de un Telefono movil, puisde no funcionar corretamente.
-
El equipo sue danarse si se cac. Tratela con cuidado.
-
El equipo no funciona durante los cortes de corriente.
-
En zonas donde existan antennas de emisuras de radio y television, el Sistema de intercomunicacion可以使verse afectado por interferencias de Frequencia de radio.
- Todas los equipos, excepto las estaciones de puerta, se han dibrado exclusivamente para uso en interiores. Nu la utilice al aire libre.
- Este produits, al proportionsaruna equipo de apertura de puertas, noderabadly disparase como dispositivo de prevencion de definios.
- Tenga enonga que el panel LCD, excepta se hafabricado con técnicas de gran precision, tendría inevitably unalittle parte de los elementos de la imagen siempre iminuidos o no iminuidos en absoluto. Este no se considera un functionimieno defechuito del equipo.
- El sonido ambiental alrededor del equipo可以选择 dificultar la communicatedo, pero no seoca de unfunconto defectuoso.
-
Durante la noche, bajo a la escapa iluminacion sobre el objecto, la Pantalla capura mas ruido y las carasearn夏季 dificiles de distinguir, peroesto no es un mal configuracion.
-
Para la comunicación de manos libres:
Si se para muy lejos, podria ser mas dificil para la othera persona eschuchar la comunicacion. - Si existen misos many fuertes alrededor del equipo (ra como la reproduccion de musica o niños lllboro), elsomido poda desintegrare y podia ser dificil escharlu.
- Durante la comunicacion, si habla antes de que la othera persona haya terminado de haber, su voz podra no escharse claramente. La comunicacion se realizara sin problemas si espera hasta que la othera persona haya finalizzato.
- En una puerta o perverse que este imlunado con una lampara fluorescende, la imgen podra distorsionarse, pero es lo no es un mal funccionamento.
- El contumo de las imagenes de video visualizadas por la estación de puerta con video podría diferir del de la(s) persona(s) real(cs) o el fondo. Este no es un mal configuraciono.
- Si seonga la superficie de una estacion de puerta con video durante el invierno, podria ser dificil visualizar la imagen o el boton de lamada podria no moverse; sin embargo, este no es un mal configuracion.
- La iluminae de color calido resbreciente en la estacion de puerta con video能把 carrbar el tinte de la imagen en la pantalla.
- Cuando la temperatura exterior descendía repetitamente antes de lluvia, etc., el interior de la cantera podra陪你aréligamente, occasionando de this mode que laImagen es ho rrosa, sin embargo este no es un mal funcionalement. El funciona bajo normal sera restaurado cuando se evapare la humedad.
- Cuando la pantalla del equipo sera illuminarida con luz potente, la asigna aparecería blanca o siluetas, sin embargoarlo no es un mal configuración.
AVISOS
En ningtin caso nos harcno responsables de dafoes que se producen debido a la imposibidad de comuicacion a cusa de funconumentos defeccios, problemas o errores funconiones en este producto.
18 En ningún caso no tarcmos responsables de los daños o perdidas derivados del contentido o de laspecificacionesdethis producto.
Este manual ha sido創造o por Aliphone Co., Ltd., todos los derechos reservados. Queda, extrajamente probóbidop copiar la totalidad o una parte de estemanual sin el permiso previo de Aliphone Co.,I.t.d.
a Tenga en cuesta que las imagenes ci llustraciones de este manul peuvent variar con r Aspecto a la!.
realidad.
Tenga enIELD que estemanual pue de revisarse o cambiarse sin previo aviso.
Tenga encka que las specifications del productouten cambiarse con el fin de mayorlo sin previo asido.
* Este Sistema no se ha diseño para salvar vidas ni para la prevencion de delitos. Se trataste simpliciente en un medio complementario para transmitir información. En特别是在 caso Alphino se hará responsable de la perdida de vidas o las perdidas materiales que se producen cuando esté的功能ando el Sistema.
a La estación de puerta realiza los ajustes de la iluminación automatística. Los resultados de ajuste mayvarian en função del entomo de la instalación.
CONTENIDO DEL PAQUETE
| JOS-1A J0 | V JOS-1F | ||
| JO-1MD Monitor principal | ✓ | ✓ | ✓ |
| Panel frontal Unidad principal JO-DA Estación de puerta con video | ✓ | ||
| JO-DV Estación de puerta con video | ✓ | ||
| Caja posterior de montaje Tornillo especial x4 empotrado JO-DVF Estación de puerta con video | ✓ | ||
| Manual | ✓ | ✓ | ✓ |
| Destornillador especial | ✓ | ||
| Llave hexagonal | ✓ | ||
| Placa transparente para el nombre x2 | ✓ | ✓ |
NOTAS:
- No se incluyen los tornillos de montaje y de montaje para madera.
- Para información sobre la fuente de alimentación, consulte el manual de instalación de laquia.
NOMBRES DE PIEZA
Quite la pellicula protectora antes del uso.
JO-1MD
Pantalla LCD de color
Muestra las imagenes de laamera durante las lllamadas entrantes, la comida y el monitoreo de la placar de entrada.

Boton del control de volumen
[Durante el modo de cspera]
Ajusta el volumen de llamada.
Rango de ajuste del volumen: (silencio), 1-3
[Durante la comunicacion o el monitoreo]
Ajusta el volumen de通讯.
Rango de ajuste del volumen: 1-3
LED de estado (naranja)
Indica el estado actual de esta estación mediante la iluminación o el parpadeo.
Encendido: Durante el envio de comunicacion, cuando se pulsa el boton de aperture de puerta o cuando se pulsa el boton de referencia.
Parpadeo: Durante la recepcion de communicator en el mode PTT, durante
la detecion de cortocircuitos o durante el silenciado.
(PTT: Pulsar para saber, soltar para escuchar)
Botón de monitoreo
Monitorca una estacion de puerta.
Botón de.option
Para activar un dispositivo externo.
Botón de control del brillo de pantalla
Ajusta el brillo de la pantalla LCD
Rango de ajuste del brillo: 1-5
Botón de aperture de puerta
Abre la puerta.
Botón de haberapagar
Inicia o finaliza la comunicacion.
Altavoz
Tonos de llamada y audio de una estacion de puerta.
Interruptor de ajuste del angulo de la-camera
El interruptor de ajuste del angulo de la CAMERA se encuentra detrás del panel. Al pulsar el botón se modifica el angulo de inclinación de la CAMERA.

Interruptor de ajuste del angulo de la CAMERA
JO-DA

Orificios de drenaje
Cama
Captura imagens para做不到as en las pantallas de los monitores principal y secundario.
Micrófono
Envía audio desde la placá de entrada a los monitores principal y secundario.
Sensor de iluminación
Detecta la iluminacion del exterior para valorar si es de dia o de noche.
Altavoz
Emite audio desdelosmonitoresprincipal y secundario.
Botón de Ilamada con LED de luz bianca
Llama a los monitores principal y secundario configurados.
Sc ilumina automatamente cuando oscurece.
Estos orificios sirven para evacuar el agua de lluvia de bajo de la unidad.
No obstruya these orificios.
JO-DV
Sensor de iluminación
Botón de Ilamada
Cámara
Micrófono
LED de luz bianca
Altavoz
Placa para nombre (con retroiluminaci
La retroiluminación siempre está activa si la的最佳ía alimentada.
Orificios de drenaje
Panel frontal antivandalico
Sensor de iluminación
JO-DVF

Panel frontal antivandalico
INSTALACION
Cable
Use cable con revestimiento de PVC aislado con PE (Polietileno). Se recomienda el uso de cable sin funda, de media capacitancia, de 2 conductores paralelo o con pantalla.

Nunca use conductores individuales, cable de par trenzado o cable coaxial.

Método de cableado, distancia de los cables

| Ø 0.65 mm | Ø 0.8-1.2 mm | |
| A 50 m | 100 m | |
| B 5 m | 10 m | |
| C 50 m | 150 m |
Opciones de montaje
No instale la plac de entrada ni el monitor principal en uno de los siguientes lugares en los que la ilumination o el entorno ambiental能把 anfectar a la pantalla de monitoreo de video.
JO-DA, JO-DV, JO-DVF
a Bajo luz solar directa

Bajo farolas o luces de portacs

Otrasubicaciones sometidasaluz
intensa o condiciones de alumbrado de fondo

JO-1MD
a Bajo luz solar directa

Evite instalar el monitor principal
en un espacio concavo de un muro para prevenir la desconexión de lacomingsación

Deje al menos un espacio de 15cm
por encima y 25 cm bajo del centro del soporte de

Posiciones de montaje y area de vista de laImagen
JO-DA, JO-DV, JO-DVF

[Horizontal]

JO-DA: Consulte los diagramas de mas abajo cuando modifique el angulo de la webcam con el interruptor de ajuste.



MONTAJE
JO-1MD

Si los cables no estan empotrados en la pared, se puden guiar a travers de las entradas de cables existentes en la parte superior o inferior de la unidad. Retire la placq que cubre la entrada de cables en la parte superior de la unidad para permitir el paso del cableado al interior del equipo.

JO-DA
1 Retire la unidad principal del marco de montaje aflojando los tornillos de fijacion.
Destornillador

Tornillo de montaje x 2
(vastago del tornillo: 04,1)
(cabeza ranurada: 08,2 inferior
Cologne "UP" hacia arriba.
(no incluidos)
Unidad principal

mm
Panel frontal Unidad principal

Desmontaje del panel frontal
Desencape el panel frontal con un destornillador plano.
2 Fije el marco de montaje al muro.
Tornillo de montaje x 2 (vistago del tornillo: 0,4,1) (cabeza ranurada: 0,8,2 o inferior Altura 3,0 mm o inferior)
(no incluidos)

3 Conecte los cables.
Orificio de drenaje No obstruya los orificios.
JO-DV
4 Fije la unidad a la superficie de montaje.
*Utilice tacos de tablero o tapones de hormigón, según las necessities.
1 Afloje el tornillo especial con el destornillador especial y retire el panel frontal.


Sustituya la placaprontal y apricete el tornillo con el destornillador especial incluido.
Taco x 4
(Prepare tacos deaccuré con el的时间里 de los tormentos de montaje.) (no está incluidos)

Tornillo de montaje x 4
(vistago del tornillo: 04.1)
(cabeza ranurada: 0x8,2 o inferior
Altura 3.0 mm o inferior)
(no incluDs)
3 Conecte los cables a la unidad.
2 Inserte la placar transparente para el nombre.
Despegue los sellos protectores de la plaza (ambos días).1.
2. Escribe el nombre en la lista transparente.
Asegrese de partir 25mm de espacio en blanco en el extremo derecho para la insertion.
3. Inserte la placar transparente con el nombre como seuya una continuation (indicada en en cl diagrama)


与
tr
at
IS
D2
are
图
te
:
al
a
-2
5n
JO-DVF
Panel frontal antivandalico fjado con la unidad
Caja posterior de montaje empotrado (incluida)
3 Fije el panel frontal a la caja posterior con los tornillos especiales.

Instale la caja posterior de montaje empotrado en el muro y, a continuacion, conecte los cables a la unidad con la cubierta del terminal abierta.
Llave hexagonal (includa) Placa transparente para el nombre
2 Inserte la placatransparente para el nombre. *Vease JO-DV arriba para mas detalles.
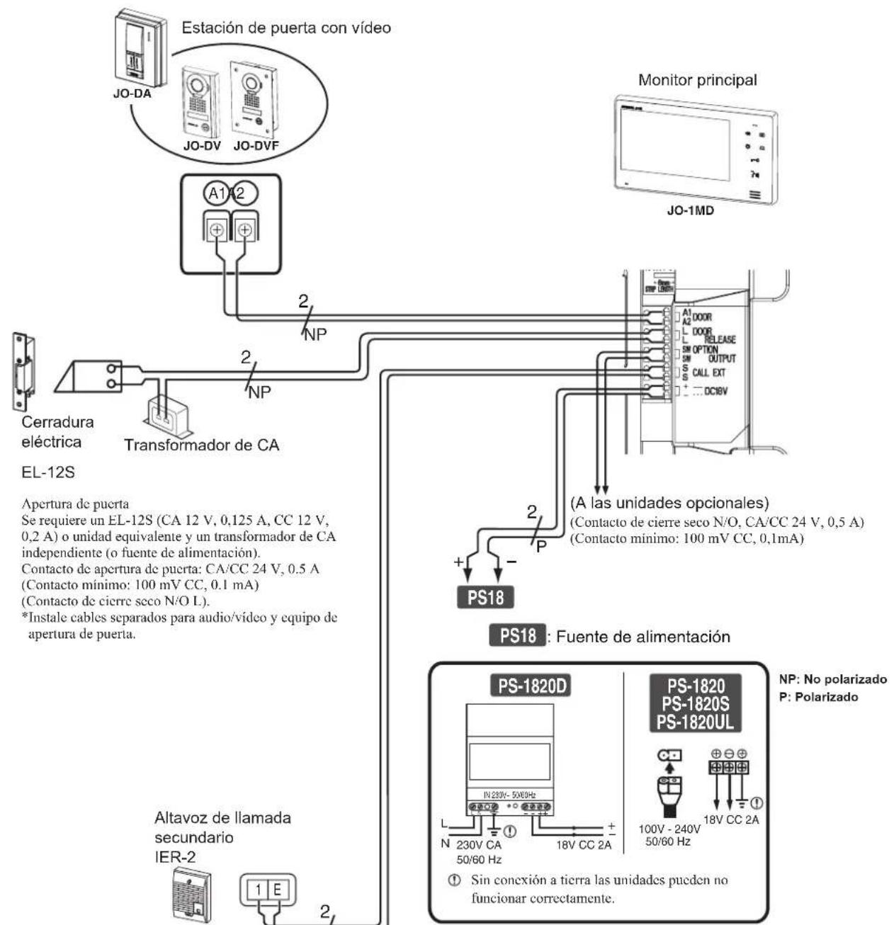
CABLEADO
Inserte los cables firmamente en cada terminal según lasuma figura.

Presencia de audio desde IER-2
Tono de llamada desde la estacion de puerta.
NOTAS:
- Paraañadir un monitor secundario, consulte el manual de instalación del mesmo.
FUNCTIONES
Responder a una llamada de puerta

1 Pulse el boton de llamada.
2 Suena el tono de llamada, aparece una imagen en la pantalla.
- La pantalla se apaga tras aprox. 45 segundos si no se responde.
3 Pulse tras el pitido, utilise la comunicacion de manos libres (modo de manos libres).
4 Una vez finalizada la communicator, pulse yla communicator finalizará tras el pitido.
NOTAS:
- Lacomings finaliza de forma automatica despues de aprox. 1 minuto.
- El volumen de la comunicación se pueda ajustar durante el monitorco o la comunicación pulsando.
Están disponible los tres siguientes ajustes del volumen de communicator:
[1] (Minimo), [2] (Medio) y [3] (Maximo). El nivel de volumen actual se muestra en la pantalla y desaparece tras aprox. 5segundos. El ajuste predeterminado es [2] (Medio).

En areas exteriores con mucho ruido, utilise el modo de pulsar para haber (PTT)

Tras 2 segundos o más
1 Mantenga pulsado 3 durante 2 segundos o mas.
Tras aprox. 2segundos suena el pitido;el modo PTT estáactivado.
Si se pulsa 31) breve, no se activa el modo PTT.
2 Durante la comunicacion, mantenga 3 nlsado. Para oir la voz de la persona que llama, suele 3
El LED de estado se ilumina cuando usted habla y parpadea despacio cuando escucha a la persona que llama (u oye los sonidos del exterior).
NOTAS:
- No es possible volver al modo de manos libres (desde el modo PTT durante lacomingsicacion).
Activación de la aperture de puerta

1 Pulse 0
2 La aperture de puerta se activa y se pueda abrir la puerta.
Durante la aperture: El LED de estado se illumina.
Monitoreo de estación de puerta

1 Pulse el modo de espera.
2 Se escacha el audio entrante y se ve la imagen de video de la estacion de puerta. Si no pulsa 3,4,5,6,7,8,9,10,11,12,13,14,15,16,17,18,19,20,21,22,23,24,25,26,27,28,29,30,31,32,33,34,35,36,37,38,39,40,41,42,43,44,45,46,47,48,49,50,51,52,53,54,55,56,57,58,59,60,61,62,63,64,65,66,67,68,69,70,71,72,73,74,75,76,77,78,79,80,81,82,83,84,85,86,87,88,89,90,91,92,93,94,95,96,97,98,99,100
3 Pulse 3ra finalizar el monitoreo.
NOTAS:
- Para saber con la estación de puerta durante el monitoreo, pulse temporalmente. [3] [1]. Esto permite la communicator con la estación de puerta.
- El monitoreo se apaga automaticallytras aprox. 1 minuto.
Ajuste del volumen del tono de llamada

1 Pulse el modo de espera paraajsar el volumen del tono del llamada y visualizar el nivel de volumen.
2 Pulse --sta que se oiga el nivel de volumen del tono de llamada desedo.
NOTAS:
- Están disponibles los quatreSIGUIENTESAJUSTES del volumen de tono delllamada:
[ ] (Silencio), [ ] (Minimo) - [ ] (Maximo).
El nivel de volumen actual se muestra en la pantalla y desaparece tras aprox. 5segundos.El ajuste predeterminado es [2] (Medio).
Illuminación nocturna
Por la noche se ilumina el LED de luz blanca de la estacion de puerta durante una llamada o al monitorar la estacion de puerta.


<¿Cuando se hace una llamada desdela estaciondepuerta>
Si se pulsa el boton de llamada, se ilumina el LED de luz blanca.
Cuando finaliza lacomingsicacion,seapaga elLED de luzblanca.


Si se pulsa durante el monitorco de la estacion de puerta, se iluminar el LED de luz blanca.
Cuando finaliza el monitoreo de la estación de puerta, se apaga el LED de luz blanca.
NOTAS:
- La estación de puerta evalúa las conditiones de luz para encender automatistically el LED de luz blanca cuando seanecessary.
Ajuste del brillo de pantalla

1 Pulse:任何时候 visualizar la pantalla. El brillo de la pantalla cambia de [1] (nivel más oscuro) a [5] (nivel más claro) durante la comida o el monitoreo.
NOTAS:
- El nivel de brillo actual se muestra en la pantalla y desaparece tras aprox. 5segundos.
- El ajuste por omisión es [3-3].
Activar dispositivos externos (si está instalados)

1 Pulse para activar la calidad optional de la unidad.
NOTAS:
- Los dispositivos.optionales deben estar instalados y conectados debidamente.
puede controlar las luces, las puertas secundarias, los garajes, etc.
- Mientras se pulsa el botón, se continúa emitiendo la seals de contacto de cierre seco N/O.
PRECAUCIONES TECNICAS
Limpieza:
- Limpie todas los equipos con un paño suave y limpiador moderado. No rocie limpiador directamente al equipo. No utilise un producto de limpieza ni un paño que scan abrasivos.
Las estaciones de puerta son resistentes a la intemperie.
Cableado:
- Cuando se detecta un cortocircuito entre A1 y A2 de la estación de puerta, launidad deja de funciona y el LED de estado parpadae rápidamente hasta que se elimina el cortocircuito. Compruebe los cables.
Si oyen ruidos de la estacion de monitorco principal, se desconecta el cabledo entre la estacion de puerta de video y la estacion de monitoro primaria.
Problems:
- Si la estación no responde, reinicie esta estación pulsando el botón RESET.
- Cuando se apaga la fuente de alimentacion, en casos de fallos de alimentacion o si se pulsa el boton RESET, el ajuste de brillo, el volumen de communicated y el volumen del tono de llamada se devuelven a su ajuste predeterminado.
ESPECIFICACIONES
| Fuente de alimentación CC 18 V (de la fuente de alimentación) | |
| Consumo de corriente (modo de espera) 24 mλ (máx.) 410 mλ | |
| Comunicación Manus libres: Control por voz | |
| PTT: Pulsar para haber, soltar para eschar | |
| Temperatura ambiental 0 - 40°C | |
| Monitor Pantalla LCD a color de 7 pulgadas | |
| Montaje Montaje en pared | |
| Caja electrica Caja de empotrar triple | |
| Material Resina ABS resistente a flamas | |
| Color Blanco | |
| Dimensiones | 130 (alto) x 230 (ancho) x 21 (profundo) (mm) |
| Peso | Aprox. 470 g |
JO-DA/JO-DV/JO-DVF (Estación de puerta con video)
| Unidad de cármara | CMOS de color de 1/4" | |
| Temperatura ambiental | -20 - 60°C | |
| Illuminación minima | Aprox. 5 lux a 50 cm de distancia | |
| Dimensiones | (JO-DA) | 129 (alto) x 97 (ancho) x 36 (profundo) (mm) |
| (JO-DV) | 173 (alto) x 98 (ancho) x 27 (profundo) (mm) | |
| (JO-DVF) | 209 (alto) x 135 (ancho) x zona expuesta 3,5 (profundo) (mm) | |
| (Caja posterior de montaje empotrado para JO-DVF) | 180 (alto) x 110 (ancho) x 45 (profundo) (mm) | |
| Peso | (JO-DA) | Aprox. 200 g |
| (JO-DV) | Aprox. 650 g | |
| (JO-DVF) | Aprox. 580 g | |
| (Caja posterior de montaje empotrado para JO-DVF) | Aprox. 550 g | |
| Evaluación IP | IP54 (JO-DA / JO-DV / JO-DVF) | |
| Evaluación IK | IK08 (JO-DV) | |
| IK07 (JO-DVF) | ||
Aiphone garantiza que sus produits están libres de defectos de material y mano de obra, en uso y技术服务 normal, por un periodo de dos años après de la entrega final al最后一个 usuario y reparar sin costo, o reemplazar si caro,移到 para resultar defectuoso, mediante una inspeccion que determinque efectivement esta con defecto y en garantia. Aiphone se reserva para si la facultad une de tener la decision final para juzgar si esixo una falla en materiales y/o mano de obra, y si el produit era o no cubierto para la garantia.Esta garantia no se aplicara a ningin producto Aiphone que haya sido sometido a maltrato, negligencia, accidente, sobrecarga de energia o que haya sido uso de forma differente a las instruetiones proportionadas, o bien por las unidasies que hayan sido reparadas o alteradas fuera de fabrica.Esta garantia no cubre baterias o daños causados por baterias usadas en conjunto con la unidad. La garantia cubre solo las reparaciones efectuadas en la mews de trabajo y bajo qualcar reparacion dcbr secfectuada en cllaller o lugar designado por escrito por Aiphone.Esta garantia sc limita a las specificaciones estandar indicadas en el manual de的功能imamento.Esta garantia no cubre ninguna funcion adicondial de un producto deyerseros que haya sido anadido por los userios o proveedores. Tenga en cuestion ce los daños u otheros problemas causados por un fallo de functionacion y por la interconexion con los products de Aiphone tampoco estar cubiertos por la garantia. Aiphone no se responsabilizar por costos incuridos enequalularllamada de service al situ mismeno en que se presente el defection. Aiphone no indemnizararpor ninguna perdida o daño en quocsc incurra dcbdto al averia o falla de sus productos durante su uso, ni por ningun inconveniente o perdida que se produca como consecuencia.
El area de objeto de es la UE.
ManualFácil