GTO4120 - Recepteur Crunch - Manual de uso y guía de instrucciones gratis
Encuentra gratis el manual del aparato GTO4120 Crunch en formato PDF.
Preguntas de los usuarios sobre GTO4120 Crunch
0 pregunta sobre este aparato. Responde a las que conoces o haz la tuya.
Hacer una nueva pregunta sobre este aparato
Descarga las instrucciones para tu Recepteur en formato PDF gratis! Encuentra tus instrucciones GTO4120 - Crunch y toma tu dispositivo electrónico nuevamente en la mano. En esta página están publicados todos los documentos necesarios para el uso de su dispositivo. GTO4120 de la marca Crunch.
MANUAL DE USUARIO GTO4120 Crunch
AMPLIFICADOR DE 4 CANALES
INHALTSVERZEICHNISTABLE OF CONTENTTABLE DES MATIÈRESOMMARIOINDICE
DEU BEDIENUNGSANLEITUNG 3
ENG USER'S MANUAL 9
FRA MODE D'EMPLOI 15
ITA MANUALE D'USO 21
ESP MANUAL DE USO 27
ABBILDUNGEN / FIGURES / FIGURES / FIGURE / FIGURES 33
Lea Completely las instrucciones de montaje antes de proceder a montar el amplificador y poderlo en funciona.
| DATOS TÉCNICOS | GTO4120 |
| Potencia de salute RMS | 4 x 70 W @ 4 Ohmios 4 x 120 W @ 2 Ohmios |
| Potencia de salute Max. | 4 x 140 W @ 4 Ohmios 4 x 240 W @ 2 Ohmios |
| Impedancia de altavoces | 2 - 8 Ohms |
| Respuesta de Frequencia | 10 Hz - 40 kHz (-3 dB) |
| Coeficiente total de distorsión | < 0,2 % (1 kHz) |
| Relaciónignal/ruido | > 90 dB |
| Sensibilitad de entrada | RCA 20 kOhmios / High Level 200 Ohmios |
| Filtro de paso bajo | 50 - 250 Hz @ 12 dB/octava |
| Filtro de paso alto | 50 - 250 Hz @ 12 dB/octava |
| Bass Boost | 0 - 12 dB @ 45 Hz |
| Suministro electrico | +12 V (12 - 15 V), negativo a tierra |
| Fusible | 40 A |
| Dimensiones (A x A x P) | 135 x 50 x 210 mm |
Reservados los derechos de realizar Cambios技术和
GARANTÍA
Este producto cumple los estandares de prestacion de garantia minimos actuales de la Union Europea en caso de que se haya adquirido en paises de la Union Europea. Para conservar su proteccion de garantia guarde su comprobante de compra original para tener una comprobacion de la fecha de compra. Se excluye de la garantiaequalier daño en el producto que se deba a un uso erroneo o inadeudo, accidente, conexion erronea, instalacion inadeuda, modificacion del codigo de fecha y de la caracterizacion del codigo de barras, volqueo, catastrofes naturales oequalier intervencion, reparacion ormodificacionextraña fuera de notre fabrica o centros de service autorizados asi como qualier otheracion que se realice sin autorizacion y sin la competencia necesaria. esta garantia se limita a las piezas defectuosas y excluye especialmente todos los daños indirectos casuales o eventuales.
INDICACIONES IMPORTANTES PREVIAS AL MONTAJE
- Este aparato solamente es apto para su funciona en un vehiculo.
- Este equipo esADEUADO solo para la conexion a un systema de 12 voltios con tierra negativa.
- El calor irradiado hace que sea importante que instale el aparato en un lugar con suficientecirculacion de aire. Es muy importante que las aletas refrigeradoras del cuerpo de refrigeracion noesten situadas al bajo de una chapa o superficie que pudiera limitar la circulacion de aire. El amplificador no debe ser instalado en lugares微量元素 o sin ventilacion (p. ej. en el departamento para la rueda de repuesto o bajo la esterilla del vehiculo). Recomendamos que lo instale en el maletero.
- Instale el amplificador de forma que quede protegido de sacudidas, asi como del polvo y la suciedad.
- Asegürese de que los cables de entrada y salida están colocados a la distancia suficiente de los cables de alimentación, ya que en caso contrario podriani producirse irradiaciones de ruido.
- El fusible y los elementos de mandodeferan ser accesiblestrashaberrealizadoel montaje.
- La efectividad y fiabilidad del aparato dependerán de la calidad del montaje. Por el, le recomendamos que el aparato sea montado por un experto, sobre todo cuando se trate de una instalacion con diversos altavoces o con un completeo sistemas multicanal.
CONEXIONES
CONEXIONES DE ALIMENTACION Y ENCENDIDO A DISTANCIA
ATENCLON: Antes de comenzar con la instalacion, desconnecte el borne negativo de la bateria del coche para evaporar cortocircuitos.
El cableado del sistemas electrico de coches no suele ser suficiente para cumplir con las necessities de un amplificador. Asegúrese de que los cables electricos que van al GND y al borne de +12V sean de la dimisión suficiente. Para la connexion entre la batería y los terminales electricos del amplificador deben utiliserse un cable con una sección transversal de al menos 16mm^2
En primer lugar, conecte el terminal GND del amplificador y el polo negativo de la batería. Es muy importante estarleer una buena connexion, por lo que deben retiring los restos de sociedad de los+puntos de connexion de la bateria. Un contacto suelto peut provocar una disfuncion, o ruidos y distorsiones.
Una vez realizado este, la connexion del amplificador de +12V se unirá mediante un cable electrico conFuseble integrado al polo positivo de la bateria.El fusebledefer a estar situado cerca de la bateria, y la longitud del cable del polo positivo que va desde la bateria al fusebledefer ser inferior a 30 cm. por motivos de seguridad. Inserte el fuseble una vez que haya finalizo con la totalidad de los travaos de instalacion incluyendo la connexion de los altavoces.
Ahora, conecte el cable de control remoto del receptor de alta fidelidad para coche al terminal REM del amplificador. Para conectar el terminal de control REM del amplificador y el aparato de mando, sera suficiente un cable de seccion transversal de 0.5mm^2
Si su fuente de sonido no esta dotada de cable remote (REM), por favor compruebe la seccion "AUTO ENCENDIDO" en la pagea?sigue.
CABLE AUDIO
En la instalación del audiocable entre la受害者 RCA de la radio del coche y la entrada RCA del amplíficator en el coche deestábre prestarse atencion a que el audiocable y el cable de alimentacion electrica no sean tendidos en el本身就是lado del vehiculo. Conviene practaruna instalacion separada, es decir la instalacion del cable de alimentacion en el conductor izquierdo del cable y del audiocable en el conductor Derecho o bien vice versa.Elro reduce la diafonia de interferencias fretea la audio-renal.
ENTRADAS DE ALTA
La entrada de alta (HIGH LEVEL INPUT, Fig. 1, 1) esADECuada para conectar la entrada de amplificador con cable de altovoz si su unidad radio-CD no esta dotada de salidas de previo. Amplie los cables de calidad de la unidad radio-CD hasta laubicacion del amplificador con cable de altovoz adecuado quegue proporcionarle su instalador autorizzato. Conecte cada cable con los connectores de calidad de alta correspondientes, segun se indica mas abajo.
Atencion: jamás utilise la entrada de alta y RCA (pre-amp) al mesmo tiempo. Esto peute occasionar graves daños al amplificador. Tenga mucho cuidado en que los cables de alta jamásthern en contacto con mesa.


AUTO ENCENDIDO
Cuando la unidad de audio se enciende, el Amplificador detecta un encendido de 6 Volts con un llama "DC Offset" a工程技术 de entrada conectada en la entradas de alta (HIGH LEVEL INPUT, Fig. 1, 1). Entonces, el amplificador también se enciende. Tan pronto la unidad de sonido se apague, el amplificador se apagará automatistically. En este caso la connexion de encendido (REM, Fig. 2, 2) no es necesaria.
NOTA: este sistemas suele的功能ar con el 90% de las unidades de audio ya que normalmente estan dotadas de salute de Alta. Solamente en algunos unidades antigunas que se pueda encontrar en el mercado, el sistemas de Auto-Encendido no funciona.
CONEXION DE ALTAVOCES
- Operando en 4 canales (p.e. un altovoz para cada canal) la impedancia nunca debe ser inferior a 2 ohmios por cada altovoz
- En modo puenteado (dos salidas combinadas por altovoz) la impedancia no debe ser inferior a 4 ohmios.
- Nunca connecte los cables del atavoz a la masa del chasis o la fuente de alimentacion de bateria
Si el amplificador funciona con bajos values terminales o de forma incorrecta, tal y como hemos descripto anteriormente, pueda occurrir que resulten danados tanto el propio amplificador como el altovoz. En este caso, la garantía ya no sera valida.
VALIDAS PARA CONECTAR UN AMPLIFICADOR ADICIONAL
Debido a su Diseño compacto, el amplificador no dispone deidas de senal que permitanañadir al sistema amplificadores adiconiales, como por exemple un amplificador mono para subwoofer. Si este es el caso y Vd. deseñañadirdeo amplificador alsystemsa, utilise un conector Y para dividir la senal y atacar efectamente a todos amplificadores.
ELEMENTOS DE MANDO
SENSIBILIDAD DE ENTRADA
Ajuste el control de nivel de entrada (INPUT LEVEL, Fig. 1, 3) del amplificador al minimum. Ajuste el volumen de la fuente de sonido al 80% -90% del volumen maximal. Ahora mediante el control de nivel de entrada (INPUT LEVEL, Fig. 1, 3),;aunte despacio el nivel hasta oir algo tipo de distorsion.En este momento reduzca el nivel hasta que la distorsion desaparezca completeness.
FILTRO DE PASO ALTO REGULABLE
Si el amplificador se usa para altavoces stélite (medios/tweeter etc) colocar el selector por cada par de canales en posición "HPF" (X-OVER, Fig.1, 5). Para altavoces más grandes (medios-graves, mas de 10") colocar el selector en Full. SeLECTIONAR el corte de fecuencia deseado en el regulator (LPF/HPF, Fig.1, 6). De esta forma, solo las fecuencias selecciónadas serán amplificadas. Esto minimiza la distorsión y sobre alimenta la seals en fecuencias bajas. Un buena punto de inizio es a 125Hz
FILTRO DE PASO BAJO REGULABLE
Si el amplificador se usa para un subwoofer colocar el selector por cada par de canales en posicion "LPF" (X-OVER, Fig. 1, 5). SeLECTIONAR el corte de fecuencia deseado en el regulator (LPF/HPF, Fig. 1, 6). De esta forma, solo las fecuencias por debajo del corte seran amplificadas y el Subwoofer funcionala más preciso y eficientemente.
BASS BOOST REGULABLE
Usando el regulator (BASS BOOST, Fig. 1, 4) puedaacular el nivel de refuerzo de graves de 0 a 12 dB.
Atencion: Por favor, use el refuerzo de graves con cuidado. Un refuerzo de bajos demasiado alto suece caasar daños graves en el subwoofer.
CIRCUito DE PROTECTION
Este LED (POWER, Fig. 2, 7) se enciende, si el amplificador está en funciona.
Si este LED (PROTECT, Fig. 2, 7) se encendiese, significa que el amplificador se ha sobrecalentado, existe un cortocircuito o pueda ser que estemoseworkando conuna impedancia demasiado bajo.Enequalquier de los cases, los circuitos internos de proteccion incorporados apagarian el amplificador automaticamente.El amplificador debenFuncionar de nuevocorrectamente despues de haberresulto los problemas.
FIGURES (P. 33-36)
CONEXIONES Y ELEMETOS DE MANDO (FIG. 1)
(1) Entrada alta optional para lassonianas de altavoces de su unidad de Radio-CD
(2) Entrada audio stereo, proveniente de la fuente de sonido
(3) Regulador de nivel de entrada
(4) Regulador de nivel de bajos
(5) Selector para LPF (filtro passa-bajo) - FULL - HPF (filtro passa-alto)
(6) Regulador de fecuencia de transicion bajo / bajo alto
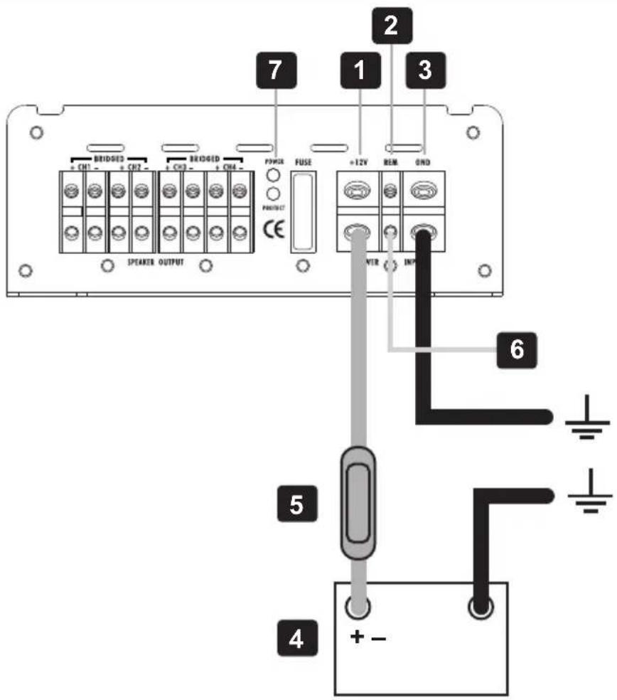
CONEXIONES DE ALIMENTACION Y ENCENDIDO A DISTANCIA (FIG. 2)
(1) Terminal de connexion para un voltaje de batería de +12 V
(2) Terminal de connexion REM para el encendido a distancia
(3) Terminal de conexión GND para la masa
(4) Bateria
(5)Fusible
(6) Conexión del cable de launidad o de la antenna electrica
(7) LED de proteccion y LED de alimentacion
Si el amplificador de la radio del coche funciona con 4 canales y está connectado a 4 altavoces, deben realizar las conexiones y los ajustes como se indica en la figura 3:
(1) A la radio del coche CH1, salute RCA izquierda delantera
(2) A la radio del coche CH2, salute RCA derecha delantera
(3) A la radio del coche CH3, salute RCA izquierda trasera
(4) A la radio del coche CH4, salute RCA derecha trasera
(5) Entrada alta optional para las salidas de altavoces de su unidad de Radio-CD delantera
(6) Entrada alta optional para las salidas de altavoces de su unidad de Radio-CD trasera
(7) Altavoz CH1, izquierda delantera (2 - 8 Ohmios)
(8) Altavoz CH2, derecha delantera (2 - 8 Ohmios)
(9) Altavoz CH3, izquierda trasera (2 - 8 Ohmios)
(10) Altavoz CH4, derecha trasera (2 - 8 Ohmios)
Nota: (1 - 4) no debe ser operado simultaneamente con (5 & 6)
Si el amplificador de la radio del coche funciona con 4 canales y está connectado a 2 altavoces y 1 subwoofer, deben realizar las conexiones y los ajustes como se indica en la figura 4:
(1) A la radio del coche CH1, salute RCA izquierda delantera
(2) A la radio del coche CH2, salute RCA derecha delantera
(3) A la radio del coche CH3, salute RCA izquierda trasera o SUB OUT
(4) A la radio del coche CH4, salute RCA derecha trasera o SUB OUT
(5) Entrada alta optional para las salidas de altavoces de su unidad de Radio-CD delantera
(6) Entrada alta optional para las salidas de altavoces de su unidad de Radio-CD trasera
(7) Altavoz CH1, izquierda delantera (2 - 8 Ohmios)
(8) Altavoz CH2, derecha delantera (2 - 8 Ohmios)
(9) Subwoofer CH3/4 (4 - 8 Ohmios)
Nota: (1 - 4) no debe ser operado simultaneamente con (5 & 6)
Si desea usar el amplificador con las 2 lineas de salute de los canales del Radio-CD paraatarcar dos subwoofoers en puente,conecte de la?siguiente forma:
(1) A la radio del coche CH1, salute RCA izquierda delantera o SUB OUT 1
(2) A la radio del coche CH2, salute RCA derecha delantera o SUB OUT 2
(3) A la radio del coche CH3, salute RCA izquierda trasera o SUB OUT 1
(4) A la radio del coche CH4, salute RCA derecha trasera o SUB OUT 2
NOTE: Dividir la senal de subwoofer procedente de la unidad principal mediente el uso de dos Y- connectores, para suministrar una senal de audio a las conexiones (1 - 4).
(5) Entrada alta optional para lascretas de altavocce de su unidad de Radio-CD delantera
(6) Entrada alta optional para las salidas de altavoces de su unidad de Radio-CD trasera
(7) Subwoofer CH1/2 (4 - 8 Ohmios)
(8) Subwoofer CH3/4 (4 - 8 Ohmios)
Nota: (1 - 4) no debe ser operado simultaneamente con (5 & 6)
SOLUTION DE PROBLEMAS
Si tene problemas afterwards de la instalacion, siga los procedimientos de solucion de problemas descritos a continuacion.
Procedimiento 1:
Verifique que el amplificador esté bien conectado.
Compruebe que este encendida la luz de ALIMENTACION (POWER).
Si la luz de ALIMENTACION (POWER) está encendida vaya al Paso 3, de另一边 manera,continue.
- Compruebe el fusible en Ilinea en el cable positivo de la bateria.Cambie si es necessario.
- Compruebe los fusibles en el amplificador.Cambie si es requisite.
- Compruebe que la conexion a tierra este conectada a metal limpio en el chasis del vehiculo.Repare o cambie si es necessario.
- Compruebe que haya 12 - 16 voltios en el positivo de la bateria y en el cable de encendido de la unidad remota.
Comprue la calidad de las conexiones de ambos cables en el amplificador, estereo y baterla / porta-fusibles. Repare o cambie si es necessario.
Procedimiento 2:
La luz de proteccion (PROTECT) esta encendida.
- Si la luz de proteccion (PROTECT) está encendida,es una indication de que posiblemente haya un corte en las conexiones del altovoz.
Comprue si las conexiones del altavoz estan bien hechas y use un ohmetro para comprar si hay un corto en el cableado de los altavoces.
Un impedancia de allavoz demasiado bajo también possible causar que se illumine la luz de proteccion (PROTECT).
Esto puee ser also n aen de que se ha uado el amplificador a un potencia muy elevada sin la ventilacion adeuada. Aque el sema y deje que el amplificador de enrfe. Compruebe que el systema de carga del vehiculo(bateria, alternador) mantiene un voltaje adequado. Si las actiones anteriores no solucionan el problema, el fallo peut estar en el amplificador.
Procedimiento 3:
Compruebe la calidad de sonido del amplificador.
- Compruee si las conexiones de entrada RCA estan bien en el estereo y el amplificador. Compruea lo largo del cable para ver si esta retorcedo, empalmado,etc. Pruee las entradas RCA para determinar los voltajes de CA teniend o estereo encendido. Repare o cambie si es necessario.
- Desconnecte la entrada RCA del amplificador. Conecte la entrada RCA desde el estéreo de prueba directamente a la entrada del amplificador.
Procedimiento 4:
Verifique el amplificador si Tienechasquidos al encender.
- Desconecte la SERIAL de entrada al amplificador y encienda y apague el amplificador.
- Si el ruido se elimina, conecte el conductor REMOTO del amplificador a la unidad fuente con un modulo de encendido de retardo.
0
- Use a fuente de 12 volteos distinta para el conductor REMOTO del amplificador (ejemplo, directo a la bateria).
- Si el ruido se elimina,use un relé para aislar el amplificador del la calidad de encendido ruidosa.
Procedimiento 5:
Verifique el amplificador si siente excessivo ruido de motor.
- Pase todos los cables que llevan señales (RCA, cables de altavoces) lejos de los cables de alimentación y de tierra.
- Desvie qualquiera y todos los componentes electricos entre el estereo y los amplificadores. Conecte el estereo directamente a la entrada del amplificador. Si el ruido desaparece el componente que está sido desviado es la causa del ruido.
0
- Quite los cables a tierra existentes de todos los componentes electricos. Vuelva a conectarlos a tierra en lugaras differsentes. Verifique que el situo de connexion a tierra es lo limpio,que sea metal brilioso sin pintura,oxido,etc.
0 - Añada un cable a tierra secundario desde el terminal negativo de la baterla al chasis de metal o al bloque del motor del vehiculo.
0 - Haga que su mecánico pruebe la carga del alternador y la bateria. Verifique que el sistemas electrico del vehiculo este enorden, incluyendo el distribuidor, las bujías, los cables de las bujías, el regulator de voltaje, etc.

1

2

3

2 - 8 Ohms 2 - 8 Ohms

4

2 - 8 Ohms 2 - 8 Ohms

5

CAR AUDIO UNLIMITED
CRUNCH
turn up your life

ManualFácil