Platinum DUO Plus - Central heating boiler Baxi - Free user manual and instructions
Find the device manual for free Platinum DUO Plus Baxi in PDF.
User questions about Platinum DUO Plus Baxi
0 question about this device. Answer the ones you know or ask your own.
Ask a new question about this device
Download the instructions for your Central heating boiler in PDF format for free! Find your manual Platinum DUO Plus - Baxi and take your electronic device back in hand. On this page are published all the documents necessary for the use of your device. Platinum DUO Plus by Baxi.
USER MANUAL Platinum DUO Plus Baxi
PERICOLO ALTA TENSIONE
text_image
M1 N L M X41 X20 X21 X30 X40 X42 X60 X70 X23 X60 X22 X18 X11 X12 X13 X14 X1 X2 M C X50 ① on ② on ③ on L N QX23 N QX22 N QX21 AGU2.5 ① on ② on ③ on H2 M BX21 M BX2 U+ ON 1 2 X50 ① on ② on ③ on X50 ① on ② on ③ on X50 ① on ② on ③ on X50 ① on ② on ③ on X50 CG_2240
text_image
N L RE H2 AGU 2.550 M CG_2309 T.S. 1 T.A. 2 T.A. n T.A. V M V M V Mtext_image
CG_2309 L T.S. 1 T.A. T.A. T.A. 2 n AGU 2.550 H2 M V M V M V N
As constantly strives to improve its products, it reserves the right to modify the information contained in this document at any time and without prior notice. This document is issued purely for the sake information and should not be considered as a contract with third parties.
DESCRIPTION OF SYMBOLS

WARNING
Risk of damage to or malfunction of the appliance. Pay special attention to the warnings concerning danger to people.

Live components - electrocution hazard.

IMPORTANT INFORMATION
Information to read with particular care as it is useful for the correct operation of the boiler.
1. INTRODUCTION
The boiler can independently manage up to three heating circuits by using external accessories such as room units, remote controls and external modules. The boiler electronics also comprises a wide range of functions for personalising and managing various system types. To assure correct system operation, a number (from 1 to 3) must be assigned to each accessory in order to allow the boiler board to recognise it.
2. DESCRIPTION OF ACCESSORY
This accessory allows the boiler to manage
• Heating circuits at different temperatures.
- Solar plant.
- Other specific applications (swimming pool, DHW circulation pump, etc.).
This accessory can directly manage the circuit components (pump, temperature sensor, mixing valve, etc.) up to a maximum of 3 independent relay outlets, 2 temperature sensors and 1 control input. Some predefined functions can be used to simplify system configuration.

To change the parameters and the connections in the instrument panel terminal blocks, consult the boiler instructions manual.

The Remote Control must be used to set the parameters of the described configurations.

Check that the boiler is prearranged for this accessory.
3. MOUNTING ON THE BOILER CONTROL PANEL
Remove the cover A of the control panel B. Lift the control panel B and connect the flat cable between the connector X50 of the accessory AGU2.550 and the connector X41 of the boiler board, threading it through the hole in the control panel B. Close the control panel B and insert the AGU2.550. Make the required electrical connections and attach the new cover C present in the pack.

text_image
AGU 2.550 C A B CG_22404. ELECTRICAL CONNECTIONS FOR THE ACCESSORY AGU 2.550
| KEY TO CONNECTOR CONNECTIONS | |
| X50 Connector linking the electronic boiler board to the AGU 2.550 accessory via a flat cable. | |
| X1 (L-N) Power | supply connection to the boiler terminal block |
| X1 (QX21-N) | 230 V programmable relay outputX1 (QX22-N) |
| X1 (QX23-N) | |
| X2 (H2-M) Programmable 12 V - DC digital or 0 -10 V DC analogue input | |
| X2 (BX21-M) | NTC 10K / Pt1000 sensor programmable input |
| X2 (BX22-M) | |
| X2 (U+) 12 V DC | output |

text_image
M1 N L M X41 X23 X21 X30 X40 X42 X601 X70 X23 X50 X18 X11 X12 X13 X14 X1 X2 M C X50 X50 ① on ② on ③ on L N OX21 N OX22 N OX21 X1 AGU2.5 ① on ② on ③ on H2 M BX21 M BX22 U- ON ON 1 2 X50 X50 CG_2240
Terminal block M1 is at high voltage. Before making connections, make sure the appliance is disconnected from the power supply.

If the appliance is connected to an underfloor system, install a limit thermostat to prevent the latter from overheating.

Make sure that the total rated output of the accessories connected to the AGU 2.550 is lower than 0.5 A. If it is higher, fit a relay between the AGU 2.550 and the accessory (e.g.: pump).
GENERAL CONFIGURATION
Configure the accessory AGU 2.550, using the switch shown in the figure, as module (1) (the setting is screen-printed onto the body of the accessory). If supplementary accessories are used, configure them as modules (2) and (3).
4.1 ELECTRICAL CONNECTIONS OF EXTERNAL ACCESSORIES
To connect the AGU 2.550 accessory to the external accessories proceed as follows (use "HAR H05 VV-F" harmonised cables with a cross-section of 1mm^2 ):
MIXED CIRCUIT CASE (see diagram chap. 4.1)
- Connect the mixed zone pump to the QX23 connector on the AGU 2.550.
- Connect the cascade delivery sensor to the BX21 connector on the AGU 2.550 (QAD36 available as an accessory).
- Connect the mixing valve to the QX22-QX21 connector.
- Connect the ambient thermostat to the H2 connector on the AGU 2.550.
DHW SOLAR PLANT CASE (see diagram chap. 4.2)
- Connect the solar plant pump to the QX23 connector on the AGU 2.550.
- Connect the solar boiler sensor to the BX22 connector on the AGU 2.550.
- Connect the solar panel sensor to the BX21 connector on the AGU 2.550.
4.1.1 MIXED CIRCUIT CASE
| A FLOW PROBE QAD36 |
| B MIXING VALVE |
| C MIXED ZONE PUMP |

text_image
230V L N QX23 N QX22 N QX21 X1 AGU2.5 ① on ② on ③ on H2 M BX21 M BX22 U+ ON X50 A CG_2241To make settings, enter the parameters menu on the Remote Control as indicated below:
KEY TO FIGURE MENU
| 1 | Enduser | 3 | Engineer |
| 2 | Commissioning | 4 | OEM |
The following procedure is used to access the four boiler programming menus:
• from the main menu C.
• A and C (hold down for approx. 6 seconds) ○ B menu 1-2-3-4 (see figure to side and key).
• C to go back one menu at a time to the main menu.

flowchart
graph TD
A["Input"] --> B["Processing Unit"]
B --> C["Output 1"]
B --> D["Output 2"]
B --> E["Output 3"]
B --> F["Output 4"]
KEY FUNCTIONS FOR EDITING PARAMETERS
| B | Menu II / scroll the menu parameters / select the parameter value |
| B | Enter the chosen menu / select the parameter to edit / confirm the selected value |
| C | Return to the previous menu |
In all the presented configurations, if a Remote Control or a room unit is used, set them to room unit 1 in order to manage the DHW functions and the boiler stand-by, as well heating zone 1. If they are set as room unit 2 or room unit 3 only heating zones 2 and 3 respectively can be managed. See the instructions manual of the respective accessories for the configuration procedure.

After each system configuration process, carry out the following procedure for saving the components to the boiler.
- Access menu 2 as indicated at the beginning of this section.
- B Configuration B B programme row 6200 then B.
• B Yes then B to confirm.
The AGU 2.550 accessory can be configured to manage a low temperature circuit. The AGU 2.550 can therefore control the pump, the mixing valve and the flow sensor of the selected heating circuit as shown in the following schemes.

The diagrams in this document are purely indicative and must be backed by a technical thermal analysis.

Edit the parameter governing the closing of the mixing valves, depending on the model used, according to the following instructions.

The diagrams shown below refer to boilers with power less than 35 kW. For boilers with power over 35 kW, there must be a hydraulic separator upstream from the boiler and the zones must be equipped with zone pumps to replace the electrovalve.
6.1 SCHEME 1
Low temperature zone with ambient unit - heating circuit (1) High temperature zone with ambient thermostat - heating circuit (2)
| 1 External sensor - terminal block M2 (4-5) on the boiler |
| 2 Low temperature zone mixing valve (QX21-N-QX22) |
| 3 Low temperature circuit pump (QX23-N) |
| 4 Low temperature circuit probe (BX21-M) |
| 5 Low temperature circuit safety thermostat (12V) (H2-M) |
| 6 Ambient unit - terminal block M2 (1-2-3) on the boiler |
| 7 Electrovalve or externally powered high temperature zone pump |
| 8 High temperature zone ambient thermostat (for connection see chapter 8.1) |

flowchart
graph TD
A["①"] --> B["AGU 2.550"]
C["②"] --> D["3"]
D --> E["③"]
E --> F["④"]
F --> G["⑤"]
G --> H["⑥"]
H --> I["⑦"]
I --> J["⑧"]
K["①"] --> L["①"]
M["②"] --> N["③"]
O["③"] --> P["④"]
Q["④"] --> R["⑤"]
S["⑤"] --> T["⑥"]
U["⑥"] --> V["⑦"]
W["⑦"] --> X["⑧"]
Connect the safety thermostat protecting the low temperature circuit to the H2 (H2-M) input of the AGU 2.550 accessory. Enter menu 2 from the Remote Control, as described in section 5, and make the following settings:
| MENU | PROGRAMME ROW | PARAMETER VALUE TO SET DESCRIPTION | ||
| CONFIGURATION | 5715 Heating circuit 2 On Heating circuit 2 enable | |||
| 5977 H5 input function | Room thermostat CH2 | Circuit 2 thermostat enable (terminal block M1 (1-2) on boiler) | ||
| 6020 Extension module 1 function | Temps / mode CH1 | Low temperature zone enable | ||
| 6046 | Function of H2 input on module 1 | Limit thermostat CH | H2 input enabled as low temperature zone protection | |
| HEATING CIRCUIT 1 | 742 | Flow setpoint with room thermostat | --- | Enable modulating flow temperature (low temperature zone) |
| 834 | Actuator stroke time: | Default 180 s | Mixing valve close time | |
The room unit can directly control the low temperature zone according to the required room temperature. If, when turning the knob B on the main menu, the display visualises the boiler flow temperature instead of the ambient temperature, parameter 742 has not been set correctly.
6.2 SCHEME 2
More than one low temperature zone with ambient thermostat and shared room unit - heating circuit(1) High temperature zone with ambient thermostat - heating circuit (2)
| 1 External sensor - terminal block M2 (4-5) on the boiler | |
| 2 Low temperature zone mixing valve (QX21-N-QX22) | |
| 3 Low temperature circuit pump (QX23-N) | |
| 4 Low temperature circuit probe (BX21-M) | |
| 5 Ambient unit - terminal block M2 (1-2-3) on the boiler | |
| 6 | Low temperature circuit safety thermostat (connect in series to the electrovalves, see chap. 8.4) |
| 7 Low temperature zone room thermostat input (12V) (H2-M) | |
| 8 Electrovalve or externally powered high temperature zone pump | |
| 9 High temperature zone ambient thermostat (for connection see chapter 8.1) | |

flowchart
graph TD
A["①"] --> B["AGU 2.550"]
C["②"] --> D["③"]
D --> E["④"]
E --> F["⑤"]
F --> G["⑥"]
G --> H["⑦"]
H --> I["⑧"]
I --> J["⑨"]
K["⑩"] --> L["⑪"]
M["⑪"] --> N["⑫"]
O["⑪"] --> P["⑬"]
Q["⑪"] --> R["⑭"]
S["⑪"] --> T["⑮"]
U["⑪"] --> V["⑯"]
W["⑪"] --> X["⑰"]
Y["⑪"] --> Z["⑱"]
AA["⑪"] --> AB["⑲"]
AC["⑪"] --> AD["⑳"]
AE["⑪"] --> AF["①"]
AG["⑪"] --> AH["⑫"]
AI["⑪"] --> AJ["⑬"]
AK["⑪"] --> AL["⑭"]
AM["⑪"] --> AN["⑮"]
AO["⑪"] --> AP["⑯"]
AQ["⑪"] --> AR["⑮"]
AS["⑪"] --> AT["⑭"]
AU["⑪"] --> AV["⑮"]
Enter menu 2 from the Remote Control as described in section 5, and make the following settings:
| MENU | PROGRAMMEROW | PARAMETER VALUE TO | SET DESCRIPTION | |
| CONFIGURATION | 5715 Heating circuit 2 On Heating circuit 2 enable | |||
| 5977 H5 input function | Room thermostat CH2 | Circuit 2 thermostat enable (terminal block M1 (1-2) on boiler) | ||
| 6020 Extension module 1 function | Temps / mode CH1 | Low temperature zone enable | ||
| 6046 | Function of H2 input on module 1 | Room thermostat CH1 | H2 input enabled as low temperature zone room thermostat | |
| HEATING CIRCUIT 1 | 710 Comfort temperature 35°C Room setpoint (low temperature zone) | |||
| HEATING CIRCUIT 1 | 834 | Actuator stroke time: | Default 180 s | Mixing valve close time |
Set the comfort temperature to it maximum value (35°C) to ensure the low temperature zones work correctly. This ensures that the room unit does not block the heat demand of the individual room thermostats managing the subzones.
In this case, the room unit manages the low temperature system, but it cannot be used to manage the temperature of one of the rooms. Turn knob B to display the boiler flow temperature. The heating circuit operates with a fixed flow.

Connect the thermostat protecting the low temperature zone in series to the feed of the zone electrovalves so as to totally close the circuit in case of fault.
6.3 SCHEME 3
Low - heating circuit (1) and high temperature - heating circuit (2) zones with room thermostat
| 1 External sensor - terminal block M2 (4-5) on the boiler |
| 2 Low temperature zone mixing valve (QX21-N-QX22) |
| 3 Low temperature circuit pump (QX23-N) |
| 4 Low temperature circuit probe (BX21-M) |
| 5 Low temperature circuit safety thermostat (connect in series to the zone pump, see chap. 8.3) |
| 6 Low temperature zone room thermostat input (12V) (H2-M) |
| 7 Electrovalve or externally powered high temperature zone pump |
| 8 High temperature zone ambient thermostat (for connection see chapter 8.1) |

flowchart
graph TD
A["①"] --> B["AGU 2.550"]
C["②"] --> D["③"]
E["④"] --> F["⑤"]
G["⑥"] --> H["⑦"]
I["⑧"] --> J["⑧"]
K["②"] --> L["③"]
M["③"] --> N["④"]
O["③"] --> P["⑤"]
Q["③"] --> R["⑥"]
S["③"] --> T["⑧"]
Enter menu 2 from the Remote Control, as described in section 5, and make the following settings:
| MENU | PROGRAMME ROW | PARAMETER VALUE TO SET DESCRIPTION | ||
| CONFIGURATION | 5715 Heating circuit 2 On Heating circuit 2 enable | |||
| 5977 H5 input function | Room thermostat CH2 | Circuit 2 thermostat enable (terminal block M1 (1-2) on boiler) | ||
| 6020 Function of extension module 1 | Temps / mode CH1 | Low temperature zone enable | ||
| 6046 Function of H2 input on module 1 | Room thermostat CH1 | H2 input enabled as low temperature zone room thermostat | ||
Access menu 3
| HEATING CIRCUIT 1 | 834 | Actuator stroke time: | Default 180 s | Mixing valve close time |

Connect the low temperature zone protection thermostat in series to pump 3.
If it is not necessary to manage mixed systems, the AGU 2.550 accessory can be used to command zone pumps/electrovalves, as illustrated below:

The diagrams in this document are purely indicative and must be backed by a technical thermal analysis.
7.1 SCHEME 4
Two zones with ambient unit heating circuits (1 and 2) and 1 zone with room thermostat heating circuit (3).
| 1 | External sensor - terminal block M2 (4-5) on the boiler | 5 | Circuit 2 ambient unit - terminal block M2 (1-2-3) of boiler |
| 2 | Circuit 1 zone pump or electrovalve (QX21-N)* | 6 | Electrovalve or externally powered circuit 3 zone pump |
| 3 | Circuit 1 ambient unit - terminal block M2 (1-2-3) of boiler | 7 | Circuit 3 ambient thermostat (for connection see chapter 8.1) |
| 4 | Circuit 2 zone pump or electrovalve (QX22-N)* | ||

flowchart
graph TD
A["①"] --> B["AGU 2.550"]
B --> C["②"]
C --> D["③"]
D --> E["④"]
E --> F["⑤"]
F --> G["⑥"]
G --> H["⑦"]
style A fill:#f9f,stroke:#333
style B fill:#ccf,stroke:#333
style C fill:#cfc,stroke:#333
style D fill:#fcc,stroke:#333
style E fill:#cff,stroke:#333
style F fill:#ffc,stroke:#333
style G fill:#cfc,stroke:#333
style H fill:#fcc,stroke:#333
* The AGU 2.550 accessory cannot directly command a 3-wire electrovalve. A relay with an exchange contact must be used instead.

Room units 3 and 5 are connected in parallel.
The room units can directly control their respective zones according to the desired room temperature. Enter menu 2 from the Remote Control, as described in section 5, and make the following settings:
| MENU | PROGRAMME ROW | PARAMETER | VALUE TO SET | DESCRIPTION |
| CONFIGURATION | 5715 | Heating circuit 2 | On | Heating circuit 2 enable |
| 5721 | Heating circuit 3 | On | Heating circuit 3 enable | |
| 5977 | H5 input function | Room thermostat CH3 | Circuit 3 thermostat enable (terminal block M1 (1-2) on board) | |
| 6020 | Extension module 1 function | Multifunctional | - | |
| 6030 | Module 1 QX21 relay output | Heating pump CH1 Q2 | Circuit 1 pump/electrovalve control | |
| 6031 | Module 1 QX22 relay output | Heating pump CH 2 Q6 | Circuit 2 pump/electrovalve control | |
| HEATING CIRCUIT 1 | 742 | Flow setpoint with room thermostat | --- | Enable modulating flow temperature (heating circuit 1) |
| HEATING CIRCUIT 2 | 1042 | Flow setpoint with room thermostat | --- | Enable modulating flow temperature (heating circuit 2) |
The room units can directly control their respective zones according to the desired room temperature. If, when turning the knob B on the main menu, the display visualises the boiler flow temperature instead of the ambient temperature, parameters 742 and 1042 have not been set correctly.
7.2 SCHEME 5
Three zones with room unit (heating circuits 1, 2 and 3)
| 1 | External sensor - terminal block M2 (4-5) on the boiler | 5 | Circuit 2 ambient unit - terminal block M2 (1-2-3) of boiler |
| 2 | Circuit 1 zone pump or electrovalve (QX21-N)* | 6 | Circuit 3 zone pump or electrovalve (QX23-N)* |
| 3 | Circuit 1 ambient unit - terminal block M2 (1-2-3) of boiler | 7 | Circuit 3 ambient unit - terminal block M2 (1-2-3) of boiler |
| 4 | Circuit 2 zone pump or electrovalve (QX22-N)* | ||

flowchart
graph TD
A["①"] --> B["AGU 2.550"]
C["②"] --> D["③"]
E["④"] --> F["⑤"]
G["⑥"] --> H["⑦"]
I["⑦"] --> J["⑤"]
K["⑤"] --> L["③"]
M["⑤"] --> N["⑦"]
O["⑥"] --> P["④"]
Q["⑦"] --> R["⑤"]
S["⑦"] --> T["③"]
* The AGU 2.550 accessory cannot directly command a 3-wire electrovalve. A relay with an exchange contact must be used instead.

Room units 3 - 5 and 7 are connected in parallel.
The room units can directly control their respective zones according to the desired room temperature. Enter menu 2 from the Remote Control, as described in section 5, and make the following settings:
| MENU | PROGRAMME ROW | PARAMETER VALUE TO SET DESCRIPTION | ||
| CONFIGURATION | 5715 | Heating circuit 2 | On | Heating circuit 2 enable |
| 5721 | Heating circuit 3 | On | Heating circuit 3 enable | |
| 5977 | H5 input function | None | Thermostat disable in terminal block M1 (1-2) on boiler | |
| 6020 | Extension module 1 function | Multifunctional | - | |
| 6030 | Module 1 QX21 relay output | Heating pump CH1 Q2 | Circuit 1 pump/electrovalve control | |
| 6031 | Module 1 QX22 relay output | Heating pump CH2 Q6 | Circuit 2 pump/electrovalve control | |
| 6032 | Module 1 QX23 relay output | Heating pump CH3 Q20 | Circuit 3 pump/electrovalve control | |
| HEATING CIRCUIT 1 | 742 | Flow setpoint with room thermostat | --- | Enable modulating flow temperature (heating circuit 1) |
| HEATING CIRCUIT 2 | 1042 | Flow setpoint with room thermostat | --- | Enable modulating flow temperature (heating circuit 2) |
| HEATING CIRCUIT 3 | 1342 | Flow setpoint with room thermostat | --- | Enable modulating flow temperature (heating circuit 3) |
The room units can directly control their respective zones according to the desired room temperature. If, when turning the knob B on the main menu, the display visualises the boiler flow temperature instead of the ambient temperature, parameters 742 and 1042 have not been set correctly.
8. ELECTRICALLY CONNECTING THE AMBIENT THERMOSTAT

The operating temperature is the same for all circuits.

The relays can be replaced with valves equipped with micro limit switches and vice versa.
8.1 CASE - 1 - Connecting a single ambient thermostat in a high temperature zone.
Connect the ambient thermostat to the external electric network (230V) which will supply the zone valve (or pump) and the relay coil; connect the relay contact to the boiler M1 terminal block (1-2).

text_image
L T.A. M1 1 2 RE M V N CG_23108.2 CASE - 2 - Connecting ambient thermostats for a high temperature multi-zone system.
Connect the ambient thermostat in parallel to the external electric network (230V) which will supply the zone valve (or pump) and the relay coils; connect the relay contacts in parallel to the boiler M1 terminal block (1-2).

flowchart
graph TD
L["Power Supply L"] --> 1["T.A."]
1 --> 2["T.A."]
2 --> n["n"]
1 --> 3["RE"]
2 --> 3
3 --> 4["M"]
4 --> V["V"]
4 --> RE["RE"]
5["Power Supply N"] --> 6["M"]
6 --> V["V"]
7["Resistor M"] --> 8["Resistor M"]
9["Resistor n"] --> 10["Resistor n"]
style M1 fill:#f9f,stroke:#333
style N fill:#ccf,stroke:#333
style 1 fill:#dfd,stroke:#333
style 2 fill:#dfd,stroke:#333
style 3 fill:#dfd,stroke:#333
style 4 fill:#dfd,stroke:#333
style 5 fill:#dfd,stroke:#333
style 6 fill:#dfd,stroke:#333
style 7 fill:#dfd,stroke:#333
style 8 fill:#dfd,stroke:#333
style 9 fill:#dfd,stroke:#333
style 10 fill:#dfd,stroke:#333
8.3 CASE - 3 - Connecting ambient thermostats for a low temperature multi-zone system.
Connect the ambient thermostats in parallel to the external electric network (230V) which will supply the zone valves (or pumps) and the relay coil; connect the relay contact to the AGU 2.550 H2-M terminal blocks.

Connect the thermostat protecting the low temperature zone in series to the feed of the zone electrovalves so as to totally close the circuit in case of fault.

flowchart
graph TD
N --> L
L --> RE
RE --> T.S.
T.S. --> 1
T.S. --> 2
1 --> V
2 --> V
2 --> M
2 --> M
2 --> n
n --> V
n --> M
H2 --> AGU
AGU --> M
CG_2309["CG_2309"] --> A
A --> T.A.
T.A. --> V
T.A. --> M
T.A. --> V
T.A. --> M
8.4 CASE - 4 - Connecting ambient thermostats for a low temperature multi-zone system with micro limit switches in the zone valves.
Connect the ambient thermostats in parallel to the external electric network (230V) which will supply the zone valves; connect the micro switch contacts in parallel to the AGU 2.550 H2-M terminal blocks.

text_image
CG_2309 L T.S. 1 T.A. T.A. T.A. 2 n AGU 2.550 H2 M V M V M V N
Connect the thermostat protecting the low temperature zone in series to the feed of the zone electrovalves so as to totally close the circuit in case of fault.
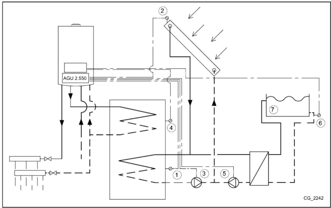
9. DHW SOLAR PLANT
In this configuration, the AGU 2.550 accessory can manage the solar circuit pump, the manifold sensor and the storage boiler sensor (relative to the solar plant) according to the following scheme:
| 1 | solar storage heater sensor B31 (BX22-M) | 3 | solar circuit pump Q5 (QX23-N) |
| 2 | solar storage heater sensor B6 (BX21-M) | 4 | storage boiler sensor B3 - terminal block M2 (9-10) on boiler |

flowchart
graph TD
A["AGU 2.550"] --> B["Component 1"]
B --> C["Component 2"]
C --> D["Component 3"]
D --> E["Component 4"]
E --> F["Output"]
style A fill:#f9f,stroke:#333
style B fill:#ccf,stroke:#333
style C fill:#cfc,stroke:#333
style D fill:#fcc,stroke:#333
style E fill:#cff,stroke:#333

The diagrams in this document are purely indicative and must be backed by a technical thermal analysis.
Enter menu 2 from the Remote Control, as described in section 5, and make the following settings:
| MENU | PROGRAMME ROW | VALUE TO SET | DESCRIPTION |
| CONFIGURATION | 6020 | Solar DHW | Solar function enable |
The following parameters can be used. If solar panels with vacuum tubes are used, enable the specific safety function (parameters 3830, 3831):
| MENU | PROGRAMME ROW | VALUE TO SET DESCRIPTION |
| CONFIGURATION | 3810 Default 8°C | Temperature difference between manifold and solar sensor storage boiler for solar pump activation |
| 3811 Default 4°C | Temperature difference between manifold and solar sensor storage boiler for solar pump deactivation | |
| 3850 Default “---” | Temperature above which the manifold pump circulates (only if the maximum temperature of the storage boiler is not reached) |
Access menu 3
(section 5.2)
| SOLAR | 3830 Default “---” | Maximum stop time of solar pump if the manifold temperature reaches its maximum value (parameter 3850) within the minimum circulation time (parameter 3831) |
| 3831 Default 30s Minimum | circulation time of manifold pump |

When the symbol ➕ appears on the display, it means that the solar plant pump is heating the storage boiler.
10. PARAMETERS SETTING
10.1 HEATING SYSTEM
| Remote Control | CR 1, 2, 3 HEATING CIRCUIT MENU | Factory setting | Minimum | Maximum | |||
| CR1 | CR2 | CR3 | |||||
| 700 | 1000 | 1300 | Off: the boiler lights when the room temperature is < 6°CTimed: the room temperature depends on the set time bandReduced: the room temperature is reducedOn: the room temperature is comfort | - | Comfort | - | - |
| 710 | 1010 | 1310 | Comfort room temperature | °C | 20 | Reduced | Maximum comfort |
| 712 | 1012 | 1312 | Reduced room temperature | °C | 16 | Anti-freeze | Comfort |
| 714 | 1014 | 1314 | Anti-freeze room temperature | °C | 6 | 4 | Reduced |
| 720 | 1020 | 1320 | Climate curve selection for external sensor | - | 1.5 | 0.1 | 4 |
| 730 | 1030 | 1330 | With an external sensor and in the automatic operating mode, automatic heating control activates (ON-OFF) depending on the set temperature (external) | °C | --- | 8 | 30 |
| 740 | 1040 | 1340 | Minimum flow value(e.g.: with the modulating flow function enabled) | °C | 25 | 8 | Maximum setpoint |
| 741 | 1041 | 1341 | Maximum flow value(e.g.: with the modulating flow function enabled) | °C | 80 | Minimum setpoint | 95 |
| 742 | 1042 | 1342 | Flow temperature with room unit( --- = modulating flow enable) | °C | 80 | Minimum setpoint | Maximum setpoint |
| 750 | 1050 | 1350 | Importance of room temperature with respect to the external temperature and vice-versa (room influence function):--- %: pure climate1..99 %: climate with room offset100 %: pure room | % 50 | 1 | 100 | |
| 760 | 1060 | 1360 | Boiler off differential depending on the required room temperature | °C | 0.5 | 0.5 | 4 |
| 809 | 1109 | 1409 | The boiler pump and the circuit pump remain active 24h | - | no | - | - |
| 834 | 1134 | 1434 | Closing time of low temperature mixing valve | s | 180 | 30 | 873 |
| 850 | 1150 | 1450 | The 'manual' function is recommended | - | off | ||
| 851 | 1151 | 1451 | Flow temperature for dry screed function | °C | 25 | 0 | 95 |
| 855 | 1155 | 1455 | Current flow temperature of dry screed function | °C | - | - | - |
| 856 | 1156 | 1456 | Day of the week during activation of dry screed function | - | - | - | - |
CR = Heating Circuit
10.2 DHW SYSTEM
| Remote Control | DHW CIRCUIT MENU | Factory setting Minimum Maximum | ||
| 1600 | Operating modeOff = setpoint equal to anti-freeze setpointOn = rated setpointEco = pre-heating disabled | - | on -- | |
| 1610 DHW rated setpoint °C 60 35 60 | ||||
| 1612 Reduced DHW setpoint °C 35 8 60 | ||||
| 1620 | Hourly programming enable | - | 24h/day | - |
| 1640 | Anti-legionellosis function operating mode:OffPeriodicallyFixed weekday | - | off -- | |
| 1641 | N° days between one anti-legionellosis function and the next (1...7) | - | 7 | -- |
| 1642 Anti-legionellosis function day (Monday...Sunday) | - | Monday | - | |
| 1644 | Anti-legionellosis start time | - | --:-- | - |
| 1660 | DHW recirculation pump operating mode | - | Hot water release | - |
| 1663 | Temperature at which the DHW pump stops | °C | 45 | 8 |
10.3 SUNDRY PARAMETERS
| Control panel | CONFIGURATION MENU | Factory setting |
| 5710 | Heating circuit 1 enable | on |
| 5721 | Heating circuit 3 enable | off |
| 5730 | Setting of DHW sensor depending on the type of boiler (storage or instantaneous) | |
| 5731 | Type of actuator for DHW priority control | Reverser valve |
| 5970 | DHW priority sensor (for instantaneous boilers) | - |
| 5971 | Home position of contact | - |
| 5973...5976 | Parameters for determining DHW demand water flow | - |
| 5977 | Input for ambient thermostat of one of the heating circuits | Room thermostat zone 1 |
| 5978 | - | |
| 6020 | Multifunctional: the inputs and outputs can be configured manually | - |
| Heating circuit 1, 2 or 3: manages a mixed zone (1, 2 or 3 - chapter 6) | - | |
| 6021 | Return temp. contr.: not used | - |
| DHW solar: manages a solar plant with 2 sensors and pump (section 8) | - | |
| Prim/syst. pump contr.: not used | ||
| 6024 | Not used | - |
| 6026 | - | |
| 6028 | - | |
| 6030...6038 | See section 10 | - |
| 6040...6045 | See section 10 | - |
| 6046...6068 | See section 10 | - |
| 6097 | Type of sensor used for solar manifold | PT 1000 |
| 6200 | Saving of all the sensors connected in the boiler and accessories (section 5.2) | - |
| 6212 | Manufacturer information | - |
| 6213 | Manufacturer information | - |
| 6215 | Manufacturer information | - |
| 6217 | Manufacturer information | - |
| 6230 | Manufacturer information | - |
| 6231 | Manufacturer information | - |
| 6704 | Internal code display enable | yes |
| 6705 | Internal code of current error | - |
| 6706 | Burner phase during which the error appeared | - |
| 6710 | External alarm reset (section 10) | no |
| 6800 | Last error | - |
| 6805 | Internal code of last error | - |
| 6806 | Burner phase of last error | - |
| from 6810 to 6996 | Error log | - |

The illustrated configurations also apply to the other board relays/sensors/inputs, such as relay QX1 (row 5890) or sensors BX2 (row 5931) and BX3 (row 5932).
11. SUNDRY FUNCTIONS
As well as the above settings, the inputs and outputs can also be configured according to system requirements. The following examples consider the relay QX21 and sensor BX21 output of the accessory, though the same applies to relays QX22, QX23 and the sensor BX22. In all cases, set the accessory to "Multifunctional".
| MENU PROGRAM | AMME ROW PARAMETER | VALUE TO SET DESCRIPTION | ||
| CONFIGURATION | 6020 Extension | module 1 function Multifunctional | Solar function enable |
If a storage boiler is used in the DHW circuit, the circulation pump can be controlled. This function is limited by the hourly programming of the DHW system. To minimise circulation losses, the function activates the pump for 10 minutes followed by a 20 minute pause. Enter menu 2 from the Remote Control, as described in section 5:
| MENU PROGRAMME ROW VALUE TO SET DESCRIPTION | |||
| CONFIGURATION | 6030 | Circulating pump Q4 | DHW recirculation pump enable (relay QX21 output) |
| 6040 | HW circulation sensor B39 | DHW recirculation sensor enable (sensor BX21) | |
| TEMPS / MODE HOT WATER | 1663 | factory setting = 45°C | DHW temperature below which the pump is enabled (recirculation setpoint) |
11.2 SOLAR PLANT FOR SWIMMING POOL
Heating a swimming pool with solar panels can be achieved as follows.
| 1 | Solar storage heater sensor B31 (BX22-M) | 5 | Swimming pool pump (QX21-N) |
| 2 | Solar storage heater manifold B6 (BX21-M) | 6 | Swimming pool heating return sensor – terminal block M2 in boiler |
| 3 | Solar circuit pump Q5 (QX23-N) | 7 | Swimming pool |
| 4 | Storage boiler sensor B3 - terminal block M2 (9-10) of boiler | ||

flowchart
graph TD
A["AGU 2.550"] --> B["1"]
B --> C["2"]
C --> D["3"]
D --> E["4"]
E --> F["5"]
F --> G["6"]
G --> H["7"]
H --> I["8"]
I --> J["9"]
J --> K["10"]
K --> L["11"]
L --> M["12"]
M --> N["13"]
N --> O["14"]
O --> P["15"]
P --> Q["16"]
Q --> R["17"]
R --> S["18"]
S --> T["19"]
T --> U["20"]
U --> V["21"]
V --> W["22"]
W --> X["23"]
X --> Y["24"]
Y --> Z["25"]
Z --> AA["26"]
AA --> AB["27"]
AB --> AC["28"]
AC --> AD["29"]
AD --> AE["30"]
AE --> AF["31"]
AF --> AG["32"]
AG --> AH["33"]
AH --> AI["34"]
AI --> AJ["35"]
AJ --> AK["36"]
AK --> AL["37"]
AL --> AM["38"]
AM --> AN["39"]
AN --> AO["40"]
AO --> AP["41"]
AP --> AQ["42"]
AQ --> AR["43"]
AR --> AS["44"]
AS --> AT["45"]
AT --> AU["46"]
AU --> AV["47"]
AV --> AW["48"]
AW --> AX["49"]
AX --> AY["50"]

The diagrams in this document are purely indicative and must be backed by a technical thermal analysis.
Configure the system as described in section 8. At this point the DHW system is configured to use solar panels. Enter menu 2 from the Remote Control, as described in section 5:
| MENU | PROGRAMME ROW | VALUE TO SET | DESCRIPTION |
| CONFIGURATION | 5931 | Swimming pool sensor B13 | Swimming pool sensor enable (BX2 sensor input) |
| 6030 | Solar ctrl elem swi pool K18 | Swimming pool heating pump enable (relay QX21 output) | |
| DHW CIRCUIT | 6046 | Release swi pool solar | Swimming pool heating activation (e.g.: via float or manual command) |
It is important to use contact H2 as it assures correct system operation, allowing heat exchange with the swimming pool only if the latter allows it to do so. Make sure the swimming pool is full of water and operative.
11.3 GENERIC HEAT DEMAND
A generic heat demand does not come from one of the three available heating circuits and/or from the DHW circuit. This type of demand is called user demand and is used to provide heat to external units such as heating water in a swimming pool.
To enable this function, perform the following configuration procedure. Enter menu 2 from the Remote Control, as described in section 5:
| MENU | PROGRAMME ROW | VALUE TO SET DESCRIPTION | |
| CONFIGURATION | 6030 | Cons circuit pump VK1 Q15 | External demand 1 pump enable ( relay QX21 output) |
| 6046 | Consumer request VK1 External demand 1 contact | ||
| USER CR1 | 1859 factory setting = 70°C Heating flow temperature for external demand 1 | ||
If the user demand is provided via a 0-10 V analogue signal, set parameter 6046 to "User demand CR1 10V". Also set signal characteristics using the following parameters:
| 6049 | Valore tens. 1 H2 modulo 1 | 6050 | Valore 1 H2 modulo 1 | 6051 | Valore tens. 2 H2 modulo 1 | 6052 | Valore 2 H2 modulo 1 |
11.4 OTHER CONFIGURATIONS
Further configurations are summarised below:
QX21 relay
| Alarm output K10 | Alarm (e.g.: condominium) |
| System pump Q14 | Pump active at every heating or external demand |
| Time setting 5 K13 | Contact commanded from “aux hourly programme” |
| Refrigeration request K28 | Cooling demand from chiller circuit 1 |
| Water refill K34 | Boiler automatic filling valve |
| Fan shutdown K38 | External fan control |
BX21 sensor
| Buffer sensor B4 | Storage boiler sensor for heating (higher) |
| Buffer sensor B41 | Storage boiler for heating (lower) |
| Buffer sensor B42 | Third storage boiler probe for heating (half of storage boiler) |
H2 input
| Error/alarm message | External alarm signal |
| Boiler flow switch | Boiler flow switch command (only to use if not on the boiler) |
| Boiler temp limiter | Boiler thermostat command (only to use if not on the boiler) |
| Consumer request VK1 10V | External demand 1 with 0-10V signal (*) |
| Pressure measurement 10V | Pressure measurement with 0-10V signal (*) |
| Preselected output 10V Boiler power adjustment according to 0-10V signal (*) | |
* To use the functions set the characteristics of the analogue signal using the following parameters present in the Configuration menu of the Remote Control:
| 6049 | Voltage value 1H2 module 1 | 6050 | Funct value 1 H2module 1 | 6051 | Voltage value 2 H2module 1 | 6052 | Funct value 2 H2module 1 |
12. LIST OF FAULTS
| E | Fault Description of fault | |
| 10 | External probe sensor | Heating circuit enabled with no command (thermostat, room unit or external unit) or external probe faulty |
| 84 B$B, address conflict 2 or more room units configured for the same heating circuit | ||
| 98 Additional module 1 AGU 2.550 accessory not detected or recognised | ||
| 99 Additional module 2 AGU 2.550 accessory not detected or recognised | ||
| 373 Additional module 3 AGU 2.550 accessory not detected or recognised | ||
| 30 Flow sensor 1 Mixed circuit 1 sensor not detected | ||
| 32 Flow sensor 2 Mixed circuit 2 sensor not detected | ||
| 260 Flow sensor 3 Mixed circuit 3 sensor not detected | ||
| 335 BX21 no function BX21 sensor not configured | ||
| 336 BX22 no function BX22 sensor not configured | ||
| 324 BX same sensors | Two or more sensors configured for the same function | |
| 52 DHW 2 sensor DHW solar sensor not detected | ||
| 73 Manifold 1 probe Solar manifold sensor not detected | ||
| 57 DHW circulation sensor DHW circulation sensor not detected | ||
| 243 Swimming pool sensor Swimming pool sensor not detected | ||
| 25 Wood boiler sensor Biomass boiler sensor not detected | ||
| 346 No Q10 boiler pump Biomass boiler pump not detected | ||
13. TECHNICAL SPECIFICATIONS
| Power input | Input voltage | AC 230 V (±10 %) | |||||
| Operating frequency | 50/60 Hz | ||||||
| Power input | 4 VA | ||||||
| Power supply fuse (power supply and outputs) | max. 10 AT | ||||||
| Cables | Rigid or flexible wire (braided or with ferrule) | - | |||||
| one-pole | 0.5...2.5 mm2 | ||||||
| two-pole | 0.5...1.5 mm2 | ||||||
| Operating data | Software class | A | |||||
| Operating mode EN 60 730 | 1b (automatic operation) | ||||||
| Inputs | Digital input H2 | - | |||||
| very low safety voltage for clean contact | - | ||||||
| low voltage contact | - | ||||||
| voltage with contact open | DC 12 V | ||||||
| current with contact closed | DC 3 mA | ||||||
| Analogue input H2 | - | ||||||
| Very low protection voltage | - | ||||||
| range | DC 0..10 V | ||||||
| internal resistance | >100 kW | ||||||
| Input L | AC 230 V (±10%) | ||||||
| internal resistance | >100 kW | ||||||
| Input sensors BX21, BX22 | NTC 10k | ||||||
| permitted connection cables (copper) | - | ||||||
| cross-section | mm2 | 0.25 | 0.5 | 0.75 | 1.0 | 1.5 | |
| maximum length | m | 20 | 40 | 60 | 80 | 120 | |
| Outputs Output relay - | |||||||
| current range | AC 0.02...2 (2) A | ||||||
| maximum starting current | 15 A for ≤1 s | ||||||
| maximum current (for all relays) | AC 6 A | ||||||
| voltage range | AC 24...230 V (for clean contact) | ||||||
| Interface | BSB | connection with 2 cables, not interchangeable | |||||
| length of base unit - peripherals | max. 200 m | ||||||
| total length | max. 400 m (maximum capacity of cable 60nF) | ||||||
| cable cross-section | 0.5 mm2 | ||||||
SOMMAIRE
DESCRIPTION SYMBOLES 36
text_image
M1 N L M X41 X20 X21 X30 X40 X60 X70 X23 X60 X10 X11 X12 X13 X14 X' X2 M C X50 ① on ② on ③ on L N OX21 N OX22 N OX21 X1 AGU2.5 ① on ② on ③ on H2 M BX21 M BX2 U+ ON 1 2 X50 ① on ② on ③ on X50 ① on ② on ③ on X50 ① on ② on ③ on X50 ① on ② on ③ on X50 CG_2240
text_image
N L RE H2 AGU 2.550 M CG_2309 T.S. 1 T.A. 2 T.A. n T.A. V M V M V Mtext_image
CG_2309 L T.S. 1 T.A. T.A. T.A. 2 n H2 M V M V M V N AGU 2.550
text_image
N L RE H2 AGU 2.550 M CG_2309 T.S. 1 T.A. 2 T.A. n T.A. V M V M V Mtext_image
CG_2309 L T.S. 1 T.A. T.A. T.A. 2 n AGU 2.550 H2 M V M V M V N
text_image
N L RE H2 AGU 2.550 M T.S. CG_2309 1 T.A. 2 T.A. n T.A. V M V M V Mtext_image
CG_2309 L T.S. 1 T.A. T.A. T.A. 2 n AGU 2.550 H2 M V M V M V N
11.2 INSTALATIA SOLARĂ PENTRU PISCINĂ
text_image
M1 N L M X41 X20 X21 X30 X40 X22 X60 X70 X23 X30 X22 X18 X11 X12 X13 X14 X1 X2 M C X50 ① on ② on ③ on L N QX23 N QX22 N QX21 AGU2.5 ① on ② on ③ on H2 M BX21 M BX22 U+ ON 1 2 X50 ① on ② on ③ on X50 ① on ② on ③ on X50 ① on ② on ③ on X50 ① on ② on ③ on X50 ① on ② on ③ on X50 ① on ② on ③ on X50 ① on ② on ③ on X5O ① on ② on ③ on
text_image
N L RE H2 AGU 2.550 M T.S. 1 T.A. 2 T.A. n T.A. V M V M V M CG_2309text_image
CG_2309 L T.S. 1 T.A. T.A. T.A. 2 n AGU 2.550 H2 M V M V M V N
10.3 DALŠÍ PARAMETRY
11.3 VŠEOBECNÝ POŽADAVEK TEPLA
11.4 DALŠÍ KONFIGURACE
text_image
M1 N L M X41 X20 X21 X30 X40 X42 X60 X70 X23 X60 X18 X11 X12 X13 X14 X1 X2 M C X50 ① on ② on ③ on L N QX21 N QX22 N QX21 AGU2.5 ① on ② on ③ on H2 M BX21 M BX22 U+ ON 1 2 X50 ① on ② on ③ on X50 ① on ② on ③ on ① on ② on ③ on ① on ② on ③ on CG_2240
text_image
N L RE H2 AGU 2.550 M CG_2309 T.S. 1 T.A. 2 T.A. n T.A. V M V M V Mtext_image
CG_2309 L T.S. 1 T.A. T.A. T.A. 2 n AGU 2.550 H2 M V M V M V N
text_image
N L RE H2 AGU 2.550 M CG_2309 T.S. 1 T.A. 2 T.A. n T.A. V M V M V Mtext_image
CG_2309 L T.S. 1 T.A. T.A. T.A. 2 n AGU 2.550 H2 M V M V M V N
text_image
N L H2 AGU 2.550 M CG_2309 RE T.S. 1 T.A. 2 T.A. n T.A. V M V M V Mtext_image
CG_2309 L T.S. 1 T.A. T.A. T.A. 2 n AGU 2.550 H2 M V M V M V N
flowchart
graph TD
A["AGU 2.550"] --> B["Valve"]
B --> C["Reactor Unit 1"]
C --> D["Control Valve 4"]
D --> E["Reactor Unit 2"]
E --> F["Control Valve 3"]
F --> G["Reactor Unit 3"]
G --> H["Control Valve 2"]
H --> I["Reactor Unit 2"]
I --> J["Control Valve 1"]
J --> K["Reactor Unit 1"]
K --> L["Control Valve 2"]
L --> M["Reactor Unit 3"]
M --> N["Control Valve 2"]
N --> O["Reactor Unit 2"]
O --> P["Control Valve 1"]
P --> Q["Reactor Unit 1"]
Q --> R["Control Valve 2"]
R --> S["Reactor Unit 3"]
S --> T["Control Valve 2"]
T --> U["Reactor Unit 2"]
U --> V["Control Valve 1"]
V --> W["Reactor Unit 1"]
W --> X["Control Valve 2"]
X --> Y["Reactor Unit 3"]
Y --> Z["Control Valve 2"]

EasyManual