Platinum DUO Plus - Caldeira de aquecimento central Baxi - Manual de utilização gratuito
Encontre gratuitamente o manual do aparelho Platinum DUO Plus Baxi em formato PDF.
Perguntas dos utilizadores sobre Platinum DUO Plus Baxi
0 pergunta sobre este aparelho. Responda às que conhece ou faça a sua.
Faça uma nova pergunta sobre este aparelho
Baixe as instruções para o seu Caldeira de aquecimento central em formato PDF gratuitamente! Encontre o seu manual Platinum DUO Plus - Baxi e retome o controlo do seu dispositivo eletrónico. Nesta página estão publicados todos os documentos necessários para a utilização do seu dispositivo. Platinum DUO Plus da marca Baxi.
MANUAL DE UTILIZADOR Platinum DUO Plus Baxi
DESCRIÇÃO SÍMBOLOS 155
-
INTRODUÇÃO 156
-
DESCRÊNCIA DO AGU 2.550....156
-
MONTAGEM NO QUADRO DE CONTROLO DA CALDEIRA....156
-
LIGAÇÃO ELÉTRICA ACESSÓRIO AGU 2.550 ....157
4.1 LIGAÇÃO ELÉTRICO DE ACESSÓRIOS EXTERNOS 158
-
ACESSO AOS PARÂMETROS ....159
-
INSTALAÇÃO MISTA DE AQUECIMENTO ....159
6.1 ESQUEMA 1....160
6.2 ESQUEMA 2....161
6.3 ESQUEMA 3....162
- INSTALAÇÃO DE AQUECIMENTO POR ZONAS ....163
7.1 ESQUEMA 4....163
- LIGAÇÃO ELÉTRICA DO TERMÓSTATO AMBIENTE .....165
8.1 CASO - 1 - Ligação de um termóstato ambiente numa zona a alta temperatura....165
8.2 CASO - 2 - Ligação dos termóstatos ambiente para uma instalação multizona a alta temperatura....165
8.3 CASO - 3 - Ligação dos termóstatos ambiente para uma instalação multizona a baixa temperatura. .....165
8.4 CASO - 4 - Ligação dos termóstatos ambiente para uma instalação multizona a baixa temperatura
com microinterruptores de fim de cursa nas válvulas de zona....166
-
INSTALAÇÃO SOLAR SANITÁRIA....166
-
AJUSTAMENTO DE PARÂMETROS ....167
10.1 INSTALAÇÃO DE AQUECIMENTO....167
10.2 INSTALAÇÃO SANITÁRIA....168
10.3 PARÂMETROS VÁRIOS 168
- FUNÇÕES VÁRIAS....169
11.1 BOMBA DE RECIRCULAÇÃO SANITÁRIO....169
11.3 PROCURA GENÉRICA DE CALOR....170
11.4 OUTRAS CONFIGURAÇÕES....170
-
LISTA ANOMALIAS ....171
-
CARACTERÍSTICAS TÉCNICAS....171
A na constante ação de melhoramento dos produtos, reserva-se a possibilidade de modificar os dados expressos nesta documentação em qualquer momento e sem aviso prévio. A presente documentação é um suporte informativo e não pode ser considerado como um contrato para terceiros.
DESCRIÇÃO SÍMBOLOS

ADVERTÊNCIA
Risco de danos ou de mau funcionamento do aparelho. Prestar particular atenção às advertências de perigo que referem possíveis danos a pessoas.

PERIGO ALTA TENSÃO
Partes elétricas sob tensão, perigo de eletrocussão.

INFORMAÇÕES IMPORTANTES
Informação a ler com particular atenção, útil para o correto funcionamento da caldeira.
1. INTRODUÇÃO
A caldeira pode gerir de modo independente até três circuitos de aquecimento através da utilização de acessórios externos: unidades ambiente, controlos remotos e módulos externos. A eletrónica que equipa esta caldeira contém, adicionalmente, uma ampla gama de funções para a personalização e a gestão de diversas tipologias de instalação. Para o correto funcionamento do sistema, é indispensável atribuir a cada acessório utilizado um número (de 1 a 3) que permita à placa da caldeira o seu reconhecimento.
2. DESCRIÇÃO DO AGU 2.550
Mediante este acessório, o aparelho é capaz de gerir
- Circuitos de aquecimento a diferentes temperaturas.
- Instalação solar.
- Outras aplicações específicas (piscina, bomba de recirculação sanitária, etc).
O AGU 2.550 pode gerir diretamente os componentes do circuito (bomba, sonda de temperatura, válvula misturadora, etc) até um máximo de 3 saídas de relé independente, 2 sondas de temperatura e 1 entrada de comando. Podem utilizar-se algumas funções pré-definidas que facilitam a configuração da instalação.

Para a alteração de parâmetros e a ligação nas réguas de bornes do quadro de controlo, consultar o manual de instruções da caldeira.

Para efetuar as configurações descritas é indispensável a utilização do Controlo Remoto para o ajuste dos parâmetros.

Verificar que a caldeira está predisposta para este acessório.
3. MONTAGEM NO QUADRO DE CONTROLO DA CALDEIRA
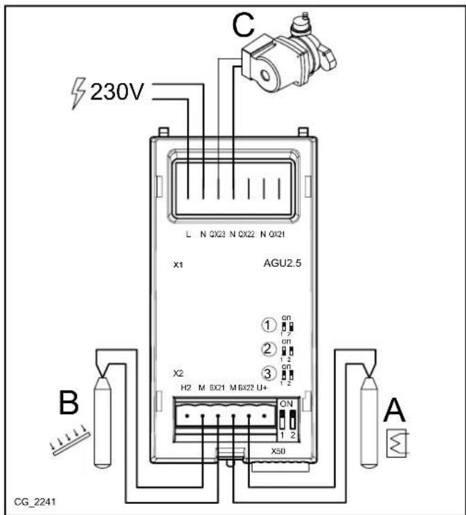
Remover a tampa A do quadro de controlo B. Destacar o quadro de controlo B e ligar o cabo de comunicação entre os conectores X50 do acessório AGU2.550 e X41 da placa da caldeira passando pelo orifício presente no quadro B. Fechar de novo o quadro de controlo B e inserir o AGU2.550. Executar a ligação elétrica necessária para a instalação e fixar a nova tampa C presente na embalagem do acessório.

text_image
C A AGU 2.550 B CG_22404. LIGAÇÃO ELÉTRICA ACESSÓRIO AGU 2.550
| LEGENDA LIGAÇÃO CONETORES | |
| X50 | Conetor para ligação através do cabo de comunicação entre a placa eletrónica da caldeira e o acessório AGU 2.550 |
| X1 (L-N) | Ligação à régua de bornes na caldeira para alimentação elétrica |
| X1 (QX21-N) | Saída relé 230 V programávelX1 (QX22-N) |
| X1 (QX23-N) | |
| X2(H2-M) | Entrada digital 12 V - DC ou analógica 0 -10 V DC programável |
| X2 (BX21-M) | Entrada sonda NTC 10K / Pt1000 programável |
| X2 (BX22-M) | |
| X2 (U+) Saída 12 | V DC |

text_image
M1 N L M X41 X23 X21 X30 X40 X42 X601 X70 X23 X50 X18 X11 X12 X13 X14 X1 X2 M C X50 X50 ① on ② on ③ on L N OX21 N OX22 N OX21 X1 AGU2.5 ① on ② on ③ on H2 M BX21 M BX22 U- ON ON 1 2 X50 X50 CG_2240
A régua de bornes M1 encontra-se sob alta tensão. Antes de proceder à ligação assegure-se que o aparelho não se encontra alimentado eletricamente.

No caso do aparelho ser ligado a uma instalação de pavimento radiante deve estar previsto, da responsabilidade do instalador, um termóstato de proteção para salvaguarda da instalação contra sobretemperaturas.

Verificar que a intensidade nominal total dos acessórios ligados ao AGU 2.550 é inferior a 0,5 A. No caso de ser superior é necessário interpor entre o AGU 2.550 e o acessório (ex. bomba) um relé.
CONFIGURAÇÃO GERAL
Configurar o acessório AGU 2.550 utilizando o seletor evidenciado na figura, como módulo (1) (o ajuste do seletor encontra-se serigrafado no corpo do acessório). No caso de utilização de acessórios suplementares, configurá-los como módulos (2) e (3).
4.1 LIGAÇÃO ELÉTRICO DE ACESSÓRIOS EXTERNOS
Para ligação do acessório AGU2.550 com acessórios externos operar como segue (utilizar cabos harmonizados "HAR H05 VV-F" com secção de 1 mm2):
CASO CIRCUITO VÁLVULA MISTURADORA (ver esquema cap. 4.1)
- Ligar a bomba da zona com válvula misturadora ao conector QX23 do AGU2.550.
- Ligar a sonda de ida da cascata ao conector BX21 do AGU2.550 (QAD36 disponível como acessório).
- Ligar a válvula missturadora ao conector QX22-QX21
- Lígar o termóstato ambiente ao conector H2 do AGU2.550.
CASO INSTALACÃO SOLAR SANITÁRIA (vee esquema cap. 4.2)
- Ligar a bomba da instalação solar ao conector QX23 dell'AGU2.550.
- Ligar a sonda do acumulador solar ao conector BX22 dell'AGU2.550.
- Ligar a sonda dos coletores solares ao conector BX21 dell'AGU2.550.
4.1.1 CASO CIRCUITO VÁLVULA MISTURADORA
| A SONDA DE IDA QAD36 |
| B VÁLVULA MISTURADORA |
| C BOMBA ZONA MISTURADORA |

text_image
230V L N CX23 N QX22 N QX21 X1 AGU2.5 ① ON ② ON ③ ON H2 M BX21 M BX22 U4 ON X50 A CG_22414.1.2 CASO INSTALAÇÃO SOLAR SANITÁRIA
| A SONDA ACUMULADOR (disponível como acessório) |
| B SONDA COLETOR (disponível como acessório) |
| C BOMBA CIRCUITO SOLAR |

text_image
230V C L N QX23 N QX22 N QX21 X1 AGU2.5 ① ON ② ON ③ ON H2 M BX21 M BX22 U+ ON ① ② ③ ④ ④ ⑤ B X50 A CG_22415. ACESSO AOS PARÂMETROS
Para executar o ajuste, entrar no menú parametros do Controlo Remoto como a seguir se indica:
LEGENDA MENÚ DA FIGURA
| 1 | Utilizador | 3 | Especialista |
| 2 | Arranque | 4 | OEM |
O procedimento para aceder aos quatro menús que permitem a programação da caldeira é o seguinte:
- do menú principal C.
A e C (manter premidos cerca de 6 segundos) B menú 1-2-3-4 (ver a figura ao lado e a legenda).
• C repetidamente para voltar para trás um menú de cada vez até ao menú principal.

flowchart
graph TD
A["Input"] --> B["Process Unit"]
B --> C["Step 1"]
B --> D["Step 2"]
B --> E["Step 3"]
B --> F["Step 4"]
C --> G["Output"]
D --> G
E --> G
F --> G
FUNÇÃO DOS BOTÕES PARA A MODIFICAÇÃO DE PARÂMETROS
B | Menú / percorrer os parâmetros do menú / selecionar o valor do parâmetro |
![]() | Entrar no menú selecionado / selecionar o parâmetro a alterar / confirmar o valor selecionado |
![]() | Retornar ao menú precedente |
Em todas as configurações apresentadas, caso utilize um Controlo Remoto ou então uma unidade ambiente, ajustado como unidade ambiente 1 é possível mandar, além da zona de aquecimento 1, também as funções do sanitário e a espera da caldeira. Ajustando-o como unidade ambiente 2 ou unidade ambiente 3 só será possível mandar respetivamente as zonas de aquecimento 2 e 3. Ver o manual de instruções dos respetivos acessórios para o procedimento de configuração.

No final de cada configuração da instalação, executar o seguinte procedimento para memorização na caldeira dos componentes utilizados.
- Aceder ao menú 2 como descrito no início deste capítulo.
- B Configurazione B B linha do programa 6200 e então B.
• B Si e então B para confirmar.
6. INSTALAÇÃO MISTA DE AQUECIMENTO
É possível configurar o acessório AGU 2.550 para a gestão de um circuito de baixa temperatura. Nesta modalidade o AGU 2.550 è capaz de controlar a bomba, a válvula misturadora e a sonda de ida do circuito de aquecimento selecionado segundo os esquemas que se seguem.

Os esquemas referidos nesta documentação são puramente indicativos e devem ser avalizados por um estudo termotécnico.

Modificar o parâmetro relativo ao tempo de fecho da válvula misturadora de acordo com o modelo utilizado e as instruções seguintes.

Os esquemas que se apresentam a seguir referem-se a caldeiras com potência inferior a 35 kW. Para caldeiras de potência superior deve prever-se um separador hidráulico a jusante da caldeira e as zonas devem estar equipadas com bomba de zona em substituição da eletroválvula.
6.1 ESQUEMA 1
Zona de baixa temperatura com unidade ambiente - circuito de aquecimento(1) Zona de alta temperatura com termóstato ambiente - circuito de aquecimento(2)
| 1 Sonda exterior – régua de bornes M2 (4-5) da caldeira | |
| 2 Válvula misturadora zona de baixa temperatura (QX21-N-QX22) | |
| 3 Bomba circuito de baixa temperatura (QX23-N) | |
| 4 Sonda circuito de baixa temperatura (BX21-M) | |
| 5 | Termóstato de segurança (12V) circuito de baixa temperatura (H2-M) |
| 6 Unidade ambiente – régua de bornes M2 (1-2-3) da caldeira | |
| 7 Eletroválvula ou bomba de zona alta temperatura alimentada externamente | |
| 8 Termóstato ambiente zona de alta temperatura (para ligação ver capítulo 8.1) | |

flowchart
graph TD
A["①"] --> B["AGU 2.550"]
C["②"] --> D["3"]
D --> E["③"]
E --> F["④"]
F --> G["⑤"]
G --> H["⑥"]
H --> I["⑦"]
I --> J["⑧"]
K["①"] --> L["①"]
M["②"] --> N["③"]
O["③"] --> P["④"]
Q["④"] --> R["⑤"]
S["⑤"] --> T["⑥"]
U["⑥"] --> V["⑦"]
W["⑦"] --> X["⑧"]
Ligar o termóstato de segurança, para proteção do circuito de baixa temperatura, à entrada H2 (H2-M) do acessório AGU 2.550. Utilizando o Controlo Remoto, entrar no menú 2, como descrito no capítulo 5, e efetuar os seguintes ajustes:
| MENÚ | LINHA DO PROGRAMA | PARÂMETRO | VALOR DE AJUSTE | DESCRIÇÃO |
| CONFIGURAÇÃO | 5715 Circuito AqC2 On Habilitação do circuito de aquecimento 2 | |||
| 5977 Função entrada H5 | Termostato ambiente CAqC2 | Habilitação do termóstato para o circuito 2 (régua de bornes M1 (1-2) na placa) | ||
| 6020 Função módulo extensão 1 Circuito AqC 1 | Habilitação da zona de baixa temperatura | |||
| 6046 | Função da entrada H2 do módulo 1 | Termostato limitad CAqC | Entrada H2 habilitada como proteção da zona de baixa temperatura | |
| CIRCUITO AQC 1 | 742 | Ajuste descarga com termostato ambiente | --- | Habilitação da temperatura de ida modulante (zona de baixa temperatura) |
| 834 Tempo funcionam actuador | Pré-definido 180 s | Tempo de fecho da válvula misturadora | ||
A unidade ambiente é capaz de controlar diretamente a zona de baixa temperatura em função da temperatura ambiente desejada no local.Se, rodando o seletor B, se visualiza no ecrã a temperatura de ida da caldeira em vez da temperatura ambiente, significa que o parâmetro 742 não foi ajustado corretamente.
6.2 ESQUEMA 2
Mais zonas de baixa temperatura com termóstato ambiente e unidade ambiente comum - circuito de aquecimento(1) Zona de alta temperatura com termóstato ambiente - circuito de aquecimento(2)
| 1 Sonda exterior – régua de bornes M2 (4-5) da caldeira | |
| 2 Válvula misturadora zona de baixa temperatura (QX21-N-QX22) | |
| 3 Bomba circuito de baixa temperatura (QX23-N) | |
| 4 Sonda circuito de baixa temperatura (BX21-M) | |
| 5 Unidade ambiente – régua de bornes M2 (1-2-3) da caldeira | |
| 6 | Termóstato segurança circuito de baixa temperatura (ligação em série com as eletroválvulas, ver cap. 8.4) |
| 7 Entrada termóstato ambiente (12V) zona de baixa temperatura (H2-M) | |
| 8 Eletroválvula ou bomba de zona alta temperatura alimentada externamente | |
| 9 Termóstato ambiente zona de alta temperatura (para ligação ver capítulo 8.1) | |

flowchart
graph TD
A["①"] --> B["AGU 2.550"]
B --> C["②"]
C --> D["③"]
D --> E["④"]
E --> F["⑤"]
F --> G["⑥"]
G --> H["⑦"]
H --> I["⑧"]
I --> J["⑨"]
style A fill:#f9f,stroke:#333
style B fill:#ccf,stroke:#333
style C fill:#cfc,stroke:#333
style D fill:#fcc,stroke:#333
style E fill:#cff,stroke:#333
style F fill:#ffc,stroke:#333
style G fill:#fcf,stroke:#333
style H fill:#cff,stroke:#333
style I fill:#ffc,stroke:#333
Utilizando o Controlo Remoto entrar no menú 2, como descrito no capítulo 5, e efetuar os seguintes ajustes:
| MENÚ | LINHA DO PROGRAMA | PARÂMETRO VALOR DE | AJUSTE DESCRIÇÃO | |
| CONFIGURAÇÃO | 5715 Circuito AqC2 Ligado Habilitação do circuito de aquecimento 2 | |||
| 5977 Função entrada H5 | Termostato ambiente CAqC2 | Habilitação do termóstato para o circuito 2 (régua de bornes M1 (1-2) na caldeira) | ||
| 6020 | Função módulo extensão 1 | Circuito AqC 1 | Habilitação da zona de baixa temperatura | |
| 6046 | Função da entrada H2 do módulo 1 | Termostato ambiente CAqC1 | Entrada H2 habilitada como termóstato ambiente da zona de baixa temperatura | |
| CIRCUITO AQC 1 | 710 | Temperatura conforto | 35°C | Temperatura ajuste do local a aquecer (zona de baixa temperatura) |
| CIRCUITO AQC 1 | 834 | Tempo funcionam actuador | Pré-definido 180 s | Tempo de fecho da válvula misturadora |
Ajustar a temperatura de conforto ao valor máximo (35°C), garante o correto funcionamento das zonas em baixa temperatura. Neste modo, de facto, a unidade ambiente não bloqueia a procura de calor de qualquer dos termóstatos ambiente que gerem cada zona.
Neste caso, a unidade ambiente desempenha a função de gestão da instalação de baixa temperatura, mas não pode ser utilizado para controlo da temperatura de um dos locais. Rodando o seletor B, visualiza-se no ecrã a temperatura de ida da caldeira. O circuito de aquecimento funciona a temperatura de ida fixa.

Ligar um termóstato de proteção da zona de baixa temperatura em série com a alimentação das eletroválvulas de zona de modo a fechar completamente o circuito em caso de anomalia.
6.3 ESQUEMA 3
Zona de baixa - circuito de aquecimento(1), e de alta temperatura - circuito de aquecimento(2), com termóstato ambiente
| 1 Sonda exterior – régua de bornes M2 (4-5) da caldeira | |
| 2 Válvula misturadora zona de baixa temperatura (QX21-N-QX22) | |
| 3 Bomba circuito de baixa temperatura (QX23-N) | |
| 4 Sonda circuito de baixa temperatura (BX21-M) | |
| 5 | Termóstato segurança circuito baixa temperatura (ligação em série com a bomba de zona, ver cap. 8.3) |
| 6 Entrada termóstato ambiente (12V) zona de baixa temperatura (H2-M) | |
| 7 Eletroválvula ou bomba de zona alta temperatura alimentada externamente | |
| 8 Termóstato ambiente zona de alta temperatura (para ligação ver capítulo 8.1) | |

flowchart
graph TD
A["①"] --> B["AGU 2.550"]
C["②"] --> D["③"]
E["④"] --> F["⑤"]
G["⑥"] --> H["⑦"]
I["⑧"] --> J["⑧"]
K["②"] --> L["③"]
M["③"] --> N["④"]
O["③"] --> P["⑤"]
Q["③"] --> R["⑥"]
S["③"] --> T["⑧"]
Utilizando o Controlo Remoto entrar no menú 2, como descrito no capítulo 5, e efetuar os seguintes ajustes:
| MENÚ | LINHA DO PROGRAMA | PARÂMETRO VALOR DE AJUSTE DESCRIÇÃO | |
| CONFIGURAÇÃO | 5715 Circuito AqC2 Ligado Habilitação do circuito de aquecimento 2 | ||
| 5977 Função entrada H5 | Termostato ambiente CAqC2 | Habilitação do termóstato para o circuito 2 (régua de bornes M1 (1-2) na caldeira) | |
| 6020 | Função módulo extensão 1 | Circuito AqC 1 | |
| 6046 Função da entrada H2 do módulo 1 | Termostato ambiente CAqC1 | Entrada H2 habilitada como termóstato ambiente da zona de baixa temperatura | |
| CIRCUITO AQC 1 | 834 | Tempo funcionam actuador | Pré-definido 180 s |

Aconselhamos a ligação do termóstato de proteção da zona de baixa temperatura em série com a bomba 3.
7. INSTALAÇÃO DE AQUECIMENTO POR ZONAS
Nos casos em que não é necessário gerir instalações com válvula misturadora, é possível utilizar o acessório AGU 2.550 para comandar bombas/válvulas de zona, como ilustrado na figura:

Os esquemas referidos nesta documentação são puramente indicativos e devem ser avalizados por um estudo termotécnico.
7.1 ESQUEMA 4
Duas zonas com unidade ambiente - circuitos de aquecimento (1 e 2), e 1 zona com termóstato ambiente - circuito de aquecimento (3).
| 1 | Sonda exterior – régua de bornes M2 (4-5) da caldeira | 4 | Eletroválvula ou bomba de zona circuito 2 (QX22-N)* |
| 2 | Eletroválvula ou bomba de zona circuito 1 (QX21-N)* | 5 | Unidade ambiente circuito 2 régua bornes M2 (1-2-3) caldeira |
| 3 | Unidade ambiente circuito 1 régua bornes M2 (1-2-3) caldeira | 6 | Eletroválvula ou bomba de zona circuito 3 alimentação externa |
| 7 | Termóstato ambiente circuito 3 (para ligação ver capítulo 8.1) |

flowchart
graph TD
A["①"] --> B["AGU 2.550"]
C["②"] --> D["③"]
E["④"] --> F["⑤"]
G["⑥"] --> H["⑦"]
I["⑦"] --> J["⑤"]
K["⑤"] --> L["③"]
M["⑤"] --> N["⑦"]
O["⑥"] --> P["⑦"]
Q["⑦"] --> R["⑤"]
S["⑦"] --> T["③"]
U["⑦"] --> V["⑤"]
W["⑦"] --> X["③"]
Y["⑦"] --> Z["⑤"]
AA["⑦"] --> AB["③"]
AC["⑦"] --> AD["⑤"]
AE["⑦"] --> AF["③"]
AG["⑦"] --> AH["⑤"]
AI["⑦"] --> AJ["③"]
AK["⑦"] --> AL["⑤"]
AM["⑦"] --> AN["③"]
AO["⑦"] --> AP["⑤"]
AQ["⑦"] --> AR["③"]
AS["⑦"] --> AT["⑤"]
AU["⑦"] --> AV["③"]
AW["⑦"] --> AX["⑤"]
AY["CG_2239"]
* O acessório AGU 2.550 não é capaz de comandar diretamente uma eletroválvula de 3 fios. Se necessário, utilizar para o efeito um relé com contacto comutador.

A unidade ambiente 3 e 5 são ligadas em paralelo.
As unidades ambiente podem controlar diretamente as respetivas zonas em função da temperatura ambiente desejada nos locais. Utilizando o Controlo Remoto entrar no menú 2, como descrito no capítulo 5, e efetuar os seguintes ajustes:
| MENÚ | LINHA DO PROGRAMA | PARÂMETRO VALOR DE AJUSTE | DESCRIÇÃO | |
| CONFIGURAÇÃO | 5715 | Circuito AqC2 | Ligado | Habilitação do circuito de aquecimento 2 |
| 5721 | Circuito AqC3 | Ligado | Habilitação do circuito de aquecimento 3 | |
| 5977 | Função entrada H5 | Termostato ambiente CAqC3 | Habilitação do termóstato para o circuito 3 (régua de bornes M1 (1-2) na caldeira) | |
| 6020 | Função módulo extensão 1 | Multifuncional | - | |
| 6030 | Saída relé QX21 módulo 1 | Bomba circuito AqC1 Q2 | Controlo da bomba/eletroválvula do circuito 1 | |
| 6031 | Saída relé QX22 módulo 1 | Bomba circ. AqC2 Q6 | Controlo da bomba/eletroválvula do circuito 2 | |
| CIRCUITO AQC 1 | 742 | Ajuste descarga com termostato ambiente | --- | Habilitação da temperatura de ida modulante (circuito de aquecimento 1) |
| CIRCUITO AQC2 | 1042 | Ajuste descarga com termostato ambiente | --- | Habilitação da temperatura de ida modulante (circuito de aquecimento 2) |
As unidades ambiente são capazes de controlar diretamente as respetivas zonas em função da temperatura ambiente desejada no local.Se, rodando o seletor B, visualiza no ecrã a temperatura de ida da caldeira em vez da temperatura ambiente, significa que os parâmetros 742 e 1042 não foram ajustados corretamente.
7.2 ESQUEMA 5
Três zonas com unidade ambiente (circuits de aquecimento 1, 2 e 3)
| 1 | Sonda exterior – régua de bornes M2 (4-5) da caldeira | 5 | Unidade ambiente circ 2 régua bornes M2 (1-2-3) caldeira |
| 2 | Eletroválvula ou bomba de zona circuito 1 (QX21-N)* | 6 | Eletroválvula ou bomba de zona circuito 3 (QX23-N)* |
| 3 | Unidade ambiente circ 1 régua bornes M2 (1-2-3) caldeira | 7 | Unidade ambiente circ 3 régua bornes M2 (1-2-3) caldeira |
| 4 E | Eletroválvula ou bomba de zona circuito 2 (QX22-N)* | ||

flowchart
graph TD
A["①"] --> B["AGU 2.550"]
C["②"] --> D["③"]
E["④"] --> F["⑤"]
G["⑥"] --> H["⑦"]
I["⑦"] --> J["⑤"]
K["⑤"] --> L["③"]
M["⑤"] --> N["⑦"]
O["⑥"] --> P["④"]
Q["⑦"] --> R["⑤"]
* O acessório AGU 2.550 não é capaz de comandar diretamente uma eletroválvula de 3 fios. Se necessário, utilizar para o efeito um relé com contacto comutador.

As unidades ambiente 3, 5 e 7 são ligadas em paralelo.
As unidades ambiente podem controlar diretamente as respetivas zonas em função da temperatura ambiente desejada nos locais. Utilizando o Controlo Remoto entrar no menú 2, como descrito no capítulo 5, e efetuar os seguintes ajustes:
| MENÚ | LINHA DO PROGRAMA | PARÂMETRO VALOR DE AJUSTE DESCRIÇÃO | ||
| CONFIGURAÇÃO | 5715 | Circuito AqC2 | Ligado | Habilitação do circuito de aquecimento 2 |
| 5721 | Circuito AqC3 | Ligado | Habilitação do circuito de aquecimento 3 | |
| 5977 | Função entrada H5 | Nenhum | Desautorização do termóstato na régua de bornes M1 (1-2) na caldeira | |
| 6020 | Função módulo extensão 1 | Multifuncional | - | |
| 6030 | Saída relé QX21 módulo 1 | Bomba circuito AqC1 Q2 | Controlo da bomba/eletroválvula do circuito 1 | |
| 6031 | Saída relé QX22 módulo 1 | Bomba circ.AqC2 Q6 | Controlo da bomba/eletroválvula do circuito 2 | |
| 6032 | Saída relé QX23 módulo 1 | Bomba circ. AqC3 Q20 | Controlo da bomba/eletroválvula do circuito 3 | |
| CIRCUITO AQC 1 | 742 | Ajuste descarga com termostato ambiente | --- | Habilitação da temperatura de ida modulante (circuito de aquecimento 1) |
| CIRCUITO AQC2 | 1042 | Ajuste descarga com termostato ambiente | --- | Habilitação da temperatura de ida modulante (circuito de aquecimento 2) |
| CIRCUITO AQC3 | 1342 | Ajuste descarga com termostato ambiente | --- | Habilitação da temperatura de ida modulante (circuito de aquecimento 3) |
As unidades ambiente são capazes de controlar diretamente as respetivas zonas em função da temperatura ambiente desejada no local.Se, rodando o seletor B, visualiza no ecrã a temperatura de ida da caldeira em vez da temperatura ambiente, significa que os parâmetros 742 e 1042não foram ajustados corretamente.
8. LIGAÇÃO ELÉTRICA DO TERMÓSTATO AMBIENTE

A temperatura de exercício é igual para todos os circuitos.

Os relés podem ser substituídos por válvulas dotadas de microinterruptores de fim de curso e viceversa.
8.1 CASO - 1 - Ligação de um termóstato ambiente numa zona a alta temperatura.
Ligar o termóstato ambiente à rede elétrica externa (230V) que alimentará a válvula de zona (ou bomba) e a bobina do relé, ligar contacto do relé à régua de bornes M1 (1-2) da caldeira.

text_image
O L T.A. M1 1 2 RE M V N CG_23108.2 CASO - 2 - Ligação dos termóstatos ambiente para uma instalação multizona a alta temperatura.
Ligar os termóstatos ambiente em paralelo à rede elétrica externa (230V) que alimentarão as válvulas de zona (ou bombas) e as bobinas do relé, ligar os contactos dos relés em paralelo à régua de bornes M1 (1-2) da caldeira.

text_image
L M1 1 T.A. 2 T.A. n 1 2 RE M V RE M V RE M V N CG_23108.3 CASO - 3 - Ligação dos termóstatos ambiente para uma instalação multizona a baixa temperatura.
Ligar os termóstatos ambiente em paralelo à rede elétrica externa (230V) que alimentarão as válvulas de zona (ou bombas) e as bobinas do relé, ligar o contacto do relé aos bornes H2-M do AGU2.550.

Ligar um termóstato de proteção da zona de baixa temperatura em série com a alimentação das eletroválvulas de zona de modo a fechar completamente o circuito em caso de anomalia.

8.4 CASO - 4 - Ligação dos termóstatos ambiente para uma instalação multizona a baixa temperatura com microinterruptores de fim de cursa nas válvulas de zona.
Ligar os termóstatos ambiente em paralelo à rede elétrica externa (230V) que alimentarão as válvulas de zona (ou bombas) e as bobinas do relé, ligar os contactos dos microinterruptores em paralelo aos bornes H2-M do AGU2.550.

Ligar um termóstato de proteção da zona de baixa temperatura em série com a alimentação das eletroválvulas de zona de modo a fechar completamente o circuito em caso de anomalia.
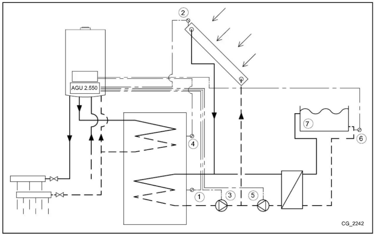
9. INSTALAÇÃO SOLAR SANITÁRIA
Com esta configuração o acessório AGU 2.550 é capaz de gerir a bomba do circuito solar, a sonda do coletor e a sonda do acumulador (relativa ao circuito solar) de acordo com o seguinte esquema:
| 1 | sonda acumulador solar B31 (BX22-M) | 3 | bomba circuito solar Q5 (QX23-N) |
| 2 | sonda coletor solar B6 (BX21-M) | 4 | sonda acum. B3 – régua bornes M2 (9-10) caldeira |

Os esquemas referidos nesta documentação são puramente indicativos e devem ser avalizados por um estudo termotécnico.
Utilizando o Controlo Remoto entrar no menú 2, como descrito no capítulo 5, e efetuar os seguintes ajustes:
| MENÚ | LINHA DO PROGRAMA | VALOR A AJUSTAR | DESCRIÇÃO |
| CONFIGURAÇÃO | 6020 | AQS solar | Habilitação da função solar |
A seguir referem-se os parâmetros passíveis de ajuste. No caso de utilização de coletores solares de tubos de vácuo, ativar a função de proteção específica (parâmetros 3830, 3831):
| MENÚ | LINHA DO PROGRAMA | VALOR DESCRIÇÃO | |
| CONFIGURAÇÃO | 3810 | Pré-definido 8°C | Diferença de temperatura entre coletores e sonda solar do acumulador para ativação bomba solar |
| 3811 | Pré-definido 4°C | Diferença de temperatura entre coletores e sonda solar do acumulador para paragem bomba solar | |
| 3850 | Pré-definido “---” | Temperatura acima da qual a bomba de coletores circula (só quando a temperatura máxima do acumulador não foi atingida) | |
| SOLAR | 3830 | Pré-definido “---” | Tempo máximo bloqueio bomba solar se a temperatura de coletores atingir o valor máximo (parâmetro 3850) no tempo mínimo de circulação (parâmetro 3831) |
| 3831 | Pré-definido 30s | Tempo mínimo de circulação bomba coletores |

Quando aparecer no ecrã o símbolo significa que a bomba da instalação solar está a funcionar para aquecer o acumulador.
10. AJUSTAMENTO DE PARÂMETROS
10.1 INSTALAÇÃO DE AQUECIMENTO
| Painel de controlo | MENÚ CIRCUITO AQUECIMENTO CAq 1, 2, 3 | Valor de Fábrica | Mínimo | Máximo | |||
| CR1 | CR2 | CR3 | |||||
| 700 | 1000 | 1300 | Desligado-protecção antigelo ambiente: a caldeira acende quando a temperatura ambiente é < 6°CAutomático: a temperatura do local a aquecer depende da faixa horária introduzidaReduzido: a temperatura do local a aquecer é a temperatura reduzidaConforto: a temperatura do local a aquecer é a temperatura de conforto | - Conforto - - | |||
| 710 | 1010 | 1310 | Temperatura ambiente de conforto | °C | 20 | Reduzida | Conforto máximo |
| 712 | 1012 | 1312 | Temperatura ambiente reduzida | °C | 16 | Antigelo | Conforto |
| 714 | 1014 | 1314 | Temperatura ambiente antigelo | °C | 6 | 4 | Reduzida |
| 720 | 1020 | 1320 | Seleção da curva climática para a sonda exterior | - | 1,5 | 0,1 | 4 |
| 730 | 1030 | 1330 | Na presença da sonda exterior e com o modo de funcionamento automático, se há um controlo automático de aquecimento (ON-OFF) em função da temperatura (exterior) ajustada | °C --- 8 | 30 | ||
| 740 | 1040 | 1340 | Valor mínimo de ida(ex. com a função de ida modulante ativa) | °C | 25 | 8 | Ajuste máximo |
| 741 | 1041 | 1341 | Valor máximo de ida(ex. com a função de ida modulante ativa) | °C | 80 | Ajuste mínimo | 95 |
| 742 | 1042 | 1342 | Temperatura de ida em presença da unidade ambiente( --- = habilitação ida modulante) | °C | 80 | Ajuste mínimo | Ajuste máximo |
| 750 | 1050 | 1350 | Importância da temperatura ambiente relativamente à temperatura exterior e viceversa (função influência ambiente):---- %: climática pura1..99 %: climática com compensação ambiente100 %: ambiente pura | % | 50 | 1 | 100 |
| 760 | 1060 | 1360 | Diferencial de paragem da caldeira em função da temperatura ambiente desejada | °C | 0,5 | 0,5 | 4 |
| 809 | 1109 | 1409 | A bomba da caldeira e a bomba do circuito permanecem ativas 24h | - | não | - | - |
| 834 | 1134 | 1434 | Tempo de fecho da válvula misturadora para a baixa temperatura | s | 180 | 30 | 873 |
| 850 | 1150 | 1450 | Aconselha-se a utilização da função ‘manual’ | - | Desligado | ||
| 851 | 1151 | 1451 | Temperatura de ida à qual executa a função secagem do pavimento | °C | 25 | 0 | 95 |
| 855 | 1155 | 1455 | Temperatura de ida atual da função secagem do pavimento | °C | - | - | - |
| 856 | 1156 | 1456 | Dia da semana durante a ativação da função secagem do pavimento | - | - | - | - |
CAq = Circuito de Aquecimento
10.2 INSTALAÇÃO SANITÁRIA
| Painel de controlo | MENÚ CIRCUITO SANITÁRIO | Valor de Fábrica Mínimo Máximo | ||
| 1600 | Tipologia de funcionamentoDesligado = ajuste igual à temperatura ajuste antigeloLigado = ajuste nominalEconômico = pré-aquecimento desautorizado | - | Ligado | - |
| 1610 | Temperatura ajuste nominal em sanitário | °C | 60 | 35 |
| 1612 | Temperatura ajuste reduzida em sanitário | °C | 35 | 8 |
| 1620 | Habilitação da programação horária | - | 24h/dia | - |
| 1640 | Tipologia de funcionamento da funzione antilegionella:DesligadoPeriódicaDia fixo da semana | - | Desligado | - |
| 1641 Dias entre execução função antilegionella (1...7) | - | 7 | - | |
| 1642 Dia da função antilegionella (2a-feira...domingo) | - | 2a-feira | - | |
| 1644 | Horário a que se inicia a função antilegionella | - | --:-- | - |
| 1660 | Modalidade de utilização da bomba de ricirculação sanitária | - | Consenso AQS | - |
| 1663 | Temperatura à qual para a bomba de recirculação sanitária | °C | 45 | 8 |
10.3 PARÂMETROS VÁRIOS
| Painel de controlo | MENÚ DE CONFIGURAÇÃO | Valor de fábrica |
| 5710 | Habilitação do circuito de aquecimento 1 | Ligado |
| 5721 | Habilitação do circuito de aquecimento 3 | Desligado |
| 5730 | Ajuste da sonda sanitária em função do tipo de caldeia (acumulação ou instantânea) | |
| 5731 | Tipo de atuador para controlo da prioridade sanitária | Válvula divergente |
| 5970 | Sensor de prioridade sanitária (para caldeiras do tipo instantâneo) | - |
| 5971 | Posição do contacto em repouso | - |
| 5973 | Parâmetros para determinação do caudal de água de consumo sanitário | - |
| 5974 | - | |
| 5975 | - | |
| 5976 | - | |
| 5977 | Entrada para termóstato ambiente de um dos circuitos de aquecimento | Termostato ambiente zona 1 |
| 5978 | - | |
| 6020 | Multifuncional: podem configurar-se as entradas e as saídas manualmente. Circ. aquecimento 1, 2 ou 3: gere uma zona válv. misturadora (1,2 ou 3 -cap. 6) | - |
| 6021 | Controlador temp retorno: não utilizado | - |
| 6022 | AQS solar: gere uma instalação solar com 2 sondas e bomba (cap. 8) Contr primário/bomba sist: não utilizado | - |
| 6024 | Não utilizados | - |
| 6026 | - | |
| 6028 | - | |
| 6030...6038 | Ver capítulo 10 | - |
| 6040...6045 | Ver capítulo 10 | - |
| 6046...6068 | Ver capítulo 10 | - |
| 6097 | Tipo de sonda utilizada para os coletores solares | Pt 1000 |
| 6200 | Memorização de todas as sondas ligadas à caldeira e nos acessórios (cap. 5.2) | - |
| 6212 | Informação fabricante | - |
| 6213 | Informação fabricante | - |
| 6215 | Informação fabricante | - |
| 6217 | Informação fabricante | - |
| 6230 | Informação fabricante | - |
| 6231 | Informação fabricante | - |
| 6704 | Habilitação visualização código interno | sim |
| 6705 | Código interno do erro atual | - |
| 6706 | Fase do queimador em que apareceu o erro | - |
| 6710 | Rearme de um alarme externo (capítulo 10) | não |
| 6800 | Último erro registado | - |
| 6805 | Código interno do último erro registado | - |
| 6806 | Fase do queimador do último erro registado | - |
| de 6810 a 6996 | Histórico erros precedentes | - |

As configurações ilustradas são válidas também para os outros relés/sondas/entradas da placa, como por exemplo o relè QX1 (linha 5890) ou a sonda BX2 (linha 5931) e BX3 (linha 5932).
11. FUNÇÕES VÁRIAS
Em alternativa ao ajustamento descrito antes, é possível, configurar as entradas e as saídas de acordo com as exigências da instalação. Nos exemplos que se seguem são considerados a saída relé QX21 e a sonda BX21 do acessório, mas o mesmo é válido para o relé QX22, QX23 e a sonda BX22. Em qualquer dos casos é necessário ajustar o acessório como “Multifuncional”.
| MENÚ | LINHA DE PROGRAMA | PARÂMETRO | VALOR DE AJUSTE | DESCRIÇÃO |
| CONFIGURAÇÃO | 6020 Função módulo extensão 1 Multifuncional Habilitação da função solar | |||
No caso de se utilizar um acumulador para o sanitário, é possível controlar a bomba de recirculação. A habilitação da função é vinculada à programação horária do sanitário. Para minimizar as perdas por recirculação, a função ativa a bomba por 10 minutos seguida duma pausa de 20 minutos. Utilizando o Controlo Remoto entrar no menú 2, como descrito no capítulo 5, e efetuar os seguintes ajustes:
| MENÚ | LINHA DO PROGRAMA | VALOR DESCRIÇÃO | |
| CONFIGURAÇÃO | 6030 | Bomba de recirculação Q4 | Habilitação da bomba de recirculação sanitária (saída relé QX21) |
| 6040 | Sonda circulação AQS B39 | Habilitação da sonda recirculação sanitária (sonda BX21) | |
| CIRC. ÁGUA QUENTE SANITÁRIA | 1663 | de fábrica = 45°C | Temperatura sanitária sob a qual a bomba está ativa (temp.ajuste recirculação) |
11.2 INSTALAÇÃO SOLAR PARA PISCINA
O aquecimento da piscina através de coletores solares pode ser realizado do modo seguinte.
| 1 | Sonda acumulador solar B31 (BX22-M) | 5 | Bomba da piscina (QX21-N) |
| 2 | Sonda coletor solar B6 (BX21-M) | 6 | Sonda retorno aquecimento piscina – régua bornes M2 caldeira |
| 3 | Bomba circuito solar Q5 (QX23-N) | 7 | Piscina |
| 4 | Sonda acum. B3 – régua bornes M2 (9-10) caldeira | ||

flowchart
graph TD
A["AGU 2.550"] --> B["Process Unit"]
B --> C["Reactor 1"]
B --> D["Reactor 2"]
B --> E["Reactor 3"]
B --> F["Reactor 4"]
B --> G["Reactor 5"]
B --> H["Reactor 6"]
B --> I["Reactor 7"]
B --> J["Output CG_2242"]
style A fill:#f9f,stroke:#333
style B fill:#ccf,stroke:#333
style C fill:#cfc,stroke:#333
style D fill:#fcc,stroke:#333
style E fill:#cff,stroke:#333
style F fill:#ffc,stroke:#333
style G fill:#cfc,stroke:#333
style H fill:#fcc,stroke:#333
style I fill:#ffc,stroke:#333
style J fill:#fcc,stroke:#333

Os esquemas referidos nesta documentação são puramente indicativos e devem ser avalizados por um estudo termotécnico.
Executar a configuração como descrito no capítulo 8. Neste ponto o sistema está configurado para a utilização de coletores solares para o sanitário. Utilizando o Controlo Remoto entrar no menú 2, como descrito no capítulo 5, e efetuar os seguintes ajustes:
| MENÚ LINHA DO PROGRAMA VALOR DESCRIÇÃO | |||
| CONFIGURAÇÃO | 5931 | Sonda piscina B13 | Habilitação da sonda da piscina (Entrada sonda BX2) |
| 6030 | Elem ctrl solar piscina K18 | Habilitação da bomba para aquecimento da piscina (Saída relé QX21) | |
| CIRC. ÁGUA QUENTE SANITÁRIA | 6046 Consenso piscina solar | Ativação do aquecimento da piscina(exemplo: flutuante ou comando manual) | |
A utilização do contacto H2 é importante porque garante o correto funcionamento do sistema, permitindo a permuta de calor com a piscina e só a pedido desta. Assegure-se que a piscina está cheia de água e a funcionar.
11.3 PROCURA GENÉRICA DE CALOR
O pedido de calor genérico é um pedido que não é proveniente de nenhum dos três circuitos de aquecimento disponíveis e/ou do circuito sanitário. Este pedido é designado por richiesta utenza e serve para fornecer calor a unidades externas como por exemplo o aquecimento de água de uma piscina.
Para ativar esta função deverá efetuar a seguinte configuração, utilizando o Controlo Remoto, entrar no menú 2, como descrito no capítulo 5:
| MENÚ | LINHA DO PROGRAMA | VALOR DESCRIÇÃO | |
| CONFIGURAÇÃO | 6030 | Bomba circ cons VK1 Q15 | Habilitação da bomba para o pedido externo 1 (Saída relé QX21) |
| 6046 | Pedido consumidor CAq1 | Contacto para o pedido externo 1 | |
| CONSUMIDOR VK1 | 1859 | Valor de fábrica = 70°C | Temperatura de ida aquecimento para o pedido externo 1 |
No caso em que o pedido do utilizador seja fornecido através de um sinal analógico 0-10 V, deve-se ajustar o parâmetro 6046 come "Richiesta utenza CR1 10V". Também se deve ajustar a característica do sinal utilizando os parâmetros:
| 6049 | Valor tensão 1 H2mód 1 | 6050 | Valor função 1 H2mód 1 | 6051 | Valor tensão 2 H2mód 1 | 6052 | Valor função 2 H2mód 1 |
11.4 OUTRAS CONFIGURAÇÕES
De seguida resumimos as configurações adicionais disponíveis:
Relé QX21
| Saída alarme K10 | Alarme (ex: condomínio) |
| Bomba sistema Q14 | Bomba ativa em cada pedido de aquecimento ou pedido externo |
| Programa horário aux. K13 | Contacto comandado pelo “programa horário aux” |
| Pedido refrigeração K28 Pedido | de arrefecimento do circuito de arrefecimento 1 |
| Enchim água K34 | Válvula carga automática caldeira |
| Ventilador K38 desligad | Controlo ventilador externo |
Sonda BX21
| Sensor buffer B4 | Sonda acumulador inércia para o aquecimento (superior) |
| Sensor buffer B41 | Sonda acumulador inércia para o aquecimento (inferior) |
| Sonda buffer B42 | Terceira sonda acumulador inércia para o aquecimento (a meio do acumulador) |
Entrada H2
| Aviso erro/alarme | Sinal de alarme externo |
| Comut caudal cald | Comando fluxóstato da caldeira (a utilizar apenas se não estiver presente na caldeira) |
| Termostato caldeira | Comando termóstato da caldeira (a utilizar apenas se não estiver presente na caldeira) |
| Pedido consumidor CR1 10V | Pedido externo 1 com sinal 0-10V (*) |
| Medida pressão 10V | Medida da pressão com sinal 0-10V(*) |
| Potênc pré-selecc 10V | Regulação da potência da caldeira em função do sinal 0-10V (*) |
* Para poder utilizar as funções é necessário introduzir a característica do sinal analógico utilizzando os seguintes parâmetros presentes no menú Configuração do Controlo Remoto:
| 6049 | Valor tensão 1 H2mód 1 | 6050 | Valor função 1 H2mód 1 | 6051 | Valor tensão 2 H2mód 1 | 6052 | Valor função 2 H2mód 1 |
- LISTA ANOMALIAS
| E | Anomalia Descrição anomalia | |
| 10 | Sensor sonda exterior | Circuito de aquecimento habilitado sem nenhum comando (termóstato, unidade ambiente ou unidade externa) ou sonda exterior deteriorada |
| 84 | BSB, conflito de endereço | 2 ou mais unidades ambiente configuradas para o mesmo circuito de aquecimento |
| 98 | Módulo adicional Acessório AGU 2.550 não detetado ou reconhecido | |
| 99 | Módulo adicional 2 Acessório AGU 2.550 não detetado ou reconhecido | |
| 373 | Módulo adicional 3 Acessório AGU 2.550 não detetado ou reconhecido | |
| 30 | Sonda da misturadora 1 Sonda do circuito misturadora 1 não detetada | |
| 32 | Sonda da misturadora 2 Sonda do circuito misturadora 2 não detetada | |
| 260 | Sonda da misturadora 3 | Sonda do circuito misturadora 3 não detetada |
| 335 | BX21 nenhuma função Sonda BX21 não configurada | |
| 336 | BX22 nenhuma função Sonda BX22 não configurada | |
| 324 | BX mesmos sensores | 2 ou mais sondas estão configuradas para a mesma função |
| 52 | Sonda ACS 2 Sonda sanitário solar não detetada | |
| 73 | Sonda coletor 1 Sonda coletor solar não detetada | |
| 57 | Sonda circulação ACS Sonda circulação sanitário não detetada | |
| 243 | Sonda piscina | Sonda piscina não detetada |
| 25 | Sonda caldeira a lenha | Sonda caldeira a biomassa não detetada |
| 346 | Bomba cald.Q10 ausente | Bomba caldeira a biomassa não detetada |
- CARACTERÍSTICAS TÉCNICAS
| Alimentação | Tensão de alimentação | AC 230 V (±10 %) | |||||
| Frequência de funcionamento | 50/60 Hz | ||||||
| Potência absorvida | 4 VA | ||||||
| Fusível de alimentação (alimentação e saídas) | máx. 10 AT | ||||||
| Cableado | cabo rígido ou flexível (entrelaçado ou pontas protegidas) | - | |||||
| unipolar | 0,5...2,5 mm2 | ||||||
| bipolar | 0,5...1,5 mm2 | ||||||
| Dados funcionais | Classe software | A | |||||
| Modo de operação EN 60 730 | 1b (operação automática) | ||||||
| Entradas | Entrada digital H2 | - | |||||
| baixíssima tensão de segurança por contacto livre - | |||||||
| contacto em baixa tensão | - | ||||||
| tensão com contacto aberto | DC 12 V | ||||||
| corrente com contacto fechado | DC 3 mA | ||||||
| Entrada analógica H2 | - | ||||||
| baixíssima tensão de proteção | - | ||||||
| Limites de funcionamento | DC 0..10 V | ||||||
| resistência interna | >100 kΩ | ||||||
| Entrada L | AC 230 V (±10%) | ||||||
| resistência interna | >100 kΩ | ||||||
| Entrada sensores BX21, BX22 | NTC 10k | ||||||
| cabos de collegamento permitidos (cobre) | - | ||||||
| Secção | mm2 | 0,25 | 0,5 | 0,75 | 1,0 1,5 | ||
| Comprimento máximo | m | 20 | 40 | 60 | 80 | 120 | |
| Saídas | Relé de saída | - | |||||
| limites de corrente de funcionamento | AC 0,02...2 (2) A | ||||||
| Intensidade máxima de entrada | 15 A por ≤1 s | ||||||
| Intensidade máxima (parar todos os relés) | AC 6 A | ||||||
| Limites de tensão | AC 24...230 V (por contacto livre) | ||||||
| Interface | BSB | Ligação com 2 cabos, não permutáveis | |||||
| Comprimento unitário de base - dispositivos periféricos | máx. 150 m | ||||||
| comprimento total | máx. 300 m (capacidade máxima do cabo 60nF) | ||||||
| secção do cabo | 0,5 mm2 | ||||||
| Número máximo de caldeiras interligadas em cascata | 16 | ||||||
ManualFácil
B
