DDLE Basis 13 - Heating AEG - Free user manual and instructions
Find the device manual for free DDLE Basis 13 AEG in PDF.
User questions about DDLE Basis 13 AEG
0 question about this device. Answer the ones you know or ask your own.
Ask a new question about this device
Download the instructions for your Heating in PDF format for free! Find your manual DDLE Basis 13 - AEG and take your electronic device back in hand. On this page are published all the documents necessary for the use of your device. DDLE Basis 13 by AEG.
USER MANUAL DDLE Basis 13 AEG
Electronically controlled instantaneous water heater
Operation and installation 17
- General information 18
- Safety 18
- Appliance description 19
- Settings 19
- Cleaning, care and maintenance 19
- Troubleshooting 19
INSTALLATION
- Safety 20
- Appliance description 20
9.Preparations 20 - Installation 21
- Commissioning 25
- Shutdown 26
- Troubleshooting 26
- Maintenance 27
- Specification 27
GUARANTEE
ENVIRONMENT AND RECYCLING
SPECIAL INFORMATION
The appliance may be used by children aged 8 and up and persons with reduced physical, sensory or mental capabilities or a lack of experience and know-how, provided that they are supervised or they have been instructed on how to use the appliance safely and have understood the resulting risks. Children must never play with the appliance. Children must never clean the appliance or perform user maintenance unless they are supervised.
- Risk of scalding: The tap can reach temperatures in excess of 60^ .
Ensure the appliance can be separated from the power supply by an isolator that disconnects all poles with at least 3mm contact separation.
- Secure the appliance as described in chapter "Installation / Installation".
Observe the maximum permissible pressure (see chapter Installation / Specification / Data table).
Drain the appliance as described in chapter "Installation / Maintenance / Draining the appliance".
OPERATION
1. General information
The chapters "Special Information" and "Operation" are intended for both the user and qualified contractors.
The chapter "Installation" is intended for qualified contractors.

Note
Read these instructions carefully before using the appliance and retain them for future reference.
Pass on the instructions to a new user if required.
1.1 Safety instructions
1.1.1 Structure of safety instructions

KEYWORD Type of risk
Here, possible consequences are listed that may result from failure to observe the safety instructions.
» Steps to prevent the risk are listed.
1.1.2 Symbols, type of risk
| Symbol Type of risk | |
| ! | Injury |
| Electrocution | |
| Burns (burns, scalding) | |
1.1.3 Keywords
| KEYWORD Meaning | |
| DANGER | Failure to observe this information will result in seri-ous injury or death. |
| WARNING | Failure to observe this information may result in seri-ous injury or death. |
| CAUTION | Failure to observe this information may result in non-serious or minor injury. |
1.2 Other symbols in this documentation

Note
General information is identified by the adjacent symbol.
» Read these texts carefully.
| Symbol Meaning | |
| ! | Material losses (appliance damage, consequential losses and environmental pollution) |
| Appliance disposal | |
» This symbol indicates that you have to do something. The action you need to take is described step by step.
1.3 Units of measurement

Note
All measurements are given in mm unless stated otherwise.
2. Safety
2.1 Intended use
This appliance is intended for domestic use. It can be used safely by untrained persons. The appliance can also be used in a non-domestic environment, e.g. in a small business, as long as it is used in the same way.
This pressurised appliance is suitable for heating domestic hot water or for reheating preheated water. The appliance can supply one or more draw-off points.
Any other use beyond that described shall be deemed inappropriate. Observation of these instructions and of instructions for any accessories used is also part of the correct use of this appliance.
2.2 General safety instructions

CAUTION Burns
During operation, the tap can reach temperatures in excess of 60^ .
There is a risk of scalding at outlet temperatures in excess of 43^ .

CAUTION Burns
If operating with preheated water, e.g. from a solar thermal system, the DHW temperature may vary from the selected set temperature.

WARNING Injury
The appliance may be used by children aged 8 and up and persons with reduced physical, sensory or mental capabilities or a lack of experience and know-how, provided that they are supervised or they have been instructed on how to use the appliance safely and have understood the resulting risks. Children must never play with the appliance. Children must never clean the appliance or perform user maintenance unless they are supervised.
Where children or persons with limited physical, sensory or mental abilities are allowed to use this appliance, we recommend a permanent temperature limit. A qualified contractor can set the limit for you.

Material losses
The user should protect the appliance and its tap against frost.
2.3 CE designation
The CE designation shows that the appliance meets all essential requirements according to the:
Low Voltage Directive
Electromagnetic Compatibility Directive The maximum permissible mains impedance is indicated in chapter "Installation / Specification / Data table".
2.4 Test symbols
See type plate on the appliance.
Country-specific approvals and certifications: Germany
A general test certificate as verification of suitability regarding noise emissions has been issued for this appliance, based on the State Building Regulations [Germany].

3. Appliance description
The electronically controlled instantaneous water heater with automatic output matching keeps the outlet temperature constant up to the output limit. The temperature is then selected via the draw-off tap.
Heating system
The bare wire heating system has a pressure-tested plastic casing. The heating system is suitable for hard and soft water areas. This heating system has a low susceptibility to scale build-up. This system ensures rapid and efficient DHW availability.

Note
The appliance is equipped with an air detector that largely prevents damage to the heating system. If, during operation, air is drawn into the appliance, the appliance shuts down for one minute, thereby protecting the heating system.
4. Settings
The DHW outlet temperature can be variably adjusted.
| Hand wash basin (approx. 35 °C) |
| Shower (approx. 40 °C) |
| Bath (approx. 45 °C) |
| Kitchen sink (approx. 55 °C) |
Turn the temperature selector to the required temperature.
Temperature limit
Your qualified contractor can set a temperature limit of up to 43^ inside the appliance. With the temperature limit enabled you can turn the temperature selector across its full range. You can now set the outlet temperature only between 30^ and 43^ .

Note
Should the outlet temperature fail to reach the required level with the draw-off valve fully open and the temperature selector set to maximum, then more water is flowing through the appliance than can be heated by the heating system. The appliance is at its output limit.
» Reduce the water volume at the draw-off valve.
Recommended setting for operation with a thermostatic valve
Set the temperature at the appliance to the maximum temperature.
Following an interruption of the water supply

Material losses
In order to prevent the destruction of the bare wire heating system, return the appliance into use following an interruption of the water supply as follows:
» Disconnect the appliance from the power supply by removing the fuses/tripping the MCBs.
Open the tap for one minute until the appliance and its upstream cold water inlet line are free of air.
Switch the mains power back ON again.
5. Cleaning, care and maintenance
Never use abrasive or corrosive cleaning agents. A damp cloth is sufficient for cleaning the appliance.
Check the taps regularly. Limescale deposits at the tap outlets can be removed using commercially available descaling agents.
6. Troubleshooting
| Problem Cause Remedy | ||
| The appliance will not start despite the DHW valve being fully open. | There is no voltage at the appliance. | Check the fuses/ MCBs in your fuse box/distribution panel. |
| The flow rate is too low. The aerator in the tap or the shower head is scaled up or contaminated. | Clean and/or descale the aerator or shower head. | |
| Required temperature > 45 °C is not achieved. | The water supply has been interrupted. | Vent the appliance and the cold water inlet line (see chapter "Operation / Settings"). |
| The cold water inlet temperature is > 45 °C. | Reduce the cold water inlet temperature. | |
If you cannot remedy the fault, notify your qualified contractor. To facilitate and speed up your enquiry, please provide the serial number from the type plate (000000-0000-0000):

D0000041614
INSTALLATION
7. Safety
Only a qualified contractor should carry out installation, commissioning, maintenance and repair of the appliance.
7.1 General safety instructions
We guarantee trouble-free function and operational reliability only if original accessories and spare parts intended for the appliance are used.

Material losses
Observe the maximum inlet temperature. Higher temperatures may damage the appliance. You can limit the maximum inlet temperature by installing a central thermostatic valve.
72 Instructions, standards and regulations

Note
Observe all applicable national and regional regulations and instructions.
The protection rating IP 25 (hoseproof) can only be ensured with a correctly fitted cable grommet.
The specific electrical resistance of the water must not fall below that stated on the type plate. In a linked water network, factor in the lowest electrical resistance of the water (see chapter "Installation / Specification / Data table"). Your water supply utility will advise you of the specific electrical water resistance or conductivity.
8. Appliance description
8.1 Standard delivery
The following are delivered with the appliance:
- Wall mounting bracket
- Threaded studs, screws and rawl plugs for the wall mounting bracket
Installation template
2 twin connectors (cold water with shut-off valve)
Flat gaskets
Cable grommet (power cable from above / below) - Screws / rawl plugs for fixing the back panel in the case of water connection on finished walls
Additional flow limiter in the cold water pipe (only DDLE Basis 18/21/24)
8.2 Accessories
Tap
ADEo 70 WD Mono lever mixer tap with bath / shower changeover
Stove connection set
Connection set for the power connection of the DDLE Basis 11 and DDLE Basis 13
Installation accessories
Pipe assembly, undersink installation UT 104, connections: Finished walls, G 3/8, top. Water connections with 12mm compression fitting.
Universal mounting frame
Mounting frame with electrical connections.
Pipe assembly for undersink appliances
You will need the undersink installation set if you use the water connections (G 3/8 A) at the top of the appliance.
Pipe assembly for offset installation
You will need the pipe assembly with bends if you intend to offset the appliance by 90mm downwards from the water connection.
Pipe assembly for replacing a gas water heater
You will need the pipe assembly if you are using the existing gas water heater connections (cold water connection on the left-hand side DHW connection on the right-hand side).
Load shedding relay (LR 1-A)
The load shedding relay for installation in the distribution board provides priority control for the instantaneous water heater when other appliances, such as electric storage heaters, are being operated simultaneously.
ZTA 3/4 - Central thermostatic valve
The thermostatic valve is for central premixing, for example on an instantaneous water heater with solar thermal system.
9. Preparations
9.1 Installation site

Material losses
Install the appliance in a room free from the risk of frost.
Always install the appliance vertically and near the draw-off point.
The appliance is suitable for undersink and oversink installations.

Undersink installation
26_02_02_1345

Oversink installation
26_02_02_1344
Mount the appliance on the wall. The wall must have a sufficient load-bearing capacity.
9.2 Water installation
A safety valve is not required.
Flush the water line thoroughly.
Ensure that the flow rate for switching on the appliance is achieved (see chapter "Installation / Specification / Data table", On). If the flow rate is not achieved, remove the flow limiter (see chapter "Installation / Installation, Removing the flow limiter").
If the required flow rate is not achieved when the draw-off valve is fully opened, increase the water line pressure.
Taps
Use appropriate pressure taps. Open taps are not permitted.

Note
Never use the shut-off valve in the cold water inlet to reduce the flow rate. The shut-off valve is intended to shut off the appliance.
Permissible water line materials
Cold water inlet line:
Galvanised steel pipe, stainless steel pipe, copper pipe or plastic pipe
DHW outlet line:
Stainless steel pipe, copper pipe or plastic pipe

Material losses
If plastic pipework is used, take into account the maximum inlet temperature and the maximum permissible pressure (see chapter "Installation / Specification / Data table").
Flexible water connection lines
If the appliance is installed with flexible water connection lines, ensure that the bayonet fittings of the pipe bends do not become twisted inside the appliance.
» Secure the back panel at the bottom with two additional screws.
10. Installation
10.1 Standard installation
- Electrical connection from above; installation on unfinished walls
Water connection on unfinished walls - DDLE Basis 18/21/24: Connected load 21kW preset For further installation options, see chapter "Installation / Installation / Installation options":
Electrical connection from below on unfinished walls - Electrical connection on finished walls
- Connecting a load shedding relay
Undersink installation, water connections from above
Water installation on finished walls
Operation with preheated water
Temperature limit
Opening the appliance

» Open the appliance by releasing the snap lock.
Remove the back panel by pressing the two locking hooks and pulling the lower section of the back panel forwards.

Preparing the power cable
Fitting the wall mounting bracket

» Mark out the holes for drilling with the installation template. If the appliance is to be installed with water connections on finished walls, also mark out the fixing holes in the lower part of the template.
Drill the holes and secure the wall mounting bracket with 2 screws and 2 rawl plugs (screws and rawl plugs are part of the standard delivery).
» Fit the threaded stud provided.
» Mount the wall mounting bracket.

Fitting the cable grommet
26_02_02_0950
» Fit the cable grommet. For connecting cables
>6mm^2 , enlarge the hole in the cable grommet.
Making the water connection
Material losses Carry out all water connection and installation work in accordance with regulations.

26_02_02_0948
» Seal and insert the twin connectors.
Material losses Never use the shut-off valve in the cold water inlet to reduce the flow rate.
Preparing the back panel
Material losses If you break out the wrong knock-out by mistake, use a new back panel.

D0000041893
Break out the cable grommet knock-out in the back panel. Deburr the sharp edges with a file if necessary.

Installing the appliance
D0000041894
Push the back panel over the threaded stud and the cable grommet. Pull the cable grommet by the locking hooks into the back panel using pliers, until both locking hooks audibly click into place.
Remove the transport plugs from the water connections.
» Push the back panel firmly against the wall. Lock the fixing toggle by turning it 90^ clockwise.

D0000041925
» Screw the water connection pipes with flat gaskets onto the twin connectors.
Material losses The strainer must be fitted for the appliance to function.
» When replacing an appliance, check whether the strainer is installed (see chapter "Installation / Maintenance").
Removing / replacing the flow limiter

Note
Never remove the flow limiter if you are using a thermostatic valve.

2602020771
1 Plastic profile washer
2 Flow limiter
» Remove the flow limiter. Re-insert the plastic profile washer.
DDLE Basis 18/21/24: Replace the flow limiter
If 24 kW connected load has been selected, replace the fitted flow limiter (white) with the flow limiter supplied (orange, fixed to the cold water pipe).
Making the electrical connection

WARNING Electrocution
Carry out all electrical connection and installation work in accordance with relevant regulations.

WARNING Electrocution
The connection to the power supply must be in the form of a permanent connection in conjunction with the removable cable grommet. Ensure the appliance can be separated from the power supply by an isolator that disconnects all poles with at least 3mm contact separation.

WARNING Electrocution
Ensure that the appliance is earthed.

Material losses
Observe the type plate. The specified voltage must match the mains voltage.
Connect the power cable to the mains terminal (see chapter "Installation / Specification / Wiring diagram").
DDLE Basis 18/21/24: Re-plugging the coding card
In its delivered condition, the appliance is plugged to 21 kW. When changing to a different connected load, carry out the following steps:

D0000047341
» Re-plug the coding card according to the actual connected load (for connected load options and fuse protection of the appliance, see chapter "Installation / Specification / Data table").
Tick the selected connected load on the type plate. Please use a ballpoint pen to do this.
Fitting the lower section of the back panel

26_02_02_1348
Fit the lower section into the back panel. Click the lower section of the back panel into place.
» Align the mounted appliance by loosening the fixing toggle, aligning the power supply and back panel, and then re-tightening the fixing toggle. If the appliance back panel does not rest against the wall, you can secure the appliance with two additional screws (see chapter "Installation / Installation options / Water installation on finished walls").
10.2 Installation options
10.2.1 Electrical connection from below on unfinished walls

» Fit the cable grommet.

Material losses If you break out the wrong knock-out by mistake, use a new back panel.
Break out the cable grommet knock-out in the back panel. Deburr the sharp edges with a file if necessary.
» Reposition the mains terminal in the appliance from the top to the bottom.
Push the back panel over the threaded stud and the cable grommet.Pull the cable grommet by the locking hooks into the back panel using pliers, until both locking hooks audibly click into place.
Push the back panel firmly against the wall. Lock the fixing toggle by turning it 90^ clockwise.
10.2.2 Electrical connection on finished walls

Note
This type of connection changes the protection rating of the appliance.
» Change the type plate. Cross out "IP 25" and mark the box "IP 24". Please use a ballpoint pen to do this.

Material losses
If you break out the wrong knock-out by mistake, use a new back panel.
Cleanly cut or break out the required opening in the appliance back panel (see chapter "Installation / Specification / Dimensions and connections"). De-burr the sharp edges with a file if necessary.
» Route the power cable through the cable grommet and connect it to the mains terminal.
10.2.3 Connecting a load shedding relay
Install a load shedding relay in the distribution board in conjunction with other electric appliances, e.g. electric storage heaters. The relay responds when the instantaneous water heater starts.

Material losses
Connect the phase that switches the load shedding relay to the indicated terminal of the mains terminal in the appliance (see chapter "Installation / Specification / Wiring diagram").
10.2.4 Undersink installation, water connections - from above
An undersink installation with water connections from above can be achieved with an additional pipe assembly for undersink appliances. Cleanly break out the water pipe knock-outs in the back panel and fit the pipe assembly.
10.2.5 Water installation on finished walls

Note
This type of connection changes the protection rating of the appliance.
» Change the type plate. Cross out "IP 25" and mark the box "IP 24". Please use a ballpoint pen to do this.

26 02 02 0765
» Fit the water plugs with gaskets in order to seal the connection for unfinished walls.
» Fit a suitable pressure tap.

2006 0006
Click the lower section of the back panel into place in the upper section of the back panel.
Secure the connection pipes to the appliance.
» Secure the back panel at the bottom with two additional screws.

Material losses
If you break out the wrong knock-out by mistake, use a new back panel.
Cleanly break out the knock-outs in the appliance cover. Deburr the sharp edges with a file if necessary.
Slide the lower section of the back panel under the tap connection pipes. Click the lower section of the back panel into place.
Secure the connection pipes to the appliance.
10.2.6 Operation with preheated water
You can limit the maximum inlet temperature by installing a central thermostatic valve.
10.2.7 Temperature limit

CAUTION Burns
If operating with preheated water, the set temperature limit and anti-scalding protection may be ineffective.
In this case, limit the temperature with an upstream central thermostatic valve.
You can set the temperature limit inside the appliance cover to 43^ .

D0000046203
» Push the set value transducer cable plug onto the 43^ temperature limiter.
After enabling the temperature limit, you can only select temperatures between 30 and 43^ .
10.3 Completing the installation
Open the shut-off valve in the twin connector or the cold water inlet line.
11. Commissioning

WARNING Electrocution Commissioning may only be carried out by a qualified contractor in accordance with safety regulations.
11.1 Initial start-up






2602020769
Open and close all connected draw-off valves several times, until all air has been vented from the pipework and the appliance.
» Carry out a tightness check.
» Activate the safety pressure limiter by firmly pressing in the reset button (safety pressure limiter disabled in the delivered condition).
Plug the temperature selector cable plug into the PCB.
Fit the appliance cover. The appliance cover must audibly click into place. Check that the appliance cover is seated correctly.
Switch the mains power ON.
Calibrate the temperature. Turn the temperature selector fully clockwise then fully anti-clockwise.
» Check the function of the appliance.
Appliance handover
Explain the functions of the appliance to the user. Show the user how to operate the appliance.
» Make the user aware of potential dangers, especially the risk of scalding.
» Hand over these instructions.
11.2 Recommissioning
Vent the appliance and the cold water inlet line (see chapter "Operation / Settings").
» See chapter "Installation / Installation / Commissioning / Initial start-up".
12. Shutdown
» Isolate all poles of the appliance from the power supply.
Drain the appliance (see chapter "Installation / Maintenance").
13. Troubleshooting

WARNING Electrocution
To test the appliance, it must be supplied with power.
Possible indications of diagnostic traffic light (LED)
| Red Illuminates in the event of a fault |
| Yellow Illuminates during heating mode |
| Green Flashing: Appliance is supplied with mains power |

D0000041794
1 Diagnostic traffic light
| Fault / diagnostic traffic light LED display | Cause Remedy | |
| The flow rate is too low. The strainer in the | the appliance is dirty. Clean the strainer. | |
| The set temperature is not achieved. | One phase down. | Check the fuse/MCB in your fuse box/distribution panel. |
| The heating system does not switch on. | The system detects air in the water. Heating output stops temporarily. | The appliance restarts after one minute. |
| No hot water and no traffic light display. | The MCB/fuse has responded/blown. | Check the fuse/MCB in your fuse box/distribution panel. |
| The safety pressure limiter has tripped. | Remove the cause of the fault (e.g. faulty pressure washer). | |
| Protect the heating system against overheating by opening a draw-off valve downstream of the appli- ance for one minute. This depressurises and cools down the heating system. | ||
| Activate the safety pressure limiter at flow pressure by pressing the reset button (see chapter "Installa-tion / Commissioning / Initial start-up"). | ||
| The PCB is faulty. | Check the PCB and replace if required. | |
| Traffic light display: Green flashing or constantly on | The PCB is faulty. | Check the PCB and replace if required. |
| No hot water at a flow rate of >3 l/min. | The flow meter DFE is not plugged in. | Plug the flow meter plug back in. |
| The flow meter plug is faulty. | Check the flow meter and replace if required. | |
| Traffic light display: Yellow constantly on; green flashing | The high limit safety cut-out has responded or its lead is broken. | Check the high limit safety cut-out and replace if required. |
| No hot water at a flow rate of >3 l/min. | ||
| The heating system is faulty. | Check the heating system resistor and replace if required. | |
| The PCB is faulty. | Check the PCB and replace if required. | |
| Traffic light display: Yellow constantly on; green flashing | The outlet sensor has been pulled off. A lead is broken. | Plug in the outlet sensor or replace if required. |
| Traffic light display: Red constantly on; green flashing | The cold water sensor is faulty. | Check the PCB and replace if required. |
| No hot water Required temperature >45 °C is not achieved. | The cold water inlet temperature exceeds 45 °C. | Reduce the cold water inlet temperature to the ap- pliance. |
| Traffic light display: Red constantly on; green flashing | The outlet sensor is faulty (short circuit). | Check the outlet sensor and replace if required. |
14. Maintenance

WARNING Electrocution Before any work on the appliance, disconnect all poles from the power supply.
Draining the appliance
You can drain the appliance for maintenance work or to protect it from frost.

WARNING Burns Hot water may escape when the appliance is being drained.
Close the shut-off valve in the twin connector or the cold water inlet line.
» Open all draw-off valves.
» Undo the water connections on the appliance.
If dismantled, store the appliance in a room free from the risk of frost, as water residues remaining inside the appliance can freeze and cause damage.

Cleaning the strainer
26_02_02_0949
If dirty, clean the strainer in the threaded cold water fitting. Close the shut-off valve in the cold water inlet line before removing, cleaning and refitting the strainer.
15. Specification

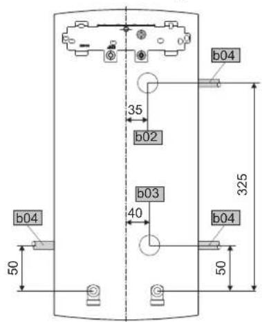
15.1 Dimensions and connections

| b02 Entry electrical cables I | ||
| c01 Cold water Inlet Male thread G 1/2 A | ||
| c06 DHW outlet | Male thread | G 1/2 A |

Alternative connection options
D0000019778
| b02 | Entry electrical cables I |
| b03 | Entry electrical cables II |
| b04 | Entry electrical cables III |
15.2 Wiring diagram

3/PE 380 - 415V
85_02_02_0005
1 Heater
2 High limit safety cut-out
3 Safety pressure limiter

Load shedding relay LR 1-A
85_02_02_0003_
1 Control cable to the contactor of the second appliance (electrical storage heater for example).
2 Control contact opens when switching the instantaneous water heater on.
15.3 DHW output
The DHW output is subject to the mains voltage, the appliance's connected load and the cold water inlet temperature. The rated voltage and rated output can be found on the type plate (see chapter "Operation / Troubleshooting").
Specific electrical resistance and specific electrical conductivity (see chapter "Installation / Specification / Data table").
| Standard specifica-tion at 15 °C | 20 °C | 25 °C | ||||||
| Resist- ance ρ | Conductiv- ity Ω | Resist- ance ρ | Conductiv- ity Ω | Resist- ance ρ | Conductiv- ity Ω | |||
| Ωcm | mS/m | μS/cm | Ωcm | mS/m | μS/cm | Ωcm | mS/m | μS/cm |
| 900 | 111 | 1111 | 800 | 125 | 1250 | 735 | 136 | 1361 |
| 1000 | 100 | 1000 | 890 | 112 | 1124 | 815 | 123 | 1227 |
| 1100 | 91 | 909 | 970 | 103 | 1031 | 895 | 112 | 1117 |
| 1200 | 83 | 833 | 1070 | 93 | 935 | 985 | 102 | 1015 |
| 1300 | 77 | 769 | 1175 | 85 | 851 | 1072 | 93 | 933 |
15.5 Pressure drop
Taps
| Pressure drop at taps at flow rate of 10 l/min | ||
| Mono lever mixer tap, approx. | MPa | 0.04 - 0.08 |
| Thermostatic valve, approx. | MPa | 0.03 - 0.05 |
| Hand shower, approx. | MPa | 0.03 - 0.15 |
Sizing the pipework
When calculating the size of the pipework, a pressure drop for the appliance of 0.1MPa is recommended.
15.6 Fault conditions
In case of faults, loads up to a maximum of 95^ at a pressure of 1.2 MPa can occur temporarily in the installation.
15.7 Details on energy consumption
Product data complies with EU regulations relating to the Directive on the eco-design of energy related products (ErP).
| DDLE Basis 11 | DDLE Basis 13 | DDLE Basis 18 | DDLE Basis 18/21/24 | DDLE Basis 27 | ||
| 229296 | 229297 | 222388 | 222390 | 222391 | ||
| Manufacturer | AEG Haustechnik | AEG Haustechnik | AEG Haustechnik | AEG Haustechnik | AEG Haustechnik | |
| Load profile | XS | XS | S | S | S | |
| Energy efficiency class | A | A | A | A | A | |
| Annual power consumption | kWh | 473 | 473 | 477 | 477 | 481 |
| Energy conversion efficiency | % | 39 | 39 | 39 | 39 | 39 |
| Default temperature setting | °C | 60 | 60 | 60 | 60 | 60 |
| Sound power level | dB(A) | 15 | 15 | |||
| Special information on measuring efficiency | none | none | none | Data at Pmax. | none |
15.8 Data table
| DDLE Basis | 11 | DDLE Basis 13 | DDLE Basis 18 | DDLE Basis 18/21/24 | DDLE Basis 27 | |||||||||
| 229296 229297 222 | 388 222 | 390 | 222391 | |||||||||||
| Electrical data | ||||||||||||||
| Rated voltage | V | 380 | 400 | 380 | 400 | 415 | 380 | 400 | 415 | 380 | 400 | 415 | 380 | 400 |
| Rated output | kW | 10.1 | 11 | 12.2 | 13.5 | 14.5 | 16.2 | 18 | 19.4 | 16.2/19/21.7 | 18/21/24 | 19.4/22.6/25.8 | 24.4 | 27 |
| Rated current | A | 15.4 | 16 | 18.5 | 19.5 | 20.2 | 24.7 | 26 | 27 | 27.6/29.5/35 | 29/31/35 | 30.1/32.2/36.3 | 37.1 | 39 |
| Fuse | A | 16 | 16 | 20 | 20 | 20 | 25 | 25 | 32 | 32/32/35 | 32/32/35 | 32/32/40 | 40 | 40 |
| Phases | 3/PE | 3/PE | 3/PE | 3/PE | 3/PE | |||||||||
| Frequency | Hz | 50/60 | 50/60 | 50/60 | 50/60 | 50/- | 50/60 | 50/60 | 50/- | 50/60 | 50/60 | 50/- | 50/60 | 50/60 |
| Specific resistance ρ 15≥ (at δcold ≤25 °C) | Ω cm | 900 | 900 | 900 | 900 | 1000 | 900 | 900 | 1000 | 900 | 900 | 1000 | 900 | 900 |
| Specific conductivity σ15≤ (at δcold ≤25 °C) | μS/cm | 1111 | 1111 | 1111 | 1111 | 1000 | 1111 | 1111 | 1000 | 1111 | 1111 | 1000 | 1111 | 1111 |
| Specific resistance ρ 15≥ (at δcold ≤45 °C) | Ω cm | 1200 | 1200 | 1200 | 1200 | 1300 | 833 | 1200 | 1300 | 833 | 1200 | 1300 | 833 | 1200 |
| Specific conductivity σ15≤ (at δcold ≤45 °C) | μS/cm | 830 | 830 | 830 | 830 | 770 | 1200 | 833 | 770 | 1200 | 833 | 770 | 1200 | 833 |
| Max. mains impedance at 50Hz | Ω | 0.379 | 0.360 | 0.347 | 0.284 | 0.270 | 0.260 | 0.254 | 0.241 | |||||
| Connections | ||||||||||||||
| Water connection | G 1/2 A | G 1/2 A | G 1/2 A | G 1/2 A | G 1/2 A | |||||||||
| Application limits | ||||||||||||||
| Max. permissible pressure | MPa | 1 | 1 | 1 | 1 | 1 | ||||||||
| Max. inlet temperature for reheating | °C | 45 | 45 | 45 | 45 | 45 | ||||||||
| Values | ||||||||||||||
| Max. permissible inlet temperature | °C | 60 | 60 | 60 | 60 | 60 | ||||||||
| On | l/min | >3 | >3 | >3 | >3 | >3 | ||||||||
| Flow rate for pressure drop | l/min | 3.1 | 3.9 | 5.2 | 5.2/6.0/6.9 | 7.7 | ||||||||
| Pressure drop at flow rate | MPa | 0.07 (0.02 without DMB) | 0.11 (0.03 without DMB) | 0.08 (0.06 without DMB) | 0.08/0.10/0.13 (0.06/0.08/0.10 without DMB) | 0.16(0.12 without DMB) | ||||||||
| Flow rate limit at | l/min | 4.0 | 4.0 | 8.0 | 8.0 / 8.0 / 9.0 | 9.0 | ||||||||
| DHW delivery | l/min | 5.6 | 6.9 | 9.2 | 9.2/10.7/12.3 | 12.7 | ||||||||
| Δδ on delivery | K | 28 | 28 | 28 | 28 | 28 | ||||||||
| Hydraulic data | ||||||||||||||
| Nominal capacity | I | 0.4 | 0.4 | 0.4 | 0.4 | 0.4 | ||||||||
| Versions | ||||||||||||||
| Connected load adjustable | - | X | ||||||||||||
| Temperature setting range | °C | ca. 30-60 | ca. 30-60 | approx. 30-60 | approx. 30-60 | approx. 30-60 | ||||||||
| Insulating block | Plastic | Plastic | Plastic | Plastic | Plastic | |||||||||
| Heating system heat generator | Bare wire | Bare wire | Bare wire | Bare wire | Bare wire | |||||||||
| Cover and back panel | Plastic | Plastic | Plastic | Plastic | Plastic | |||||||||
| Colour | White | White | White | White | White | |||||||||
| IP rating | IP25 | IP25 | IP25 | IP25 | IP25 | |||||||||
| Dimensions | ||||||||||||||
| Height | mm | 485 | 485 | 485 | 485 | 485 | ||||||||
| Width | mm | 226 | 226 | 226 | 226 | 226 | ||||||||
| Depth | mm | 93 | 93 | 93 | 93 | 93 | ||||||||
| Weights | ||||||||||||||
| Weight | kg | 3.6 | 3.6 | 3.6 | 3.6 | 3.6 | ||||||||
Guarantee
The guarantee conditions of our German companies do not apply to appliances acquired outside of Germany. In countries where our subsidiaries sell our products a guarantee can only be issued by those subsidiaries. Such guarantee is only granted if the subsidiary has issued its own terms of guarantee. No other guarantee will be granted.
We shall not provide any guarantee for appliances acquired in countries where we have no subsidiary to sell our products. This will not affect warranties issued by any importers.
Environment and recycling
We would ask you to help protect the environment. After use, dispose of the various materials in accordance with national regulations.
REMARQUESPARTICULIERES
10.3 Montage aflsuiten
3NaCCEBnTeBCTByET,TO np6Op COOTBeTCTByET BcEM OCHOBHbIM Tpe6OBAHm:
DnpeKTHBbE Cno Hn3KOBoNbTHOMy O6OpyOBoAHINIO,
DnpeKtBbI 63eKeTpOMarHHTHO CoBMeCTMIOCTN. MakcmaJIbHO dOnyCTmOe nonHoe cOpToNBHeHne ceTN yKa3aHO B rIabe YcTaHOBka /TexHueckne xapaK- TepncTkn / TabuNca npaMeTpOB
2.4 3HaK TexHnueckoro KOHTpOJa
CM.3aBOckyTo Ta6nUky Ha np6ope.
EbpaaNCKoe COOTBETCTBNE

Даннь的大прбор coOTBeTCTByeTpe6OBaHnM8be3ONaCHOCTNTEXHnueckoro permameHa TaMoXeHORo co3Oa3n npOwen coOTBeTCTbYUOJIne npoUeDpybNoTBePexDeHnCOOTeTCTBnA.
2.5 3HaK TexHnueckoro KOHTpOra
Cm.3aBOckyTo Ta6nUky Ha np6ope.
TocyapCTBeHHbIe DOnyckn N CBnTeJIbCTBa: TepMaHn
B COOTBETCTBUN CO CTPONTeNBHbIMN HOPMaMn IN PpabunamaMBeDMCTBOM NO HA3Opy BbIaHO O6Uee CBuTeJIbCTBO OIOITBepKJDeH IN BO3MOXHOCHTN IcIIOJIb3OBaHn INPb6opa cTOKN 3peHnE rO UyMoBbIX XapakTepNCTk.

3.Описане устpoиства
PpOToHbB BOHOHaRpeBaTeBc 3eNEKtpoHHbIM ynpaBHeHnEM aBTOMaTtueckn peryIuPyet MOUHocTb HArpeBa,TOIO3BOJHET OecneuHTb NOCTOHHyU TEMnepatypy BOiHa BbXoDE cyueTOM npedeJIbHOu MoUHocTn np6Opa. Ppi npeBbIeHN npedeJIbHOu MOUHocTn np6Opa peryIuPoBAHne TEMnepatypbBoDiOBy oCUpceBnEeTCg PnI NMOU BoOpa3-6OpHO apMaTybl.
HarpeBaTeIbHa cIcTeMa
HarpeBaTeNbHa CnCTema COTKpbTbIM HarpeBaTeNbHbIM 3neMeHTOM 3aunueHa RepMeTHuHBIM PnactIKOBbIM KOpNycOM. HarpeBaTeNbHa CnCTema npirodHa KaK DnM MaRKO, TaK nDnJ XeCTKo BODbl. TaKaer CnCTema MeHee BOCnpmMnBA K O6pa3ObaHnIO HAKnni. HarpeBaTeNbHa CnCTema oBeCneuBaT 6bICTpoe n 0f0ekTNBHOe cahxhenre Topuey BDOI.
yKa3aHne I np6op o
Pn6bOp oCnauen CnCTeMoN O6HApUxhen Bo3Dyxa, KOtopa PpeoTbpaaet NobpexKeHne CnCTeMbHa rpeBa. Ecn BO BpeM 3Kcnnyataunn Pn6bop B Hero nonadaet Bo3dyx, np6bOp OTKnOuaet HarpeBa H oNDy MNHyTy, 3auiuay Tem cambl CBOIO HarpeBaTeNbHyIO cnCTeMy.
4. Hactpoikn
Temnepa rpa rope BODbHa BbIXOe perynpyetc 6ecctyneHato.
7.2 PpeDnncAHN, cTaHdapTbI nNoJoxeHN

YkaaHne Heo6xOJMo co6IIOdaTb BCE o6ueroCyapCTBeHHbIe n pernoHaBHeI npedncaHn noLoXeHn.
CteneHb 3aunTbIP25 (3aunTaOTCTpyB0db)O6ecneYnBaETcTOIbKO pRn HApNExJaEyn yCTAHOBKe 3aunTHoB Btynn DnKa6eJy.
yEnbHoe 3NEKtpueeCKoe conpoTnBneHne BObl He DOnJH0 6blb HNKe Yka3aHHoro Ha 3aBoDcKO Ta6nUpe! Ecnn peYb nIet o6 obEbnHeHHou CnCTeme BoDocHa6- XeHn, Heo6XoIMo yuHTbBaTb HnImeHbWee 3NEKtpueeCKoe conpoTnBneHne BObl (cm. rnaBv «YctaHOBka / Texnueckne xapaKtepncTnK / Tabnua napameTpOB»). BByCNHTb yEnbHoe 3NEKtpueeCKoe conpoTnBneHne ININ 3NEKtpponpOBOHOCb BObl Ha npednpnAITN BOOChA6xehn.
8.Опсане устpoиства
8.1 KomnjeKT noCTabKu
B KOMnJIeK T NOCTaBKn PnP60pa BxOJaT:
HaTeHHaMOHTaHHaIHaKa
Pezb6oBbe wnnnbKn, Wypyni nIO6enn dny HacteHHo MOHTaXHOH PnAHHN
山a6noHnnMOHTaxa
2DBOHbIX HINPeJIaXOJIOHO BObl, C3aOpHbIM KlaNaHOM)
IIOCKNe yNIOITHeHn
Ka6eBbHa Btynka (noKIOueHne 3NeKTponuTaHnBBepy/Bn3y)
UpybI /IO6eINIJIHnAteHHoro KpenexKa npn OT-KpbITOMMOHTaKe BOJOpBODa
DOnonHInTeBnBbOrpaHnHTeBObemHOro paXOda Bnnnn noaun XoNoHO BoBt (ToIbKO MoenbDDLE Basis 18/21/24)
8.2 PpHnHaJIeXKHOCTN
Cmecntenb
ADEo 70 WD - OJHOpbIaXHbI cMecNTeIb c nepeKIOuataTeIem BaHHa/Dyw
KomnneK T nnoKnIOueHn nnTbI
KOMIIeKTIJnEJIeKTPuueckoro NOkHoueHn BOHOHarpeBaTeNei DDLE Basis 11 u DDLE Basis 13
MOHTaXHbIe npuHaDnEeXHoCTN
KOMIIeKT Tpy6 nIy MOHTaKa NoI paKOBInHO UT 104, noI KIOUOHeH:OTKpbTbIMoHTaK,G3/8,CbepxY.CtbiNnNoI KIOUOHeH BOBc pe3b6oBbIM 06XUMOM 12 MM.
YHnBepcahlbHa MaHTaXHa paMa
MOHTaXHa paMa C 3JNeKTpnueCKmM KJIeMMaMn.
KomnneKT Tpy6 dny MOHTaKa npu6opa noD paKOBHoi
EcnnoKIOueHne BObblbIOnHReTc CBepxy (G 3/8 A), noHaO6ntc KOMnKeT dIa MOHTaxa nD paKOBnHO.
KomnneK Tpy6 dIy MoNTaKa co CmeuHneM
Ecn npu yctahOBKe np6Op CMeuaetcHa 90 MM NO BepTN KaNN OTHOCHTbHO NaTPy6Ka DnI NOKHoueHn BObl, DnA MONTaKa NoHaDo6tC KOMNKeTtp6 C KOJeHOM.
KoMnneKT Tpy6 nIa nepexOda Ha ra3OByIO KOJOhKy
Ecnn moTata nCnoB3yOTc HMeIOUncce NaIpy6kn ra3oBO rBOOHaRpeBaTeN (NOKnIOueHHe XOIOHO B0bI CNEBa IROPaey BObl CNpa), NOrpe6yeTcKOMPNeKT Tpy6 nnMOtata.
Pene c6poca harpy3kn (LR 1-A)
Pene c6poca Harpy3kn npedHa3NaueHo nIyctaHOBKn B 3NeKtpnueckom pacnPpeJennteBHom ycTpoiCtBe, OHO o6ecneuBaet npOpTeTHoe BKIOUeHne npToouHoro BOdoHarpeBaTeI nperoOndoBpeMeHHo paOte, HanpImep, C3NeKtpnueckmHaKoONTeBhbIMN BOHOarpeBaTeJIAMN.
ZTA 3/4 - ueHpaIbHaTepMoCTaTnpUoJaa apMaTypa
TepmoTaHpyoAapMaTypa npedHa3NaHeaIy CeHTpAln3OBaHHOrO ppeBapNTeNbHO CMeuBaHN, HApnPmEp, BObl IpOTOHOrBOdoHarpeBaTeN u CoHHeuHO yCTaHOBKN.
9. Побrotobintьнble Меропртуя
9.1 MecTo MOHTaXa
MaTePnAhnbHn yUeep6 PnI6Op pa3peShaTcYcTaHaBnBaTb TOJIbKO BOTaNNBaEMOM NOMeueHN.
YcTaHaBnBaTb np6Op cIeDyET BepTuKaIbHo, B HenoCpeDCTBeHHo 6IIm3OCTN OT ToKIn OT6Opa.
Pnp6op MoXHO yCTaHaBnBaTb NO paKOBnHO nHn HaN Hei.

MONTAK IOIpaKOBHOn
26_02_02_1345
9.2 BOpOBoHbIe pa60TbI
YctahOBka npedeoxpaHnteIbHO rKnanaHa He Tpe6yeTcA.
TtataTeNbHO npomblb BOOIOPOBOHHyCnCTeMy.
》Heo6xmo y6eHntbc, qTo o6bemhpyacxoq (cm. rnaBv《YctahOBka/Texnueckne xapaKtepncn / Ta6nua npaMeTPOB)DOCTaTOUeH nIy BKNIOeHn np6opa.Ecn 3haueHne o6bemHoro pacxoJa He DOCTnHyTO,CNEyETN3BLeyOpaHnHTenb o6bemHoro pacxoJa (cm. rnaBv《YcTaOBka/MoHTaK orpaHnHTenra O6bemHoro pacxoJa).
》EcnpnnonHOCTbOOTKpbITOMpa3aTOOHmKpahTepe6yeMe3HaueHHeOBemHOro pacxOJa HeIOCTnHyTo,CneJyET NOBbICNTb DaBNeHBe BBOOnpOBoDHOMaTNCtpan.
CmecuTeMa
IcnoB3OBAb noxOJaHne HApOpHbIe CmecuTeHn.3anpe- uHO nCNOB3OBAb 6eHaOpHbIe CmecuTeHn.

yka3aHne
Iy mEmbweHn noToKa 3anpeuEHO nCnoB3oBaT b3a-nOpHb KnaHn Ha nnHn NoaduX XOnOHDn BObl 3a-nOpHb KnaHn CnyKNT dN6NoKnpOBaHH np6opa.
Pa3peweHHbIe MaTePnAbI dIa BOdoNpOBoDhbIX Tpy6
Tpy6oPBOBIOIpaHxOIOHOBBoDItpy6aN3rpoaeuHKOBAHHoCTaII,HePkaBeIOeCTaII,MENINnIpaCTNa
Tpy6oPBOBn noaHr ropaeB BObI: Tpy6a n3 HepXabeOe CtAn, Mei nn nnaCTnKa

Maternabnbuyuep6
PnHcNoB3OBAHN nnaCTNKOBbIX Tpy6 HxKHO yuHBtBaTb MaKcMaIbHyIO Tempeatpyu MaKcMaIbHO donyctHMoe daBneHne (cm. rnaBy «YctahOBka / TexHu-ueckne xapaKtepncTKn / Ta6nua npaMeTpOB').
Iw6kne wlnaHn dna noBbOa BODbi
PnnoKJIoueHnn npnbopa c nmoOuBIO rN6Knx 7naHROB Heo6xOIMNO ppeynpeNTb npokpyuBaHne 6aHOHTbIX COeHNHeH N B Tpy6bIX KOleHax.
3aKpeNTb 3aHIOCTeHKy,3aHKnCpOBaB ee CHN3y DByM NOJONHTeNbHbIM BNHTAMN.
10. MoHTaX
10.1 CTaHdapThbIMoHTaK
3NeKtpoN0dkJIIOueHHe CBepxy,ckpblra npOboKa
IopKnHoueHne K BODONPOBOy CkpbTOrO MOHTaxa
Moenn DDLE Basis 18/21/24 noTpe6nemma MouHocTB B3aObocko HacTpoKe 21 KBT
10.2 AnbTePhaTnBHbIe BapHaHTbl MOHTaKa
10.2.1 ΘneKtpoNpOKnIoueHHe HnXHHe, cKpbITa npoBODka
YctaHOBt b Ka6eBHyIO BTyNkY.

MaTePnaJbHbI yuep6 Ecnn no OwN6ke 6blno BblnomaHo He To OTBepCTne IJa Ka6ebHoB BVtyn, Heo6xOaMo NcNoJb3OBaTb HOByIO 3aDHIIO CTeHky!
》BbINOMaTb B3aJAHHOI TOUKe Ha 3aJHHe CTeHKe OTBepCTne Jn Ka6eJbHoB BTyKn. Ipn HAnuyn OcTpblx KpOMOK INCNEyET 3aHNCNTb HAnJIbHNKOM.
IepeMeCTNb KEmmy NOKJIoueHnK 3NeKeTpoCetn C BepxHeu qactn np6opa Bn3.
》HaTeB 3aHIOO CTeKHy Ha ⅢnNbKy N Ka6eIbHyIO BtynKy. POnTAYb IIOCKORY6aAMn Ka6eIbHyIO BtynKy KΦHKcATOpY Ha 3aDHeN CTeKHe TAK, YTO6bl O6a ΦNKcAtopA 3aUeIKHcync Bo CblIIMMbIM UeNkOM.
》3aHIOI NaHeB IIIOTHO pINKaTb KCTHe.3a6NOKIpOBaTb KpeENKbI BOPOTK, NOBEPHyB erO BnPaBO Ha 90°
10.2.2 3neKtpoNOKnOuHene,OTKpbTaa npoBoka

Yka3aHne
Pn Takom cnoco6e noKIOueHn 3MeHHTc CTeneHb 3aunTb np6opa.
》ИЗмEHNTыньile Ha 3aBoDCKо Ta6nUyKe.3aepKHyTB МарКирOBky «IP 25» ИnomeTHTb KpeCTNKOMЯeKy «IP 24».ПугэТOM ИспОьБаТьшapИКOBByIOpyuKy.

MaTePnAJIbHbIyUeep6
Ecn no own6Ke 6blno BblnomaH He To OTBepCTne IJRA Ka6enbHOH BtynKHeo6xOaIMOn HcNoIb30BaTb HOByIO 3aDHIO CTeKNy.
B3aHHe CTeHKe UcTo BbIOnHnTb Heo6xOuMbIeCKBO3HbIe OTBepCTnR (CM. rnaBy «UctaHObKa /TexHueckne XapaKTePncTnKn / Pa3MepbI n CoeUNHeHnra).PpH aHnHmOcTpbx KpOMOKnx CneDyET 3aunCTnB HAnlhbHkOM.
》PpOyCTnB Ka6eNb 3JKeKtpoNTaHnaYepe3 Ka6eNbHyIO BTVkU N NOkNIOuHTb 3TOT Ka6eNb K CoeINHtEnbHOI KJIeMMe CETn.
10.2.3 PoioknoueHne pene c6poca harpy3kn
Pene c6poca Harpy3Kn B 3neKtpopacnpedeHntbHom yctpoicTBe CndeyeT NCNOB3OaTb COBMcTHo C npyHMn 3neKtpopnp6opamn, Hanpimep, C 3neKtpnuceckmHn KaONiTeNbHbIMN BOHOHarpeBaTeJMM. C6poc Harpy3Kn OcyuectBnaetc npu pa6ote npoTOHOro BOHOHarpeBaTeJn.

MATEPNaIbHbIyuep6
IopknIOHTb 43y,Ha KOTOPYIO YCTAHOBnHO pene c6poca Harpy3KN, K NOMeEHNO CoeHNHTenBHOKJIEMME cETN B npn6ope (cm. rnaBy «YctAHOBka / TexHnueckne XapakTePncTnKn / 3NeKtpnueckne cxEmbl n coeHNHeHHA).
10.2.4 MoTax NoJ paKOBnHO, naTpY6Kn NoDKIoueHn BObl CBepxY
Ha BHTpeHHHe CTOpOHe KpbIuKn npu6oPa MoXHO yCTaHOBtB OrpaHnueHne TempeaTypb, paBHOe 43°C.

D0000046203
》IokKIOUHTb WTeKeP 3aIauIeero yCtpoiCTBa KOrpaHnHHTeIIO TEMpePaTpyb, HAcTpoEHHomy Ha 43^
TocneaknBaunorpaHnueHnraTeMnpaTpbyBb6opTeMnpaTpybBO3MOKeHToIbKO Bduana3OHeOTdo43°C.
10.3 3abepweHne MOHTaXa
》OTKpbTb3aOpHbI KnaHaB B DBOHOM HnHne HnB Tpy6onpoBoDe nOdaHxOJHOH BObl.
11. BbOaB 3Kcnpnyatauio

IPEyIPEXHEHNE npaxeHne 3JekTpuecknM TOKOM
BbOJ np6opa B kcnnyatauMOKetocyueCTBnTbcra TOnbko Cneuaanctom npu ycobnn co6nOeHn npaBnTexnKn 6e3oNaCHOCTn.
11.1 NepBbI BBOB 3KcNpyTaunIO






》MHOROKpaTHOOTKpbIBaTbN3aKpbIBaTB BCE NOdkIIOUeH HbIe pa3daToCHbIe KpaHbI DoTex nop, NOKa N3 BOJOnpOBoHN CeTN IN Pn6Opa He BbInTeBcB Bo3dyX.
»BbInonHnTb npoBepky repMeTuHocTn.
》AKTNBnPOBaT npedoxpaHntbHbI orpAHnHTeB DaBHeHn, DnE 3TOI NIOTHO BdaBNTb KHOKNy C6pOCA (B KOMNKeT NoCTaBKn BXoDIT npedoxpaHntbHbI orpAHnHTeB DaBHeHn B DeakTNBnPOBaHHOM COCToHN).
》PoiKnIIOuNTb WTekep peryIaTopa TempepaTypbK6IoKy 3NeKTpoHnK.
» YctahOBuTb KpbIuKy npn6opa.KpbIuKa npn6opa DonjxHa 3aФИKcnpOBAtBcra co ueNqKom. PpOBepTu b noLoXeHne KpbIuK npn6opa.
》PnDaTb cTeBoe HapJxKeHne.
» BbINOJIHnTb KaJIb6pOBky TempepaTypbI. NObepHyTb pe- rYJrAToP TempepaTypbI BnpaBO u BNeBO do yNopa.
PpOBeepbpa60Ty npu6opa.
Ipepa np6opa
O6bAChNtB NOnb3OBATeIIO fHyHKUIN npu6opa. O3HaKOMNTb erO CnpaIKOM NOnb3OBAHn np6opom.
Ka3aTb NOB3OBATeHIO Ha BO3MOXHbIe ONaCHOCTN,OCo-6eHHo HA ONaCHOCTb 06BapuBaHn.
》IpepaTb daHHoe pyKOBOcTBO.
11.2 NOBTOHbI BBOB B 3KcNpyaunIO
»Даинь BO3dYx nI np6Opa n Tpy6oNpOBOda nOaHxONOHOB OBObl (CM. rnaBy «YnpaBneHne / HactpoKn»).
》CM.flnaby《YctahOBka/MoHTaxk/BBODB3KcnnyatauIO/IpEBbBnBBOdB3KcnnyatauIO》
12. BbIbO n3 əKcπIyaTaUu
》PONHOCTbIOOeCTouHTb npu6Op c pa3MbikAHem Bcex KOHTAKTOB.
»OnopoxHnTb npu6Op (cM. rnaBy «YctaHOBka/ Texo6cnyXnBaHne').
6940 20 20 92
13. UctpaHne HencnpabHocte

IPEyIPEKJDEHNE npaxeHne 3JeKtpuecknM TOKOM Dn npOBepKn np6opa OH dONKeH hXoAnTbCn NOd HapxkeHem.
Hnkaunnaarnoctneckoro CBeToNOHOHORO HnKaTopa (LED)
| Краснный гороту р�и неспразвости Желтуготь в ожиме наgreва Зелен布局а Балы Балы Балы | Краснный гороту р�и неспразвostи Желтуготь в ожиме наgreва Зелен布局а Балы Балы Балы Балы Балы Балы Балы Балы Балы Балы Балы Балы Балы Балы Балы Балы Балы Балы Балы Балы Балы Балы Балы Балы Балы Бал� Балы Балы Балы Балы Балы Балы Балы Балы Балы Балы Балы Балы Балы Балы Балы Балы Балы Балы Балы Балы Балы Балы Балы Балы Балity Балity Балity Балity Балity Балity Балity Балity Балity Балity Балity Балity Балity Балity Балity Балity Балity Балity Балity Балity Балity Балity Балity Балity Балity БалITY БалITY БалITY БалITY БалITY БалITY БалITY БалITY БалITY БалITY БалITY БалITY БалITY БалITY БалITY БалITY БалITY БалITY БалITY БалITY БалITY БалITY БалITY БалITY БалITY Балity БалITY БалITY БалITY БалITY БалITY БалITY БалITY БалITY БалITY БалITY БалITY БалITY БалITY БалITY БалITY БалITY БалITY БалITY БалITY БалITY БалITY БалITY БалITY Балity Балity Балity Балity Балity Балity Балity Балity Балity Балity Балity Балity Балity Балity Балity Балity Балity Балity Балity Балity Балity Балity Балity Балity Бал性 Бал性 Бал性 Бал性 Бал性 Бал性 Бал性 Бал性 Бал性 Бал性 Бал性 Бал性 Бал性 Бал性 Бал性 Бал性 Бал性 Бал性 Бал性 Бал性 Бал性 Бал性 Бал性 Бал性 Бал性 Бал性的 Бал性的 Бал性的 Бал性的 Бал性的 Бал性的 Бал性的 Бал性的 Бал性的 Бал性的 Бал性的 Бал性的 Бал性的 Бал性的 Бал性的 Бал性的 Бал性的 Бал性的 Бал性的 Бал性的 Бал性的 Бал性的 Бал性的 Бал性的 Бал性的 Бал性和 Бал性和 Бал性和 Бал性和 Бал性和 Бал性和 Бал性和 Бал性和 Бал性和 Бал性和 Бал性和 Бал性和 Бал性和 Бал性和 Бал性和 Бал性和 Бал性和 Бал性和 Бал性和 Бал性和 Бал性和 Бал性和 Бал性和 Бал性和 Бал性和 Бал性 Бал性和 Бал性和 Бал性和 Бал性和 Бал性和 Бал性和 Бал性和 Бал性和 Бал性和 Бал性和 Бал性和 Бал性和 Бал性和 Бал性和 Бал性和 Бал性和 Бал性和 Бал性和 Бал性和 Бал性和 Бал性和 Бал性和 Бал性和 Бал性和 Бал和性 Бал性和 Бал性和 Бал性和 Бал性和 Бал性和 Бал性和 Бал性和 Бал性和 Бал性和 Бал性和 Бал性和 Бал性和 Бал性和 Бал性和 Бал性和 Бал性和 Бал性和 Бал性和 Бал性和 Бал性和 Бал性和 Бал性和 Бал性和 Бал性和 Б罗性和 Б罗性和 Б罗性和 Б罗性和 Б罗性和 Б罗性和 Б罗性和 Б罗性和 Б罗性和 Б罗性和 Б罗性和 Б罗性和 Б罗性和 Б罗性和 Б罗性和 Б罗性和 Б罗性和 Б罗性和 Б罗性和 Б罗性和 Б罗性和 Б罗性和 Б罗性和 Б罗性和 Б罗性和 Бал性和 Б罗性和 Б罗性和 Б罗性和 Б罗性和 Б罗性和 Б罗性和 Б罗性和 Б罗性和 Б罗性和 Б罗性和 Б罗性和 Б罗性和 Б罗性和 Б罗性和 Б罗性和 Б罗性和 Б罗性和 Б罗性和 Б罗性和 Б罗性和 Б罗性和 Б罗性和 Б罗性和 Бал性和 Бал性和 Б罗性和 Б罗性和 Б罗性和 Б罗性和 Б罗性和 Б罗性和 Б罗性和 Б罗性和 Б罗性和 Б罗性和 Б罗性和 Б罗性和 Б罗性和 Б罗性和 Б罗性和 Б罗性和 Б罗性和 Б罗性和 Б罗性和 Б罗性和 Б罗性和 Б罗性和 Бал性和 Б罗性和 Бал性和 Б罗性和 Б罗性和 Б罗性和 Б罗性和 Б罗性和 Б罗性和 Б罗性和 Б罗性和 Б罗性和 Б罗性和 Б罗性和 Б罗性和 Б罗性和 Б罗性和 Б罗性和 Б罗性和 Б罗性和 Б罗性和 Б罗性和 Б罗性和 Б罗性和 Б罗性和 Б�性和 Б罗性和 Б罗性和 Б罗性和 Б罗性和 Б罗性和 Б罗性和 Б罗性和 Б罗性和 Б罗性和 Б罗性和 Б罗性和 Б罗性和 Б罗性和 Б罗性和 Б罗性和 Б罗性和 Б罗性和 Б罗性和 Б罗性和 Б罗性和 Б罗性和 Б罗性和 Б罗性和 Б罗性和 Б�性和 Б罗性和 Б�性和 Б罗性和 Б罗性和 Б罗性和 Б罗性和 Б罗性和 Б罗性和 Б罗性和 Б罗性和 Б罗性和 Б罗性和 Б罗性和 Б罗性和 Б罗性和 Б罗性和 Б罗性和 Б罗性和 Б罗性和 Б罗性和 Б罗性和 Б罗性和 Б罗性和 Б罗性和 Б�性和 Б罗性和 Бу性和 Бу性和 Бу性和 Бу性和 Бу性和 Бу性和 Бу性和 Бу性和 Бу性和 Бу性和 Бу性和 Бу性和 Бу性和 Бу性和 Бу性和 Бу性和 Бу性和 Бу性和 Бу性和 Бу性和 Бу性和 Бу性和 Бу性和 Бу性和 Бу性和 Б罗性和 Б罗性和 Б罗性和 Б罗性和 Б罗性和 Б罗性和 Б罗性和 Б罗性和 Б罗性和 Б罗性和 Б罗性和 Б罗性和 Б罗性和 Б罗性和 Б罗性和 Б罗性和 Б罗性和 Б罗性和 Б罗性和 Б罗性和 Б罗性和 Б罗性和 Б罗性和 Б罗性和 Бу性和 Бу性和 Бу性和 Бу性和 Бу性和 Бу性和 Бу性和 Бу性和 Бу性和 Бу性和 Бу性和 Бу性和 Бу性和 Бу性和 Бу性和 Бу性和 Бу性和 Бу性和 Бу性和 Бу性和 Бу性和 Бу性和 Бу性和 Б罗性和 Бу性和 Б罗性和 Б罗性和 Б罗性和 Б罗性和 Б罗性和 Б罗性和 Б罗性和 Б罗性和 Б罗性和 Б罗性和 Б罗性和 Б罗性和 Б罗性和 Б罗性和 Б罗性和 Б罗性和 Б罗性和 Б罗性和 Б罗性和 Б罗性和 Б罗性和 Б罗性和 Б罗性和 Бу性和 Б罗性和 Б罗性和 Б罗性和 Б罗性和 Б罗性和 Б罗性和 Б罗性和 Б罗性和 Б罗性和 Б罗性和 Б罗性和 Б罗性和 Б罗性和 Б罗性和 Б罗性和 Б罗性和 Б罗性和 Б罗性和 Б罗性和 Б罗性和 Б罗性和 Б罗性和 Бу性和 Бу性和 Б罗性和 Б罗性和 Б罗性和 Б罗性和 Б罗性和 Б罗性和 Б罗性和 Б罗性和 Б罗性和 Б罗性和 Б罗性和 Б罗性和 Б罗性和 Б罗性和 Б罗性和 Б罗性和 Б罗性和 Б罗性和 Б罗性和 Б罗性和 Б罗性和 Б罗性和 Бу性和 Б罗性和 Бу性和 Б罗性和 Б罗性和 Б罗性和 Б罗性和 Б罗性和 Б罗性和 Б罗性和 Б罗性和 Б罗性和 Б罗性和 Б罗性和 Б罗性和 Б罗性和 Б罗性和 Б罗性和 Б罗性和 Б罗性和 Б罗性和 Б罗性和 Б罗性和 Б罗性和 Бу性和 Бу性和 Б罗性和 Бу性和 Б罗性和 Б罗性和 Б罗性和 Б罗性和 Б罗性和 Б罗性和 Б罗性和 Б罗性和 Б罗性和 Б罗性和 Б罗性和 Б罗性和 Б罗性和 Б罗性和 Б罗性和 Б罗性和 Б罗性和 Б罗性和 Б罗性和 Б罗性和 Бу性和 Бу性和 Бу性和 Бу性和 Б罗性和 Б罗性和 Б罗性和 Б罗性和 Б罗性和 Б罗性和 Б罗性和 Б罗性和 Б罗性和 Б罗性和 Б罗性和 Б罗性和 Б罗性和 Б罗性和 Б罗性和 Б罗性和 Б罗性和 Б罗性和 Б罗性和 Б罗性和 Бу性和 Бу性和 Бу性和 Б罗性和 Б罗性和 Б罗性和 Б罗性和 Б罗性和 Б罗性和 Б罗性和 Б罗性和 Б罗性和 Б罗性和 Б罗性和 Б罗性和 Б罗性和 Б罗性和 Б罗性和 Б罗性和 Б罗性和 Б罗性和 Б罗性和 Б罗性和 Б罗性和 Бу性和 Бу性和 Бу性和 Б罗性和 Бу性和 Б罗性和 Б罗性和 Б罗性和 Б罗性和 Б罗性和 Б罗性和 Б罗性和 Б罗性和 Б罗性和 Б罗性和 Б罗性和 Б罗性和 Б罗性和 Б罗性和 Б罗性和 Б罗性和 Б罗性和 Б罗性和 Б罗性和 Бу性和 Бу性和 Бу性和 Бу性和 Бу性和 Б罗性和 Б罗性和 Б罗性和 Б罗性和 Б罗性和 Б罗性和 Б罗性和 Б罗性和 Б罗性和 Б罗性和 Б罗性和 Б罗性和 Б罗性和 Б罗性和 Б罗性和 Б罗性和 Б罗性和 Б罗性和 Б罗性和 Бу性和 Бу性和 Бу性和 Бу性和 Б罗性和 Бу性和 Б罗性和 Б罗性和 Б罗性和 Б罗性和 Б罗性和 Б罗性和 Б罗性和 Б罗性和 Б罗性和 Б罗性和 Б罗性和 Б罗性和 Б罗性和 Б罗性和 Б罗性和 Б罗性和 Б罗性和 Б罗性和 Бу性和 Бу性和 Бу性和 Бу性和 Бу性和 Бу性和 Б罗性和 Б罗性和 Б罗性和 Б罗性和 Б罗性和 Б罗性和 Б罗性和 Б罗性和 Б罗性和 Б罗性和 Б罗性和 Б罗性和 Б罗性和 Б罗性和 Б罗性和 Б罗性和 Б罗性和 Б罗性和 Бу性和 Бу性和 Бу性和 Бу性和 Бу性和 Б罗性和 Бу性和 Б罗性和 Б罗性和 Б罗性和 Б罗性和 Б罗性和 Б罗性和 Б罗性和 Б罗性和 Б罗性和 Б罗性和 Б罗性和 Б罗性和 Б罗性和 Б罗性和 Б罗性和 Б罗性和 Б罗性和 Бу性和 Бу性和 Бу性和 Бу性和 Бу性和 Бу性和 Бу性和 Б罗性和 Б罗性和 Б罗性和 Б罗性和 Б罗性和 Б罗性和 Б罗性和 Б罗性和 Б罗性和 Б罗性和 Б罗性和 Б罗性和 Б罗性和 Б罗性和 Б罗性和 Б罗性和 Б罗性和 Бу性和 Бу性和 Бу性和 Бу性和 Бу性和 Бу性和 Б罗性和 Бу性和 Б罗性和 Б罗性和 Б罗性和 Б罗性和 Б罗性和 Б罗性和 Б罗性和 Б罗性和 Б罗性和 Б罗性和 Б罗性和 Б罗性和 Б罗性和 Б罗性和 Б罗性和 Б罗性和 Бу性和 Бу性和 Бу性和 Бу性和 Бу性和 Бу性和 Бу性和 Бу性和 Б罗性和 Б罗性和 Б罗性和 Б罗性和 Б罗性和 Б罗性和 Б罗性和 Б罗性和 Б罗性和 Б罗性和 B罗性和 B罗性和 B罗性和 B罗性和 B罗性和 B罗性和 B罗性和 B罗性和 B罗性和 B罗性和 B罗性和 B罗性和 B罗性和 B罗性和 B罗性和 B罗性和 B罗性和 B罗性和 B罗性和 B罗性和 B罗性和 B罗性和 B罗性和 B罗性和 B罗性和 В. В. В. В. В. В. В. В. В. В. В. В. В. В. В. В. В. В. B. B. B. B. B. B. B. B. B. B. B. B. B. B. B. B. B. B. B. B. B. B. B. B. B. B. B. B. B. B. B. B. B. B. B. B. B. B. B. B. B. B. B. B. B. B. B. B. B. B. C. C. C. C. C. C. C. C. C. C. C. C. C. C. C. C. C. C. C. C. C. C. C. C. C. C. C. C. C. C. C. C. C. C. C. C. C. C. C. C C C C C C C C C C C C C C C C C C C C C C C C C C C C C C C C C C C C C C C C C C C C C C C C C C C |

D0000041794
1 DnaHnOCTnueckm CBETOADnOHDhINHnKaTOp
15.6 Bo3MoXKHbIe HEnCnpaBHOCTN
Pn HncnpaBHOCTN B ODOIOPOBOHOH CNTeMe MOryT BO3HNKaTb KpATKOBpeMeHHBe MaKcMaJIbHBe HaPy3Kn, COpOBoXJaEMbIe NOBIIeHHeM TemNepaTypbI Do 95°C n daBHeHndo1,2MPa.
15.7 Xapaktepcntukn 3hepronoTpe6neHna
XapakTePncTnKn 3dEINr COOTBcTCTByOT npeDncaHnM DInpeKTNBbE C, ONpeDnAIOUe Tpe6oBaHn K ekOuN3aHy 3Hepronotpe6Ioue npOdykun (ErP).
Urzhumskaya street 4,
building 2
129343 Moscow
Tel. 0495 7753889
Fax 04957753887
Switzerland
STIEBEL ELTRON AG
Industrie West
Gass 8
5242 Lupfig
Tel. 056 4640-500
Fax 0564640-501
EasyManual