DHE 24 SLi - Elektrischer Wassererhitzer STIEBEL ELTRON - Kostenlose Bedienungsanleitung
Finden Sie kostenlos die Bedienungsanleitung des Geräts DHE 24 SLi STIEBEL ELTRON als PDF.
| Merkmal | Details |
|---|---|
| Gerätetyp | Elektrischer Durchlauferhitzer |
| Leistung | 24 kW |
| Stromversorgung | 230 V / 400 V Drehstrom |
| Warmwasser-Durchfluss | Bis zu 13,5 l/min bei 406C |
| Abmessungen | H2he: 60 cm, Breite: 30 cm, Tiefe: 12 cm |
| Gewicht | Ca. 10 kg |
| Installation | Wandmontage, innen |
| Verwendung | Zur Warmwasserbereitung |
| Wartung | J4hrliche berprfung empfohlen, Filterreinigung |
| Sicherheit | Schutz gegen berhitzung, elektrischer Schutz IP25 |
| Garantie | 2 Jahre |
| Zertifizierungen | CE, konform mit europ4ischen Sicherheitsnormen |
Häufig gestellte Fragen - DHE 24 SLi STIEBEL ELTRON
Questions des utilisateurs sur DHE 24 SLi STIEBEL ELTRON
0 question sur cet appareil. Repondez a celles que vous connaissez ou posez la votre.
Poser une nouvelle question sur cet appareil
Laden Sie die Anleitung für Ihr Elektrischer Wassererhitzer kostenlos im PDF-Format! Finden Sie Ihr Handbuch DHE 24 SLi - STIEBEL ELTRON und nehmen Sie Ihr elektronisches Gerät wieder in die Hand. Auf dieser Seite sind alle Dokumente veröffentlicht, die für die Verwendung Ihres Geräts notwendig sind. DHE 24 SLi von der Marke STIEBEL ELTRON.
BEDIENUNGSANLEITUNG DHE 24 SLi STIEBEL ELTRON
- Allgemeine Hinweise 2
1.1 Sicherheitshinweise 2
1.2 Andere Markierungen in dieser Dokumentation 3
1.3 MaBeinheiten 3 - Sicherheit 3
2.1 Bestimmungsgemäß Verwendung 3
2.2 Allgemeine Sicherheitshinweise 3
2.3 Prüfzeichen 3
3.Gerätebeschreibung 4 - Einstellungen und Anzeigen 4
4.1 Bedienfeld am Gerät 4
4.2 Temperatur einstellen 5
4.3 Sparmonitor aufrufen 5
4.4 Einstellungen am Gerät 6 - Reinigung, Pflege und Wartung 7
6.Problebehebung 7
INSTALLATION
- Sicherheit 8
7.1 Allgemeine Sicherheitshinweise 8
7.2 Vorschriften, Normen und Bestimmungen 8
8.Gerätebeschreibung 8
8.1 Lieferumfang 8
8.2 Zubehör 8
-
Vorbereitungen 9
9.1 Montageort 9
9.2 Werkseinstellungen 9 -
Montage 10
10.1 Montage abschreiben 12
10.2 Montage-Alternativen 12
11. Inbetriebnahme 15
11.1 Erstinbetriebnahme 15
11.2 Wiederinbetriebnahme 15
- Kundendienstmodus 15
- Außerbetriebnahme 16
- Störungsbehebung 16
- Wartung 18
- Technische Daten 18
16.1 MaBe und Anschlusse 18
16.2 Elektroschaltplan 18
16.3 Mischwassermenge/Auslaufmenge 19
16.4 Einsatzbereiche / Umrechnungstabelle 19
16.5 Druckverluste 19
16.6 Storfallbedingungen 19
16.7 Angaben zum Energieverbrauch 20
16.8 Datentabelle 20
GARANTIE
UMWELT UND RECYCLING
BEDIENUNG
1. Allgemeine Hinweise
Das Kapitel „Bedienung“ richtig sich an den Gerätebenutzer und den Fachhandwerker.
Das Kapitel „Installation“ richtet sich an den Fachhandwerker.

Lesen Sie diese Anleitung vor dem Gebrauch sorgfältig durch und bewahren Sie sie auf.
Geben Sie die Anleitung gegebenenfalls an einen nachfolgenden Benutzer weiter.
1.1 Sicherheitshinweise
1.1.1 Aufbau von Sicherheitschinweisen

SIGNALWORT Art der Gefahr
Hier stehen mögliche Folgen bei Nichtbeachtung des Sicherheitschinweises.
Hier stehen Maßnahmen zur Abwehr der Gefahr.
1.1.2 Symbole, Art der Gefahr
Symbol Art der Gefahr

Verletzung

Stromschlag

Verbrennung oder Verbrührung
1.1.3 Signalworte
| SIGNALWORT | Bedeutung |
| GEFAHR | Hinweise, deren Nichtbeachtung schwere Verletzungen oder Tod zur Folge haben. |
| WARNUNG | Hinweise, deren Nichtbeachtung schwere Verletzungen oder Tod zur Folge haben kann. |
| VORSICHT | Hinweise, deren Nichtbeachtung zu mittelschwenen oder leichten Verletzungen führen kann. |
1.2 Andere Markierungen in dieser Dokumentation

Hinweis
Hinweise werden durch horizontale Linien ober- und unterhalb des Textes begrenzt. Allgemeine Hinweise werden mit dem nebenstehenden Symbol gekennzeichnet.
Lesen Sie die Hinweistextesorgfaltig durch.
Symbol

Sachschaden
(Gerä-, Folge-, Umweltschaden)

Geräteentsorgung
- Dieses Symbol gezigt ihren, dass Sie etwas tun,müssen. Die erforderlichen Handlungen werden Schritt fur Schritt beschreiben.
1.3 Maßeinheiten

Hinweis
Wenn nicht anders angegeben, ist die verwendete Maß-einheit Millimeter.
2. Sicherheit
2.1 Bestimmungsgemäß Verwendung
Das Gerät ist für den Einsatz im häuslichen Umfeld vorgesehen. Es kann von nicht eingewiesenen Personen sicherebedient werden. In nicht häslicher Umgebung, z. B. im Kleingewerbe, kann das Gerät ebenfls verwendet werden, sofern die Benutzung in gleicher Weise erfolgt.
Eine andere oder darüber hinausgehende Benutzung gilt als nicht bestimmungsgemäß. Zum bestimmungsgemüssen Gebrauch gehört auch das Beachten dieser Anleitung sowie der Anleitungen für eingesetztes Zubehor.
Das Druckgerät dient zur Erwärung von Trinkwasser oder zur Nacherwärung von vorgewärtem Wasser. Das Gerät kann ein oder mehrere Entnahmestellen versorgen.
2.2 Allgemeine Sicherheitshinweise

VORSICHT Verbrennung
Die Armatur kann während des Betriebs eine Temperatur von über 60^ annehmen.
Bei Auslauftemperaturen großer 43^ besteht Verbrühungsgefahr.

WARNING Verletzung
Das Gerät kann von Kindern ab 8 Jahren sowie von Personen mit verringerten physischen, sensorischen oder mentalen Fähigkeiten oder Mangel an Erfahrung und Wissen benutzt werden, wenn sie beaufsichtigt werden oder bezüglich des sicheren Gebrauchs des Geräts unterwiesen wurden und die daraus resultierenden Gefahren verstanden haben. Kinder dürfen nicht mit dem Gerät speilen. Reinigung und Benutzer-Wartung dürfen nicht von Kindern ohne Beaufsichtigung durchgeführt werden.
Falls Kinder oder Personen mit eingeschränkten körperlichen, sensorischen oder geistigen Fähigkeiten das Gerät benutzen, empfehlen wir eine dauerhafte Temperaturbegrenzung. Die Begrenzung konnen Sie oder der Fachhandwerker einstellen:
- Kindersicherung vom Benutzer einstellbar
- Verbrühschutz vom Fachhandwerker einstellbar

Sachschaden
Das Gerät und die Armatur sind vom Nutzer vor Frost zu schützen.
2.3 Prüfzeichen
Siehe Typenschild am Gerät
Landesspezifische Zulassungen und Zeugnisse: Deutschland
Für das Gerät ist auf Grund der Landesbauordnungen ein allgemeines bauaufsichtliches Prüfzeugnis zum Nachweis der Verwendbarkeit hinsichtlich des Gerauschverhaltens erteilt.

3. Gerätebeschreibung
Das vollelektronisch geregelte Gerät mit automatischer Leistungsanpassung hält die Auslauftemperatur konstant. Das Wasser wird durch die vollelektronische Regelung mit Motorventil gradgenau auf die eingestellte Temperatur erwartet. Dies geschiett unabhängig von der Zulauftemperatur.
Warmwassertemperatur
Die Warmwasser-Auslauftemperatur konnen Sie stufenlos einstellen. Die eingestellte Temperatur erscheint auf dem Display.
Heizsystem
Das Blankdraht-Heizsystem hat einen druckfosten Kupfermantel. Das Heizsystem ist für kalkarme und kalkhaltige Wässer geeignet, es ist gegen Verkalkung weltgehend unempfindlich. Das Heizsystem sorgt für einechnelle und effiziente Warmwasserversorgung.

Hinweis
Das Gerät ist mit einer Lufterkennung ausgestattet, die eine Beschädigung des Heizsystems weltgehend verhindert. Gelangt während des Betriebes Luft in das Gerät, schaltet die Heizleistung automatisch für eine Minute aus und das Heizsystem ist geschützt.
Hintergrundbeleuchtung im Display
Das Display hat eine zweifarbige Hintergrundbeleuchting (grün / bernstein).
Effizienz-Display
Das grüne ECO-Backlight signalisiert besonderss ökonomische Betriebszustände
- wenn die eingeschaltete Leistung kleiner 80% ist
- wenn bei einer Zulauftemperatur von großer 35^ die maxi-male Leistung kleiner 80% ist
- wenn bei eingeschalteter ECO-Funktion die maximale Leistung kleiner 80% ist
In allen anderen Betriebszuständen ist die Hintergrundbeuch-tung bernsteinfarben.
Sparmonitor
Das Gerät besitzt einen Sparmonitor. Dieser wird mit einem Druck auf die entsprechende Taste aktiviert. Anzeigen:
- Energieeinsparung*
- Wassereinsparung*
- CO_2 -Einsparung*
-
Energiemenge
Wasserverbrauch -
im Vergleich zu hydraulischen Durchlauferhitzern. Berechnung für einen 3-Personen-Haushalt mit personenbezogenen Nutzwerberdorf und Nutzenergiebedarf nach VDI 2067. Strom - und Wasserkosten sind individuell programmierbar.
4. Einstellungen und Anzeigen
Sie konnen das Gerät am Bedienfeld einstellen.
Einlauftemperaturhinweis
Wenn die Einlauftemperatur länger als die Wunschtemperatur ist, z. B. bei Solar vorgewärtem Wasser, blinking die Temperaturanzeige und die zweite Anzeige zeigt die Zulauftemperatur an. Es erfolgt keine weitere Erwärung des Wassers.

1 Anzeige Temperatur blinkt
2 Anzeige Zulauftemperatur
3 Leuchtdiode Verbruhgefahr; rote Leuchtdiode bei Temperaturreinstellung >43^
Einstellungsempfehlung bei Betrieb mit einer Thermostatatur
Stellen Sie die Temperatur am Gerät auf 60^ ein.
Nach Unterbrechung der Wasserversorgung
siehe Kapitel „Wiederinbetriebnahme"
4.1 Bedienfeld am Gerät

1 Temperatur-Einstellknopf
2 Leuchtdiode Verbruhlgefahr
3 Speichertaste
4 Menutaste
5 Anzeige zusätzlicher Wert
BEDIENUNG
Einstellungen und Anzeigen
6 Anzeige Heizleistung
7 Anzeige Temperatur
8 Symbol Service
9 Symbol Fehler
10 Informationstaste Sparmonitor
Bei Lieferung ist die Hintergrundbeleuchung so eingestellt, dass sich die Beleuchung automatisch einscheltet, sobald Sie den Einstellknopf oder eine Taste betätigten oder das Gerät heizt. Nach 30 Sekunden ohne Betätigung oder ohne Heizbetrieb schaltet sich die Hintergrundbeleuchung aus. Sie konnen auch auf Dauerbeleuchung stellen.
Symbole

1 Wellness-Duschen
2 Wassermengenautomatik
3 ECO
4 Kindersicherung
5 Anzeige zusätzlicher Wert
6 Uhrzeit
4.2 Temperatur einstellen

1 Temperatureinstellung 20 - 60 °C in 0,5 °C - Schritten, OFF = Heizsystem ausgeschaltet
2 Gespeicherte Temperatur aufrufen
3 Sparmonitor aufrufen
Die Speichertaste M können Sie mit einer Wunschtemperatur belogen.
Wahlen Sie eine Wunschtemperatur.
Drucken Sie 2 Sekunden die M-Taste. Zur Bestätigung blinkDie verbrauchte Energiemenge in kWh wird Ihnen angezeigt.
Die verbrauchte Energiemenge in kWh wird Ohnen angezeigt.
die Temperaturanzeige 1x.
4.3 Sparmonitor aufrufen

Menüstruktur am Beispiel in Euro (Eur)
1 Energieeinsparung
Die Energieeinsparung in Euro (Eur) wird Ihnen im Vergleich zu hydraulischen Durchlauferhitzern berechnet und angezeigt.
2 Wassereinsparung
Die Wassereinsparung in Euro (Eur) wird Ihnen im Vergleich zu hydraulischen Durchlauferhitzern berechnet und angezeigt.
3 CO2-Emission
Die CO2-Einsparung in kg wird Ohnen im Vergleich zu hydraulischen Durchlauferhitzern berechnet und angezeigt.
4 Energiemenge
5 Wasserverbrauch
Die verbrauchte Wassermenge in ^3 wird Ihnen angezeigt.
4.4 Einstellungen am Gerät
Symbolerklarung

1 x drucken START-Menu
1xdruckenMenuwechseln

Einstellungen / Abfrage wechseln

Menüstruktur

1 ECO Wasser- und Energiesparfunktion
Mit der ECO-Funktion konnen Sie die Durchflussmenge auf einen Maximalwert begrenzen.
ECO ein = Symbol im Bedienfeld
ECO aus = kein Symbol im Bedienfeld
2 Kindersicherung
Mit der Kindersicherung konnen Sie als Benutzer die einstellbare Temperatur am Gerät auf einen Maximalwert begrenzen. Der Fachhandwerker kann im Kundendienstmodus zusammen eine Verbrühschutztemperatur einstellen (siehe Kapitel „Kundendienstmodus"). Diese Temperatur gilt dann als Obergrenze des Einstellbereichs für die Kindersicherung.
3 Wellness-Duschen
Im Wellness-Dusch-Programm konnen Sie 4 verschiedene Pro- gramme fur Wechselduschen wahlen.
A Erkaltungsvorbeugung
Zur Abhängung empfehlen wir beim Abschluss eine Kaltdusche; damit wird im Körper per eine reflexartige Erwärung eingeleitet.

B Wintererfrischnung
Als erfrischender Abschluss einer Winterdusche mit Wiedererwärung.

C Sommerfitnessprogramm
Die schnelle Wechseldusche zur Steigerung der Fitness mit abschlieBender Wiedererwärzung.

D Durchblutungsprogramm
Zur Förderung der Durchblutung werden Arme und Beine kalt abgeduscht. Dabei soll das Duschen von Handen und Fußen zum Körpern hin erfolgen. Diese Vorgang konnen Sie anschließend mit warmem Wasser wiederholen.

4 Wassermengenautomatik
Mit der Wassermengenautomatik konnen Sie die Wassermenge mit hohem Durchfluss begrenzen. Wird die vorgewählte Wassermenge erreicht, reduziert die Automatik den Durchfluss. Die Wunschtemperatur bleibt konstant. Die Wassermengenautomatik müssen Sie vor jeder Wannenfüllung aktivieren. Beispiel Wannenfüllung 80 Liter: Nach Erreichen der 80 Liter Wannenfüllung reduziert die Automatik die Durchflussmenge auf 4l / min
5 Durchflussmenge
Wahlweise können Sie sich die Durchflussmenge oder die Uhrzeit anzeigen setzen.
6 Uhrzeit einstellen
Wahlweise konnen Sie sich die Uhrzeit oder die Durchflussmenge anzeigen halten. Sie konnen die Uhrzeit von 00:00 bis 23:59 einstehen. Nach einer Spanningsunterbrechung müssen Sie die Uhrzeit erneut eingeben.
7 Hintergrundbeleuchting einstellen
Die Hintergrundbeleuchung des Displays können Sie einstellen. Bei der Auswahl „Auto" blinkt die Beleuchung während der Einstellung.
Die Hintergrundbeleuchtung ist beim Heizbetrieb und bei jeder Bedienung eingeschaltet.
- Nach 30 Sekunden ohne Betätigung wird die Hintergrundbeleuchtung ausgeschaltet.
- Bei der Auswahl „On" leuchtet die Hintergrundbeleuchtung dauerhaft.
8 Farbintensität grün/bernstein einstehen
Die Helligkeit für andere Farben der Hintergrundbeleuchung kon- nen Sie individuell anpassen.
9 Währung auswahlen
Wahlen Sie hier die Währung, in der Energie- und Wassereinsparung angezeigt werden soll:
10 Strompreis einstellen
Für die Berechnung der Energieeinsparung konnen Sie hier den individuellen Strompreis in Eur/kWh oder cur/kWh eingeben.
11 Wasserpreis einstellen
Für die Berechnung der Wassereinsparung konnen Sie hier den individuellen Wasserpreis in / ^3 oder cur/m³ eingeben.
12 C02-Emissionwert einstellen
Werkseinstellung für die Berechnung der CO2-Emission: 553 g CO2/kWh (Quelle: „Reduzierung von Energieverbrauch und CO2-Emissionen durch dezentrale elektrische Warmwasserversorgung“, 2011). Bei Bedarf können Sie einen individuellen CO2-Emissionswert einstehen.
13 Rücksetzung zur Werkseinstellung
Drucken Sie 2 Sekunden gleichzeitig die Tasten M und i.
Die Werkseinstellungen sind dem gestrichelten Rahmen in der Abbildung zu entnahmen.
14 Menüpunkt
Menüpunkt ist bei dieser Ausführung nicht relevant. Es können keine Einstellungen vorgenommen werden.
15 Menüpunkt
Menüpunkt ist bei dieser Ausführung nicht relevant. Es können keine Einstellungen vorgenommen werden.
5. Reinigung, Pflege und Wartung
Verwenden Sie keine scheuernden oder anlösenden Reinigungsmittel. Zur Pflege und Reinigung des Gerätes genugt ein feuchtes Tuch.
Kontrollieren Sie regelmäßige die Armaturen. Kalk an den Armaturauslaufen konnen Sie mit handelsüblichen Entkalkungsmitteln entfernen.
6. Problembehebung
| Störung Ursache Behebung | ||
| Das Gerät schaltet bzw. voll geöffnetem Warm- wasserventil nicht ein. | Es liegt keine Netzspan- nung an. | Überprüfen Sie die Si- cherungen in der Haus- installation. |
| Der Strahlregler in der Armatur oder der Dusch- kopf ist verkalkt oder verschmutzt. | Reinigen und / oder ent- kalken Sie den Strahlreg- ler oder den Duschkopf. | |
| Die Wasserversorgung ist unterbrochen. | Entlüften Sie das Gerät und die Kaltwasser-Zu- laufleitung (siehe Kapitel „Inbetriebnahme/ Wie- derinbetriebnahme"). | |
| Es fließt kurzzeitig kaltes Wasser, während war- mes Wasser entnommen wird. | Die Luftferkennung er- kennt Luft im Wasser und schaltet die Heizleistung kurzeitig ab. | Das Gerät gehen nach 1 Minute selbständig wieder in Betrieb. |
| Temperaturen \( >43^{\circ }C \)lassen sich nicht ein- stellen. | Der dynamische Ver- brühschutz ist aktiviert. | Der dynamische Ver- brühschutz wird 2 Minu- ten nach dem Ende der Entnahme automatisch aufgehoben. |
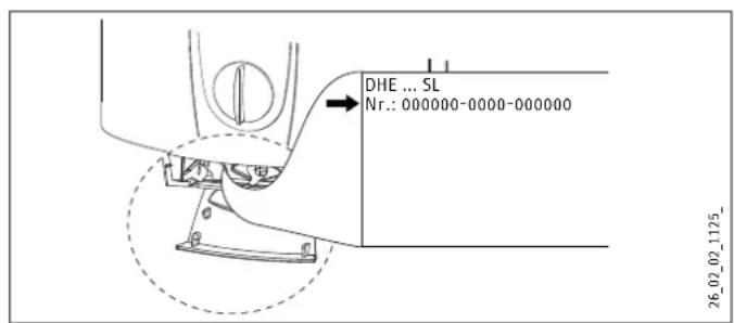
Konnen Sie die Ursache nicht beheben, rufen Sie den Fachhandwerker. Zur betteren und schnellenen Hilfe teilen Sie ihm die Nummer vom Typenschild mit (000000-0000-000000):

INSTALLATION
7. Sicherheit
Die Installation, Inbetriebnahme sowie Wartung und Reparatur des Gerätesarf nur von einem Fachhandwerker durchgeführt werden.
7.1 Allgemeine Sicherheitschinweise
Wir gewährleisten eine einwandfrei Funktion und Betriebssicherheit nur, wenn das für das Gerät bestimme Original-Zubehör und die Original-Ersatzteile verwendet werden.

Sachschaden
Beachten Sie die maximale Zulauftemperatur. Bei hoheren Temperaturen kann das Gerät beschädigt werden. Mit dem Einbau einer Zentral-Thermostatatur (siehe Kapitel „Gerätebeschreibung / Zubehör“) können Sie die maximale Zulauftemperatur begrenzen.
7.2 Vorschriften, Normen und Bestimmungen

Hinweis
Beachten Sie alle nationalen und regionalen Vorschriften und Bestimmungen, in Deutschland zum Beispiel die DIN 1988 / DIN EN 806.
Die Schutzart IP 25 (strahlwassergeschützt) ist nur mit sachgemäß montierter Kabeltülle gewährleistet.
- Der spezifische elektrische Widerstand des Wassers darf nicht kleiner sein als auf dem Typenschild angegeben. Bei einem Wasser-Verbundnetz ist der niedrigste elektrische Widerstand des Wassers zu berücksichtigten (siehe Kapitel „Technischen Daten / Einsatzbereiche"). Den spezifischen elektrischen Widerstand oder die elektrische Leitfähigkeit des Wassers erfahren Sie bei ihrem Wasserversorgungs-Unternehmen.
8. Gerätebeschreibung
8.1 Lieferumfang
Mit dem Gerät werden geleiefert:
-Aufhangeleiste
- Montageschablone
-2Doppelnippel
Kreuzstück
-T-Stuck
- Flachdichtungen
- Sieb
-Kunststoffformscheibe
-Kunststoff-Verbindungsstücke / Montagehilfe
- Kappen- und Rückwandfuhrungsstücke
8.2 Zubehor
Fernbedienungen
- FFB 1 SL - Funkfernbedienung Bedienung von zwei Orten
- FFB 2 SL - Funkfernbedienung Funk-Fernbedienteil als Erweiterung der FFB 1 SL
- FB 1 SL - Kabel-Fernbedienung Bedienung nur mit dem Fernbedienteil, geeignet für eine Vorwandinstallation
Armaturen
- MEKD - Kuchen-Druckarmatur
-MEBD-Badewannen-Druckarmatur
Wasserstopfen G 1 / 2 A
Die Wasserstopfen sind notwendig, wenn Sie andere als im Zube-hör empfohlene Aufputz-Druckarmaturen einsetzen.
Montageset Aufputzinstallation
- Lötverschraubung - Kupferrohr für Lötanschluss 0 12 mm
- Pressfitting - Kupferrohr
- Pressfitting - Kunststoffrohr (geeignet für Viega: Sanfix-Plus oder Sanfix-Fosta)
Universal-Montagerahmen
Montagerahmen mit elektrischen Anschlüssen.
Rohrbausatz-Untertischgeräte
Der Bausatz für Untertischmontage ist notwendig, wenn Sie die Wasseranschlüsse (G 3/8 A) oberhalb des Gerätes benötigen.
Rohrbausatz-Versatzmontage
Der Rohrbausatz mit Rohrbögen ist notwendig, wenn Sie eine senkrechte Verschiebung des Gerätes gegenüber dem Wasseranschluss um 90 mm nach unten benötigen.
Rohrbausatz-Gas-Wasserheizer-Austausch
Der Rohrbausatz ist notwendig, wenn die vorhandene Installation Gas-Wasserheizer-Anschlüsse (Kaltwasser-Anschluss links und Warmwasser-Anschluss rechts) enthalt.
Rohrbausatz DHB-Wassersteckkupplungen
2 Wassersteckkupplungen mit deren Sie das Gerät an die vorhänden Wasser-Steckanschluss eines DHB anschließen können.
Lastabwurfrelais (LR 1-A)
Das Lastabwurfrelais für den Einbau in der Elektroverteilung er-. mächtigt eine Vorrangschaltung des Durchlaufferhitzers bei gleichzeitigem Betrieb von z. B. Elektro-Speicherheizgeräten.
ZTA 3/4 - Zentral-Thermostatatur
Thermostatatur für zentrale Vormischung, zum Beispiel eines Durchlauferhitzers mit einer Solaranlage.
9. Vorbereitungen
Spulen Sie die Wasserleitung gut durch.
Armaturen
Verwenden Sie geeignete Armaturen (siehe Kapitel „Gerätebeschreibung / Zubehör"). Offene Armaturen sind nicht zulässig.
Ein Sicherheitsventil ist nicht erforderlich.

Hinweis
Das Kreuzstückarf nicht zum Drosseln des Volumenstromes verwendet werden. Es dient zur Absperrung des Gerätes.
Zugelassene Werkstoffe der Wasserleitungen
-Kaltwasser-Zulaufleitung:
feuerverzinktes Stahlrohr, Edelstahlrohr, Kupferrohr oder Kunststoffrohr
Warmwasser-Auslaufleitung:
Edelstahlrohr, Kupferrohr oder Kunststoffrohr

Sachschaden
Beim Einsatz von Kunststoff-Rohrsystemen beachten Sie die maximale Zulauftemperatur und den maximal zulässigen Druck (siehe Kapitel „Technische Daten / Datentabelle").
Volumenstrom
Stellen Sie sicher, dass der Volumenstrom (siehe Kapitel „Technische Daten / Datentabelle“, Ein) zum Einschalten des Gerätes erreicht wird.
Erhöhen Sie den Wasserleitungsdruck, falls der benötigte Volumenstrom bei voll geöffnetem Entnahmeventil nicht erreicht wird.
Flexible Wasseranschlussleitungen
Verhindern Sie bei der Installation mit flexiblen Wasseranschlussleitungen ein Verdrehen der Rohrbögen. Die Rohrbögen sind mit einer Bajonett-Verbindung im Gerät montiert.
Befestigen Sie die Rückwand unter mit einer zusätzlichen Schraube.
9.1 Montageort

Sachschaden
Die Installation des Gerätesarf nur im frostfreiern Raum erfolgen.
- Montieren Sie das Gerät senkrecht und in der Nähe der Entnahmestelle.
Das Gerät ist für Untertisch- und Übertischmontage geeignet.

Hinweis
Das Gerät muss an einer ausreichend tragfähigen Wand montiert werden.

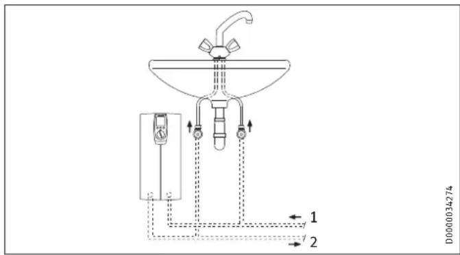
Untertischmontage
1 Kaltwasser Zulauf
2 Warmwasser Auslauf
D0000034274

Ubertischmontage
1 Kaltwasser Zulauf
2 Warmwasser Auslauf
9.2 Werkseinstellungen
Die Geräte sind im LieferzustandVBorbereitet:
-Elektraoanschluss „unter“, Unterplatz-Installation
- Wasseranschluss Unterputz-Installation
- Bei dem Gerät mit der umschaltbaren Anschlussleistung ist die mittlere Anschlussleistung voreingestellt.
INSTALLATION
Montage
10. Montage
In dieser Kapitel wird die Montage entsprechend der Werkseinstellungen beschrieben.
Weitere Montagemöglichkeiten siehe Kapitel „Montage-Alternativen".

Offnen Sie das Gerät.

Trennen Sie die Rückwand, indem Sie die beiden Rasthaken drucken und das Rückwandunterteil nach vorne abziehen.

- Zeichnen Sie die Bohrlicher mit der Montageschablone an. Bei der Montage mit Aufputz liegenden Wasseranschlüssen müssen Sie zusätzlich das Befestigungsloch im unteren Teil der Schablone anziehnen.

Bohren Sie die LÖcher und befestigen Sie die Aufhängeleiste mit 2 Schrauben und 2 Dubeln (Schrauben und Dubel gehören nicht zum Lieferumfang).
Hinweis
Bei einer Montage mit flexiblen Wasseranschlüssen müssen Sie die Rückwand zusammen mit einer Schraube befestigen.
Montieren Sie die Aufhangeleiste.

1 Montagehilfe
Richten Sie das Netzanschlusskabel her.
Wasseranschluss herstellen

Sachschaden
Führer Sie alle Wasseranschluss- und Installationsarbeiten nach Vorschrift aus.

Dichten und schrauben Sie die Doppelnippel ein.

1 Warmwasser mit T-Stück
2 Dichtung
3 Kaltwasser mit Kreuzstück
4 Sieb
5 Formscheibe
Montieren Sie die Wasseranschlüsse.

Prufen Sie beim Geräteaustausch das Vorhandensein des Siebes.
Sachschaden
Für die Funktion des Gerätes muss das Sieb eingebaut sein.
Gerat montieren

2602020934
Zur leichteren Montage drucken Sie die Kabeltülle des oberen Elektroanschlusses von hinten in die Rückwand hinein.
Entfernen Sie die Transportschutzstopfen aus den Wasseranschlüssen.
Nehmen Sie den Befestigungsknebel aus dem oberen Teil der Rückwand hersus.
Führer Sie das Elektroanschlusskabel von hinten durch die Kabeltülle, bis diesen am Kabelmantel anliegt. Richten Sie das Elektroanschlusskabel aus.
Bei einem Querschnitt >6mm^2 vergroßern Sie das Loch in der Kabeltülle.
Drücken Sie das Gerät über den Gewindebolzen der Aufhär geleiste, sodass die Weichdichtung durchstoßen wird. Verwenden Sie gegebenenfalls einen Schraubendreher.
- Stecken Sie den Befestigungsknebel auf den Gewindebolzern der Aufhängeleiste.
Drücken Sie die Rückwand fest an und verriegeln Sie den Bet festigungsknebel durch eine Rechtsdrehung um 90^ .

Schrauben Sie die Rohre mit den Flachdichtungen auf die Doppelnippel.
Elektroanschluss herstellen

WARNING Stromschlag
Führer Sie alle elektrischen Anschluss- und Installationsarbeiten nach Vorschrift aus.

WARNING Stromschlag Der Anschluss an das Stromnetz ist nur als fester Anschluss in Verbindung mit der hersaunnehmbaren Kabeltülle erlaubt. Das Gerät muss über eine Trenn strecke von mindestens 3 mm allpolig vom Netzanschluss getrennt werden konnen.

WARNING Stromschlag Achten Sie darauf, dass das Gerät an den Schutzleiter angeschlossen ist.

SchlieBen Sie das Elektroanschlusskabel an die Netzanschlussklemme an (siehe Kapitel „Technische Daten / Elektrorschaltplan"). Die angegebene Spannung muss mit der Netzspannung übereinstimmen.
Wählbare Anschlussleistung
Die Anschlussleistung ist je nach Geratotyp 3-stufig wahlbar. Die mittlere Leistung ist voreingestellt. Wahlen Sie eine andere Leistung, müssen Sie folgende Schritte vornehmen.

Wahlen Sie die gewünschte Anschlussleistung, siehe Kapitel „Technische Daten / Datentabelle".
- Stecken Sie den Kodierstecker entsprechend der gewählten Anschlussleistung auf.
- Aändern Sie das Typenschild. Kreuzen Sie die gewählte Anschlussleistung an. Verwenden Sie dazu einen Kugelschreiber.
10.1 Montage abschreiben

Montieren Sie das Rückwandunterteil. Achten Sie darauf, dass das Rückwandunterteil einrastet.
Richten Sie das montierte Gerät aus, indem Sie den Befestigungsknebel losen, den Elektroanschluss und die Rückwand ausrichten und den Befestigungsknebel wieder festdrehen. Liegt die Geräterückwand nicht an, konnen Sie das Gerät unter mit einer zusätzlichen Schraube befestigen.
10.2 Montage-Alternativen
-Elektraoanschluss Unterputz oben
-Elektroanschluss Aufputz
- Großleiterquerschnitte beim Elektroanschluss unter
- Anschluss eines Lastabwurfrelais
- Wasserinstallation Aufputz
- Wasserinstallation Aufputz mit Lötanschluss / Pressfitting
Wasserinstallation Aufputz, Montage der Gerätekappe
- Montage Rückwandunterteil bei Aufputz-Schraubanschluss
- Verwendung der vorhandenen Aufhängeleiste bei Geräteustausch
- Installation bei Flieserverzatz
- Gedrehte Gerätekappe
- Betrieb mit vorgewärmtem Wasser
Elektroanschluss Unterputz oben

Schneiden Sie die Kabeltülle für das Elektroanschlusskabel auf.
Drücken Sie den Rasthaken zur Befestigung der Netzanschlussklemme herunter undziehen Sie diese Heraus.
- Versetzen Sie die Netzanschlussklemme im Gerät von unter nach oben und befestigen Sie die Netzanschlussklemme, indem Sie sie unter den Rasthaken schieben.

Verlegen Sie die Schaltlitzen unter der Litzenführung.
Elektroanschlusskabel Aufputz
Schneiden oder brechen Sie die benötigte Durchführung in der Rückwand und Gerätekappe sauber hersaus, Positionen siehe Kapitel „Technische Daten / Maße und Anschlüsse". Benutzen Sie gegebenenfalls eine Feile.
Führer Sie das Elektroanschlusskabel durch die Kabeltülle und schreiben these an die Netzanschlussklemme an.
Hinweis
Bei dieser Anschlussartändert sich die Schutzart des Gerätes.
Andern Sie das Typenschild. Streichen Sie die Angabe IP 25 durch und kreuzen Sie das Kastchen IP 24 an. Verwenden Sie dazu einen Kugelschreiber.
Grosse Leiterquerschnitte beim Elektroanschluss unter
Bei Verwendung von großen Leiterquerschnitten konnen Sie die Kabeltülle nach der Montage des Gerätes montieren.

Vor der Montage des Gerätes drücken Sie die Kabeltülle mit Hilfe eines Schraubendrehers heraus.
Schieben Sie die Kabeltülle über das Elektroanschlusskabel. Verwenden Sie hierfür die Montagehilfe. Bei einem Querschnitt >6mm^2 vergroßern Sie das Loch in der Kabeltülle.
Schieber Siedie Kabeltulle in die Rückwand.
INSTALLATION
Montage
Anschluss eines Lastabwurfrelais
Setzen Sie das Lastabwurfrelais in Kombination mit anderen Elektrogeräten, z. B. Elektrospeicherheizgeräten, in der Elektroverteilung ein. Der Lastabwurf erfolgt bei Betrieb des Durchlaufferhitzers. Das Lastabwurfrelais erhalten Sie als Zubehor.

Sachschaden
Schlieben Sie die Phase, die das Lastabwurfrelais schaltet, an die gekennzeichene Klemme der Netzanschlussklemme im Gerät an (siehe Kapitel „Technische Daten / Elektroschaltplan").
Wasserinstallation Aufputz
Geeignete Druckarmaturen erhalten Sie als Zubehor.

1 Wasserstopfen
2 Aufputz-Druckarmatur
- Montieren Sie die Wasserstopfen mit Dichtungen, um den Unterputzanschluss zu verschiedenen. Bei den Druckarmatu-ren aus dem Zubehör befinden sich die Wasserstopfen und Dichtungen im Lieferumfang.
Montieren Sie die Armatur.
Legen Sie das Rückwandunterteil unter die Anschlussrohre der Armatur und schiben Sie das Rückwandunterteil in die Rückwand ein.
Verschrauben Sie die Anschlussrohre mit dem Gerät.
Wasserinstallation Aufputz mit Lötanschluss / Pressfitting
Mit dem Zubehor Lotanschluss oder Pressfitting konnen Sie sowohl Kupferrohrleitungen als auch Kunststoffrohrleitungen verbinden.
Der Lotanschluss mit Schraubanschluss ist für 12 mm Kupferrohrleitungen geeignet.
Schieben Sie die Überwurfmuttern über die Anschlussrohr
Verlön Sie die Einlegeiteile mit den Kupferleitungen.
Schieben Sie das Rückwandunterteil unter die Anschlussrohe der Armatur und rasten Sie das Rückwandunterteil ein.
Verschrauben Sie die Anschlussrohre mit dem Gerät.

Hinweis
Beachten Sie die Hinweise des Armaturenherstellers.
Wasserinstallation Aufputz, Montage der Gerätekappe

1 Ruckwandfuhrungsstücke
2 Schraube
3 Kappenfuhrungsstücke
4 Durchführungssöffnung
Brechen Sie die Durchführungssoffnungen in der Geratekappesauber aus. Benutzen Sie gegebenenfalls eine Feile.

Hinweis
Mit den Lippen der Kappenfuhrungsstücke lassst sich ein leichter Versatz der Armaturenanschlussrohre abdichten.
Beim Versatz der Armaturenanschlussrohe montieren Sie keine Rückwandfuhrungsstücke.
Bei der Montage der Armaturenanschlussrohe ohne Versatz brechen Sie die Lippen der Kappenfuhrungsstücke heraus.
Rasten Sie die Kappenfuhrungsstücke in die Durchführungsoffnungen ein.
- Setzen Sie die Rückwandfuhrungsstücke auf die Rohre und schieren Sie sie zusammen. Anschliebend schieren Sie die Führungsstücke bis zum Anschlag an die Rückwand.
Befestigen Sie die Rückwand unter mit einer Schraube.
Montage Rückwandunterteil bei Aufputz-Schraubanschluss
Sie können das Rückwandunterteil nach der Armaturenmontage montieren.

1 Schraube
2 Verbindungsstücke aus dem Beipack
Sagen Sie das Rückwandunterteil an den Markierungen auf.
Montieren Sie das Rückwandunterteil, indem Sie es seitlich aufbiegen und über die Aufputzrohre führen.
- Stecken Sie die Verbindungsstücke von hinten in das Rückwandunterteil ein.
Rasten Sie das Rückwandunterteil in die Rückwand ein.
Befestigen Sie das Rückwandunterteil mit einer Schraube.
INSTALLATION
Montage
Aufhangeleiste bei Geräteauschaus
Eine vorhandene Aufhängeleiste von Stiebel Eltron kann bei Geräteauschauch evtl. verwendet werden (Ausnahme Durchlauferhitzer DHF).
DurchstoBen Sie die Rückwand des Gerätes für den Gewindebolzen auf der bereits montierten Aufhängeleiste.
DHF-Austausch

Versetzen Sie den Gewindebolzen auf der Aufhangeleiste (der Gewindebolzen hat ein selbstfurchendes Gewinde).
Drehen Sie die Aufhängeleiste um 180^ und montieren Sie sie an die Wand (der Schriftzug DHF entscheidt dann in Leserichtung).
Installation bei Fliesenversatz

1 Mindestauflage des Gerätes
2 Maximaler Fliesenversatz
Justieren Sie den Wandabstand und verriegeln Sie die Rückwand mit dem Befestigungsknebel durch eine Rechtsdrehung um 90^
Gedrechte Gerätekappe
Die Gerätekappe kann bei einer Untertischmontage gedreht werden.

Demontieren Sie das Bedienteil aus der Gerätekappe, indem Sie die Rasthaken drücken und das Bedienteil herausnehmer.
Drehen Sie die Gerätekappe (nicht das Gerät) und montieren Sie das Bedienteil wieder, bis alle Rasthaken einrasten. Beim Einrasten der Rasthaken müssen Sie an der Innenseite der Gerätekappe gegenüber (schraffierter Bereich).
- Stecken Sie das Sollwertgeberkabel auf die Elektronik (siehe Kapitel „Inbetriebnahme / Erstinbetriebnahme").
Hängen Sie die Gerätekappe unter ein und schwenken Sie sie oben auf die Rückwand.
Schieben Sie für einen richtigen Sitz der umlaufenden Rückwandddichtung die Kappe etwas vor und darüber.
Verschrauben Sie die Gerätekappe.
Betrieb mit vorgewärmtem Wasser
Mit dem Einbau einer Zentral-Thermostatatur wird die maxi- male Zulauftemperatur begrenzt (siehe Kapitel „Gerätebeschreibung / Zubehor").
11. Inbetriebnahme

WARNING Stromschlag
Die Inbetriebnahmearfurdurch einenFachhandwerker unter derBeachtung der Sicherheitsvorschriftenerfolgen.
11.1 Erstinbetriebnahme
Offnen Sie das Kreuzstück.




on
26.02_02_0554
- Offnen und schlieben Sie mehrfach alle angeschlossenen Entnahmeventile, bis das Leitungsnetz und das Gerät luftfrei sind.
Fuhren Sie eine Dichteitskontrolle durch.
Aktivieren Sie den Sicherheitsschalter (AE 3) indem Sie die Rücksetztaste fest eindrücken (das Gerät wird mit deaktiviertem Sicherheitsschalter ausgeliefert). - Stecken Sie den Stecker vom Sollwertgeberkabel auf die Elektronik.
Montieren Sie die Kappe und befestigen Sie diese mit der Schraube.
Schalten Sie die Netzspannung ein.
Prufen Sie die Arbeitsweise des Gerätes.
Ziehen Sie die Schutzfolie von der Bedienblende ab.
Übergabe des Gerätes
Erklaren Sie dem Benutzer die Funktion des Gerätes und manchen Sieihn mit dem Gebrauch des Gerätes vertraut.
Weisen Sie den Benutzer auf möglichche Gefahren hin, speziell die Verbrühungsgefahr.
Übergeben Sie diese Anleitung.
11.2 Wiederinbetriebnahme
Sachschaden
Nach Unterbrechung der Wasserversorgung muss das Gerät mit folgenden Schritten wieder in Betrieb genommen werden, damit das Blankdraht-Heizsystem nicht zerstört wird.
Schalten Sie das Gerät spannungsfrei, indem Sie die Sicherungen ausschalten.
Offnen Sie die Armatur eine Minute lang, bis das Gerät und die vorgeschaltete Kaltwasser-Zulaufleitung luftfrei sind.
Schalten Sie die Netzspannung wieder ein.
12. Kundendienstmodus

Offnen Sie die Gerätekappe und hangen diese seitlich an die Rückwand.

1 Servicetaste zum Aktiveren und Deaktivieren des Kundendienstmodus
Symbolerklarung

1 x drucken START
1x drucken ENDE
Einstellungen / Abfrage wechseln
INSTALLATION
Außerbetriebnahme
Im Kundendienstmodus ist ein Abruf und / oder Änderung der Sollwerttemperatur mit der Taste M (60 °C) möglich.
Error-MENU abfragen
Das Error-Menu entscheidn nur, wenn Fehler im Gerat vorhanden sind.

1 Symbol elektronische Baugruppe
Tauschen Sie die elektronische Baugruppe.
2 Symbol Sicherheitskreis
Überprüfen Sie die Verbindung vom AE 3, tauschen Sie ggf. den AE 3.
3 Symbol Auslaufhürler
Überprüfen Sie die Verbindung vom Auslaufhürler, tauscher Sie ggf. den Auslaufhürler.
4 Symbol Motorventil
Überprüfen Sie die Verbindung vom Motorventil, tauschen Sie ggf. das Motorventil.
Control-Menu abfragen

1 Symbol Zulauftemperatur, zeit die aktuelle Zulauftemperatur (Anzeige 1.0^ bei fehlerhaftem Sensor).
2 Symbol Auslauftemperatur, zeit die aktuelle Auslauftemperatur (Anzeige 65.0^ bei fehlerhaftem Sensor).
3 Symbol Volumenstrom, zeit den aktuellen Volumenstrom.
4 Symbol Leistungsaufnahme, zeit die aktuelle Leistungsaufnahme.
Geratedaten-Menu abfragen

1 Symbol Kundendienstcode, Information fur den Kundendienst.
2 Symbol Betriebsdauer am Netzanschluss, akkumulierte Betriebsdauer in Tagen.
3 Symbol Heizstunden, akkumulierte Heizdauer in Stunden.
4 Symbol Maximalleistung Der angezeigte Wert kann bei Netzspannungen umgleich 400 V um eine kW von der Nennleistung abweichen.
Verbruhschutz einstellen
Verwenden Sie diesen Verbruhschutz z. B. in Kindergarten, Krankenhausern usw. Die hier eingestellte Temperatur ist gleichzeitig die Obergrenze für die Temperatureinstellung der Kindersicherung (siehe Kapitel „Einstellungen am Gerät").

Einstellbereich: 21 - 60 °C
Einstellungsempheflung 43°C
Hinweis
Der eingestellte Verbrühschutz kann nur durch einen Fachhandwerker verändert werden. Es erfolgt keine Änderung mit gleichzeitigem Drucken der M + i-Taste.
13. Außerbetriebnahme
Trennen Sie das Gerät allpolig vom Netzanschluss.
Entleeren Sie das Gerät (siehe Kapitel „Wartung").
14. Störungsbehebung

WARNING Stromschlag
Zur Kontrolle des Gerätes muss die Netzspannung am Gerät anliegen.
Steckverbindungen auf der Elektronik

1 Diagnoseampel (3 LEDs)
2 Volumenstrom-Sensor DFE
3 Motorventil
4 Sicherheitstemperaturbegrenzer STB
5 Auslaufhler NTC
6 Sollwertgeber T-Soll
7 Sicherheitsschalter AE 3; Steckverbindung ist durch Rastnase gesichert.
| Anzeigemöglichkeiten der Diagnoseampel (LED) | |||
| rot leuchtet bei Störung | |||
| gelb leuchtet bei Heizbetrieb | |||
| grün blinkt: Gerät am Netzanschluss | |||
| Störung | Ursache | Diagnoseampel | Behebung |
| Das Gerät heizt nicht auf / die Solltempera-tur wird nicht erreicht. | Es liegt keine Netzspannung an. | keine LED leuchtet | Überprüfen Sie die Sicherung in der Hausinstallation. |
| Der Sicherheitsschalter (AE3) hat ausgelöszt. | keine LED leuchtet | Beseitigen Sie die Fehlerursache.Schützen Sie das Heizsystem vor Überhitzung, indem Sie ein dem Gerät nach-geschalte des Entnahmeventil eine Minute offen. Dadurch wird das Heizsystem abgekühlt.Aktivieren Sie den Sicherheitsschalter, indem Sie den Knopf am Sicher-heitsschalter eindrücken (siehe auch Kapitel „Erstinbetriebnahme"). | |
| Die Elektronik ist defekt. | keine LED leuchtet | Überprüfen Sie die Elektronik, gegebenenfalls tauschen. | |
| Eine Phase ist ausgefallen. | grüne LED blinkt, gelbe LED ein | Überprüfen Sie die Sicherung in der Hausinstallation. | |
| Die Zulauftemperatur ist >55 °C. | grüne LED blinkt, rote LED leuchtet | Begrenzen Sie die Zulauftemperatur. | |
| Der Volumenstrom-Sensor (DFE) ist defekt oder nicht auf-vesteckt. | grüne LED blinkt, gelbe LED aus | Überprüfen Sie die Verbindung des Volumenstrom-Sensors und tauschen Sie die-sen ggf. aus. | |
| Das Heizsystem ist defekt. | grüne LED blinkt, gelbe LED ein | Überprüfen Sie das Heizsystem und tauschen Sie这点es ggf. aus. | |
| Der Einlaufsensor ist defekt. | grüne LED blinkt, rote LED leuchtet | Tauschen Sie die Elektronik. | |
| Der Auslaufsensor ist defekt. | grüne LED blinkt, rote LED leuchtet | Überprüfen Sie die Verbindung des Auslauf sensors und tauschen Sie这点en ggf. aus. | |
| Ein Fehler in der Sicherheits-elektronik. | grüne LED blinkt, rote LED nur bei Entnahme | Stcken Sie das Verbindungskabel vom Sicherheitsschalter auf und überprüfen Sieden Sicherheitsschalter. | |
| Ein loses oder defektes Verbin-dungskelb zum Sollwertgeber. | grüne LED blinkt | Stcken Sie das Verbindungskabel vom Sollwertgeber auf und überprüfen Sie dasVerbindungskabel. | |
| Der Sollwertgeber ist defekt. | grüne LED blinkt | Überprüfen Sie den Sollwertgeber und tauschen Sie这点en ggf. aus. | |
| Die Kindersicherung und/oder Temperaturbegrenzung ist aktiviert. | grüne LED blinkt | Deaktivieren Sie die Temperaturbegrenzung. | |
| Das Display im Gerät ist komplett aus. | Ein loses Verbindungskabel zum Sollwertgeber. | grüne LED blinkt | Stcken Sie das Verbindungskabel am Sollwertgeber auf und überprüfen Sie dasVerbindungskabel. |
| Die Bedieneleuktronik ist defekt. | grüne LED blinkt | Überprüfen Sie das Bedienteil und tauschen Sie这点es ggf. aus. | |
| Der Volumenstrom ist zu gering. | Der Duschkopf / die Strahlreg-ler sind verkalkt. | Entkalien oder erneumann Sie gegebenenfalls den Duschkopf / die Strahlregler. | |
| Das Sieb ist verschmutzt. | Reinigen Sie das Sieb. | ||
| Der Sollwert ist nicht mehr als 43 °C oder eine andere Solltem-peratur einstellbar. | Ein dynamischer Verbrühschutz ist aktiviert. | grüne LED blinkt | Der dynamische Verbrühschutz wird 2 Minuten nach Zapfung wieder aufgehoben. |
| Kurzzeitig kaltes Was-ser bei der Entnahme. | Der Volumenstrom (< 2 l/min) ist zu gering. | Das Gerät Goes automatisch wieder in Betrieb, wenn ein Volumenstrom > 2,5 l/minvorhanden ist. | |
| Die Luftferkennung erfasst Luftim Wasser und schaltet dieHeizleistung kurzzeitig ab. | Das Gerät Goes nach einer Minute wieder in Betrieb. | ||
15. Wartung

WARNING Stromschlag
Trennen Sie bei allen Arbeiten das Gerät allpolig vom Netzanschluss.
Gerat entleeren
Das Gerät konnen Sie für Wartungsarbeiten oder zum Schutz vor Frost entleeren.

VORSICHT Verbruhlung
Beim Entleeren des Gerätes kann heißes Wasser austreten.
Schlieben Sie das Absperrentil in der maltwasser-Zulaufleitung.
Offnen Sie die alle Entnahmeventile.
Lösen Sie die Wasseranschlüsse vom Gerät.
Lagern Sie ein demontiertes Gerät frostfrei, da sich Restwasser im Gerät befindet, das gefrieren und Schäden verursachen kann.
16. Technische Daten
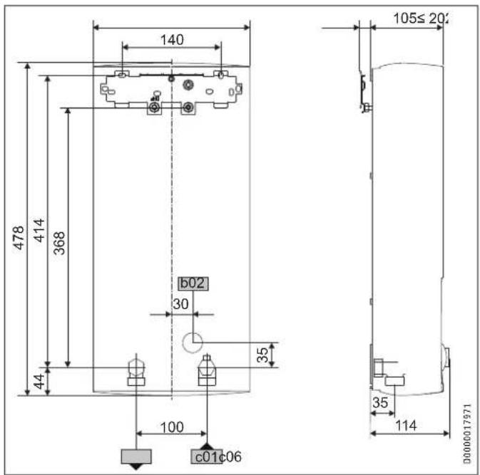
16.1 Maße und Anschlüsse

| b02 | Durchführung elektrische Leitungen I | ||
| c01 | Kaltwasser Zulauf | AuBengewinde | G 1/2 A |
| c06 | Warmwasser Auslauf | AuBengewinde | G 1/2 A |

Alternative Anschlussmöglichkeiten
b02 Durchführung elektrische Leitungen I
b03 Durchführung elektrische Leitungen II
b04 Durchführung elektrische Leitungen III
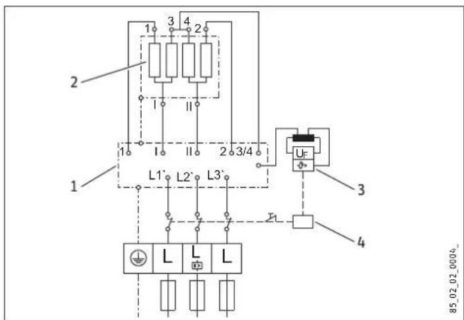
16.2 Elektroschaltplan

3/PE 380 - 415V
1 Leistungselektronik
2 Blankdraht-Heizsystem
3 Sicherheitstemperaturbegrenzer
4 Sicherheitsschalter
Vorrangschaftung mit Lastabwurfrelais (LR 1-A)
siehe auch Kapitel „Gerätebeschreibung / Zubehör"

1 Steuerleitung zum Schaltschutz des 2. Gerätes (z. B. Elektrospeicherheizgerät).
2 Steuerkontakt öffnet beim Einsatzen des Durchlauferhitzers.
16.3 Mischwassermenge / Auslaufmenge
Die Werte sind auf eine Nennspannung von 400 V bezogen. Die Mischwassermenge bzw. Auslaufmenge ist abhängig vom vorhandenen Versorgungsdruck und der tatsächlich anliegenden Netzspannung.
Nutztemperatur ca. 38^ in der Dusche, fur Handwäsche, Wannenfüllung etc.

Auslauftemperatur ca. 60^ für die Kuchensprü und bei Einsatz von Thermostatarmaturen.

X Kaltwasser Zulauftemperatur in ^ C
Y Mischwassermenge / Auslaufmenge in l/min
1 18 kW
2 21 kW
3 24 kW
16.4 Einsatzbereiche / Umrechnungstabelle
Spezifischer elektrischer Widerstand und spezifische elektrische Leitfähigkeit, siehe „Datentabelle".
| Normangabe bei15 °C | 20 °C | 25 °C | ||||||
| Spez.Wider-standρ ≥ | Spez. Leitfähig-keit σ ≤ | Spez.Wider-standρ ≥ | Spez. Leitfähig-keit σ ≤ | Spez.Wider-standρ ≥ | Spez. Leitfähig-keit σ ≤ | |||
| Ωcm | mS/m | μS/cm | Ωcm | mS/m | μS/cm | Ωcm | mS/m | |
| 900 | 111 | 1111 | 800 | 125 | 1250 | 735 | 136 | 1361 |
| 1000 | 100 | 1000 | 890 | 112 | 1124 | 815 | 123 | 1227 |
| 1100 | 91 | 909 | 970 | 103 | 1031 | 895 | 112 | 1117 |
| 1200 | 83 | 833 | 1070 | 93 | 935 | 985 | 102 | 1015 |
| 1300 | 77 | 769 | 1175 | 85 | 851 | 1072 | 93 | 933 |
16.5 Druckverluste
Armaturen
| Druckverlust der Armaturen bei Volumenstrom 10 V/min | ||
| Einhandmischer, ca. | MPa | 0,04 - 0,08 |
| Thermostatärmatur, ca. MPa | 0,03 - 0,05 | |
| Handbrause, ca. | MPa | 0,03 - 0,15 |
Rohrnetz-Dimensionierungen
Zur Berechnung der Rohrnetz-Dimensionierungen wird für das Gerät ein Druckverlust von 0,1 MPa empfohlen.
16.6 Störfallbedingungen
Im Störfall konnen in der Installation kurzfristig Belastungen von maximal 80^ bei einem Druck von 1,0 MPa aufreten.
16.7 Angaben zum Energieverbrauch
Die Produktdaten entsprechen den EU-Verordnungen zur Richtlinie für umweltgerechte Gestaltung energieverbrauchsrekanter Produkte (ErP).
| DHE 18 SLi 25 A DHE 18/21/24 SLi DHE 27 SLi | ||||
| 227492 227493 | 227494 | |||
| Hersteller | STIEBEL ELTRON | STIEBEL ELTRON | STIEBEL ELTRON | |
| Lastprofil | S | S | S | |
| Energieeffizienzklasse | A | A | A | |
| Jährlicher Stromverbrauch | kWh | 479 | 479 | 473 |
| Energetischer Wirkungsgrad | % | 39 | 39 | 39 |
| Temperatureinstellung ab Werk | °C | 60 | 60 | 60 |
| Schalleistungspegel | dB(A) | 15 | 15 | 15 |
| Besondere Hinweise zur Effizienzmessung | keine | Angaben bei Pmax. | keine | |
16.8 Datentabelle
| DHE 18 SLi 25 A | DHE 18/21/24 SLi | DHE 27 SLi | ||||||||
| 227492 | 227493 | 227494 | ||||||||
| Elektrische Daten | ||||||||||
| Nennspannung | V | 380 | 400 | 415 | 380 | 400 | 415 | 380 | 400 | 415 |
| Nennleistung | kW | 16,2 | 18 | 19,4 | 16,2/19/21,7 | 18/21/24 | 19,4/22,6/25,8 | 24,4 | 27 | 29,1 |
| Nennstrom | A | 24,7 | 26 | 27 | 27,6/31,4/33,3 | 29/33/35 | 30,1/34,3/36,3 | 37,1 | 39 | 40,5 |
| Absicherung | A | 25 | 25 | 32 | 32/32/35 | 32/32/35 | 32/35/40 | 40 | 40 | 40 |
| Phasen | 3/PE | 3/PE | 3/PE | |||||||
| Frequenz | Hz | 50/60 | 50/60 | 50/- | 50/60 | 50/60 | 50/- | 50/- | 50/- | 50/- |
| Max. Netzimpedanz bei 50Hz | Ω | 0,300 | 0,285 | 0,274 | 0,331 | 0,314 | 0,302 | 0,200 | 0,190 | 0,183 |
| Spezifischer Widerstand ρ15 ≥ (bei θkalt ≤55°C) | Ω cm | 900 | 900 | 900 | 900 | 900 | 900 | 900 | 900 | 900 |
| Spezifische Leitfähigkeit σ15 ≤ (bei θkalt ≤55°C) | μS/cm | 1111 | 1111 | 1111 | 1111 | 1111 | 1111 | 1111 | 1111 | 1111 |
| Anschlüsse | ||||||||||
| Wasseranschluss | G 1/2 A | G 1/2 A | G 1/2 A | |||||||
| Einsatzgrenzen | ||||||||||
| Max. zulässiger Druck | MPa | 1 | 1 | 1 | ||||||
| Max. Zulauftemperatur für Nacherwärnung | °C | 55 | 55 | 55 | ||||||
| Werte | ||||||||||
| Max. zulässige Zulauftemperatur | °C | 65 | 65 | 65 | ||||||
| Ein | l/min | >2,5 | >2,5 | >2,5 | ||||||
| Volumenstrom für Druckverlust | l/min | 5,2 | 5,2/6,0/6,9 | 7,7 | ||||||
| Druckverlust bei Volumenstrom | MPa | 0,04 | 0,04/0,06/0,08 | 0,1 | ||||||
| Warmwasserdarbietung | l/min | 9,2 | 9,2 / 10,7 / 12,3 | 13,8 | ||||||
| Δθ bei Darbietung | K | 28 | 28 | 28 | ||||||
| Hydraulische Daten | ||||||||||
| Nenninhalt | I | 0,4 | 0,4 | 0,4 | ||||||
| Ausführungen | ||||||||||
| Anschlussleistung währbar | - | X | - | |||||||
| Temperatureinstellung | °C | 20-60 | 20-60 | 20-60 | ||||||
| Schutzklasse | 1 | 1 | 1 | |||||||
| Isolierblock | Kunststoff | Kunststoff | Kunststoff | |||||||
| Heizsystem Wärmeerzeuger | Blankdraht | Blankdraht | Blankdraht | |||||||
| Kappe und Rückwand | Kunststoff | Kunststoff | Kunststoff | |||||||
| Farbe | weiß | weiß | weiß | |||||||
| Schutzart (IP) | IP25 | IP25 | IP25 | |||||||
| Dimensionen | ||||||||||
| Höhe | mm | 478 | 478 | 478 | ||||||
| Breite | mm | 225 | 225 | 225 | ||||||
| Tiefe | mm | 105 | 105 | 105 | ||||||
| Gewichtete | ||||||||||
| Gewicht | kg | 4,5 | 4,5 | 4,5 | ||||||
Garantie
Für außerhalb Deutschlands erworbene Geräte gelten nicht die Garantiebedingungen unserer deutschen Gesellschaften. Vielmehr kann in Ländern, in denen eine unserer Tochtergesellschaften unsere Produkte vertreibt, eine Garantie nur von dieser Tochtergesellschaft erteilt werden. Eine solche Garantie ist nur dann erteilt, wenn die Tochtergesellschaft eigene Garantiebedingungen herausgegeben hat. Darüber hinaus wird keine Garantie erteilt.
Für Geräte, die in Ländern erworben werden, in denen keine unserer Tochtergesellschaften unsere Produkte vertreibt, er-teilen wir keine Garantie. Etwaige vom Importeur zugesicherte Garantien bleiben hiervon unberührt.
Umwelt und Recycling
Bitte helfen Sie, unsere Umwelt zu schützen. Entsorgen Sie die Materialien nach der Nutzung gemäß nationalen Vorschriften.
OPERATION
VOORZICHTIG verbranding
Een veiligheidsklep is nicht vereist.

Info
Buitendienststellung
Menu Error opropen
13. Buitendienststellung
16. Technische gegevens
B Odswiezanie sie zim
14. Usuwanie usterek

STIEBEL ELTRON GmbH & Co. KG
Dr.-Stiebel-Straße 33 | 37603 Holzmaden
Tel. 05531 702-0 | Fax 05531 702-480
info@stiebel-eltron.de
www.stiebel-eltron.de
Verkauf Tel. 05531 702-110 | Fax 05531 702-95108 | info-center@stiebel-eltron.de
Kundendienst Tel. 05531 702-111 | Fax 05531 702-95890 | kundendienst@stiebel-eltron.de
Ersatzteilverkauf Tel. 05531 702-120 | Fax 05531 702-95335 | ersatzteile@stiebel-eltron.de
Australia
STIEBEL ELTRON Australia Pty. Ltd.
EinfachAnleitung