DHE 24 SLi - Elektrische boiler STIEBEL ELTRON - Gratis gebruiksaanwijzing en handleiding
Vind de handleiding van het apparaat gratis DHE 24 SLi STIEBEL ELTRON in PDF-formaat.
| Kenmerk | Details |
|---|---|
| Apparaattype | Elektrische doorstroomverwarmer |
| Vermogen | 24 kW |
| Voeding | 230 V / 400 V driefasig |
| Warmwaterdebiet | Tot 13,5 l/min bij 40°C |
| Afmetingen | Hoogte: 60 cm, Breedte: 30 cm, Diepte: 12 cm |
| Gewicht | Ongeveer 10 kg |
| Installatie | Wandmontage, binnenshuis |
| Gebruik | Voor de productie van sanitair warm water |
| Onderhoud | Jaarlijkse controle aanbevolen, reiniging van filters |
| Veiligheid | Bescherming tegen oververhitting, elektrische bescherming IP25 |
| Garantie | 2 jaar |
| Certificeringen | CE, voldoet aan Europese veiligheidsnormen |
Veelgestelde vragen - DHE 24 SLi STIEBEL ELTRON
Gebruikersvragen over DHE 24 SLi STIEBEL ELTRON
0 vraag over dit apparaat. Beantwoord die u kent of stel uw eigen vraag.
Stel een nieuwe vraag over dit apparaat
Download de handleiding voor uw Elektrische boiler in PDF-formaat gratis! Vind uw handleiding DHE 24 SLi - STIEBEL ELTRON en neem uw elektronisch apparaat weer in handen. Op deze pagina staan alle documenten die nodig zijn voor het gebruik van uw apparaat. DHE 24 SLi van het merk STIEBEL ELTRON.
GEBRUIKSAANWIJZING DHE 24 SLi STIEBEL ELTRON
- Algemene aanwijzingen 62
1.1 Veiligheidsaanwijzingen 62
1.2 Andere aandachtspunten in deze documentatie 63
1.3 Maateenheden 63
- Veiligheid 63
2.1 Voorgeschreiben gebruik 63
2.2 Algemeneveiligheidsaanwijzingen 63
2.3 Keurmerk 63
3.Toestelbeschrijving 64 - Instellingen en weergaven 64
4.1 Bedieningspaneel op het toestel 64
4.2 Temperatuur instellen 65
4.3 Besparingsmonitor oproepen 65
4.4 Instellingen op het toestel 66 - Reiniging, verzorging en onderhoud 67
- Problemenverhelpen 67
INSTALLATIE
- Veiligheid 68
7.1 Algemene veiligheidsaanwijzingen 68
7.2 Voorschriften, normen en bepalingen 68
8.Toestelbeschrijving 68
8.1 Leveringsomvang 68
8.2 Toebehoren 68 - Voorbereidingen 69
9.1 Montageplaat 69
9.2 Fabrieksinstellungen 69 - Montage 70
10.1 Montage afluien 72
10.2 Alternatieven voor montage 72 - Ingebruikname 75
11.1 Eerste ingebruikname 75
11.2 Opniew in gebruik nemen 75 - Klantenservicemodus 75
- Buitendienststellung 76
- Storingen verhopen 76
- Onderhoud 78
- Technische gegevens 78
16.1 Afmetingen en aansluitingen 78
16.2 Elektriciteitsschema 78
16.3 Mengwatervolume/uitloopvolume 79
16.4 Toepassingsmogelijkheden / Herleidingtabel 79
16.5 Drukverliezen 79
16.6 Storingssituatuies 79
16.7 Gegevens over het energieverbruik 80
16.8 Gegevenstabel 80
GARANTIE
MILIEU EN RECYCLING
BEDIENING
1. Algemene aanwijzingen
Het hoofdstuk "Bediening" is bedoeld voor de gebruiker van het toestel en voor de installmenteur.
Het hoofdstuk "Installatie" is bestem voor de installmenteur.

Info
Lees deze handleiding voor gebruik zorgvuldig door en bewaar deze op een veilige plaats.
Overhandig de handleiding in voorkomende geallen aan een volgende gebruiker.
1.1 Veiligheidsaanwijzingen
1.1.1 Opbouw veiligheidsaanwijzingen

TREFWOORD Soort gevaar
Hier staan möglichke gevolgen, wonneer de veiligheidsaanwijzing worden genedeerd.
Hier staan maatregelen om het gevaar af te wenden.
1.1.2 Symbolen, soort gevaar
Symbool
Soort gevaar

Letsel

Elektrische schok

Verbranding of verschroeien
1.1.3 Trefwoorden
TREFWOORD Betekenis
GEVAAR
Aanwijzingen die leiden tot zwaar letsel of overlijden,\ wonneer deze nicht in acht worden genomen.
WAARSCHUWING
Aanwijzingen die kuren leiden tot zwaar letsel of overli-jden, wanner deutsche nicht in acheit worden genomen.
VOORZICHTIG Aa
wijzingen die kunnen leiden tot middelmatig waar of Licht letsel, wanner deze Niet in acht worden genomen.
1.2 Andere aandachtspunten in deze documentatie

Info
Aanwijzingen worden door horizontale lijnen boven en onder de tekst begrensd. Algemene aanwijzingen worden aangeduid met het symbol dat hiernaast staat.
Lees de aanwijzingsteksten grondig door.
Symbool

Materièle schade
(toestel-, gevolg-, milieuschade)

Het toestel afdanken
Dit symbol geeft aan dat u iets moet doeen. De vereiste hand delingen worden stapsgewijs beschreiben.
1.3 Maateenheden

Info
Tenzij anders worden vermeld, worden de maateenheid in millimeter aangegeven.
2. Veiligheid
2.1 Voorgeschreve genbruik
Het toestel is bestemd voor gebruik in een huishoudelijkke omgeving. Het kan veilig worden bediend door personen die waarover Niet geinstruerd zich. Het toestel kan eventuele ook buiten een huishouden gebruikt worden, bijv. in het Kleinbedrijf, voor zover het opdezelfde wijze gebruikt worden.
Elk ander gebruik geldt nicht als gebruik conform de voorschriften. Tot gebruik conform de voorschriften behoort ook het in acht nemen van deze handleiding evenals de handleidingen voor de gebruekte accessoires.
Het druktoestel is geschikt voor de opwarming van tapwater of voor de bijverwarming van water dat voorverwarmd is. Het toestel kan een of verschillende tappunten voorzien.
2.2 Algemene veiligheidsaanwijzingen

De temperatuur van de kraan kan tijdens de werkking tot boven de 60^ oplopen.
Bij uitlooptemperaturen van meer dan 43^ bestaat gevaar voor brandwonden.

Het toestel kan door kinderen vanaf 8aar, alsmede door personen met verminderde fysieke, sensorische of geestelijkke vermogens of met een gebrek aan ervaring en kennis worden gebruikt, wanner er toezicht op hen worden gehonden, of wanner ze met betrekking tot het veilige gebruik van het toestel zich geinstrueerd en de gezaren die waaruit ontstaan, hebben begrepen. Kinderen mogen Niet met het toestel spelen. Kinderen mogen zonder toezicht geen reiniging of gebruikersonderhoud uitvoeren.
Indien kinderen of Personen met beperkte lichamelijke, zintuiglijkke of geestelijkke vermogens het toestel gebruiken, adviseren we een permanente temperatuurbegrenzing. U kurz selbst de begrenz ingstellen of dit door de installmentar latent doeen:
- Kinderbeveiliging door de gebruiker instelbaar
- Beveiliging gegen brandwonden door de installmenter instelbaar

Materiele schade
Het toestel en de kraan dienen door de gebruiker gegen vorst beschermd te worden.
2.3 Keurmerk
Zie het typeplaatje op het toestel
Landspecifiekeregunningenencertificaten:Duitsland
Op basis van de lokale verordingen heeft het toestel een algemeen bouwkundig testcertificaat ontvangen om de geschiktheid op het vlak van het geluidsniveau aan te tonen.

3. Toestelbeschrijving
Het volledig elektronische geregelde toestel met automatische vermogenaanpassing houdt de uitlooptemperatuur constant. Het water worden door de volledig elektronische regeling met motorklep tot op de graad nauwkeurig op de ingestelde temperatuur opgewarmd. Dit gebeurt onafhankelijk van de aanvoertempatuur.
Warmwatertemperatuur
U kunt de uitlooptemperatuur van het warm water traploos instellen. De ingestelde temperatuur verschijnt op het display.
Verwarmingsystem
Het blankdraadelement heeft een drukvaste kopermantel. Het verwarmingssysteme is geschikt voor kalkarm en kalkhoudend water en is in grote mate ongevoelig voor verkalking. Het verwarmingssysteme zorgt voor een snelle en efficiente warmwatervoorziening.

Info
Het toestel is uitgerust met een luchtherkenning, die beschadiging van het verwarmingssysteme verregaand voorkomt. Als er tijdens de werking luckht in het toestel komt, schakelt het verwarmingsvermogen automatisch gedurende een minuut uit en worden het verwarmingssysteme beschermd.
Achtergrundverlichting op het display
Het display heeft een acheergrundverlichting in twee kleuren (groen/barnsteen).
Efficiencydisplay
De groene, ECO-achtergrundverlichting signaleert met name een energiezuinige operationele toestand
- wonneer het ingeschakelde vermogen lager is dan 80%
- wonneer bij een uitlooptemperatuur van meer dan 35^ het maximale vermogen lager is dan 80%
- wonneer bij een ingeschakelde ECO-werkwijze het maximale vermogen lager is dan 80%
In alle andere operationele situatuies heeft de achtergrundverlich- ting een barnsteenkleur.
Besparingsmonitor
Het toestel beschikt over een besparingsmonitor. Deze worden met een druk op de betreffende toets ingeschakeld. Indicatoren:
-Energiebesparing*
Waterbesparing
- CO_2 -besparing*
- Hoeveelheid energia
- Waterverbruik
- in vergelijk met hydraulische doorwayverwarmers. Berekening voor een huishouden van 3 personen met personsgerichte water- en energiebehoeften conform VDI 2067. Stroom- en water-kosten können individuel geprogrammeerd worden.
4. Installingen en weergaven
U kunt het toestel op het bedieningspaneel instellen.
Inlooptemperatuuraanwijzing
Wanneer de inlooptemperatuur hoger is dan de gewenste temperatuur, bijv. bij water dat is voorverwarmd via zonne-energie, knippert de temperatuurindicator en toont de tweede indicator de aanvoertemperatuur. Het water wordenietnder oggewarmd.

1 Indicator Temperatuur knippert
2 Indicator Aanvoertemperatuur
3 Lichtdiode verbrandingsgevaar; rode lichtdiode bij temperatuurinstelling >43^
Instellingsadvies bij werking met eenthermostaatkraan
Stel de temperatuur op het toestel in op 60^
Na onderbreking van de watertoevoer
zie hoofdstuk "Opnieuw in bedrijf nemen"
4.1 Bedieningspaneel op het toestel

1 Temperatuurinstelknop
2 Lichtdiode Verbrandingsgevaar
3 Opslagtoets
4 Menutoets, bijv. ECO
5 Indicator Aanvullende waarde
6 Indicator Verwarmingsvermögen
BEDIENING
Installingen en weergaven
7 Indicator Temperatuur
8 Symbool Service
9 Symbol Storing
10 Infogets-spaarmenu
Bij levering is de achtergrondverlichting op een wijze ingesteld dat de verlichting automatisch inschakelt, zodra u de instelknop of een toets bedient, of als het toestel opwarmt. Na 30 seconden zonder bediening of zonder verwarmingsfunctie schakelt de achtergrondverlichtinguit. U kunt ook op continuverlichting instellen.
Symbolen

1 Douchen volgens de Wellness-methode
2 Automaat waterdebiet
3 ECO
4 Kinderbeveiling
5 Indicator Aanvullende waarde
6 Tijd
4.2 Temperatuur instellen

1 Temperatuurinstelling 20 - 60 °C in stappen van 0,5 °C, OFF = verwarmingsystem isuitgeschakeld
2 Opgeslagen temperatuur opropen
3 Besparingsmonitor opropen
Opslagtoets M kutu met een gewenste temperatuur instellen.
Kies een gewenste temperatuur.
Druk 2 seconden op toets M. Ter bevestiging knippert de temperatuurweergave 1x.
4.3 Besparingsmonitor oproepen
Menustructeur in het voorbeeld in euro (Eur)

1 Energiebesparing
De energiebesparing in euro (Eur) worden in vergelijk met hydraulische doorstroomverwarmers berekend en weergegeven.
2 Waterbesparing
De waterbesparing in euro (Eur) wird in vergelijking met hydraulische doorstroomverwarmers berekend en weergegeven.
3 CO2-emissie
De CO2-emissie in kg worden in vergelijkking met hydraulische doorstroomverwarmers berekend en weergegeven.
4 Hoeveelheid energia
De verbruike hoeveelheid energia in kWh worden weergegeben.
5 Waterverbruik
De verbruike waterhoeveelheid in ^3 worden weergegeven.
4.4 Instellingen op het toestel
Verklaring van de symbolen

1xdrukkenSTART-menu
1 x drukken Van menu wisselen

Instellingen/opvraging wisselen

Menustruktur

1 ECO-water- en energiespaarfunctie
Met de ECO-functie is het möglichk het doorwayvolume tot een maximumwaarde te begrenzen.
ECO aan = symbol op het bedieningspaneel
ECOuit geen symbol op het bedieningspaneel
2 Kinderbeveiling
Met de kinderbeveiliging kut u als gebruiker de instelbare temperatuur op het toestel tot een maximumwaarde begrenzen. Devakman kan in de klantenservicemodus bovendien een temperatuur voor verbrandingsbeveiliging instellen (zie hoofdstuk „Klantenservicemodus"). Deze temperatuur geldt dan als bovengrens van het instelbereik voor de kinderbeveiliging.
3 Wellness-douchen
In het programme Wellness-douchen(Int) 4 verschillende programme's voor wisseldouches kiezen.
A Voorkomen van verkoudheid
Om sterker te worden adviseren wij tot slot een koude douche; daardoor worden in het lichaam een reflexachtige opwarming gestart.

B Winterverfrissing
Als verfrissende afsluiting van een winterse douche met op-nieuw opwarming.

C Zomerfitnessprogramma
De snelle wisseldouce voor het verbeteren van de fitheid met afsluitend opnieuw opwarming.

D Doorbloedingprogramma
Ter bevordering van de doorbloeding worden armen en benen koud afgedought. Douchen dient dan vanaf de handen en voetenaar het lichaam toe te worden uitgevoerd. Deze procedure kunt uervolgens met warm water herhalen.

4 Waterdebietautomaat
Met de waterdebietautomaatkest u het waterdebiet met een hoog debiet begrenzen. Als het vooraf ingestelde waterdebiet worden bereikt, vermindert de automaat het debiet. De gewenste temperatuur blijft constant. De waterdebietautomaat moet u telkens voordat u het bad vult, inschaken. Voorbeeld: het bad vullen met 80 liter: als het bad met 80 liter bevuld is, vermindert de automaat het doorstroomvolume tot 4 l/min.
5 Doorstroomvolume
U kunt maar keuze het doorstroomvolume of dearenden weergven.
6 Kloktijd instellen
U kurz naar keuze de tijd of het doorstroomvolume latent weergeven. U kurz de tijd van 00:00 tot 23:59 instellen. Na een spanningsonderbreking moet u de kloktijd opnieuw invoeren.
7 Achtergrundverlichting instellen
U kunt de weitergrondverlichting van het display instellen. Bij de selectie "Auto" knippert de verlichtingijdens deinstilling.
- De hintergrondverlichting is bij elke verwarmingsfunctie en bij elke bediening ingeschakeld.
- Na 30 seconden zonder bediening worden de hintergrundverlichting uitgeschakeld.
- Bij de selectie "On" is de hintergrondverlichting continu aan.
8 Kleurintensiteit groen/barnsteen instellen
U(Int)kunt de helderheid voor de beiden kleuren van de achtergrondverlichting afzonderlijk aanpassen.
9 Valuta selecteren
Kies hier de valuta in welke u de energia- en waterbesparing wilt weergeven:
Eur = €
cur = currency (gewenste andere valuta)
10 Stroomprijs instellen
Voor de berekening van de energiebesparing(Int) hier de individuèle stroomprijs ineur/kWh of cur/kWh invoeren.
11 Waterprijs instellen
Voor de berekening van de waterbesparing kunt u hier de individu-duele waterprijs in / ^3 of cur/m³ invoeren.
12 CO2-emissiewaarde instellen
Fabrieksinstelling voor de berekening van de CO2-emissie: 553 g CO2/kWh (bron: "Reduzierung von Energieverbrauch und CO2-Emissionen durch dezentrale elektrische Warmwasserversorgung", 2011 (Verminderung van energieverbruik en CO2-emissies door decentrale, elektrische warmwatervoorzieening)). Indien gewenst,(Intukt u een individuele CO2-emissiewaarde instellen.
13 Resettenaar fabrieksinstelling
Druk 2 seconden tegelijkertijd op de toetsen M en i.
De fabrieksinstellingen treft u aan op de afbeelding in het kader met stippellijn.
14 Menuoptie
Menuoptie is bij deze uityvoering Niet relevant. Het is Niet.". mogelijk instelleningen uit te voeren.
15 Menuoptie
Menuoptie is bij deze uitvoering nicht relevant. Het is nicht möglichstinstellungen uitt te voeren.
5. Reiniging, verzorging en onderhoud
- Gebruik geen schurende reinigingsmiddelen of reinigings-middelen met oplosmiddelen. Een vochtige doek volstaat om het toestel te onderhonden en te reinigen.
Controller periodiek de kranen. Verwijder kalk op de kraanuitlopen met in de handel verkrijgbare ontkalkingsmiddelen.
6. Problemen verhelpen
| Storing Oorzaak Oplossing | ||
| Het toestel schakelt Niet in hoewel de warmwa-terkraan volledig open staat. | Er is geen netspanning. | Controleer de zekeringen van de huisinstallatie. |
| De straalregelaar in de kraan of de douchekop is verkalkt of vuil. | Reinig en/of ontkalk de straalregelaar of de dou-chekop. | |
| De watervoorzieening is onderbroken. | Ontlucht het toestel en de koudwateraanvoerlei-ding (zie hoofdstuk "In-gebruikname/opnieuw in gebruik nemen"). | |
| Er stroomt gedurrende korteijd koud wateruit, verwijl warm waterwordt afgetapt. | De luchtherkenning heeft lustcht in het water vast-gesteld en schakelt het verwarmingsvermogen gedurende korteijduit. | Na 1 minuut treedt het toestel automatisch wee in werkinq. |
| Het instellen van tem-peraturen \( >43^{\circ}C \) is nicht mogelijk. | De dynamische verbran-dingsbeveiliging is inge-schakeld. | De dynamische verbran-dingsbeveiliging worden 2 minutes na het einde van het aftappen aut-matisch opgeheven. |
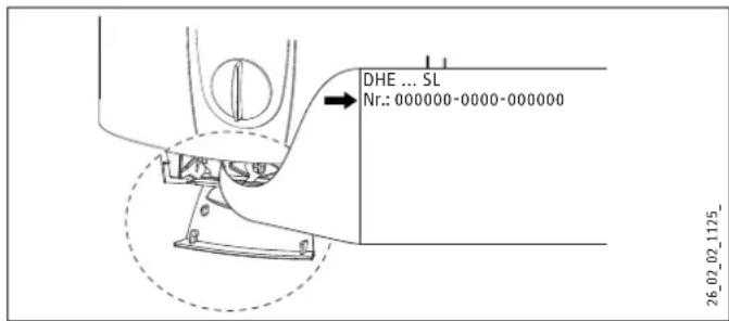
Waarschuw de installmenter als u de oorzaak zich nicht verhulpen kunt. Hij kan u sneller en beter helpen als u hem het nummer op het typeplaatje doorgeeft (000000-0000-000000):

INSTALLATIE
7. Veiligheid
Installatie, ingebruikname, evenals onderhoud en reparatie van het toestel mogen alleen door een gekwalificierde installmentuitgevoerd worden.
7.1 Algemene veiligheidsaanwijzingen
Wij waarborgen de goede werkung en de bedrijfszekerheid uitsluitend bij gebruik van originele accessoires en onderdelen voor het toestel.

Materièle schade
Houd rekening met de maximale aanvoertemperatuur. Bij hogere temperaturen kan het toestel beschadigd raken. Door een centralethermostat (zie hoofdstuk "Toestelbeschrijving/toebehoren) in te bouwen, kunt u de maximale aanvoertemperatuur begrenzen.
7.2 Voorschriften, normen en bepalingen

Info
Neem alle nationale en regionale voorschriften en bepalingen in acht. In Duitsland waar dat bijvoorbeeld DIN 1988/DIN EN 806.
- De beschemingsgraad IP 25 (straalwaterbeveiligd) is alleen gewaarborgd met vakkundig gemonteerde kabeldoorvoer.
- De specifieke elektrische weltstand van het water mag nicht lager zichen dan de waarde die aangegeven is op het typeplaatje. Bij een waterkoppelnet moet rekening gezchoolden worden met de laagste elektrische weltstand (zie hoofdstuk "Technische geevens/toepassingsmogelijkheden"). De specifieke elektrische weltstand of het elektrisch geleidend vermogen van het water kunt u opvragen bij uw watermaatschappij.
8. Toestelbeschrijving
8.1 Leveringsomvang
Bij het toestel worden het volgende geleverd:
- Ophangbeugel
- Montagesjabloon
-2 dubbele nippels
Kruisstuk
-T-stuk
-Vlakke affdichtingen
-Zeef
-Kunststoffring
-Kunststof aansluitstukken/montagehulp - Kap- en weiterwandgeleidingsstukken
8.2 Toebehoren
Afstandsbedieningen
- FFB 1 SL - draadloze afstandsbediening Bediening van twee locaties
- FFB 2 SL - draadloze afstandsbediening Draadloos afstandsbedieningsdeel als uitbreiding van de FFB 1 SL
- FB 1 SL -bekabelde afstandsbediening Bediening alleen met het afstandsbedieningsdeel, geschikt voor montage voor de wand
Kranen
-MEKD-keukendrukkraan
-MEBD-baddrukkraan
Waterstoppen G 1/2 A
De waterstoppen zijnoodzakelijk, wanner u andere dan de in het toebehoren aanbevolen opbouwdrukkranen gebruikt.
Montageset opbouwinstallatie
- Soldeerschroefkoppeling - koperbuis voor soldeeraansluiting 0 12 mm
-Persfitting-koperbuis - Persfitting - kunststoffbuis (geschikt voor Viega: Sanfix-Plus of Sanfix-Fosta)
Universeel montageframe
Montageframe met elektrische aansluitingen.
Buiskit voor toestellen onder het aftappunt
De buiskit voor montage onder het aftappunt isoodzakelijk, wonneer u de wateraansluitingen (G 3 / 8 A) boven het toestel nodig hebt.
Buiskit voor verschoven montage
De buiskit met kniestukken isoodzakelijk, wanner u het toestel 90mm loodrecht omlaag dient te verschuiven t.o.v. de wateraansluiting.
Buiskit voor verranging van de gas-waterverwarmer
De buiskit is noodzakelijk, wanneer u een installmentie met bestaande aansluitingen voor een gas-waterverwarming hebt (koudwateraansluiting links en warmwateraansluiting rechts).
Buiskit DHB-watersteekkoppelingen
2 watersteenkoppelingen waarmee het toestel aangesloten worden op de bestaande watersteekaansluitingen van een DHB.
Lastafwerprehais (LR 1-A)
Het lastafwerpretais voor inbouw in de elektrische verdeling maar een Voorrangsschakeling van de doorstroomverwarmer toe, wanneer bijvoorbeeld tegelijkkertijd elektrische Boilerverwarmingstoeken gezruikt worden.
INSTALLATIE
Voorbereidingen
ZTA 3/4 - centrale thermostaatkraan
Thermostatkaan voor centrale voormenging, bijvoorbeeld van een doorstroomverwarmer met een zonne-installatie.
9. Voorbereidingen
Spoel de waterleiding grondig door.
Kranen
- Gebruik geschikte kranen (zie hoofdstuk "Toestelbeschrijving/toebehoren"). Open kranen zichn Niet toegestaan.
Het kruisstuk mag Niet gebruikt worden voor het smoren van het debiet. Dit is bestemd voor het afluiuten van het toestel.
Toegestaan materiaal waterleidingen
- Koudwateraanvoerleiding: thermisch gegalvaniseerde stalen buis, roestvrijstalen buis, koperbuis of kunststofbuis
- Warmwateruitloopleiding: roestvrijstalen buis, koperbuis of kunststofbuis

Materièle schade
Wanneer kunststofbuizen gebrukt worden, dient u rekening te honden met de maximale aanvoertemperatuur en de maximaal toegelaten druk (zie hoofdstuk "Technische gegevens/gegevenstabel").
Debiet
▶ Controller of het debiet (zie hoofdstuk "Technische geveens/geveenstabel", aan) voor het inschaken van het toestel bereikt worden.
Verhoog de waterleidingdruk, als het benodigde debiet bij een volledig geopende aftapklep Niet worden gehaal.
Flexible wateraansluitleidingen
Voorkom bij de installmentie met flexibele wateraansluitleidingen dat de kniestukken verdraaien. De kniestukken zijn met een bajonetkoppeling in het toestel gemonteerd.
Bevestig de awhile monderaan met een extra schroef.
9.1 Montageplaats

Materielle schade
Het toestel mag alleen in een vorstvrije ruimte geinstalleerd worden.
Monteer het toestel verticaal en in de buurt van het tappunt.
Het toestel is geschikt voor onder- en bovenbouwmontage.

Info
Het toestel moet aan een wand gemonteerd worden die voldoende draagvermogen heeft.

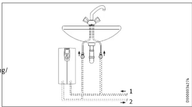
Montage onder de wastafel
1 Koudwatertoevoer
2 Warmwateruitloop

Montage boven de wastafel
1 Koudwatertoevoer
2 Warmwateruitloop
9.2 Fabrieksinstellungen
De toestellen zijn in de leveringstoestand voorbereid:
-Elektrische installmente "onderaan", inbauinstallatie
- Wateraansluiting inbouwinstallatie
- Bij het toestel met het omschakelbare aansluitvermogen is het middelste aansluitvermogen vooraf ingesteld.
INSTALLATIE
Montage
10. Montage
In dit hoofdstuk worden de montage overeenkomstig de fabrieksinstelleningen beschreiben.
Zie voor meer montagemogelijkheden het hoofdstuk "Montage-opties".

Open het toestel.

Scheid de weiterwand door de beiden vergrendelhaken in te drukken en het onderstuk van de weiterwand maar voren eraf te trekken.

Teken de boorgaten af met de montagesjabloon. Wanner het toestel gemonteerd worden met opgebouwde wateraansluitingen, dient u ook het bevestigingsgat in het onderste gedeelte van de sjabloon af te tekenen.

Boor de gaten en bevestig de ophangbeugel met 2 schroeven en 2 pluggen (schroeven en pluggen worden nicht meeegeleverd).
Info
Bij montage met flexibele wateraansluitingen moet u de!」 Achterwand bovendien met een schroef bevestigen.

Monteer de ophangbeugel.
1 Montagehulp
Lijn de netaansluitkabeluit.
Wateraansluiting tot stand brengen

Materielle schade
Voer alle werkzaamheden voor wateraansluiting en installatie uit conform de voorschriften.

Dicht af en schroef de dubbele nippel erin.

1 Warm water met T-stuk
2 Dichting
3 Koud water met kuisstuk
4 Zeef
5 Vormring
Monteer de wateraansluitingen.
Materielle schade
Voor de werkking van het toestel moet de zeef ingebouwd zich.
Controller bij het verwangen van het toestel of een zeef aanwezig is.
Toestel monteren

26_02_02_0934
Druk voor een gemakkelijkere montage de kabeldoorvoer van de bovenste elektro-aansluiting van zicheraf in dechterwand.
Verwijder de transportstoppen uit de wateraansluitingen.
Neem de bevestigingsknevel uit het bovenste gedeelte vanchterwand.
Steek de elektrische aansluitkabel achechterlangs door de kabeldoorvoer tot deze gegen de kabelmantel kommt. Lijn de elektrische aansluitkabel UIT.
Vergroot bij een diameter van >6mm^2 het gat in de kabeldoorvoer.
Duw het toestel over de schroefbout van de ophangbeugel zodat de pakkingstof doorboard worden. Doe dat eventueel met een schroevendraier.
Steek de bevestigingsknevel op de schroefbauten van de ophangbeugel.
Duw de hinterwand stevig aan en vergrendel de bevestigingsknevel door 90^ maar rechts te draaien.

0000056244
Schroef de buizen met de vlakke afdichtingen op de dubbele nippel.
Elektriciteit aansluiten

WAARSCHUWING elektrische schok
Voer alle werkzaamheden voor elektriciteitsaansluitingen en installmente uit conform de voorschriften.

WAARSCHUWING elektrische schok De aansluiting op het stroomnet is alleen toegestaan als vaste aansluiting in combinatie met de uitneembare kabeldoorvoer. Het toestel moet op alle polen met een afstand van minstens 3mm van de netaansluiting kutnen worden losgekoppeld.

WAARSCHUWING elektrische schok
Zorg ervoor dat het toestel is aangesloten op de aardleiding.

26.02.021122
Sluit de elektrische aansluitkabel aan op de netaansluitklem (zie hoofdstuk "Technische gegevens/elektriciteitsschema"). De aangegeven spanning moet overeenkomen met de netspanning.
Instelbaar aansluitvermogen
Het aansluitvermögen kan afhankelijk van het toesteltype in 3 trappen worden ingesteld. Het middelste vermogen is vooraf ingesteld. Als u een ander vermogen kiest, moet u de volgende stappen uitvoeren.

26.02.02.0935
Kies het gewenste aansluitvermogen, die hoofdstuk "Technische gegevens/gegevenstabel".
Steek de coderstekker overeenkomstig het gekozen aan sluitvermogen erop.
Wijzig het typeplaatje. Kruis het gekozen aansluitvermogen aan. Doe dat met een balpen.
Monteer het onderstuk van dechterwand. Let erop dat het onderstuk van dechterwand vergrendelt.
Lijn het gemonteerde toestel uit door de bevestigingskne los te make, de elektrische aansluiting en dechterwand uit te lijnen en de bevestigingsknevel wee vast te draaien. Als dechterwand van het toestel Niet goed gegen de wand komt, kutu het toestel onderaan met een extra schroef bevestigen.
10.2 Alternatieven voor montage
-Elektro-aansluiting onderbouw boven
-Elektro-aansluiting opbouw
Grote geleiderdoorsnedes bij de elektro-aansluiting onder
Aansluiting van een lastafwerprélas
Waterinstallatie opbouw
- Waterinstallatie opbouw met soldeeraansluiting/persfitting
- Waterinstallatie opbouw, montage van de bovenkap
- Montage onderstuk weiterwand bij opbouw-schroefaansluiting
- Gebruik de aanwezig eophangbeugel bij verranging van het toestel
- Installatie bij betegeling
-Gedraide bovenkap
- Werking met voorverwarmd water
Elektro-aansluiting onderbouw boven

Snijd de kabeldoorvoer voor de elektrische aansluitkabel open.
Duw de vergrendelhaak voor de bevestiging van de netaansluitklem omlaag en trek deze eruit.
Verplaats de netaansluitklem in het toestel van onder maar boven en bevestig de netaansluitklem door deze onder de vergrendelhaar te schuiven.

Plaats de schakeldraden onder de draadgeleiding.
Elektrische aansluitkabel opbouw
Snijd of breek de benodigde doorvoer in dechterwand en de bovenkap schoon eruit. Voor posities, zie hoofdstuk "Technische gegevens/afmetingen en aansluitingen". Gebruik eventueel een vijl.
Leid de elektrische aansluitkabel door de kabeldoorvoer en sluit deze op de netaansluitklem aan.

Info
Bij dit aansluitingtype wijzigt de beschemingsgraad van het toestel.
Wijzig het typeplaatje. Streep de vermelding IP 25 door en kruis hetvakje IP 24 aan.Doe dat met een balpen.
Grote geleiderdoorsnedes bij de elektro-aansluiting onder
Als u kabels met een große diameter gebruikt, kan de kabeldoor-voer na de montage van het toestel gemonteerd worden.

Druk voor montage van het toestel de kabeldoorvoer met behulp van een schroevendraaier eruit.
INSTALLATIE
Montage
Schuif de kabeldoorvoer over de elektrische aansluitkabel.
Gebruik waarvoor de montagehulp. Vergroot bij een diameter van >6mm^2 het gat in de kabeldoorvoer.
Schuif de kabeldoorvoer in dechterwand.
Aansluiting van een lastafwerprelais
Plaats het lastafwerplais in combinatie met andere elektrische toestellen, bijvoorbeeld elektrische boilerverwarmingstoestellen, in de elektrotechnische installmentie. De lastafwerping vindt plaats bij de werking van de doorstroomverwarmer. Het lastafwerplais is verkrijgbaar als toebehoren.

Materièle schade
Sluit de fase die het lastafwerprehais schakelt, aan op de gemerkte klem van de netaansluitklem in het toestel (zie hoofdstub "Technische gegevens/elektriciteititschema").
Waterinstallatie opbouw
Geschikte drukkranen zijn verkrijgbaar u als toebehoren.

1 Waterstoppen
2Opbouwdrukkaan
Monteer de waterstoppen met dichtingen om de inbouwaansluiting af te sluiten. Bij de drukkranen uit het toebehoren zitten de waterstoppen en dichtingen in de leveringsomvang.
Monteer de kraan.
- Plaats het onderstuk van deijkenwand onder de aansluitbuizen van de kraan en schuif het onderstuk van deijkenwand in deijkenwand.
Schroef de aansluitbuizen op het toestel vast.
Waterinstallatie opbouw met soldeeraansluiting/persfitting
Met het toebehoren soldeeraansluiting of persfitting kunt u zowel koperen als kunststof buisleidingen verbinden.
De soldeeraansluiting met schroefaansluiting is geschikt voor kooperbuizen van 12 mm.
Schuif de schroefmoeren over de aansluitbuizen.
Soldeer de inlegstukken op de koperleidingen.
Schuif het onderstuk van dechterwand onder de aansluitbuizen van de kraan en klik het onderstuk van dechterwand erin.
Schroef de aansluitbuizen op het toestel vast.

Info
Houd rekening met de aanwijzingen van de fabrikant van de kraan.
Waterinstallatie opbouw, montage van de bovenkap

1 Achterwandgeleidingsstukken
2 Schroef
3 Kapgeleidingsstukken
4 Doorvoeropening
Breek de doorvoeropeningen in de bovenkap netjesuit. Gebruik eventueel een vijl.

Info
Met de lipjes van de kapgeleidingsstukken is het möglichk een lichte verschuving van de kraanaansluitbuizen af te dachten.
Monteer bij een verschuiving van de kraanaansluitbuizen geen geleidingsstukken voor dechterwand.
Bij montage van de kraanaansluitbuizen zonderverschuiving breekt u de lipjes uit de kapgeleidingsstukken.
▶ Klik de kapgeleidingsstukken vast in de doorvoeroppeningen.
- Plaats de weiterwandgeleidingsstukken op de buizen en schuifdezine inelkaar.Tenslote schuift u de geleidingsstukken tot aan de aanslag gegen dechterwand.
Bevestig de awhile anderaan met een schroef.
Montage onderstuk achechterwand bij opbouw-schroefaansluiting
U kunt het onderste deel van dechterwand monteren na de montage van de kraan.

5 Schroef
1 Verbindingsstukken uit het toebehoren
Zaag het onderste deel van dechterwand op de markeringen open.
INSTALLATIE
Montage
Monteer het onderstuk van dechterwand door het zijdelingedraide bovenkap
open te buigen en over de opbouwbuizen te steken.
Steek de verbindingsstukken weiterlangs in het onderstuk van deijkenwand.
Zet het onderstuk van dechterwand vast in dechterwand
Bevestig het onderstuk van dechterwand met een schroef.
Ophangbeugel bij toestelvervanging
Bij het verrangen van het toestel kan eventuele een aanwezig eophangbeugel van Stiebel Eltron worden gebruikt (met uitzondering van doorstroomverwarmer DHF).
Prik de awhile van het toestel door voor de schroefbou ten op de reeds gemonteerde ophangbeugel.
DHFervangen

Verschuif de schroefbauten op de ophangbeugel (de schroef bout heeft een zelftappende schroefdraad).
Draai de ophangbeugel 180^ en monteer deze op de wand (de tekst DHF verschijnt dan in de leesrichting).
Installatie bij betegeling

1 Minimaal steunvlak van het toestel
2 Maximale tegelverschuiving
Pas de muurafstand aan en zet dechterwand vast met de schrijving/toebehoren"). bevestigingsknevel door 90^ rechtsom te draaien.
De bovenkap kan worden gedraaid bij montage onder het aftap-punt.


26_02_02_0553
Demonteer het bedieningsspaneeluit de bovenkap door de vergrendelhaken in te drukken en het bedieningsspaneel eruit te halen.
Draai de bovenkap (niet het toestel) en monteer het bedieiningspaneel opnieuw totdat alle vergrendelhaken vergrendelen. Bij het vergrendelen van de vergrendelhaken要去 u aan de binnenzijde van de bovenkap tegendruk gezven (gearceerd gebied).
Steek de kabel van de sensor voor de nominale waarde op de elektronica (zie hoofdstuk "Ingebruikname/eerste ingebruikname").
Haak de bovenkap onderaan erin en zwenk deze omhoog op dechterwand.
Schuif voor het correcte houvast van de rondonlopende achterwandafdichting de kap iets maar voren en terug.
Schroef de bovenkap vast.
Werking met voorverwarmd water
Met de inbouw van een centrale thermostaatkraan worden de maximaal aanvoertemperatuur begrensd (zie hoofdstuk "Toestelbe
INSTALLATIE
Ingebruikname
11. Ingebruikname

WAARSCHUWING elektrische schok
De ingebruikname mag alleen uitgevoerd worden door een installmenter die rekening houdt met alle veiligheids-voorschriften.
11.1 Eerste ingebruikname
Open het kruisstuk.

Open en sluit meerdere keren alle aangesloten aftapkleppen totdat het leidingwerk en het toestel luchtvrijহn.
Voereen dichtheidscontroleuit.
Schakel de verilheidsschakelaar (AE 3) in door de resettoets stevig in te drukken (het toestel worden met uitgeschakelde verilheidsschakelaar geleverd).
Steek de stekker op de kabel van de sensor voor de nominale waarde op de elektronica.
Monteer de kap en bevestig ze met de schroef.
Schakel de netspanning in.
Controller de werkmodus van het toestel.
Trek de beschermfolie van het bedieningspaneel af.
Overdracht van het toestel
Leg aan de gebruiker de werkking van het toesteluit en maak hem vertrouwd met het gebruik ervan.
Wijs de gebruiker op möglichk gevaar, met name het gevaar in de kiantenservicemodus is het oproepen en/ot wijzigen van de van brandwonden. nominale temperatuur met toets M (60^) möglichk.
Overhandig deze handleiding.
11.2 Opniew in gebruik nemen

Materielle schade
Als de watervoorziening onderbroken is geweest, moet het toestel via de volgende stappen opnieuw in gebruik worden genomen, zDat het blankdraadelement Niet kapot gaat.
Schakel het toestel spanningsvrij door de zekeringenuit te schakelen.
- Open de kraan gedurende een minuut tot het toestel en de voorgeschakelde koudwatertoevoerleiding vrij়n van lucht.
Schakel de netspanning opniew in.
12. Klantenservicemodus

- Open de bovenkap en hang deze aan de zichkant aan dechterwand.

1 Servicetoets voor het in- en uitschakelen van de klantenservicemodus
Verklaring van de symbolen

1 x drukken START
1x drukken EINDE

Instellingen/opvraging wisselen
INSTALLATIE
Menu Error verschijnt alleen, wanneer er een fout in het toestel opgetreden is.

1 Symbool Elektronische module
Vervang de elektronische module.
2 Symbool Veiligheidscircuit
Controller de verbinding van AE 3. Vervang evt. AE 3.
3 Symbool Uitloopsensor
Controller de verbinding van de uitloopsensor. Vervang evt. de uitloopsensor.
4 Symbool Motorklep
Controller de verbinding van de motorklep. Vervang evt. de motorklep.
Regelmenu opropen

1 Symbool Aanvoertemperatuur, toont de actuèle aanvoertemperatuur (weergave 1,0 ^ C bij gestoorde sensor).
2 Symbool Uitlooptemperatuur, toont de actuèle uitlooptemperatuur (weergave 65,0 ^ C bij gestoorde sensor).
3 Symbool Debiet, toont het actuele debiet.
4 Symbool Vermogensverbruik, toont het actuele vermogensverbruik.
Menu Toestelgegevens oproepen

1 Symbool Klantenservicecode, informatie voor de klantenservice.
2 Symbool Bedrijfsduur bij netaansluiting, geaccumuleerde bedrijfsduur in denen.
3 Symbool Verwarmingsuren, geaccumuleerde verwarmingsduur in uur.
4 Symbool Maximaal vermogen De weergegeven waarde kan bij netspanninger die nicht gegelijk aan 400 V, met enkele kW van het nominaal vermogen afwijken.
Verbrandingsbeveiliging instellen
Gebruik deze verbrandingsbeveiliging, bijv. in kleuterscholen, ziekenhuizen, enz. De hier ingestelde temperatuur is tevens de bovgrens voor de temperatuurinstelling van de kinderbeveiliging (zie hoofdstuk,Instellenen op het toestel").

Instelbereik: 21 - 60 °C
Instellingsadvies 43^

De ingestelde verbrandingsbeveiliging kan alleen door een installmenter worden veranderd. Er treedt geen verandering op door de toetsen M + i tegelijkkertijd in te drukken.
Koppel het toestel op alle polen los van het elektriciteitsnet.
Tap het toestel af (zie het hoofdstuk "Onderhoud").
14. Storingen verhelpen

WAARSCHUWING elektrische schok Om het toestel te controleren moet het toestel stroom krijgen.
Steekverbindingen op de elektronica

1 Diagnosestoplicht (3 LEDs)
2 Debietsensor DFE
3 Motorklep
4 Veiligheidstemperatuurbegrenzer VTB
5 Uitloopsensor NTC
6 Temperaturinstelling T-nominaal
7 Veiligheidsschakelaar AE 3; steekverbinding is beveiligd door vergrendelnok.
Weergavemogelijkheden diagnosestoplicht (LED)
| Storing | Oorzaak | Diagnoselamp | Oplossing |
| Het toestel verwarmt niet/de nominale tem- peraturw wordt nicht bereikt. | Er is geen netspanning. geen LED verlicht | Controller de zekering in de huisinstallatie. | |
| Veiligheidsschakelaar (AE3) heeft gewerkt. | geen LED verlicht | Los de oorzaak van de foup op. Beschem het verwarmingsysteme gegen overhitting door een voor bij het toestel geschakelde aftapkraan gedurende één minuut open te zetten. Daardoor wordt het verwarmingsystem afgekoeld. Schakel de veiligheidsschakelaar in door de knop op de veiligheidsschakelaar in te drukken (zie ook hoofdstuk "Eerste ingebruikname"). | |
| De elektronica is defect. | geen LED verlicht | Controler de elektronica, verrang hem eventueel. | |
| Er is een fase uitgevallen. | groene LED knippert, gele LED aan | Controler de zekering in de huisinstallatie. | |
| De aanvoertematuur is >55 °C. | groene LED knippert, rode LED verlicht | Begrens de aanvoertematuur. | |
| De debietsensor (DFE) is defect of Niet aangesloten. | groene LED knippert, gele LEDuit | Controler de aansluiting van de debietsensor en verrang deze eventueel. | |
| Het verwarmingsysteme is defect. | groene LED knippert, gele LED aan | Controler het verwarmingsysteme en verrang dit eventueel. | |
| De inloopsensor is defect. | groene LED knippert, rode LED brandt | Vervang de elektronica. | |
| De uitloopsensor is defect. | groene LED knippert, rode LED brandt constnnt | Controler de aansluiting van de uitloopsensor en verrang deze eventueel. | |
| Fout in de beveiligingsleuk- tronica. | groene LED knippert, rode LED alleen tij- dens aftappen | Steek de verbindingskapel van de veiligheidsschakelaar erop en controller de veil- ligheidsschakelaar. | |
| Losse of defecte verbindingska- bel waar de temperatuursensor. | groene LED knippert | Steek de verbindingskapel van de temperatuursensor erop en controller de ver- bindingskapel. | |
| De temperatuursensor is de- fect. | groene LED knippert | Controler de temperatuursensor en verrang deze eventueel. | |
| Het display in het toe- stel is vollediguit. | Losse verbindingskapel waar de temperatuursensor. | groene LED knippert | Steek de verbindingskapel op de temperatuursensor en controller de verbindings- kabel. |
| De bedieningsleuktrica is defect. | groene LED knippert | Controler het bedieningspaneel en verrang dit eventueel. | |
| Het debiet is te laag. | De douchekop/straalregelaars zijn verkalkt. | Ontkalk of verrang eventueel de douchekop/straalregelaars. | |
| De zeef is vuil. | Reinig de zeef. | ||
| De nominale waarde kan Niet hoger dan 43 °C of een andere nominale temperatuur worden ingesteld. | Een dynamische verbrandings- beveiliging is ingeschakeld. | groene LED knippert | De dynamische verbrandingsbeveiliging wordt 2 minutes na:tappen weer opgehe- ven. |
| De kinderbeveiliging en/of de temperatuurbegrenzing is in- geschakeld. | groene LED knippert | Schakel de temperatuurbegrenzinguit. | |
| Korteijd koud water bij het aftappen. | Het debiet (< 2 l/min) is te laag. | Het toestel treedt automatisch werk in werkung, wonneer een debiet > 2,5 l/min beschikbaar is. | |
| De luchttherkenning detecteert lucht in het water en schakelt het verwarmingsvermogen ge- durende korteijduit. | Na=eén minuut gaat het toestel weein in werkung. | ||
15. Onderhoud

WAARSCHUWING elektrische schok
Scheid alle polen van het toestel van het elektriciteitsnet voor aanvang van alle werkzaamheden.
Het toestel aftappen
U knot het toestel voor onderhoudswerkzaamheden of ter bescherming gegen vorst aftappen.

VOORZICHTIG Verbranding Tijdens het aftappen van het toestel kan er heet water uitlopen.
Sluit de afsluitklep in de koudwateraanvoerleiding.
Open alle aftapkleppen.
Maak de wateraansluitingen van het toestel los.
Een gedemonteerd toestel moet vorstvrij bewaard worden, want er kan restwater in het toestel zitten dat bevriezen kan en daardoor schade veroorzaken kan.
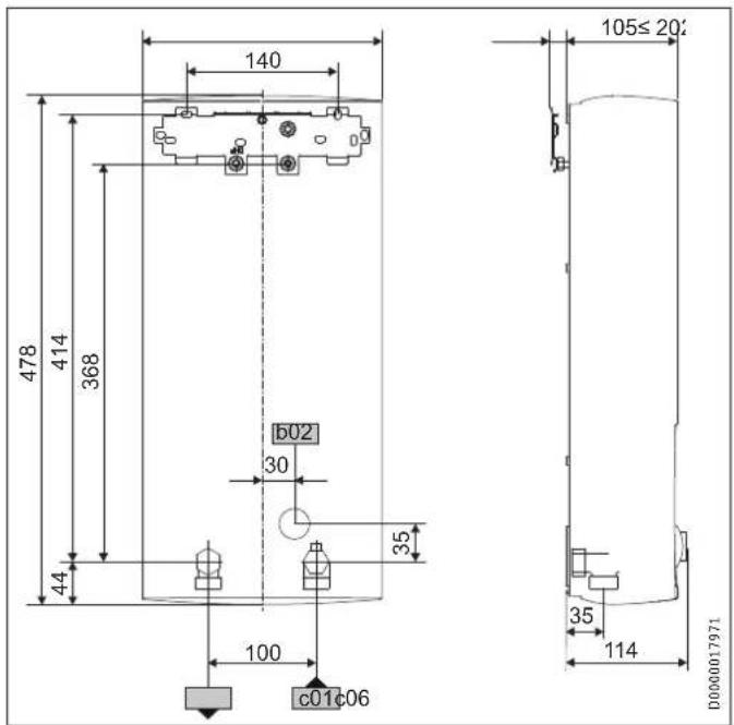
16.1 Afmetingen en aansluitingen

| b02 | Doorvoer elektriciteitskabels I | ||
| c01 | Koudwatertoevoer | Buitendraad | G 1/2 A |
| c06 | Warmwateruitloop | Buitendraad | G 1/2 A |

Optionele aansluitmogelijkheden
b02 Doorvoer elektriciteitskabels I
b03 Doorvoer elektriciteitskabels II
b04 Doorvoer elektriciteitskabels III
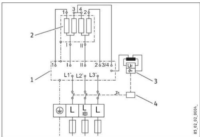
16.2 Elektriciteitsschema

3/PE 380 - 415V
1 Vermogenselektronica
2 Blankdraadelement
3 Veiligheidstemperatuurbegrenzer
4 Veiligheidsschakelaar
Voorangschakeling met lastafwerpretais (LR 1-A)
zie ook hoofdstuk "Toestelbeschrijving/toebehoren"

1 Besturingskabel voor het relais van het 2e toestel (bijv. elektrische boilerverwarming).
2 Besturingscontact gaat open als de doorstroomverwarmer inschakelt.
16.3 Mengwatervolume/uitloopvolume
De waarden zijn gebaseerd op een nominale spanning van 400V . HetCCCCCC volume of uitloopvolume is afhankelijk van de beschikbare toevoerdruk en van de effectief aanweziges netspanning.
Nuttige temperatuur ca. 38^ in de douche om handen te wassen, het bad te vullen...

Uitlooptemperatuur ca. 60^ voor het keukenaanrecht en bij gebruik van thermostaatkranen.

X Koudwateraanvoertemperatuur in ^ C
Y Mengwatervolume/uitloopvolume in l/min
1 18 kW
2.21 kW
3 24 kW
16.4 Toepassingsmogelijkheden / Herleidingstanbul
Specifieke elektrische verbess an specifiek elektrische geleidbarheid, zie "Gegevenstabel".
| Genormeerde waar-de bij 15 °C | 20 °C | 25 °C | ||||||
| Spec. Weer-stand ρ ≥ | Spec. Geleid-baarheid σ ≤ | Spec. Weer-stand ρ ≥ | Spec. Geleid-baarheid σ ≤ | Spec. Weer-stand ρ ≥ | Spec. Geleid-baarheid σ ≤ | |||
| Ωcm | mS/m | μS/cm | Ωcm | mS/m | μS/cm | Ωcm | mS/m | |
| 900 | 111 | 1111 | 800 | 125 | 1250 | 735 | 136 | 1361 |
| 1000 | 100 | 1000 | 890 | 112 | 1124 | 815 | 123 | 1227 |
| 1100 | 91 | 909 | 970 | 103 | 1031 | 895 | 112 | 1117 |
| 1200 | 83 | 833 | 1070 | 93 | 935 | 985 | 102 | 1015 |
| 1300 | 77 | 769 | 1175 | 85 | 851 | 1072 | 93 | 933 |
16.5 Drukverliezen
Kranen
| Drukverlies van de kranen bij debiet 10 U/min | ||
| Eénhandmengkraan, ca. | MPa | 0,04 - 0,08 |
| Thermostatische kraan, ca. | MPa | 0,03 - 0,05 |
| Handdouche, ca. | MPa | 0,03 - 0,15 |
Dimensionering van het buisnet
Voor de berekening van de dimensionering van het buisnet worden voor het toestel een drukverlies van 0,1 MPa aanbevolen.
16.6 Storingssituations
In geval van storing kunnen in de installmentie kortstondige belastingen van maximaal 80^ bij een druk van 1,0 MPa optreden.
INSTALLATIE
Technische gegevens
16.7 Gegevens over het energieverbruik
De productgeveens voldoen aan de EU-verordingen betreffende de richtlijn voor milieuvriendelijkke vormgeving van energiegerelateerde producten (ErP).
| DHE 18 SLi 25A DHE 18/21/24 SLi DHE 27 SLi | ||||
| 227492 227493 | 227494 | |||
| Fabrikant | STIEBEL ELTRON | STIEBEL ELTRON | STIEBEL ELTRON | |
| Lastprofiel | S | S | S | |
| Energierendementsklasse | A | A | A | |
| Jaarliks stroomverbruik | kWh | 479 | 479 | 473 |
| Energetisch rendement | % | 39 | 39 | 39 |
| Fabrikstemperatuurinstelling | °C | 60 | 60 | 60 |
| Geluidsvermögensniveau | dB(A) | 15 | 15 | 15 |
| Bijzondere info voor efficientiemeting | Geen | Gegevens bij Pmax. | Geen | |
16.8 Gegevenstabel
| DHE 18 SLi 25A | DHE 18/21/24 SLi | DHE 27 SLi | ||||||||
| 227492 | 227493 | 227494 | ||||||||
| Elektrische gevevens | ||||||||||
| Nominate spanning | V | 380 | 400 | 415 | 380 | 400 | 415 | 380 | 400 | 415 |
| Nominaal vermogen | kW | 16,2 | 18 | 19,4 | 16,2/19/21,7 | 18/21/24 | 19,4/22,6/25,8 | 24,4 | 27 | 29,1 |
| Nominate stroom | A | 24,7 | 26 | 27 | 27,6/31,4/33,3 | 29/33/35 | 30,1/34,3/36,3 | 37,1 | 39 | 40,5 |
| Beveiligung | A | 25 | 25 | 32 | 32/32/35 | 32/32/35 | 32/35/40 | 40 | 40 | 40 |
| Fasen | 3/PE | 3/PE | 3/PE | |||||||
| Frequentie | Hz | 50/60 | 50/60 | 50/- | 50/60 | 50/60 | 50/- | 50/- | 50/- | 50/- |
| Max. netimpedantie bij 50 Hz | Ω | 0,300 | 0,285 | 0,274 | 0,331 | 0,314 | 0,302 | 0,200 | 0,190 | 0,183 |
| Specifieke watertstand ρ15 ≥ (bij θkoud ≤55°C) | Ω cm | 900 | 900 | 900 | 900 | 900 | 900 | 900 | 900 | 900 |
| Specifieke geleiding σ15 ≤ (bij θkoud ≤55°C) | μS/cm | 1111 | 1111 | 1111 | 1111 | 1111 | 1111 | 1111 | 1111 | 1111 |
| Aansluitingen | ||||||||||
| Wateraansluiting | G 1/2 A | G 1/2 A | G 1/2 A | |||||||
| Werkingsgebied | ||||||||||
| Max. toegelaten druk | MPa | 1 | 1 | 1 | ||||||
| Max. aanvoertemperatuur voor bijverwarming | °C | 55 | 55 | 55 | ||||||
| Waarden | ||||||||||
| Max. toegelaten toevoertemperatuur | °C | 65 | 65 | 65 | ||||||
| Aan | l/min | >2,5 | >2,5 | >2,5 | ||||||
| Volumestroom voor drukverlies | l/min | 5,2 | 5,2/6,0/6,9 | 7,7 | ||||||
| Drukkerlies bij volumestroom | MPa | 0,04 | 0,04/0,06/0,08 | 0,1 | ||||||
| Warmwateraanbieding | l/min | 9,2 | 9,2 / 10,7 / 12,3 | 13,8 | ||||||
| Δθ bij aanbieding | K | 28 | 28 | 28 | ||||||
| Hydraulische gevevens | ||||||||||
| Nominate inhoud | I | 0,4 | 0,4 | 0,4 | ||||||
| Uitvoeringen | ||||||||||
| Aansluitvermögen selecteerbaar | X | - | ||||||||
| Temperatuurinstelling | °C | 20-60 | 20-60 | 20-60 | ||||||
| Beschermingsklasse | 1 | 1 | 1 | |||||||
| Isolatieblok | Kunststof | Kunststof | Kunststof | |||||||
| Verwarmingssystem warmtegenerator | Blanke draad | Blanke draad | Blanke draad | |||||||
| Kap en weiterwand | Kunststof | Kunststof | Kunststof | |||||||
| Kleur | wit | wit | wit | |||||||
| Beschermingsgraad (IP) | IP25 | IP25 | IP25 | |||||||
| Afmetingen | ||||||||||
| Hoogte | mm | 478 | 478 | 478 | ||||||
| Breedte | mm | 225 | 225 | 225 | ||||||
| Diepte | mm | 105 | 105 | 105 | ||||||
| Gewichten | ||||||||||
| Gewicht | kg | 4,5 | 4,5 | 4,5 | ||||||
Garantie
Voor toestellen die buiten Duitsland zijn gekocht, gelden de garantievoorwaarden van onze Duitse ondernemingen Niet. Bovendien kan in landen waar een van onze dochtermaatschappijen verantwoordelijk is voor de verkoop van onze producten, alleen garantie worden verleend door deze dochtermaatschappij. Een dergelijk garantie worden alleen verstrecht, wanner de dochtermaatschappij eigien garantievoorwaarden heeft gepubliceerd. In andere situatuies worden er geen garantie verleend.
Voor toestellen die in landen worden gekocht waar wij geen dochtermaatschappijen hebben die once producten verkopen, verlenen wij geen garantie. Een eventuele door de importeur verzekerde garantie blijft onverminderd van kracht.
Milieu en recycling
Wij verzoeken u ons te helpen ons milieu te beschemen. Doe de materialen na het gebruik weg overeenkomstig de nationale voorschriften.
OBSLUHA
t Hofveld 6 - D1 | 1702 Groot-Bijgaarden
Tel. 02 42322-22 | Fax 02 42322-12
info@stiebel-eltron.be
www.stiebel-eltron.be
China
STIEBEL ELTRON (Guangzhou) Electric
Appliance Co., Ltd.
SimpelGids