DHE 24 SLi - Elektrický ohřívač vody STIEBEL ELTRON - Bezplatný návod k obsluze
Najděte návod k zařízení zdarma DHE 24 SLi STIEBEL ELTRON ve formátu PDF.
| Vlastnost | Detaily |
|---|---|
| Typ zařízení | Elektrický průtokový ohřívač vody |
| Výkon | 24 kW |
| Napájení | 230 V / 400 V třífázové |
| Průtok teplé vody | Až 13,5 l/min při 406C |
| Rozměry | Výška: 60 cm, Šířka: 30 cm, Hloubka: 12 cm |
| Hmotnost | Přiblin 10 kg |
| Instalace | Nstnn, uvnit9 |
| Poue | Pro produkci tepl9 vody pro sanit1rn poue |
| Údrba | Doporuen ronn kontrola, i1tn filtr |
| Bezpenost | Ochrana proti p9eh9t1n, elektrick1 ochrana IP25 |
| Z1ruka | 2 roky |
| Certifikace | CE, v souladu s evropsk1mi bezpenostn1mi normami |
Často kladené otázky - DHE 24 SLi STIEBEL ELTRON
Dotazy uživatelů ohledně DHE 24 SLi STIEBEL ELTRON
0 otázka o tomto zařízení. Odpovězte na ty, které znáte, nebo položte vlastní.
Položte novou otázku o tomto zařízení
Stáhněte si návod pro váš Elektrický ohřívač vody ve formátu PDF zdarma! Najděte svůj návod DHE 24 SLi - STIEBEL ELTRON a vezměte svůj elektronický přístroj zpět do rukou. Na této stránce jsou zveřejněny všechny dokumenty potřebné k používání vašeho zařízení. DHE 24 SLi značky STIEBEL ELTRON.
NÁVOD K OBSLUZE DHE 24 SLi STIEBEL ELTRON
- Obecné poukyny 82
1.1 BezpečnostniPokyny 82
1.2 Jine symboly pouzite v teto dokumentaci 83
1.3 Mernenéjednotky 83 - Bezpečnost 83
2.1 Pouziti v souladu s urcenim 83
2.2 Vseobecná bezpečnostní upozorněni 83
2.3 Kontrolni symbol 83 - Popis pristroje 84
- Nastaveni a zobrazeni 84
4.1 Ovladaci panel na pristroji 84
4.2 Nastaveni teploty 85
4.3 Vyvolani funkce monitoru uspor 85
4.4 Nastaveni na pristroji 86 - Čistěni, peče a udžržba 87
- Odstranéní problému 87
INSTALLACE
- Bezpečnost 88
7.1 Vseobecnabezpecnostn upozorneni 88
7.2 Predpisy, normy a ustanoveni 88 - Popis pristroje 88
8.1 Rozsah dodávky 88
8.2 Prisluosenstvi 88 - Priprava 89
9.1 Misto montaje 89
9.2 Nastaveni z vyroby 89 - Montáz 90
10.1 Dokončeni montáze 92
10.2 Alternatively montáze 92 - Uvedení do provozu 95
11.1 První uvedeni do provozu 95
11.2 Opétovné uvedeni do provozu 95 - Rezim Zákaznicky servis 95
- Uvedeni mimo provoz 96
- Odstrańovani poruch 96
- Udrzba 98
- Technické udaje 98
16.1 Rozměry a prípojky 98
16.2 Schéma elektrického zapojeni 98
16.3 Mnozstvi smichane vody /vystupni mnozstvi 99
16.4 Oblasti pouziti / Převodni tabulka 99
16.5 Ztraty tlaku 99
16.6 Podminky v priade poruchy 99
16.7 Udaje ke spotbre energy 100
16.8 Tabulka udaju 100
ZARUKA
ZIVOTNI PROSTREDI A RECYKLACE
OBSLUHA
1. Obecné pokyny
Kapitola „Obsluha“ je určena uživatelüm prístroje a specializovānám odborníküm.
Kapitola „Instalace" je určena specializovaným odborníkům.

Upozornéni
Pred pouzitim si pozorné prectete tento navod a peclive jej uschovejte.
Připadné predejte navod dalísmu uživateli.
1.1 BezpečnostníPokyny
1.1.1 Struktura bezpečnostníchPokynu

UVOZUJICI SLOVO druhu nebezpeci
Zde jsou uvedeny mozne nasledky nedodrzeni bezpečnostnich upozorneni.
Zde jsou uvedena opatrenik odvraceni nebepezeci.
1.1.2 Symboly, druh nebezpeci
| Symbol | Druh nebezpečić |
| Uraz | |
| Uraz elektrickým proudem | |
| Popálění nebo opaření |
1.1.3 Uvozujici slova
| UVOZUJÍCIF SLOV0 | Význam |
| NEBEZPEČI | Pokyny, jejichž nedodrženi má za následek vázné nebo smrtelné urazy. |
| VÍSTRAHA | Pokyny, jejichž nedodrženi muže mít za následek vázné nebo smrtelné urazy. |
| POZOR | Pokyny, jejichž nedodrženi muže mít za následek středné vázné nebo lehké urazy. |
Pokyny jsou oddeleny vodorovnymi carami nad a pod textem. Vseobecné poukyny jsou označeny symbolem zobrazeným vedle.
Texty upozorneni ctete peclive.
Symbol
Tento symbol vás vyzývá k urcitému jegnámí. Potřebraneć ukonj jsou popsány po Jednotlivych krocích.
1.3 Mérné Jednotky

Upozornéni
Pokud neni stanoveno jinak, jsou rozmery uvedeny v milimetrech.
2. Bezpečnost
2.1 Použití v souladu s určením
Pristroj je urcen k pouziti v domacnostech. Mohou jej tedy bezpečné obsluhovat naskolené osoby. Lze jej použivat i mimo domac-nosti, napr. v drobném prumyslu,Pokud zpúsob pouziti v takovych oblastech odpovedá urcení pristroje.
Jiné pouziti nebo pouziti nad ramec daného rozsahu je považováno za pouziti v Rozporu s urcenim. K pouziti v souladu s urcenim patri také dodrzovani tohoto navodu a navodu k použivanému príslusenstvi.
Tlakove zařizení slouží k ohrevu pitné vody nebo k dodatečnému ohrevu predehráté vody. Pristroj muže zásobovat jedem nebo nikolik odběrných mistr.
Pristroj smi pouzivat deti od 8 let a osoby se snizenymi fyzickymi, senzorickymi nebo mentalnimi schopnostmi nebo s nedostatecnymi zkuosenostmi a znalostmi pouze pod dozorem, nebo pote, co byly pouceny o bezpecnem pouziti pristroje jsou si vedyomy nebezpeci, ktera z jeho pouziti plynou. Nenechaveje deti, aby si pristrojem hraly. Ciistenia udrzbu, kterou ma povadet uzivatel, nesmi povadet samotne deti bez dozoru.
Pokud pristroj pouzivaj deti nebo osoby s omezenymi telesnymi, senzorickymi nebo dusevnimi schopnostmi, doporučujeme trvalé omezeni teploty. Omezeni mužete nastavit sami, nebo je nastavi specializovaný odborník:
- Dětskou pojistku muže nastavit uživatel
- Ochranu proti oparení muze nestavit specializovaný odborník

Vécné skody
Uživatel musi pristroj a armaturu chraniţ pred mrazem.
2.3 Kontrolni symbol
Viz typov štěk na pristroji
Potvrzeni a osvedceni platna v Jednotlivych zemich: Nemecko
K pristroji je vydano na zakladnemistnich stavebnich predpisu vseobecne osvedcni stavebniho dozoru jak potvrzeni o pouzitelnosti z hlediska hlucnosti.

3. Popis pristroje
Plne elektronicky regulovany pristrojs automatickou upravou vykonu udrzije konstantni yystupni teplotu vody. Plne elektronicky regulačni systém v součinnosti se servoventilem zajistuje ohrev vody na presné nastavenou teplotu. Tato funkce probíha nežávisle na vystupní teploté vody.
Teplota teplet vody
Vystupni teplotu vody muzete plynule nastavovat. Na displeji se zobrazi nastavena teplota.
Topny systém
Topny system s holou spiralou je vybaven uzavrenym tlakovym medenym plastem. Topny system je vchodny pro vodu s nizkym i vyssim obsahem vapennych soli, system je do značné miry necitlivy vuci zanášeni vodnim kamenem. Topny system zajistuje rychlou a učinnou pripravo teplé vody.

Upozorneni
Přistroj je vybaven zarizenim, které Rozpożáva, zda je v systému voda. Tim je zabráněno poskození topného systému. Pokud se za provozu dostane do pristroje vzduch, automaticaky dojdne na Jednu minutuk vypnuti ohrevu a topný systém je tak chràněny.
Podsvicení displeje
Displej je opatren dvoubarevnym podsvicenim (zelena / jantarova).
Ukazatel efektivity
Zelené ECO podsvicení signalizuje mimorádné ekonomické provozní podminky
- je-li zapnuty vykon nizsí než 80%
- je-li pri vystupni teplota vody nad 35^ maximalni vykon nizsnez 80%
- je-li pri zapnute ECO funkci maximálny výkon nizsí než 80%
Ve vsech ostatnich provoznich rezimech ma podsvicenj jantarovou barvu.
Monitor uspor
Pristroj je vybaven funkci monitorovani-upspor. Tato funkce je aktivova stisknutim prislu'sneho tlacitka. Zobrazeni:
- Uspora energia*
- Uspora vody*
Nizke emise CO_2
Mnozstvienergie -
Spotbreba vody
-
v porovnani's prutokovymi ohrivacivi vody. Vypocet pro tričlennou domácnost se spotřebour užitkové vody a užitné energia na{jenu osobu podle VDI 2067. Ceny elektrické energia a vody muzete ručné naprogramovat.
4. Nastavení a zobrazení
Pristroj muzete nastavit pomoci ovladacho panelu.
Upozornéni pro teplotu na vystupni strane
Pokud je vstupni teplota vyssi nez pozadovaná, napr. v pripadé solárního predehřivání vody, bliká ukazatel teploty a druhý uka-zatel zobrazuju teplotu na pritoku. Voda nebude dalé ohrivána.

1 Bliká ukazatel teploty
2 Ukazatel vstupni teploty
3 Světelné dioda nebezpeči oparení; Červéva světelné dioda prí nastavení teploty >43^
Doporucene nastaveni pri provozu stermostatickou armaturou
Nastavte teplotu na pristroji na 60^
Viz kapitolu, Opětovné uvedeni do provozu"
4.1 Ovladaci panel na pristroji

1 Regulador teploty
2 Svetelná dioda nebezpeči oparení
3 Pamětově tlacítko
4 Tlačitko nabídky, napr. ECO
5 Zobrazení doplinskové hodnoty
6 Zobrażení topného vykonu
7 Zobrazeni teploty
OBSLUHA
Nastavenía zobrazení
8 Symbol servisu
9 Symbol chyby
1 Sprchovani wellness
2 Automaticke mnozstv vody
3 ECO
4 Dětská pojistka
5 Zobrazeni dopl'kové hodnoty
6 Cas

4.2 Nastaveni teploty
1 Nastaveni teploty 20 - 60^ v krocich po 0,5^ , OFF = topny systém vypnuty
2 Vyvolani ulozené teploty
3 Vyvolani funkce monitoru uspor
Pod pamětové tlacitko M mužete uložit požadovanou teplotu.
Zvolte pozadovanou teplotu.
Stisknete a podrzte 2 sekundy tlacitko M. Jako potvrzeni 1x blikne ukazatel teploty.
4.3 Vyvolání funkce monitoru úspor

Struktura nabidek na prikladu v eurech (EMU)
1 Uspora energia
Uspora energia v eurech (EMU) je vypoctena a zobrazena ve srov-nani s prutokovymi ohrivacvody.
2 Uspora vody
Uspora vody v eurech (EMU) je vypoctena a zobrazena ve srovnani s prutokovymi ohrivacvi vody.
3 Emise CO2
Snizeni emisi CO2 v kg je vypocteo a zobrazeno ve srovnani prutokovymi ohrivacvi vody.
4 Množstvi enerighe
Zobrazeni spotbrebované energie v kWh.
5 Spotbreba vody
Zobarení spotřebované vody v m³.
4.4 Nastavení na pristroji
Vysvetlivky symbolu

1 Funkce ECO - uspora energia a vody
Pomoci funkce ECO muzete omezit maximini prutocné mnozstvi.
ECO zap = symbol na ovladacim panelu
ECO vyp = bez symbolu na ovladacim panelu
2 Dětská pojistka
Detska pojistka umoznue uzivateli omezit maximalni teplotu na stavitelnu na pristroji. Autorizovan'y servis muze v rezimu Zakaznicky servis dodatecné nastavit teplotu k ochrané proti opareni (viz kapitola, Rezim Zakaznicky servis'). Tato teplota je potom horni hranici rozsahu nastaveni detske pojstky.
3 Sprchovani wellness
V programu Sprchovani wellness muzete vybirat ze 4 ruznych programu stridaveho sprchovani.
TUV = teplá voda, SV = studentá voda
A Prevence nachlazen
Z duvodu otuzovani doporučujeme na záver studenou sprchu. Tim v těle aktivujete reflex zahrivani.

B Zimni osvezeni
Opětovné zahrátěla jako osvežujíci zakončeni sprchováni y zime.

Rychle stridani teplé a studenté sprchy ke zvyšeni učinku fitness steplou sprchou na záver.

D Program prokrveni
Na podporu prokrveni sprchujte paze a nohy studenou vodou. Pritom postupujte od dlani a chodidel smerem k telu. Tento postup muzete pak zopakovat s teplo vodou.

4 Automaticke mnozstv vody
Pomoci funkce automatickeho mnozstvi vody muzete omezit mnozstvi vody s vysokym prutokem. Po dosazeni nastaveneho mnozstvi vody snizi automatika prutok. Pozadovaná teplota zustav konstantni. Funkci automatickeho mnozstvi vody musite aktivovat prd kazdym napoustenim vany. Priklad napusteni vany 80 litry. Po dosazeni naplne 80 litru snizi automaticka funkce prutok na 4 l/min.
5 Prutecnmnozstvi
Volitelné muzete zobrazič cas nebo prutočné množstvi. Čas muzete nastavit v rozmězi 00:00 až 23:59 hodin. Po prerušeni napajeni musite znovu zadat Ās.
7 Nastaveni podsvicení
Müzete nastavit podsviceni displeje. Pri vyberu moznosti „Auto" blika osvetleni behem nestavovani.
- Podsviceni se Rozsviti v rezimu ohrevu a pri kazde manipulaci s ovladanim.
- Po uplynuti 30 sekund bez stisknuti tlacitka podsviceni zhasne.
- Pri vyberu moznosti „On" svit podsvicen'trvale.
8 Nastaveni intensity barvy zelená/jantarová
Jas obou barev podsviceni muzete upravit podle vlastnich pozadavku.
9 Vybér mény
Vyberte menu, ktera bude pouzita pri zobrazeni uspory energie a vody:
10 Nastavení ceny elektriny
K výpoctu uspory energia muzete zde nastavit vlastné cenu energie veur/kWh nebo cur/kWh.
11 Nastaveni ceny vody
K vþoctu uspory vody mþzete zde nastavit vlastni cenu vody v €/m³ nebo cur/m³.
12 Nastaveni emisi CO2
Z vyroby je vypocet emisi CO2 nastaven takto: 553 g CO2/kWh (zdroj: „Snizovani spotbrey energia a emisi CO2 decentralizovanym elektrickym ohrevem teplé vody“, 2011). Podle potbrey muzete nastavit vlastné emise CO2.
13 Reset do vyrobniho nastaveni
Stiskněte a podržte 2 sekundy současné tlacitka M a i.
Nastavení z výroby naleznete v Čárkovaném ráměčku na obrázku.
14 Bod nabidky
Bod nabidky není pro toto provedeni relevantni. Nelze provést zádná nastavení.
15 Bod nabidky
Bod nabidky není pro toto provedeni relevantni. Nelze provést zádná nastavení.
5. Čišění, peče a udžržba
Nepouzivejte abrazivni cisticic prostredky nebo prostredky obsahujici Rozpoustedla. K osetrovani a udrzbe priestroje stacli vlhká textilie.
Kontrolujte pravidelné armatury. Vodni kamen na vystupech z armatur odstranite beznymi prostredky k odstraneni vodni-ho kamene.
6. Odstraněni problemů
| Závada Prícina Odstraněni | ||
| I když je ventil teplé vody zcela otevřen, prístroj se nezapne. | Neni prípojeno elektrické napajeni. | Zkontrolujte jižěné vnutrů instalace. |
| Perlátor v armatuře nebo sprchová hlavice jsou za-neseny vodním kamemem nebo jsou znečistěné. | Vycistěte perlátor nebo sprchovou hlavici a zbáte je vodniho kamene. | |
| Je prěrušen prívod vody. | Odvzdušnéte prístroj a prívod studenté vody (viz kapitolu „Uvedeni do provozu / Opětovné uve-dení do provozu"). | |
| Při odbreu teplé vody teče chvili studená voda. | Zařizení Rozpoznalo v oděve vyssí obsah vžduchu a krátkodobě prěru-silo ohřev. | Přístroj se za 1 minutu opět samočiněné zapne. |
| Nelze nastavit teplotu >43°C. | Je aktivována dynamická ochrana proti opatřeni. | Dynamická ochrana proti opařeni je automaticky vypnuta 2 minuty po ukoncení odbreu. |
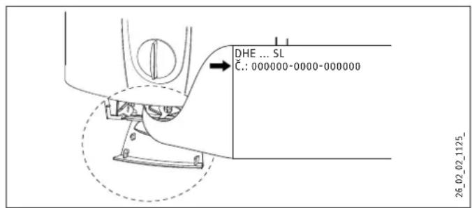
Pokud nelze pricinu odstranit, kontaktujte specializvaneho odborniKA. Pro lepsi a rychlejsi pomoc mu sdeltie cislo (c. 000000-0000-000000), ktere je uvedeno na typovem stitku:

INSTALLACE
7. Bezpečnost
Instalaci, uvedeni do provozu, udrzbu a opravy pristroje smi povadet pouze specializovan y odbornik.
7.1 Vseobecná bezpečnostní upozorněné
Rădnou funkci a spolehlivy provoz lze zarucit pouze v pripadé použiti originalniho príslušenstvi a originalnich nahradnich dilu urcenych pro tento pristroj.

Vécné skody
Dodržujte maximni vystupni teplotu. Pri wyssich teplotach muze dojit k poskozeni pristroje. Instalaci centrañlermostaticke armatury (viz kapitol „Popis pristroje / Prislušenstvi") mužete omezit maximni vystupni teplotu.
7.2 Předpisy, norma ustanoveni

Upozornéni
Dodržujte všechny národní a mistrí predpisy a ustanovění. V Němečku se jejá např. o DIN 1988/EN 806.
- Krytí IP 25 (ochrana proti strikají vode) je zaručeno pouze v prípadě odborně instalované kabelové pruchodky.
- Merny elektricky odpor vody nesmi byt mensi nez hodnota uvedena na typovem stitku. V pripadé propojeni nekolika vodovodnich siti je nezbytné vzt v uvahu nejnižsí elektricky odpor vody (viz kapitolu „Technické udaje / Oblasti použitú"). Hodnoty merného elektrického odporu vody nebo elektrické vodivosti vody zjistfte u vašeho dodavatele vody.
8. Popis pristroje
8.1 Rozsah dodávky
S pristrojem sedodava:
- závesná lista
montazni sablona - 2 dvojite vsuvky
- križová tvarovka
-tvarovkAT - plocha těsnečí
-sitko - plastová tvarová podložka
- plastové spojovaci prvyk / montázní pomúcky
- víčka a vodici privky na zadní stěnu
8.2 Prislušenstv
Dalkov ovladani
- FFB 1 SL - dalkovy radiov ovladac
Obsluha ze dvou mistr - FFB 2 SL - dalkovy radiovy ovladac
Dalkovy radiovy ovladac jako Rozsirení modelu FFB 1 SL - FB 1 SL - kabelový ovladac Obsluha pouze dálkovým ovladačem; vchodné k instalaci na stěnu
Armatury
-MEKD-kuchynska tlakovabaterie
-MEBD-vanová tlaková baterie
Vodovodni zatky jsou nezbyné,Pokud použijete jiné nez v prislu-senstvi doporučene nastenné tlakové baterie.
Montázní sada k instalaci na zed'
-
Pájeci sroubeni - medená trabka k pripojen pájenim 0 12 mm
-Lisovacifitink-medena trabka -
Lisovaci fitink - plastová trabka (vhodná pro Viega: Sanfix-P-lus nebo Sanfix-Fosta)
Univerzalni montažni ram
Potrubni instalacni sada pro pristroje pod umyvadlo
Instalačni sada k montáži pod umyvädo je nezbytná,Pokud potbrebujete pripojky vody (G 3 / 8 A) nad pristrojem.
Instalacni sada pro presazeni potrubi
Tato potrubni instalacni sada s koleny je nezbytná,Pokud chcete mit pristroj umistěny proti vodovodni prípojce se svislým presazením o 90 mm směrem dolú.
Potrubni instalacni sada k vymene plynového ohrivace vody
Potrubni instalacni sada je nutna,Pokud stavajici instalace obsahuje pripojky plynoveho ohrivace vody (pripojka studene vody vlevo a pripojka teplé vody vpravo).
Potrubni instalacni sada pro vodoinstalačni spojky DHB
2 vodoinstalacni spojky, jejichz pomoci muzete pristroj pripojit ke stavajicim vodovodnim nastrcnym pripojkam DHB.
Zatazovérel (LR1-A)
Zátežové relé k instalaci do elektrorozvodného systému umoznuje prioritni spinání prutokovoho ohrivace pri současném provozu napr. elektrických zařizení k ohrevu zásobníku.
ZTA 3/4 - centránlí termostická armatura
Termostická armatura k centrálnímu prédrazenému směšovani vody, například u prútokového ohriváče se solárním systémem.
9. Priprava
▶ Použijte vchodné armatury (viz kapitolu „Popis pristroje / Príslušenstvi“). Otevřene armatury nejsou dovolné.
Križova tvarovka se nesmi používat ke skrceni objemového prutoku. Slouží k uzavěné pristroje.
Dovolené materialy vodovodniho potrubí
- Privod studené vody:
Zarové zinkovaná ocelová trabka, trabka z ušlechtile oceli, meděna trabka nebo plastová trabka
Vystupni potrubi teplé vody:
Trubka z ušlechtilé oceli, meděna trabka nebo plastová trabka

Věcné škody
V pripadé pouziti plastovych potrubnich systému doržujte maximálni dovolenou vystupné teplotu a maximálí dovolený tlak, uvedene v kapitole „Technické udaje / Tabulka udajú".
Objemov prutok
Zkontrolujte, zda je dosaženo objemového prutoku (viz kapitolu „Technické udaje / Tabulka udajú“, zapnutí) k zapnuti pristroje.
Zvystle tlak ve vodovodu,Pokud neni dosazeno pri plne ote-2 Vystup teplé vody vrenem odbernem ventilu potrebneho objemoveho prutoku.
1 Privod studené vody
2 Vystup teplé vody
Flexibilni privody vody
Pri instalaci pomoci flexibilnich vodovodnich Rozvodu nedopustte prekroucenia deformaci kolen. Kolena jsou namontovana k pristroji pomoci bajonetoveho uzaveru.
Upevnete zadni stenu dole pomoci dalshi sroubu.
9.1 Misto montáze

Vécné skody
Pristoj smí být instalován pouze v mistrasti chroněne préd mrazem.
Přistroj montujte ve svislé poloze v blízkosti odběrného mista.
Přístroj je vhodný k montáži pod i nad umyvadlo.

Upozorneni
Pristroj musite namontovat na dostatecnne nosnou stenu.

Montáz pod umyvadlo
1 Privod studené vody
2 Vystup teplé vody

Montáz nad umyvdlo
9.2 Nastaveni z vyroby
Pristroje jsou pridodani pripraveny:
-Elektrická prípojka „zespodu“, instalace ve stěné (pod omitkou)
Vodovodni prípojka s instalaci ve stěne (pod omtkou)
V pripadepristroje s prepinanym prikonem je predem nataven prumerny prikon.
INSTALACE
Montáž
10. Montáž
V teto kapitole je uveden popis montaze v souladu s vyrobnim nastavenim.
Dalsi moznosti montaze viz kapitolu „Alternativni postupy montaze".

Otevretepristroj.

Demontujte zadni stenu zatalenim dvou pojistnych hacku a staahnete spodni dil zadni steny dopredu.

Vyznačte pomoci montážni šablony vrtane otvory. V pripadé montáze s vodovodnimi pripojkami primo na zdi musite navic oznaciti upevnovići otvor ve spodni Časti šablony.
Vyvrteje otvory a upevnete zavesnou listu pomoci 2 sroubu a 2 hmozdinek (srouby a hmozdinky nejsou soucasti dodavky).
Upozorneni V pripadem
V pripademontaze s pouzim flexibilnich vodovodnich pripojek musite zadni stenu navic upevnit sroubem.
Namontujte zavesnou listu.

1 Montázní pomücka
Upravte privodni kabel.

1 Teplá voda s tvarovkou T
2 Těsnění
3 Studená voda s křížovou tvarovkou
4 sitko
5 Tvarova podložka
Namontujte privody vody.
Věcne škody
Z duvodu funkce pristroje musite instalovat sitko.
Při výměne pristroje zkontrolujte pritomnost sítka.
Montáz pristroje

Pripojeni privodu elektrické energia
VYSTRAHA elektricky proud Veskeré elektrická zapojeni a instalace provadějte podle prédpisů.
VYSTRAHA elektricky proud
Připojka k elektrické siti smí být provedena pouze jako pevná pripojka v kombinaci s vyjmatemelnou kabelovou vsuvkou. Pristroj musi být možné odpojt od sitové pripojky na vsech polech na vzdalenost minimálne 3 mm.
VYSTRAHA elektricky proud Pamatujte, ze pristroj musi byt priopojen k ochrannemu vodiči.

Pro snazí montáz zatlačte kabelovou pruchodku horní elektrické prípojky bezadu do zadní stěny.
Odstraţe z vodovodnichnă pripojek ochranná transportnii vička.
Vyjměte upevnovaci páčku z horního dílu zažná stěny.
Zavedte elektricky privodni kabel zezadu kabelovou pruchodkou tak, aby pruchodka prilnula k plasti kabelu. Vyrovnejte elektricky privodni kabel.
Je-li pruže z > 6mm^2 , zvětěsète otvor v kabelové pruchodce.
Pripojte elektricky privodni kabel k sitove svorkovnici (v kapitolu, Technicke udaje / Schema elektrickho zapojeni). Uvedene napeti se musi shodovat se sitovym napetim.
Zatlačte pristroj na zavitovy svorník v závesné listě, aby dos Volitelny prikon k prorazení měkkého těsněni. Pripadné použijte sroubovák.
Prikon Ize nastavit ve 3 stupnich v zavisiosti na typu pristroje. Nasadte upevnovaci pačku na zavitový svorník závesné listy. Predem je nastaven pruměrný vykon. Pokud si prëjete nastavit
Pevne pritlae zadni stenu a zajistete upevnacipacku otojiny vykon, musite provest nasledujici kroky. cnim doprava o 90^

Prisrobujte potrubis plochym tsehnim na dvojitie vsuvky.

Vyberte požadovany príkon, viz kapitolu „Technické udaje/ Tabulka udajú".
Zapojte kódovaci konektor v souladu se zvolenym prikonem.
Provedezmenu na typovem stitku. Vybrany prikon oznache krizkem. K toto ucelu pouzijte propisku.
10.1 Dokončeni montáže

Přemistěte sítovou svorkovnici v pristroji zespoda nahoru a upevněte ji zaunutim pod pojistné háček.

Vedte pripojovac vodiice pod vedenim pro vodiie.
Namontujte spodni dil zadni steny. Dbejte na to, aby spodni dil zadni steny dobre zapadl.
Vyrovnejte namontovaný pristroj povolením upevnováč páčky, vyrovnejte elektrickou pripojku a zadni stenu a opět utáhněte upevnováč páčku. Pokud zadni stena pristroje nepřilelá, mužete pristroj dole upevinit dalšim sroubem.
10.2 Alternativymontaze
-Elektricka pripojka nahore pod omitkou
-Elektrická prípojka na zdi
- Velké prürezy vodicu pro elektrickou pripojku dole
Pripojenizatezovehorele
Vodovodni instalace na zdi
Vodovodni instalace na zdi s pajenou pripojkou / lisovacim fitinkem
Vodovodni instalace na zdi, montaz vika pristroje
- Montáz spodniho dilu zadni steny pri provedení se zavitovou prípojkou na zdi
-Pouziti stavajicich zavesnych list pri vymene pristroje
-Instalace na prędsazenych obkladech
Otočene viko pristroje
- Provoz s predehratou vodou
Rozriznete kabelovou pruchodku pro elektricky privodni kabel.
Stisknete hockovou pojistku kupevnisi tove svorkovnic smerem dolu a vytahnete ji.
Elektricky privodni kabel na zdi
CisteVyriznete nebo prorazte potrebnou pruchodku v zadni stene a ve viku pristroje, umisteni viz kapitolu „Technicke udaje / Rozmery a pripojky". Pouzijte pripadne pilnik.
Vedte elektricky privodni kabel kabelovou pruchodkou a pri-poje jej k sitove svorkovnici.

Upozorneni
Prid Zahajenim montaze pristroje musite vytlacit kabelovou pruchodku pomoci sroubovaku.
▶ Nasunte kabelovou pruchodku na elektricky privodni kabel. Použijte k tomu montázní pomücku. Je-li prúrez >6mm^2 zvětěte otvor v kabelove pruchodce.
- Nasadte kabelovou pruchodku do zadni steny.
INSTALLACE
Montáž
Pripojeni zatezového relé
Zatezovrelepuizivejevtombinacijsjinymielktrickymi pristroji velektrickemrozvodu,naprikladselektrickymiakumulacnimi ohrivacik. Kvypnuti zateze dochazpri provozur prutokovo ho ohrivace.Zatezovreledodavamejako prisluosenstvi.

Vécné skody
Pripojte fazi, ktera spina zatezove rele, k oznacene svorce sitove svorkovnice v pristroji (viz kapitolu „Technické udaje / Schema elektrického zapojeni").
Vodovodni instalace na zdi
Dodržujte pouny výrobce armatury.
Vodovodni instalace na zdi, montáž vika pristroje

1 Vodici privky zadni steny
2 Sroub
3 Vodici prvky vika
4 Pruchoz otvor
Provede' ciste vylomeni pruchozich otvoru ve viku pristroje. Pouzijte pripadne pilnik.

Upozorneni
Pomoci chlopi vodicich prvu vika muzete utesnit mirna presazenipipojovacich trubek armatury.
V priapde presazenipipojovacich trubek armaturynesmite namontovat zdne vodici privky zdni steny.
Při montáži pripojovacích trubek armatury bez présazenу lomte chlopné vodicích prvu k vaka.
Nasadte vodici prky vika do pruchozich otvoru.
Nasadte vodicici privky zadni steny na trabky a zatlacte je k sobe. Nakonec posunte vodicici privky az nadoraz k zadni stene.
Upevnete zadni stenu dole pomoci sroubu.
Montáz spodniho dilu zadni steny pri provedeni se zavitovou pripojkou na zdi
Spodni dil zadni steny muzete namontovat po monta zi armatury.

1 Sroub
2 Dodane spojky
Nañiznete spodni dil zadni steny v označeném misté.
Namontujte spodni dil zadni steny jeho ohnutim po stranach a nasazenim na trabky na zdi.
Zezadunasadte spojky do spodnihodiluzadni steny.
Zatlačte spodnídīl zadní stěny do zadní stěny.
Upevné spodni dīl zadnī stěny sroubem.
INSTALACE
Montáž
Závesná lista pri vymene pristroje
Stavajici zavesnou listu od vrobc Stiebel Eltron muzete pripadne pouzit pri vymene prestroje (vjmikou je prutokov ohrivac DHF).
Prorazte zadni stenu pristroje pro zavitovy svornik na jiz na montované zavesne liste.
Vymena zarizeni DHF

Zmeinte polohu zavitoveho svorniku na zavesne liste (zavitovy svornik ma samorezny zavit).
Otoce zavesnou listu o 180^ a namontujte ji na stenu (popiska DHF je ve spravne poloze ke cteni).
Instalace na predsazenych obkladech

1 Minimálni opěrná plocha pristroje
2 Maximalí presazení obkladú
Nastavte vzdalenost od steny a upevnete zadni stenu upevno-vaci paskou otocenim doprava o 90^
Otočené viko pristroje
Viko pristroje muzete pri montazi pod umyvadlo otocit.

Demontujte ovladač z vika pristroje zatlacenim na háčkovou pojistku a vyjměte ovladaci prvek.
Otoce viko pristroje (ne pristroj) a opet namontujte ovladac tak, aby vsechny hackové pojistky zaskocily. Pri zajistovani hackovych pojistik musite tlacit na vnitrn stranu vika pristroje (srafovana ccast).
Zapojte kabel snimače požadované hodnoty k elektronickému systému (viz kapitolu „Uvedeni do provozu / První uvedeni do provozu").
Zaveste viko pristroje dole a vyklopte je nahoru na zadni stenu.
Z duvodu správného usazení obvodového těsněni zadní stěny mirné posùně vík ovpred a zpět.
Naśroubujte víko pristroje.
Provoz s predehratouvodou
Instalaci centrali termostaticke armatury je omezena maximini vstupni teplota (viz kapitolu „Popis pristroje / Prislusenstvi").
11. Uvedeni do provozu

VYSTRAHA elektricky proud Uvedeni do provozu smi povadet pouze specializovany odbornik pri dodrzeni bezpechnostnich predpisu.
11.1 První uvedeni do provozu
Otevreke krizovou tvarovku.

Otevretae uzavretene nekolikrat vsechny pripojene odbernevently, dokud nebudou Rozvodna sit'a pristroj odvdusnene.
Provede kontrlu tesnosti.
Aktivujte bezpečnostní spínač (AE 3) pevný stisknutím resetovacího tlacitka (přistroj je dodán s deaktivovaný bezpečnostím spínačem).
Pripojte konektor kabelu snimače požadované hodnoty k elektronickému systému.
Namontujte viko a upevnete je sroubem.
Zapněte napájení ze sítě.
Zkontrolujte funkci pristroje.
Z displeje ovladace odstrahte ochrannou folii.
Předníní pristroje
Vysvetele uživateli funkci pristroje a zezname ho se zpúsobem jeho uzivaní.
Upozornete uživatele na mozná rizika, predevím na nebez-Nabídka Error se zobrá pouze tehy, dojde-li na pristroji k chybě. peči opaření.
Predejte tento navod.
11.2 Opétovné uvedeni do provozu

Vécné skody
Po preruseni dodavky vody je nutne pristroj opetovne uvest do provozu pomoci nasledujicich krok,uaby nedoslo k poskozeni topneho systemu s holou spiralou.
Odpojte priestroj od napeti vypnutim pojistik.
Otevrete armaturu na dobu jegne minuty, dokud nejsou pristroj a predrazena pripojka studene vody ovdzdu-snene.
Opét zapnéte napajeni ze site.
12. Režim Zákaznicky servis

Otevre te vko pristroje a zaveste je zboku na zadni stenu.

1 Servisni tlacitko k aktivaci a deaktivaci rezimu zakaznického servisu
Vysvetlivky symbol

1 stisknuti START
1 stisknuli KONEC
Prepnú nastaveni / kontrola
V rezimu zakaznického servisu je mozné vyvolani azmena pozadovane hodnoty tlacitkem M (60°C).
INSTALACE
Uvedeni mimo provoz

1 Symbol elektronické konstrukné skupiny
Vyměnte elektronickou konstrukčné skupinu.
2 Symbol bezpečnostního obvodu
Zkontrolujte priopojeni AE 3, prip. AE 3 vymene.
3 Symbol vystupnio cidla
Zkontrolujte priopojeni yystupniho cidla, prip. cidlo vymene
4 Symbol servoventilu
Zkontrolujte pripojen servoventilu, pri. servoventil ymeinte.
Vyvoláni nabídky Control

1 Symbol vstupni teploty indikuje aktualignvstupni teplotu (zobrazeni 1,0 ^ C pri vad-nem senzoru).
2 Symbol vystupni teploty indikuje aktualni vystupni teplotu (zobrazeni 65,0 ^ C pri vad-nem senzoru).
3 Symbol objemového prutoku indikuje aktuálni objemový prutok.
4 Symbol prikonu indikuje aktualni prikon.
Vyvolání nabidky dat pristroje

1 Symbol kódu zákaznického servisu, informace pro zákaznicky servis.
2 Symbol doby provozu na sitové pripojce, akumulovaná doba provozu ve dnech.
3 Symbol hodin ohrevu, akumulovaná doba ohrevu v hodinach.
4 Symbol maximalho vykonu Zobrazena hodnota se muze v pripadse sitoveho napeti jineho nez 400 V lisit o nekolik kW od jmenoviteho vykonu.
Nastavení ochrany proti opařeni
Tuto ochranu proti opatréní používejte například v matěrských skolkách, nemocnicích apod. Zde nastavená teplota je současné horní mezí nastavení teploty dětské pojistky (viz kapitola „Nastavení pristroje").

Rozsah nastaveni: 21 - 60°C
Dopurcene nastaveni 43^

Upozorneni
Nastavenou ochranu proti opareni muze zmenit pouze specializovan y odbornik. Pri soucasnem stisknuti tlaitek M + i nedojde ke zmene.
13. Uvedeni mimo provoz
Odpojtepristrojnavsechpolech od site.
Vypuste obsah pristroje (viz kapitolu „Udrzba").
14. Odstrańovani poruch

VYSTRAHA elektricky proud
Z duvodu kontroly pristroje musi byt pristroj priopojen k sitovemu napeti.
Konektoróvo spoje na elektronickém systemu

1 Diagnostika lista (3 LED)
2 Senzor objemového prutoku DFE
3 Servoventil
4 Bezpečnostní omezováč teploty STB
5 VystupniCIDIONTC
6 Snímac požadované hodnoty T-pož
7 Bezpečnostní spínač AE 3; konektorový spoj je zajistěn are-tacnéjazočkem.
| Závada | Príčina | Diagnostická lišta | Odstránění |
| Přistroj neohříva / není dosaženo poža-dované teploty. | Není prípojeno elektrické na-pájení. | Nesvití Žádná LED Zkontrolujte pojistyk v domovné instalaci. | |
| Bezpečnostní spínač (AE3) vypnul. | Nesvití Žádná LED | Odstraťne príćinú závyd. Chraťe topný systém před prěhřatím otevřinem ventilu v odběrněm miste za prístrojem na{jednu minutu. Tím doje k ochlazení topného systém. Aktiviúte bezpečnostní spínač stisknutím tlačíka na bezpečnostníspínač (viz těž kapitolu „Prviů vedené do provozù”). | |
| Závada elektronického sys-tému. | Nesvití Žádná LED | Zkontrolujte elektroniku, prípadné provedte výměnu. | |
| Výpádek fáze. Bliká zelená LED, Žlute LED svítí | Zlute LED svítí | Zkontrolujte pojistyk v domovné instalaci. | |
| Vystupné teplata > 55 °C. Bliká zelená LED, Čer-vená LED svítí | Snižte vystupné teplatu. | ||
| Senzor prútoku (DFE) je vadné nebo{ní prípojený. | Bliká zelená LED, Žlute LED nesvití | Zkontrolujte prípojení senzoru prútoku, prípadné jej vyměnte. | |
| Topný systém je vadné. | Bliká zelená LED, Žlute LED svítí | Zkontrolujte topný systém, prípadné provedte jeho vyměnu. | |
| Vadný vystupné senzor. | Bliká zelená LED, Čer-vená LED trvale svítí | Vyměnte elektroniku. | |
| Vadný vystupné senzor. | Bliká zelená LED, Čer-vená LED trvale svítí | Zkontrolujte prípojení vystupné senzoru, prípadné jej vyměnte. | |
| Chyba bezpečnostního elektrö-nického systém. | Bliká zelená LED, Čer-vená LED pouze pri odbrу | Prípoje spojovác kabel bezpečnostního spínač a zkontrolujte bezpečnostníspí-nač. | |
| Uvolněné nebo vadné spojovác kabel snímače požadované hodnoty. | Bliká zelená LED | Prípoje spojovác kabel snímače požadované hodnoty a zkontrolujte spojovác kabel. | |
| Je aktivována dětská pojistka a omezováč teploty. | Bliká zelená LED | Zkontrolujte snímač požadované hodnoty a prípadné jej vyměnte. | |
| Displej na prístroji ne-zobrazuje hodnoty. | Uvolněné spojovác kabel sní-mace požadované hodnoty. | Bliká zelená LED | Prípoje spojovác kabel na snímači požadované hodnoty a zkontrolujte spojovác kabel. |
| Vadný elektronický systém ovladání. | Bliká zelená LED | Zkontrolujte ovladáč, prípadné provedte výměnu. | |
| Prútok je príliš nízký. | Sprchovác hlavice / perlátory jsou zanesené vodním kame-nem. | Odstraťne vodní kámen nebo vyměnte sprchovác hlavici / parlátory. | |
| Znečistěné sítko. | Vyčistěte sítko. | ||
| Požadovanou hodnotu nelze nastavit na hod-notu wyšíne než 43 °C nebo na jinou požado-vanou teplotu. | Je aktivována dynamická ochra-na proti opatřeni. | Bliká zelená LED | Dynamická ochrana proti opatrěné je odstráněna 2 minuty po odlěru vody. |
| Je aktivován omezováč teploty. | Bliká zelená LED | Deaktivujte omezováč teploty. | |
| Pri odbru těche chvili studenta voda. | Prútok (< 2 l/min) je príliš nízký. | Prístroj se automaticky spustí, jakmile nastane prútok > 2,5 l/min. | |
| Zařizení zjistilo ve vodě vyší obsah vžduchu a na chvili vy-pnulo ohřev. | Prístroj se za minutu opět zapne. |
15. Udržba

VYSTRAHA elektricky proud
Pri vsech cinnostech odpojte pristroj na vsech polech od site.
Vyprázdniéni pristroje
Pristroj muzete vypustit kvuli udrzbe nebo ochrané prd mrazem.

POZOR opareni
Pří vypoustěni pristroje muže vytekat horká voda.
Uzavrete ventil na privodu studené vody.
Otevretvechny odbernéventily.
Odpojte od pristroje vodovodni pripojky.
Demontovany pristroj skladujte tak, aby byl chranen premdrazem. Pripadne zbytky vody v pristroji mohou zmrznout a zpusobit skody.
16. Technické udaje
| b02 | Kabelová pruchodka I | ||
| c01 | Prívod studené vody | Vnější zámít | G 1/2 A |
| c06 | Vystup teplé vody | Vnější zámít | G 1/2 A |
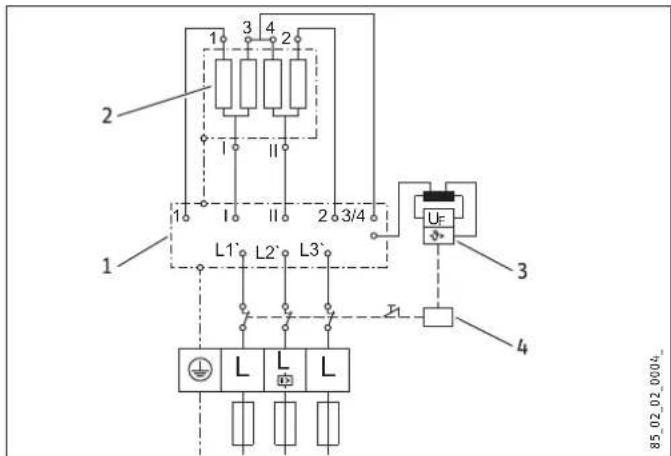
16.2 Schéma elektrického zapojeni

3/PE 380 - 415V
1 Vykonová elektronika
2 Topny systém s holou spirálou
3 Bezpečnostní omezováč teploty
4 Bezpečnostní spínač
INSTALACE
Technické udaje
Prioritni spinani se zataeovym relé (LR 1-A)
Viz tež kapitolu „Popis zařizení / Príslušenstvī“

1 Rídici obvod stykace 2. pristroje (napriklad elektricky akumulacni ohrivac).
2 Ridici kontakt, ktery se otevre po zapnuti prutokoveho ohrivace.
16.3 Množstvi smichane vody / vystupni množstvi
Tabulkové hodnoty jsou vztazeny k jmenovitemu napeti 400 V. Množstvi smichane vody nebo vystupni množstvi zavisi na vstupnim tlaku a na skutečnémi sítovém napeti.
Použivaná teplova ve sprse, k myti rukou, napoustěni vany apod. cca 38 °C.

Vystupni teplova kuchynskem drezu a pri pouziti armatur s termostatem cca 60^

X Vstupni teplota studené vody ve ^ C Y Mnozstvi smichane vody / vystupni mnozstvI/min
1 18 kW
2 21 kW
3 24 kW
16.4 Oblasti pouziti / Převodni tabulka
Specifický elektrický odpor a specifiká elektrická vodivost, viz „Zvyseni teploty".
| Udaj podle normy pri 15 °C | 20 °C | 25 °C | ||||||
| Spec. Odpor ρ ≥ | Spec. Vodivost σ ≤ | Spec. Odpor ρ ≥ | Spec. Vodivost σ ≤ | Spec. Odpor ρ ≥ | Spec. Vodivost σ ≤ | |||
| Ωcm | mS/m | μS/cm | Ωcm | mS/m | μS/cm | Ωcm | mS/m | μS/cm |
| 900 | 111 | 1111 | 800 | 125 | 1250 | 735 | 136 | 1361 |
| 1000 | 100 | 1000 | 890 | 112 | 1124 | 815 | 123 | 1227 |
| 1100 | 91 | 909 | 970 | 103 | 1031 | 895 | 112 | 1117 |
| 1200 | 83 | 833 | 1070 | 93 | 935 | 985 | 102 | 1015 |
| 1300 | 77 | 769 | 1175 | 85 | 851 | 1072 | 93 | 933 |
16.5 Ztraty tlaku
Armatury
| Tlakova ztráta armatur pri objemovém prútoku 10 U/min | ||
| Páková baterie cca | MPa | 0,04 - 0,08 |
| Armatura s termostatem cca | MPa | 0,03 - 0,05 |
| Rucni sprcha cca | MPa | 0,03 - 0,15 |
Dimenzováni potrubní sítě
K výpočtu dimenzováni potrubní sítě je pro prístroj doporučena tlaková ztrát 0,1 MPa.
16.6 Podmíky v pripadě poruchy
V pripadé poruchy muže v instalaci krátkodobě vzniknout zatízení maxímalné 80 °C prí tlaku 1,0 MPa.
16.7 Udaje ke spotbrenergie
Udaje o vyrobku odpovidaji nafrizem EU ke smernici o ekodesignu vyrobku v souvislosti se spotrebou energia (ErP).
| DHE 18 SLi 25A DHE 18/21/24 SLi DHE 27 SLi | ||||
| 227492 227493 227494 | ||||
| Výrobce | STIEBEL ELTRON | STIEBEL ELTRON | STIEBEL ELTRON | |
| Zátežový profil | S | S | S | |
| Třída energetické účinnosti | A | A | A | |
| Rocné spotřeba proudu | kWh | 479 | 479 | 473 |
| Energetická účinnost | % | 39 | 39 | 39 |
| Nastavení teploty u výrobce | °C | 60 | 60 | 60 |
| Hladina akustického tlaku | dB(A) | 15 | 15 | 15 |
| Zvlástné pouky k měrení účinnosti | žádně | Udaje pri Pmax. | žádně | |
16.8 Tabulka udajú
| DHE 18 SLi 25A | DHE 18/21/24 SLi | DHE 27 SLi | ||||||||
| 227492 | 227493 | 227494 | ||||||||
| Elektrotechnické Údaje | ||||||||||
| Jmenovité napětí | V | 380 | 400 | 415 | 380 | 400 | 415 | 380 | 400 | 415 |
| Jmenovitý výkon | kW | 16,2 | 18 | 19,4 | 16,2/19/21,7 | 18/21/24 | 19,4/22,6/25,8 | 24,4 | 27 | 29,1 |
| Jmenovitý proud | A | 24,7 | 26 | 27 | 27,6/31,4/33,3 | 29/33/35 | 30,1/34,3/36,3 | 37,1 | 39 | 40,5 |
| Jištění | A | 25 | 25 | 32 | 32/32/35 | 32/32/35 | 32/35/40 | 40 | 40 | 40 |
| Fáze | 3/PE | 3/PE | 3/PE | |||||||
| Frekvence | Hz | 50/60 | 50/60 | 50/- | 50/60 | 50/60 | 50/- | 50/- | 50/- | 50/- |
| Max. impedance sítě prí 50 Hz | Ω | 0,300 | 0,285 | 0,274 | 0,331 | 0,314 | 0,302 | 0,200 | 0,190 | 0,183 |
| Specifiký odpor σ15≥ (prí Østudené ≤55 °C) | Ω cm | 900 | 900 | 900 | 900 | 900 | 900 | 900 | 900 | 900 |
| Specifiká vodivost σ15≤ (prí Østudené ≤55 °C) | μS/cm | 1111 | 1111 | 1111 | 1111 | 1111 | 1111 | 1111 | 1111 | 1111 |
| Připojky | ||||||||||
| Vodovodní prípojka | G 1/2 A | G 1/2 A | G 1/2 A | |||||||
| Meze použitelnosti | ||||||||||
| Max. dovoleny tlak | MPa | 1 | 1 | 1 | ||||||
| Max. teplota prítoku pro dodatečné ohřev | °C | 55 | 55 | 55 | ||||||
| Hodnoty | ||||||||||
| Max. teplota vystupné vody | °C | 65 | 65 | 65 | ||||||
| Zap | l/min | >2,5 | >2,5 | >2,5 | ||||||
| Prútok pro ztrát y tlaku | l/min | 5,2 | 5,2/6,0/6,9 | 7,7 | ||||||
| Tlakové ztrát prí objemovém proudu | MPa | 0,04 | 0,04/0,06/0,08 | 0,1 | ||||||
| Zobrazení teplé vody | l/min | 9,2 | 9,2 / 10,7 / 12,3 | 13,8 | ||||||
| ΔØ prí zobrazení | K | 28 | 28 | 28 | ||||||
| Üdaje o hydraulickém systému | ||||||||||
| Jmenovitý objem | I | 0,4 | 0,4 | 0,4 | ||||||
| Provedení | ||||||||||
| Volitelný príkon | - | X | - | |||||||
| Nastavení teploty | °C | 20-60 | 20-60 | 20-60 | ||||||
| Trīda ochrany | 1 | 1 | 1 | |||||||
| Izolačné bloc | Umělá hmota | Umělá hmota | Umělá hmota | |||||||
| Topný systém zdroje tepla | Holá spirála | Holá spirála | Holá spirála | |||||||
| Víko a zadní stěna | Umělá hmota | Umělá hmota | Umělá hmota | |||||||
| Barva | bílá | bílá | bílá | |||||||
| Kryti (IP) | IP25 | IP25 | IP25 | |||||||
| Rozměry | ||||||||||
| Výška | mm | 478 | 478 | 478 | ||||||
| Šířka | mm | 225 | 225 | 225 | ||||||
| Hloubka | mm | 105 | 105 | 105 | ||||||
| Hmotnosti | ||||||||||
| Hmotnost | kg | 4,5 | 4,5 | 4,5 | ||||||
Záruka
Pro pristroje nabyte mimo uzemi Nemecka neplatzi zaručni podmíky poskytované našimi firmami v Nemecko. V zemich, ve kterych některá z nasich dceřiních společnosti distribuujene naš výrobky, poskytuje zaruku jenom tato dceřina společnost. Takovou zaruku lze poskytnout pouze tehdy,Pokud dceřina společnost vydala vlastné zaručni podmíky. Jinak nelze zaruku poskytnout.
Na pristroje zakoupene v zemich, ve kterych nejsou nase yrobky distribuovany zdnou z dceirinych spolecnosti, neposkytujeme zdnou zaruku. Pripadne zaruky zavazne prislibene dovozcem zustavaji proto nedotcené.
Zivotni prostreia recyklace
Pomozte nám chránit naseživotni prostředí. Materiały po použítí zlikvidujte v souladu s platnymi narodnimi prédpisy.
OBSLUGA
info@stiebel-eltron.cz
www.stiebel-eltron.cz
Finland
STIEBEL ELTRON OY
Kapinakuja 1 | 04600 Mntsälä
Tel. 020 720-9988
info@stiebel-eltron.fi
www.stiebel-eltron.fi
France
STIEBEL ELTRON SAS
SnadnýManuál