233924 - холодильник Arktic - Бесплатное руководство пользователя
Найдите руководство к устройству бесплатно 233924 Arktic в формате PDF.
Скачайте инструкцию для вашего холодильник в формате PDF бесплатно! Найдите своё руководство 233924 - Arktic и возьмите своё электронное устройство обратно в руки. На этой странице опубликованы все документы, необходимые для использования вашего устройства. 233924 бренда Arktic.
РУКОВОДСТВО ПОЛЬЗОВАТЕЛЯ 233924 Arktic
Д. Повпевские насторк / рунhoe paэморжваиме
e.YcTaHOBJIeHHoe 3HaueHne TempepaTpybI
- BeHTnJIaIcNoHHbIe OTBepCTnIa
3.Полka - Pучka CTeKJIaHHbIXДВepei
5.ламнока
6.ДВерн03amok - BbiknoyateIb ocBeueHn (226568, 233900, 233917, 235829, 235836)
IpimueaHne. Coepxahne 3Toro pykoBocTBa OTHOCNTcKo Bcem yka3aHHbIM MoedJAM, ecn He yka3aHo HHOe. BHeuHn BnD yctpoiCTBa MOKeT OTnUaTbcr O TBHeuHero Bnda, noka3aHHoro Ha pncyHKax.
Onncahne cocToHnHnHnKaTopa
| Символ Сост婦人教 Onисанne | ||
| set | ПОДСBEUEH Ржим настору | |
| HE ПОДСBEUEH | Устристов павotas в союrentе СВЕДECHы-MИ насторikами | |
| out | ПОДСBEUEH зашиениkomпессор - охлajдениe | |
| HE ПОДСBEUEH Kompeccop He зашиени - He охлajдениe | ||
| MIGAET Погotobka К онлайн<|rotate_down|> | ||
| С ПОДСBEUEH Рожецх охлajдениe | ||
| def ПОДСBEUEH Рожецх заиморожиBaлия |
YcTaHOBKa TemnepaTypbl
-
PoiKJIHOnHTe yCTpOuCTBO K COOTBeTcTByUoUeJ 3JIeKTPnuecko p03eTke.
-
Notom HaxmTe KhoNky 1d, YTo6bl NoTBePnITb BBeDeHHbIe HaCTpoKn N BbIn.
Korda HndkaTop «set» He ropnt, haxmnte u ydepxnbate KhoNky 1a B TeueHne 3-4 cekynd, noka Ha dncnnee He noBntcra 5. 3aTeM OTny-CTNTe KHOKNy 1a n CHOba eHaxmnte.
BHHMaHHe:
- Ecni B TeueHne 30 cekyHn He 6ydt Haxkata Hn OndHa KhoNka, 3aDaHHa TempepaTpya 6ydt ATOmatuYeCKn COxpaHeHa.
Haxmte KhoNky 1b, yTo6bl yBEnuHTb TemnepaTpy Ha 1^ nIIN Haxmte KhoNky 1c, dJIa cHxKeHHa TemnepaTpybHa 1^
- Дизаон Настоюн Temпературь: ot 2°C до 10°C.
BkIoueHne / BbIKIOUeHne NOcCBeTKN
Дя 233924 n 233931
Haxmte KhoNky 16.ДЯВКЛIOUeHnOcBSeHnY.
- Haxmte KhoNky 16. eue pa3 dIy BbIKNoyeHnOcBeuHnY.
Дя 226568, 233900, 233917, 235829 u 235836
HaxmTe BbIKIOyateIb BHyTpI 1kaΦa IJI BkIOUeHn IIN BbIKIOUeHn OCBeIeHn.

RU
Pa3MeIeHHe HAnITKOB BycTpoNCTBe
-
Ipepa3meHnem HAnNTKOB B yCTpoNCTBO DoXntecb, Noka TemnepaTypa BHytpn Hero He DoCTnHT yCTaHOBHeHHOro 3HaueHn. IpobepbTe TemnepaTy pHa DnCnlee n DOnOJIHTeBHo NonoXnTe pyKy B OxJaDaHOyU KaMepy dIy npOBepKn PaKTnuecko TemnpaTypb BHyTpN yCTpoNCTBa.
-
Bcerda cnaaJana oxJaJaIte HAnITKn Do HyKHOI Tempeatpyb [<6°C] nepeTem, KaK nomecTne INX BycTpoNCTBO.
PaBHomepHo paCnpedeIte npOdykTbIB KaMepe, coxpaHra Heo6xoDImOe npocTpahCTBO MeKny HmN IJIy oBecepeHn HaJNeKaaSei cIpKyJauu B03dyxa.
BHytpHHnE IN BHeuHne NOBepxHocTn yctpoNCTBa MOXHO uCTNTb BJaXHoI TKaHbO C He6oJIbUIM KOJInueCTBOM MOUeero CpeiCTBa.
- Полки можно Вынту виз устоньи Вьимьтб, посяя в Bodу.
- Дя оочстkn yctpoiCTBa He nCnoIb3yIte Heno-cpeidCTBENHoe BO3dEInCTBne BOJHOI CTpyN,napoOchntTeJIn He norgpXaIte Bcero yctpoiCTBa BVody.
-Детаи устpoиctBa HeьзЯ МытБ В посудомоeн HoMaшинe.
OuetaapepyraepnoycptpoCTBO.
| Дeталу Oчinctka Замechаю | ||
| Дeталу устroduства, takne кak полки, крочtleйы К ним и Т.д. | ·ПогузITEВ теллую мьльную Вody в тучене прибл.10-20 минут. ·ПромоITE рOD птоочné ВODY. | Тшателно посушиTE Всеблар. |
| Наржные стекланные nobervхости | ·Прот pine Мягков Тканыю и необъшим кол- Чecвов Нейтульною мolyоцero сре'dSTBA. Убади'tесь, чTO BO BHytrb устroduства He пona- ла ВODA пли ВILA. | |
| Вунтейни стекланные nobervхostи | ·УдалITE OCTATК ПИSSN. ·Прот pine Мягков Тканыю и необъшим кол- Чecвов Нейтульною мolyоцero сре'dSTBa. Убади'tесь, чTO BO BHytrb устroduства He пona- лa ВODA пли ВILA. | |
| Стекланные дөри |
| ПюбLEMа Воронь Я ручни Воронье ршени | ||
| Усточьо He нашиет пожденья ри пожденья К восточь пitaим. | Сразотал телноов позханитel Поврждан komпессор. | Овраитесь к поставшику / поставшику усан для ремонта усточь. |
| Вилka несявiliansho позлоча К заektрич- сков розтke. | Пюberы и убадиесь, что вся комноенты поклочь пальbos. | |
| Охайские симшkom слабoe. | Усточьо позергется симьнomy Воронь симочог CBeta Или раслоожець 6лзко К посточь телл. | Перенесite усточь В дуго место, вдали OT пreamы симочь лухей. |
| Дерь He зakрытд Лжным образам или поз- ждау позладka. | Зakpoйу правiliansho дерь. | |
| В усточье нахочь симшkom Много пши. | Дл'tь и зсточь чASTь рась пши. | |
| Недостаточь вентлиця Вокруг усточь. Б. | Убадиесь, что усточь ГарантуET до- статочу вентлиць, obecspuchья 10 см Вокруг Hero. | |
| Усточьо ГенеруET MHORO SHUMA. | Усточьо He устовленьь В гориэntальнOM пожденья. | Убадиесь, что усточь Был остановленьь В гориэntальнOM пожденья. |
| Усточьо нахочь в симътсь CO сизков или другима объektам. | Убадиесь, что вокруг усточь веMeоне 10 см сбобODHOrо постраNTCB. | |
| Вунsprу усточь в нахочя симбдье detalm. | Оьразиесь к поставшику / поставшику усан для ремонта усточь. |
RU
TexHHueckne xapaKTepeNTIKN
| №引爆укta | 226568 233 | 900 233917 233 | 24 233931 2358 | 29 235836 | |||
| Равоче наразожения усантуа | 220-240В~ 50Гц | ||||||
| Hominahьий тok | 1,0 A 1,7 A 1,5 A 1,0 A 1,5 A | ||||||
| Диапазон насторik Temпературь | 2°C до 10°C | ||||||
| Рекомендемая насторika Temпературь | 4°C | ||||||
| КлASS зашины | КлASS | |||||||
| Уровеньш汞ma < 70 дБ (A) | |||||||
| Хадагent / кolyчесы Ввдимого xладгета | R600a / 40r | R600a / 50r | R600a / 60r | R600a / 80 r | R600a / 50r | R600a / 80r | |
| Знepretиески Кл ass | DDEDE | ||||||
| Легковосламениюшийся пehообразовател | Цклопентан | ||||||
| Мошистб сBSTа | 4W 6W | 24W | 6W | 9W | |||
| КлIMатиески Кл ass | N-ST | ||||||
| Емков_ST钙фа | 126L | 93L | 197L | 293L | 448L | 200L | 303L |
| Колочев полok | 3 | 2 | 4 | 5 | 10 | 4 | 6 |
| Мakсимал�ая наразука на полку | 8 кг | ||||||
| Вес нето (пим.) | 40kr | 35kr | 54kr | 77kr | 100kr | 54kr | 75kr |
| Весшные разmersы | 600x530x (Вьс.)900MM | 500x500x (Вьс.)900MM | 900x500x (Вьс.)900MM | 600x515x (Вьс.)1820MM | 900x515x (Вьс.)900MM | 900x500x (Вьс.)900MM | 1335x500x (Вьс.)900MM |
BHHMaHHe:TexHnueckne xapaKTepeNtIKM OMyr 6bITb N3MeHeHb 6e3 npedBaPnteHoro yBeDoMLeHn.
Bнмане! энергческий Клacc coВпадаet c pa60ToB в КнмATE с MaKcmaJIbHоу TempepaTypo8 25^ n MaKcmaJIbHоВ BLnJXHocTbI 60%.


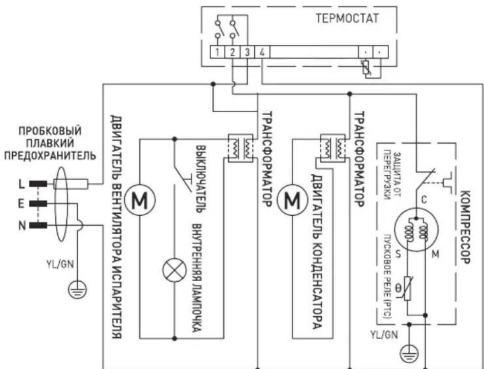
3JIeKtpnuecka cxema [233924]
RU

RU
3neKtpnuecka cxema (235836)

TapaANTna
JIIO6a HeoJekKa nn noomka, KOtopa BneueT 3a cobon HnnpabunbHyO pa60Ty yctpoiCTBa, KO-topa 6ydt BblBHeHa B TeueHne nepBoro rda ot DaTbI NOKynK, 6ydt YcTpaHeHa 6ecnnaTHo, nN JxE BCE yctpoiCTBO 6ydt 3aMeHeno HObIM, eCNI OHO 3KcNlyatnpoBaNoCb n 06cnyXnBaNoCb corlaCHO HHCTpyKuNn no 06cnyXnBaHnU n He nCnoNb3OBaNoCb HnnpaBnBHo, nn B pa3pe3 C ha3NaueHnem. DAnHoe NoLoXeHne Hn Koen Mepe He Hapywaet INhix npAB Notpe6nteYn, n3loXeHHbIX B 3aKOHO
daTeIbCTBe. B cIyuae 3aIbIeHn ycTpoIcTba B peMoHT nIi Ha 3aMeHy B paMKaX rapaHTn, cIeNyETyKa3aTb MeTo n DaTy NOKynKu ycTpoIcTba N npINO-XNtB Cuet, nIi YekOBYIO KBNTaHciHIO.
Corgnacno HaWei noHNTKe COBepHeCTBOBaHnHaunx npOyKToB ocTabIeM 3a co6oI npaBo HaBBOD n3MeHEn B KOHcTpyKcIuO, yNaKOBky N B TexHNueckne npaMeTpbl, yKa3bIBaEmbIe B TexHnueckoJdoKymentauN 6e3 npedynpeXdEHHa.
Ytlnn3aunn n 3aunta okpykaoue npdebl
B clyuae BbIbOda obOpydoBaHnI 3KcnpnyatauN, npOdyKT HeIb3a yTINl3nIpOBaTb BMeCTe CdpYHMn 6blTOBbIMN OTXoDAMN. POnb30BaTeJIb HecET OTBeTCTBeHHocTb 3a NpepaUy obOpydoBaHnB CcoOTBcETCBUOuN PyHK TpneMa TexHKn 6blWeB BynOTpe6bLeHN. HecobJIoJeHne BblweyKa3aHnHO nOLOKeHnM MoKet npNBecTN K HAnOKeHnIO WtpaΦOB B COOTBeTCTBnC DeiCTByUOuMn PpaBnAAMn B OTHoSeHnN yTINl3aUuN OTxOoB.CeJIeKTHBhI b6opN yTINl3aUuN IcNoJIb3OBaHnHO o6OpydoBAHnI cNoCo6CTByIOT CoXpAHEnIO npPpOdNbIX pecypcoB n ObecneuBaIOT peuRkUaIuTo TaKIM
Для получени долоннельноинфорmaци O TOM, Гд можно OTдать Incрьзованhoe obopydoвани дя утллзци, obpaNTecb B MeCTHyO KOMпанию no c6opy otxodOB. Прпзбодпь и ИМноргетер He HeCyT OTBeTCTBeHHocTN 3a peцИрКуЛЯцию и перабOTKY otXODOB зкОлогчески 6e3-Опасhevсm спосбOM, КАн HeNoCpeДСТВeHHo, ТАК И В рамкax ГсударCTВeHHО сИСТЕмbl.
RU
Zac euxapiotoue yia tvn ayopauutnc ouokcunc Arktic. AiaBaoTe npoektka auto to eyxepidio,divovtac iaietepn npoooxn oouc kavovioouc aoqaliaac nou nepiypovtal napakatow, npiv Eykataotnoete kal xpoumonoiote autn tn ouokueyn ia npwn φopa.
Kavovioi aαφαλεια
Houakeun npoopizetai moyo yia enayylambdaatikxphon.
Xpnouponoiie tmovo tn ouokueun yia tov eniiodwkoevo oKOono yia tov onoio oxedlaotnke onwc nepiypapetai oto napov eyxieipidio.
- O kataokeuaotnç δev εuθüvεtai γia tuxov znμièç nou npokaλouvτai anó λavθaομévn λειoupyia kalakatalnnxρón.
KpatnoTe Tn ouokcun kal to nEeKtpiko Buopa maakpi a no vepo kal aHa uypa. Ze npintwn noun ouokcun noei oTo vepo, apaipote aewoc to Buopa tropoobooiaac anTnv npiza. Mnu xpoumuonoiite tn ouokcun mexpi va eEyxtheta an no niotonoinmevo texviko. H pn npnon autov twv obnyiw Ta npokaolei anlntikouc kivovouc yia tn zwh.
- Pnté μnv επιχερησετε va avoiετε μóvοι σας το περιβλημα της συσκεύς.
Mnv 1oayte avtikieeva oTo nepiBAnua tnc ouokueuc.
Mny ayyizet to Buogua e Bpveva n uypa xepia.
Kivduoc nEKTponnxiac! Mnv enixepnoet va eniokeuaoet tn ouokun oovol aoc, ol EIOKEUeC npenla vnpayatonoiouvtal movo ano EElikuemu evnoownko.
- Ioté μnv xnpouponoiite μia kateotpapμévn ouokéun! 'Otav εival katεotpapμévo, anouvδeotε tn ouokéun ano tvn piza kal εικονωνntε με to katαotma λιανiknc πωλnonç.
- PpOeIbOoInon! Mnv BuOizEe Ta nλEktpiKa μεpn TnC ouokεuNC σε vερô n àλλa uypa.
- Noté μνγ κρατάτε τη συσκεύικαιω πρεχούμενονερό.
- Eλεγxετε τακικά το Βύσμα τροφοδοσίας και το καλώδιο για tuxόν ζημιές. Σε πεπτωπον Βλαβnç, πρεπεινανικataσαθεί από αντιροσωno εξυπρετηκός ἡμε παρόμοι προσόντα, ωατεναποφεύγεται o κινδύνος ἡο τραματισμός.
- BeBaIomegaTe oTI to kaLwDIO dev epxetai oE enapn n zeota avtkeiEv a Ka kpatneTo paKpia ano avoixtn iA. Mny tpaBATE note To kaLwDIO tropofoooiac yia va to aoouvOeTe ano Tnv npiza, naVTA tpaBATE TO BuOma.
- BeBaIomegaEiTe oTI to kaIomega Ipoopoobooiac n/kaI to kaIomega npoektaocn cEv npokaovkivduvo diaquync.
Mnv apivte note tn ouokeuun apulaktn kata tn xpnon.
- PpOeIobOnoinon!Ooo To BuOma Bpioketai otnv npiz, n ouokevn evai ouvodoeEvn e Tnv nnyn Tpoopodooiaç.
Anevepyonoiote noukeun npiv tnv anoovdoeane ano tnv npiza.
- SuvðeTe To Búσμa ρεúμatoç σε μia εukola npoBáσμn npiza, ωτε σε πεpintωon avayknç va anosuvδeθεi aεσωç n ouokεun.
- Noté μνγ εταφερετε η σικευή αήο το καλώδι.
Mnv xpnaonoiieiE eninAev ouakeuec nou dev napexovtai pazi ie tn ouokeuun.
-Σuvδεοτε tn Σωκευή μόνο σε πρία με την τὰσι καλ tn Σuxvόπτa nou avαφέροντal στnv εικετα tnc Σωκευής.
- Ionte unx npnouoie t Eapntmuata ktoa nauovuotwta a tov kataokuaon. Eav dev yivei katietoto, 0a npouo va anotele oikivduvo yia tvnuopaalea tou xpnotkai 0a npouo va npokaole BaaBn atn ouokueun. Xnpouoile t mvo auovtikc eapntmuata kal aEouap.
H ouokun autn dEv npenv va aeoupye i ano atopua e uolwuevec oomegaatikec, aioonnpiake c n diavontikec icavotntec n atopua e eaaeyn enepiaic kal ywncon.
Autn ouokcun 6v npenei, 6e kaia nepintwn, va xpnoonoliteal ano naia.
Kpatnate tn ouokevun kal to kaalwio tropodooiaac yakpi a no naolia.
- PPOEIANOIHsH: NaV a nEvEpyoNoiEiE Tn ouKeun kai anouvOeTe Tnv npiz a npiv aoTov kaapio, tn ouvtnpnon n Tnv anoNkEuon.
Notice-Facile