233924 - Kühlschrank Arktic - Kostenlose Bedienungsanleitung
Finden Sie kostenlos die Bedienungsanleitung des Geräts 233924 Arktic als PDF.
Laden Sie die Anleitung für Ihr Kühlschrank kostenlos im PDF-Format! Finden Sie Ihr Handbuch 233924 - Arktic und nehmen Sie Ihr elektronisches Gerät wieder in die Hand. Auf dieser Seite sind alle Dokumente veröffentlicht, die für die Verwendung Ihres Geräts notwendig sind. 233924 von der Marke Arktic.
BEDIENUNGSANLEITUNG 233924 Arktic
Bevor Sie das Gerät in Betriebnehmen, sollenn Sie diese Gebrauchsanweisung aufmerksam lessen.
These Gebrauchsansweisungitte beim Gerat aufbewahren.
Nur zur Verwendung im Innenbereich.
Vielen Dank für den Kauf theses Arktic Gerät. Lesen Sie theses Handbuch sorgfällig und achten Sie besonders auf die unter aufgeführten Sicherheitsvorschriften, bevor Sie theses Gerät zum ersten Mal installieren und verwenden.
Sicherheitsvorschriften
- Dieses Gerät ist nur für den gewerblichen Gebrauch bestim.
- Verwenden Sie das Gerät nur für den vorgesehenen Zweck, für den es entworfen wurde, wie in diesen Handbuch beschrieben.
- Der Hersteller haftet nicht für Schäden, die durch fehlerhafte Bedienung und unsachgemäß Verwendung verursacht werden.
- Halten Sie das Gerät und den elektrischen Steckern von Wasser und anderen Flüssigkeiten fern. Falls das Gerät in Wasser fällt, entfern den Sie sofort den Netzstecker von der Steckdose. Verwenden Sie das Gerät erst, wenn es von einem zertifizierten Techniker überprüft wurde. Die Nichtbefolgung dieser Anweisungen führt zu lebensbedrohlichen Risiken.
- Versuchen Sie niemals, das Gehäuse des Geräts selbst zu öffnen.
- Legen Sie keine Objekte in das Gehäuse der Appliance ein.
- Berühren Sie den Stecker nicht mit nassen oder feuchten Händen.
Gefahr eines elektrischen Schlags! Versuchen Sie nicht, das Gerät selbst zu reparieren, Reparaturen sind nur von qualifiziertem Personal durchzuführen. - Verwenden Sie niemals ein beschädigtes Gerät! Wenn es beschädigt ist, trennen Sie das Gerät von der Steckdose und wenden Sie sich an den Handler.
- Warning! Tauchen Sie die elektrischen Teile des Geräts nicht in Wasser oder andere Flüssigkeiten ein.
- Halten Sie das Gerät niemals unter fließendem Wasser.
- Überprüfen Sie regelmäßigen den Netzstecker und das Kabel auf Beschädigungen. Bei Beschädigung muss es durch einen Dienstleister oder eine ähnlich qualifizierte Person ersetzt werden, um Gefahren oder Verletzungen zu vermeiden.
- Stellen Sie sicher, dass das Kabel nicht mit scharfen oder bereits Gegenständen in Berührung kommt und halten Sie es von offenem Feuer fern. Ziehen Sie niemals das Netzkabel, um es von der Steckdose zu trennen,ziehen Sie stattdessen immer den Stecker.
- Stellen Sie sicher, dass das Netzkabel und/oder das Verlängerungskabel keine Auslösegefahr verursichen.
- Lassen Sie die Appliance während des Gebrauchs niemals unbeaufsichtigt.
- Warning! Solange sich der Stecker in der Steckdose befindet, wird das Gerät an die Stromquelle angeschlossen.
- Schalten Sie die Appliance aus, bevor Sie sie vom Sockel trennen.
-
Schlieben Sie den Netzstecker an eine leicht zugängliche Steckdose an, so dass das Gerät im Notfall sofort abgenommen werden kann.
-
Tragen Sie das Gerät niemals an der Schnur.
- Verwenden Sie keine zusätzlichen Geräte, die nicht zusammen mit der Appliance gefelwert werden.
- Schließen Sie das Gerät nur an eine Steckdose mit der Spannung und Frequenz an, die auf dem Etikett des Gerätes angegeben ist.
- Verwenden Sie niemals andes Zubehör als das vom Hersteller empfohlene Zubehör. Andernfalls könnte ein Sicherheitsrisiko für den Benutzer darstellen und das Gerät beschädigen. Verwenden Sie nur Originalteile und Zubehör.
- Dieses Gerät sollte nicht von Personen mit eingeschränkter körperlicher, sensorischer oder geistiger Leistungsfähigkeit oder von Personen mit mangelnder Erfahrung und Kenntnisnahme betrieben werden.
- Dieses Gerät sollte unter keinen Umständen von Kindern verwendet werden.
- Bewahren Sie das Gerät und das Netzkabel außerhalb der Reichweite von Kindern auf.
- ACHTUNG: Schalten Sie das Gerät immer aus undziehen Sie es vor der Reinigung, Wartung oder Lagerung von der Steckdose ab.
Besondere Sicherheitsvorschriften
- Das Gerät dient nicht zur Kühlung und Aufbewährung von Getränen für einen längeren Zeitraum. Die Getränke sollenn vor ihrem Einbringen ins Gerät vorgekühlt werden (< 6 °C).
- Alle technischen Tätigkeiten, d.h. Montage-, Wartungs- und Reparaturarbeiten dürfen nur von qualifiziertem Personal durchgeführt werden.
- WARNING: Verwenden Sie zwecks Beschleunigung des Abtauvorgangs weder Mechanische Geräte noch andere Werkzeuge als vom Hersteller empfohlen.
- WARNING: Der Umlauf des Kuhlmediumsarf nicht beschädigt werden.

Achtung! Es besteht Feuergefahr! Im Gerät wird R600a als Kältemittel verwendet. Es ist ein umweltfreundliches, leicht brennbares Kältemittel. Obwohl das Kältemittel leicht brennbar ist, ist es unschädlich für die Ozonschicht und hat keinen Einfluss auf den Treibhauseffekt. Der Einsatz dieseres Kältemittels führt jedoch zu einem leichten Anstieg des Lärmpegels des Gerätes. Neben dem Lärm des Verdichters kann der Benutzer das Gerausch horen, das durch den Kältemittelstrom verursacht wird. Diese Phenomen lasst sich nicht vermeiden und hat keine negativen Auswirkungen auf den Betrieb des Gerätes. Bei Transport und Aufstellung des Gerätes istalanders darauf zu achten, dass keine Teile des Kältesystems beschädigt werden. Auslaufendes Kältemittel kann zu Augenschäden führen.
- Das in diesen Gerät verwendete Schaumtreibmittel ist Cyclopentan. Es ist leicht entzündlich.
- WARNING: Verdecken Sie nicht die Belüftungsöffnungen im Gehäuse des Gerätes. Wenn das Gerät umbaut ist, muss man sich davon überzeugen, ob für das Gerät auch eine richtige Belüftung gewährleistet wird. Blockieren Sie niemals den Luft durchfluss um das Gerät herum, damit eine richtige Luftzirkulation abgeschichert ist.
- WARNING: Innerhalb der Kammern der Kuhlvitrine)dufen keine anderen Elektrogeräte eingesetzt werden, als vom Hersteller empfohlen.
DE
- Das Gerät ist ausschließlich auf einer sauberen, stabilen, trockenen und horizontalen Fläche aufzustellen.
- Lager Sie esweit entfernt von bereits Flächen und offenem Feuer. Überzeugen Sie sich, ob das Gerät nicht der Einwirkung hoher Temperatures, Staub, Sonnenstrahlen, Feuchtigkeit, tropfendem Wasser und Spritzern ausgesetzt ist.
- Überzeugen Sie sich, ob rundum die Kühlvitrine 10 cm Freiraum eingehalten wurde, um eine richtige Belüftung zu gewährleisten.
- Es darf mit keinem harten Werkzeug gegen die Glasfläche der Kühlvitrine geschlagen werden. Ebenso darf das Gerät nicht mit einem Wasserstrahl oder einer Dampfwäsche gereinigt und das ganze Gerätarf wegen des Risikos eines Stromschlags nicht komplett in Wasser getaucht werden.
- Legen Sie keine Gegenstände auf die Kühlvitrine. Bringen Sie keine Quellen des offenen Feuers (z.B. angezündete Kerzen) bzw. mit Wasser gefüllte Gegenstände (z.B. Vasen) in die Höhe des Gerätes.
- Das Gerätarf während der Nutzung nicht zugedeckt werden, da sonst Feuergefahr besteht.
- Reinigen Sie die Kuhlvitrine nicht mit Wasser. Beim Waschen des Gerätes kann Wasser in den elektrischen Teil gelangen und so zu einem Stromschlag führen.
- Bringen Sie keine allzu große Mengen von Lebensmitteln in die Vitrine, um ihrer Beschädigung vorzubeugen. Die maximale Belastung eines jeder Faches beträgt ca. 8 kg.
- Probieren Sie nicht auf das Gerät zu steigen.
- SEIEN SIE VORSICHTIG! Seien Sie vorsichtig beim Umgang mit Glasflächen; schützen Sie sie vor Stößen, um Schäden am Gerät und Verletzungen zu vermeiden.
Montage der Kuhlvitrine
- Das Gerät darf mit keinem größeren Winkel als 45^ geneigt stehen. Nach durchgeführter Montage des Gerätes muss man vor seinem Anschluss an die Stromversorgung und Inbetriebnahme 2 Stunden abwarten. Die obige Empfehlung betrifft auch die Situation, wenn das Gerät zu einem späteren Termin an einen anderen Platz gestellt wird.
Die Kuhlvitrine muss unbedingt an einem trockenen Platz montiert werden. - Während der Montage muss man hinter dem Gerät und an den beiden Seiten mindestens 10 cm Freiraum lassen, um eine richtige Belüftung gewährleisten zu konnen. Bei einem geringeren Freiraum kann die Leistungsfähigkeit der Gerätes beeinflusst werden.
- Es wird empfohlen, die Montage der Kühlvitrine an einem Ort mitgreater natürlicher Belüftung durchzufahren,weil dadurch das Gerät entsprechend beluftet wird.
Elektrische Elemente und andere Gefahren
- Es darf keine andere Ausrüstung an die gleiche Stromversorgungsquelle angeschlossen werden, an die das Gerät angeschlossen ist.
- Bringen Sie in der Kuhlvitrine oder in seiner Höhe keine Gefahrenstoffe unter, und davon solche wie Kraftstoff, Alkohol, Farben, leichtbrennbare und explosive Materialien usw. - es besteht Brandgefahr.
Lagern Sie im Gerät keine Arzneimittel.
- Nach dem Aus- oder Abschalten des Gerätes von der Stromversorgungsquelle muss man ca. 5 Minuten bis zu seiner erneuten Inbetriebnahme abwarten.
- Reinigen Sie das Gerät nicht mit Wasser. Beim Waschen des Gerätes kann Wasser in den elektrischen Teil gelangen und zu einem Stromschlag führen. Die Teile/Zubehör sind nicht zum Waschen in der Spülmaschine geeignet.
Verwendungszweck des Gerätes
- Das Gerät ist für den professionellen Einsatz geeignet.
-
Dieses Gerät ist ausschließlich für die Lagerung von Getränken (darunter Bier) bestimmt, um sie kuhl zu halten und zum Verkauf in Restaurants, Kantinen oder anderen gewerblichen Einrichtungen wie Bäckereien, Metzgereien, Supermarktena usw. auszustellen. Die Verwendung des Gerätes für andere Zwecke kann zu seiner Beschädigung sowie zu Körperverletzungen führen.
-
Jede andere Verwendung des Gerätes gilt als nicht bestimmungsgemäß. Der Benutzer ist allein verantwortlich für die unsachgemäße Nutzung des Gerätes.
Erdungsinstallation
Dieses Gerät ist als Schutzklassie Ieingestuft und muss mit einer Schutzerde verbunden werden. Die Erdung reduziert das Risiko eines elektrischen Schlags, indem ein Fluchtkabel für den elektrischen Strom bereitgestellt wird. Dieses Gerät ist
mit einem Netzkabel mit einem Erdungskabel und einem geerdeten Stecker ausgestattet. Der Stecker muss in eine Steckdose gesteckt werden, die ordnungsgemäß installiert und geerdet ist.
Hauptteile des Gerätes


- Digitales Steuerpanel
a. Temperatureinstellltaste
b. Erhöhung der Temperatureinstellung
Für 233924 und 233931: Licht EIN/AUS
c. Verringerung der Temperatureinstellung
d. Bestätigung der Einstellung / manuelles Abtauen
e. Eingestellter Temperaturwert
- Lüftungsöffnungen
- Regalfach
- Griff der Glastür
- Beleuchting
- Turschloss
- EIN/AUS-Schalter für das Licht [226568, 233900, 233917, 235829, 235836]
Hinweis: Der Inhalt der vorliegenden Anweisung betrift alle aufgeführten Modelle, sowie nicht anders bestimmt wurde. Das Aussehen des Geräts kann sich von dem auf den Zeichnungen dargestellen unterscheiden.
Beschreibung des Status der Kontrollleuchten
| Symbol Status Beschreibung | ||
| set | EIN Einstellmodus | |
| AUS | Das Gerät arbeitet entsprechend den vorgenommenen Einstellungen. | |
| out | EIN Verdichter in Betrieb - Kühlung | |
| AUS Verdichter nicht in Betrieb - keine Kühlung | ||
| BLINKEN Vorbereitung zur Kühlung | ||
| C | EIN Kühlungsprozess | |
| def | EIN Abtauprozess |
Einstellen der Temperatur
- Schlieben Sie den Stecker an die entsprechende Elektrosteckdose an.
- Wenn die Kontrollleuche „set“ nicht leuchtet, halten Sie die Taste 1a 3-4 Sekunden lang gedrückt, bis auf dem Display erscheidt. Lassen Sie dann die Taste 1a los und drücken Sie sie erneut.
-
Drücken Sie die Taste 1b, um die Temperatur um 1^ zu erhöhen, oder drücken Sie die Taste 1c, um die Temperatur um 1^ zu senken.
-
Drücken Sie dann die Taste 1d, um die eingeführten Einstellungen und Ausgänge zu bestätigten. Hinweis:
- Wird innerhalb von 30 Sekunden keine Taste gedruckt, wird die eingestellte Temperatur automatisch gespeichert.
- Temperatureinstellbereich: von 2^ bis 10^ .
Einschalten / Ausschalten der Beleuchtung
Für 233924 und 233931
- Drücken Sie die Taste 1b., um das Licht einzuschalten.
- Drücken Sie die Taste 1b. erneut, um das Licht auszuschalten.
Für 226568, 233900, 233917, 235829 und 235836
Drücken Sie den ON/OFF-Schalter im Inneren des Gehäuses, um das Licht ein- und auszuschalten.

DE
Einbringen von Getränken ins Gerät
- Warten Sie, bis die Temperatur im Inneren des Gerätes den eingestellen Wert erreicht hat, bevor Sie Getränke ins Gerät stellen. Überprüfen Sie die Temperatur auf dem Display und legen Sie zusätzlich ihre Hand in die Kühlkammer, um die aktuelle Temperatur im Gerät zu kontrollieren.
- Kühlen Sie die Getränke immer zuerst auf eine geeignete Temperatur (< 6^) ab, bevor Sie sie ins Gerät einbringen.
- Ordnen Sie die Produkte gleichmäßig innerhalb der Kammer an, wobei ein entsprechender Ab
stand zwischen ihren eingehalten werden muss, um eine ausreichende Luftzirkulation zu gewährleisten.
- Überschreiben Sie nicht die in der technischen Spezifikation angegebene maximale Tragfähigkeit des Regelfaches.
- Vergewissern Sie sich, dass die Turrichtig geschlossen ist und achtenden Sie daraufuf, dass die Öffnung auf ein Minimum beschränkt ist.
Abauen
-
Das Gerät beginnnt alle 6 Stunden automatisch mit dem Abtauen.
-
Wenn die Tastedle leuchtet, beginnt der Abtauprocess.
Einstellen der Höhe der Regelfacher
-
Es ist möglich, die Höhe der Regelfacher zuändern.
-
Andern Sie die Höhe der Regalfacher entsprechend den Produkten im Gerät.
Installationshinweise
- Nehmen Sie das Gerät aus dem Karton heraus, entfernen Sie die Innen- und Außerverpackung sowie die Sicherungen.
- Überprüfen Sie es, ob das Gerät nicht beschädigt ist. Bei einer unvollständigen Anlieferung oder Beschädigungen darf das Gerät NICHT benutzt werden. Setzen Sie sich mit dem Lieferanten in Verbindung (Siehe = = > Garantie).
- Lassen Sie das Gerät ca. 2 Stunden vertical sthen. Damit soll der Spielraum für Fehlfunktionen des Kühlsystems bei unsachgemäßer Handhabung während des Transports reduziert werden.
-
Waschen Sie die Außenflächen mit einem weichen, in warmes Wasser getauchten Tuch. (siehe Reinigung und Wartung).
-
Das Gerät stellt man auf eine horizontale, stabile Fläche, die gegen die Einwirkung hoher Temperaturen und Spritzer von Flüssigkeiten beständig ist.
- Die Umgebungstemperatur am Betriebsort des Gerätes sollte von 16^ bis 30^ betragen. Aufrenfalls kann das Gerät nicht richtig Funktionieren.
Gewährleisten Sie eine richtige Belüftung. Belassen Sie einen Freiraum von mindestens 10 cm rundum das Gerät. Blockieren Sie nicht die Lüftungsöffnungen. - Um Energie zu sparen, achten Sie immer daraufuf, dass die Tur geschlossen ist.
Betrieb
Aufstellung des Gerätes
- Stellen Sie das Gerät auf eine stabile und ebene Fläche oder auf den Boden.
-
Verwenden Sie eine Wasserwaage (nicht im Lieferumfang enthalten), um sicherzustellen, dass das Gerät korrekt ausgerichtet ist. Wenn Sie feststellen, dass das Gerät nicht stabil stehen oder wackelt, verwenden Sie einen Möbelkeil.
-
Lassen Sie das Gerät ca. 2 Stunden vor seiner Inbetriebnahme, um Schäden am Kühlkeislauf durch falsche Kaltemittelverteilung zu vermeiden.
Einschalten und Ausschalten des Gerätes (ON/OFF)
- Das Gerät startet, wenn der Stecker an die entsprechende Elektrosteckdose angeschlossen wird. Ziehen Sie den Stecker aus der Steckdose, um das Gerät auszuschalten.
-
Wenn das Gerät an eine Stromquelle angeschlossen ist, ertönt ein Signalton.
-
Warten Sie nach dem Trennen des Gerätes oder bei einem plottlichen Stromausfall mindestens 5 Minuten, bzw. Sie das Gerät wieder ans Netz anschließen.
- Wenn Sie das Gerät nicht benutzen,ziehen Sie den Netzstecker aus der Steckdose.
Reinigung und Wartung
Hinweis: Vor dem Reinigen und den Wartungsarbeiten muss man immer das Gerät von der Strom-
versorgungsquelle trennen und den Stecker aus der Steckdose halten.
Reinigung
Die Innen- und Außenflächen der Kuhlvitrine kann man mit einem feuchten Lappen mit einer geringen Menge eines Reinigungsmittels reinigen.
Die Regalfacher kann man aus dem Gerätnehmen und sie beim Waschen in Wasser eintauchen.
- Verwenden Sie zum Reinigen der Kühlvitrine während einen direkten Wasserstrahl, Dampfreiniger, noch tauchen Sie das gesamte Gerät in das Wasser.
- Teile der Kuhlvitrine)durfen nicht in der Spulmaschine gereinigt werden.
- Die Reinigung der Kuhlvitrine sollte regelmäßiger erfolgen.
| Teile Reinigung Bemerkungen | gen | |
| Teile des Gerätes, solche wie Regelfächer, ihre Stützen usw. | Für ca. 10-20 Minuten in warmes Seifenwasser tauchen.Unter fließen dem Wasser genau abspüssen. | Alle Teile genau ab-trocknen. |
| Äußere Glasflächen | Mit weichem Lappen und geringer Menge eines neutralen Reinigungsmittels abreiben. Über-zeugen Sie sich, dass kein Wasser in das Innere der Kühlvitrine gelangte. | |
| Innere Glasflächen | Lebensmittelreste beseitigen.Mit weichem Lappen und geringer Menge eines milden Reinigungsmittels abreiben. Überzeu-gen Sie sich, dass kein Wasser oder Feuchtigkeit in das Innere der Kühlvitrine gelangte. | |
| Glastüren |
Lagerung der Kuhlvitrine während einer Unterbrechung der Nutzung
- Hinweis: Die Kuhlvitrine immer von der Stromversorgungssquelle trennen.
- Aus der Kuhlvitrine sindSAMTliche Lebensmittel und Getränke zu entfernen.
- Waschen Sie die Kühlvitrine entsprechend den
Hinweisen im Punkt Reinigung und Wartung (siehe = = > Reinigung und Wartung).
Lagern Sie die Kuhlvitrine an einem kühlen, sauben Ort außerhalb der Reichweite von Kindern.
Fehlerbeseitigung
Wenn das Gerät nicht richtig Funktioniert, muss man sich zum Finden der richtigen Lösung mit der nachfolgenden Tabelle vertraut machen. Wenn Sie das Problem nicht losen können, dann setzen Sie sichitte mit dem Lieferanten in Verbindung.
| Problem möglich | Ursache Möglichkeit Lösung | |
| Die Kühlvitrine beginnnt nach dem Anschlossen an die Stromversorgung nicht mit dem Kühlvor-gang. | Thermische Sicherung wurde ausgelöst. Setzen Sie sich zwecks Reparatur des Ge-rates mit dem Lieferanten/Dienstleister in Verbindung. | |
| Verdichter ist beschädigt. | ||
| Stecker ist nicht richtig an die Elekt-rosteckdose angeschlossen. | Überprüfen und überzeugen Sie sich, ob alle Elemente richtig angeschlossen sind. | |
| Kühlung ist zu schwach. | Kühlvitrine ist einer zu starken Sonne-neinstrahlung ausgesetzt oder stehen zu nahe an einer Wärmequelle. | Stellen Sie das Gerät an einen anderen Ort, weil entfernt von einer direkten Son-neneinstrahlung. |
| Türen sind nicht richtig geschlossen oder die Dichtung ist beschädigt. | Türen richtig schreiben. | |
| In der Kühlvitrine befinden sich zu weitere Lebensmittel. | Nehmen Sie einen Teil der Lebensmittel aus der Kühlvitrine. | |
| Die Lüftung rundum das Gerät ist unzu-reichend. | Überzeugen Sie sich, ob für die Kühlvitri-ne eine richtige Belüftung garantiert wird bzw. rundum ein Freiraum von 10 cm be-lassen wurde. | |
| Kühlvitrine erzeugt zu viel Lärm. | Das Gerät ist nicht in horizontaler Lage aufgestellt. | Überzeugen Sie sich, ob das Gerät in hori-zontaler Lage aufgestellt wurde. |
| Kühlvitrine berührt eine Wand oder andere Objekte. | Überzeugen Sie sich, ob rundum die Kühlvitrine ein Freiraum von mindestens 10 cm belassen wurde. | |
| Innerhalb der Kühlvitrine befinden sich lose Elemente. | Setzen Sie sich mit dem Lieferanten/Dienstleister zwecks Reparatur des Gerä-tes in Verbindung. | |
Technische Spezifikation
| Nr. des Produktes | 226568 233 | 900 233917 233 | 924 233931 235 | 829 235836 | |||
| Betriebsspannung und Frequenz | 220-240V~ 50Hz | ||||||
| Nennstrom | 1,0 A 1,7 A 1,5 A 1,0 A 1,5 | ||||||
| Temperatur-Einstellbereich 2 °C bis 10 °C | |||||||
| Empfohlene Temperatureinstellung | 4°C | ||||||
| Schutzklasse Klassi I | |||||||
| Lärmpegel | < 70 dB (A) | ||||||
| Kältemittel / Menge des eingespritzlen Mittels | R600a / 40g R600a / | 50g R600a / 60g | R600a / 80g | 600a / 50g R600a / 80g | |||
| Energieklasse | D D E D E | ||||||
| Schaumtreibmittel Cyclopentan | |||||||
| Lichtleistung | 4W 6W 24W 6W | 9W | |||||
| Klimaklasse | N-ST | ||||||
| Rauminhalt der Kühlvitrine | 126L | 93L | 197L | 293L | 448L | 200L | 303L |
| Nummer der Regale | 3 | 2 | 4 | 5 | 10 | 4 | 6 |
| Max. Traglast pro Boden | 8kg | ||||||
| Nettogewicht (ca.) | 40kg | 35kg | 54kg | 77kg | 100kg | 54kg | 75kg |
| Außenabmessungen | 600x530x(H)900mm | 500x500x(H)900mm | 900x500x(H)900mm | 600x515x(H)1820mm | 900x515x(H)1820mm | 900x500x(H)900mm | 1335x500x(H)900mm |
DE
Bemerkungen: Die Technische Spezifikation kann ohne frühere Ankündigung geändert werden.
HINWEIS: Die Energieklasse entspricht dem Betrieb in Klimazonen mit einer maximalen Temperatur von 25^ und einer maximalen Luftfeuchtigkeit von 60% .


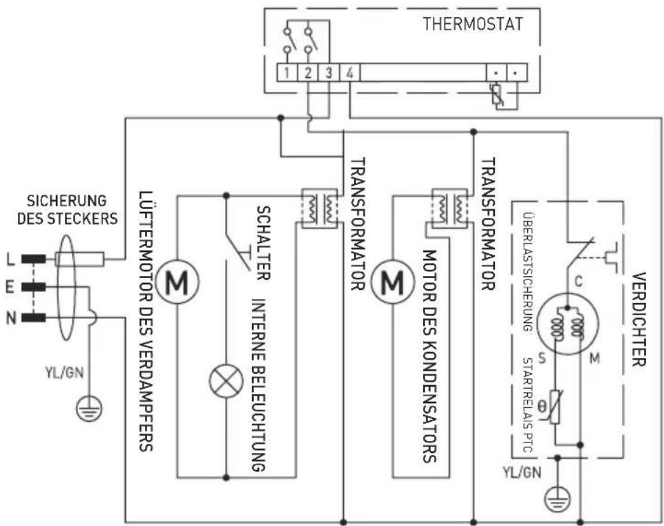
Elektroschaltplan [233924]


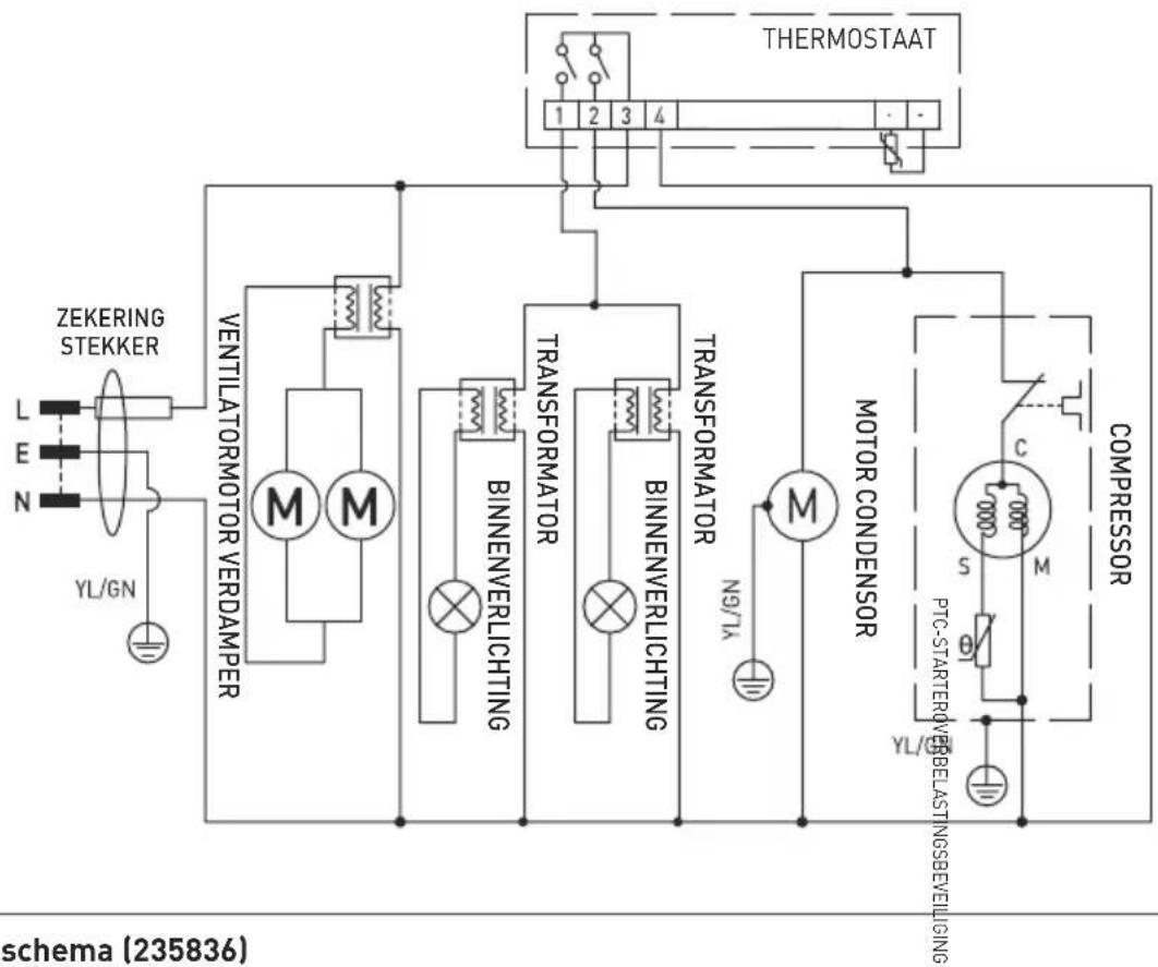
Elektroschaltplan (235836)

DE
Garantie
Alle innerhalb von einem Jahr nach dem Kaufdatum festgestellt den Defekte oder Mängel, die die Funktionalität des Gerätes beeinträchtigen, werden auf dem Wege der unentgeltlichen Reparatur bzw. des Austausches unter der Voraussetzung beseitigt, dass das Gerät in einer der Bedienungsanleitung gemäß Art und Weise betrieben und gewartet wird und weder vorsätzlich vernichtet noch nicht bestimmungsgemäß genutzt wurde. Ihr Rechte aus den entsprechenden Gesetzen
bleiben davon unberührt. Eine in der Garantiefrist einzureichende Beanstandung hat die Angabe des Kaufortes und Kaufdatumss und in der Anlage einen Kaufbeleg (z.B. Kassenzettel) zu enthalten.
Gemäß unserer Politik der ständigen Weiterentwicklung unserer Produkte gehalten wir uns vor, Änderungen am Produkt, an seiner Verpackung und an den dokumentierten technischen Daten ohne vorherige Ankündigung vorzunehmen.
Entsorgung und Umweltschutz
Wird das Gerät außer Betrieb genommen, damit es nicht über den Hausmüll entsorgt werden. Der Benutzer ist für die Übergabe des Gerätes an eine geeignete Sammelstelle für Altgeräte verantwortlich. Die Nichteinhaltung dieser Regel kann gemäß den geltenden Vorschriften über die Abfallentsorgung bestraft werden. Die getrennte Sammlung und das Recycling der Altgeräteträgt zur Schonung der natürlichen Ressourcen bei und sorgt für eine umwelt- und gesundheitsschonende Verwertungsweise.
Weitere Informationen darüber, wo Sie ihre Altgeräte entsorgen konnen, erhalten Sie bei ihrem örtlichen Entsorgungsunternehmen. Der Hersteller und der Importeur übernehmen keine Verantwortung für das Recycling sowie die umweltfreundliche Verwertung von Abfallen,[weder direkt noch über ein öffentliches System.

Elektrisch schema (233924)


Elektrisch schema (235836)

NL
Garantie
5112 Lamprechtshausen, Austria
Tel: +43 6274 200 100
Email: office.austria@hendi.eu
Notice-Facile