233924 - Frigorifero Arktic - Manuale utente e istruzioni gratuiti
Trova gratuitamente il manuale del dispositivo 233924 Arktic in formato PDF.
Scarica le istruzioni per il tuo Frigorifero in formato PDF gratuitamente! Trova il tuo manuale 233924 - Arktic e riprendi in mano il tuo dispositivo elettronico. In questa pagina sono pubblicati tutti i documenti necessari per l'utilizzo del tuo dispositivo. 233924 del marchio Arktic.
MANUALE UTENTE 233924 Arktic
Prima di utilizzato l'apparecchio in funzione leggere attendamente le istruzioni per l'uso.
Conservate Le istruzioni insieme all'apparecchio.
Pasta maualul deutilizare alaturidaparat.
XpaHHTb pyKOBOCTBO BMecTe C yCTpOJBOM.
Φuaεte autεc tic oδnyieç μaiz π Σoukeun.

Destinato solo all'uso domestico.
- -
- -
- -
- -
- -
- -
- -
- -
- -
- -
- -
- -
- -
- -
- -
- -
- -
- -
- -
- -
- -
- -
- -
- -
- -
- -
- -
- -
- -
- -
- -
- -
- -
- -
- -
- -
- -
- -
- -
- -
- -
- -
- -
- -
- -
- -
- -
- -
- -
-
-
-
-
-
-
-
-
-
-
-
-
-
-
-
-
-
-
-
-
-
-
-
-
-
-
-
-
-
-
-
-
-
-
-
-
-
-
-
-
-
-
-
-
-
-
-
-
-
-
- = . - - - - - - - - - - - - - - - - - - - - - - - - - - - - - - - - - - - - - - - - - - -
.
Grazie per aver acquistato quello apparecchio Arktic. Leggere attendamente quello manuale, prestando particolare attenzione alle norme di sicurezza descrirente di seguito, prima di installare e utilizzare quello apparecchio per la primaolta.
Normedi sicurezza
- Questo appearecchio è destinato esclusivamente all'uso commerciale.
- Utilizzato l'apparecchio solo per lo scopo previsto per il quale è stato progettato come descritto nel presente manuale.
- Il produttore non è responsable per eventuali danni causati da un funzionamento scorretto e da un uso improprio.
- Tenere l'apparecchio e la spina elettrica lontano da acqua e altri liquidi. Nel caso in cui l'apparecchio cada in acqua, rimuovere immediamente la spina di alimentazione alla presa. Non utilizzato l'apparecchio fino a quando non è stato controllato da un technician certificato. Il mancato rispetto di queste istruzioni causera rischi pericolosi per la vita.
- Non tentare mai di aprire l'alloggiamento dell'apparecchio da soli.
- Non inseire oggetti nell'alloggiamento dell'apparecchio.
Non toccare la spina con le mani bagnate o umide.
Pericolo di scosse elettriche! Non tentare di riparare l'apparecchio da solo, le riparazioni devono essere eseguite solo da personale qualificato. - Non utilizzato mai un apparecchio danneggiato! Quando è danneggiato, scollegare l'apparecchio alla presa e contattare il rivenditore.
- Aventimento! Non immergere le parti elettriche dell'apparecchio in acqua o altri liquidi.
- Non tenere mai l'apparecchio sotto l'acqua corrente.
- Controllare regolarmente la spina e il cavo di alimentazione per eventuali danni. Se danneggiato, deve essere sostituito da un agente di servizio o da una persona altrettanto qualificata al fine di evitare pericoli o lesions.
- Assicurarsi che il cavo non entri in contatto con oggetti appuntiti o caldi e tenerlo lontano dal fuco aperto. Non tirare mai il cavo di alimentazione per scollegarlo alla presa, staccare sempre la spina.
- Assicurarsi che il cavo di alimentazione e/o la prolunga non causino rischi di inciampare.
- Non lasciare mai l'apparecchio incustodito durante l'uso.
- Aventamento! Finché la spina si trova nella presa, l'apparecchio è collegato alla fonte di alimentazione.
- Spagnere l'apparecchio prima di scollegarlo alla presa.
- Collegare la spina di alimentazione a una presa elettrica lavorante accessibile in modo che in caso di emergenza l'apparecchio possa essere scollegato immediatamente.
Non portare mai l'apparecchio con il cavo. - Non utilizzato dispositivi aggiuntivi non forniti insieme all'apparecchio.
-
Collegare l'apparecchio a una presa elettrica solo con la tensione e la frequenza indicatori sull'etichetta dell'apparecchio.
-
Non utilizzato mai accessori diversi da quelli consigliati dal produttore. In caso contrario, potrebbe comportare un rischio per la sicurezza dell'utente e danneggiare l'apparecchio. Utilizzato solo parti e accessori originali.
- Questo apparecchio non deve essere utilizzato da persone con disponà fisiche, sensoriali o mentali ridotte o da personne che hanno una mancanza di esperienza e conoscenze.
- Questo apparecchio non deve, in nessun caso, essere utilizzato dai bambini.
- Tenere l'apparecchio e il suo cavo di alimentazione fuori alla portata dei bambini.
- ATTENZIONE: spegnere SEMPRE l'apparecchio e scollegarlo alla presa di corrente prima della pulizia, della manutenzione o della conservazione.
Norme di sicurezza speciali
- L'apparecchio non deve essere utilizzato per raffreddare le bevande e per conservarle per un lungo periodo di tempo. Prima diMETTERE le bevande all'interno dell'apparecchio esse devono essere preraffreddate (<6 °C).
- Tutte le attività tecniche, ad es. i lavori di montaggio, manutenzione e riparazione devono essere eseguiti esclusivamente da personale qualificato.
- AVVERTENZA: Non usare dispositivi meccanici o strumenti diversi da quelli consigliati dal produttore per accelerare il processo di sbrinamento.
- AVVERTENZA: Fare attenzione non danneggiare il circuito del refrigerante.

Attenzione! Pericolo d'incendio! Il refrigerante R600a è utilizzato nell'apparecchio. É un gas infiammabile e sicuro per l'ambiente. Anche se sia un'agente infiammabile, non è nocivo per lo strato di ozono e non ha alcun impatto sull'effetto serra. Pero, l'uso di questo refrigerante provoca un leggero aumento del livello di rumore emesso dall'apparecchio. Oltre al rumore generato dal compressore l'utente può sentireanche il rumore causato dal flusso di refrigerante. Il fenomeno sopra descririto non può essere evitato e non ha alcun effetto negativo sul funzionamento dell'apparecchio. Durante il trasporto e il posizionamento dell'apparecchio, si deve prestare particolare attenzione a non danneggiare una parte delsystema di refrigerazione. La perdita di refrigerante può causare danniagli occhi.
- Nel disposativo è utilizzato un agente schiumogeno (per schiumar la schiuma isolante) Ciclopentano. É un agente altamente infiammabile.
- AVVERTENZA: Non ostruire le aperture dell'involucro dell'apparecchio. In caso di installmente fissa dell'apparecchio, assicurarsi che c'e una ventilazione adeguata. Non bloccare il flusso d'aria intorno all'apparecchio per garantire una Buona circolazione dell'aria.
- AVVERTENZA: Non utilizzato all'interno delle camere del frigorifero apparecchi elettrici altri da quelli raccomandati dal fabbricante.
- L'apparecchio deve essere posto su una superficie pulita, stabile, asciutta e orizzontale.
-
Tenere lontano da superfici calde e fiamme libero. Assicurarsi che l'apparecchio non è esesto a temperature elevate, polvere, luce solare, umidità, sprizzi e gocce d'acqua.
-
Assicurarsi che intorno all'apparecchio è stato lasciato circa 10 cm di spazio per garantire una corretta ventilazione.
- Non colpire le parti in vetro con gli strumenti rigidi. Non pulire l'apparecchio utilizzando il flusso diretto di acqua o il pulitore a vapore, non immershere tutto l'apparecchio in acqua per le ragioni del rischio di scossa elettrica.
- Non mettere qualsiasi oggetto sull'apparecchio. Non mettere vicino all'apparecchio o sull'apparecchio qualsiasi oggetto che brucia (ad es. candele). Non mettere vicino all'apparecchio qualsiasi oggetto con l'acqua (p. es. vasi).
- Non coprire l'apparecchio durante il funzionamento. Quito create un pericolo di incendio.
- Non pulire la macchina con acqua. La pulizia dell'apparecchio può provocare la penetrazione dell'acqua nelle parti elettriche e provocare scossa elettrica.
- Non eseguire fori supplementari nell'apparecchio. Non installare apparecchiature aggintive sull'apparecchio.
Non mettere nell'apparecchio.
Non cercare di entrare sull'apparecchio. - ATTENZIONE! Fare attenzione durante lo spostamento di superfici vetrate. Proteggerle dagli urti per evitare danni all'apparecchio o lesions.
Installazione dell'apparecchio
- L'apparecchio non deve essere inclinato di un angolo maggiore di 45^ . Dop o l'installazione aspettare due ora prima di collegarlo ad una fonte di alimentazione e avviarlo. Qsta raccomandazione si applicaanche quando l'apparecchio è successivamente spostato in un'alto luogo.
- L'apparecchio deve essere installato in un luogo asciutto.
- Durante l'installation lasciare almeno 10 cm di spazio dal retro e su entrambi i lati dell'unità per assicurare un'adeguata ventilazione. Lasciendo meno spazio, si può influire sulle prestazioni dell'apparecchio.
- Si raccomanda di installare l'apparecchio in un luogo con una buona ventilazione naturale, in modo che l'apparecchio sia correttamente ventilato.
Elementi elettrici e altri pericoli
- Non si deve collegare qualsiasi molto apparecchio alla stessa sorgente di alimentazione.
- Non mettere nel frigorifero o vicino i prodotti pericolosi come carburante, alcool, vernici, materiali infiammabili e esplosivi - pericolo di incendio.
Non conservare nel frigorifero i farmaci. - Dopo aver spento o scollegato l'apparecchio alla fonte di alimentazione, attendere circa 5 minuti prima di riawiere.
- Non pulire la macchina con acqua. La pulizia dell'apparecchio può provocare la penetrazione dell'acqua nelle parti elettriche e provocare scossa elettrica. Le parti e gli accessori dell'apparecchio non possono essere lavati in lavastoviglie.
Destinazione del dispositivo
- Il dispositorio è destinato all'uso professionale.
-
Questo appearecchio è destinato esclusivamente per conservare le bevande, compresa la birra, mantenendo la bassa temperatura e per esporre le bevande in ristoranti, pense o altri punti di commerciali come panetterie, macellerie, supermercati, ecc. L'uso del dispositivo per qualsiasi altro scopo può causare danni o lesioni.
-
L'uso del disposativo per qualsiasi altri scopo sare considerato un uso improprio. L'utente sare l'unico responsable per l'uso scorretto del dispos-itivo.
Installazione di messa a terra
Questo apparecchio è classificato come classe di protezione I e deve essere collegato a un terreno di protezione. La messa a terra riduce il rischio di scosse elettriche fornendo un filo di fuga per la corrente elettrica. Questo apparecchio è dotato di
un cavo di alimentazione che ha un cavo di messa a terra e una spina messa a terra. La spina deve essere collegata a una presa correttamente installata e messa a terra.
Parti principali dell'apparecchio


- Pannello di controllo digitale
a. Pulsante di impostazione della temperatura
b. Aumentare l'impostazione della temperatura Per 233924 e 233931: Luce accesa/spenta
c. Riduzione della temperatura
d. Conferma dell'impostazione/ sbrinamento manuale
e. Valore impostato della temperatura
- Fori di ventilazione
- Scaffale
- Maniglia della porta di vetro
- Spia
- Serratura della porta
- Interruttore di accensione / spegnimento della luce (226568, 233900, 233917, 235829, 235836)
Nota: il contentuto di quello manuale si applica a tutti i modelli menzionati, se non diversamente specificato. L'aspetto dell'apparecchio può differire da quello nostrato nei disegni.
Descrizione dello stato delle spi
| Simbolo Stato della spia Descrizione | ||
| set | ILLUMINATA La modalità di impostazione | |
| NON ILLUMINATA | L'apparecchio funziona in base alle impostazioni effettuate | |
| out | ILLUMINATA Il compressore avviato - raffreddamento | |
| NON ILLUMINATA | Il compressore non è stato avviato - nessun raffreddamento | |
| LAMPEGGIANTE La preparazione per il raffreddamento | ||
| C | ILLUMINATA II processo di raffreddamento | |
| def | ILLUMINATA II processo di sbrinamento | |
Impostazione della temperatura
- Collegare l'apparecchio a una presa elettrica appropriata.
- Quando la spia „set" non è illuminata, premere e tenere premuto il pulsante 1^ per 3-4 secondi fino a che sul display appara in quindi rilasciare il pulsante 1^ e premerlo di nuovo.
-
Premere il pulsante 1b per augmentare il valore della temperatura di 1^ o premere il pulsante 1c per ridurre la temperatura di 1^ .
-
Quindi premere il pulsante 1d per confermare le impostazioni effettuate e per uscire.
NOTA:
- Se entro 30 secondi non è premuto alcun pulsante, la temperatura impostata sare automaticamente salvata.
- Intervallo di temperatura: da 2^ a 10^ .
Accensione/spegnimento della luce
Per 233924 e 233931
- Premere il tasto 1b. per accendere la luce.
- Premere nuovamente il tasting 1b. per spegnere la luce.
Per 226568, 233900, 233917, 235829 e 235836
Premere l'interruttore di accensione/spegnimento all'interno dell'armadietto per controllare la luce.

Posizionamento delle bevande nell'apparecchio
- Prima diMETTERe le bevande nell'apparecchio attendere che la temperatura all'interno raggiunga il valore impostato. Controllare la temperatura sul display e inoltre mettere la mano nella camera di raffreddamento per verificare la temperatura effettiva all'interno dell'apparecchio.
- Raffreddare sempre le bevande alla temperatura appropriata [< 6^] prima di metterle nell'apparecchio.
Sbrinamento
- L'apparecchio avvia automaticamente il processo di sbrinamento agli 6 ore.
Regolazione dell'altezza degli scaffali
-
É possible modificare l'altezza degli scaffali
-
Distribuire uniformamente i prodotti nella camera mantenendo lo spazio tra di essi per garantire un'adeguata circolazione dell'aria.
- Non superare la capacité massima di scaffale determinata nelle specifiche tecniche.
-
Assicurarsi che la porta è stata chiuso correttamente e ricordarsi di ridurre al minimo l'apertura della porta.
-
L'illuminazione def pulsante def significa l'avio delprocesso di sbrinamento.
-
Modificare l'altezza degli scaffali a seconda di prodotti posizionati all'interno dell'apparecchio
Istruzioni per L'installazione
- Rimuovere l'apparecchio alla scatola di cartone, ritirare l'imballaggio interno ed esterno e le protezioni.
- Controllare se l'apparecchio è danneggiato. In caso di segna incompleta o dati, NON utilizzare l'apparecchio. Contattare il fornitore (vedere => Garanzia).
- Lasciare l'apparecchio in posizione verticale per circa 2 ore. Questa operazione dovrebbe ridurre le irregularità nel funzionamento del sistema di raffreddamento in caso di spostamento improprio dell'apparecchio durante il trasporto.
-
Lavare le superfici esterne con un panno morbido imbevuto di acqua tiepida. [Vedere = = > Pulizia e manutenzione].
-
Collocare l'apparecchio su una superficie piana e stabile resistente alle alte temperature eagli schizzi d'acqua.
- La temperatura ambiente di lavoro deve essere compresa tra 16^ C e 32^ C , altrimenti l'apparecchio potrebbe non funzionare correttamente.
- Assicurare un'adeguata ventilazione. Fornire almeno uno spazio di 10 cm attorno all'apparecchio. Non coprirle fori di ventilazione.
- Per risparmiare energia, tenere sempre la porta sia chiusa.
Funzionamento
Posizionamento dell'apparecchio
- Collocare l'apparecchio su una superficie piana o sul pavimento.
-
Utilizzare una livella (non fornita con l'apparecchio) per assicurarsi che l'apparecchio sia correttamente livellato. In caso di constatare che l'apparecchio non è stabile o vaccina, utilizzato un cuneo per mobili.
-
Prima di cominciare l'uso dell'apparecchio, lasciarlo per circa 2 ore per evitare danni al. Circuito di raffreddamento dovuti a una distribuzione del refrigerante.
Accensione e spegnimento dell'apparecchio (ON/OFF)
- L'apparecchio è avviato dopo aver collegato la spina a una presa elettrica adeguata. Per spegnere l'apparecchio, scollegare la spina alla presa.
-
Dopo aver collegato l'apparecchio ad una fonte di alimentazione,esso emette un segnale acustico.
-
Dop awer scollegato l'apparecchio o in caso di interruzione di corrente improvisa, attendere almeno 5 minuti prima di ricollegarlo alla rete.
- Quando l'apparecchio non è in uso, rimuovere la spina alla presa elettrica.
Pulizia e manutenzione
Attenzione: Prima di pulizia e manutenzione scollegare sempre la spina alla fonte di alimentazione, togliendo la spina alla presa elettrica.
Pulizia
- Le superfici interne ed esterne dell'apparecchio possono essere pulite con un panno umido con una piccola quantità di detersivo.
-
I ripiani possono essere rimossi e lavati in acqua.
-
Non pulire l'apparecchio utilizzato il flusso diretto di acqua o il pulitore a vapore.
- Le parti dell'apparecchio non possono essere lavati in lavastoviglie.
- Pulire regolarmente l'apparecchio
| Elemento Pulizia Osservazioni | |
| Le parti dell'apparecchio come ripiani, supporti per ripiani ecc. | Immergere in acqua calda e sapone per circa 10-20 minuti.Risciacquare con acqua corrente. |
| Superfici esterne di vetro | Pulire con un panno morbido e una piccola quantità di detergente. Assicurarsi che l'acqua o l'umidità non hanno penetrati l'interno dell'ap-parecchio. |
| Superfici interne di vetro | Rimuovere i residui di cibo.Pulire con un panno morbido e una piccola quantità di detergente. Assicurarsi che l'acqua o l'umidità non hanno penetrati l'interno dell'ap-parecchio. |
| Porta di vetro |
Stoccaggio dell'apparecchio quando non è usato
- Attenzione: Scollegare sempre l'apparecchio alla fonte di alimentazione.
-
Rimuovere dall'apparecchio tutto il cibo e le bevande.
-
Pulire l'apparecchio secondo le istruzioni contente nella parte Pulizia e manutenzione (Vedi = = > Pulizia e manutenzione).
- Conservare in un luogo fresco e pulito fuori alla portata dei bambini.
Risoluzione dei problemi
Se l'apparecchio non funzione correttamente, leggere la tabella qui除去 per trovare la soluzione corretta.
Se non è possibile risolverre il problema, contattare il rivenditore.
| Problema Causa | possibile Soluzione possibile | |
| L'apparecchio non avvia il processo di raffreddamento dopo aver collegato alla fonte di alimentazione. | Il fusibile termico è avviato | Contattare il fornitore / il venditore per riparare l'apparecchio. |
| Il compressore è danneggiato. | ||
| La spina non è direttamente collegata alla presa elettrica. | Controllare e assicurarsi che tutti i componenti sono collegati correttamente. | |
| Il raffreddamento è troppo debole. | L'apparecchio è esesto alla luce so-lare o posizionato vicino alla fonte di calore. | Spostare l'apparecchio in un altro luogo, lontano della luce solare di retta. |
| La porta non è chiusa correttamente o la guarnizione è danneggiata. | Chiudere bene la porta. | |
| All'interno dell'apparecchio c è troppo cibo. | Rimuovere dall'apparecchio una parte di cibo. | |
| La ventilazione insufficiente intorno all'unità. | Assicurarsi che la ventilazione ade-guata è garantita all'apparecchio, lasciando 10 cm di spazio intorno all'apparecchio. | |
| L'apparecchio genera troppo rumore | L'apparecchio non è in posizione orizzontale. | Assicurarsi che l'apparecchio è in una posizione orizzontale. |
| L'apparecchio tocca la parete o altri oggetti. | Assicurarsi che intorno all'apparecchio 10 cm di spazio è lasciato. | |
| All'interno dell'apparecchio ci sono gli elementi sciolti. | Contattare il fornitore / il venditore per riparare l'apparecchio. |
Specifiche tecniche
| N. di prodotto | 226568 233 | 900 233917 233 | 924 233931 235 | 829 235836 | |||
| Tensione e frequenza | 220-240V~ 50Hz | ||||||
| Corrente nominale | 1,0 A 1,7 A 1,5 A 1,0 A 1,5 | ||||||
| Intervallo di temperatura 2°C a | 10°C | ||||||
| Impostazione consigliate di temperature | 4°C | ||||||
| Classe di protezione Classe I | |||||||
| Livello di rumore | < 70 dB (A) | ||||||
| Refrigerante / quantità di re-frigerante | R600a / 40g R600a / | 50g R600a / 60g | R600a / 80g | R600a / 50g R600a / 80g | |||
| Classe energetica | D D E D E | ||||||
| Agente schiumogeno in-fiammabile | Ciclopentano | ||||||
| Potenza della luce | 4W 6W 24W 6W 9W | ||||||
| Classe climatica | N-ST | ||||||
| Capacità del frigorifero | 126L 93L | 197L 293L | 448L 200L | 303L | |||
| Numero di scaffali | 3 | 2 | 4 | 5 | 10 | 4 | 6 |
| Carico massimo per scaffale | 8kg | ||||||
| Peso netto (circa) | 40kg | 35kg | 54kg | 77kg | 100kg | 54kg | 75kg |
| Dimensioni esterne | 600x530x(H)900mm | 500x500x(H)900mm | 900x500x(H)900mm | 600x515x(H)1820mm | 900x515x(H)1820mm | 900x500x(H)900mm | 1335x500x(H)900mm |
Attenzione: Le specifiche tecniche sono soggette a modifiche alla preavviso.
NOTA: la classe energetica è conforme al funzionamento in climi con una temperatura massima di 25^ e un'umidità massima del 60%.
Schema elettrico (226568, 233900, 233917, 235829)


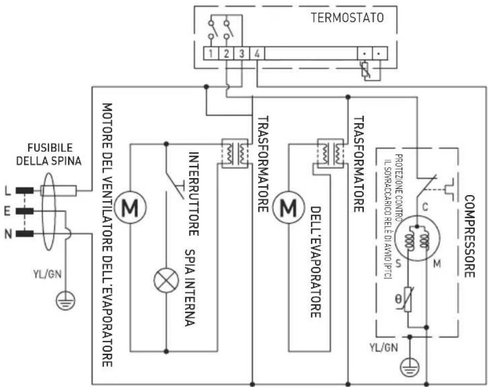
Schema elettrico (233924)



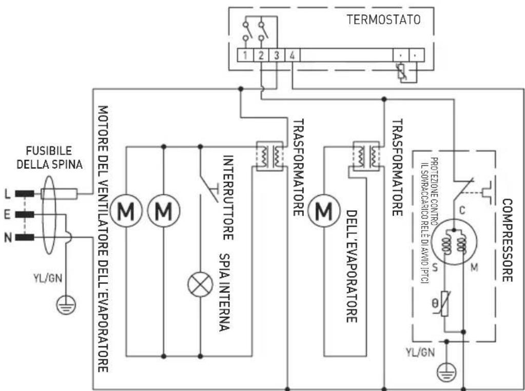
Schema elettrico (235836)
Garanzia
Qualsiasi difetto che influenza la funzionalità del dispositivo che compaia entro un anno dall'acqui-sto sare corretto a titolo interamente Gratis o con la sostituzione del prodotto che è stato utilizzato e sopposto a manutenzione corretta segundo le istruzioni,enza alcuna violazione.l diritti legali del cliente non sono assolutamente modificati.Nel caso in cui l'intervento di manutenzione o sostitu
zione sua previsto nel periodo di validità della garanzia, precisare dove e quando si è acquistato il prodotto, possibilmente allegando lo scontrino.
In linea con la nostra politica di sviluppo continuo dei prodotti, ci riserviamo il diritto di modificare il prodotto, l'imballo e le specifiche di documentazione, alla notifica alcuna.
Smaltimento e protezione dell'ambiente
In caso di ritiro dell'apparecchiatura dal funzionamento il prodotto non può essere smaltito con altri rifiuti domestici. L'utente è responsabile della consegna dell'attrezzatura al punto di raccolta appropriato per l'attrezzatura usata. Il mancato rispetto delle disposizioni sopramenzionate cui comportare l'imposizione di sanzioni in conformità con le normative vigenti in materia di smaltimento dei rifiuti. La raccolta e il riciclaggio selettivi di attrezzatura usate contribuiscono alla conservazione delle risorse naturali e garantiscono il riciclaggio
in modo tale da non nuocere alla salute e all'am-biente.
Per ulteriori informazioni sui luoghi di smaltimento delle apparecchiature usate per il ricerclaggio, contattare la società locale di raccolta dei rifiuti. Il produttore e l'importatore non sono responsabili per il ricerclaggio e il trattamento dei rifiuti in modo ecologico, sia direttamente che nel quadro delsystema pubblico.
Notice-Facile