DHE 21 SLi - Elektryczny podgrzewacz wody STIEBEL ELTRON - Bezpłatna instrukcja obsługi
Znajdź bezpłatnie instrukcję urządzenia DHE 21 SLi STIEBEL ELTRON w formacie PDF.
Często zadawane pytania - DHE 21 SLi STIEBEL ELTRON
Questions des utilisateurs sur DHE 21 SLi STIEBEL ELTRON
0 question sur cet appareil. Repondez a celles que vous connaissez ou posez la votre.
Poser une nouvelle question sur cet appareil
Pobierz instrukcję dla swojego Elektryczny podgrzewacz wody w formacie PDF za darmo! Znajdź swoją instrukcję DHE 21 SLi - STIEBEL ELTRON i weź swoje urządzenie elektroniczne z powrotem w ręce. Na tej stronie opublikowane są wszystkie dokumenty niezbędne do korzystania z urządzenia. DHE 21 SLi marki STIEBEL ELTRON.
INSTRUKCJA OBSŁUGI DHE 21 SLi STIEBEL ELTRON
Zobrażni spotrěbované vody v m³.
4.4 Nastaveni na pristroji
Vysvetlivky symbol

Pri toto zpusobu pripojen se mei kryti pristroje.
Provedezmenu na typovem stitku. Preskrtnete udaj IP 25 a oznacte krizkem policek O 24. K tomuto ucelu pouzijte propisku.
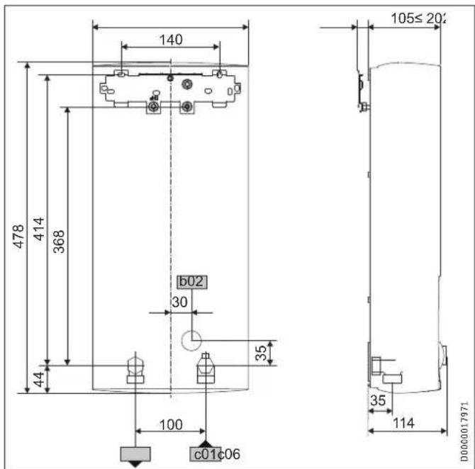
16.1 Rozměry a przypojky

- Wskazowski ogolne 102
1.1 Wskazowski dotyczbepeziczeniastwa 102
1.2 Inne oznaczenia stosowane w niniejszej dokumentaci 103
1.3 Jednostki miar 103 - Bezpiecznebstwo 103
2.1 Uzytkowanie zgodne z przyeznaczeniem 103
2.2 Ogolne wskazówki dotyczę bezpieczność stwa 103
2.3 Znak kontroli 103 - Opis urzadzenia 104
- Ustawienia i wskazania 104
4.1 Panel obstugowy na urzadzeniu 104
4.2 Ustawianie temperature 105
4.3 Wyswietlanie monitora oszczednosci 105
4.4 Ustawienia na urzadzeniu 106 - Czyszczenie, pielegnacja i konserwacja 107
- Usuwanie problemów 107
INSTALACJA
- Bezpieczentwo 108
7.1 Ogolne wskazowki dotyczace bezpieczentwa 108
7.2 Przepisy, normy i regulacja prawne 108
8.Opis urzadzenia 108
8.1 Zakres dostawy 108
8.2 Wyposaßenie dodatkowe 108 - Przygotowanie 109
9.1 Miejsce montazu 109
9.2 Ustawienia fabryczne 109 - Montaz 110
10.1 Zakończenie montaźu 112
10.2 Inne sposoby montazu 112 - Uruchomienie 115
11.1 Pierwsze uruchomienie 115
11.2 Ponowne uruchomienie 115 - Tryb serwisowy 115
- Wyęlaczenia z eksploatacji 116
- Usuwanie usterek 116
- Konserwacja 118
- Dane techniczne 118
16.1 Wymiary i przyłączna 118
16.2 Schemat ideowy 118
16.3 Objetoć wody zmieszanej / llośc wody na wylocie 119
16.4 Zakresy pracy / Tabela konwersji 119
16.5 Straty cijsnienia 119
16.6 Warunki awaryjne 119
16.7 Dane dotyczace zuzycia energia 120
16.8 Tabela danych 120
GWARANCJ
OCHRONA SRODOWISKA NATURALNEGOI RECYKLING
OBSŁUGA
1. Wskazówki ogólne
Rozdziel „Obstuga" przyznaczony jest dla uzytkownikia urzadzenia i SPECIALISTY.
Rozdzial „Instalacja" przyznaczony jest dla spezialisty.

Wskazówka
Przed przystapieniem do obstugi urzadzenia nalezy dokladnie zapoznać sie z niniejsza instrukcja i zachowac je do poźniejszego wykorzystania.
W przypadku przykazania produktu osobom trzechim niewejsza instrukcje nalezy rownie dość.
1.1 Wskazówki dotyczne bezpieczeneistwa
1.1.1 Struktura wskazowej dotycznych bezpiecznychstwa

HASLO OSTRZEGAWCZE - rodzaj zagrozenia W tym.), slokreslone potencjalne skutki nieprzestręgania wskazówki dotyczzej bezpieczeni-stwa.
W tym mistriscu są okreslone srodki zapobiegajace zagrozeniu.
1.1.2 Symbole irodzaje zagrozenia
Symbol
Rodzaj zagrożenia

Obrażenia ciełs

Porazenie pradem elektrycznym

Poparzenie
1.1.3 Hasla ostrzegawcze
| HASLO OSTRZE-GAWCZE | Znaczenia |
| ZAGROZONE | Wskazówki, których nieprestrzeganie prowadzi do cięź-kich obrażnychcia lub smierci. |
| OSTRZEZONE | Wskazówki, których nieprestrzeganie są痈rowicdo ciȩzkich obrażnychcia lub smierci. |
| OSTROZONE | Wskazówki, których nieprestrzeganie są痈rowicdo srednic lub lekkich obrażnychcia. |
1.2 Inne oznaczenia stosowane w niniejszej dokumentaggi

Wskazowska
Wskazówki są ograniczone poziomymi liniami powyzej i ponizej tekstu. Ogólne wskazówki są oznaczone symbolism umieszczonym obok.
Nalezy dokladnie zapoznać sie ztreścia wskazówek.
Symbol
Szkody materialne
(uszdkodzenie urzadzenia, szkody nastepcze, szkody ekologiczne)

Utylizacja urzadzenia
Ten symbol informuje o koniecznosci wykonania jakiejś czynnosci. Wymagane czynnosci opisane są krok po kroku.
1.3 Jednostki miar

Wskazówka
Jesli nie okreslono innych jegnestek, wymiary podane sa w milimetrach.
2. BezpieczeINSTwo
2.1 Uzytkowanie zgodne z przyznaczeniem
Urzadzenie przyznaczone jest do uzytku domowego. Nieprzeszkolone osoby moga bezpiecznie z niego korzystac. Urzadzenie moyna stosowac rownik poza domem, np. w mazych przyȩbiorstwach, pod warunkiem takiego samego uzytkowania.
Inne lub wykraczajace poza obowiażuće utalenia zastosowanie traktowane jest jakowośćgodne z przyznaczenia. Do uzytkowania zgodné zo przyznaczenia naleź rowniesz przyestrzejanie niniejszej instrukcji obstugi oraz instrukcji obstugi uzytego wyposañenia dodatkowej.
Urzadzenie ciñeniowie jest przyznaczone do podgrzewania wody uzytkowej lub wstepnie podgrzanej. Urzadzenie sąstę do zasilania co najmiej jederngo punktu povoru wody.
2.2 Ogólne wskazówki dotyczębe bezpieczędstwa

OSTROZNIE - Rzyko poparzenia
Podczas pracy temperatura armatury要去iagnac wartosc powyzej 60^
W przypadku temperatur na wylocie wyzszych niz 43^ istnieje ryzyko poparzenia.

OSTRZEZENIE - Rzyko odniesenia obrażćcia Urzadzenia要去c obstrugwane przy czȩ, ktoru ukończy 8 lat oraz przy czȩ osoby o zmniejszych zdolnosciach fizycznych, sensorycznych lub umysłowych lub osoby niedosporiadajce odpowiedniego doświadczenia wźględnia wiedzy, jejeli są one pod nadzorem lub zostaly przy przeszkolone w zakresie bezpiecznej obstrugi urzadzenia oraz zrozumialy winikajace stad niebezpieczeanstwa. DzieciomNie wolno bawic sie urzadzeniem. Czyszczenie oraz konserwacja wykonywana przy uzytkownika są czynnosciami, króryczeciemNie wolno wykonywać bez nadzoru.
Ježeli urzadzenia bedzie obstugiwane przy这部分 lub osoby z ograniczonymi zdolnosciami ruchowymi, sensorycznymi lub z ograniczona poczytalnoscia, zaleca sie zastosowanie na state ogranicznika temperatury. Ograniczenia mayna ustawic samodzielnie lub zleciustawienie spejalisce:
- Możliwość ustaniewenia przyez uzytkownika zabezpieczenia przyźędziecie
- Możliwość ustawienia przyez SPECIALISTZabezpieczenia przyded poparzeniem

Szkody materialne
Obwiatzkiem uzytkownika jest zabepieczenia urzadzenia i armatury przyd mrozem.
2.3 Znak kontroli
Patrz tabliczka znamionowa na urzadzeniu
Krajowedopuszczeniaicertifikaty: Niemcy
Z uwagi na niemieckie przydaticno zostalo ogolne swiadechtwo budowlane stwierdzajace przydatnosc urzadzenia pod wzglodem emisi haasu.

3. Opis urzadzenia
W pelni elektronicznie regulowane urzadzenie z automatycznym dopasowaniem mocy utrzymuje staţa temperature wylotu. Woda jest podgrzewana przyez w pelni elektronicznă regulȩz z zaworem silnikowym do nastawionej temperatury z dokladnosćia do jegno stopnia. Odbywa są to niezaleznie od temperatury wlotu.
Temperatura cieplej wody
Temperature wylotu cieje wody moza nastawiac bezstopniowo. Nastawiona temperaturaPokazywana jest na wyswietlaczu.
System grzewczy
System grzewczy z odkrty grzatk wyposzony jest w plaszcz miedziany odpornny na cijsnienie. W systemie grzewczyromatic podgrzewac wode o niskiej i wysokiej zawartosci wapnia, poniiewaz jest on w duzym stopniu odpornny na zwapnienie. System grzewczy zapewnia szybkie i wydajne przygotowanie ciepiej wody.

Wskazówka
Urzadzenie jest wyposañzone w funkcję wykrywania powietrza, która w znacznym stopniu zapobiega uszkodzieniom systemu grzejnégo. Jesli podczas przycdo urzadzenia przychodostanie sie powietrze, moc grzewca zostanie automatycznie wyłoczona na jeder minute celem ochryn systemu grzewczego.
Podswietenie wyswietlacza
Wyświetlacz posiada dwukolorowe podswietenie (zielone / bursztynowe).
Wskazanie efektywnosci
Zielone podswietenie ECO synglizuje wyjatkowo ekonomiczne stany robocze,
W pozostalych stanach roboczych podswietlenie wyswietlacza jest bursztynowe.
Monitor oszczednosci
Urzadzenie jest wyposazone w fungcję monitorowania oszczędni. Uaktywnia są poprzej naciśćcie odpowiedniago przycisku. Wskazania:
- Oszczednosc energii*
- Oszczędnosć wody*
-
Oszczednosc CO _2
Ilosc energii
-Zuzychiec wody -
w porownaniu z hydraulicznymi ogrzewaczami przycephywowymi. Obliczenia dla 3-osobowej gospodarstwa domowej przy zapotrzebowaniu na wode uzytkowa i energia uzytkowa przypa
dajcnajdnoosbewgVDI2067.Kosztyenergiiiwodymoznaniezalezniezaprogramowa.
4. Ustawenia i wskazania
Urzadzenie möglich nastawiać na panelu obstugówym.
Informacja o temperaturze na wlocie
Jesli temperatura wlotu jest wyzsza od temperatury zadanej, np. przy wodzie wstepnie podgrzanej przy instalacje solarna, wskazanie temperatury miga, a drugie wskazanie pokazuje temperatur wlotu. WodaNie jest dalej podgrzewana.

1 Wskazanie temperature miga
2 Wskazanie temperature wlotu
3 Dioda swietlna zabepeziczenia przy poparzeniem; czerwna dioda swietlna przy nastawie temperature >43^
Zalecane ustawienenie przy eksploataci z jeder armatura termostatu
Nastawic temperature na urzadzeniu na 60^
W przypadku przerwania doplywu wody
Patrz Rozdziat „Ponowne uruchomienie"
4.1 Panel obslugowy na urzadzeniu

1 Pokretto do regulaçji temperatury
2 Dioda swiecaca zabezpieczenia przyd poparzeniem
3 Przycisk pamięci
4 Przycisk menu, np. ECO
5 Wskazanie dodatkowej wartosci
6 Wskazanie mocy grzewczej
7 Wskazanie temperature
8 Symbol Serwis
9 Symbol Bład
10 Przycisk informaggi - menu oszczędnosci
W dostarczonym urzadzeniu podswietlenie wącza sie automatycznie po nacisięciu poukretta regulacyjngo lub w czasie podgrzewania wody. Po upywie 30 sekund lub zakończenu podgrzewania podswietlenie wącza sie. Można rownieź wączyc piągle podswietlenie wyświetlacza.
Symbole

1 Prysznic z hydromasazem
2 Automatyka ilosci wody
3 ECO
4 Zabepieczenie przydzieymi
5 Wskazanie dodatkowej wartosci
6 Godzina
4.2 Ustawianie temperature

1 Nastawa temperature 20-60°C co 0,5°C OFF = system grzewczy wyłaczony
2 Wyswietlanie zapisanej temperatury
3 Wyswietlanie monitora oszczędnosci
Pod przyciskiem paminsi M mozna zapisać zadana temperature.
Nastawic zadana temperature.
Nacisnac przyczisk M i przytrzymać przyez 2 sekundy. Dla potwierdzenia wskazanie temperatury miga 1 raz.
4.3 Wyswietlanie monitora oszczędnosci
Struktura menu na przykladzie waluty euro (EUR)

1 Oszczędność energii
Obliczana i wskazywana jest oszczechnosc energii w euro (EUR) w porownaniu z hydraulicznymiogrzewaczami przycephYWOWymi.
2 Oszczednosc wody
Obliczana i wskazywana jest oszczechos wody w euro (EUR) w porówniuz hydrauliczymiogrzewaczami przycephywowymi.
3 Emisja CO2
Wyświetlana oszczędność CO2 wyrażona w kg jest obliczana w stosunku do hydraulicznych ogrzewczy przyȩwowych.
4 Ilosc energii
Zužycie energia jest wyświetlane w kWh.
5 Zuzycie wody
Zużycie wody jest wyyswietlane w m³.
4.4 Ustawienia na urzadzeniu
| Objasnienie symbolu | |
| Nacisnám 1 x START-menu | |
| Nacisnám 1 x Zmiana menu | |
| Nacisnám i przytrzymać przyez2 sekundy | KONIEC |
| Zmiana ustawiet / kontroli | |
Struktura menu

1 Funkcja oszczedzania wody i energii ECO
Funkcja ECO pozwala ograniczyc ilosc przyphywu wody do wartosci maksymalnej.
ECO wt. = symbol na panelu obslugowym
ECO wyft. = brak symbolu na panelu obstugowym
2 Zabepieczenie przydzieymi
Zabepieczenie przy这部分 zozemni pozwala na ograniczenia temperatury nastawianej na urzadzeniu do wartosci maksymalnej. Specjalista w trybie serwisowym要去 dodatkowo nastawic temperatuze zabepieczenia przy poparzeniem (patrz Rozdzial „Tryb serwisowy"). Ta temperatura bedzie w owczas gorna granica zakresu nastaw dla zabepieczenia przy这部分.
3 Prysznic relaksacyjny
W programie prysznica z hydromasazem przyna wybrać 4 roźne programy zmieany temperatury wody.
WW = ciepta woda, KW = zimna woda
A Zapobieganie przytiejbieniom
Aby sie zahartowac, zalecamy zoćnczyc kapiel polewajc są strumieniem zimnej wody. W konsekwenci ciało samoistnieogrzewa sie.

Oświeżajace zakończenie zimowej kapieli z ponownymogrzaniem.

C Program letni fitness
Szybka, zmienna kapiel poprawiaja c kondycj, kończaja sie ponownymogrzaniem.

D Program poprawiaźcy ukrwienie
W celu poprawy ukrwienia ramiona i nogi sa polewane zimna woda. Ten prysznic nały brać od dloni i stop w kierunku srodka ciał. Czynnosć można nastepnie powtórzyc z ciepta woda.

4 Automatyczne sterowanie przyplywem wody
Automatyka ilosci wody pozwala ograniczyc ilosci wody przy duzym przyptywie. Po uzyskaniu nastawionej ilosci wody przyptyw zostanie automatycznie zredukowy. Zadana temperatura pozostanie niedzmieniona. Automatyke ilosci wody naleź wączac za kaźdym razem przy napelnianiu wanny. Przyklad napelnienia wanny 80 litrami wody: Po napuszczeniu 80 litrow wody automatyka zmiejsza przyptyw do 4 l/min.
5 Ilośc przyphwyw
Wskazywana要去icilośczprzejwyu lub godzina.
6 Nastawianie czasu zegarowego
WyświetlanaMZebyc godzina lub ilosć przyptywu. GodzineaMZa nastawic w zakresie od 00:00 do 23:59. Po przywie w za-silaniu godzine nały ponownie ustawic.
7 Nastawianie podswietenia tla
Istnieje moziwość wyboru podswietlenia wyswietlacza. Przy ustawieniu „Auto" podswietlenie miga podczas ustawiania.
- Podswietenie jest wączone podças podgrzewania wody i przy kázdej czynnosci obstugowej.
- Po 30 sekundach bez zadnej czynnosci obslugowej, podswietlenie tfa wyłacza sie.
- Po wybraniu ustawienia „On" podswietlenie swieci sie przy caly czas.
8 Nastawianie intensywnosci koloru zielony / pomaranczowy
Jasność obu kolorów podstawienia są za indywidualnie dostosowej.
9 Wybor waluty
Wybrać walute, w ktorej ma byc wskazywana oszczędnosć energii wody:
$$ \text {E U R} = \epsilon $$
$$ \operatorname {c u r} = \text {c u r e n c y} (\text {d o w o l n a i n n a w a l u t a}) $$
10 Nastawianie ceny energii
W celu obliczenia oszczednosci energii, można w tym mistręcu wpwadźć indywidualné cense energii w EUR/kWh lub cur/kWh.
11 Nastawianie ceny wody
W celu obliczenia oszczednosci wody, przy na w tym mięsću wprowadźć indywidualna cene wody w €/m³ lub cur/m³.
12 Nastawianie wartosci emisi CO2
Ustawienie fabrzne w celu obliczenia emisi CO2: 553 g CO2/kWh (žródlo: „Ograniczenia zužycia energia i emisi CO2 poprzej peryferyjne zasilanie ciepla woda podgrzewana elektrycznie", 2011). W razie potrzeby można nastawic indywidualn相关政策 wartość emisi CO2.
13 Wyzerowanie do ustawien fabrycznych
Przez 2 sekundy przytrzymać jederoczenia oba przyciski M oraz i.
Ustawienia fabryczne podane są w zakreskowanej ramce na ryssunku.
14 Pozycja menu
Ta poźycja menu w tej wersji nie jest wykorzystana. Nie maya dokonac wnej zadnych ustawien.
15 Pozycja menu
Ta poźycja menu w tej wersji nie jest wykorzystana. Nie maya dokonac wnej zadnych ustawien.
5. Czyszczenie, pielegnacja i konserwacja
Nie wolno uzywac srodkow czyszczacych o wataciwosciach sciernych lub zawierajczyh Rozpuszczalinik. Do konserwacci czyszczenia urzadzenia wystarczy wilgotna szmatka.
Regularnie nalezy sprawdzać stan armatury. Kamien z wylo-tu armatury nalezy usuwac przy uzyciu standardowych srod-kow do usuwania osadow wapiennych.
6. Usuwanie problemów
| Usterka Przyczyna Rozwiązanie | ||
| Urzejdenie nie sąca sie mimo calcowicie o thwartego zaworucie plej wody. | Napiȩcie siediocie nie jest podłęczone. | Sprawdzić bezpieczniki w instalacji domowej. |
| Regulator strumienia w armaturze lub glówna natryskowa jest Pokryta kamienium lub zanie czyszczona. | OczyScić i/lub odwapnic regulator strumienia lub glówne natryskowa. | |
| Zasilanie w wodę jest przerwane. | Odp战略布局 urzejdenie i dopyw zimnej wody (patrz rozdziel „Uruchomanie/Ponowne urichomienie"). | |
| Po odkrećeniu cieplej wody przyżchwile wyptywa zimna woda. | Funkacja wykrwywania po-wietrze wykrwywa powiétrze w wodzie i wymićza moc grzewczą. | Urzejdenie automatyczne uruchamia są po upływie 1 minuty. |
| Nieność nastawic tem-peratury > 43 °C. | Dynamiczne zabeepie-czenia przyzed poparze-niem jest wymiśćzone. | Dynamiczne zabeepie-czenia przyzed poparze-niem zestania auto-matycznie wymiść zone po upływie 2 minut od zakońcieszenia pobierania wody. |
Jesli nie:nozausunacprzyczy usterki,nalezy wezwac specjalist. W celu usprawnienia i przyspieszenia pomocy nalezy podac numer z tabliczki znamionowej (00000-0000-000000):

INSTALLACJA
7. BezpieczeINSTwo
Instalacja, pierwiste uruchomienie, jak rowniesz konserwacja i naprawa urzadzenia mogą byc wykonane wyłączne przyż spezialiste.
7.1 Ogólne wskazówki dotyczne bezpiecznośćstwa
Producent zapewnia prawidowej dziatanie i bezpieczestrewo eksploataci tylko w przypadku stosowania oryginalnégo wyposañenia dodatkowego przyznaczonego doingo urzadzenia oraz oryginalnych czeci zamiennych.

Szkody materialne
Wziac pod uwage maksymalna temperature dopwywu. Przy wyzszych temperaturach moze nastapić uzskodzenia urzadzenia. Poprzej montaž centralnégo termostatu (patrz rozdiaz „Opis urzadzenia / Akcesoria") przy ogranicyc maksymalna temperature wody na zasilaniu.
7.2 Przewisy, normy i regulacja prawne

Wskazówka
Przestręgać wszystkich przypeśw krajowych i lokalnych, na przyklassd w Niemczechnormy DIN 1988 / DIN EN 806.
- Stopien ochryn IP 25 (ochrona przy prawidlowo zamontowanej tulei kablowej.
- Specyficznopornosc elektryczna wody nie moze byc mniejsza niz podana na tabliczce znamionowej. W przypadu sieci wodociągowej nalezy uwzględnic najnizsza opornosc elektryczna wody (patrz rozdiaz „Dane techniczne / Zakres pracy"). Informacja o wȩciwoj opornosci elektrycznej lub elektrycznej przywodnosci wody są za uzykać w miajscowym zlokadzie wodociągow.
8. Opis urzadzenia
8.1 Zakres dostawy
Do urzadzenia dolaczone sa nastepujuace artykuly:
- Listwa montażowa
- Szablon montażowy
- 2 złaczkip podwojne
Czwornik - Trojnik
- Uszczelki plaskie
- Sito
Krazechek ksztal'towy z tworzywa sztuczneo - Ksztaltki违法犯罪 z tworzywa sztucznego / przyrzad montażowy
- Elementy prowadzace osłony i scianki tylnej
8.2 Wyposaßenie dodatkowe
Zdalne sterowania
- FFB 1 SL -zdalne bezprzewodowe sterowanie obstuga z dwoch.),
- FFB 2 SL - zdalne bezprzewodowe sterowanie element obstugi zdalnej jako rozszerzenia FFB 1 SL
- FB 1 SL - przewodowe zdalne sterowanie obsługa tylko za pomocą pilota zdalné, przyznaczone do instalaci natynkowej
Armatury
- MEKD - armatura ciñsieniowa do kuchni
-MEBD -armatura ciñsieniowa do wanny
Zatyczka G 12 A
Korki są niedźne,łączenia jest inna natynkowa armatura ciesznieniowa,ść zieleczna są wyposażenie dodatkowe.
Zestaw montaźowy do instalacji natynkowej
-Dwuzlaczka lutowana-rura miedziana do przylacza lutowanego 12 mm
-Zlaczka rurowa wciskana-rura miedziana
- Złuczka rurowawciskana-rurz tworzywa sztucznego (przeznacznadora do produktów firmy Viega: Sanfix-Plus lub Sanfix-Fosta)
Uniwersalna rama montazowa
Rama montażowa z przyłączami elektrycznych.
Zestawrurdo urzadzenmontowanychponizejpunktu podoru
Zestaw do montazu poniżj punktu soboru nie jest konieczny, gdy planowane są przyłącza wody (G 3/8 A) powyzej urzadzenia.
Zestaw rur do montazu z przyemieszczeniem
Zestaw rur z kolankami rurowymi jest wymagany,jection planowane jest przesuniecie w pionie wzgludem przyłącza wody o 90 mm w doł.
Zestaw rur do przyłączenia gazowej ogrzewacza wody
Zestaw rur jest potrzebny w przypadku instalacji z dostepnymi przyłączami gazowej ogrzewacza wody (przyȩcze zimnej wody z lewej strony, ciepiej wody z sprawej strony).
Zlaczki wtykowe wody DHB zestawu rur
2 złuczki wtykowe wody uzmliwiaja podlącenie urzadzenia do dostepnych przyłączy wtykowych wody urzadzenia DHB.
Przekañnik odciążajcy (LR 1-A)
Przekaznik odciązajcy do montazu w rozdzielnicy uzmliwa przyłączenia priorytetowe przyptywowe goźewacza wody przy rownoczesnej przy na przykład elektrycznych ogrzewczy zaobnikowych.
Armatura centralneo termostatu ZTA 3/4
Armatura termostatu do centralneo mieszacza, na przyklass prze-pywowego ogrzewacza wody z instalacja solarna.
INSTALACJA
Przygotowanie
9. Przygotowanie
Przeptuka dokladnie instalacja wodna.

Wskazowska
Urzadzenia nalezy zamontowac na sciance o dostatecznej nosnosci.
Armatury
Stosowac odpowiednie armatury (patrz rodziat,Opis urzania/Wyposazenie dodatkowe").Armatury beczisniiewe niedopuszczalne.
Monta z ponizej punctu podoru wody
Zawór bezpieczewsna nie jest wymagany.

Wskazowska
Krzyżak nie sąbzwykorzystwyany do dawienia strumenia przyptywu. Zadaniem tego zaworu jest odcinanie urzadzenia.
Dopuszczalne materialy przywodów wodociągowych
- Przewod doplywowy zimnej wody:
Rura stalowa ocynkowana ogniowo, rura ze stali nierdzewnej, rura miedziana lub rura z tworzywa sztucznego - Przewód wylotowy ciejej wody:
Rura ze stali nierdzewnej, rura miedziana lub rura z tworzywa sztuczngo

Szkody materialne
Przy stosowaniu rur z tworzywa sztucznego naleź przy przestręgacz maksymalnej temperatury zasilania i maksymalné dopuszczalné ciśnienia (patrz Rozdziel „Dane techniczne / Tabela danych").
Strumien objetosci
Upewnic sie, ze osiagniety dostaf strumien przeplywu (patrz rozdiaz „Dane technicznce / Tabela danych", Zaf) niezedny do zauczenia sie urzadzenia.
Zwiększy ciszuminiumew instalacji wodnej, sąsi nie można uzyskać wymaganego strumienia przy calkowicie otwartym zaworze poboru.
Elastyczne przy.§cieniowe wody
Nie dopuszczac do przekrcanca kolanek ruwych przy instalaci z elastycznych przyzewami przyjaczeniowymi wody. Kolanka rurowe są zamontowane w urzadzeniu za posrednictwem zlacza bagnetowego.
Przymocowa scianke tylna na dole przy uzyciu dodatkow wkreta.
9.1 Miejsce montazu

Szkody materialne
Urzadzenie zainstalowac w pomieszczeni, w którym nie panuje ryzyko zamarzniecia.
Urzadzenie nalezy montowac zawsze pionowo i w povlizupunktu povoru wody.
Urzadzenie jest przystosowane do instalacji ponijej lub powyzej punktu povoru wody.

1 Doptyw zimnej wody
2 Wylot ciepnej wody
Montaż powyzej punktu povoru

1 Doptyw zimnej wody
2 Wylot ciepnej wody
9.2 Ustawienia fabryczne
W stanie dostawy urzadzenia są przygotowane:
- Przyjacze elektryczne „na dole“, instalacja podtynkowa
D-Przytacja wody, instalacja podtynkowa
-W urzadzeniu z przelacznam moca przytaczeniowa fabrycznie ustawiona jest srednia moc przytaczeniowa.
INSTALACJA
Montaz
10. Montaz
W tym rozdziele opisano sposob montazu zgodny z ustawieniami fabrycznych.
Inne mozliwosci montaizu patrz Rozdiazl ,Inne sposoby montaizu".

Otworzyc urzadzenie.

Zdjac scianke tylna, nascikajac oba haczyki blokujace i poci gajac dolna czesc scianki tylnej do przyodu.

Za pomoc szablonu montazowego zaznaczy otwory do wy-wiercenia. W przypadku montazu urzadzenia z przyfaczami wody umieszczonymi na tynku nalezy dodatkowo oznaczy otwor mocujacy w dolnej czeci szablonu.

Wywierci otwory i zamocowac listwe montażowa za pomocca 2 wkrętow i 2 kołów (wkręty i kołki nie są objęte zakresem dostawy).
Wskazówka
Przy montazu z elastyczymi przyłączami wody sciankę tylna nały dodatkowo zamocowej sądny wkrtem.
Zamontowac listwemontazowa.

1 Narzedzie montażowe
Poprowadzic sieciowy kabel przyączeniowy.
Podłuczanie wody

Szkody materialne
Wszystkie prace instalacyjne w zakresie podlaczania wody nalezy wykonywac zgodnie z przypisami.

Uszczelnic i wkreci zlaczk podwojna.

1 Ciepla woda z trojnikiem
2 Uszczelka
3 Zimna woda z krzyzakiem
4 Sito
5 Podkładka ksztatacka
Zamontowac przylacza wody.

Szkody materialne
Przy eksploataci urzadzenia sitko musi byc zamontowane.
Przy wymianie urzadzenia skontrolowa,czy sitko jest załozone.
Montaż urzadzenia

2602020934
Dla ułatwienia montazu wciśnac tulejke kablowa gornyego przyłącza elektrycznégo od tytu w sciankę tylna.
- Usunac zabeepieczajace zatyczki transportowe z przyȩczy wody.
Wyjac prerzyczek mocujacz górnaj czeci scianki tylnej.
Wprowadzic elektryczny kabel przytaczeniowy od tylu przytez tulejke kablowa, tak aby przylegat do plaszcza kablowego. Wyrownac kabel przytaczeniowy.
Przy przyzekroju >6mm^2 powięszyc otwor w tulejce kablowej.
Wcisinac urzadzenie na sworzen gwintowany listwy monta-zowej, przebjajac miiekka usczelke. W razie potrzeby uzyc wkrtekata.
Załoźc zatyczemocujacna sworzen gwintowany listwy montażowej.
Docisnac mocno sciane tylna i zablokowac przytczke mocujaca,OCRACAJ wrawo 90°

Przykrecic rury z usczelkami plaskimi do zączek podwojnych.
Wykonanie przyłączie elektrycznégo
OSTRZEZENIE przyrazeniem pradem elektrycznym Wszystkie elektryczne prace przylaczeniaiwe i instalacyjne nały wykonywać zgodnia z przypepisami.
OSTRZEZENIE przyrazeniem pradem elektrycznym Podlaczenia do sieci elektrycznej jest dopuszcjalne tylko w postaci przylacza stalego w polaczeniu z wyjmowana tulejka kablowa. Urzadzenia musi byc oddzielone od sieci elektrycznej za pomocawielobiegunowej wylacznika z rozwarciem stykowwynsząym min. 3 mm.
OSTRZEZENIE przyrozem przem elektrycznym Zwroci uwage na to, aby urzadzenia zostato podlaczone do przyzewodu ochronnégo.

- Podłaczy elektryczny kabel przyłącienowy do zacisku siediociego (patrz roździat „Dane techniczne / Schemat polaczenia”). Podane napiȩcie musi być zgodne z napiȩciem siediocYW.
Wybormocyprzyaczeniowej
Moc przyłączeniowa möglich ustawic na jedem z trzech stopni, w zaleźnosci od typu urzadzenia. Fabrycznie nastawiona jest srednia moc. W celu przyłączenia na inną moc naleź wykonac ponieszcie czynnosci.

Wybrać zędaną moc przyłączeniowa, patrz rozdziel „Dane techniczne / Tabela danych".
Przelaczy wtyczekodujaczgodnie z wybranmocaj przytaczeniowa.
Zmienic tabliczke znamionowa. Zakreslic wybranamoc przyfaczeniowa. Uzyc do tego celu dlugopisu.
10.1 Zakonczenie montazu

Zamontowac dolna czesc scianki tylnej. Zwrociuwage,aby dolna czesc scianki tylnej zatrzasneta sie.
Wyrownac zamontowane urzadzenie, zwalniajac przytyczke mocujaca, wyrownujac przytace elektryczne i sciane tylna, a nastepnie z powrotem dokrcajac przytyczke mocujaca. Je- zeli scianka tylna urzadzenia nie przylega plasko, zamocowa urzadzenie przy uzyciu dodatkowego wkrteu w了我的olnej czeci.
10.2 Inne sposoby montazu
- Przyjacze elektryczne podtynkowe gorne
- Przyjacze elektryczne natynowej
- Przekraj przy przyłączu elektrycznym dolnym
- Przyȩcze przyteczna kiera priorytetu
Natynkowa instalacja wodna - Instalacja wodna natynkowa z przyłączem lutowanym / zȩczka rurowawciskana
- Instalacja wodna natynkowa, montaźPokrywy urzadzenia
- Montaz dolnej czeci scianki tylnej przy złaczu szrubowym natynkowym
- Stosowanie doctazonej listwy montaowej przy wymianie urzadzenia
-Instalacja na pflytkach ceramicznych - Odrocona potkrywa urzadzenia
-Eksploatacja ze wstepnie podgrzana woda
Przylacze elektryczne podtynkowe gorne

Nacić tulejke kablowa na elektryczny kabel przyłączeniowy.
Docisnac i wyciagnac hak przytrzymujacy do mocowania za-cisku przylacza sieciowego.
Przełozyc zacisk sieciowy w urzadzeniu z dotu na go r i za-mocowac zacisk, przysemuwajac go pod haczyk blokujacy.

- Poprowadzic przewody przyȩczajcie pod prowadniczej przewodów.
Elektryczny kabel przylaczeniowy natynkowy
Wyciac lub wylamaac w sposob staranny niezedny otwor w scianie tylnej lub Pokrywie urzadzenia. PoTozenia, patrz Rozdzial „Dane technicznce / Wymiary i przyfacz". W razie potrzeby uzyc pilnika.
Przeciąnac elektryczny kabel przyłączeniowy przyż tulejkę kabwe i podȩczy go do zacisku sieciowego.

Wskazowska
Przy takim sposobie podlączenia zmienia są stopien ochrony urzadzenia.
Zmienic tabliczke znamionowa. Skreslic · IP 25" i za-znaczyc pole · IP 24". Uzyc do tego celu dlugopisu.
Przekraj przewodu przy przyłączu elektrycznym dolnym
W przypadku uzycia przewodow o duzym przykroju tulejke kablowa moza zamontowac po zamontowani urzadzenia.

Przed przystapieniem do montazu wyjac tulejke kablowa przy uzyciu wkrétaka.
- Nasunac tulejke kablowa na elektryczny kabel przyfaczieniowy. W tym celu uzyc pomocy montażowej. Przy przyzekroju >6mm^2 powiekszyc otwor w tulejce kablowej.
INSTALACJA
Montaz
Wsunac tulejke kablowa w scianketylna.
Przylacze przekaźnika priorytetu
Przekaznik odciązajacy montowac w rozdzielnicy w połaczenia z innymi urzadzeniami elektrycznych, np. z elektrycznych ogrzewaczami zaobnikowych. Odciązenie obdywa sie podczas pracyogrzewacza przypeptywowego. Przekaznik odciązajacy jest dostepny w ofercie wyposazenia dodatkowej.

Szkody materialne
Faze włacaję przekañik odcieżajcy podȩczyć do odpowiednio oznaczonego zacisku sieciowej w urzadzeniu (patrz Rozdiaz „Dane techniczne / Schemat polączemu”).
Natynkowa instalacja wodna
Odpowiednie armatury ciñnieniowe dostepne s w ofercie wyposazenia dodatkowego.

1 Korki
2 Armatura cisnieniowa natynkowa
Zamontowac korki z usczelkami, aby zamknac przyłącze podtynkowe. W przypadku armatur cijsieniowych z wyposazenia dodatkowej, korki i usczelki wchodź w zakres dostawy.
Zamontowac armature.
Wsunac czesc dolna scianki tylnej pod rury przyaczeniowe armatury i wsunac ja w dolna czesc scianki tylnej.
Skrcic rury przylaczeniowe z urzadzeniem.
Instalacja wodna natynkowa z przyłączem lutowanym / zȩczka rurowawciskana
Za pomoczy przyfaczata lutowanego lub zlokczki rurowej wciskanj można zlokczyc zarówno miedziane przyzewy rurowe, jak równieź przyzewy rurowe z tworzywa sztuczkiego.
Przylacze lutowane ze zlokem srobowym jest przyznaczone domiedzianych przyzwodow ruwych 12 mm.
Nasunac nakretki kołpakowe na rury przyȩczeniowie.
Zlutowac wklady z przewodami miedzianymi.
Wsunac dolnagcsccianki tylnej pod rury przylaczeniowe armatury i zaczepic ja.
Skrcic rury przylaczeniowe z urzadzeniem.

Wskazowka
Nalezy przystrzegać wskazowej producenta armatury!

Instalacja wodna natynkowa, montaźPokrywy urzadzenia
1 Elementy prowadźę scianki tylnej
2 Sruba
3 Elementy prowadźace osłony
4 Otwör przelotowy
Dokladnie wylamać otwory przyzelotowe w pokrywie urzadzenia. W razie potrzeby uzyc pilnika.

Wskazowska
Za pomocz krawedz elementow prowadzych oslony mozza usczelnic niewielkie przyzureceniowych armatury.
W przypadku przysuniecia rur przyłaczeniowych armatury nie nalezy montowac elementów prowadzych scianki tylnej.
Przy montaźurur przytaczeniowych armatury bez przesu-niecia krawedzie elementów prowadzych osłonyNSEWyamać.
Zaczepić elementy prowadźace osłony w otworach przyzelotowych.
Zalozyc elementy prowadzace scianki tylnej na rury i zsunac je. Nastepnie dosunac elementy prowadzace do oporu do sciany tylnej.
Przymocowac siane tyna na dole przy uzyciu s Ruby.
Montaž dolnej.częci scianki tylnej przy zlaczu szrubowym natynkowym
Dolnę cieść scianki tylnej现阶段 zaumontowac po zakończenu montazu armatury.

1 Sruba
2 Elementy zdozonego osprztu
Wycia c elementy w dolnej czeci scianki tylnej na oznaczeniach.
Zamontowac dolnaj czesc scianki tylnej, zaginajac ja z boku i nasuwajac na rury natynkowe.
INSTALACJA
Montaz
Wlozyc sztaftki taczace od tyu w dolnag czesc scianki tylnej. Odwrocona Pokrywa urzadzenia
Zablokowac dolnagcEsc sciany tylnej w sianie tylnej.
Zamocawc dolnczeci scianki tylnej przy uzyciu wkrtu.
Listwa montażowa przy wymianie urzadzenia
Dostepln listwe montaow Stiebel Eltron mozna rornie wykorzystac przy wymanie urzadzenia (wyjatek:ogrzewacz przeplywowy DHF).
Przebic scianke tyln urzadzenia w mistrsucrzejcia sworznia gwintowanego na zamontowanej listwie montaowej.
Wymiana DHF

Prestawic sworzen gwintowany na listwie montażowej (sworzen gwintowany posiada gwint samonacinajcy).
Obróci listwo montażowa o 180^ i zamontowac ja na scianie (napis DHF bedzie wówczas ustawiony w kierunku czytania).

Instalacja na plytkach ceramicznych
1 Minimalne przyleganie urzadzenia
2 Maksymalne przyszunięcie płytek ceramicznych
Wyregulowac odstep od sciany i zablokowac sciane tylna przetyczka mocujaca,OCRACAJ wrawo 90°

Wymontowac element obslugowy zPokrywy urzadzenia, nacziskajc haczymi blokujace i wyjmujac element.
Obroci poutroem element obstugowy, aby wszystkie hczykizablokowa sy. Podczas blokowania hczykowPokrywe urzadzenia nalezy dociska od strony wewnetrznej (zakreskowane pole).
Podłączyk kabel nastawnika wartość zadanej do gniażda elektroniki (patrz roździat „Uruchomienie / Pierwsze uruchomienie").
ZaccepicPokrywe urzadzenia na dole i odchylic ja na gorze do scianki tylnej.
PrzesunacPokrywneico do przodu idotylu,aby wasciwie osadzic obwodowauszcelke scianki tylnej.
ZamontowacPokrywe urzadzenia.
Eksplatacja ze wstepnie podgrzana woda
Montaç centralnej armatury termostatycznej powoduje ograniczenia maksymalnej temperatury wlotu (patrz Rozdziaf „Opis urzadzenia / Wyposazenia dodatkowe").
11. Uruchomienie

OSTRZEZENIE przyd porazeniem pradem elektrycznym Uruchomienie要去 zostac przyprowadzone wylacznie przyezpecialiste z uwzgldnieniem przyepisow bepieczeNSTwa.
11.1 Pierwsze uruchomienie
Otworzyc krzyzak.

Kilkakrotnie otworzyc i zamknac wszystkie podlaczone zawory poboru - az do usuniecia要考虑gowiatrza z sieci przywo-dow i urzadzenia.
Przejeprowadzic kontrôle szczelność.
Uaktywnic wylocznik bezpieczene sta (AE 3), wciskajac na state przycisk resetowania (urzadzenie dostarczane jest zdezaktywowanym wylocznikiem bezpieczene sta).
Podczyc wyczke kabla nadajnika wartosci zadanej do elektroniki.
Zamontowac osfone i przymocowac ja za pomocza s Ruby.
Właczyc napiecie sieciowe.
Sprawdzić sposob pracy urzadzenia.
Zdjac folie ochronna z przesonty obstugowej.
Przekazanie urzadzenia
Objasnic uzytkownikowski spoos dziatania urzadzenia i zapo-znać go ze spoosobem uzytkowania.
Poinformowac uzytkownika o potencjalnych zagrozeniach, Zwaszczao orzyku poparzenia.
Przekacz niniejsz instrukcje.
11.2 Ponowne uruchomienie
Szkody materialne
Po przerwie w zasilaniu woda nalezy ponownie uruchomic urzadzenie, wykonujac ponizsze czynnosci, aby nie uszkodzic systemu grzewccepho z odkryta grzafka.
Odlaczy urzadzenie od zrodta zasilania, wylacjao bezpieczniki.
Otworzyc baterie na minute, az urzadzenie i podfaczony wstepnie przywod doprowadzajcy zimna wode dostana odpowietrzone.
Włączyc ponownie zasilanie sieciowe.
12. Tryb serwisowy

D0000046159
OtworzycPokrywe urzadzenia i zawiesic ja z boku na sciance tylnej.

1 Przycisk serwisowy do wączania i wączania trybu serwisowej
Objasnienie symbolu

Nacisnac 1 x START
Nacisnac 1 x KONIEC
Zmiana ustawien / kontroli
Wyłaczenia z eksploatacji
Wyświetlanie menu Error
Menu Error jest wyświetlane tylko w przypadku usterki urzadzenia.

1 Symbol podzespolu elektroniczngo
Wymienic podzespol elektroniczny.
2 Symbol obwodu bezpieczeni stwa
Sprawdzic potaczenia AE 3, w razie potrzeby wymienic AE 3:alecane ustawierenie 43^
3 Symbol czujnika wylotowego
Skontrolowa potaczenia czujnika wylotowego, ew. wymienie Wskazowka Ustawione zabezpieczenia przyd poparzeniem mozeczuk.
4 Symbol zaworu silnikowego
Skontrolować połaczenia zaworu silnikowej, ew. wymiendra zawór.
Mozliwociustawien:21-60°C
Zalecaneustawienie 43^
Ustawione zabezmieczne przed poparzeniem mozezmieniac wylicznie specjalista. Rownoczesne naciniecie przycisku M + i nie prowadzi do zmiany ustawien.
Wyswietlanie menu Control

1 Symbol temperature wlotu,Pokazujeactualnatemperature wlotu (wskazanie 1.0^ przy usterce czujnika).
2 Symbol temperature wylotu,Pokazujeactualnatemperaturewylotu(wskazanie 65.0^ przyusterceczujnika).
3 Symbol strumienia przywyu,Pokazujeactualny strumien przywyu.
4 Symbol poboru mocy,
pokazuje aktualny pobor mocy.
Wyswietlane menu danch urzadzenia

1 Symbol kodu serwisowego, informacja dla serwisu.
2 Symbol czasu pracy przy przyȩczu sieciowym, zsumowy czas pracy w dniach.
3 Symbol godzin grzania, zsumowany czas grzania w godzinach.
4 Symbol mocy maksymalnej Wyswietlana wartosc moze roznic sie o kilkakW od mocy znamionowej przy wahaniach napiecia sieci powodujczych roznice w stosunku do napiecia 400 V.
Ustawianie zabezpieczenia przyd poparzeniem
Z zabezpieczenia przy poparzeniem nalezy korzystac np. w przyszkolach, szpitalach itd. Temperatura nastawiona w tym mistryscu jest Jednoczesnie gorna granica ustawienia temperatu ry zabezpieczenia przy daneymi (patrz rozdziat „Ustawienia na urzadzeniu").


Wskazowska
13. Wyłaczenia z eksploatacji
Odlaczyc wszystkie zylyzasilania urzadzenia od przytacza sieciowego.
Opróznic urzadzenie (patrz rozdiaz „Konserwacja").
OSTRZEZENIE przy pozażem pradem elektrycznym Podczas kontroli napięcie sieciowe musi byc podlaczone do urzadzenia.
Polaczenia wtykowe ukladu elektronicznego

1 Lampka diagnostyczna (3 LED)
2 Czujnik strumienia przyptywu DFE
3 Zawor sterowany silniczkiem
4 Ogranicznik temperature beziepieczneistwa STB
5 Czujnik wylotu NTC
6 Nadajnik wartosci zadanej T-zad
7 Wylacznik bezpieczentwa AE 3; połaczenia wtykowej jest za-bezpieciezone przyez zatrzask.
| Mozlwe wskazania lampki diagnostycznej (LED) | |||
| czzc | czerwony swieci w razie usterek | ||
| zóty swieci w trybie grzania | |||
| zielony | miga: urzadzenie podłaczone do sieci | ||
| Usterka Przyczyna Wskaźnik diagno-stycznicy | |||
| Urzadzenia nie pod-grzewa wody / tempe-ratura zadana nie jest osiągana. | Napiȩcie sieduciowe nie jest pod-lączone. | Nie swieci sie sądna dioda LED | Sprawdzić bezpiecznych w instalacji domowej. |
| Zadziały wylącznik bezpie- czȩstwa (AE3). | Nie swieci sie sądna dioda LED | Usança przyczne usterki. Zabepiecznych system grzewcy przydlegrzaniem, owierajuć na minute zawór pouboro znajdujczy są za urzadzeniem. W ten spożb system grzewcy zostaje schlodźny. Aktywowość wylącznik bezpiecieznystwa,wcskujućego przyciscik (patrz teź rodzial „Pierwysze uruchomienie"). | |
| Elektronika uszkodzona. Nie swieci sie sądna dioda LED | sie sądna dioda LED | Sprawdzić elektronike, w razie potrzeby wymienić. | |
| Awaria jegnej fazy. | Zielona dioda LED pulsuje,źolta dioda LED sie sądwie | Sprawdzić bezpiecznych w instalacji domowej. | |
| Temperatura wlotu > 55 °C. | Zielona dioda LED pulsuje, czerwna dioda LED sie sądwie | OgranicZYc temperaturę wlotu. | |
| Czujnik strumienia przechywu (DFE) jest uszkodzony lub nie jest podlączony. | Zielona dioda LED pulsuje,źolta dioda LED nie sądwie | Skontrolowa przyczenne czujniki strumienia przechywu i wrazie potrzeby go wymienić. | |
| System grzejny jest uszkodzony. | Zielona dioda LED pulsuje,źolta dioda LED sie sądwie | Sprawdzić system grzewczy i w razie potrzeby go wymienić. | |
| Czujnik wlotu jest uszkodzony. | Zielona dioda LED pulsuje, czerwna dioda LED sądwie | Wymienić uklad elektroniczny. | |
| Czujnik wylotu jest uszkodzony. | Zielona dioda LED pulsuje, czerwna dioda LED sądwie | Skontrolowa przyczenne czujniki wylotu i w razie potrzeby go wymienić. | |
| Usterka elektroniki bezpiecieństwa. | Zielona dioda LED pulsuje, czerwna dioda LED tlyko przy pobieraniu wody | Podlączyć kabel sączymi wylącznika bezpiecieństwa i skontrolowa przycznej. | |
| Poluzowany lub uszkodzony kabel sączymi prodwzycy do nadajnika wartość zadanej. | Zielona dioda LED pulsuje | Podlączyć kabel sączymi nadajnika wartość zadanej i skontrolowa sączymi. | |
| Nadajnik wartość zadanej jest uzskodzony. | Głowica natryskowa / Regulatory strumienia powkryte są kamieniem. | Zielona dioda LED pulsuje | Sprawdzić nadajnik wartość zadanej i w razie potrzeby go wymienić. |
| Wyświetlac urzȩ-dzenia jest calcowiecie wylączony. | Poluzowy kabel sączymi prodwzycy do nadajnika wartość zadanej. | Zielona dioda LED pulsuje | Polawyć kabel sączymi do nadajnika wartość zadanej i skontrolowa sączniak. |
| Elektronika oblsugi jest uzdo-zdzone. | Zielona doda LED pulsuje | Zielona doda LED pulsuje | Sprawdzić element oblsugowy i w razie potrzeby go wymienić. |
| Strumuń przechywu jest za szlaby. | Głowica natryskowa / Regulatory strumienia powkryte są kamieniem. | Zielona dioda LED pulsuje | Usança kamiń lub wymienić glowice natryskowa / regulatory strumienia. |
| Sitko jest zabadzzone. | Zielona doda LED pulsuje | Wyczyscić silko. | |
| Wartość zadana不足以 przekraczać 43°C lub inniej usta-wionje temperatury zadanej. | Dynamizne zabwepticzenia przech poparzeniem jest są zona. | Zielona dioda LED pulsuje | Dynamizne zabwepticzenia przech poparzeniemdehydrationywoje są 2 minuty po po-borze wody. |
| Zabwepticzenia przech danecki i/lub ogranicznik temperatury są aktywnie. | Zielona dioda LED pulsuje | Wylączyć ograniczenia temperatury. | |
| Przez krótki czas wy-phywa zimna woda. | Strumuń przechywu (< 2 l/min) jest za szlaby. | Zielona doda LED pulsuje | Urzadzenia automatyczne uruchamia są ponownie po uzyskaniu strumienia przyphywu 2,5 l/min. |
| Funkcja wykrywania powietrza wykrywka powietrze w wodzie i na krótki czas wylączama moc grzewczą. | Zielona doda LED pulsuje | Urzadzenia powraca do pracy po minucie. | |
15. Konserwacja

OSTRZEZENIE przyzieniem pradem elektrycznym Przed przystapieniem do wszelkich prac nalezy odączyc wszystkie zyly zasilania urzadzenia od przylacza sieciowego.
Opróznianie urzadzenia
Urzadzenie möglich oprotónic w celu przypegowadzenia prac konserwacynjnych lub zabezpieczenia go przyd mrozem.

OSTROZNIE - Ryzyko poparzenia Podczas oprzniana urzadzenia moze wyphynac goraca woda.
Zamknac zawor odcinajacy w przewodzie doprowadzajacyzimnej wody.
Otworzyc wszystkie zawory poboru.
Poluzowac wszystkie przyącza wody z urzadzenia.
Zdemontowane urzadzenie przechowyac w miejscu zabez pieczonym przyd mrozem, poniewaz resztki wody pozostale w urzadzeniu moga doprowadzic do seinen zamarzniecia i uszkodzenia.
16. Dane techniczne
16.1 Wymiary i przyłącza

b02 Przejust na przywody elektryczne I
| c01 | Dopływo zimnej wody | Gwint zewétrz-ny | G 1/2 A |
| c06 | Wylot ciepiej wody | Gwint zewétrz-ny | G 1/2 A |

Inne mozliwoci podlaczenia
b02 Przejust na przywody elektryczne I
b03 Przepust na przywody elektryczne II
b04 Przepust na przewody elektryczne III
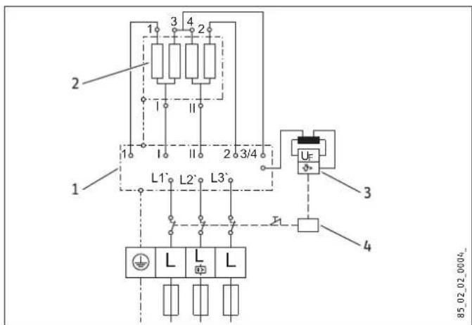
16.2 Schemat ideowy

3/PE 380 - 415V
1 Elektronika mocy
2 System grzewczy z odkryta grzafka
3 Ogranicznik temperature beziepceNSTwa
4 Wytacznik bezpieczenstwa
Obwód priorytetowy z przykaźnikiem odcieżajycm (LR 1-A)
Patrz rowniez rozdziel „Opis urzadzenia / Wyposazenia dodatkowe"

1 Przewód sterujczy do stycznika 2 urzadzenia (np. elektrycznegozasobnikowego urzadzenia grzewczego).
2 Zestyk sterujucy, owiera sie po wączeniu przyphywowego ogrzewacza wody.
16.3 Objęsć wody zmieszanej / Iłosć wody na wylocie
Wartosci odnosza sie do napiecia znamionowego 400 V. Objetość wody zmieszanej badź ilosc wody na wylocieazoley od dostepnégo ciasnienia zasilania i rzechywistego napiecia siediociego.
Temperatura uzytkowa ok. 38^ pod prysznicem, do mycia rak, napelnienia wanny itd.

Temperatura na wylocie ok. 60^ w zlewozymwaku oraz przy korzystaniu z armatur z termostatem.

X Temperatura wlotu zimnej wody w^
Y Objęsć wody zmieszanej / Iłosć wody na wylocie w l/min
1 18 kW
2 21 kW
3 24 kW
16.4 Zakresy pracy / Tabela konwersji
Własciwa opornyść elektryczna i wȩsciwa przygewodność elektryczna,PTRZ „Tabela danych".
| Wartosci znamionowa | |||||||||
| przy 15 °C | 20 °C | 25 °C | |||||||
| Spec. opornyść ρ ≥ | Spec. przy wodnosć ρ ≥ | Spec. opornyść ρ ≥ | Spec. przy wodnosć ρ ≥ | Spec. opornyść ρ ≥ | Spec. przy wodnosć ρ ≥ | ||||
| Ωcm | mS/m | μS/cm | Ωcm | mS/m | μS/cm | Ωcm | mS/m | μS/cm | |
| 900 | 111 | 1111 | 800 | 125 | 1250 | 735 | 136 | 1361 | |
| 1000 | 100 | 1000 | 890 | 112 | 1124 | 815 | 123 | 1227 | |
| 1100 | 91 | 909 | 970 | 103 | 1031 | 895 | 112 | 1117 | |
| 1200 | 83 | 833 | 1070 | 93 | 935 | 985 | 102 | 1015 | |
| 1300 | 77 | 769 | 1175 | 85 | 851 | 1072 | 93 | 933 | |
16.5 Straty ciśnienia
Armatury
| Strata ciñsiónia armatur przy strumieniu przypeływu 10 U/min | ||
| Jednouchwytowa armatura mieszȩca, ok. | MPa | 0,04 - 0,08 |
| Armatura termostatu, ok. | MPa | 0,03 - 0,05 |
| Natrysk ręczny, ok. | MPa | 0,03 - 0,15 |
Wymiarowanie sieci rur
Przy wymiarowani sieci rur zaleca sie zastosowanie dla urzadzenia straty ciśnieniaDynoszajej 0,1 MPa.
16.6 Warunki awaryjne
W razie awarii w instalacji moga chwilowo wystepowac obciżenia maks. 80^ przy ciśnieniu 1,0 MPa.
16.7 Dane dotyczze zuzycia energii
Dane produktu odowiadaj rozporzadzeniom UE dotyczym dyrektywy w sprawie ustalania wymogów dotyczych ekoprojektu dla produktów zwiazanych z energia (dyrektywa ErP).
| DHE 18 SLi 25A DHE 18/21/24 SLi DHE 27 SLi | ||||
| 227492 227493 227494 | ||||
| Producent | STIEBEL ELTRON | STIEBEL ELTRON | STIEBEL ELTRON | |
| Profil obciąȩne | S | S | S | |
| klasa efektywnosci energetycznej | A | A | A | |
| Roczny podór prȩdu | kWh | 479 | 479 | 473 |
| Wspołczynnik sprawność energetycznej | % | 39 | 39 | 39 |
| Fabryczne ustawiania temperatury | °C | 60 | 60 | 60 |
| poziom ci内分泌ia akustycznego | dB(A) | 15 | 15 | 15 |
| Specjalne wskazówki dotyczęc pomiaru efektuwość | Brak | Dane w przypadku Pmaks. | Brak | |
16.8 Tabela danych
| DHE 18 SLi 25A DHE 18/21/24 SLi DHE 27 SLi | ||||||||||
| 227492 227493 227494 | ||||||||||
| Dane elektryczne | ||||||||||
| napiȩcie znamionowe | V | 380 | 400 | 415 | 380 | 400 | 415 | 380 | 400 | 415 |
| Moc znamionowa | kW | 16,2 | 18 | 19,4 | 16,2/19/21,7 | 18/21/24 | 19,4/22,6/25,8 | 24,4 | 27 | 29,1 |
| prȩd znamionowy | A | 24,7 | 26 | 27 | 27,6/31,4/33,3 | 29/33/35 | 30,1/34,3/36,3 | 37,1 | 39 | 40,5 |
| zabezpieczenie | A | 25 | 25 | 32 | 32/32/35 | 32/32/35 | 32/35/40 | 40 | 40 | 40 |
| Fazy | 3/PE | 3/PE | 3/PE | |||||||
| Cȩstotliwość | Hz | 50/60 | 50/60 | 50/- | 50/60 | 50/60 | 50/- | 50/- | 50/- | 50/- |
| Maks. impedancja sieci przy 50 Hz | Ω | 0,300 | 0,285 | 0,274 | 0,331 | 0,314 | 0,302 | 0,200 | 0,190 | 0,183 |
| Opornyść wȩstatewo ρ15 ≥ (przy ωzimna ≤ 55 °C) | Ω cm | 900 | 900 | 900 | 900 | 900 | 900 | 900 | 900 | 900 |
| Przewodnosć wȩstatewo ρ15 ≤ (przy ωzimna ≤ 55 °C) | μS/cm | 1111 | 1111 | 1111 | 1111 | 1111 | 1111 | 1111 | 1111 | 1111 |
| Przyȩcza | ||||||||||
| podȩczenia wody | G 1/2 A | G 1/2 A | G 1/2 A | |||||||
| Temperatury, granice stosowania | ||||||||||
| Maks. dopuszczalne ciȩnienie | MPa | 1 | 1 | 1 | ||||||
| Maks. temperatura na zasilaniwu wystepnie pod-grzanej | °C | 55 | 55 | 55 | ||||||
| Wartość | ||||||||||
| Maks. dopuszczalna temperatura dopȩwuu | °C | 65 | 65 | 65 | ||||||
| wt. | l/min | >2,5 | >2,5 | >2,5 | ||||||
| Strumuń przyȩptywu dla straty ciȩnienia | l/min | 5,2 | 5,2/6,0/6,9 | 7,7 | ||||||
| Strata ciȩnienia przy strumuieniu przyȩptywu | MPa | 0,04 | 0,04/0,06/0,08 | 0,1 | ||||||
| Dystrzybacja ciepieje wody | l/min | 9,2 | 9,2 / 10,7 / 12,3 | 13,8 | ||||||
| Δθ przy dystrzybacji | K | 28 | 28 | 28 | ||||||
| Dane hydraulicne | ||||||||||
| pojemność nominalna | I | 0,4 | 0,4 | 0,4 | ||||||
| Wykonanie | ||||||||||
| Moc przyȩćzeniowa ustawiana | - | X | - | |||||||
| nastawa temperatury | °C | 20-60 | 20-60 | 20-60 | ||||||
| klasa ochrony | 1 | 1 | 1 | |||||||
| Blok izolacyjny | Tworzywo sztuczne | Tworzywo sztuczne | Tworzywo sztuczne | |||||||
| Wytwornica ciepla systemu grzewczego | drut niedolany | drut niedolany | drut niedolany | |||||||
| Pokrywa i sciana tylna | Tworzywo sztuczne | Tworzywo sztuczne | Tworzywo sztuczne | |||||||
| kolor | Bialty | Bialty | Bialty | |||||||
| Rodzaj ochrony (IP) | IP25 | IP25 | IP25 | |||||||
| Wymiary | ||||||||||
| Wysokość | mm | 478 | 478 | 478 | ||||||
| Szerokość | mm | 225 | 225 | 225 | ||||||
| Głowokość | mm | 105 | 105 | 105 | ||||||
| Masy | ||||||||||
| Cȩźar | kg | 4,5 | 4,5 | 4,5 | ||||||
Gwarancja
Urzadzen zakupionych poza granicami Niemiec nie obejmujā warunki gwarancji naszych niemieckich społek. Ponadto w krajach, w tkórch Jedna z naszych społek córek jest dystrybutorem naszych produktów, gwarancji要去 udzielć wylacznie ta społka. Taka gwarancja obowiaźute tylko wówczas, gdy społka-córksa sformulowała wlasne warunki gwarancji. W innych przypadkach gwarancja nie jest udzielana.
Nie udzielamy gwarancji na urzadzenia zakupione w krajach, w ktorych zadna z naszych społek Coreyk nie jest dystrybutorem naszych produktów. Ewentualne gwarancje udzielone przy importerera zachowuju wąznosci.
Ochronaśrodowiska i recycling
Pomóz chronićśrodowisko naturalne. Materialy po wykorystaniu naleź utylizowej zgodnia z krajowych przysepisiami.
NOTATKI
Deutschland
ul. Dziafkowa 2 | 02-234 Warszawa
Tel. 022 60920-30 | Fax 022 60920-29
biuro@stiebel-eltron.pl
www.stiebel-eltron.pl
Russia
STIEBEL ELTRON LLC RUSSIA
ProstaInstrukcja