TC2CTL1 - Akcesorium do projektora VISION - Bezpłatna instrukcja obsługi
Znajdź bezpłatnie instrukcję urządzenia TC2CTL1 VISION w formacie PDF.
Pytania użytkowników dotyczące TC2CTL1 VISION
0 pytanie dotyczące tego urządzenia. Odpowiedz na te, które znasz, lub zadaj własne.
Zadaj nowe pytanie dotyczące tego urządzenia
Pobierz instrukcję dla swojego Akcesorium do projektora w formacie PDF za darmo! Znajdź swoją instrukcję TC2CTL1 - VISION i weź swoje urządzenie elektroniczne z powrotem w ręce. Na tej stronie opublikowane są wszystkie dokumenty niezbędne do korzystania z urządzenia. TC2CTL1 marki VISION.
INSTRUKCJA OBSŁUGI TC2CTL1 VISION
Gratulujemy wyboru moduł sterujuść Vision Techconnect. Aby moc w peñni wykorzystac不可避免降到 go produktu, naleź koniecznia przyȩćybatć niniejsz q instrukcję obstugi i uzywać go wylącznie zgodnia z zawartymi w niedje zaleceniami. Elektronicznawersja tej instrukcji i inné informacja są dostepne pod adresm www.visionaudiovisual.com
ZGODNOSC
Produkt opisany w tej instrukcji speltnia normy okreslone dyrektywami RoHS (2002/95/WE) i WEEE (2002/96/WE). Na zgodanie sq dostepne odnosne certyfikaty, w tym rowniez raporty SGS. Zuzyty lub niedatny do dalszego uzytkowania produkt nalezy zworcić w mistrscu和他的 zakupu w celu poddania go utylizazioni.

WEE/AB0047SY

OSTRZEZENIA

OSTROZNIE!
NIEBEZPIECZENSTWO PORAZENIA PRADEM, NIE OTWIERAC!

OSTROZNIE! ABY ZMNIEJSZYC NIEBEZPIECZENSTWO PORAZENIA PRADEM, NIE WOLNO ZDEJMOWAC OBUDOWY URZADZENIA (ANI JEJ TYLNEG O PANELU). URZADZENIE NIE ZAWIERA ZADNYCH CZESCI, KTORYCH WYMIANE LUB REGULACJE MOGLBY PRZEPROWADZIC UZYTKOWNIK. PRACE SERWISOWE NALEZY POWERZYC WYKWALIFIKOWANEMU PERSONELOWI PUNKTU SERWISOWEGO

Symbol blyskawicy w trojkacie rownobocznym ma
na celu ostrzec uzytkownika o obecnosci nieizoloanego, nebeziepcznego napiecia wewnatrz
obudowy urzadzenia, o wartosci na tyle wysokiej,
ze要去 ono grozic porażeniem pradem.

Wykrzynik w trojkacie rownobocznym ma na celu zwrocic uwage uzytkownika na wazone wskazowki, dotyczace obstugi konserwaju urzadzenia, zawarte w załaczonej do niego literaturze produktowej.
OSTRZEZENIE: ABY OGRANICZYC NIEBEZPICZENSTWO POZARU I PORAZENIA PRADEM, NIE WOLNO NARAZAC TEGO URZADZENIA NA DZIALANIE DESZCUANI ZAWILGOCENIE W JAKIKOLWIEK INNY SPOSOB.
WYBóR MIEJSCA INSTALACJI
Nie instaluj urzqdzenia:
- w mistrach mokrych lub wilgotnych,
- w mistrustowianych na bezposrednie Dziatanie promieni stonecznych ani w povlizu urzqdzen grzewczych,
- w mistracach o bardzo niskiej temperaturze,
w mistrich, w ktrch byoby poddawane nadmiernym wibracion lub silnemu zapyleniu, - wmiejsch mafo przewiewnych.
ZYWOTNOSC BATERII
Produkt jest zasilany 2 szt. baterii typu AAA. W zależnosci od intensywnosci korzystania z urzqdzenia, zestaw nowych baterii powinien wystarczyc na ok. 12 miesiecy.
W przypadku intensywnej eksploatacji, zaleca sie uzycie baterii litowych, charakteryzujycych sie wiekszq trwatość. Baterie instaluje sie w szczelnej komorze i naleź dybac, aby nie ulegy zawilgoceniu. W przypadku zaintalowania produktu w otoczenia o wysokiej wilgotnosci, naleź raz na szesć miesiecy otwierac komore baterii i sprawdzać, czy baterieNie zwilgotniały i nie zaczȩdy rdzewiec.
OGRANICZENIA PRODUKTU
Niniejszy produkt wyprobowano w practyce z wiełoma rożnymi projektorami multimedialnymi, wyświetlaczami LCD i ekranami plazmowymi. Niekotre urzędzeniakiego typu Dziataję"Justnek w oparciu o innate standardy kodów sygnotacja w podczerwieni, niedzastosowane w tym module sterujacym,roducent nie gwarantujeagic,ź床位 zastosowane w tym module sterujacym,producent nie gwarantujeagic,ź床位 zastosowane w tym module sterujacym,producent nie gwarantujeagic,ź床位 zastosowane w tym module sterujacym,producent nie gwarantujeagic,ź床位 zastosowane w tym module sterujacym,producent nie gwarantujeagic,ź床位 zastosowane w tym module sterujacym,producent nie gWarantujeagic,ź床位 zastosowane w tym module sterujacym,producent nie gWarantujeagic,ź床位 zastosowane w tym module sterujacym,producent nie gWarantujeagic,ź床位 zastosowane w tym module sterujacym,producent nie gWarantujeagic,ź床位 zastosowane w tym module sterujacym,producent nie gWarantujeagic
MODUŁY PRZYCISKÓW W ZESTAWIE

- Przycisk VOLUME (Głosnosć)
- Przycisk PC/VIDEO (Sygnat z komputera/sprzetu video)
- Przycisk POWER (Zasilanie)
- Przycisk PC1/2/VID1/2
- Przycisk ON/OFF (Wtqcz/wytlqcz)
- Panel SOURCE (Zródo lygnatu)
- Panel BLANK (Zaslepka)
- Przycisk PC2 / VID2
- Przycisk PC1 / VID1
OPAKOWANIE
Naleź zachować wszystkie materiały, jakie zostymi fabrycznych uzyte do opakowania produktu. Będq one potrzebne w przypadku, gdyby wymagat on kiedykolwiek przesstania do naprawy.
GWARANCJA NIE OBEJMUJE USZKODZEN PRODUKTU POWSTALYCH W TRANSPORCIE, JEZELI W CELU JEGO PRZESLANIA DO CENTRUM SERWISOWEGO UZYTO INNEG OPAKOWANIA NIZ ORYGINALNE.


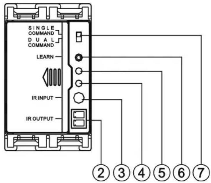
- Przycisk steruicy
- Wyjscie do nadajnika podczerwieni
- Odbiornik podczerwieni
-
Wskaznik LED trybu uczenia sie (czerwony)
-
Wskaznik LED potwierdzania wtrybie uczenia sie (zielony)
- Przycisk trybu uczenia sie
- Selektor kodów pojedynczych/ podwojnych (dotyczty tylko srodkowych przycisków)

- Nadajnik podczerwieni
INSTRUKCJA OBSLUGI
Przeznaczeniem modu sterujcgo Techconnect IR Control jest zastapienie oryginalnego, dziajcgo w podczerwieni pilota, fabrycznie zaqczonego do projektora lub wyswietlacza. Dziki moduWi Techconnect Control uzytkownikkiego rodzaju urzadzenia wyswietlajcgo zyskuje moziwość obstugi standardowych funkci projektora lub wyswietlacza bez korzystania z oryginalnego pilota, kórydoğan w rezultacie schować w bezpiecznym要比scu, nie ryzykujc不同程度 zniszczenia będz utraty.



①
②
- ODDZIEL PRZEDNI PANEL OD TYLNEJ CZESCI OBUDOWY Delikatnie oddziel przyzdni panel od tylnej czeci obudowy. jest on przytrzmywany jeddynie za pomocqznajdujczych sie na seinem bokach zatraskow.
- WtOz PRZYCISKI W przydnim panelu modtu fabrycznie zaintalowano zestaw najcsciej uzywanych przyciskow. W razie potrzeby, wymiem je na zestawy przyciskow opdowiednie dla projektora, ktory ma byc obstugiwany przyez modut. Na przyktaj, jezeli pilot projektora, ktorego funkci ma „nauczyc sie" modu sterujacy, zawiera osobne przyciski ON (wtqcz) i OFF (wyqcz), nalezy umiesci takie przyciski w panelu modtu Techconnect Control. Podobnie, piloty niedtorych projektorow zawieraj...,干嘛 przycisk wyboru zrodta sygnatu wejsciowego, przylaczajcy cyklicznie miedzy kolejnimi sygnatami, inne za...) major wiecej przyciskow, z ktorych kaźdy jest przypisany do内在go typu zrodta sygnatu. Jezeli oryginalny pilot projektora zawiera cztery osobne przyciski dla rożnych zrodety sygnatu (np. PC1, PC2, Video, S-Video) w srodkowej czeci przydnoego panelu modtu nalezy zaintalowac zestaw przyciskow „PC1/2 / VID1/2". Gdy zakonczysz instalawanie przyciskow, z powrotem ztoz przydnim panel z tyln czescia odudowy.
- WYBIERZ OBSTUGE KODOW POJEDYCZYCH LUB PODWOJNYCH PRZEZ SRODKOWE PRZYCISKI Przelacznik „Single/Dual Command" na tylnym panelu modlu sterujcego pozwala okreslic,czy kaźdy z srodkowych przycisków ma „nauczyc sie" po Jednym kodzie,czy po dwa rożne kody. Jeźeli pilot projektora zwiera cztery osobne przyciski,po Jednym dla kaźdego rodzaju zródrę sygnatu wejsciowego, wybierz ustawuminium „Dual Command". We wzystkich innych przypadkach wystarczy,ź dla kaźdego ze srodkowych przycisków zestanie zaprogramowy unto kod, selektor ten naleź wiec ustawic w potożeni „Single Command".
- NAUCZ MODU T KODOW ORYGINALNEG O PILOT A Wykonaj opisani nizj, proste kroki, dl kazdego z przyciskow modu sterowania z osobna, w celu przypisania mu odpowiadajcego mu kodu oryginalnego pilota. Dla przyklatu, nizj przydstawiono procedure zaprogramowania przyciskuzasilania. Przed jej Rozpoczeciem upewnij sie, ze w module zainstalowano baterie; w tym celu nacijsnij dowolny przycisk na loro przyednim panelu. Powinien dac sie slyszec krfti sygnat dzwiekowy.
a) Naciśnij znażdujczy sie na tylnym panelu moduł przycisk „Learn" (Nauka). Zacznie swietość czerwony wskaznik LED.
b) Naciśnij na przyznim panelu modułowy przycisk, do ktorego zamierzasz przypisić kod sterujucy wybranego przycisku oryqinalnégo pilota - w tym przykładzie, przycisk POWER (zasilanie).
c) Skieruj nadajnik podczerwieni oryginalego pilota na odiornik podczerwieni (IR Input") na tlynym panelu modlu. Nacisnij przycisk zasilania na pilocie i przytrzymaj go wciśćtogo, dopóki przyez moment nie zaświeci zielony wskaznik LED potwierdzenia na tlynym panelu. Nastepuje to przewazmie po 1-2 sekundach.

- Oryginalny pilot
- Odbiornik podczerwieni
W rezultacie wykonania powyyszzej procedury, modu Techconnect Control przypisat uzyty kod przycisku zasilania oryginalnego pilota do wlasargo przycisku POWER, po czym automatycznie wyłaczytryb uczenia sie. Aby zaprogramować pozostate przyciski modu, powtorz dla kazdego z nich wsystkie powyyszce czynnosci, w tym krok (a). Uwaga: Przy programowaniu srodkowych przycisków panelu, jejeli zostat dla nich ustawiony tryb podwojngo dziatania ("Dual Command"), po przypisaniu pierwszego kodu modu nadal pozostanie w trybie uczenia sie. Nacisnij wówczas drugi przycisk oryginalnego pilota. Jego kod rownież zostanie przypisany temu samemu, srodkowemu przyciskowy modu, i dopiero wtedy modu wyłaczy tryb uczenia sie.
Programujc przyciski modu, trzymaj pilota prostopadle do odbiornika podczerwieni, jak na powyszzej ilustraci, najlepiej w odlegosto ci miiedzy 30mm a 50~mm od niego.


- Niewlasciwy kqt 2.Zbyt mala odlegosto
5. ZAINSTALUJ MODU STERUJACY W OPRAWIE TECHCONNECT
Zakończywysz programowania przyciskowy kodami podczerwieni, zaintaluj modu w oprawie Techconnect, podlacz przywo nadajnika podczerwieni (w zestawy) i doprowadz go do projektora.

- PODŁACZ NADAJNIK PODCZERWIANI DO PROJEKTORA Do modu t serujucego Techconnect Control fabrycznie załuczono duzej mocy nadajnik podczerwieni, zaintalowany na końcu przywodu o dlugosci 10 m. Przewód ten można fatawo skróci lub wydluźyc po stronie wtyku Phoenix, sLUzćego do podlączenia nadajnika do modu t sterujucego. Sam nadajnik podczerwieni naleź umieść na odbiorniku podczerwieni w obudowej projektora, lub w jejego poblizu, jak pokazano na ponieszsej ilustraci. Najskutecznychszm sposobem podlączenia jest variant (1), gdyź uniemozliwa on oslabienie sygnatu podczerwonego przy bezposrednie swiatto stoneczne lub oswietlenie
jarzeniowe.

A. Projektor
1. Nadajnik umieszczony na odbiorniku podczerwieni na obudowie projektora
2. Nadajnik umieszczony w基础知识 odiornika podczerwieni
3. Nadajnik umieszczony na scianie dokladnie naprzeciwo odiornika podczerwieni
DANE TECHNICZNE
Wymiary: 71mm× 42m× 40mm
- Masa: 63 g
- Kolor: biafy
Uwaga: Poniewaz stale doskonalimy nasze produkty, powyszne informacja moga bez uprzejzenia ulec zmieanie.
AKCESORIA W ZESTAWIE
9 x wymienny zestaw przyciskowy
1 x Jednomodułowa tylna czȩc oprawy Techconnect
1 x Jednomodułowa przydnia czȩć oprawy Techconnect
1x nadajnik podczerwieni z przywodem 10 m
2 x bateria AAA
ROZWIAZYWANIE PROBLEMOW TECHNICZNYCH
Ježeli produkt nie Dziata prawidłowo, naleź zapoznać są z ponieszymi wskazów kami. W przypadku niemoznosci usunięcia problemu, naleź odłączyć go odźródla zasilania i niedzwocznie skontaktuć są ze sprzemawcą sprzȩtu audio-video, u ktorego zostat on nabyty.
| ProblemRozwiązanie | |
| Brak dźwiȩku przy naciskaniu przycisków na przyednim panelu modułu | Wymiębaterie. |
| Moduł nie uczy są programowanych kodów. | Upewnij są, ze trzymasz oryginalego pilota w odleglośćod 30 do 50 mm od odiornika w tylnym panelu modułu, pod kqtem 90 stopni. Sprawdź,czy oryginalny pilot ma zastalowane swieje baterie. Programujęc kody, przytrzymuj wciarsisty przycisk oryginalego pilota tak dlugo, dopókiNie zastawiec zielony wskaznik LED z tyfu modułu steruławcego. |
| Moduł pomyśnlie uczy są kodów i wydafje dźwiȩki, ale projektor Nie reaguje. | Przeprogramuj przyciski modułu. Zmień połozenia nadajnika podczerwieni przy projektorze. Sprawdź przyzwód nadajnika podczerwieni pod kqtem为其 ewentualnégo uszkodzenia w trakcie instalacji. |
GWARANCJA
Niniejszy produkt jest objęty 2-letniq gwarczenia typu Return to Base (naprawa w punkcie serwisowym)p okresie biegnącym oddating zakupu. Gwarancja ta przyśluguje tylko pierwszemu nabywcy i jest nieaprzeność. W celu uniknięcia niedrzejnozumien, toźamość pierwszego nabywcy jest okreslana na podstawie edidenciji prowadzonej przyez wyznaczonego dystrybutora w kraju zakupu produktu. W przyypadku nabycia niesprawnego produktu, nabywca jest zobowieźany wymiagu 21 dni oddating zakupu powiadomic o tym faktcie dystrybutora krajowej za posrechnictwem sprezdawczy detalicznego. Odpowiedzialnosć produkta i wyznaczonego przyez nogo dostawcy uslug serwisowych jest agraniczona do wysokosci kosztu naprawy lub wymiany wadliwo grektu na podstawie nimiejszej gwarczenia, za wyjmtkiem przypadków poniesionej przyez konsumenta smierci lub obrażen (dyrektywa 85/374/EWG). Niniejsza gwarczenia chroni nabywcę w zakresie:
- wadliwości dowolnej czȩsci produktu,
- uzkodzen stwierdzonych przy pierwszym rozpakowaniu produktu, o ile dostanq one zgloszone w ciagu 24 godzin od zakupu.
W przypadku jakichkolwiek problemów z produktem naleź skont⁺towac są ze spreźedawc⁻ sprzȩtu audio-video, u ktorego zostat on nabyty. Początkowy nabywca jest odpowiedzialny za przesławanie produktu do autoryzowanego przyez produkta punktu serwisowej welu dokonania naprawy.
Producent dozoy staran, aby naprawiony produkt zostat zwrocony w ciagu 5 dni roboczych, mozdo jakn w niedtorych przypadkach nie byc wykonalne i了我的 zorot nastapi pozniej, w najwczesniejszymo zliwym terminie. Dzac do realizaciwy wytcznych dyrektywy WEEE, producent preferuje naprawe przyz wymian wadliych czeci produkt od wymiancagulo urzadzenia na nowe. Niniejsza gwarancja nie chroni konsumenta przyd wadami produktu, spowodowanymi swiadomym lub nieswiadomym uzyciem produktu niedz przeznaczeniem, bacz nieprawidtowo prereprowadzonq instalacion. Wady takie mogqwyniknq z niedastosowania sie do wytcznych zawartych w tej instrukcji.
ProstaInstrukcja