ProElyo Inverter - Piscina ASTRALPOOL - Manuale utente e istruzioni gratuiti
Trova gratuitamente il manuale del dispositivo ProElyo Inverter ASTRALPOOL in formato PDF.
Domande degli utenti su ProElyo Inverter ASTRALPOOL
0 domanda su questo apparecchio. Rispondi a quelle che conosci o fai la tua.
Fai una nuova domanda su questo apparecchio
Scarica le istruzioni per il tuo Piscina in formato PDF gratuitamente! Trova il tuo manuale ProElyo Inverter - ASTRALPOOL e riprendi in mano il tuo dispositivo elettronico. In questa pagina sono pubblicati tutti i documenti necessari per l'utilizzo del tuo dispositivo. ProElyo Inverter del marchio ASTRALPOOL.
MANUALE UTENTE ProElyo Inverter ASTRALPOOL
Istruzioni per l'uso e di serviz
Piscina Pompa di calore
PRO-ELYO INVERTER
Indices
- Descrizione p.100-101
- Specificazione p.102
- Aggiustamento by-pass kit p.103
- Posizionamento e collegamento p.104-107
- Cablaggio elettrico p.108-110
- Avvio della Pompa Riscaldamento p.111-116
- Parametri p.117-118
- Risoluzione dei problemi p.119-121
- Diagramma esploso e Manutenzione p.122-128
- Garanzia p.129-130
Grazie per aver scelto la pompa di calorie di piscina PRO-ELYO Inverter per il suo riscaldamento della piscina. La pompa può riscaldare l'acqua e mantenere la temperatura costante quando la temperature ambientale è dal -10 al 40^ .

ATTENZIONE:
- La pompa di calore deve essere installata dai tecnici qualificati venuti dal post-vendita Centro o dal distributore autorizzato.
- L'operazione e la manutenzione devono essere conforme al tempo e alla frequenza raccomandati nel manuale.
-
Utilizzare solo i peszzi di ricambio standardizzati.
-
Si prega di svuotare sempre l'acqua a pompa di calorie durante la stagione invernale o quando la temperatura scende sotto 0 °C, altrimenti lo scambiatore di titanio viene danneggiato a causa di essere congelato, in tal caso, la garanzia sera Persons.
- Si prega di tagliare sempre l'alimentazione elettrica se si desidera aprire l'armadio per raggiungere all'interno della pompa di calore, perché non c'é energia elettrica ad alta tensione all'interno.
- Si prega di tenere bene la scheda video in un luogo asciutto, o ben chiudere il coperchio isolante per proteggere la scheda video venga danneggiato dall'umidità.
1.1 Con la Sua Pompa Riscaldamento
- assemblaggio del collegamento d'accua 50 mm(pezzi:2)
- Utente e manuale dell'assistenza
- Collegamento condensato
- cavo di segnale a 10 metri
- scatola resistente all'acqua
Coperchio invernale - Base anti-vibrazione(pezzi 4)
1.2 Dimensione
Dati tecnici delle pompere riscaldamento piscine invertitore PRO-ELYO
Criterio CE, R410A, Riscaldamento e raffredamento, compressore dell'invertitore, sbrinamento, Cabinetto ABS
| Riferimento Nr. Pro-Elyo Inverter 13 Pro-Elyo Inverter 21 Pro-Elyo Inverter 35 | ||||
| Codice 66108 66109 66110 | ||||
| * Performance at Air 27℃, Water 27℃, Humidity 80% | ||||
| Riscaldamento (Mas./Std./Min.) | kW | 13.5/9.3/6.3 | 21/15.8/10.5 | 33/24.8/16.5 |
| Potenza assorbita (Std.) | kW | 1.23 | 2.08 | 3.26 |
| C.O.P. (Std.) | 7.6 | 7.6 | 7.6 | |
| * Performance at Air 15℃, Water 26℃, Humidity 70% | ||||
| Riscaldamento (Mas./Std./Min.) | kW | 11.5/7.2/4.5 | 15/11/7.3 | 25/18.7/12.5 |
| Potenza assorbita (Std.) | kW | 1.21 | 2.02 | 3.34 |
| C.O.P. (Std.) | 5.6 | 5.6 | 5.6 | |
| * Performance at Air 5℃ | ||||
| Riscaldamento (Mas./Std./Min.) kW | 9.5/6.1/3.8 | 10.8/8.0/4.5 | 18.6/14.9/8.5 | |
| Potenza assorbita (Std.) | kW | 1,36 | 1,78 | 3,21 |
| C.O.P. (Std.) | 4,5 | 4,5 | 4,6 | |
| * Performance at Air -5℃ | ||||
| Riscaldamento (Mas./Std./Min.) kW | 5.3/4.3/2.8 | 7.8/6.1/3.5 | 12.6/9.9/5.2 | |
| Potenza assorbita (Std.) | kW | 1,34 | 1,88 | 3,1 |
| C.O.P. (Std.) | 3,2 | 3,2 | 3,2 | |
| Tensione | 220~240V/50Hz/1PH | 380V/50Hz/3PH | ||
| Corrente Ingresso Std. | A | 5.4 | 9 | 6.4 |
| Corrente Massima | A | 13.9 | 18.2 | 18.3 |
| Fuse | A | 30 | 40 | 40 |
| flusso di acqua consigliata | M3/h | 4 | 6.2 | 9 |
| Refrigerante | g | 1600 | 2400 | 3800 |
| Perdita di carico dell'accua | Kpa | 13 | 16 | 18 |
| Volume del lotto consigliata (con copertura della piscina) | m3 | 38-68 | 75-120 | 120-160 |
| Connessione acqua entrata-uscita | mm | 50 | ||
| Quantità di ventilatore | 1 | 2 | 2 | |
| Velocità della ventola | 650/450 | |||
| Tipodi ventilazione | Horizontal | Horizontal | Horizontal | |
| Marca di compressore | HITACHI | PANASONIC | PANASONIC | |
| Tipodi compressore | DC inverter Rotativo | |||
| Livello sonoro a 10m | dB(A) | 50 | 50 | 52 |
| Livello sonoro a 1m | dB(A) | 54 | 56 | 60 |
| Dimensione netta | mm | 1098*420*786 | 1050*452*1264 | |
| Peso netto | Kg | 78 | 91 | 145 |
| Dimensione di imballaggio | mm | 1160*455*915 | 1110*500*1395 | |
| Peso lordo | Kg | 83 | 101 | 160 |
- I dati di cui{sopra possono essere modificati nella preavviso.
3. Aggiustamento by-pass kit
Kit By-Pass
Il Kit By-Pass è l'accosario essenziale per l'insitallazione della Susa pompa riscaldamento, èanche uno strumento per l'ottimizzazione del riscaldamento dell'acqua. La regolazione delle valvole permette di ottimizzare il flusso d'acqua e assicurare con il manometro il funzionamento del compressore.
4. Posizionamento e collegamento
Attenzione:
Osservare le regole seguenti nel montare la pompa riscaldamento:
- Ogni aggiunta di chimici delve avvenire nella tubatura a vale della pompa riscaldamento.
- Mettere sempre la pompa riscaldamento slla base solida e usare i supporti in gomma a evitare la vibrazione e il rumore.
- Sempre tenere dritta la pompa riscaldamento Se l'utilita fosse messa ad un angolo, aspetta alimento 24 ore prima di avviare la pompa riscaldamento.
4.1 Posizionamento della pompa riscaldamento
L'unità funzionera giustamente in qualsiasi posizione desiderato a condizione che siano presenti I tre articioli seguenti:
- Aria fresca
- Elettricità
- Filtri della piscina di nuoto
L'unità sarebbe montata in qualsiasi posizione virtuale al coperto, a condizione che le minime distance specificheaglialoreggetti siano manteni(tve de la figura sotto).Consultare il Suo installatore per l'installazione con un strumento domestico.L'installazione in una posizione ventilata non presenta nessun problema,non è come la situazione con riscaldatore gassoso(inclusi i problemi della fiamma di pilota).
ATTENZIONE: Non installare l'unità in una camera chiusa con un volume d'aria limitato incui
I'aria espellata dall'unità sare riusata, o vicina al boschetto che può bloccare l'insenatura d'aria.
Tali posizioni danneggia la fornitura continua dell'aria fresca, causando l'efficienza ridotta o prevenendo possibilmente l'uscita del calore sufficiente.
Vede la figura sotto per minime dimensioni.

4.2 Controllo dell'installazione della valvola

Note
Note: Se l'attrezzatura di dosatura automatico per cloro e acidià (pH) è usata, è esseniale proteggere la pompa contro concentrazioni chimicheccessivamente alte che corroderebbero lo scambiatore di calore, Per questo motivo, l'attrezzatura di tale tipo deve sempre essere adattata alla tubatura a Valle della pompa riscaldamento, è raccomandato installare il controllo valvola per evitare il flusso inverso in assenza della circolazione dell'acqua.

4.3 Sistemazione Tipica

Questa sistematiche è solo un esempio illustrativo

NOTE
La fabbrica fornisce solo la pompa riscaldamento. Tutti gli altri componenti, inclusi un bypass, quando necessario, vanno forniti dall'utente o l'installatore
ATTENZIONE:
Per riscaldare l'accua nella piscine(o tubo riscaldamento), la pompa filtering deve funzionare per far circolare l'accuaattraverso la pompa riscaldamento. La pompa riscaldamento. La pompa riscaldamento non avviere affinché l'acqua non circola.
4.4 Operazione iniziale
Dopo che tutti I collegamenti sono fatti e controllati, eseguire la procedura seguente:
- Accendere la pompa filtr, controllare la perdita e verificare che l'acqua fluisce da e verso la piscina di nuoto.
- Collegare la Potenza alla pompa riscaldamento e premere il pulsante On/Off sul pannello controlo LED, L'unità avvià più la scadenza del ritardo temporale(vede sotto).
- Tra pochi minuti, controllare se l'aria soffiata fuori l'unità è fredda.
- Nel spegnere la pompa filro, l'unità va spenta automaticamente, altrimenti, aggiustare l'interruttore del flusso.
- Permetter alla pompa riscaldamento e la pompa fatto funzionare 24 ore al giorno sono a quando la temperature d'acqua desiderata è aggiunta. La pompa riscaldamento non smetterà di funzioanre a questo punto. In seguito, riaviero automaticamente (a condizione che la pompa fatto funzione) a dispetto di quando la temperature d'acqua della piscina di nuoto precipita di 1 grado nelle lattematura impostata.
A dipendenza alla temperature iniziale della piscine di nuoto e alla temperature d'aria, costerebbero alcuni giorni a riscaldare l'accua alla temperatura desiderata. Un buono coperchio della piscina di nuovo cui po dedurre dramaticamente la lunghezza del tempo richiesta.

NOTE
Interruttore del flusso d'acqua
Un interruptatore di flusso è stato montato per proteggere l'unità HP che opera con adeguata portata d'acqua. Si accende quando la pompa vasca funziona e spegne quando la pompa si spegne.
Ritardo
Unità HP dovrebbe essere dotata di protezione incassata di ritardo ripartenza di 3-minuti a stato solido. Il controllo ritardo è una parte integrante del circuito di controllo, si può eliminare il riavvio di cicloismo e
il contattore di vibrazione.
Il ritardo si riavvia automaticamente l'unità HP circa 3 minuti dopo agli interruzione del circuito di controllo. Anche una breve interruzione di corrente si attiverà il ritardo riavvio di stato solido a 3 minutie e impedisce che l'unità alla partenza fino a quando il conto alla rovescia di 3 minuto è terminato.
4.5 Condensazione
L'aria introdotta nella pompa riscaldamente è raffreddata rimarchevolemente dall'operazione della pompa riscaldamento per riscaldare l'acqua della piscine, che causarebbe la condensazone sui fini dell'evaporatore.

NOTE
La quantità della condensazione sarebbe espressa in litri all'ora all'alta umidità relativà. Questo è a volte malinteso come una perdita d'acqua.
4.6 Mostra gauge pressione(R410A)
Esaminare il gauge pressione che indica la pressione gassosa refrigerante dell'unità, la tabella segunte alla il valore normale della pressione gassosa(R410A) quando la macchina è spenta o in condizioni del funzionamento.
| Condizione d'Unità | Spento | |||
| Ambiente (°C) | -5~5 | 5~15 | 15~25 | 25~35 |
| Temperatura d'acqua (°C) | / | / | / | |
| Manometro (Mpa) | 0.68~0.93 | 0.93~1.25 | 1.25~1.64 | 1.64~2.1 |
| Condizione d'Unità | Funzionante | ||||
| Ambiente (°C) | 10~15 | 15~20 | 20~25 | 25~30 | 30~35 |
| Temperatura d'acqua (°C) | / | / | / | / | |
| Manometro (Mpa) | 1.3~1.8 | 1.5~1.9 | 1.6~2.3 | 1.9~2.8 | 2.1~3.5 |
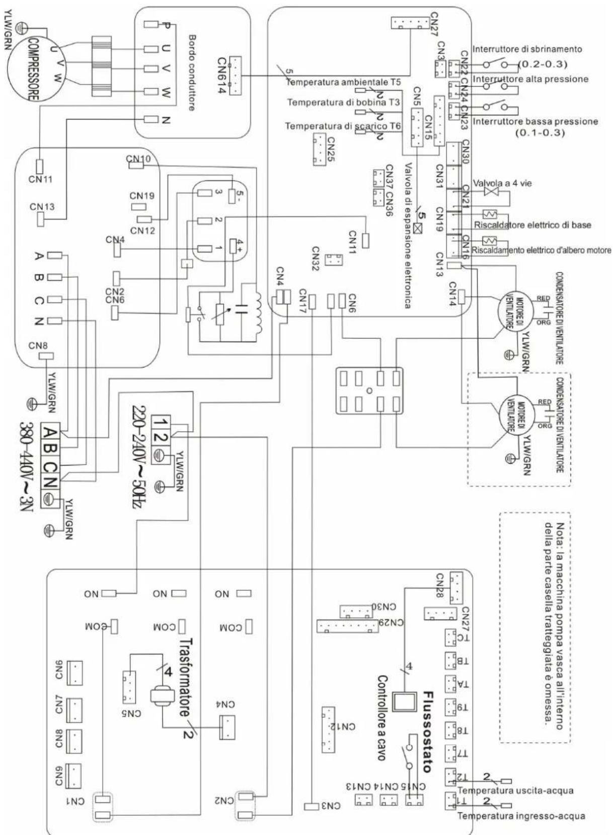
5. Cablaggio elettrico
5.1 DIAGRAMMA CABALAGGIO DELLA POMPAP RISCALDAMENTO DELLA PISCINA DI NUOTO INVERTITORE

Il diagramma di cabalggio elettrico sopra funge da riferimento, sottoporre la macchina al diagramma di cablaggio,
5.2 Protezione Elettrica
NOTE
La pompa riscaldamento della piscine di nuoto va collegato a terra bene, nonostante che lo scambiatore calore d'unità sa isolato elettricamente dal resto dell'unità. Mettere a terra l'unità è richiesto per proteggerLa dal circuito corto nell'unità. E'anche richiesto la legatura.
ATTENZIONE:
Scollegamento: Un scollegamento significica (interruptre del circuito, l'interruttore fuso o no fuso) va posizionato nella vista e stabilmente accessibile dall'unità. E' la pratica comune su pompa riscaldamento commerciale e residenziale. Protege l'attrezzatura non attaccata eccitata remotamente e permette di spegnere la potenza all'unità quando l'unità funzione.
5.3 Installazione del diportato display

(1) (2) (3) (4) (5)




- Lato con spina del pannello controlo(foto 1)
- Altro lato del cavo di segnale(foto 2)
- Aprire il pannello di cablaggio eMETTERI lato sanza la spina atraversante la scatola elettrica(foto 3,4)
- Inserire il cavo nella posizione disegnata(angolo destro superiore) sul bordo PC(foto 5)
6. Avvio della Pompa Riscaldamento
6. Operazione Controllore Display
6.1 Guida per operazione

NOTE
Quando la pompa calore della piscine di nuoto funzione, il display indica la temperature d'acqua.
6.2 I tasti e le loro operazioni
6.2.1 Pulsante
Premere per avviare la pompa di riscaldamento, lo schermo LED indica la temperatura desiderata per 5 secondi, poi alla temperature d'acqua in ingresso e la modali t ad i funzionamento.
Premere per fermare l'unità di pompa di riscaldamento e mystra "OFF"
Avviso: Durante il controllo di parametri e regolazioni, premere per ruscire es al rapidamente le impostazioni correnti. Premere di nuovo per accendere/spegnere la pompa di riscaldamento.
6.2.2 Pulsante
Premere M per 5 secondi perambiare la "MODALITA' di Riscaldamento" o " MODALITA' di Raffreddamento".
(Note: esta operazione non è disponibile solo per riscaldare la pompa di riscaldamento)
6.2.3 Pulsante e Impostazione della temperatura
Premere

per impostare direttamente la temperatura d'acqua.
Controllo dei parametri
Premere prima, poi premere per controllare il "parametro dell'utente da d1 a d9.
Controllo del tempo
Premere M prima, poi premere per selezionare "tempo attuale", premere di nuovo per controllare "tempo di avvio automatico", premere ancorta una volta per verificare tempo di arresto automatico".
Impostazione
Premere M prima, poi premere per entrare in visualizzazione in "tempo attuale". Poi premere M allauna volta per entrare in impostazione del "TEMPO". Il "TEMPO" lampeggia, e premere il pulsante o per impostare il tempo, poi premere M per salvare il "tempo". Poi il "minuto" lampeggia, e premere il pulsante o per impostare il "minuto" e infine premere il M per salvare l'impostazione di tempo attuale, o premere per la rapida-uscita e riserva.
ATTENZIONE:
Se il tempo attuale è compreso nell'intervaldo di tempo OFF, la pompa di ricaldamento si spegne automaticamente dopo l'impostazione del tempo di avvio automatico ed il tempo di arresto automatico. Considerando che la pompa di riscaldamento funziona normalmente.
ImpostazioneCronometroAccesso:
Premere prima, poi premere due volte per entrare l'interfaccia 'Timer on'. Poi premere una volta ancora per entrare nell'impostazione "HOUR". L "Hour " lampeggia, e premere o per impostare l'ora, poi premere per salvare il "Hour". Poi il "Minute" lampeggia, e premere il o per impostare il "Minute" e premere finalmente il per impostare l'ora attuale, o premere for uscita rapida e salvataggio. Appena ha impostato con success il cronometro, la luce sare accessa.
Impostazione Cronometro Spenta:
Premere prima, poi premere tre volte per entrare nell'interfacciaTimer off'. Poi premere M una volta ancora per entrare nell'impostazione "HOUR". Il "Hour * lampeggia, e premere o per impostare l'ora, Poi premere per salvare "Hour". Poi il * Minute" lampeggia, e premere o per impostare il "Minute" e premere finalmente il M per salvare l'impostazione attuale dell'ora, o premere per uscita rapida e salvataggio. Appenna ha impostato con successo il cronometro spento, la lucce lampeggiera.
Cancellare Cronometro Accesso/ Spento
Quando ha impostato Cronometro Accesso/ Spento Data 00:00, significa la cancellazione della funzione Cronometro Accesso/ Spento.
ATTENZIONE: Per le suddette operazioni, deve premere per salvare l'impostazione e l'uscita rapida del programma.
NOTE
Per riscaldare l'acqua nella piscina(o tubo caldo), la pompa fatto deve funzionare per far l'acqu circolareattraverso la pompa riscaldamente. La pompa riscaldamento non avvier' se l'acqua non è in circolazione. Se l'acqua non circola, quando la pompa riscaldamento non è accesso, il controllore indichera con il codice di erre ON
Note:
Il controllinge di cavo IED più influenzare la pompa d'acqua dopo il cavo aggiunto sia collegato al dispositivo pompa, alla accurata posizione del terminale "PUMP".
Quando HP ferma di funzionare in 30 secondi, la pompa d'acqua si chiuderà automaticamente.
6.2.4 Sistema di funzione
Premere e in40s, ilsystemasiresetta visualizza "0000"sul controllore.

Simbolo di riscaldamento, la spia si accende quando è in funzione.
Quando sbrina, la spia lampeggia.

Simbolo di raffreddamento, la spia si accende quando è in funzione.

Simbolo di arresto automatico, la spia si accende quando è in funzione.

Simbolo di avvio automatico, la spia si accende quando è in funzione.

Premendo questo tasto, la spia si accende, la pompa di riscaldamento funzionera solo in POTENTE.

Mentre si sceglie l'Smart, la pompa di riscaldamento opera solo in Smart e Potente, ed è l'impostazione predefinita di fabbrica.

Mentre si scegli la Calma, la pompa di riscaldamento opera solo in Silenzioso e Smart.
6.3 La logica di funzionamento
NOTA:
setT = Impostazione della temperatura d'acqua
setT-1 = Temperatura d'acqua in ingresso meno @idella temperatura d'impostazione
setT+1 = Temperatura d'acqua in ingresso più @idella temperatura d'impostazione
6.3.1 Logica di funzionamento di riscaldamento
| Stato di funzionamento | Modalità di funzionamento | Temperatura d'acqua in ingressso | Livello di lavoro della pompadi riscaldamento | |
| 1 | setT-1< and < setT+1 | Smart | ≤ setT-1 | Powerful |
| 2 | Smart | |||
| 3 | ≥ setT+1 Standby | |||
| 4 | Avviamento della sottma indiscalmente | Silent | ≤ setT-1 | Smart |
| 5 | Silent | |||
| 6 | ≥ setT+1 Standby | |||
| 7 | Powerful | < setT+1 | Powerful | |
| 8 | ≥ setT+1 Standby | |||
| 9 | setT-3<y | Smart | >setT -1 Standby | |
| 10 | ≤ setT-1 | Smart | ||
| 11 | ≤ setT-3 | Powerful | ||
| 12 | Riavviamento per riscaldare l'acqua in setT-3 di standby | Silent | >setT -1 Standby | |
| 13 | ≤ setT-1 | Silent | ||
| 14 | ≤ setT-3 | Smart | ||
| 15 | Powerful | ≤ setT-1 | Powerful | |
6.3.2 Logica di funzionamento di raffreddamento
| Stato di funzionamento | Modalità di funzionamento | Temperatura d'acqua in ingressso | Livello di lavoro della pompadi riscaldamento | |
| 1 | setT-1< y<setT+1 | Smart | ≤setT-1 Standby | |
| 2 | Smart | |||
| 3 | ≥setT+1 | Powerful | ||
| 4 | Avviamento della setT-1< y<setT+1 | Silent | ≤setT-1 Standby | |
| 5 | Silent | |||
| 6 | ≥setT+1 | Smart | ||
| 7 | Powerful | >setT-1 | Powerful | |
| 8 | ≤setT-1 Standby | |||
| 9 | Riavviamento per raffreddare l'acqua in stato di standby | Smart | ≥setT+1 y <setT+3 | Smart |
| 10 | ≥setT+3 | Powerful | ||
| 11 | Silent | ≥setT+1 y <setT+3 | Smart | |
| 12 | ≥setT+3 | Powerful | ||
| 13 | Powerful | ≥setT+1 | Powerful | |
| 14 | ≤setT Standby | |||




6.4 Sulla temperatura ambientale per la frequenza di lavoro
Quando ssceglie la modalità di lavoro " POTENTE ",
se la temperatura ambientale ≥ 30^ e < 35^
la Frequenza di lavoro rimane in livello limitato.
Se la temperatura ambientale ≥ 50^ , la pompa di riscaldamento si arresta il funzionamento e visualizza il codice di erre PP09 per la protezione del compressore.
6.5 Sulla limitazione in temperatura d'acqua in ingresso
Temperatura d'acqua in ingresso 7^ , la pompa di riscaldamento si arresta il funzionamento.
Note: se ilsystema di filtrazione d'acqua si ferma prima della pompa di riscaldamento, l'unità andarà verso il basso (condizione di sicurezza) ed il codice EE3 alla sul controllore. è importante di programmare la pompa di riscaldamento per collegare il programma di tempo delsystema di filtrazione d'acqua.Per riavviare la pompa di riscaldamento, specnere ed accendere l'alimentazione elettrica per riavviare l'unità.
7. Parametri
7.1 Come sapere lo stato attuale
Premere M prima, poi premere per controllare il "parametro dell'utente da d1 a d9.


| Parametro | Nome Gamma Note | ||
| d1 | Temperatura dell'ingresso d'accua -9-99 | °C Valore di prova | reale |
| d2 | Temperatura dell'uscita d'accua -9-99 | °C Valore di prova | reale |
| d3 | Temperatura ambientale | (-30°C)-70°C | Valore di prova reale |
| d4 | Temperatura di ritorno del gas | (-30°C)-70°C | Valore di prova reale |
| d5 | Temperatura di bobina | (-30°C)-70°C | Valore di prova reale |
| d6 | Temperatura di scarico del gas | 0-C5°C(125°C) | Valore di prova reale |
| d7 | Passi di valvola di espansione elettronica | 0-99 | N*5 |
| d8 | Frequenza di funzionamento del compressore POTENTE: 65,70,75HzSMART: 50,55,60HzSilenzioso: 30,35,40,45Hz 0-99Hz | 0-99Hz | Valore di prova reale |
| d9 | Corrente di compressore | 0-30A Valore di prova reale | |
Riprendere all'impostazione tacita della fabbrica
Premere lungo e contemporaneamente per 10 secondi a riprendere l'impostazione tacita della fabbrica, mostrera '0000' per 5 secondi, è ancora richiesto proteggerLa dai circuiti corti nell'unità. E'anche richiesta la legatura.
(1) Quando HP ferma di funzionare in 30 secondi, la pompa d'acqua si chiuderà automaticamente.
(2) Controllore del cavo LED cui influenza la pompa d'acqua after the cavo aggiunto sa collegato al disposizione pompa, precisely alla posizione del terminale "PUMP".
(3) E' ancora richiesto mettere un extra dispositivo trasferimento a tre fasi per pompa d'acqua a tre fasi.
8. Risoluzione dei problemi
8.1 Visualizzazione del codice di erre on LED controlling a cavo
| Malfunzionamento | Codice di erre | Causa Soluzione | |
| Guasto del sensore della temperatura d'accua in ingresso | PP1 | Il sensore in circuito aperto o corto | Controllare o sostituire il sensore |
| Guasto del sensore della temperatura d'accua in uscita | PP2 | Il sensore in circuito aperto o corto | Controllare o sostituire il sensore |
| Guasto del sensore di condensatore | PP3 | Il sensore in circuito aperto o corto | Controllare o sostituire il sensore |
| Guasto del sensore di gas ritorno | PP4 | Il sensore in circuito aperto o corto | Controllare o sostituire il sensore |
| Guasto del sensore di temperature ambientale | PP5 | Il sensore in circuito aperto o corto | Controllare o sostituire il sensore |
| Guasto del sensore dell'uscita gas di condensatore | PP6 | Il sensore in circuito aperto o corto | Controllare o sostituire il sensore |
| Protezione antigelo in inverno | PP7 | La temperature ambientale o la temperature di ingresso d'accua è troppo Bassa | |
| Protezione di bassa temperatura ambientale | PP8 | La temperature ambientale o la temperature di ingresso d'accua è troppo Bassa | |
| La temperature ambientale è troppo in modalità di riscaldamento | PP9 | La temperature ambientale è troppo alta | Fermare la pompa di riscaldamento ed attendere la temperature ambientale di essere meno di Aria 50°C (meno 1 o 2 °C in toleranza) Il codice di erre scompare automaticamente |
| Protezione della temperature di raffreddamento del condensatore troppo alta | PP10 | La temperature del condensatore di raffreddamento è troppo alta | Fermare la pompa di riscaldamento ed attendere che la temperature ambientale di condensatore scende |
| Guasto ad alta pressione | EE1 | 1. Il refrigerante è troppo 2. Il flusso d'aria non è sufficiente | 1. Scariare il refrigerante sovrabbondante dal systemà di gas HP2. Pulire lo scambiatore d'aria |
| Guasto di pressione Bassa | EE2 | 1. Il refrigerante non è sufficiente 2. Il flusso d'acqua non sufficiente 3. Filtrato inceppato o capillare inceppato | 1. Controllare se ci sono perdite di gas, riempire nuovamente il refrigerante2. Pulire lo scambiatore d'aria3. Inserire nuovamente il filtrò o capillare |
| Guasto di scorrimento d'accua | EE3 or "ON" | Basso flusso d'accua, direzione del flusso sbagliata, o guasto di flussostato. | Controllare se il flussod a sufficiente e scorre nella direzione giusta, oppure il sensore di flusso potrebbe essere fallito. |
| Fallimento durante il riscaldamento, l'accua si sta surriscaldando | EE4 | Il flusso d'accua non è sufficiente o sono acqua | Riparare la pompa Pulire il tubo d'accua Controllare l'interruttore d'accua |
| Guasto del sensore della temperature di scarico gas | EE5 | Lo sbrinamento non è Buono Mancanza di gas Il disposito di limitazione è inceppato Basso flusso d'accua | Sbrinamento manuale Aggiungere il gas Sostituire il dispositivo di strozzamento Controllare la pompa d'accua |
| Guasto del controllore | EE6 | Collegamento di cavo non va bene Guasto di controllore | Controllare o sostituire il cavo di segnale Riavviare l'alimentazione o sostituire il controllore |
| Guasto del variatore | EE7 | Guasto del bordo di variatore | Riavviare l'alimentazione o sostituire la sched del convertitore |
| Guasto di comunazione tra controllore e scheda di convertitore | EE8 | Collegamento di cavo non va bene Guasto di controllore | Controllare o sostituire il cavo di collegamento Riavviare l'alimentazione o sostituire il controllore |
| Guasto di comunazione tra convertitore e bordo esterno | EE9 | Connessione a cavo tra cavo di comunazione e bordo esterno è sbagliata | Interconnessione Riavviare l'alimentazione o sostituire il bordo esterno |
| Guasto della schedadi modulo tra bordo esterno e scheda di modulo | EE10 | Guasto del cavo di comunazione Guasto della schedadi modulo o del bordo esterno | Riavviare l'alimentazione o sostituire il bordo spezzato |
| Guasto della schedadi modulo | EE11 | I dati sono sbagliati o la schedadi modulo è rotta | Riavviare l'alimentazione o sostituire il bordo spezzato |
| Tensione di corrente diretta principale troppo alta o protezione troppo bassa | EE12 | La pressione è troppo alta o troppo Bassa Il contattore di comunazione interno è rotto | Controllare l'alimentazione Sostituire il contattore |
| Protezione di sovracorrente | EE13 | Alimentazione di pressione elettrica è troppo bassa, la pompa riscaldamento è sovraccaricata | Controllare l'alimentazione d'ontrollare se l'æmpertat d'accua è troppo alta |
| Simbolo di sbrinamento, la spia di riscaldamento è accesa | Sbrinamente |
8.2 Altri malfunzioni e solozioni (Non alla sul controllore dei fili elettrici di LED)
| Malfunzioni | Fenomeni Motivi Soluzioni | ||
| La pompa di calore non funziona | Il controllore dei fili elettrici di LED non在哪 | Manca la fornitura di powerl'interrutture magnetotermico sono connessi bene. | Controllare se i cavi e l'interruttore magnetotermico sono connessi bene. |
| Il controllore dei fili elettrici di LED在哪 l'ora effettiva | La pompa di calore sta in stato di prontezza | Avviare a funzionare la pompa calore | |
| Il controllore dei fili elettrici di LED在哪 temperature effettiva dell'accua | 1. La temperature d'accua sta giungendo al valore impostato, il组成部分 HP è quello stato di costante temperature2. La pompa di calore si avvia appena a funzionare3. Sta scongelando | 1. Verificare la temperature impostata dell'accua2. Avviare la pompa di calore dopo pochi minuti3. Il controllore dei fili elettrici di LED deveismoare "Scongelare" | |
| La temperature d'accia sta abbassando quando HP sta in modalità di riscaldare | Il controllore dei fili elettrici di LED在哪 temperature effettiva d'accua e non c'è erre dei codici | 1. Scegliere la modalità sbagliata 2. Ci sono difetti con l'ecître3. Ci sono difetti con il controllore | 1. Regolare la modalità a quella giusta2. Sostituire il diffetuoso controllore dei fili elettrici di LED poi controllare lo stato après ave cambiato la modalità di funzionamento, verificando la temperature dell'accua di entrata e di uscita3. Sostituire o aggiustare I componenti della pompa di calore |
| Short running | LED在哪 temperature effettiva dell'accua, non c'è erre dei codici | 1. Il ventilatore non funzione2. La ventilazione di aria non è sufficiente3. Le sostanze refrigeranti non sono sufficienti | 1. Controllare le connessioni dei cavi fra il motore e il ventilatore e sostuirlo se è necessario.2. Controllare la localizzazione dei components della pompa di calore, e eliminare tutti gli ostacoli per fare una Buona ventilazione di aria3. Sostituire o aggiustare I componenti della pompa di calore |
| Incrostazioni | Incrostazioni sui componenti della pompa di calore | 1. Solidificarsi.2. Perdita d'accua | 1. Nessuna azione.2. Controllare lo titanio scambiatore di calore attendamente se c'è dalle difetto |
| Troppo ghiaccio sull'evaporatore | Troppo ghiaccio sull'evaporatore | 1. Controllare la localizzazione dei componenti della pompa di calore, e eliminare tutti gli ostacoli per fare una Buona ventilazione di aria2. Sostituire o aggiustare I componenti della pompa di calore | |
9. Diagramma esploso e Manutenzione
9. 1 Diagramma esploso
| NO | Nome parte | ERP NO | Nome parte | ERP | |
| 1 | Coperchio superiore | 133070019 | 23 | Blocchi terminali | 105000004 |
| 2 | Pannello posteriore | 133070031 | 24 | Clip | 136010004 |
| 3 | Evaporatore | 103000104 | 25 | Scambiatore in titanio | 102040410 |
| 4 | Pilastro | 108160016 | 25 | Scambiatore di calore tappo fondo | 102040410 |
| 5 | PFC induttore | 117220001 | 25 | Copertura Allacciamento acqua | 102040410 |
| 6 | Pannello laterale sinistro | 133070022 | 25 | Copertura Allacciamento acqua | 102040410 |
| 7 | pannello isolata | 108160028 | 26 | Manometro | 106000001 |
| 8 | Vassoio di base | 108160044 | 27 | Pannello destro | 133070012 |
| 9 | Staffa superiore telaio | 108160027 | 28 | Scatola del regolatore impermeabile | 133020003 |
| 10 | Supporto motore ventilatore | 108160029 | 29 | Controllore | 117020097 |
| 11 | Motore della ventola | 112000009 | 30 | Scatola di cablaggio | 108010018 |
| 12 | Ventilatore di pala | 132000013 | 31 | Interruttore di alta pressione | 116000008 |
| 13 | Pannello frontale | 133070006 | 32 | Pressostato di bassa pressione | 116000016 |
| 14 | Griglia anteriore | 108160012 | 33 | Pressostato di bassa pressione | 116000020 |
| 15 | Pentola Serbatoi | 105000004 | 34 | Valvola di aspirazione | 120000026 |
| 16 | Inverter mainboard integrazione | 117100006 | 35 | Tubazioni 114000044 | |
| 17 | Fessura | 136020003 | 36 | Valvola a 4 vie | 121000009 |
| 18 | Condensatore Motore ventilatore | 111000005 | 37 | EEV | 119000021 |
| 19 | Scatola del regolatore | 108160030 | 38 | Acqua anello di gomma di ingressso (blu) | 133020011 |
| 20 | Compressore | 101000115 | 39 | Flussostato acqua | 116000001 |
| 21 | Coperchio della scatola elettrica | 108160031 | 40 | Filtro | 120000066 |
| 22 | Box modulo terminale | 108160024 | 41 | Anello in gomma Uscita acqua (rosso) | 133020012 |
| 42 | Temperatura ambiente clip di sensore | 113715001 | |||
| NO | Nome parte ERP NO | Nome parte ERP | |||
| 1 | Coperchio superiore 133100001 33 | Scambiatore di | calore | tazzo di fondo 102040411 | |
| 2 | Pannello posteriore | 133100032 | 33 | Copertura Allacciamento acqua | 102040411 |
| 3 | evaporatore | 103000109 | 33 | Copertura Allacciamento acqua | 102040411 |
| 4 | pannello isolata | 108120009 | 34 | Flussostato acqua | 116000001 |
| 5 | Supporto motore ventilatore | 108120010 | 35 | Pannello morsettiere | 108120020 |
| 6 | Staffa superiore telaio | 108120006 | 36 | Blocchi di tre posizioni | 115000025 |
| 7 | Pilastro | 108120007 | 37 | Staffa riquadro Blocco | 108010023 |
| 8 | Pannello laterale sinistro | 133100012 | 38 | Blocchi pompa acqua | 115000027 |
| 10 | vassolo di base | 112000009 | 39 | Clip | 136010004 |
| 11 | Motore della ventola | 111000028 | 40 | scatola di cablaggio | 108010018 |
| 12 | Motore della ventola | 108010007 | 41 | Manometro di alta pressione | 106000001 |
| 13 | ventilatore di pala | 117230001 | 42 | Pannello laterale destro | 133070033 |
| 14 | ventilatore di pala | 132000013 | 43 | Morsettiere copertura di plastica | 133100011 |
| 15 | Pannello frontale | 133100006 | 44 | Scatola del regolatore impermeabile | 133020003 |
| 16 | griglia anteriore | 108160012 | 45 | controllo | 117020097 |
| 17 | griglia anteriore | 108160012 | 46 | Pressostato di bassa pressione | 116000020 |
| 18 | Compressore | 108070028 | 47 | Pressostato di bassa pressione | 116000016 |
| 19 | PFC versaio | 117080004 | 48 | valvola di aspirazione | 120000023 |
| 20 | scaleboard | 111000005 | 49 | Anello in gomma Ingresso acqua (blu) | 133020011 |
| 21 | Condensatore Motore ventilatore | 117150001 | 50 | Interruttore di alta pressione | 116000008 |
| 22 | Blocchi terminali | 104000003 | 51 | tubazioni | 113010013 |
| 23 | Muffa di controllo esterno | 115000009 | 52 | Involucro sensore di temperatura | 113190001 |
| 24 | Scheda di alimentazione esterna | 101000114 | 53 | Valvola a 4 vie | 121000009 |
| 25 | fessura | 108120015 | 54 | Anello in gomma Uscita acqua (rosso) | 133020012 |
| 26 | fessura | 117190004 | 55 | EEV | 119000022 |
| 27 | scatola del regolatore | 136020003 | 56 | Filtro | 120000066 |
| 28 | scaleboard | 117030005 | 57 | Temperatura ambiente clip di sensore | 133020010 |
| 29 | Bordo traferimento Indoor | 117180021 | 58 | Pentola Serbatoi | 105000008 |
| 30 | Coperchio della scatola del controller | 117200003 | 59 | Scaleboard | 108120016 |
| 31 | sensore di temperatura | 117110014 | 60 | coperchio della scatola di controllo | 108120018 |
| 32 | Scambiatore di calore morsetto sensore di temperatura | 108010025 | 61 | scatola di controllo | 108120013 |
| 33 | scambiatore in titanio | 102040411 | 62 | Vassoio di Base | 108120003 |
9.3 Manutenzione
(1) Dovete controllare ilsystema della fornitura d'acqua regolarmente per evitare l'aria di entrare al systeme e l'avvenimento del basso flusso d'acqua, perché questi fenomeni diminuiscono l'adempimento e l'affidabilità del componente di HP.
(2) Pulite regolarmente le loro piscine e i sistemi di filtrazione per evitare i danneggiamenti dei componenti, come ilchio bloccato a causa di sporcia.
(3) Mantenete il componente di HP asciutto, pulito, buon-ventilato, e pulite spesso i lati dello scambiatore di calore, il quale può mantenere Buono scambio e risparmiare energia.
(4) Solo i tecnici qualificati di servizio sono permessi di operare la pressione delsystema di refrigerazione.
(5) Controllate la connessione del cavo di power, se la pompa di calore inizia a funzionare abnormamente, dovete spegnerla e mettervi in contatto con i tecnici qualificati.
(6) Dovete scaricare acqua alla pompa d'acqua e dagli altri sistemi d'acqua, al fine di evitare dai danneggiamenti di congelamento in inverno.
(7) Se il componente di HP smette di funzionare da lungo, dovete scaricare acqua dal fondo della pompa d'acqua. In un altro modo, dovete controllare i componenti interamente e riempire ilsystema prima che i componenti iniziano ad avviarsi di nuovo.
10. Garanzia
1.ASPETTGENERALI
1.1 Secondo Queste disposizioni, il venditore garantisce che il prodotto corrispondente a但这a garanzia ("il prodotto") non presenta nessunamancanzadiconformitaalmomentodellasuaconsegna.
1.2 Il periodo di garanzia per il prodotto è di due (2) anni, e sare calcolo dal momento della consegna al compratore.
1.3 In caso di mancanza di conformità del Prodotto e di Notificationazione del compratore al venditore durante il Periodo di Garanzia, il venditore dovrá riparare o sostituire il Prodotto a sua spese nel luogo dove consideri opportuno, a meno che ciò sia impossibile o sproportionato. 1.4 Quando non è possible riparare o sostituire il Prodotto, il compratore può richiedere una riduzione proporzionale del prezzo o, se lamancanza di conformità è sufficientemente importante, la risoluzione del contratto di vendita.
1.5 Le parti sostituite o riparate in virtu di但这a garanzia non prolongheranno il termine della garanzia del Prodotto originale,uttaviadis-porrannodigaranziapropria.
1.6 Per rendere effettiva la presente garanzia, il compratore dovrà accreditare la data di acquisito e di segna del Prodotto.
1.7 Quando siano trascorsi più di sei mesi nella consegna del Prodotto al compratore e questo ne alleghi mancanza di conformità, il com-pratoredovrà accreditare l'origineel'esistenzadeldifettoallegato.
1.8 Il presente Certificato di Garanzia non limita o pregiudica i diritti che spettano al consumatore in virtù di nome nazionali di carattereimperativo.
2.CONDIZIONPARTICULARI
2.1 Lapresentegaranziaproteggeiprodottiacuifariferimentoquestomanuale.
2.2lpresenteCertificatodiGaranziasarapplicabileesclusivamenteneipaesidell'UnioneEuropea.
2.3 Affinché questa garanzia sa valida, il compratore dovrà seguire strettamente leindicazioni del fabbricante che figurano nella documen-tazione che accompaniesa il Prodotto, quando questa sua applicabile secondo la gamma e il modello del Prodotto.
2.4 Quando è specificato un calendario per la sostituzione, manutenzione o pulizia di certi pezzi o componenti del Prodotto, la Garanziasaràvalidasoltantoquandosiastatorispettatocorrectamenteilsuddettocalendario.
3.LIMITAZIONI
3.1 La presente garanzia sare applicabile in delle vendite realizzate a consumatori, intendendo come "consumatore",QLI persona che acquista il Prodotto per finalità che non rientano nell'ambito della loro attività professionale.
3.2 Non è concessa nessuna garanzia per la normale usura del Prodotto. Per quanto riguarda i pezzi, i componenti e/o i materiali deperibili o consumabili come pile, lampadine ecc, ci si atterrà a quanto disporto nella documentazione che accompaniesla Il Prodotto, sedelcaso.
3.3 La garanzia non copre quei casi in cui il Prodotto: (I) sua stato oggett di un trattamento incorretto; (II) sua stato riparato, mantenuto o manipolato da persona non autorizzata o (III) sua stato riparato o mantenuto con pezzi non originali.
Quando la manzanza di conformità del Prodotto saea consequence di un incorrezione installazione o di un incorretto avviamo, la presente garanzia rispondere solo quando della installation o avviamento siano comprese nel contratto di compra-vendita del Prodottoesianostaterealizzatedalvenditoreosottolasuaresponsabilità.
| Apparecchio | |
| N° di Riferimento | Modelllo |
| INSTALLATORE | |
| Nome | Città |
| Indirizzo | |
| Tel. | |
| CLIENTE | |
| Nome | Città |
| Indirizzo | |
| Tel. | Data di avviamento |
| (Da compilate da parte dell'infallatore) | TIMBRO DELL'INSTALLATORE: |
| Per tutte le machine COMPISA, quello tagliando di garanzia dovrè essere compilato ed inviato, affinché entri in vigore. | |
Dichiara sotto la sua diretta responsabilità che tutte le pompe di calorie del tipo: Pro Elyo Inverter
Prodotte a partire dal 31/03/2012, independentemente dal numero di serie, sono conformi a:
Direttiva sulla sicurezza machine 2006/42/CE.
Direttiva sulla compatibilità elettromagnetica 2004/108/CE, e relative modifiche.
Direttiva sui dispositivi a bassa tensione 2006/95/CE.
Direttiva 2000/14/CE sulle emissione acustica ambientale delle macchine ed attrezzature destinate a funzionare all'aperto e la sua correzione con la direttiva 2005/88/CE.
Direttiva 2002/95/CE sulla restrizione dell'uso di determinate sostanze pericolose nelle apparecchiature elettriche ed elettroniche (RoHS).
Direttiva 2002/96/CE sui rifiuti di apparecchiature elettriche ed elettroniche (RAEE).
Spagnolo Regio Decreto 208/2005 sulle apparecchiature elettriche ed elettroniche e la gestione dei loro rifuti.
Regolamento (CE) N°1907/2006 concernte la registrazione, la valutazione, l'autorizzato delle sostanze chimiche (REACH).