DHG577XP1 - Cappa da cucina DE DIETRICH - Manuale utente e istruzioni gratuiti
Trova gratuitamente il manuale del dispositivo DHG577XP1 DE DIETRICH in formato PDF.
Domande degli utenti su DHG577XP1 DE DIETRICH
0 domanda su questo apparecchio. Rispondi a quelle che conosci o fai la tua.
Fai una nuova domanda su questo apparecchio
Scarica le istruzioni per il tuo Cappa da cucina in formato PDF gratuitamente! Trova il tuo manuale DHG577XP1 - DE DIETRICH e riprendi in mano il tuo dispositivo elettronico. In questa pagina sono pubblicati tutti i documenti necessari per l'utilizzo del tuo dispositivo. DHG577XP1 del marchio DE DIETRICH.
MANUALE UTENTE DHG577XP1 DE DIETRICH
- Queste avvertenze sono disponibilianche sul site internet del marchio.
Prendere nota dei seguenti consiglio prima di installare e usare l'apparecchio. Sono stati scritti per la vostra sicurezza e quella degli altri. Conservare le istruzioni insieme all'apparecchio. Nel caso di vendita o di cessione assicurarsi chel'apparecchio sua occupagnato da queste avventenze.
- In vista di un costante miglioramento dei nostri prodotti ci riserviamo il diritto di apportare modifiche alle caratteristiche tecniche, funzionali ed estetiche che sono legate all'evoluzione tecnica.
- Al fine di trovare disponibile i riferimenti dell'apparecchio, consigliamo diannotarli alla pagina "Servizio Consumatori".
Precauzioni importanti
- Questo apparecchio è stato progettato per essere usato da privati in ambiente domestico. Non utilizzato l'apparecchio per fini commerciali o industriali oper与其他 scopi se non quelli per i quali è stato progettato.
- Alla segna, estrarre immediatamente l'apparecchio dall'imballaggio ofarlo estrarre. Verificare le condizioni del prodotto. Annotare gli eventualireclami sul buono di segna del quale occorre conservare una copia.
- L'apparecchio può essere usato da bambini con èsuperioreagli 8 anni eda persone con ridotte capacità fisiche, sensoriali e mentali o privè d'esperienza e di competenza nel caso queste siano correttamente supervisionate enel caso siano state riferite loro le istruzioni relative all'utilizzo in sicurezza dell'apparecchio e ne siano stati compresi i rischi potenziali. I bambini non devo-no giocare con l'apparecchio. La pulizia e la manutenzione da parte dell'utente non deve essere effettuata da bambinienza supervisione.
- Attenzione: Le parti accessibili dell'apparecchio posso sono surriscaldarsiquando questo viene utilizzato con strumenti per la cottura.
Rischi elettrici
- Scollegare i circuiti di alimentazione prima di accedere ai morsetti di raccordo. Se il cavo di alimentazione è danneggiato deve essere sostituito dal produttore, dal servizio assistenza o da personale qualificato al fine di evitare rischi.
- La disconnessione peut essere effettuata mediante una presa di correnteaccessibile o incorporando un Interruttore alle canalizzazioni fisse in conformità con le regole di installmente.
Non modificare e non tentare di modificare le caratteristiche dell'apparecchio in quanto risulterebbe pericoloso. - Le riparazioni devono essere effettuate esclusivamente da un professionista autorizzato.
- Scollegare sempre la cappa alla rete elettrica prima di procedere alla pulizia e alla manutenzione.
- Non utilisezare mai appearecchi a vapore o ad alta pressione per la pulizia (esigenze relative alla sicurezza elettrica).
Rischio di asfissia
- La normativa riguardante l'evacuatione dell'aria deve essere rispettata. L'arianon deve essere convogliata in un condotto utilizzato per lo scarico dei fumidi apparentchi alimentati a gas o con altri combustibili (non si applicaagliapparecchi che convogliano solo aria nel locale).
- Un'adeguata ventilazione del locale deve essere prevista quando una cappadi cucina è usata insieme ad appearechi alimentati a gas o con altri combustibili (non si applicaagli appearechi che convogliano solo aria nel locale).
Rischi di incendio
- Sotto la cappa è vietato cucinare cibo alla fiamma e lasciareccessi i fornelli del gas senza recipienti di cottura (le fiamme aspirate rischierebbero di danneggiare l'apparecchio).
- E' necessaria una supervisione costante durante le fritture effettuate sottol'apparecchio. Gli oli e i grassi portati ad alta temperatura possono infiammarsi.
Rispettare la frequenza di pulizia e di sostituzione filtri. L'accumulo di depositi di grasso rischia di provocare un incendio. - L'uso dell'apparecchio sobre fiamme prodotte da combustibile (legna, carbone...) non è autorizzato.
- Quando la cappa della cucina è posta sopra un appearecchio a gas la distanza minima tra la parte superiore del piano e quella inferiore della cappa deve essere di almeno 70 cm. Se le istruzioni del piano cottura installato在整个 lacappa non specificano una distanza superiore a 70 cm, quest'ultima deve essere presa in considerazione.
DESCRIZIONE DELL'APPARECCHIO
Le descritioni e caratteristiche figuranti in quello documento sono date a titolo d'informazione e non come obbligo. In effetti, certi della qualità dei nostri prodotti, ci riserviamo il diritto di effettuare, alla preavviso, qualsiasi modifica o miglioramento. Secondo il modello da voi acquistato, la cappa puo' essere installata in versione Filtrante o in versione Aspirante.
Questi modelli possono essere installati in versione Filtrante o in versione Aspirante, secondo le vostre esigenze. Nella versione Filtrante (Fig. 1) l'aria e i vapori convogliati dall'apparecchio, vengono depurati dai filtri al carbone e rimessi in circolazione nell'ambiente. ATTENZIONE: Nell'uso in versione filtrante è necessario utilizzato i filtri al carbone che purificano l'aria rimessa nell'ambiente. Nella versione Aspirante (Fig. 2) i vapori e gli odori di cucina, vengono convogliati direttamente verso l'esterno,tramite un condotto di evacuationne,attraverso la parete o soffitto.Pertanto non è più necessario l'uso dei filtri al carbone.
Quito apparecchio è conforme alla norma del 16.08.89 relativà alla limitazione dei disturbi radioelettrici (Direttiva CEE n.76.889 modificata alla Direttiva CEE 87.308.)

Fig. 1

Fig. 2
INSTALLAZIONE
Si consiglia di affidare le operazione di installmenta a personale specializzato.
Leggere attendamente leindicazioni riportate al paragrafo "IMPORTANTE"a pagina 21 del libretto istruzioni.
Prima di procedere alle operazioni di montaggio, per una più facile manovrabilità dell'apparecchio disinserire i filtri antigrasso: in corrispondenza della maniglia, spingere il fermo verso l'interno e tirare il filtrlo verso il basso (Fig. 3).

Fig. 3
Praticare sul fondo del pensile l'aperture necessaria ad accogliere l'apparecchio (Fig. 4). Il piano inferiore del pensile delve ave unospessore di 16 mm.
Verificare che le alette di fissaggio al pensile (Fig. 5) siano posizionate ad una altezza adeguata allo spessore del fondo del pensile. Nel caso tale distanza risulti inferiore allo spessore augmentarla svitando le 2 viti corrispondenti all'interno dell'apparecchio.
INSTALLAZIONE IN VERSIONE FILTRANTE
Predisporre l'alimentazione elettrica. Inserire l'apparecchio nell'apertura praticata (Fig. 4).
Predisporre il foro evacuatione dell'aria alla sommità del pensile (Fig.1).
Avvitare le 2 viti che si trovano all'interno dell'apparecchio (Fig. 6) sono a farlo aderire al fondo del pensile. Evitare d'avvitare le due viti con forza eccessiva in maniera che le staffette metalliche rimangano nella posizione corretta.
Collegare un tubo alla bocca uscita aria dell'apparecchio, di altezza tale da raggiungere la sommità del pensile (il tubo non è in dotazione).
Effettuare il collegamento elettrico della cappa mediante il cavo di alimentazione.

Fig. 5
INSTALLAZIONE IN VERSIONE ASPIRANTE
Predisporre l'alimentazione elettrica e predisporre il foro evacuationa aria (Fig. 2).
Inserire l'apparecchio nell'apertura praticata (Fig. 4).
Avvitare le 2 viti che si trovano all'interno dell'apparecchio (Fig. 6) sino a farlo aderire al fondo del pensile. Evitare d'avvitare le due viti con forza eccessiva in maniera che le staffette metalliche rimangano nella posizione corretta.
Per ottenere condizioni ottimali utilizzare un tubo evacuationia aria che abbia: lunghezza minima indispensableale, minor numero possibile di curve (angolo massimo della curva: 90^ ), materiale approvato normativamente (a seconda dello Stato), lato interno più liscio possibile.
Si consiglia inoltre di evitare cambiamenti drasticici di sezione del tubo (diametro consigliato: 150 mm). L'apparecchio è dotato di una riduzione 150-125cm.
Collegare il tubo evacuationia aria alla bocca uscita aria dell'appareccchio (Fig. 2): utilizezare un tubo flessibile e bloccatelo alla bocca uscita aria dell'appareccchio tramite una fascetta metallica (tubo e fascetta non sono in dotazione).
Togliere il filtro carbone premendo il fermo verso l'interno e ruotandolo fino a togliere le due linguette dalle loro sedi (Fig.7).

Fig. 7
Effettuare il collegamento elettrico della cappa mediante il cavo di alimentazione.
SMONTAGGIO DELL'APPARECCHIO
Rimuovere il/i filtro/i antigrasso.
Durante le operazioni seguenti sostenere sempre l'apparecchio.
Svitare le 2 viti poste all'interno dell'apparecchio (Fig. 6); spostare le 2 linguette verso l'interno dell'apparecchio utilizzando gli appositi intagli (Fig. 8); estrarre l'apparecchio alla sua sede.

Fig. 8
A seconda delle versioni l'apparecchio è dotato dei seguenti tipi di comandi:
A) ON/OFF lampade. Questo tasting si utilizzaanche per la funzione allarme filtri antigrasso e filtri carbone.
Allarme filtri: Dopo 30h di funzionamento del motore, si accende il led L1 e resta acceso (è il momento di pulire i filtri carbone se la cappa ne è dotata). L'allarme fitri si evidenzia SOLO a motore FERMO. L'allarme filtri si annulla (reset del contatore ORE) tenero premuto il tasto A per 2". B) PiGiando il tasto B si accende il motore alla prima velocità. La velocità viene evidenziata dal Led L2 acceso. Tenendolo premuto per 2" si spegne il motore. PiGiandolo con un solo colpo, a led acceso, si attiva la funzione timer pigiare ancora con un solo colpo. C) PiGiando il tasto C si accende il motore in seconda velocità. La velocità viene evidenziata dal Led L3 acceso. PiGiandolo con un solo colpo, a led acceso, si attiva la funzione timer (motore acceso per 5'), evidenziata dal led lampeggiante. Per togliere la funzione timer pigiare ancora con un solo colpo. D) PiGiando il tasto D si accende il motore in terza velocità. La velocità viene evidenziata dal Led L4 acceso. PiGiandolo con un solo colpo, a led accesso, si attiva la funzione timer (motore acceso per 5'), evidenziata dal led lampeggiante. Per togliere la funzione timer pigiare ancora con un solo colpo. E) PiGiando il tasto E si accende il motore in quarta velocità (B = Booster). La velocità viene evidenziata dal Led L5 acceso. PiGiandolo con un solo colpo, a led acceso, si attiva la funzione timer (motore acceso per 5'), evidenziata dal led lampeggiante. Per togliere la funzione timer pigiare ancora con un solo colpo.
ATTENZIONE : AZIONANDO LA FUNZIONE TIMER, IL MOTORE SI SPEGNE DOPO 5 MINUTI.
ATTENZIONE : QUANDO SI ACCENDE IL LED L1. É ORA DI PULIRE I FILTRI ANTIGRASSO OPPURE DI SOSTITUIRE IL FILTRO AL CARBONE.
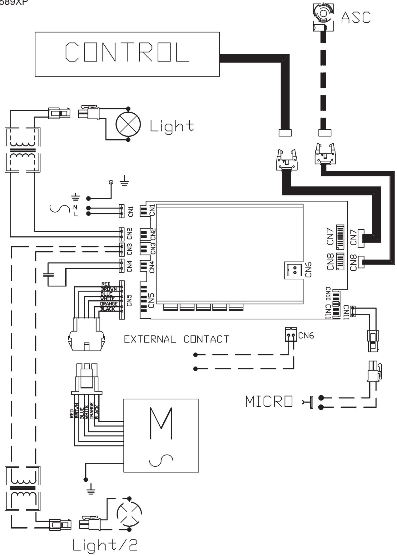
DHG589XP
COMANDI - Fig. 10:
A) ON/OFF lampade. Questo tasting si utilizzaanche per la funzione allarme filtri antigrasso e filtri carbone.
Allarme filtri: Dopo 30h di funzionamento del motore, si accende il led L1 e resta accesso per 30^ (è il momento di pulire i filtri antigrasso). Dopo 120h di funzionamento del motore, si accende il led L1per 30^ lampeggiando (è il momento di sostituire i filtri carbone se la cappa ne è dotata). L'allarme filtri si evidenzia SOLO a motore FERMO. L'allarme filtri si annulla (reset del contatore ORE) tenendo premuto il tasto A per 2^ .
B) Il tasting B attiva/disattiva la funzione sensore ( quando è attiva la funzione sensore si illumina il led L2).
C) Pigiando il tasto C si accende il motore alla prima velocità. La velocità viene evidenziata dal Led L3 accesso. Tenendolo premuto per 2" si spegne il motore.
D) PiGiando il tasto D si accende il motore in seconda velocità. La velocità viene evidenziata dal Led L4 acceso.
E) PiGiandi il tasto E si accende il motore in terza velocità. La velocità viene evidenziata dal Led L5 acceso.
F) Pigiando il tasting F si accende il motore in quarta velocità (B = Booster). La velocità viene evidenziata dal Led L6 accesso. SENSIBILITA' DEL SENSORE: la sensibilità del sensing puo' essere modificata secondo le proprie esigenze. Modificare la sensibilità premendo contemporaneamente il tasting A ed il tasting B. Verrà evidenziata la sensibilità impostata tramite i 4 led L3, L4, L5, L6 lampeggianti. Tramite i tasting C, D, E o F, impostare la sensibilità desiderata (tasto C sensibilità minima, tasting F sensibilità massima). Impostare la sensibilità minima per i piani di cottura a gas, media per piani di cottura in vetroceramica, massima per piani di cottura ad Induzione.
ATTENZIONE : QUANDO SI ACCENDE IL LED L1. É ORA DI PULIRE I FILTRI ANTIGRASSO OPPURE DI SOSTITUIRE IL FILTRO AL CARBONE.
FUNZIONE SENSORE (si attivatramite il tasto B):queo appearecchio e dotato di un systema completemante automatico (Advanced Sensor Control) per gestire tutte le funzioni della cappa.Grazie all'Advanced Sensor Control, l'aria in cucina si mantiene sempre pulita e libera da odori senza alcun inervento da parte dell'utente. I sofisticati sensori riescono a captere qualiasi tipo di odore,vapore,fumo o calore causato dal processo di cottura.L'ASC captaancheventuali e anomale presenze di GAS nell'ambiente.
Quando è attiva la funzione sensore, i tasti C, D, E, F attenuano le velocità solo temporaneamente, poi è il sensore che imposta automaticamente le velocità.

Fig. 9

Fig. 10
La 4^ velocità (B = Booster - intensiva)iene automaticamente abbassata alla 3^ velocità相较 5' di funzionamento, per ottimizzare i consumi energetici.
- Se la cappa viene dimincenticata accesa (luci e/o motore) dopo 10 ore in assenza di comandi da parte dell'utente, automaticamente viene riportata nella condizione di OFF con tutti i servizi spenti.
- Ogni volta che viene impostato un dato da tastiera o da radiocommando (opzionale), il Buzzer emette un "beep".
- In caso di interruzione di alimentazione elettrica durante il funzionamento della cappa, in caso di ripristino la cappa rimane nella condizione OFF, quando il motore deve essere riattivato manually.
Dati Tecnici - DHG556XP:
- 1 Motore potenza 155W
Tensione: 230-240V monofase - Illuminazione 2 lampade alogene da 20W
- Fornito con cavo alimentazione di 150 cm. con presa di corrente
- Peso lordo : Kg.11
- Peso netto: Kq.8,5
- 2 filtri antigrasso metallici
Dati Tecnici - DHG576XP:
- 1 Motore potenza 250W
Tensione: 230-240V monofase - Illuminazione 2 lampade alogene da 20W
- Fornito con cavo alimentazione di 150 cm. con presa di corrente
- Peso lordo:Kq.11
- Peso netto: Kg.8,5
- 2 filtri antigrasso metallici
Dimensioni

Dati Tecnici - DHG589XP:
- 1 Motore potenza 260W
Tensione: 230-240V monofase - Illuminazione 2 lampade alogene da 20W
- Fornito con cavo alimentazione di 150 cm. con presa di corrente
- Peso lordo : Kg.12
- Peso netto: Kq.9,5
- 2 filtri antigrasso metallici
Dati Tecnici - DHG577XP:
- 1 Motore potenza 250W
Tensione: 230-240V monofase - Illuminazione 2 lampade alogene da 20W
- Fornito con cavo alimentazione di 150 cm. con presa di corrente
- Peso lordo : Kq.13,5
- Peso netto:Kg.10
- 2 filtri antigrasso metallici

Durante il collegamento elettrico, assicurarsi che la tensione corrisponda a quella indica nella targa tecnica.
Prima di procedere alle operazioni di pulizia o manutenzione togliere la tensione.
Il collegamento elettrico deve essere realizzato da un technique specializzato, conforme alla norma in vigore.
Questo appearecchio è costruito in modo da appartenere alla classe di isolamento I.
ATTENZIONE: Questo apparecchio delve essere collegato a terra.
Nell'operazione di collegamento elettrico verificare che i valori di tensione corrispondano con quelli indicati nella targa insertita all'interno dell'apparecchio. Se il Vostro apparecchio non è provvisto di cavo flessibile non separabile e di spina, o di altri dispositivo che assicuri la onnipolare disinserzione nella rete, con una distance di apertura dei contatti che consenta la disconnectione completa nelle condizioni della categoria di sovratensione III, alla tali dispositivi di separazione della rete devono essere previsti nella rete di alimentazione conformmente alle regole di installatione. Se il Vostro apparecchio è provvisto di cavo alimentazione e di spina, porre l'apparecchio in modo che la spina sia accessibile.
MANUTENZIONE
PRIMA DI QUALSIASI OPERAZIONE, TOGLIERE LA TENSIONE ALLA CAPPA (PRESA DI CORREnte o INTERRUPTO-RE).
Un'accurata manutenzione garantisce un buon funzionamento ed un buon rendimento nel tempo.
ATTENZIONE: NEL MODELLO DHG589XP E' PRESENTE IL SENSORE, PER CUI EVITARE L'uso PRODOTTI SILICONICI IN PROSSIMITA DELLA CAPPA PER EVITARE DI DANNEGGIARE IL SENSORE.
-Manutenzione della carcassa:
Nella pulizia della carcassa evitare l'impiego di prodotti contententi abrasivi.
-Manutenzione dei filtri antigrasso:
I filtri antigrasso necessitano di una regolare manutenzione e bisogna pulirli periodicamente agli due mesi.
Togliere i filtri antigrasso:
In corrispondenza della maniglia, spingere il fermo verso l'interno e tirare il filtrto verso il basso (Fig.11).
Lavateli con un normale prodotto neutro in commercio poi sciacquare abbondamente e asciugare. Il lavaggio puo' essere effettuato in lavastoviglie avendo cura di non mettere i filtri a contatto con stoviglie sporche o con stoviglie in argento.

Fig. 11
-Manutenzione del filtro al carbone:
Seutilizzate l'apparecchio in versione filtrante, è necessario sostituire il filtrlo al carbone in media agli.SEi mesi,secondo l'utilizzo della cappa. Referenza filtrto carbone: AH4063U1.
Per togliere il filtro al carbone, bisogna innanzitutto togliere i filtri antigrasso (Fig.11). Successivement, togliere il filtro carbone premendo il fermo verso l'interno e ruotandolo fino a togliere le due linguette dalle loro sedi (Fig.12). Sostituire il filtro al carbone e rimontare i filtri antigrasso.

Fig. 12
-Sostituzione delle lampade alogene:
Per sostituire le lampade alogene, togliere innanzitutto i filtri antigrasso (Fig. 11). Aprire il coperchio facendo leva sulle apposite fissure (Fig. 13). Sostituire con lampade dello stesso tipo. ATTENZIONE: non toccare la lampadina a mani nude.

Fig. 13
DHG576XP
DHG577XP
DHG589XP


DHG556XP
Light/2
ManualeFacile