Omega - Bicicletta elettrica Argento - Manuale utente e istruzioni gratuiti
Trova gratuitamente il manuale del dispositivo Omega Argento in formato PDF.
Domande degli utenti su Omega Argento
0 domanda su questo apparecchio. Rispondi a quelle che conosci o fai la tua.
Fai una nuova domanda su questo apparecchio
Scarica le istruzioni per il tuo Bicicletta elettrica in formato PDF gratuitamente! Trova il tuo manuale Omega - Argento e riprendi in mano il tuo dispositivo elettronico. In questa pagina sono pubblicati tutti i documenti necessari per l'utilizzo del tuo dispositivo. Omega del marchio Argento.
MANUALE UTENTE Omega Argento
Aprire o smontare la batteria o colpire, lanciare, forare o attaccare oggetti alla batteria. Toccare eventuali sostanze fuoriuscite dalla batteria, poiché contiene sostanze pericolose. Lasciare che bambini o animali tocchino la batteria.
Sovraccaricare, sovra scaricare o mandare in cortocircuito la batteria. Immergere o esporre la batteria all'acqua o ad altre sostanze liquide. Esporre la batteria a calore o freddo eccessivi.
Esporre la batteria a un ambiente contenente gas esplosivi o fiamme.
Lasciare la batteria sotto la pioggia o la luce diretta del sole o in auto calde alla luce diretta del sole. Riassemblare o rimontare la batteria.
Trasportare o conservare la batteria insieme a oggetti metallici come forcine, collane, ecc. Guidare la bicicletta a pedalata assistita durante la ricarica.
Utilizzare qualsiasi altro caricabatterie diverso dall'originale.
Manuale d'uso e manutenzione
Prima di utilizzare la bicicletta, questa deve essere montata in modo corretto e controllata in tutte le sue parti. Eventuali danni dovuti ad un montaggio o una manutenzione errata non sono coperti dalla garanzia.
Per ulteriori informazioni o per richiedere un supporto tecnico e assistenza. Per visualizzare i termini di garanzia, contattare il rivenditore, oppure visita il sito web www.argentobike.it
Per i ricambi vai al sito www.urbanemobility.com
- Introduzione
- Avvertenze sulla sicurezza
- Descrizione della bicicletta (EPAC)
- Sollevamento e trasporto
- Assemblaggio
- Messa in servizio
- Istruzioni di manutenzione
- Display LCD
- Configurazione del display LCD
- Codici errore
- Diagramma connessioni
- Batteria (Avvertenze)
- Termini di garanzia
1. Introduzione
Generalità
Questo manuale costituisce parte integrante ed essenziale della bicicletta a pedalata assistita (EPAC).
Prima della messa in funzione, è indispensabile che gli utilizzatori leggano, comprendano e seguano scrupolosamente le disposizioni che seguono.
Il costruttore non risponde di danni arrecati a persone e/o cose oppure alla bicicletta a pedalata assistita, se essa è utilizzata in modo scorretto rispetto alle prescrizioni indicate.
Nell'ottica del continuo sviluppo tecnologico, la casa costruttrice si riserva di modificare la bicicletta a pedalata assistita (EPAC) senza preavviso, senza che sia automaticamente aggiornato questo manuale.
Servizio assistenza
Per qualunque inconveniente o richiesta di chiarimento, contattate senza esitazioni il Servizio Assistenza del Suo rivenditore autorizzato ARGENTO E-MOBILITY, che dispone di personale competente e specializzato, attrezzature specifiche e ricambi originali.
Forma grafica delle avvertenze di sicurezza
Per identificare i messaggi di sicurezza nel presente manuale, saranno utilizzati i seguenti simboli grafici di segnalazione. Essi hanno la funzione di attirare l'attenzione del lettore / utilizzatore ai fini di un uso corretto e sicuro della bicicletta a pedalata assistita.

ATTENZIONE
Prestare attenzione
Evidenzia le regole da rispettare per evitare di danneggiare la bicicletta a pedalata assistita e/o impedire il verificarsi di situazioni pericolose.

PERICOLO
Rischi residui
Evidenzia la presenza di pericoli che causano rischi residui ai quali l'utente deve prestare attenzione per evitare lesioni o danni materiali.
Nota legale sull'utilizzo
Rispettare sempre il codice della strada e le norme in materia ciclistica vigenti nel paese di circolazione.
2. Avvertenze sulla sicurezza
Regole generali per la sicurezza
Anche se siete già pratici nell'uso della bicicletta a pedalata assistita, è necessario seguire le istruzioni qui riportate, oltre alle precauzioni di carattere generale da osservare durante la guida di un mezzo a motore.

ATTENZIONE
Uso della bicicletta a pedalata assistita
Ogni utilizzatore deve aver prima letto il presente manuale d'uso e manutenzione; in particolare il capitolo sulle indicazioni riguardanti la sicurezza.

ATTENZIONE
Rischi connessi all'uso della bicicletta a pedalata assistita
Nonostante l'applicazione dei dispositivi di sicurezza, per un uso sicuro della bicicletta a pedalata assistita si deve prendere nota di tutte le prescrizioni relative alla prevenzione degli infortuni riportate in questo manuale.
Rimanere sempre concentrati durante la guida e non sottovalutare i rischi residui connessi all'uso della bicicletta a pedalata assistita.
Responsabilità
Il conducente ha l'obbligo di usare la bicicletta a pedalata assistita con la massima diligenza e nel pieno rispetto del codice della strada e di tutte le norme in materia ciclistica vigenti nel paese di circolazione.
Il conducente ha altresì obbligo di mantenere pulito ed in perfetto stato di efficienza e di manutenzione la bicicletta a pedalata assistita, di eseguire diligentemente i controlli di sicurezza di sua competenza, come descritti nella sezione avvertenze e raccomandazioni, oltre che a conservare tutta la documentazione relativa alla manutenzione della bicicletta a pedalata assistita.
Il Conducente deve valutare attentamente le condizioni atmosferiche che potrebbero rendere pericoloso l'utilizzo della bicicletta a pedalata assistita. A tal fine, si consiglia di moderare la velocità e di mantenere una adeguata distanza di frenata nel caso in cui si trovi in condizioni climatiche avverse e/o in caso di circolazione intensa.
Avvertenze per gli utenti
- È vietato caricare un passeggero. Per l'utilizzo di dispositivi di trasporto per minori verificare e rispettare le normative vigenti nel Paese di circolazione.
- Può essere utilizzata solo da adulti e ragazzi esperti.
- Non assumere alcool o droghe prima di guidare la bicicletta a pedalata assistita.
- Questo modello di bicicletta a pedalata assistita è progettato e costruito per essere usato all'aperto, su strade pubbliche o piste ciclabili.
- Non chiedere alla bicicletta a pedalata assistita prestazioni superiori a quelle per cui è stata progettata.
- Non guidare mai la bicicletta a pedalata assistita con parti smontate.
- Evitare superfici irregolari ed ostacoli.
- Guidare con entrambe le mani sul manubrio.
- Sostituire le parti usurate e/o danneggiate, controllare che le protezioni funzionino nel modo corretto prima dell'utilizzo.
Note per la manutenzione
Ogni intervento di manutenzione deve avvenire con la batteria scollegata.
Durante ogni fase di manutenzione gli operatori devono essere dotati dell'equipaggiamento antinfortunistico necessario.
Gli utensili utilizzati per la manutenzione devono essere idonei e di buona qualità.
Non usare benzina o solventi infiammabili come detergenti, ma ricorrere sempre a solventi non infiammabili e non tossici.
Limitare al massimo l'uso dell'aria compressa e proteggersi con occhiali aventi ripari laterali.
Non ricorrere mai all'uso di fiamme libere come mezzo di illuminazione quando si procede ad operazioni di verifica o di manutenzione.
Dopo ogni intervento di manutenzione o regolazione accertarsi che non rimangano attrezzi o corpi estranei fra gli organi di movimento della bicicletta a pedalata assistita.
Altre disposizioni
La prima cosa da fare quando si inizia l'utilizzo, è controllare la presenza ed integrità delle protezioni e il funzionamento di sicurezza.

Se riscontrate qualche difetto non utilizzate la bicicletta a pedalata assistita!
Protezioni
È severamente vietato modificare o rimuovere le protezioni della batteria, della catena, ecc., così come le targhette di avvertimento e di identificazione.
Deposito e magazzino
- Nel caso in cui la bicicletta a pedalata assistita dovesse essere immagazzinata e conservata per lunghi periodi di inattività, occorre effettuare le seguenti operazioni:
- Ripararla in luogo asciutto ed arieggiato.
- Eseguire una pulizia generale della bicicletta a pedalata assistita.
- Togliere la batteria dalla sede e posizionare la chiave su OFF.
- Lasciare la bicicletta sul cavalletto.
- Proteggere i contatti elettrici esposti con prodotti antiossidanti.
- Ingrassare tutte le superfici non protette da vernici o trattamenti anticorrosione.
3. Descrizione della bicicletta (EPAC)

text_image
display ARGENTO 1 2 3 4 5 6 7 8 9 10 11 12 151413 16 17 18 19 21 22 23 24 25 26 27 28 29 30 31 DREAM ARGENTO- Sella
- Cannotto reggisella
- Lucchetto ruota posteriore
- Portapacchi con elastici (max 15Kg)
- Fanale posteriore a LED
- Parafango posteriore
- Ruota posteriore
- Freno a disco meccanico posteriore
- Motore 36V 250W
- Deragliatore cambio Shimano 7 rapporti
- Presa motore
- Cavalletto (lato opposto)
- Catena
- Pedale (dx)
- PAS
-
Ruota anteriore
-
Freno a disco meccanico anteriore
- Forcella anteriore
- Parafango anteriore
- Fanale anteriore a LED
- Piantone manubrio
- Pipa manubrio
- Manubrio
- Campanello
- Leva freno con sensore motore (dx)
- Leva freno con sensore motore (sx)
- Comando cambio Shimano 7 rapporti
- Display LCD
- Serratura blocco/sblocco batteria (lato opposto)
- Batteria Li-Ion 36V 10.4Ah
- Presa di ricarica batteria (lato opposto)
- Numero seriale telaio
Condizioni di utilizzo
La bicicletta a pedalata assistita è stata progettata e costruita per essere guidata all'esterno, sulla viabilità pubblica e nelle piste ciclabili, ma sempre su superfici asfaltate.
Ogni modifica dello stato di costruzione può compromettere il comportamento la sicurezza e la stabilità della bicicletta a pedalata assistita e può condurre ad un incidente.
Altri tipi di impiego, oppure l'ampliamento dell'impiego oltre quello previsto, non corrispondono alla destinazione attribuita dal costruttore, e pertanto il costruttore non può assumersi alcuna responsabilità per danni eventualmente risultanti.
L'autonomia della batteria, e quindi il relativo dato di percorrenza in km stimato, può variare sensibilmente a seconda del tipo di utilizzo e degli influssi esterni; si vedano i seguenti fattori particolarmente influenti: peso utilizzatore, frequenza di pedalata, livello di assistenza selezionato sul display, velocità media, spessore ed usura del battistrada, pendenza e fondo stradale, condizioni atmosferiche.
Ambiente di utilizzo
La bicicletta a pedalata assistita può essere utilizzata all'esterno, in assenza di condizioni atmosferiche avverse (pioggia, grandine, neve, vento forte, ecc.).
Temperatura massima ammessa: +40°C
Temperatura minima ammessa: +0°C
Umidità massima ammessa: 80%
L'ambiente di utilizzo deve presentare un fondo asfaltato piano, compatto, privo di asperità, buche o avvallamenti, privo di ostacoli e macchie d'olio.
Inoltre il luogo di utilizzo deve essere illuminato, dal sole o da luci artificiali, in modo tale da garantire la corretta visione del percorso e dei comandi della bicicletta a pedalata assistita (consigliati da 300 a 500 lux).

ATTENZIONE
Ambienti di utilizzo vietati
La bicicletta a pedalata assistita non deve essere utilizzata:
- in aree soggette a rischio di incendi o di esplosioni;
- in ambienti con atmosfera corrosiva e/o chimicamente attiva; in ambienti scarsamente illuminati;
- su terreni con pendenza superiore al 10%; su terreni irregolari e non asfaltati.
Usi impropri e controindicazioni
Le azioni qui di seguito descritte, che ovviamente non possono coprire l'intero arco di potenziali possibilità di “cattivo uso” della bicicletta a pedalata assistita, sono da considerarsi assolutamente vietate.

ATTENZIONE
Operazioni vietate
L'esecuzione di operazioni vietate invalida la garanzia.
Il costruttore declina ogni responsabilità per eventuali danni a cose e persone derivanti dall'esecuzione di operazioni vietate.

PERICOLO
È severamente vietato:
- Guidare la bicicletta a pedalata assistita per impieghi diversi da quelli per i quali è stata costruita, cioè il diporto di un passeggero.
- Guidare la bicicletta a pedalata assistita in aree dove vi sia il pericolo di esplosioni.
- Guidare la bicicletta a pedalata assistita in presenza di condizioni atmosferiche avverse (pioggia battente, grandine, neve, forte vento, ecc.). Trasportare un passeggero.
- Guidare la bicicletta a pedalata assistita sotto l'effetto di alcool o droghe. Guidare la bicicletta a pedalata assistita se il proprio peso è superiore a quello consentito.
- Caricare la batteria in ambiente troppo caldo o non sufficientemente ventilato.
• Coprire la batteria durante la ricarica. - Fumare o utilizzare fiamme libere vicino alla zona di ricarica.
- Transitare o sostare su superfici con pendenza maggiore del 10% o sconnesse (non asfaltate, con buche, avvallamenti, ostacoli, ecc.).
- Eseguire qualsiasi intervento di manutenzione con la batteria collegata. Utilizzare ricambi non originali.
- Inserire gli arti o le dita fra le parti mobili della bicicletta.
4. Sollevamento e trasporto
Sollevamento
Il peso della bicicletta a pedalata assistita è di circa 23 kg, per cui si consiglia il sollevamento da parte di due persone adulte.

PERICOLO
Schiacciamento e impatto
Durante il sollevamento si deve operare con estrema cautela onde evitare danni alle persone e alle cose. Questa operazione deve essere eseguita da due persone.
Il costruttore non risponde di rotture dovute al sollevamento e/o al trasporto della bicicletta a pedalata assistita dopo la consegna.
Trasporto
Per garantire la sicurezza del trasporto su furgoni è necessario impedire lo spostamento della bicicletta a pedalata assistita. Questo si ottiene appoggiandola sul cavalletto e vincolandola con fasce o cavi di ancoraggio in buono stato.
A questo proposito, i dispositivi di aggancio devono essere installati in modo da non danneggiare il telaio e le altre parti della bicicletta.
5. Assemblaggio
- Rimuovere attentamente la bici dall'imballo* ed in seguito tutto il relativo materiale di protezione facendo attenzione a non graffiare le parti verniciate e tirare i cavi del prodotto.
*La rimozione della bici dall'imballo deve essere una operazione eseguita da due persone adulte per non incorrere in infortuni o schiacciamenti.

- Inserire la ruota frontale negli appositi alloggi della forcella anteriore e serrare la ruota con l'apposito dispositivo di sgancio rapido (fig. A). (Inserire il perno all'interno del mozzo lasciando la leva sul lato destro della bicicletta e avvitare sul lato opposto il controdado fino a mandarlo in battuta, serrare la leva verso la forcella per completare l'operazione di serraggio).

- Allentare le 2 viti situate sul piantone manubrio per permettere la rotazione della pipa del manubrio di 180°. Allineare la pipa alla ruota anteriore e serrare le viti precedentemente allentate.
Rimuovere la placca presente sull'estremità della pipa del manubrio (attacco manubrio) attraverso estrazione delle 2 viti di fissaggio ed inserire il manubrio nell'apposito alloggio.
Posizionare la placca dell'attacco manubrio precedentemente rimossa nella sua posizione originaria ed avvitare leggermente le 2 viti di fissaggio per regolare il corretto posizionamento del manubrio.
Finalizzare l'operazione serrando le viti.

- Rimuovere la vite posizionata nella parte posteriore della forcella anteriore.
Inserire il parafango anteriore facendolo passare tra la forcella e la ruota anteriore provvedendo a fissarlo alla forcella attraverso la relativa staffa utilizzando la vite precedentemente rimossa.
Fissare i supporti laterali del parafango anteriore ai corrispondenti steli della forcella anteriore attraverso rimozione e successivo serraggio della vite presente sugli stessi (lato destro e lato sinistro).

- Identificare il pedale di destra (contrassegnato dal marchio R presente sul perno del pedale) ed il pedale di sinistra (contrassegnato dal marchio L presente sul perno del pedale).
Montare il pedale di destra inserendolo nella pedivella corrispondente ed avendo cura di avvitarlo in senso orario sino a relativo serraggio.
Montare il pedale di sinistra inserendolo nella pedivella corrispondente ed avendo cura di avvitarlo in senso antiorario sino a relativo serraggio.

text_image
R LAssicurarsi che tutta la bulloneria ed i pedali siano stretti bene.

Pericolo di infortuni
Verificare che tutti i bulloni ed i pedali siano stati correttamente serrati.
Il mal posizionamento dei pedali e/o il mancato serraggio degli stessi può danneggiare il rapporto anteriore e/o provocare la fuoriuscita dei pedali durante la guida della bici, con il rischio di causare seri infortuni a sé stesso ed agli altri.

Verifica negativa
Nel caso in cui, in occasione dell'assemblaggio, dovessero essere riscontrati dei passaggi non chiari o difficoltà nell'assemblaggio stesso, non guidare la bicicletta a pedalata assistita.
Contattare il Servizio Assistenza del proprio rivenditore autorizzato ARGENTO E-MOBILITY.
Limite massimo di estrazione del cannotto della sella

PERICOLO
È assolutamente vietato
Per motivi strutturali del telaio e di sicurezza è severamente vietato, in fase di utilizzo del prodotto, estrarre il cannotto reggisella oltre il limite indicato (vedi immagine) per evitare il rischio di eventuali fratture al telaio.

text_image
MINIMUM URBISH SETTLEMENT MINIMUM URBISH SETTLEMENTlimite estrazione cannotto reggisella
6. Messa in servizio
Carica della batteria
Prima di utilizzare la bicicletta a pedalata assistita per la prima volta occorre effettuare un ciclo completo di ricarica della batteria utilizzando l'apposito carica batterie fornito in dotazione. La bicicletta è alimentata con una batteria agli ioni di litio da 36V 10.4Ah. Il tempo medio per la ricarica è di circa 4-6 ore. Per prolungare al massimo la vita stessa della batteria si raccomanda una ricarica completa ogni trenta giorni anche se la bicicletta non viene utilizzata.
Si consiglia di caricare la batteria con il suo apposito carica batterie dopo ogni utilizzo della bicicletta a pedalata assistita.
Ricarica con batteria inserita
Collegare il carica batterie alla presa di rete (230V/50Hz) e successivamente inserire la spina del carica batterie nell'apposita presa di ricarica posta sul telaio.
Durante il ciclo di ricarica della batteria è accesa la spia di colore rosso. La presenza della spia di colore verde segnala che il ciclo di ricarica della batteria è stato completato.
Ricarica con batteria estratta
Inserire la chiave nella serratura posta sul telaio in prossimità della batteria.
Ruotare la chiave in senso antiorario per permettere sblocco batteria e relativa estrazione dal telaio della bicicletta.
Collegare il carica batterie alla presa di rete (230V/50Hz) e successivamente inserire la spina del carica batterie nella presa di ricarica presente sulla batteria.
Durante il ciclo di ricarica della batteria è accesa la spia di colore rosso. La presenza della spia di colore verde segnala che il ciclo di ricarica della batteria è stato completato.
Reinserire la batteria nella sua sede provvedendo a bloccarla attraverso la relativa serratura ruotando la chiave in senso orario.

text_image
F288 OPEN LOCK
Serratura blocco/sblocco batteria Presa di ricarica batteria
Messa in strada
Prima di utilizzare la bicicletta a pedalata assistita, per garantire una efficiente messa su strada del prodotto, si consiglia di controllare attentamente ogni parte e provvedere ad adeguato intervento di regolazione delle relative componenti meccaniche, direttamente od avvalendosi del supporto di operatori specializzati, si vedano: regolazione e serraggio manubrio ed attacco manubrio, regolazione e serraggio sella e reggisella, regolazione freni, regolazione cambio, verifica pressione pneumatici, lubrificazione catena ed ingranaggi, verifica generale corretto serraggio viti di fissaggio e controllo generale che tutte le parte siano in ordine.
Ruote
Verificare la corretta installazione ed il serraggio dei perni passanti e/o lo sgancio rapido delle ruote.
Verificare lo stato di usura delle gomme: non vi devono essere tagli, screpolature, corpi estranei, rigonfiamenti anomali, tele in vista e altri danni.
Verificare la pressione di gonfiaggio delle gomme facendo riferimento al valore consigliato riportato sul lato dello pneumatico (3.5-5.9 BAR).
Impianto frenante
Controllare il funzionamento dei freni con una prova di frenatura a bassa velocità (max 6km/h) in una zona libera da ostacoli.
7. Istruzioni di manutenzione
Tutte le operazioni di manutenzione devono essere eseguite con la batteria staccata e la bicicletta appoggiata al cavalletto.
Dopo ogni intervento di manutenzione ordinaria è obbligatorio una verifica sul perfetto funzionamento di tutti i comandi. Il presente manuale non approfondisce informazioni riguardanti smontaggio e manutenzione straordinaria, poiché tali operazioni andranno eseguite sempre ed in via esclusiva dal personale del Servizio Assistenza del vostro rivenditore autorizzato ARGENTO E-MOBILITY.
Il Servizio Assistenza è in grado di fornire tutte le indicazioni e di rispondere a tutte le richieste per curare e mantenere perfettamente efficiente la vostra bicicletta a pedalata assistita.

ATTENZIONE
Verifica negativa
In caso anche una sola verifica risulti negativa, non guidare la bicicletta a pedalata assistita.
Attivare immediatamente tutte le misure per eseguire una riparazione adeguata e se necessario, contattare il servizio assistenza del vostro rivenditore.
Lavaggio
La pulizia della bicicletta a pedalata assistita non solo è questione di decoro ma consente anche di rilevare immediatamente un eventuale difetto della stessa. Per non danneggiare o compromettere il funzionamento dei vari componenti, soprattutto delle parti elettriche, la pulizia va effettuata prendendo alcune precauzioni. È assolutamente vietato indirizzare getti di acqua in pressione verso le parti elettriche, il motore, il display e la batteria, per le quali si consiglia il lavaggio con spugna.
Prima di avviare la bicicletta a pedalata assistita, asciugare completamente con aria compressa a bassa pressione e verificare che non sia rimasta umidità residua sui componenti elettrici.
Lubrificazione catena
È importante lubrificare la catena regolarmente, per evitare un'usura eccessiva e per prolungarne la durata.
- Pulire tutta la lunghezza delle maglie con uno straccio.
- Spruzzare su tutte le maglie un apposito grasso in spray per catene di trasmissione.
Controllo delle parti
Il telaio portante della bicicletta a pedalata assistita e le saldature devono essere privi di difetti visibili quali: crepe, deformazioni, incisioni, corrosioni, ecc.
Assicurarsi che tutti i bulloni ed i pedali della bicicletta a pedalata assistita siano ben serrati. Verificare lo stato ed il fissaggio della batteria, le guaine dei cavi elettrici devono essere in buono stato e i terminali devono essere ben serrati e non corrosi.
Verificare lo stato di carica della batteria, mediante l'indicatore posto sul display al manubrio.
Per un corretto utilizzo della batteria a pedalata assistita (EPAC) si suggerisce di caricare sempre la batteria dopo ogni utilizzo della bici. Tramite l'apposita valvola di gonfiaggio presente sui cerchioni, controllare la pressione di gonfiaggio delle gomme utilizzando un compressore ed una pistola con manometro. Controllare lo stato del battistrada, del cerchio e il fissaggio dei cerchi ai mozzi. In caso di sostituzione delle gomme, rivolgetevi al Servizio Assistenza o a un gommista qualificato. Non modificate il tensionamento dei raggi: la regolazione deve essere eseguita da personale specializzato e con mezzi idonei. I freni devono essere regolati in modo da assicurare una frenata efficace e allo stesso tempo le leve di comando devono avere una corsa adeguata per poter modulare la frenata: in altre parole i freni non devono essere né troppo lenti né troppo tirati.
8. Display LCD
La bicicletta a pedalata assistita è provvista di un display LCD per una gestione completa di tutte le funzionalità previste per la sua bici.
Accensione / Spegnimento
Tenere premuto per almeno un secondo il pulsante ON per accendere / spegnere il display LCD.

text_image
AVG MAX 88 Km/h MPH Trip ODO Time 88:00:00 Mile Km ARGENTO
text_image
M ONPedalata assistita (PAS)
Premere il pulsante + o - per aumentare o diminuire il livello del PAS (modalità di pedalata assistita).
Il display è preconfigurato per offrire 5 livelli di assistenza alla pedalata. Il livello 1 fornisce il minimo supporto dal motore, il livello 5 ne fornisce il massimo. Il livello 0 non fornisce alcuna assistenza da parte del motore.
In fase di configurazione del display è possibile optare per range di livelli di assistenza alla pedalata differenti: 0-3, 0-5 e 0-9. Queste opzioni non vanno a modificare l'assistenza massima fornita ma permettono esclusivamente una ripartizione dei livelli di assistenza differenti.
Si allega la tabella sottostante per avere un raffronto tra le modalità dei diversi range.
| 3 livelli 5 livelli 9 livelli | |||
| 0 0 0 Nessuna assistenza | |||
| 1 | 1 | ||
| 2 | |||
| 1 2 3 | |||
| 4 | |||
| 3 | 5 | ||
| 2 | 6 | ||
| 4 | 7 | ||
| 8 | |||
| 3 5 9 | |||

Premere il pulsante ON per passare dalla funzione AVG SPEED - MAX SPEED - TRIP - ODO - TIME.
La funzione AVG SPEED mostra la velocità media tenuta durante l'ultimo utilizzo della bici, la funzione MAX SPEED mostra la velocità massima tenuta durante l'ultimo utilizzo della bici, la funzione TRIP consiste nel mostrare i Km parziali percorsi con la propria bici,
la funzione ODO consiste nel mostrare i Km totali percorsi con la propria bici,
la funzione TIME mostra il tempo di utilizzo accumulato dopo l'ultimo utilizzo della propria bici.
Premere contemporaneamente i pulsanti + e - per azzerare le funzioni: AVG SPEED - MAX SPEED - TRIP - TIME
Gestione delle luci
Tenere premuto per almeno 1 secondo il pulsate + per accendere / spegnere la luce anteriore e posteriore presenti sulla bicicletta a pedalata assistita.

text_image
0 Km/h 0 Trip 1.7 KmControllare che i catarifrangenti siano presenti e ben serrati nella ruota anteriore e posteriore.
Camminata assistita
Tenere premuto per almeno due secondi il pulsante - per attivare la funzione di camminata assistita, la stessa funzione viene interrotta al rilascio del pulsante -. La funzione di camminata assistita permette alla bici di attivare il motore senza la necessità di pedalare, tale funzione permette alla bici di raggiungere una velocità massima di 6 Km/h.

ATTENZIONE
Non usare mai la funzione di camminata assistita mentre si è in sella, in quanto le parti elettriche della bici potrebbero danneggiarsi. Usare sempre la funzione di camminata assistita mentre si cammina di fianco la propria bicicletta a pedalata assistita, impugnando saldamente con entrambe le mani le manopole del manubrio.

ATTENZIONE
Indicatore della batteria
L'indicatore di batteria è completo al completamento di carica della batteria della propria bicicletta a pedalata assistita. L'indicatore della batteria scende di livello man mano che si utilizza la bicicletta a pedalata assistita. L'indicatore della batteria può subire oscillazioni nel livello di carica a seconda dell'uso della bicicletta a pedalata assistita, per esempio se si affronta una salita il livello dell'indicatore batteria può scendere rapidamente in quanto si ha un consumo molto più elevato della batteria in dotazione sulla propria bicicletta a pedalata assistita. Per un buon uso e manutenzione della batteria si consiglia di caricare completamente la batteria dopo ogni utilizzo della propria bicicletta a pedalata assistita.
9. Configurazione del display LCD
Premere il pulsante M per almeno due secondi per entrare nella configurazione del display LCD.
All'interno della configurazione del display, premere i pulsanti + e - per cambiare il valore del singolo parametro, premere il pulsante M per passare al successivo parametro, premere per almeno due secondi il pulsante M per uscire dalla configurazione del display LCD.
Km/Miglia
Segnalato dal simbolo S7, premere i pulsanti + e - per passare da una visualizzazione da Km/h a MPH.
Retroilluminazione del display
Segnalato dal simbolo b1, valori ammessi: 1-5.
Spegnimento automatico del display
Segnalato dal simbolo OF, valori ammessi: 0-15. I valori impostati corrispondono ai minuti.
Se il valore impostato è 0 tale funzione non è attivata.
Se il valore importato è un valore tra 1 e 15 il display si spegnerà in automatico dopo determinati minuti.
Diametro della ruota
Segnalato dal simbolo Hd, valori ammessi: 6-34.
I valori impostati corrispondono ai pollici del diametro della ruota. Per il proprio modello lasciare il valore su 28 altrimenti i valori visualizzati sul display durante l'uso della propria bici non saranno corretti.
Password - Limite di velocità
Segnalato dal simbolo Pd. In seguito inserire la password "1919" attraverso i pulsanti + e -, confermare ogni singolo valore nella password digitata con il pulsante M.
Dopo aver digitato correttamente la password si entra nel parametro del limite di velocità segnalato dal simbolo SL, valori ammessi: 10-100.
Parametro motore
Segnalato dal simbolo HL, assicurarsi che il valore impostato sia il numero 1. Se si imposta un valore differente si potrebbero verificare delle anomalie nella velocità riscontrata sul display.
©
10. Codici errore
Nel caso si verifichi un malfunzionamento alla propria bicicletta a pedalata assistita, tale icona verrà mostrata sul display contestualmente al corrispondente codice errore.
Si prega di consultare la seguente tabella dei codici errori e riportare il tutto al servizio assistenza.
| Codice Definizione | |
| 01 Errore di comunicazione | |
| 03 Errore nel sistema frenante | |
| 04 Errore acceleratore | |
| 06 Protezione per bassa tensione | |
| 07 Protezione per alta tensione | |
| 08 Anomalia nel sensore hall | |
| 09 Anomalia della linea di fase | |
| 10 Surriscaldamento centralina | |
| 11 Errore del PAS | |
| 12 Anomalia del sensore corrente | |
| 13 Surriscaldamento batteria | |
| 14 Surriscaldamento motore | |
| 21 Errore del sensore velocità | |
| 22 Anomalia del BMS | |
| 30 | Errore di comunicazione |
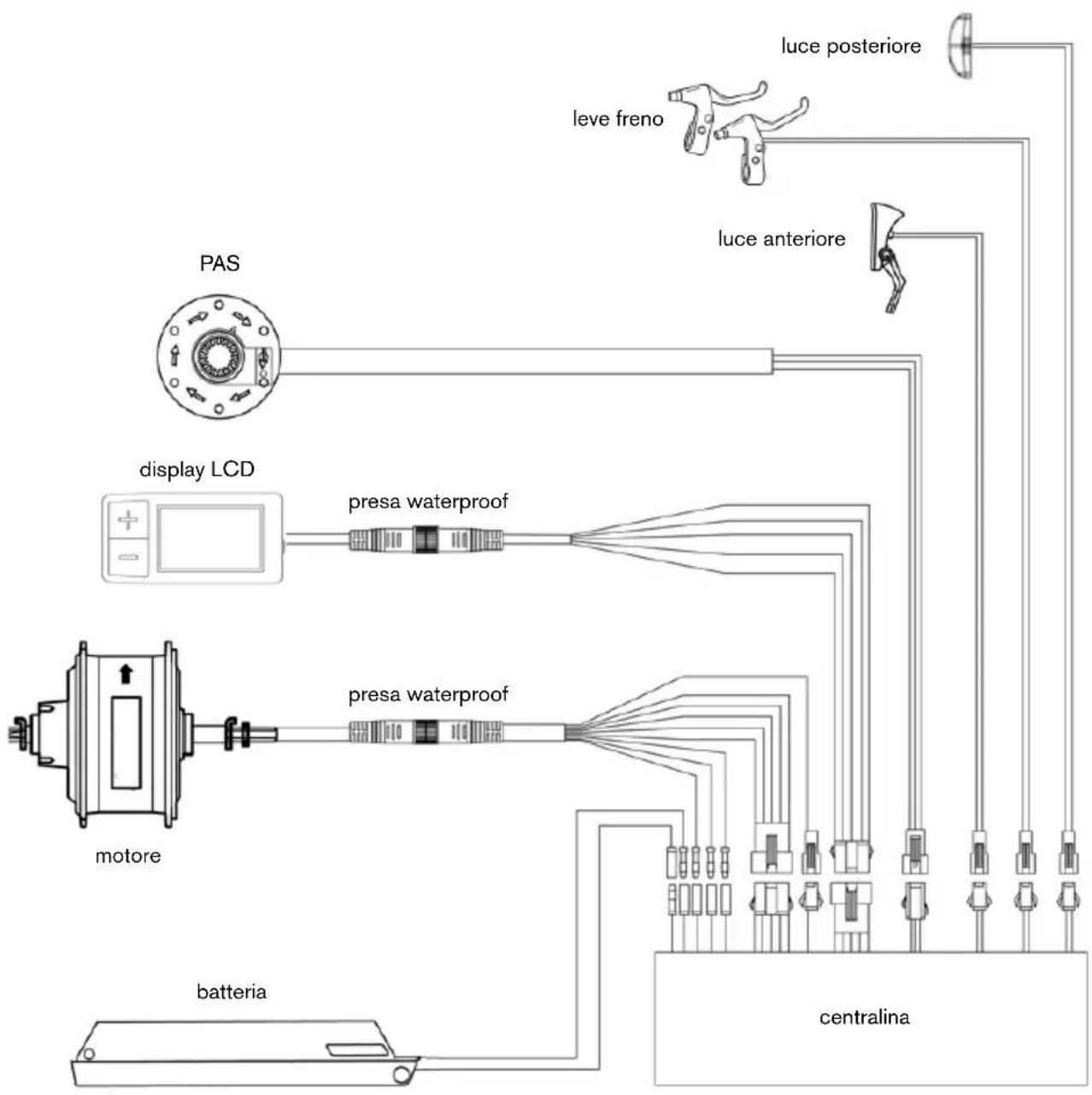
11. Diagramma connessioni

flowchart
graph TD
A["motore"] --> B["presa waterproof"]
B --> C["presa waterproof"]
C --> D["batteria"]
D --> E["centralina"]
F["display LCD"] --> G["presa waterproof"]
H["PAS"] --> I["display LCD"]
I --> J["presa waterproof"]
J --> K["lue anteriore"]
K --> L["lue posteriore"]
M["leve freno"] --> N["lue posteriore"]
O["lue posteriore"] --> P["lue posteriore"]
12. Batteria (Avvertenze)
- Accertarsi che la bicicletta a pedalata assistita, il caricabatterie e la porta di ricarica siano asciutti.
- Quando la batteria della bicicletta a pedalata assistita è completamente carica, la luce LED sul caricabatteria passa da rosso (in carica) a verde (carica completata).
- Utilizzare solo il caricabatterie originale. Altri caricabatterie danneggiano il dispositivo e comportano altri rischi potenziali.
- La batteria non deve essere caricata per periodi prolungati. Il sovraccarico riduce la durata della batteria e altri rischi potenziali.
- Caricare la batteria in un ambiente asciutto, lontano da materiali infiammabili (ad esempio materiali che potrebbero esplodere in fiamme), preferibilmente a una temperatura interna di 15-25°C, ma mai inferiore a 0°C o superiore a +45°C.
- Non caricare alla luce diretta del sole o vicino a fonti di calore.
- Non lasciare mai la batteria incustodita durante la ricarica. Rischio di incendio! Non collegare mai la presa di ricarica con oggetti metallici.
- Leggere le sezioni sulla ricarica per maneggiare correttamente la batteria.
- Tenere la batteria lontana da fiamme libere o altre fonti di calore per evitare il surriscaldamento della batteria.
- Non lasciare la batteria esposta a temperature gelide. Il caldo e il freddo eccessivi possono entrambi scaricare la batteria.
- Evitare di scaricare completamente la batteria.
- È meglio ricaricare la batteria mentre è ancora carica. Ciò prolunga la durata della batteria.
- Caricare la batteria a intervalli regolari, anche se non si utilizza la bicicletta a pedalata assistita per un periodo prolungato.

PERICOLO
Precauzioni per la batteria
La batteria è composta da celle agli ioni di litio ed elementi chimici pericolosi per la salute e l'ambiente. Non utilizzare la bicicletta a pedalata assistita se emette odori, sostanze o calore eccessivo. Non smaltire la bicicletta a pedalata assistita o la batteria insieme ai rifiuti domestici. L'utente finale è responsabile dello smaltimento delle apparecchiature elettriche ed elettroniche e delle batterie in conformità con tutte le normative in vigore.
Da non fare
Aprire o smontare la batteria o colpire, lanciare, forare o attaccare oggetti alla batteria. Toccare eventuali sostanze fuoriuscite dalla batteria, poiché contiene sostanze pericolose. Lasciare che bambini o animali tocchino la batteria.
Sovraccaricare, sovra scaricare o mandare in cortocircuito la batteria. Immergere o esporre la batteria all'acqua o ad altre sostanze liquide. Esporre la batteria a calore o freddo eccessivi.
Esporre la batteria a un ambiente contenente gas esplosivi o fiamme.
Lasciare la batteria sotto la pioggia o la luce diretta del sole o in auto calde alla luce diretta del sole. Riassemblare o rimontare la batteria.
Trasportare o conservare la batteria insieme a oggetti metallici come forcine, collane, ecc. Guidare la bicicletta a pedalata assistita durante la ricarica.
Utilizzare qualsiasi altro caricabatterie diverso dall'originale.
Trattamento del dispositivo elettrico o elettronico a fine vita (applicabile in tutti i paesi dell'unione europea ed in altri sistemi europei con sistema di raccolta differenziata)

Questo simbolo sul prodotto o sulla confezione indica che il prodotto non deve essere considerato come un normale rifiuto domestico, ma deve invece essere consegnato ad un punto di raccolta appropriato per il riciclo di apparecchi elettrici ed elettronici (RAEE).
Assicurandovi che questo prodotto sia smaltito correttamente, voi contribuirete a prevenire potenziali conseguenze negative per l'ambiente e per la salute che potrebbero altrimenti essere causate dal suo smaltimento inadeguato. Il riciclaggio dei materiali aiuta a conservare le risorse naturali.
Per informazioni più dettagliate circa il riciclo e lo smaltimento di questo prodotto potete contattare il servizio locale di smaltimento rifiuti oppure il punto vendita dove lo avete acquistato.
In ogni caso occorre e'ettuare lo smaltimento secondo la normativa vigente nel Paese d'acquisto.
In particolare i consumatori hanno l'obbligo di non smaltire i RAEE come rifiuti urbani, ma devono partecipare alla raccolta di èerenziata di questa tipologia di rifiuti attraverso due modalità di consegna:
1) Presso i Centri di Raccolta comunali (anche dette Eco-piazzole, isole ecologiche), direttamente o tramite i servizi di raccolta delle municipalizzate, ove questi siano disponibili;
2) Presso i punti di vendita di nuove apparecchiature elettriche ed elettroniche.
Qui si possono consegnare gratuitamente i RAEE di piccolissime dimensioni (con il lato più lungo inferiore a 25cm), mentre quelli di dimensioni maggiori possono essere conferiti in modalità 1 contro 1, ovvero consegnando il vecchio prodotto nel momento in cui se ne acquista uno nuovo di pari funzioni.
In caso di smaltimento abusivo di apparecchiature elettriche o elettroniche potrebbero essere applicate le sanzioni previste dalla normativa vigente in materia di tutela ambientale (normativa Italiana, è necessario verificare le normative in essere nel paese di utilizzo/smaltimento del mezzo).
Qualora i RAEE contengano pile o accumulatori, questi devono essere rimossi e soggetti ad una specifica raccolta di'erenziata.
Trattamento delle pile esauste (applicabile in tutti i paesi dell'unione europea ed in altri sistemi europei con sistema di raccolta differenziata)

Questo simbolo sul prodotto o sulla confezione indica che la pilabatteria non deve essere considerato un normale rifiuto domestico. Su alcuni tipi di pile questo simbolo potrebbe essere utilizzato in combinazione con un simbolo chimico.
I simboli chimici del Mercurio (Hg) o del Piombo (Pb) sono aggiunti se la batteria contiene più dello 0,0005% di mercurio o dello 0,004% di piombo.
Assicurandovi che le pile-batterie siano smaltite correttamente, voi contribuirete a prevenire potenziali conseguenze negative per l'ambiente e per la salute che potrebbero altrimenti essere causate dal loro smaltimento inadeguato. Il riciclaggio dei materiali aiuta a conservare le risorse naturali. In caso di prodotti che, per motivi di sicurezza, prestazione o protezione dei dati richiedano un collegamento fisso ad una pila/batteria interna, la stessa dovrà essere sostituita solo da personale di assistenza qualificato.
Consegnare il prodotto a fine vita a punti di raccolta idonei allo smaltimento di apparecchiature elettriche ed elettroniche: questo assicura che anche la pila al suo interno venga trattata correttamente.
Per informazioni più dettagliate circa lo smaltimento della pila-batteria esausta o del prodotto, potete contattare il servizio locale di smaltimento rifiuti oppure il punto vendita dove lo avete acquistato.
In ogni caso occorre e'ettuare lo smaltimento secondo la normativa vigente nel Paese d'acquisto.
13. Termini di garanzia
Tutti i prodotti sono coperti da garanzia legale di conformità prevista dalla Direttiva 2011/83/UE.
La Garanzia Legale è riservata ai consumatori. Essa, pertanto, trova applicazione esclusivamente agli utenti che hanno effettuato l'acquisto dei Prodotti per scopi estranei all'attività imprenditoriale, commerciale, artigianale o professionale eventualmente svolta.
A coloro che hanno acquistato i Prodotti e che non rivestano la qualità di consumatori saranno invece applicate le garanzie per i vizi della cosa venduta, la garanzia per difetto di qualità promesse ed essenziali e le altre garanzie previste dal codice civile con i relativi termini, decadenze e limitazioni.
Il venditore (e, dunque, per quanto riguarda gli acquisti dei Prodotti, il Rivenditore che ha venduto all'utente il Prodotto) è responsabile nei confronti del consumatore per qualsiasi difetto di conformità esistente al momento della consegna del prodotto e che si manifesti entro due anni da tale consegna. Il difetto di conformità deve essere denunciato al venditore, a pena di decadenza dalla garanzia, nel termine di due mesi dalla data in cui è stato scoperto.
Salvo prova contraria, si presume che i difetti di conformità che si manifestano entro i sei mesi dalla consegna del prodotto esistessero già a tale data, a meno che tale ipotesi sia incompatibile con la natura del prodotto o con la natura del difetto di conformità.
A partire dal settimo mese successivo alla consegna del prodotto, sarà invece onere del consumatore provare che il difetto di conformità esisteva già al momento della consegna dello stesso.
Per poter usufruire della Garanzia Legale, l'acquirente deve quindi fornire innanzitutto prova della data dell'acquisto e della consegna del bene. È pertanto opportuno che l'acquirente, a fini di tale prova, conservi qualsiasi documento che possa attestare la data di effettuazione dell'acquisto e la data della consegna (per esempio: lo scontrino, la fattura, l'email di conferma ordine).
Sono esclusi dal campo di applicazione della Garanzia Legale dei Prodotti eventuali guasti o malfunzionamenti causati da fatti accidentali e/o ascrivibili a responsabilità dell'Acquirente ovvero da un uso del Prodotto non conforme alla sua destinazione d'uso e/o a quanto previsto nella documentazione tecnica allegata al Prodotto, ovvero dovuti a mancata regolazione delle parti meccaniche, naturale usura dei materiali logorabili o causati da errori di assemblaggio, carenza di manutenzione e/o da utilizzo dello stesso non conforme alle istruzioni.
Sono, per esempio, da considerarsi esclusi dalla Garanzia Legale relativa ai Prodotti:
- i danni causati da urti, cadute accidentali o collisioni, forature;
- i danni causati da utilizzo, esposizione o rimessaggio in ambiente non adeguato (es: presenza di pioggia e/o fango, esposizione all'umidità o fonte di calore eccessiva, contatto con la sabbia o con altre sostanze
-
i danni causati da mancata regolazione per messa in strada e/o manutenzione di parti meccaniche, freno a disco meccanico, manubrio, pneumatici ecc.; l'errata installazione e/o l'errato assemblaggio di parti e/o componenti, fatto salvo il caso in cui l'installazione e/o l'assemblaggio siano stati effettuati dal venditore o sotto la sua responsabilità e/o esse siano state effettuate dal consumatore ma l'errore nella installazione e/o assemblaggio sia imputabile a carenza delle istruzioni di installazione;
-
la naturale usura dei materiali logorabili: freno a disco meccanico (es: pastiglie, pinze, disco, cavi), pneumatici, pedane, guarnizioni, cuscinetti, luci led e lampadine, cavalletto, manopole, parafanghi, parti in gomma (pedana), cablaggi dei connettori dei cavi, mascherine e adesivi, ecc.;
- la manutenzione impropria e/o l'uso improprio della batteria del Prodotto;
- la manomissione e/o la forzatura di parti del Prodotto;
- la manutenzione o la modificazione scorretta o non adeguata del Prodotto;
- l'utilizzo improprio del Prodotto (es: carico eccedente, uso in competizioni e/o per attività commerciali di affitto o noleggio);
- manutenzioni, riparazioni e/o interventi tecnici sul Prodotto effettuati da soggetti terzi non autorizzati;
- danni ai Prodotti derivanti dal trasporto, ove effettuato a cura dell'Acquirente;
- danni e/o difetti derivanti dall'uso di parti di ricambio non originali.
Nel caso in cui un Prodotto acquistato, nel corso del periodo di validità della Garanzia Legale, manifesti quello che potrebbe essere un difetto di conformità, l'Acquirente deve contattare il venditore che dovrà effettuerà le verifiche necessarie al fine di accertare la sussistenza o meno del difetto lamentato e darà tempestivo riscontro alla comunicazione del presunto difetto di conformità, indicandogli la specifica procedura da seguire, anche tenendo conto della categoria cui il Prodotto appartiene e/o del difetto denunciato.

text_image
OMEGA +city e-bike
Calderara di Reno, Bologna
ManualeFacile