Omega - Elektrokolo Argento - Bezplatný návod k obsluze
Najděte návod k zařízení zdarma Omega Argento ve formátu PDF.
Dotazy uživatelů ohledně Omega Argento
0 otázka o tomto zařízení. Odpovězte na ty, které znáte, nebo položte vlastní.
Položte novou otázku o tomto zařízení
Stáhněte si návod pro váš Elektrokolo ve formátu PDF zdarma! Najděte svůj návod Omega - Argento a vezměte svůj elektronický přístroj zpět do rukou. Na této stránce jsou zveřejněny všechny dokumenty potřebné k používání vašeho zařízení. Omega značky Argento.
NÁVOD K OBSLUZE Omega Argento
Návod k použití a údržbě
Před použitím musí být jízdní kolo správně sestaveno a všechny jeho částí zkontrolovány. Na poškození způsobená nesprávnou montáží nebo údržbou se záruka nevztahuje.
Další informace nebo žádost o technickou podporu a pomoc, a pro seznámení se se záručními podmínkami, kontaktujte svého prodejce nebo navštivte webové stránky www.argentobike.it
Náhradní díly najdete na internetových stránkách www.urbanemobility.com
- Úvod
- Bezpečnostní upozornění
- Popis jízdního kola (EPAC)
- Zvedání a přeprava
- Sestavení
- Uvedení do provozu
- Pokyny k údržbě
- LCD displej
- Konfigurace LCD displeje
- Chybové kódy
- Schéma zapojení
- Baterie (Upozornění)
- Záruční podmínky
1. Úvod
Obecně
Tento návod je nedílnou a nezbytnou součástí jízdní kola s asistovaným šlapáním (EPAC).
Před uvedením do provozu je nezbytné, aby si uživatelé přečetli níže uvedená ustanovení, porozuměli jim a důsledně je dodržovali.
Výrobce neodpovídá za škody na osobách a/nebo majetku nebo za poškození jízdního kola s asistovaným šlapáním v případě jeho nesprávného použití.
V zájmu neustálého technologického vývoje si výrobce vyhrazuje právo měnit jízdní kolo s asistovaným šlapáním (EPAC) bez předchozího upozornění a bez automatické aktualizace tohoto návodu.
Asistenční služba
V případě jakýchkoli problémů nebo dotazů se neváhejte obrátit na asistenční službu autorizovaného prodejce ARGENTO E-MOBILITY, který má k dispozici kompetentní a odborný personál, specializované vybavení a originální náhradní díly.
Grafická podoba bezpečnostních upozornění
Pro identifikaci bezpečnostních hlášení v tomto návodu se používají následující grafické symboly. Jejich účelem je upozornit čtenáře/uživatele na správné a bezpečné používání jízdního kola s asistovaným šlapáním.

POZOR
Věnujte pozornost
Zdůrazňuje pravidla, která je třeba dodržovat, aby nedošlo k poškození jízdního kola s asistovaným šlapáním a/nebo aby se předešlo nebezpečným situacím.

NEBEZPEČÍ
Zbytková rizika
Upozorňuje na přítomnost nebezpečí, která způsobují zbytková rizika, jimž musí uživatel věnovat pozornost, aby se vyhnul zranění nebo hmotným škodám.
Právní poznámka k používání
Vždy dodržujte pravidla silničního provozu a cyklistické předpisy platné v zemi použití.
2. Bezpečnostní upozornění
Obecná bezpečnostní pravidla
I když jste již s používáním jízdního kola s asistovaným šlapáním obeznámeni, měli byste kromě obecných bezpečnostních opatření, která je třeba dodržovat při jízdě na motorovém vozidle, dodržovat i zde uvedené pokyny.

POZOR
Používání jízdního kola s asistovaným šlapáním
Každý uživatel si musí nejprve přečíst tento návod k obsluze a údržbě, zejména kapitolu o bezpečnostních pokynech.

POZOR
Rizika spojená s používáním jízdního kola s asistovaným šlapáním
I přes použití bezpečnostních zařízení byste měli vzít na vědomí všechny pokyny pro prevenci nehod uvedené v tomto návodu tak, abyste zajistili bezpečné používání jízdního kola s asistovaným šlapáním.
Při jízdě se vždy soustřed'te a nepodceňujte zbytková rizika spojená s používáním jízdního kola s asistovaným šlapáním.
Odpovědnost
Řidič je povinen používat jízdní kolo s asistovaným šlapáním s maximální pečlivostí a v plném souladu s pravidly silničního provozu a všemi cyklistickými předpisy platnými v zemi použití.
Řidič je rovněž povinen udržovat jízdní kolo s asistovaným šlapáním v čistotě a v bezvadném technickém stavu, pečlivě provádět bezpečnostní kontroly, za které je zodpovědný, jak je popsáno v části Upozornění a doporučení, a uchovávat všechny dokumenty týkající se údržby jízdního kola s asistovaným šlapáním.
Řidič musí pečlivě vyhodnotit povětrnostní podmínky, které by mohly způsobit nebezpečí při používání jízdního kola s asistovaným šlapáním. Za tímto účelem se doporučuje snížit rychlost a udržovat dostatečnou brzdnou dráhu v případě nepříznivých povětrnostních podmínek nebo v případě intenzivního provozu.
Upozornění pro uživatele
- Je zakázáno vozit spolujezdce. Při používání přepravních zařízení nezletilými osobami ověřte a dodržujte předpisy platné v zemi jízdy.
- Mohou jej používat pouze dospělí a mladiství se zkušenostmi.
- Před jízdou na jízdním kole s asistovaným šlapáním nepožívejte alkohol ani drogy.
- Tento model jízdního kola s asistovaným šlapáním je navržen a vyroben pro venkovní použití na veřejných komunikacích nebo cyklostezkách.
- Nevyžadujte na jízdním kole s asistovaným šlapáním větší výkon, než pro který bylo navrženo.
- Nikdy nejezděte na jízdním kole s asistovaným šlapáním s odstraněnými díly.
- Vyhýbejte se nerovným povrchům a překážkám.
- Řid'te s oběma rukama na řídítkách.
- Vyměňte opotřebované a/nebo poškozené díly a před použitím zkontrolujte, zda ochrany správně fungují.
Poznámky k údržbě
Veškeré údržbové práce se musí provádět s odpojenou baterií.
Během každé fáze údržby musí být obsluha vybavena potřebným vybavením pro prevenci nehod.
Nástroje používané k údržbě musí být odpovídající a kvalitní.
Jako čisticí prostředky nepoužívejte benzín nebo hořlavá rozpouštědla, ale vždy používejte nehořlavá a netoxická rozpouštědla.
Co nejvíce omezte používání stlačeného vzduchu a chraňte se brýlemi s bočními štíty.
Při kontrolách nebo údržbě nikdy nepoužívejte jako zdroj osvětlení otevřený oheň.
Po každé údržbě nebo seřízení se ujistěte, že mezi pohyblivými částmi jízdního kola s asistovaným šlapáním nezůstaly žádné nástroje ani cizí tělesa.
Další ustanovení
Při zahájení používání je třeba nejprve zkontrolovat přítomnost a neporušenost ochran a bezpečnostní funkce.

Pokud zjistíte nějaké závady, nepoužívejte jízdní kolo s asistovaným šlapáním!
Ochrany
Je přísně zakázáno upravovat nebo odstraňovat ochranné kryty baterie, řetězu atd., jakož i výstražné a identifikační štítky.
Deposit and storage
- Pokud má být jízdní kolo s asistovaným šlapáním skladováno a uchováváno po delší dobu bez provozu, je třeba provést následující kroky:
- Uložte jej na suchém a vzdušném místě.
- Proved'te generální čištění jízdního kola s asistovaným šlapáním.
- Vyjměte baterii z pouzdra a nastavte klíč do polohy OFF.
- Nechte jízdní kolo na stojánku.
- Chraňte vystavené elektrické kontakty antioxidacními přípravky.
- Namažte všechny povrchy, které nejsou chráněny, nátěrem nebo antikorozní úpravou.
3. Popis jízdního kola (EPAC)

text_image
displej ARGENTO 27 24 25 23 22 21 32 19 18 17 16 151413 12 10 11 ARGENTO 30 29 28 26 25 24 23 22 21 1 1- Sedlo
- Sedlovka
- Zámek zadního kola
- Nosič s upínací gumou (max.15 kg)
- Zadní LED světlo
- Zadní blatník
- Zadní kolo
- Zadní mechanická kotoučová brzda
- Motor 36V 250W
- Přední přehazovačka Shimano se 7 rychlostmi
- Zástrčka motoru
- Stojánek (opačná strana)
- Retěz
- Pedál (pravý)
- PAS
-
Přední kolo
-
Přední mechanická kotoučová brzda
- Přední vidlice
- Přední blatník
- Přední LED světlo
- Predstavec řídítek
- Trubka řídítek
- Rídítka
- Zvonek
- Brzdová páčka s motorovým senzorem (pravá)
- Brzdová páčka s motorovým senzorem (levá)
- Přehazovačka Shimano se 7 rychlostmi
- LCD displej
- Zamykání/odemykání baterie (opačná strana)
- Baterie Li-Ion 36V 10.4Ah
- Zásuvka pro nabíjení baterie (opačná strana)
- Sériové číslo rámu
Podmínky použití
Jízdní kolo s asistovaným šlapáním je navrženo a vyrobeno pro jízdu venku, na veřejných komunikacích a cyklostezkách, vždy však na zpevněném povrchu.
Jakákoli změna stavu konstrukce může ovlivnit bezpečnost a stabilitu jízdní kola s asistovaným šlapáním a může vést k nehodě.
Jiné způsoby použití nebo rozšíření použití nad rámec zamýšleného použití neodpovídají výrobcem stanovenému účelu použití, a výrobce proto nemůže převzít žádnou odpovědnost za případné škody z toho vyplývající.
Dojezd baterie, a tedy i odhadovaný počet ujetých kilometrů, se může značně lišit v závislosti na způsobu použití a vnějších vlivech; viz následující obzvláště vlivné faktory: hmotnost uživatele, frekvence šlapání, úroveň asistence zvolená na displeji, průměrná rychlost, tlouštka a opotřebení běhounu, sklon a povrch vozovky, povětrnostní podmínky.
Prostředí použití
Jízdní kolo s asistovaným šlapáním lze používat venku za nepříznivých povětrnostních podmínek (déšť, kroupy, sníh, silný vítr atd.).
Maximální přípustná teplota: +40°C
Minimální přípustná teplota: +0°C
Maximální přípustná vlhkost: 80%
Plocha použití musí mít rovný, kompaktní asfaltový povrch bez nerovností, děr nebo prohlubní, bez překážek a olejových skvrn.
Kromě toho musí být místo použití osvětleno sluncem nebo umělým světlem tak, aby byla zajištěna správná viditelnost trasy a ovládacích prvků jízdního kola s asistovaným šlapáním (doporučuje se 300 až 500 luxů).

POZOR
Zakázaná prostředí použití
Jízdní kolo s asistovaným šlapáním se nesmí používat:
• v místech, kde hrozí nebezpečí požáru nebo výbuchu;
- v prostředí s korozivní a/nebo chemicky aktivní atmosférou; ve špatně osvětleném prostředí;
- na terénu se sklonem větším než 10 %; na nerovném, nezpevněném povrchu.
Nevhodná použití a kontraindikace
Níže popsané činnosti, které samozřejmě nemohou pokrýt celou škálu možného „špatného používání” jízdního kola s asistovaným šlapáním, je třeba považovat za zcela zakázané.

POZOR
Zakázané činnosti
Provádění zakázaných činností má za následek neplatnost záruky.
Výrobce nenese žádnou odpovědnost za škody na majetku nebo osobách vzniklé v důsledku provádění zakázaných činností.

NEBEZPEČÍ
Je přísně zakázáno:
- Jízda na jízdním kole s asistovaným šlapáním pro jiné účely, než pro které bylo vyrobeno, tj. pro potěšení spolujezdce.
- Jízda na jízdním kole s asistovaným šlapáním v místech, kde hrozí nebezpečí výbuchu.
- Jízda na jízdním kole s asistovaným šlapáním za nepříznivých povětrnostních podmínek (silný déšť, kroupy, sníh, silný vítr atd.). Přeprava spolujezdce.
- Jízda na jízdním kole s asistovaným šlapáním pod vlivem alkoholu nebo drog. Jízda na jízdním kole s asistovaným šlapáním, pokud je vaše hmotnost vyšší než ta povolená.
- Nabíjení baterie v prostředí, které je příliš horké nebo není dostatečně větrané.
- Zakrývat baterii při nabíjení.
- Kouřit nebo používat otevřený oheň v blízkosti nabíjecího prostoru.
- Jízda nebo stání na povrchu se sklonem větším než 10 % nebo na nerovném povrchu (nezpevněném, s dírami, prohlubněmi, překážkami atd.).
- Provádět jakoukoliv údržbu s připojenou baterií. Používat neoriginální náhradní díly.
- Vkládat končetiny nebo prsty mezi pohyblivé části jízdního kola.
4. Zvedání a přeprava
Zvedání
Hmotnost kola s asistovaným šlapáním je přibližně 23 kg, proto se doporučuje, aby jej zvedaly dvě dospělé osoby.

NEBEZPEČÍ
Přimáčknutí a náraz
Při zvedání je třeba dbát zvýšené opatrnosti, aby nedošlo ke zranění osob a poškození majetku. Tuto činnost musí provádět dvě osoby.
Výrobce neručí za poškození způsobená zvedáním a/nebo přepravou jízdního kola s asistovaným šlapáním po dodání.
Přeprava
Aby byla zajištěna bezpečná přeprava v dodávkách, je nutné zabránit pohybu jízdního kola s asistovaným šlapáním. Toho se dosáhne umístěním kola na stojánek a jeho zajištěním pomocí popruhů nebo kotevních lan v dobrém stavu.
V tomto ohledu musí být upevňovací zařízení instalována tak, aby nepoškodila rám a jiné části jízdního kola.
5. Sestavení
- Opatrně vyjměte jízdní kolo z obalu* a veškerého ochranného materiálu, dbejte na to, abyste nepoškrábali lakované části a netahejte za kabely výrobku.
*Vyjmutí jízdního kola z obalu musí provádět dvě dospělé osoby, aby nedošlo ke zranění nebo přimáčknutí.

- Vložte přední kolo do příslušných uložení přední vidlice a utáhněte kolo pomocí rychloupínáku (obr. A). (Vložte kolík do náboje, páku ponechte na pravé straně kola a zašroubujte pojistnou matici na opačné straně až na doraz, dotáhněte páčku směrem k vidlici, abyste dotažení dokončili).

- Povolte 2 šrouby na představci řídítek, aby se představec řídítek mohl otočit o 180°. Vyrovnejte trubku s předním kolem a utáhněte dříve povolené šrouby.
Odstraňte destičku na konci trubky řídítek (představec řídítek) vytažením dvou upevňovacích šroubů a vložte řídítek do příslušného uložení.
Umístěte předtím odstraněnou destičku představce řídítek do původní polohy a lehce utáhněte 2 upevňovací šrouby, abyste nastavili správnou polohu řídítek.
Dokončete operaci dotažením šroubů.

- Odstraňte šroub umístěný v zadní části přední vidlice.
Nasadte prední blatník tak, že jej vložíte mezi vidlici a prední kolo a pomocí dříve odstraněného šroubu jej připevníte k vidlici použitím příslušného držáku.
Připevněte boční podpěry předního blatníku k odpovídajícím dříkům přední vidlice odstraněním a následným dotažením šroubu na nich (levá a pravá strana).

- Identifikujte pravý pedál (označený značkou R na ose pedálu) a levý pedál (označený L na ose pedálu).
Nasad'te pravý pedál tak, že jej zasunete na příslušnou kliku a zašroubujete ve směru hodinových ručiček, dokud nebude pevně utažen.
Namontujte levý pedál tak, že jej zasunete na příslušnou kliku a dbejte na to, abyste jej zašroubovali proti směru hodinových ručiček, dokud nebude utažený.

text_image
R LZkontrolujte, zda jsou všechny šrouby a pedály pevně utažené.

Nebezpečí zranění
Zkontrolujte, zda jsou všechny šrouby a pedály řádně utažené.
Nesprávně umístěné a/nebo volně utažené pedály mohou poškodit přední osu a/nebo způsobit, že se pedály během jízdy na kole uvolní, což může mít za následek vážné zranění vás i ostatních.

Negativní kontrola
Pokud při montáži zjistíte nejasnosti nebo potíže, na jízdním kole s asistovaným šlapáním nejezděte.
Obratte se na asistenční službu autorizovaného prodejce ARGENTO E-MOBILITY.
Maximální limit vytažení sedlovky

Je zcela zakázáno
Z konstrukčních a bezpečnostních důvodů rámu je při používání výrobku přísně zakázáno vytahovat sedlovku nad vyznačený limit (viz obrázek), aby se předešlo riziku možných prasknutí rámu.

text_image
MINIMUM FEDERKATION 20 - 1000 Max. Minimum 30 - 1000limit vysunutí sedlovky
6. Uvedení do provozu
Nabití baterie
Před prvním použitím jízdního kola s asistovaným šlapáním je třeba provést kompletní cyklus nabíjení baterie pomocí dodané nabíječky.
Jízdní kolo je poháněno lithium-ionovou baterií 36 V 10,4 Ah. Průměrná doba nabíjení je přibližně 4-6 hodin. Pro maximalizaci životnosti baterie se doporučuje každých třicet dní baterii plně nabít, i když se kolo nepoužívá.
Doporučujeme nabíjet baterii pomocí nabíječky po každém použití jízdního kola s asistovaným šlapáním.
Nabíjení s vloženou baterií
Připojte nabíječku k síťové zásuvce (230 V/50 Hz) a poté zasuňte zástrčku nabíječky do nabíjecí zásuvky na rámu.
Během nabíjecího cyklu baterie svítí červená kontrolka. Přítomnost zelené kontrolky znamená, že cyklus nabíjení baterie byl dokončen.
Nabíjení s vyjmutou baterií
Vložte klíč do zámku umístěného na rámu v blízkosti baterie.
Otočením klíčku proti směru hodinových ručiček umožníte odemčení baterie a její vyjmutí z rámu kola.
Připojte nabíječku k síťové zásuvce (230 V/50 Hz) a poté zasuňte zástrčku nabíječky do nabíjecí zásuvky na baterii.
Během nabíjecího cyklu baterie svítí červená kontrolka. Přítomnost zelené kontrolky znamená, že cyklus nabíjení baterie byl dokončen.
Vložte baterii zpět do jejího uložení a zamkněte ji otočením klíče ve směru hodinových ručiček.

text_image
F288 OPEN LOCKZamykání/odemykání baterie Nabíjecí zásuvka baterie

Před použitím jízdního kola s asistovaným šlapáním, aby bylo zajištěno, že výrobek bude efektivně uveden do provozu, doporučujeme pečlivě zkontrolovat každou část a seřídit příslušné mechanické součásti, a to bud' prímo, nebo s pomocí specializované obsluhy; jedná se o: seřizování a utažení
řídítek a představce řídítek, seřízení a utažení sedla a sedlovky, seřízení brzd, seřízení zadní přehazovačky, kontrola tlaku v pneumatikách, promazání řetězu a převodníků, kontrola, zda jsou všechny části v pořádku.
Kola
Zkontrolujte správnou montáž a dotažení průchozích os a/nebo prvků pro rychlé uvolnění kol.
Zkontrolujte stav pneumatik: nesmí být přítomné žádné řezy, praskliny, cizí tělesa, abnormální otoky, viditelná plátna nebo jiná poškození.
Zkontrolujte tlak vzduchu v pneumatice podle doporučené hodnoty uvedené na boku pneumatiky (3,5-5,9 BAR).
Brzdový systém
Zkontrolujte funkci brzd zkouškou brzdění při nízké rychlosti (max. 6 km/h) na místě bez překážek.
7. Pokyny k údržbě
Všechny úkony údržby je nutné provádět s odpojenou baterií a s jízdním kolem opřeným o stojánek.
Po každé běžné údržbě je nutné zkontrolovat bezchybnou funkci všech ovládacích prvků. Tento návod neobsahuje podrobné informace o demontáži a mimořádné údržbě, protože tyto operace musí vždy provádět výhradně servisní pracovníci autorizovaného prodejce ARGENTO E-MOBILITY.
Asistenční služba vám poskytne veškeré informace a odpovědi na všechny vaše dotazy týkající se péče o jízdní kolo s asistovaným šlapáním a jeho údržby.

POZOR
Negativní kontrola
V případě i jen jediné negativní kontroly nejezděte na jízdním kole s asistovaným šlapáním.
Okamžitě proved'te všechna opatření k řádné opravě a v případě potřeby se obraťte na asistenční službu svého prodejce.
Mytí
Čištění jízdního kola s asistovaným šlapáním je nejen otázkou estetiky, ale umožňuje také okamžitě odhalit případné závady na kole. Aby nedošlo k poškození nebo narušení funkce různých součástí, zejména elektrických, je
třeba čištění provádět s určitými bezpečnostními opatřeními. Je naprosto zakázáno směřovat proudy tlakové vody na elektrické části, motor, displej a baterii. Tyto součásti se doporučuje mýt houbou.
Před spuštěním jízdního kola s asistovaným šlapáním jej zcela vysušte stlačeným vzduchem pod nízkým tlakem a zkontrolujte, zda na elektrických součástech nezůstaly zbytky vlhkosti.
Mazání řetězu
Je důležité řetěz pravidelně mazat, aby se zabránilo jeho nadměrnému opotřebení a prodloužila se jeho životnost.
- Očistěte celou délku ok hadříkem.
- Postříkejte všechny články vhodným mazivem ve spreji pro hnací řetězy.
Kontrola částí
Nosný rám jízdního kola s asistovaným šlapáním a svary musí být bez viditelných vad, jako jsou praskliny, deformace, rytiny, koroze apod.
Ujistěte se, že jsou všechny šrouby a pedály jízdního kola s asistovaným šlapáním pevně utaženy. Zkontrolujte stav a upevnění baterie, pláště elektrických kabelů musí být v dobrém stavu a svorky musí být pevné a nezkorodované.
Zkontrolujte stav nabití baterie pomocí indikátoru na displeji na řídítkách.
Pro správné používání baterie s asistovaným šlapáním (EPAC) se doporučuje, abyste baterii nabíjeli vždy po každém použití kola. Prostřednictvím ventilu na ráfcích zkontrolujte tlak vzduchu v pneumatikách použitím kompresoru a pistole s tlakoměrem. Zkontrolujte stav běhounu, ráfku a upevnění ráfků k nábojům. Při výměně pneumatik se obraťte na asistenční službu nebo na kvalifikovaného odborníka na pneumatiky. Napětí paprsků neměňte: seřízení musí provádět odborný personál pomocí vhodných prostředků. Brzdy musí být seřízeny tak, aby bylo zajištěno účinné brzdění, a zároveň musí mít ovládací páčky dostatečný zdvih, aby bylo možné brzdění modulovat: jinými slovy, brzdy nesmí být příliš volné ani příliš utažené.
8. LCD displej
Jízdní kolo s asistovaným šlapáním je vybaveno LCD displejem pro kompletní správu všech funkcí kola.
Zapnutí/vypnutí
Stisknutím a podržením tlačítka ON po dobu alespoň jedné sekundy zapnete/vypnete LCD displej.

text_image
AVG MAX 88 Km/h MPH Trip ODO Time 88:00:00 Mile Km ARGENTO
text_image
M ONAsistované šlapání (PAS)
Stisknutím tlačítka + nebo - zvýšíte nebo snížíte úroveň PAS (režim asistovaného šlapání).
Na displeji je prednastaveno 5 úrovní asistence šlapání. Úroveň 1 poskytuje minimální podporu motoru, úroveň 5 poskytuje maximální podporu. Úroveň 0 neposkytuje žádnou asistenci motoru.
Při konfiguraci displeje je možné zvolit různé rozsahy úrovní asistence šlapání: 0-3, 0-5 a 0-9. Tyto možnosti nemění maximální poskytovanou pomoc, ale pouze umožňují rozdělení různých úrovní pomoci.
Níže je přiložena tabulka pro srovnání režimů různých rozsahů.
| 3 úrovně 5 úrovní 9 úrovní | |||
| 0 0 0 Žádná asistence | |||
| 1 | 1 | ||
| 2 | |||
| 1 2 3 | |||
| 4 | |||
| 3 | 5 | ||
| 2 | 6 | ||
| 4 | 7 | ||
| 8 | |||
| 3 5 9 |

Stisknutím tlačítka ON přepínáte mezi funkcemi AVG SPEED - MAX SPEED - TRIP – ODO - TIME.
Funkce AVG SPEED zobrazuje průměrnou rychlost udržovanou během posledního použití jízdního kola, funkce MAX SPEED zobrazuje maximální rychlost dosaženou při posledním použití kola, funkce TRIP zobrazuje částečné kilometry ujeté na kole, funkce ODO slouží k zobrazení celkového počtu kilometrů ujetých na kole, funkce TIME zobrazuje kumulovanou dobu používání od posledního použití jízdního kola.
Současným stisknutím tlačítek + a - vynulujete funkce: AVG SPEED - MAX SPEED - TRIP - TIME
Ovládání světel
Stisknutím a podržením tlačítka + po dobu alespoň 1 sekundy zapnete/vypnete přední a zadní světla na jízdním kole s asistovaným šlapáním.

text_image
0 Km/h 0 Top 0.1 KmZkontrolujte, zda jsou na předních a zadních kolech umístěny a pevně připevněny odrazky.
Asistovaná chůze
Funkci asistované chůze aktivujete stisknutím a podržením tlačítka - po dobu nejméně dvou sekund; po uvolnění tlačítka - se funkce přeruší. Funkce asistované chůze umožňuje aktivovat motor bez nutnosti šlapat, tato funkce umožňuje dosáhnout maximální rychlosti 6 km/h.

POZOR
Nikdy nepoužívejte funkci asistované chůze, když sedíte na sedle, protože by mohlo dojít k poškození elektrických částí kola. Při chůzi vedle jízdního kola s asistovaným šlapáním vždy používejte funkci asistované chůze pevným držením rukojeti řídítek oběma rukama.

POZOR
Indikátor baterie
Indikátor baterie je kompletní, když je baterie vašeho jízdního kola s asistovaným šlapáním plně nabitá. Indikátor stavu baterie postupně s používáním jízdního kola s asistovaným šlapáním klesá. Úroveň nabití na indikátoru baterie může kolísat v závislosti na způsobu používání jízdního kola s asistovaným šlapáním, např. při jízdě do kopce může úroveň nabití indikátoru baterie rychle klesat, protože spotřeba baterie kola s asistovaným šlapáním je mnohem vyšší. Pro správné používání a údržbu baterie doporučujeme baterii po každém použití jízdního kola s asistovaným šlapáním plně nabít.
9. Konfigurace LCD displeje
Stisknutím tlačítka M po dobu alespoň dvou sekund vstoupíte do konfigurace LCD displeje.
V rámci konfigurace displeje stisknutím tlačítek + a - změníte hodnotu jednotlivého parametru, stisknutím tlačítka M přejdete na další parametr, stisknutím tlačítka M po dobu nejméně dvou sekund konfiguraci LCD ukončíte.
km/míle
Označeno symbolem S7, stiskněte tlačítka + a - pro přechod ze zobrazení z km/h na MPH.
Podsvícení displeje
Označeno symbolem b1, přípustné hodnoty: 1-5.
Automatické vypnutí displeje
Označeno symbolem OF, přípustné hodnoty: 0-15. Nastavené hodnoty odpovídají minutám. Pokud je nastavená hodnota 0, tato funkce není aktivována.
Pokud je importovaná hodnota mezi 1 a 15, displej se po určitém počtu minut automaticky vypne.
Průměr kola
Označeno symbolem Hd, přípustné hodnoty: 6-34.
Nastavené hodnoty odpovídají palcům průměru kola. Pro váš model ponechte hodnotu na 28, jinak nebudou hodnoty zobrazené na displeji při používání vašeho jízdního kola správné.
Heslo - Omezení rychlosti
Označeno symbolem Pd. Následně zadejte heslo „1919" pomocí tlačítek + a -, každou jednotlivou hodnotu zadaného hesla potvrd'te tlačítkem M.
Po správném zadání hesla zadáte parametr omezení rychlosti označený symbolem SL, přípustné hodnoty: 10-100.
Parametr motoru
Označen symbolem HL, ujistěte se, že nastavená hodnota je číslo 1. Nastavení jiné hodnoty může způsobit abnormality v rychlosti zobrazené na displeji.
Počet úrovní asistence motoru (PAS)
Označeno symbolem PA, stiskněte tlačítka + a - pro přechod mezi volitelnými hodnotami UBE - 3 - 5 - 9.
Nevybírejte hodnotu UBE (testovací hodnota výrobce), protože to může způsobit poruchu displeje a ovlivnit normální provoz jízdního kola s asistovaným šlapáním.

POZOR
Povolená rychlost
Maximální zákonem povolená rychlost je 25 km/h.
Jakékoli výrobcem neautorizované zásahy na řídicí jednotce vylučují výrobce z odpovědnosti za škody způsobené na osobách a/nebo majetku a rovněž ruší platnost záruky na zakoupený výrobek. Řídicí jednotka byla naprogramována tak, aby nedovolila změny parametru maximální rychlosti.

POZOR
Nebezpečí zranění
Jezděte rychlostí a chováním odpovídajícím vašim schopnostem; nikdy nejezděte rychlostí vyšší než 25 km/h, protože by mohlo dojít k vážnému poškození a zranění vás nebo jiných osob.
10. Chybové kódy
Pokud dojde k závadě na vašem jízdním kole s asistovaným šlapáním, zobrazí se na displeji tato ikona spolu s příslušným chybovým kódem.
Podívejte se na následující tabulku chybových kódů a nahlaste je asistenční službě.
| Kód Definice | |
| 01 Chyba komunikace | |
| 03 Chyba v brzdovém systému | |
| 04 Chyba akcelerátoru | |
| 06 Nízkonapěťová ochrana | |
| 07 Vysokonapěťová ochrana | |
| 08 Porucha Hallova snímače | |
| 09 Porucha tázového vedení | |
| 10 Přehřátí řídící jednotky | |
| 11 Chyba PAS | |
| 12 Porucha snímače proudu | |
| 13 Přehřátí baterie | |
| 14 Přehřátí motoru | |
| 21 Chyba senzoru rychlosti | |
| 22 Porucha BMS | |
| 30 Chyba komunikace | |
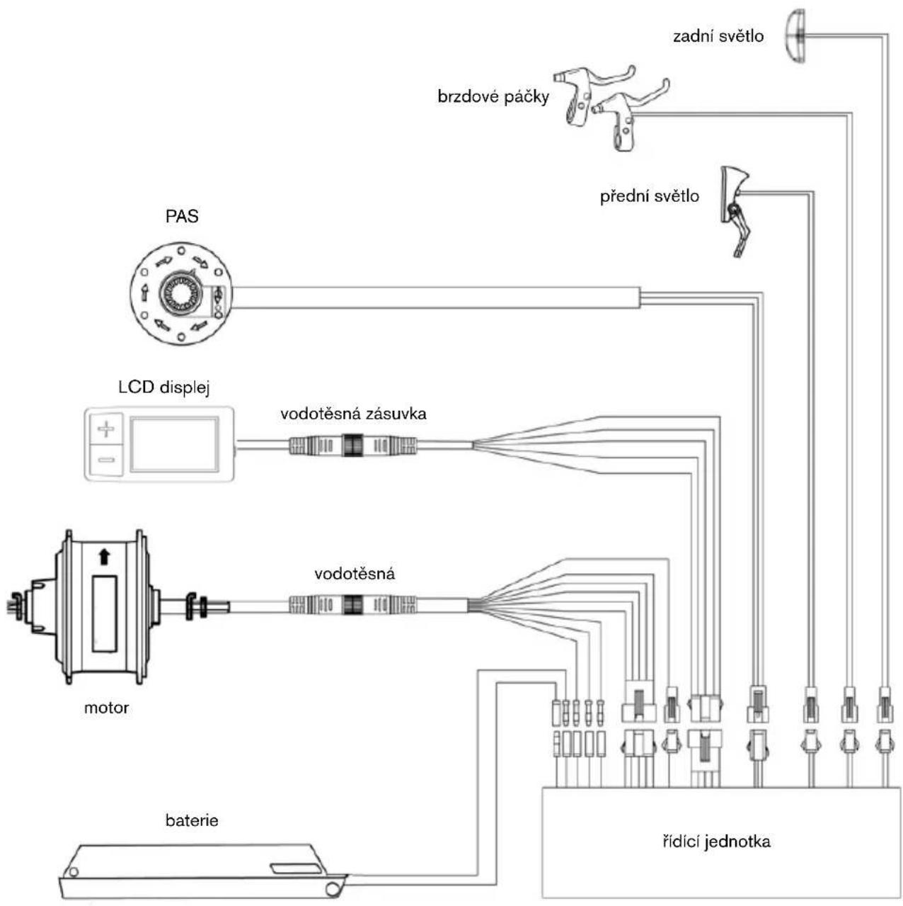
11. Schéma zapojení

flowchart
graph TD
A["motor"] --> B["bus"]
B --> C["vodotěsná"]
C --> D["vodotěsná zásuvka"]
D --> E["přední světlo"]
E --> F["zadní světlo"]
G["baterie"] --> H["bus"]
H --> I["bus"]
J["LCD displej"] --> K["vodotěsná zásuvka"]
K --> L["vodotěsná"]
M["PAS"] --> N["vodotěsná zásuvka"]
N --> O["vodotěsná"]
P["brzdové pácky"] --> Q["brzdové pácky"]
R["řídící jednotka"] --> S["řídící jednotka"]
12. Baterie (Upozornění)
- Ujistěte se, že jsou jízdní kolo s asistovaným šlapáním, nabíječka a nabíjecí port suché.
- Po úplném nabití baterie jízdního kola s asistovaným šlapáním se kontrolka LED na nabíječce změní z červené (nabíjení) na zelenou (nabíjení dokončeno).
- Používejte pouze originální nabíječku. Jiné nabíječky poškozují vaše zařízení a představují další potenciální rizika.
- Baterie se nesmí nabíjet po nadbytečnou dobu. Přebíjení snižuje životnost baterie a další potenciální rizika.
- Nabíjejte baterii v suchém prostředí, mimo dosah hořlavých materiálů (např. materiálů, které by mohly vzplanout), nejlépe při vnitřní teplotě 15-25 °C, nikdy však při teplotě nižší než 0 °C nebo vyšší než + 45 °C.
- Nenabíjejte na přímém slunečním světle nebo v blízkosti zdrojů tepla.
- Nikdy nenechávejte baterii během nabíjení bez dozoru. Nebezpečí požáru! Nikdy nepřipojujte nabíjecí zásuvku ke kovovým předmětům.
- Přečtěte si oddíly o nabíjení, abyste s baterií správně zacházeli.
- Aby nedošlo k přehřátí baterie, uchovávejte ji mimo dosah otevřeného ohně nebo jiných zdrojů tepla.
- Nenechávejte baterii vystavenou mrazu. Nadměrné teplo a chlad mohou baterii vybít.
- Vyvarujte se úplného vybití baterie.
- Je lepší dobíjet baterii, dokud je stále nabitá. To prodlouží životnost baterie.
- Baterii nabíjejte v pravidelných intervalech, i když jízdní kolo s asistovaným šlapáním delší dobu nepoužíváte.

Opatření týkající se baterií
Baterie se skladá z lithium-ionotových článků a chemických prvků, které jsou nebezpečné pro zdraví a životní prostředí. Nepoužívejte jízdní kolo s asistovaným šlapáním, pokud z něj vychází zápach, látky nebo nadměrné teplo. Nevyhazujte jízdní kolo s asistovaným šlapáním ani baterii společně s domácím odpadem. Koncový uživatel odpovídá za likvidaci elektrických a elektronických zařízení a baterií v souladu se všemi příslušnými předpisy.
Co se nesmí
Otevírat nebo rozebírat baterii, anebo zasáhnout, házet, propíchnout nebo připevnit předměty na baterii. Dotýkat se jakýchkoli látek unikajících z baterie, protože obsahuje nebezpečné látky. Nechat děti nebo domácí zvířata dotýkat se baterie.
Přebíjení, nadměrné vybíjení nebo zkratování baterie. Ponořovat nebo vystavovat baterii vodě nebo jiným kapalným látkám. Vystavovat baterii nadměrnému teplu nebo chladu.
Vystavovat baterii prostředí obsahujícímu výbušné plyny nebo plameny.
Ponechat baterii na dešti nebo na přímém slunci nebo v horkých automobilech na přímém slunci. Opakovaně sestavovat nebo montovat baterii.
Přenášet nebo skladovat baterii společně s kovovými předměty, jako jsou sponky do vlasů, řetízky atd. Jezdit na jízdním kole s asistovaným šlapáním během nabíjení.
Používat jakoukoliv jinou nabíječku než originální.
Zpracování elektrických nebo elektronických zařízení po skončení jejich životnosti (platí ve všech zemích Evropské unie a dalších evropských systémech s odděleným sběrem).

Tento symbol na výrobku nebo na obalu označuje, že výrobek nesmí být považován za běžný domácí odpad, ale musí být odevzdán na příslušném sběrném místě pro recyklaci odpadních elektrických a elektronických zařízení (OEEZ).
Zajištěním správné likvidace tohoto výrobku pomůžete zabránit možným negativním dopadům na životní prostředí a zdraví, které by jinak mohly být způsobeny jeho nevhodnou likvidací. Recyklace materiálů pomáhá chránit přírodní zdroje.
Podrobnější informace o recyklaci a likvidaci tohoto výrobku získáte od místní služby pro likvidaci odpadu nebo v obchodě, kde jste jej zakoupili.
V každém případě musí být likvidace provedena v souladu s předpisy platnými v zemi nákupu.
Zejména spotřebitelé jsou povinni nelikvidovat OEEZ jako komunální odpad, ale musí se podílet na odděleném sběru tohoto typu odpadu dvěma způsoby odevzdání:
1) do městských sběrných center (nazývaných také sběrné dvory), přímo nebo prostřednictvím sběrných služeb městských společností, pokud jsou k dispozici;
2) na prodejních místech nových elektrických a elektronických zařízení.
Zde je možné bezplatně odevzdat velmi malé OEEZ (s nejdelší stranou menší než 25 cm), zatímco větší lze odevzdat v režimu 1 za 1, tj. odevzdáním starého výrobku při zakoupení nového se stejnými funkcemi.
V případě nezákonné likvidace elektrického nebo elektronického zařízení mohou být uplatněny sankce stanovené aktuální legislativou na ochranu životního prostředí (italská legislativa, je nutné zkontrolovat předpisy platné v zemi použití/likvidace dopravního prostředku).
Pokud OEEZ obsahuje baterie nebo akumulátory, musí být odstraněny a podrobeny zvláštnímu oddělenému sběru.
Zpracování vybitých baterií (platí ve všech zemích Evropské unie a dalších evropských systémech s odděleným sběrem).

Tento symbol na výrobku nebo na obalu označuje, že baterie nesmí být považována za běžný domácí odpad. U některých typů baterií lze tento symbol použít v kombinaci s chemickým symbolem.
Pokud baterie obsahuje více než 0,0005% rtuti nebo 0,004% olova, přidávají se chemické symboly pro rtuť (Hg) nebo olovo (Pb).
Zajištěním správné likvidace baterií pomáháte předcházet možným negativním dopadům na životní prostředí a zdraví, které by jinak mohly být způsobeny jejich nevhodnou likvidací. Recyklace materiálů pomáhá chránit přírodní zdroje. V případě výrobků, které z důvodu bezpečnosti, výkonu nebo ochrany dat vyžadují pevné připojení k vnitřní baterii, musí být vyměněny pouze kvalifikovaným servisním personálem.
Po skončení životnosti výrobku jej odevzdejte do vhodných sběren zaměřených na likvidaci elektrických a elektronických zařízení: tím zajistíte, že bude správně naloženo i s baterií uloženou uvnitř.
Podrobnější informace o způsobu likvidace použité baterie nebo výrobku získáte od místní služby pro likvidaci odpadu nebo v obchodě, kde jste výrobek zakoupili.
V každém případě musí být likvidace provedena v souladu s předpisy platnými v zemi nákupu.
13. Záruční podmínky
Na všechny výrobky se vztahuje zákonná záruka v souladu se směrnicí 2011/83/EU.
Zákonná záruka je vyhrazena spotřebitelům. Vztahuje se tedy výhradně na uživatele, kteří si zakoupili výrobky pro účely nesouvisející s podnikatelskou, obchodní, řemeslnou nebo profesní činností.
Na osoby, které zakoupily výrobky a nejsou spotřebiteli, se zase vztahují záruky za vady prodaného zboží, záruky za vady slibovaných a podstatných vlastností a další záruky stanovené občanským záköníkem s příslušnými podmínkami, lhůtami a omezeními.
Prodávající (a tedy v případě nákupu výrobků maloobchodník, který výrobek prodal uživateli) odpovídá spotřebiteli za jakýkoli rozpor se smlouvou, který existuje v době dodání Výrobku a který se projeví do dvou let od tohoto dodání. Rozpor se smlouvou musí být, pod hrozbou ztráty záruky, oznámen prodávajícímu do dvou měsíců ode dne, kdy byl zjištěn.
Pokud se neprokáže opak, má se za to, že rozpory se smlouvou, které se projeví do šesti měsíců po dodání výrobku, existovaly již k tomuto datu, pokud tato domněnka není neslučitelná s povahou výrobku nebo povahou rozporu se smlouvou.
Od sedmého měsíce po dodání výrobku bude na spotřebiteli, aby prokázal, že rozpor se smlouvou existoval již v době dodání výrobku.
Aby mohl kupující využít zákonnou záruku, musí nejprve předložit doklad o datu nákupu a dodání zboží. Proto se doporučuje, aby si kupující pro účely takového důkazu uschoval jakýkoli doklad, který může potvrdit datum nákupu a datum dodání (například účtenku, fakturu, e-mail s potvrzením objednávky).
Z působnosti zákonné záruky na výrobky jsou vyloučeny poruchy nebo závady způsobené náhodnými událostmi a/nebo na odpovědnost kupujícího, nebo používáním výrobku, které není v souladu s jeho určením a/nebo s ustanoveními technické dokumentace přiložené k výrobku, nebo v důsledku neseřízení mechanických částí, přirozeného opotřebení opotřebitelných materiálů nebo způsobené chybami při montáži, nedostatečnou údržbou a/nebo používáním výrobku, které není v souladu s návodem.
Například je třeba je považovat za vyloučené ze zákonné záruky na výrobky:
- poškození způsobené nárazy, náhodnými pády nebo srážkami, propíchnutím;
- poškození způsobené používáním, vystavením nebo skladováním v nevhodném prostředí (např. přítomnost deště a/nebo bláta, vystavení vlhkosti nebo nadměrnému teplu, kontakt s pískem nebo jinými látkami)
-
poškození způsobené nepřizpůsobením mechanických částí, mechanických kotoučových brzd, řídítek, pneumatik atd. k provozu na pozemních komunikacích a/nebo jejich údržbě; nesprávnou instalací a/nebo montáží dílů a/nebo součástí, s výjimkou případů, kdy instalaci a/nebo montáž neprovedl prodávající nebo na jeho odpovědnost a/nebo ji neprovedl spotřebitel, ale chyba v instalaci a/nebo montáži byla způsobena nedostatkem návodu k instalaci;
-
přirozené opotřebení opotřebitelných materiálů: mechanické kotoučové brzdy (např.: destičky, třmeny, kotouč, lanka), pneumatiky, stupačky, těsnění, ložiska, LED světla a žárovky, stojánek, rukojeti, blatníky, gumové díly (stupačky), kabelové rozvody kabelových konektorů, masky a samolepky atd;
- nesprávně prováděná údržba a/nebo nesprávné používání baterie výrobku;
- neoprávněná manipulace a/nebo použití síly na částech výrobku;
- nesprávná nebo nevhodná údržba nebo úprava výrobku;
- nesprávné používání výrobku (např. nadměrné zatížení, používání při závodech a/nebo při komerčním pronájmu nebo půjčování);
- údržba, opravy a/nebo technické zásahy na výrobku prováděné neoprávněnými třetími stranami;
- poškození výrobků v důsledku přepravy, pokud tuto přepravu zajišťuje kupující;
- poškození a/nebo závady vzniklé v důsledku použití neoriginálních náhradních dílů.
V případě, že se u zakoupeného výrobku během doby platnosti zákonné záruky projeví něco, co by mohlo být rozporem se smlouvou, musí kupující kontaktovat prodávajícího, který provede nezbytné kontroly za účelem zjištění existence či neexistence údajné vady a neprodleně odpoví na sdělení o údajné vadě shody a uvede konkrétní postup, který je třeba dodržet, přičemž zohlední i kategorii, do které výrobek patří, a/nebo reklamovaným rozporem se smlouvou.

MT Distribution
THINK COMPLETE
SnadnýManuál