USB 1392 - Autoradio US Blaster - Manuale utente e istruzioni gratuiti
Trova gratuitamente il manuale del dispositivo USB 1392 US Blaster in formato PDF.
Domande degli utenti su USB 1392 US Blaster
0 domanda su questo apparecchio. Rispondi a quelle che conosci o fai la tua.
Fai una nuova domanda su questo apparecchio
Scarica le istruzioni per il tuo Autoradio in formato PDF gratuitamente! Trova il tuo manuale USB 1392 - US Blaster e riprendi in mano il tuo dispositivo elettronico. In questa pagina sono pubblicati tutti i documenti necessari per l'utilizzo del tuo dispositivo. USB 1392 del marchio US Blaster.
MANUALE UTENTE USB 1392 US Blaster
ISTRUZIONI GENERALI DI SICUREZZA
- Leggere sempre la Guida dell'utente prima di utilizzato questa attrezzatura.
- Conservare la Guida dellutente in un luogo di facile accesso, ove tutti possano consultarla.
- Utilizzare esta attrezzatura alli interno e in locali che non presentino umidit+.
- Non rimuovere, nE inserei mai la spina di alimentazione in una presa a muro con mani umide.
- Nel caso che la spina, e/o il cordone di alimentazione e/o lientrata del cordone stesso risultassero danneggiati, provvedere alla loro riparazione da parte di un professionista.
- Staccare sempre il cordone di alimentazione alla presa a muro nel caso di temporali, oppure se liattrezzatura non dovesse essere utilizzata per un lungo periodo di tempo.
- Non rimuovere mai la spina alla presa tirandone il cordone.
- Installare liattrezzatura in maniera tale da permetterne uniadeguata ventilazione.
- Non utilisezare mai liattrezatura in prossimit* di fonti di calore e/o sotto la luce diretta del sole.
- Assicurarsi che n' piccoli oggetti, n' liquidi possano penetrare nei componenti dell'attrezzatura.
- Pulire liattrezzatura unicamente mediate un panno non impolverato e leggermente inumidito. Non impiegare prodotti di pulitura o solventi!
- Questa attrezzatura non presenta alcun componente, ad eccezione di quelli menzionati alla Guida dellutente, che possano essere riparati o sostuiti direttamente dallutente.
- Nel caso che liattrezzatura presenti un quale difetto,essa dovr* essere riparata da parte di un servizio di assistenza qualificato e approvato alla US Blaster.
- Mantenere liattrezatura lontano alla portata dei bambini.
Non tentare di riparare liattrezatura da soli: questa azione provocherebbe la nullit* della garanzia. Questa attrezatura non pu in nessun caso essere modificata:anche questa azione provocherebbe la nullit* della garanzia. La garanzia non sar* ritenuta pi ^ valida se incidenti o danni di qualsiasi specie risultassero eserno stati provocati da un utilizzo improprio e/o dallinosservanza delle avventenze esposte in questa Guida dellutente.
La société US Blaster Europe non accetta alcuna responsabilit relativa ad incidenti alle persone che siano consuguenza del fatto di non aver prestato attenzione alle istruzioni di sicurezza eagli avventimenti. Questo varr anche per eventuali perdite di qualiasi spece, derivanti dalle azioni sueposte.
Conservare l'imballaggio in un luogo sicuro in modo che, se liattrezzatura dovesse presentare un quale difetto, la si possa inviare al servizio di assistenza nel suo imballaggio originale, evitando così altri dati dovuti al trasporto.
INTRODUZIONE
Vi ringraziamo per la scelta di quello amplificatore a banda larga US BLASTER Class AB per il sistema acustico della Vostra macchina. Attualmente siete in possesso dell' amplificatore in versione intransigente e con Tecnologia d'avanguardia. Presto vi convincerete del suono ottimale e delle capacita affidabili di tale amplificatore. Gli amplificatori US BLASTER vengono sopposti ad unsystema di controllo qualita e vengono prodottiattraverso una perfetta lavorazione artigianale,utilizzando componenti di altissima qualita.Per godersi un lungo e migliorie ascolto piacevole e perfetto,vi consigliamo di effettuare I'installazione tramite un dealer US BLASTER specializzato. In tal modo sare garantita I'installazione tecnicamente corretta,e nello stesso tempo vi verra prolongata la garanzia di un anno.(dettagli sono indicati nel capitolo riguardante la garanzia).Prima leggete attendamente il presente libretto d'istruzioni,e successivamente sarete in grado di ottenere il massimo dal vostro nuovo amplificatore. Se tale prodotto verra installato esattamente e professionalmente,vi servira in modo affidabile per un lungo tempo.
CARATTERISTICHE
SMD Hi-Fi audio componenti.
Altamente efficace FR-4 con entrambi i lati PCB.
Resistenza capacità bassa ESR odpor, condensatore di filtrazione con alta capacité
Circuito di suppressione Super noise.
Sistema di protezione perfetto contro il sovraccarico, corto circuito, surriscaldamento e caduta di tensione. Connettori rivestiti d'oro per il carico alto.
Filtri integrati per la potenza alta.
FUNZIONE DELL' AMPLIFICATORE
-
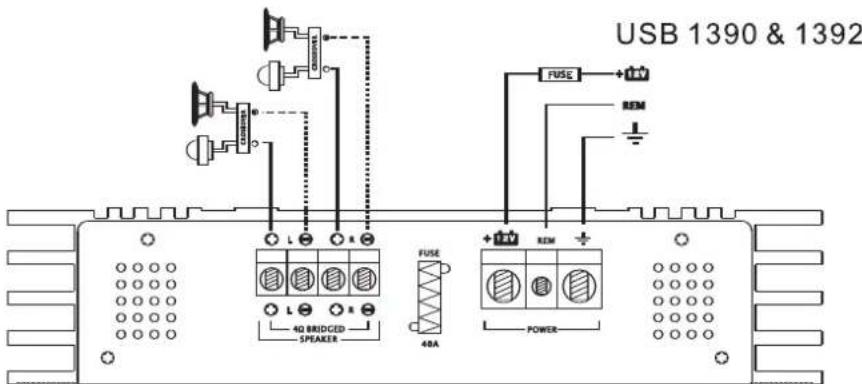
connessione degli altoparlanti
-
Non connettere mai gli altoparalanti con chassis messi a terra. L' amplificatore in tal modo potreb be essere rovinato.
Controllate I'esatta connessione degli altoparlanti, cioe plus-plus e minus - minus
Per la connessione si consiglia di usare un cavo di calibro 16 in avanti. Altri nodi di connessione sono indicati nell'allegato.
- BATT+
Terminale per la connessione della batteria + (plus). + (plus) 12 Volt il cavo di alimentazione deve essere connesso con tale terminale con il dispositivo di sicurezza. Si consiglia di usare cavo di rame 12 stop con potenza di calibro 8 e in avanti.
- REM
Il terminale distante. Il cavo per la connessione a commando deve essere con output al commando della radio in modo tale, che I' amplificatore si accende e spegne automaticamente con la radio. Se con tale terminale antenna vengono collegati parecchi amplificatori, sare necessario aggiungere un'alto relé. In tal caso, rivolgetevi cortesamente al vostro rivenditore.
- Messa a terra
Terninale per la messa a terra dello chassis. Il cavo di messa a terra deve essere collegato saldamente con il conduttore massiccio vicino.
5. Guadagno rinforzante (GAIN)
La funzione Gain control regola la sensibilità dell' amplificatore in moto tale, che corrisponde alla tension del segnale output dalla fonte. Non si tratta della regolszione del volume. Prendete un CD musica di qualità ed alzate il volume al 75% . Abbassate il rinsforzo del segnale al minimo e successivamente aumento in sense orario. Durante il primo segnale di distorsione fermate e successivement tornate piano in senso antiorario, ed in tal modo ottenete un suono non distorto al massimo livello.
6. Audio input RCA (facoltativo)
Tali RCA input collegano input radio dal vosto preamplificatore. Usate gentilmente audio RCA cavi destinati per le automobili, altrimenti si possono avere disturbi. Cercate di usare cavi piu corti possibili. Per evitare i disturbi dall'electronica gia installata, non collegare RCA cavi con quelli gia esistenti nella vettura. Se la vostra radio ha solo un output per il preamplificatore, usate un adeguato RCA adattore. Se la vostra radio ha output solo per un autoparlante, dovete usare adattore, HIGH-LOW-LEVEL".
7. Regolatore filtro CROSSOVER
Interruttore e bottone di lavoro regola i filtri superiori, inferiori ed il passaggio completo. Se vengo non regolati i valori LPF o HPF, si puo'attraverso il bottone di lavoro regolare la frequenza critica.
8. output RCA Audio
Tali RCA output servono per la connessione con gli altri output dell' amplificatore. Il segnale d' uscita compensato in tal modo viene lavoramente adoperato tramite I' amplificatore tipo daisy-link.
9. Spia funzione
Si accende, se I' amplificatore é acceso. In caso di quale guasto, si spegne.
10. Spia ALARM
Segnale il guasto dell' amplificatore o il controllo automatico é in corso.
11. Interruttore canali 4CH/2CH
Tale interrottore serve per la commutation degli input di due o quattro canali, se si trovare in posizione 4CH, l' amplificatore funziona come output separato a quattro canali. In posizione 2ch, I' input CH-B sare assegnato a CH-A, e nell'esso tempo CH-B input jack sare scollegato.






PREINSTALLAZIONE
Si consiglia di effettuire l'installatione tramite un dealer autorizzato della società US BLASTER.
La potenza richiesta, cavo per la messa a terra ed il fusibile sono sottoindicati:
Modello fusabile cavo (calibro)
USB 1392 30AMP cal. 8
USB 1391 40AMP cal. 4-8
USB 1390 40AMP cal. 4-8
USB 1389 60AMP cal. 4-6
Si consiglia di installare il fusabile a distance minima 40 cm alla batteria. Il cavo di messa a terra deve essere collegato direttamente con il punto mettalico di connessione di messa a terra dello chassis della macchina, che altresi dovrebbe essere metallico. L' amplificatore deve essere fissato in modo sicuro con una superficie solida, asciutta e con vibrazioniasse del vano bagagli o dell'abitacolo. L' amplificatore deve essere installato in un punto di buona ventilazione. Posizione l amplificatore in modo tale, che si acceda facilemente alla regolazione dei comandi input. I conducitori che vanno dall amplificatore, si devono installare piu lontano possibile alla conduttura autoeletrica, come per esempio il cavo di accensione.
WIRING CONFIGURATION


RISOLUZIONE DEI GUASTI
Spaia funzione non lampeggia
- controllate tutti i fusibili dell' amplificatore
controllate il fusibile principale vicino alla batteria
controllate i terminali plus e minus dei conduttori della batteria
controllate la tensione di commutazione
Spia funzione lampeggia, pero non si sente alcun suono
controllate la regolazione del volume della radio
controllate il dato GAIN dell amplificatore
controllate i cavi ed i connettori RCA
- controllate i cavi ed i connettori degli altoparlanti
Risposta bass del segnale é Bassa
- uno dei cavi dell'altoparlante sare scollegato
- commande bass della radio é al livello basso
- crossoverimento attivo é regolato male
controllate i comandi dell amplificatore - collegamenti di messa a terra dell' amplificatore con lo chassis irregulari
Amplificatore si accende e si spegne
- terminali dei cavi e della batteria sono ossidati
- bassa tensione della batteria
- collegamento inesatto del cavo a distanza
Un canale non funziona
controllate RCA connessione di tale canale
- controllate al connessione degli altoparlanti di tale canale
- lavoro dell'equilibrio acustico non è regolato in posizione centrale
- controllate gli altoparlanti per tale canale
SPECIFICATIONS
| MODELLO | USB 1389 | USB 1390 | USB 1391 | USB 1392 |
| 40 ohm RMS potenza durante 14,4 V | 160 W | 160 W | 90 W | 90 W |
| 20 ohm potenza effettiva durante 14,4 V | 190 W | 190 W | 110 W | 110 W |
| 40 ohm RMS potenza d'uscita durante 14,4 V | 350 W | 350 W | 180 W | 180 W |
| livello input | 0.2~5V | 0.2~5V | 0.2~5V | 0.2~5V |
| Livello input superiore | NA | NA | NA | NA |
| Regime input a due canali | Si | Si | Si | NA |
| Regime filtering CH-A | HP-FULL-LP | HP-FULL-LP | HP-FULL-LP | HP-FULL-LP |
| Regime filtering CH-B | HP-FULL-LP | HP-FULL-LP | HP-FULL-LP | NA |
| CH-A LPF | 50~500V | 50~500V | 50~500V | 50~500V |
| CH-A HPF | 50~500V | 50~500V | 50~500V | 50~500V |
| CH-B LPF | 50~500V | NA | 50~500V | NA |
| CH-B HPF | 50~500V | NA | 50~500V | NA |
| Trasmissione frequenza | 10~25V | 10~25V | 10~25V | 10~25V |
| THD durante 4Ohm carico - 30% potenza nominale | <0.02% | <0.02% | <0.05% | <0.05% |
| Rapporto segnale /rumore | >90 dB | >90 dB | >90 dB | >90 dB |
| Separazione canali | >89 dB | >89 dB | >89 dB | >89 dB |
| Carico minimo | 2 Ohm | 2 Ohm | 2 Ohm | 2 Ohm |
| Sistema di protezione contro il sovraccarico | Si | Si | Si | Si |
| Protezione contro il surriscaldamento | 80 °C / 176 °F | 80 °C / 176 °F | 80 °C / 176 °F | 80 °C / 176 °F |
| Versione Hi-END | Si | Si | Si | NA |
| Componenti & PCB | SMT & con dopbia parete laterale | SMT & con dopbia parete laterale | SMT & con dopbia parete laterale | SMT & con dopbia parete laterale |
| Dimensioni | 318 x 244 x 53 mm | 215 x 244 x 53 mm | 263 x 244 x 53 mm | 183 x 244 x 53 mm |
GARANZIA
US BLASTER Inc. concede una garanzia per tutti i propri prodotti per il periodo di un anno nella data dell'acquisto e dell'installazione del prodotto tramite un dealer autorizzato. Gli appearechi non installati tramite un dealer autorizzato della US BLASTER, hanno la garanzia di 90 giorni massimo alla data d'acquisto. Per il prodotto danneggiato dall'alimentazione insufficiente, sovraccarico o danneggiamento degli input, è necessario acquistare un nuovo PCB. US BLASTER si impegna a riparare o sostituire i componenti guasti o prodotti, esquisivamente su propria decisione. Tale garanzia non si applicaagli apparentechi danneggiati da un incidente, utilizzo improprio, negligenza o qualsiasi riparazione. Tale garanzia é valida solo per il primo acquirente, che registra regolarmente il prodotto entro 10 giorni alla data di acquisto. US BLASTER, ad eccezione di quantoSoprariportato, non concede alcuna garanzia, sua evidente o occulta riguardo alla vendibilità del prodotto o utilizzo ai fini specifici.
Rispetto al continuo sviluppo e perfezionamento del prodotto, le modifiche di prezzi e dati tecnici sono possibili alla cun preavviso.

ManualeFacile