Expedition XP150 - Mixer SAMSON - Manuale utente e istruzioni gratuiti
Trova gratuitamente il manuale del dispositivo Expedition XP150 SAMSON in formato PDF.
Domande degli utenti su Expedition XP150 SAMSON
0 domanda su questo apparecchio. Rispondi a quelle che conosci o fai la tua.
Fai una nuova domanda su questo apparecchio
Scarica le istruzioni per il tuo Mixer in formato PDF gratuitamente! Trova il tuo manuale Expedition XP150 - SAMSON e riprendi in mano il tuo dispositivo elettronico. In questa pagina sono pubblicati tutti i documenti necessari per l'utilizzo del tuo dispositivo. Expedition XP150 del marchio SAMSON.
MANUALE UTENTE Expedition XP150 SAMSON
Se desideri smaltire questo prodotto, occorre separarlo dai normali rifiuti domestici. In conformità alla legislazione, esiste un sistema di raccolta separato per i prodotti elettronici usati, il quale preveDE particolari procedure di trattamento, stoccaggio e riciclo.
Nei 25 stati membri dell'UE, in Svizzera e in Norvegia, il privato civadino cui smaltire i propri prodotti elettronici usati rivolgendosi ad un rivenditore (in caso di acquisito di un nuovo prodotto simile), oppure presso apposite strutture per la raccolta, alla alcuna spesa a proprio carico.
Per altri Stati non menzionati nel paragrafo precedente, si prega di contattare le autorità locali per averire informazioni riguardanti i metodi corretti di smaltimento.
In quello modo, si assicura che il prodotto smaltito sare sottomposto alle necessarie procedure di trattamento, stoccaggio e riciclo, prevenendo potenziali effetti negativi sull'ambiente e sulla salute umana.
Important Safety Information
Introduzione 69
Caratteristica 70
Configurazione dell'XP150. 71
Guidarapida. 73
Prepare l'XP150 per il trasporto 75
Layout del mixer XP150. 76
Collegamenti dell'XP150 78
Guida ai collegamenti. 79
Specifiche 80
Diagramma a blocchi 81
Introduzione
Grazie per aver acquistato ilsystema PA portatile Samson Expedition XP150! Ilsystema XP150 comprende un mixer a 5 canali compatto con 150 watt di potenza e due casse a 2 vie, che lo rendono la soluzione ideale per sviate situazioni live piccole e medie. Ilsystema è davvero portatile, grazie alla sua leggerezza e al design esclusivo "Slide and Lock".
Il mixer a 5 canali più essere rimioso delle casse e utilizzato su un piano di appoggio. Sono compresi tre ingressi per il collegamento di microfoni e un canale stereo per il collegamento di sorgenti stereo come unlettore MP3 o altri appearecchi elettronici. è inoltre presente un processore digitale di effetti peraggiungere riverbero alla voce o al loro strumento. Il mixer produce un consistente segnale in uscita, fornendo 150 watt di potenza totale grazie al leggero amplificatore in classe D. L'XP150 impiega un sistema accoppiato di due casse a 2 vie con woofer da 6'' (15,24 cm) e driver da 1'' (2,54 cm) per gli alto. Per indirizzare il suono verso un pubblico più numeroso, le casse dell'XP150 possono essere montate su aste per altoparlanti grazie all'alloggiamento per stativi integrato. L'XP150 è realizzato con plastica ABS duratura e resistenteagli urti, che lo rende allo stesso tempo leggero e pronto alla vita "on the road".
In queste pagine troverai una panoramicica dettagliata sulle caratteristiche dei sistemi PA XP150, la descrizione dei pannelli frontali e posteriori, istruzioni passo a passo per il collegamento e l'uso, nonché le specifiche complete. Troveraianche la garanzia, da compiling e inviare per posta per poter ricevere supporto technique online e informazioni aggiornate su quello e altri prodotti Samson. Ti Invitationamo anche a visitare ancile nonzero site web (www.samsontech.com) per informazioni complete sulla nostra intera linea di prodotti.
Se trattato con cura e adeguatamente ventilato, il tuo XP150 funzionera nella problema per molti anni. Ti raccomandiamo di annotare qui sotto il numero di seriée come futuro riferimento.
Numero di serie:
Data d'acquisto:
Se l'unità necessitàs di riparazione, prima di spedirla a Samson dovrai ottenere un numero di Autorizzazione Reso. In sua assenza, l'unità non verrà accettata. Ti preghiamo di contattare Samson al numero 1-800-3SAMSON (1-800-372-6766) per richiedere il numero di autorizzazione prima di procedere alla spedizione. Conserva l'imballaggio originale e, se possibile, utilizzato per spedire l'unità. Se il prodotto Samson è stato acquistato al di fuori degli Stati Uniti, contatta il tuo distributore di zona per tutti i dettagli sulla garanzia e l'assistenza.
Caratteristiche

L'XP150 è un sistema PA compatto con due casse a due vie, mixer integrato e un amplificatore da 150 watt.
In fatto di portabilità, l'XP150 è imbattibile. Il particolare design consente di accorpare le casse per poter trasportare il sistema in un unico blocco leggero e maneggevole. Il mixer si colloca nelle chassis di una delle casse. L'altra cassa ha uno scomparto per riporre cavi, microfoni e accessori.
- Le casse sono a 2 vie con chassis ventilato e woofer da 6'' (15,24 cm). In ognuna è presente un driver da 1'' (2,54 cm) per le alte frequenze, alloggiato in una tromba appositamente progettata che ha una copertura di 60 × 90 gradi dal suono biano e definito.
L'amplificatore in classe D integrato da 2 x 75 watt produce un potente suono stereo.
Il mixer più essere rimioso alla cassa per utilizzato su un piano; puoi utilizzato il cavalletto integrato per inclinarlo in posizione ergonomica.
- Il mixer a 5 canali comprende tre ingressi Mic/Line per il collegamento di microfoni o segnali di linea. Inoltre un canale con ingresso stereo ti consente di collegare segnali a livello di linea come quelli provenienti da tastiere, batterie elettroniche elettori CD o MP3. Seutilzi microfoni a condensatore puoi attivare la Phantom Power.
- Per equalizzare i segnali in ingresso, su agli canale del mixer sono presenti i controli per la regolazione di alte e bassi.
- Puoiaggiungere il riverbero digitaletramiteilprocessore di effetti integrato,in modo da arricchire il suono di ognuno dei canali microfonici.
Configurazione dell'XP150
- Togli tutti i componenti delsystema nella confezione, e conserva tutto il materiale di imballaggio: potrebbe servire nel caso l'unità necessitàs di assistenza.
- Rimuovi il mixer ruotando in senso antiorario la vite, forn alla posizione RELEASE.
- Maneggia il mixer con cautela per rimuoverlo alla cassa.

- Rimuovi il coperchio dello scomparto per gli accessori ruotando la vite in senso antiorario fino alla posizione RELEASE; preleva quindi i cavi inclusi.

- Riposizione il coperchio dello scomparto degli accessori facendo combaciare il bordo inferiore all'alloggiamento. Assicurati che la vite sia in posizione RELEASE, quando chiudi il pannello e gira la vite in senso orario sono alla posizione LOCK.

Configurazione dell'XP150
-
Posizione le casse sul pavimento o sugli stativi.
-
Collega l'uscita del mixer LEFT SPEAKER OUT all'ingresso della cassa sinistra utilizzato uno dei cavi forniti. Quindi usa il secondo cavo fornito per collegare l'uscita
del mixer RIGHT SPEAKER OUT all'ingresso della cassa destra.


Guidarapida
- Verifica che l'interruttore Power dell'XP150 sa in posizione OFF.
- Se le casse non sono collegate, provvedi a collegarle seguendo leindicazioni della sezione precedente.
- Ruota agli controlledi volume dei canali (VOL) e del volume MASTER in senso antiorario fino alla posizione "0".
- Collega quindi il cavo di alimentazione fornito al mixer e a una presa CA con messa a terra.
- Collega i microfoni tramite cavi standard XLR, gli strumenti tramite cavi da 6,35mm , e illettore MP3 tramite un cavo da 3,5mm agli apposti ingressi sul mixer.

- Accendi tutte l'attrezzatura collegata all'XP150; quindi accendi I'XP150 (interruptoRE POWER in posizione ON).
- Ruota il controlo MASTER sono a metà (posizione "5").

Guidarapida
- Parlando o suonando sul canale 1, regola il controllo VOL sono a raggiungere il livello desiderato. Ripeti la procedura per agli canale utilizzato.
- Se l'indicatore POWER/PEAK è costamente acceso, abbassa il volume MASTER in modo che l'indicatore si accenda solo occasionally.
- Per dare profondità al mix o immorbidire le voci, puoi applicare il riverbero sui canali 1-3. Per farlo, premi il pulsante REV sui canali ai quali vuoi applicare l'effetto.

- Ruota lentamente la manopola REVERB sino a ottener il sound desiderato.

- Per modificare le caratteristiche di tono di un segnale, puoi regolare i controlli LF (bassi) e HF (alti). Se il suono ti sembra troppo "chiuso", puoi provare a ridurre il controllo LF. Se il suono sembra un po' cupo, puoi incrementare il controllo HF. Non c'è un modo giusto o sbagliato per equalizzare un suono. Ascolta la resa del mix nella situazione specifica e quindi modificala secondo i loro gusti.

Prepare I'XP150 per il trasporto
Puoi trasportare confacilityil suo impianto grazie al design"Slide and Lock" dell'XP150, che ti permette di accorpare gli altoparlanti in una singola unita facile da trasportare. Segui queste indicazioni per configurare l'XP150 per il trasporto.
- Colloca una cassa sul pavimento e appoggiala su un fianco.

- Posizione la seconda cassa sulla prima e allinea le guide e scanalature "Slide and Lock" in modo che siano parallele a quella della cassa sul pavimento.

Gli chassis delle casse dovranno essere capovolti uno rispetto all'altro.
- Fai scorrere la seconda cassa in quella sul pavimento, assicurandoti che rimangano parallele.

- Sentirai un "clic" quando le casing raggiungono la posizione corretta.

Layout del mixer XP150

- Connessioni di ingresso microfonico XLR (canali 1-3) - Usa quosti ingressi per collegare microfoni a bassa impedenza ai preamp integrati dell'XP150.
- Connessioni Line da 6,35 mm (canali 1-3) - Usa quosti ingressi da 6,35 mm per collegare all'XP150 strumenti o altre sorgenti audio con segnale a livello di linea. Puoi collegare qui l'uscita del pickup di una chitarra acustica, oppure tastiere, batterie elettroniche, lettori CD o MP3 e altri dispositivi con segnale in uscita a livello di linea.
- Connessioni di ingresso stereo da 6,35 mm (canali 4-5) - Usa gli ingressi L e R dei canali 4-5 per collegare un dispositivo tramite le sue uscite destra e sinistra. Usa quosti ingressi per collegare microfoni ad alta impedenza, sintetizzatori, batterie elettroniche,lettori MP3, CD o a nastro, o qualsiasi altro dispositivo con segnale a livello di linea.
- Connessione di ingresso stereo da 3,5 mm (canali 4-5) - Usa quello ingresso per collegare un dispositivo stereo con segnale a livello di linea, come unlettore MP3, CD o a nastro.
- Freqenze alte (HF) - La manopola HF regola la quantità di alte presenti in agli canale. La risposta sulle ALTE frequenze del canale è neutra ("flat") quando la manopola è in posizione "0". Ruotando la manopola verso destra si incrementerà ("boost") di 15 dB la risposta del canale sulle alte frequenze sopra i 10kHz ; ruotandola verso sinistra, la risposta sulle frequenze alte verrà diminuita ("cut") di 15 dB.
-
Frequenze basse (LF) - La manopola LF regola la quantità di bassi presenti in agli canale. La risposta sulle BASSE freuenze del canale è neutra ("flat") quando la manopola è in posizione "0". Ruotando la manopola verso destra si incremente rera ("boost") di 15 dB la risposta del canale sulle basse freuenze fatto i 100Hz ; ruotandola verso sinistra, la risposta sulle freuenze basse verrà diminuita ("cut") di 15 dB.
-
Selettore RIVERBERO - Usa questo selettore per aggiungere un effettoagli ingressi Mic o Line dei canali 1-3. L'indicatore LED del riverbero si illumina in verde quando I'effetto è accesso.
- Indicatore RIVERBERO -II LED indicator de l'VIDERBERO si illuminera quando il relativo selettore è in posizione premuta, segnalando che il canale è impostato per l'aggiunta di riverbero (vedi sopra, punto 7).
- Manopola di controllo VOLUME - Questa manopola regola il volume generale dell'ingresso Mic o Line di agli canale. NOTE: per ridurre il rumore di fondo, imposta al minimo il controllo VOLUME di agli canale inutilizzato.
- Uscite SPEAKER OUTPUT - L'XP150 ha due connessioni da 6,35 mm: si tratta di due uscite alimentate per il collegamento delle casse sinistra e destra. Per il collegamento delle casse utilizza i cavi in dotazione. ATTENZIONE: il carico di impedenza totale per agli lato dell'amplificatore non deve essere inferiore a 8 ohm. Non collegare ulteriori casse al mixer XP150.
- Selettore SPEECH/MUSIC - Il selettore SPEECH/MUSIC è da utilizzare per cambiare la risposta in frequenza generale, o curva di tono, dell'impianto XP150. Se l'utilizzo che intendi farne riguarda soprattutto la musica, premi il pulsante per selezionare la curva di tono impostata per un programma musicale. Se l'utilizzo che intendi farne riguarda soprattutto il parlato, lascia il pulsante in posizione non premuta per selezionare la curva di tono impostata per voce parlata.
- Manopola di controllo REVERB - La manopola REVERB regola la quantità totale di riverbero aggiunto ad ogni canale tramite la pressione del selettore RIVERBERO (vedi sopra, punto 7).
- Manopola di controllo del volume MASTER - La manopola MASTER regola il livello di uscita generale. I segnali di tutti i 5 canali sono indirizzati qui prima di essere inviati all'amplificatore integrato e alle uscite sinistra e destra (L e R) (vedi sopra, punto 10).
- Interruttore POWER - Per accendere e spegnere I'XP150.
- Indicatore Alimentazione/Picco - Questo LED si illumina in verde quando l'interrettore dell'alimentazione principale è acceso, e in rosso quando l'amplificatore è prossimo al clipping. Se l'indicatore Peak si accende di frequente, abbassa il controllo del volume MASTER oppure abbassa i controllingi VOL dei canali di ingresso finché l'indicatore non si accende più, o si accende solo occasionally in corrispondenza di picchi del segnale.
- Presa IEC - Collega qui il cavo IEC a 3 poli fornito.
- Blocco del mixer - Ruota quello in senso antiorario, sono alla posizione RELEASE, per rimuovere il mixer dal retro dello chassis della cassa. Quando trasporti l'XP150 assicurati che quello fermo sia in posizione LOCK.

L'esempio在哪一个tipico systema PA per una cocktail band: l'XP150iene utilizzato con due microfoni, una chitarra acustica, una tastiera e unlettore MP3 usato per la musica di sostofondo.
Guida ai collegamenti
Esistono vari modi per collegare l'XP150 in base ai diversi utilizzi che se ne possono fare. L'XP150 dispone di ingressi bilanziati, per cui è possibile collegare segnali sa bilanziati sua sbilanziati.
Connettore sbilanciato da 6,35 mm

Connettore stereo da 3,5 mm

Schema dei collegamenti di un XLR bilanziato

Specifiche
| Amplificatore | ||
| Potenza RMS 150 watt a 8Ω (75 watt per canale) | ||
| Risposta in frequenza 40 Hz - 20 kHz | ||
| Potenza assorbita Ingrasso CA 100V | ~240 V 50/60 Hz 180 W | |
| Casse | ||
| Basse frequence Trasduttore da 6" (25 cm) | ||
| Alte frequence Tweeter da 1" (2,5 cm) | ||
| Mixer | ||
| Ingressi | XLR, bilanciati da 6,35 mm, stereo da 3,5 mm | |
| Uscite Uscite da 6,35 mm per le casse | ||
| Phantom Power Voltaggio Phantom | fisso a +15 V CC | |
| EQ sui canali d'ingresso | Acuti Di tipo shelving a 10 kHz ±15 dB | |
| Bassi Di tipo shelving a 100 Hz ±15 dB | ||
| Selettore Speech/Music | 150 Hz, 18 dB per ottava | |
| Indicatori | LED a due colori - Power/Peak (Alimentazione/Picco) | |
| Dimensioni e peso | ||
| Dimensioni | Lunghezza 395 | mm |
| Larghezza 218 | mm | |
| Altezza 354 mm | ||
| Peso 10,8 kg | ||
Le specifiche possono variare alla preavviso.
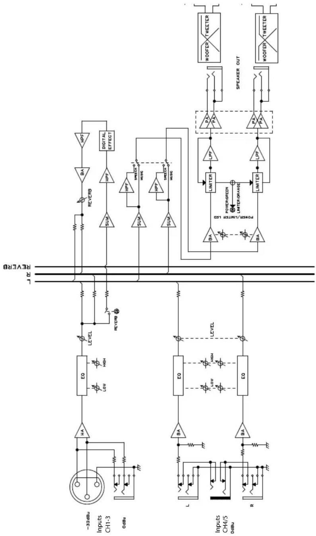
Diagramma a blocchi

Samson Technologies
45 Gilpin Avenue
Hauppauge, New York 11788-8816
Phone: 1-800-3-SAMSON (1-800-372-6766)
Fax: 631-784-2201
www.samsontech.com
ManualeFacile