Expedition XP150 - Mischpult SAMSON - Kostenlose Bedienungsanleitung
Finden Sie kostenlos die Bedienungsanleitung des Geräts Expedition XP150 SAMSON als PDF.
Benutzerfragen zu Expedition XP150 SAMSON
0 Frage zu diesem Gerät. Beantworten Sie die, die Sie kennen, oder stellen Sie Ihre eigene.
Eine neue Frage zu diesem Gerät stellen
Laden Sie die Anleitung für Ihr Mischpult kostenlos im PDF-Format! Finden Sie Ihr Handbuch Expedition XP150 - SAMSON und nehmen Sie Ihr elektronisches Gerät wieder in die Hand. Auf dieser Seite sind alle Dokumente veröffentlicht, die für die Verwendung Ihres Geräts notwendig sind. Expedition XP150 von der Marke SAMSON.
BEDIENUNGSANLEITUNG Expedition XP150 SAMSON
Wichtige Sicherheitshinweise

ATTENTION RISQUE D'ÉLECTROCUTION! NE PAS OUVRIR!
VORSICHT: UM DIE GEFAHR EINES STROMSCHLAGS ZU VERRINGERN, ENTFERNEN SIE NICT DIE VORDER- ODER RUCKSEITE DES GERÄTS. IM INNERN BEFINDEN SICH KEINE VOM ANWENDER WARTBAREN BAU TEILE. ÜberLASSEN SIE DIE WARTUNG QUALIFIZIERTEM FACHPERSONAL.

Der Blitz mit Pfeilspitze im gleichseitigen Dreieck soll den Anwender vor nichtisolierter, gefährlicher Spannung im Geräteinnern warnen. Diese Spannung kann so hoch sein, dass die Gefahr eines Stromschlags besteht.

Das Ausrufezeichen im gemeinschaftigen Dreieck soll den Anwender auf wichtige Bedienungs- und Wartungsanleitungen aufmerksam machen, die im mitgelieferten Informationsmaterial bisher beschrieben werden.
DIESES GERÄT ENTSPRICHT PART 15 DER FCC-VORSCHRIFTEN CLASS B. DER BETRIEB UTERLIEGT FOLGENDEN ZWEI BEDINGUNGEN: (1) DIESES GERÄT DARF KEINE STÖRUNGEN VERURSACHEN UND (2) ES MÜSS ALLE EMPFANGEN STÖRUNGEN AUFNEHMEN KÖNNEN, AUCH SOLCHE, DIE DIE FUNKTION BEEINTRÄCHTIGEN. GEEIGNET FÜR PRIVATE-UND BÜROANWENDUNGEN.

Dieses Produkt darf nicht mit dem normalen Hausmüll entsorgt werden. Es gibt ein separates Entsorgungssystem für gebrauchte elektronische Produkte, das die gesetzlichen Vorschriften zur korrekten Behandlung, Verarbeitung und Wiederaufbereitung erfüllt.
Private Haushalte in den 25 Mitgliedstaaten der EU, in der Schweiz und Norwegen können ihre gebrauchten elektronischen Produkte kosten los bei ausgewiesenen Sammelstellen oder Einzelhandlern (bei Kauf eines ähnlichen neuen Produkts) abgeben.
In Ländern, die nicht oben erwähn wurden, informieren Sie sichitte bei ihrer Gemeindeverwaltung über eine korrekte Entsorgungsmglichkeit.
Auf diese Weise stellen Sie sicher, dass Ihr entsorgtes Produkt sachgemäß behandelt, verarbeitet und wiederaufbereitet wird und potentielle negative Auswirkungen auf die Umwelt und menschliche Gesundheit vermieden werden.
Wichtige Sicherheitsinformationen
- Lesen Sie diese Anleitungen.
- Bewahren Sie diese Anleitungen auf.
- Beachten Sie alle Warnungen.
- Befolgen Sie alle Anweisungen.
- Setzen Sie diese Gerät keinen tropfenden oder spritzenden Flüssigkeiten aus und stellen Sie keine mit Flüssigkeit gefüllten Objekte, z. B. Vasen, auf das Gerät.
- Reinigen Sie das Gerät nur mit einem trockenen Tuch.
- Blockieren Sie keine Belüftungsöffnungen. Installieren Sie das Gerät nur entsprechend den Anweisungen des Herstellers.
- Installieren Sie das Gerät nicht in der Nähe von Wärmequellen, wie Heizkörpern, Wärmeklappen, Öfen oder anderen Geräten (inklusive Verständern).
- Benutzen Sie nur die vom Hersteller angegebenen Halterungen/Zubehörteile.
- Ziehen Sie den Netzstecker des Gerats bei Gewittern oder längeren Betriebspausen aus der Steckdose.
- Setzen Sie die vorgesehene Funktion des polarisierten oder geerdeten Steckers nicht außer Kraft. Ein polarisierter Stecker hat zwei flache, unterschiedlich breite Pole. Ein geerdeter Stecker hat zwei flache Pole und einen dritten Erdungsstift. Der breitere Pol oder der dritte Stift dient ihrer Sicherheit. Wenn der vorhandene Stecker nicht in ihre Steckdose passst, setzen Sie die veraltete Steckdose von einem Elektriker ersetzen.
- Schützen Sie das Netzkabel dahingehend, dass niemand darüber laufen und es nicht geknicht werden kann. Achten Sie hierbei besonderss auf Netzstecker, Mehrfachsteckdosen und den Kabelanschluss am Gerät.
- Benutzen Sie das Gerät nur mit den Wagen, Ständern, Stativen, Halterungen oder

Tischen, die vom Hersteller empfohlen oder mit dem Gerät verkauf wurden. Gehen Sie beim Bewegen eines Wagens vorsichtig vor, damit die Wagen/Geräte-Kombination nicht umkippt und Verletzungen verursacht.
- Überlassen Sie die Wartung qualifiziertem Fachpersonal. Eine Wartung ist notwendig, wenn das Gerät auf irgendeine Weise beschädigt wurde, z. B. am Netzkabel oder -stecker, oder wenn Flüssigkeiten/Objekte in das Gerät gelangt sind, es Regen/ Feuchtigkeit ausgesetzt war, nicht mehr wie gewohnt Funktioniert oder fallen gelassen wurde.
- NETZSCHALTER: Ein eventuell vor han dener Netzschalter unterbricht die Verbindung zum Stromnetz NICHT.
- TRENNNUNG VOM STROMNETZ: Der Netzstecker sollte immer problemos erreichbar sein. Ist der Netzstecker nicht erreichen, z. B. Rackmontage oder andere Installationen, muss ein allpoliger Netzschalter mit einer Kontakttrennung von mindestens 3mm in jedem Pol in die elektrische Installation des Racks oder Gebäudes eingebaut werden.
- GERÄTE MIT EXTERN ZUGÄNGLICHER SICHERUNG: Verwenden Sie als Entsatz nur Sicherungen gleichen Typs und Nennwerts.
- VERSCHIEDENE NETZSPANNUNGEN: Abhängig von der bei der Installation verfügbar Stromquelle, müssen Netzkabelund/oderAnschlussstecker des Geräts eventuell ausgetaucht werden. Schließen Sie das Gerät nur an Spanningsquellen an, die auf der Geräterückseite angegeben sind. Um die Gefahr eines Brandes oder Stromschlags zu verringern, überlassen Sie die Wartung qualifiziertem Fachpersonal.
Inhalt
Einleitung 37
Features 38
XP150 einrichten 39
XP150 Schnellstart. 41
XP150 fur den Transport konfigurieren 43
XP150 Mischer-Layout 44
XP150 Anschluse 46
XP150 Verdrahtungsanleitung 47
Technische Daten 48
Blockdiagramm. 49
Herzlichen Dank für den Kauf des tragbaren PA-Systems Expedition XP150 von Samson! Das XP150 zeichnet sich aus durch einen kompakten 5-Kanal Aktivmischer mit 150 Watt Leistung und zwei 2-Weg Boxen. Es stellt damit die ideale Lösung für eine Vielzahl kleiner bis mittelgroßer PA-Anwendungen dar. Dank seiner leichten und neuartigen "Slide & Lock" Bauweise ist das XP150 sehr transportfreundlich.
Man kann den 5-Kanal Mischer von den Boxen trennen und separat auf einem Tisch betreiben. Das XP150 bietet Ihnen drei Eingänge für Mikrofone plus einen Canal für das Stereosignal eines MP3 Players oder anderen elektronischen Geräts. Das System verfügt auch über einen integrierten digitalen Effektprozessor, der ihre Stimme oder Instrumente mit Reverb anreichert. Der Mischer erzeugt mit seiner leichten Class-D Verändersektion eine solide Gesamtausgangsleistung von 150 Watt. Das XP150 verwendet ein abgestimmtes Lautsprechersystem mit zwei 2-Weg Boxen, die mit proprietären 6'' Woofern und 1'' Höhentreibern bestückt sind. Um den Schall better auf ein große Publikum zu vertieren, kann man die XP150-Boxen mit den integrierten Öffnungen auf standard Boxenstandier montieren. Das XP150 ist aus robustem schlagfestem ABS-Kunststoff gefertigt und darauf absolut tourtauglich und gleichzeitig von geringem Gewicht.
In this handbook find Sie eine detaillierte Beschreibung der Funktionen Ihres XP150 PA-Systems und dessen vorder- und rückseitiger Bedienfelder sowie schrittweise Anleitungen zum Einrichten und Anwenden des Systems und ausführliche technische Daten. Es wurde auch eine Garantiekarte beigelegt, die Sie unbedingt ausfüllen und abschicken sollen! Dadurch konnen Sie online technischen Support in Anspruchnehmen und zukünftigactualisierte Informationen über theses und andere Samson-Produkte erhalten. Besuchen Sie auch unsere Website (www.samsontech.com), auf der Sie ausführliche Informationen über unsere gesamte Produktpalette finding.
Bei sorgsamer Behandlung und angemessener Belüftung wird Ihr XP150 viele Jahre störungsfrei arbeiten. Die Seriennummer Ihres Geräts sollen den Sie vorsorglich in der Zeile unter eintragen.
Seriennummer:
Kaufdatum:
Sollte Ihr Gerät einmal gewartet werden müssen, besorgen Sie sich vor der Rücksendung an Samsonitte eine Return Authorization Number (RA) (Rücksendeberechtigungs- number). Ohne diese Nummer wird das Gerät nicht angenommen.itte rufen Sie Samson unter der Nummer 1-800-3SAMSON (1-800-372-6766) an, um eine RA-Nummer vor der Rücksendung zu erhalten. Heben Sie das Originalverpackungsmaterial auf und schicken Sie das Gerät möglichst im originalen Karton und Verpackungsmaterial zurück. Wenn Sie das Samson-Produkt außerhalb der USA gekauft haben, setzen Sie sich bezuglich Garantiebedingungen und Wartungitte mit unserem lokalen Vertriebspartner in Verbindung.
Features

Das XP150 ist ein kompaktes PA-System mit zwei 2-Weg Boxen, einem integrierten Mischer und einer 150-Watt Endstufe.
Das XP150 stellt das Optimum an tragbarer Gehäuseform dar. Dank leichter und intelligenter Konstruktion kann man die beiden Boxen und alle Komponenten zu einem einzigen, leicht beweglichen Koffer miteinander verbinden. Der Mischer wird bei Nichtgebrauch in einem der Laufsprechergehause untergebracht. Das andere Gehäuse besitzt ein Ablagefach für Boxenkabel, Mikrofone und andere Zubehor.
Die Boxen bestehen aus einem belufteten 2-Weg Gehäuse mit 6'' Woofer für die tiefen Basse und 1'' Hohentreiber, der in einem speziellen Horn mit 60 × 90 Grad Abstrahlwinkel sitzt und einen sauberen, klaren Klang erzeugt.
Die integrierte, leichte 2 × 75 Watt Class D Endstufe erzeugt einen druckvollen Stereoklang.
- Der Mischer des XP150 kann von der Box getrennt und auf einem Tisch o. Ä. betrieben werden, wobei sich der Mischer mit dem ausklappbaren Ständer auf einen ergonomisch korrekten Bedienungswinkel einstellenläst.
- Der 5-Kanal Mischer verfügbar über drei Mic/Line-Eingänge für Mikrofon- oder Line-Signale sowie einen Stereoeingang für die Line-Signale von Keyboards, Drum Machines und MP3/CD-Playern. Beim Einsatz von Kondensatormikrofonen kann man über den Phantom Power-Schalter Phantomspannung zuschalten.
Jeder Kanaleingang des Mischers ist mit einem Bass- und Treble-Regler bestückt, mit dem man die Klangfarbe der einzelnen Eingangssignale feineinstellen kann.
- Um den Mikrofonkanälen mehr Fülle zu verleihen, kann man mit dem internen Effektprozessor Digitalreverb hinzufugen.
- Packen Sie alle Systemkomponenten aus dem Transportkarton aus und haben Sie das Verpackungsmaterial für den Fall auf, dass Ihr Gerät zur Wartung ans Werk zurück geschickt werden muss.
- Entnehmen Sie den Mischer, indem Sie die Blattschraube nach links auf die RELEASE-Position drehen.

- Halten Sie den Mischer gut fest und nehmen Sieihn aus dem Lautsprechergehause.

- Entfernen Sie den Deckel des Zubehörfachs, indem Sie die Blattschraube nach links auf die RELEASE-Position drehen. Nehmen Sie die mitgelieferten Boxenkabel Heraus.

XP150 einrichten
- Setzen Sie den Zubehördeckel wieder ein, indem Sie dessen Unterseite in die Schlitze setzen, die Blattschraube auf die RELEASE-Position stellen, den Deckel schreiben und die Blattschraube nach rechts auf LOCK drehen.
- Platzieren Sie die Boxen auf dem Boden oder auf Ständern.
- Verbinden Sie die LEFT SPEAKER OUT-Buchse des Mischers über eines der mitgelieferten Boxenkabel mit dem Eingang der linken Box. Verbinden Sie dann die RIGHT SPEAKER OUT-Buchse über das zweite mitgelieferte Boxenkabel mit dem Eingang der rechten Box.


- Der Power-Schalter des XP150 muss auf OFF stehen.
- Falls noch keine Boxen angeschlossen sind, verkabeln Sie die Boxen jetzt wie im vorherigen Abschnitt beschrieben.
- Drehen Sie alle Volume-Regler (VOL) der Kanäle und den MASTER Volume-Regler ganz nach links auf "0".
- Verbinden Sie dann eine Seite des mitgelieferten Netzkabels mit dem Netzanschluss des XP150 und die andere Seite mit einer geerdeten Netzsteckdose.
- Schlieben Sie Mikrofone über standard XLR-Kabel, Instrumente über 6,35 mm Klinkenkabel und MP3-Player über 3,5 mm Klinkenkabel an die entsprechenden Buchsen des Mischers an.

- Schalten Sie zuerst alle an das XP150 angeschlossenen Geräte ein und stellen Sie dann den XP150 POWER-Schalter auf ON ein.
- Drehen Sie den MASTER-Pegelregler ungebär halb auf "5" auf.

XP150 Schnellstart
-
Speisen Sie ein Mikrofon- oder Instrumentensignal in Kanal 1 ein und drehen Sie den VOL-Regler langsam auf, bis der gewünschte Pegel erreicht ist. Gehen Sie bei jedem benutzten Kanal genauso vor.
-
Wenn die POWER/PEAK-Anzeige ständig leuchtet, drehen Sie den MASTER Volume-Regler zurück, bis die Anzeige nur gelegentlich leuchtet.
-
Um der Mischung Tiefe zu verleihen und den Gesang zu glätten, können Sie auf die Kanäle 1 - 3 Reverb anwenden. Drücken Sie hierzu die REV-Taste bei den Kanälen, auf die Sie den Effekt anwenden möchten.

- Drehen Sie den REVERB-Regler langsam auf, bis der gewünschte Pegel erreicht ist.

- Mit den LF (Bass)- und HF (Höhen)-Reglern konnen Sie die Klangeigenschaften des Signals ändern. Klingt das Audio zu matschig, sollen den Sie den LF-Regler zurückdrehen. Klingt das Audio dumpf, sollen den Sie den HF-Regler aufdrehen. Bei der EQ-Bearbeitung gibt es kein absolut richtiges oder falsches Verfahren. Hören Sie, wie die Mischung im Raum klingt, undnehmen Sie wunschgemäß Feineinstellungen vor.

XP150 für den Transport konfigurieren
Mit der "Slide & Lock"-Funktion des XP150 lassst sich das Soundsystem einfach traben. Die beiden "Slide & Lock"-Lautsprechergehause konnen zu einer transportfreundlichen Einheit miteinander verbunden werden. Gehen Sie nach diesen einfahren Schritten vor, um das XP150 für den muhelosen Transport zu konfigurieren.
- Setzen Sie eine Box auf dem Boden ab und legen Sie sie auf die Seite.

- Halten Sie die zweite Box über die ersten Box und richten Sie die "Slide & Lock"-Schienen und Rillen so aufeinnander aus, dass sie parallel zur am Boden liegenden Box verlaufen.

Die Unterseite der einen Box muss auf die Oberseite der anderen Box ausgerichtet sein.
- Schieberen Sie die zweite Box in die am Boden liegende Box und achten Sie darauf, dass die beiden Boxen parallel zueinander bleiben.

- Wenn die beiden Boxen ihre korrekte Position erreicht haben, werden Sie ein leises Klicken horen.

XP150 Mischer-Layout

- XLR Mic-Eingänge (Kanäle 1 - 3) – Über diese XLR-Buchsen schließen Sie niederohmige Mikrofone an die inte grierten Mikrofonvorversteller des XP150 an.
- 6,35 mm Line-Eingänge (Kanäle 1 - 3) – Über diese 6,35 mm-Buchsen schlieben Sie Instrumenten- oder Audiosignale mit Line-Pegel ans XP150 an. Geeignet sind die Ausgangssignale von Akustikgitarren-Pickups, Keyboards, Drum Machines, CD/MP3/Tape-Playern und anderen Geräten mit Line-Pegel-Ausgangen.
- 6,35 mm stereo Eingänge (Kanäle 4/5) - Schließen Sie die Eingänge L und R von Kanal 4/5 an die linken/rechten Kanalausgänge des Geräts an. An die Eingänge halten sich hochohmige Mikrofone, Synthesizer, Drum Machines, MP3/CD/Tape-Player oder andere Geräte mit Line-Pegel anschlossen.
- 3,5 mm stereo Eingang (Kanal 4/5) – An diesen Eingang schlieben Sie ein steroe Line-Pegel-Gerät, z. B. MP3/CD/Tape-Player an.
- Hohe Frenzen (HF) - Der HF-Drehregler steuert den Hohenanteil des Kanals. Der HOHEN-Frequenzgang des Kanals verläuft linear, wenn der Drehregler auf "0" steht. Eine Rechtsdrehung des Reglers verstärkt den Hohenfrequenzgang des Kanals über 10kHz um 15 dB. Eine Linksdrehung bedämpft die Hohen um 15 dB.
- Tiefe Frequenzen (LF) - Der LF-Drehregler steuert den Bassanteil des Kanals. Der BASS-Frequenzgang des Kanals verläuft linear, wenn der Drehregler auf "0" steht. Eine Rechtsdrehung des Reglers verstärkt den Bassfrequenzgang des Kanals unter 100Hz um 15 dB. Eine Linksdrehung bedämpft die Basse um 15 dB.
XP150 Mischer-Layout
- REVERB-Schalter - Mit dem REVERB-Schalter kann man einem an den Eingangen 1 - 3 anliegenden Mikrofon- oder Line-Signal einen Halleffekt hinzufugen. Die REVERB LED-Anzeige leuchtet GRUN, wenn der REVERB eingeschaltet ist.
- REVERB-Anzeige - Bei gedruckter REVERB-Taste leuchtet die REVERB LED und zeigt an, dass auf den betreffenden Kanal ein Halleffekt angewandt wird (siehe 7 offen).
- VOLUME-Regler - Steuert den Gesamtpegel des Mic- oder Line-Eingangs. HINWEIS: Um Rauschen zu verringern, sollen den Sie die VOLUME-Regler aller unbenutzten Kanäle ganz zurückdrehen.
- SPEAKER OUT-Buchsen - Das XP150 verfügbar über zwei 6,35 mm Klinkenbuchsen, an denen Signale mit Laufsprecherpegel zum Betrieben der linken und rechten Boxen anliegen. Schließen Sie die Boxen mit den beiliegenden Boxenkabeln an. VORSICH: Die Gesamtimpedanz für jeder Verständnerseite darf 8 Ohm nicht unterschreiben. Daher sollen den Sie keine weiteren Boxen an den XP150-Mischer anschließen.
- SPEECH/MUSIC-Schalter - Mit dem SPEECH/MUSIC-Schalterändern Sie insgeamt den Frequenzgang oder das Klangprofil des XP150-Soundsystems. Wenn bei ihrer Anwendung meistens MUSIK wiedergegeben wird, wahren Sie durch Drücken der Taste die MUSIC-Anspruchkurve. Wenn bei ihrer Anwendung meistens SPRACHE wiedergegeben wird, setzen Sie die Taste gelöst, um die SPEECH-Anspruchkurve zu halten.
- REVERB-Regler - Der REVERB-Drehregler regelt die Gesamtstärke des Reverbs, der Kanälen mit gedrückter REVERB-Taste (siehe 7 offen) hinzugeführzt wird.
- MASTER-Regler - Der Master-Pegelregler steuert den Gesamtausgangs pegel. Hier werden die Signale aller fünf Kanäle zusammenfasst, bevor sie zu den integ rierten Endstufen und den Left/Right-Ausgangsbuchsen (siehe 10 oben) geleitet werden.
- POWER-Schalter - Damit schalten Sie das XP150 ein/aus.
- Power/Peak-Anzeige - Diese LED leuchtet GRUN, wenn der POWER-Schalter aktiviert ist, und ROT, wenn sich der Veränder dem Clipping-Bereich nähert. Wenn die Peak-Anzeige halten leuchtet, drehen Sie den MASTER-Pegelregler oder die VOL-Regler der Eingangsgkanänz darüber, bis die Anzeige nicht mehr oder nur gelegentlich bei Spitzenpegeln leuchtet.
- IEC-Netzanschluss - Schließen Sie hier das mitgelieferte dickadrige 3-Pol IEC-Netzkabel an.
- Mischer-Verriegelung - Drehen Sie die Verriegelung eine Vierteldrehung nach links auf die RELEASE-Position, um den Mischler aus dem rückseitigen Stauraum der Box hersauszunehmen. Beim Tranport des XP150 muss die Verriegelung auf LOCK stehen.

Dieses Beispiel zeigt ein typisches PA-System für eine Cocktail-Band. Das XP150 wird mit zwei Mikrofonen, Akustikgitarre, Keyboards und einem MP3-Player für Background-Music verwendet.
XP150 Verdrahtungsanleitung
Man kann das XP150 auf verschiedene Weise in Systeme integrieren, um entsprechliche Anwendungen zu Unterstützung. Da das XP150 über symmetrische Ein- und Ausgänge verfügbar, kann man symmetrische und asymmetrische Signale anschließen.
unsymmetrischer 6,35 mm-Anschluss

stereo 3,5 mm TRS-Anschluss

symmetrische XLR-Verdrahtung


Technische Daten
| Verstärker | ||
| Ausgangsleistung RMS 150 W @ 8Ω | (75 W pro Kanal) | |
| Frequenzgang 40 Hz - 20 kHz | ||
| Leistungsaufnahme AC-Eingang 100 V ~ 240 V 50/60 Hz 180 W | ||
| Laufsprecher | ||
| Tiefe Frenzen 6" Basswandler | ||
| Hohe Frenzen 1" Tweeter | ||
| Mischer | ||
| Eingänge XLR, 6,35 mm symmetrisch, 3,5 mm stereo | ||
| Ausgänge 6,35 mm Boxenausgang | ||
| Phantomspannung +15 V DC, fest eingestellt | ||
| Eingangskanal-EQ | Höhen 10 kHz Shelving ±15 dB | |
| Bässe 100 Hz Shelving ±15 dB | ||
| Speech/Music-Schalter | 150 Hz, 18 dB/Oktave | |
| Anzeigen | 2-farbige LED - Power/Peak | |
| Abmessungen und Gewicht | ||
| Abmessungen | Länge 395 mm/15,6" | |
| Breite 218 mm/8,6" | ||
| Höhe 354 mm/13,9" | ||
| Gewicht | 10,8 kg/24 lbs | |
Technische Daten können unangekündigt geändert werden.
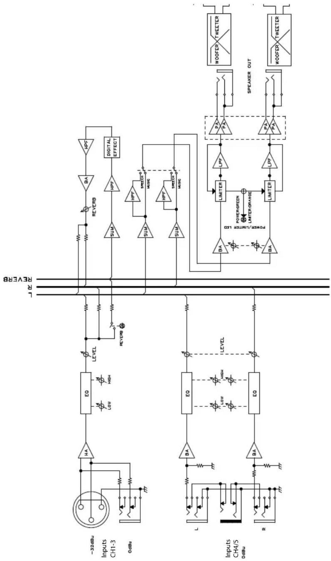
Blockdiagramm

EinfachAnleitung