Expedition XP1000 - Mischpult SAMSON - Kostenlose Bedienungsanleitung
Finden Sie kostenlos die Bedienungsanleitung des Geräts Expedition XP1000 SAMSON als PDF.
Benutzerfragen zu Expedition XP1000 SAMSON
0 Frage zu diesem Gerät. Beantworten Sie die, die Sie kennen, oder stellen Sie Ihre eigene.
Eine neue Frage zu diesem Gerät stellen
Laden Sie die Anleitung für Ihr Mischpult kostenlos im PDF-Format! Finden Sie Ihr Handbuch Expedition XP1000 - SAMSON und nehmen Sie Ihr elektronisches Gerät wieder in die Hand. Auf dieser Seite sind alle Dokumente veröffentlicht, die für die Verwendung Ihres Geräts notwendig sind. Expedition XP1000 von der Marke SAMSON.
BEDIENUNGSANLEITUNG Expedition XP1000 SAMSON
Das Wort Bluetooth®, und die Logos sind eingetragene Marken der Bluetooth SIG, Inc. und jegliche Nutzung dieser Zeichen Seiten der Samson Technologies ist lizenziert.. Andere Handelsmarken und Handelsnamen sind Eigentum der jeweiligen Besitzer.
Wichtige Sicherheitsinformationen

GEFAHR EINES
ELEKTRISCHEN SCHLAGS,
Nicht Offnen
WARNING: UM DAS RISIKO EINES ELEKTRISCHEN SCHLAGS ZU REDUZIEREN ÖFFNEN SIE NICT DIE HINTERE ABDECKUNG, DA KEINE VOM BENUTZER ZU WARTENDEN TEILE VORHANDEN SIND. ÜBERGEBEN SIE DAS GERÄT NUR QUALIFIZIERTEM PERSONAL ZUR REPARATUR.

Dieser Blitz mit einem Pfeil als Symbol in einem gemeinschaftigen Dreieck soll den Benutzer auf das Vorhandensein von «geführlicher Spannung» im Gehäuse des Produkts hinweisen. Diese Spannung ist unter Umständen groß genug, um ein Risiko für einen elektrischen Schlag darzustellen.

Das Ausrufungszeichen in einem gleichseitigen Dreieck soll den Benutzer in der mit dem Gerät mitgelieferten Dokumentation auf eine wichtige Betriebs- oder Wartungsanweisung hinweisen.

Wenn Sie das Produkt entsorgen möchten, geben Sie es nicht in den Hausmüll. In Übereinstimmung mit der Gesetzgebung existiert ein separates Sammelsystem für elektrische und elektronische Produkte. Diese Gesetze fordern eine angemessene Behandlung, Verwertung und Wiederaufbereitung solcher Geräte.
Private Haushalte in den 28 Mitgliedsstaaten der EU, in der Schweiz und Norwegen können ihre elektronischen Produkte kostenlos an eine Sammelstelle oder den Handler abgeben (wenn Sie ein ähnliches Produkt wieder erwerben).
Verbraucher in Ländern, die nicht oben genannot werden, kontaktierenitte ihre lokalen Behörden, um Informationen über eine korrekte Entsorgung zu erhalten.
Sie werden so sicherstellen, dass Ihr Produkt der notwendigen Behandlung, Verwertung und Wiederaufbereitung unterzogen wird und eventuelle negative Auswirkungen auf die Umwelt und die Gesundheit vermieden werden.
Wichtige Sicherheitsinformationen
- Lesen Sie diese Anweisungen.
- Bewahren Sie diese Anweisungen auf.
- Beachten Sie alle Warnungen.
- Folgen Sie allen Anweisungen.
- Benutzen Sie das Gerät nicht in der Nähe von Wasser.
- Reinigen Sie es nur mit einem trockenen Tuch.
- Verschlieben Sie keine Ventilationsöffnungen. Installieren Sie das Gerät gemäß den Anweisungen des Herstellers.
- Installieren Sie es nicht in der Nähe von Wärmequellen wie Radiatoren, Heizkörpern, Öfen oder anderen Geräten (einschließlich Veränder), die Hitze erzeugen.
- Umgehen Sie nicht die Sicherheitsfunktion des polarisierten oder geerdeten Steckers. Ein polarisierter Stecker besteht aus zwei Flachkontakten, wobei einer breiter ist als der andere. Ein Stecker mit Erdung besteht aus zwei Flachkontakten und einem dritten runden Erdungsstift. Der breite Flachkontakt und der Erdungsstift werden aus Sicherheitsgrunden integriert. Wenn der mitgelieferte Stecker nicht in ihre Steckdose passt, bitten Sie einen Elektriker, die obsolete Steckdose auszutauschen.
- Schützen Sie das Stromversorgungskabel davor, dass man darauf tritt und dass es geknigt wird, vor allem an den Steckern, Buchsenteilen und an den Punkten, an denen das Kabel aus dem Gerät kommt.
- Benutzen Sie nur die vom Hersteller spezifizierten Zubehörteile.
- Benutzen Sie nur Wagen, Stän- der, Stative, Halter oder Tische, die vom Hersteller angegeben werden oder passend zum Gerät

erhaltlich sind. Wenn ein Wagen eingesetzt wird, sollen den Sie vorsichtig sein, wenn Sie den Wagen und das Gerät bewegen, um Verletzungen durch Umkippen zu vermeiden.
- Ziehen Sie den Stecker des Geräts bei Gewittern oder wenn es längerere Zeit nicht benutzt wird aus der Steckdose.
- Übergeben sie das Gerät zur Reparatur nur qualifiziertem Personal. Wenn das Gerät in irgendener Weise beschädigt wurde, zum Beispiel wenn das Stromversorgungskabel oder der Stecker beschädigt sind, Flüssigkeit ausgelaufen ist oder ein Object in das Gerät gefallen ist oder das Gerät Regen oder Feuchtigkeit ausgesetzt wurde, es nicht normal funktioniert oder gefallen ist, muss es von einer Fachkraft werden.
- Dieses Gerätarf nicht Wasserspritzern oder einem Wasserstrahl ausgesetzt werden und esarfkeine Vase oder ein mit Wasser gefülltes Objekt auf das Gerät gestellt werden.
- Achtung - um einen elektrischen Schock zu vermeiden, muss der breite Flachkontakt vollkommen in die breite Buchse eingeführt werden.
17.itte achten Sie darauf, dass die gesamte Umgebung um das Gerat gut geluftet ist. - Um Verletzungen zu vermeiden muss das Gerät sicher am Ständer in Übereinstimmung mit den Installationsanweisungen montiert werden.
-
WARNUNG: Die Batterie (Batterie oder Batterien oder Batteriepaket) dar keiner Hitze etwa Sonneneinstrahlung, Feuer oder ähnlichen Einwirkungen ausgesetzt werden.
-
ACHTUNG: Wenn die Batterie nicht korrekt ausgetauscht wird, besteht Explosionsgefahr. Nur durch denselben oder äquivalenten Batterietyp ersetzen.
Wichtige Sicherheitsinformationen
FCC Hinweis
- Dieses Gerät entspricht Teil 15 der FCC Bestimmungen. Der Betrieb unterliegt folgenden beiden Bedingungen:
(1) Dieses Gerat darf keine schädigenden Störungen verursachen, und
(2) Dieses Gerät muss alle empfangenen Störungen vertragen, einschließlich Störungen, die unerwänschte Funktionen verursichen können.
- Änderungen oder Modifikationen, die nicht ausdrücklich von der Institution genehmigt wurden, die für die Konformität mit den geltenden Verordnungen verantwortlichen ist, können zum Verlust der Betriebserlaubnis des Geräts führen.
FCC Erklärung
Dieses Equipment wurde getestet und entsprechend der FCC Regelungen, Teil 15, als mit der Class B Digital Device Grenzen konform eingestuft. Diese Grenzen wurden festgelegt, um einen angemessenen Schutz gegen gefährliche Interferenzen in einer Haushalts-Umgebung zu bieten.
Dieses Equipment generiert, benutzt und kann Radiofrequenzen ausstrahlen und, wenn nicht entsprechend der Anweisungen installiert, kann es schädliche Interferenzen bei Radio-Kommunikationsgeräten hervorrufen. Bei keiner Installation konnen Störungen jedoch vollig ausgeschlossen werden. Wenn das Equipment starke Interferenzen bei Radio- und Fernseh-Equipment hervorruft, was durch Aus- und Einschalten des Equip-ments geprüft werden kann, wird dem Benutzer empfohlen, die Störungen durch eine oder mehrere der folgenden Maßnahmen zu unterbinden:
Die Position oder die Richtung der Empfängerantenne ändern.
- Den Abstand zwischen Equipment und Receiver erhöhen.
- Das Equipment mit einer Steckdose eines anderen internen Kreises verbinden als den, mit dem der Empfänger verbunden ist.
- Fragen Sie ihren Handler oder bitten Sie einenethoden Radio- und Fernsehtechniker um Hilfe
RF Warnhinweis
Das Gerät wurde geprüft, ob es der allgemeinen Anforderungen für RF Beeinflussungen entspricht.
Das Gerät kann uneingeschränkt als tragbares Gerät eingesetzt werden.
Dieses Gerät entspricht RSS-310 der Industrie Kanadas. Der Betrieb unterliegt den Bedingungen, dass diesen Gerät keine gefährlichen Störungen verursacht.
Inhalt
Einführung. 51
Funktionen 52
XP1000 Mixer Layout 53
Verbindung mit einem Bluetooth Gerät. 56
Einstellen des XP1000 57
Kurze Betriebsanleitung 59
Effekte verwenden 61
Vermeiden von Rückkopplungen. 61
Kabelloses Stage XPD1 System (Optional) 62
XP1000 Anschluse 64
Anschlussanleitung. 65
Spezifikationen. 66
Blockdiagramm 67
Einführung
Vielen Dank für den Kauf des TRAGBAREN EXPEDITION XP1000 PORTABLE PA SYSTEMS von Samson! Das XP1000 bietet eine optimale Balance zwischen hervorragendem Klang und Transportierbarkeit. Das System ist kein genug, dass es von einer Person getragen werden kann, kann zu einer Einheit zusammengepackt werden. Auf diese Weise ist es erstaunlich einfach, es)sogar in dem Kofferraum eines Kleinwagens zu transportieren.
Das XP1000 System besteht aus zwei 2-Wege 10" Lautsprecherboxen, einem 10-Kanal, 1000 Watt Mixer und zwei Lautsprecherkabeln. Der Mixer kann in die Rückseite eines der Lautsprecherboxen gespackt werden und auf der Rückseite des zweiten Gehäuses befindet sich ein Fach für Zubehör, in dem die Lautsprecher-und Stromversorgungskabel aufbewahrt werden konnen. Die beiden Lautsprecher besitzen unserer einzigartiges Einsatz- und Einrast-Design ausgestattet und konnen so miteinander verbunden werden, so dass das gesamte System in eine einzige Einheit von der Höhe eines Handgepacks gespackt werden kann.
Der 10-Kanal Mixer kann in der Halterung auf der Rückseite des Laufsprechers oder vom Laufsprecher herausgenommen und als Tischgerät verwendet werden. Er verfügt über 4 Eingänge für den Anschluss von Mikrofonen, sowie drei Eingänge zum Anschluss von Stereo-Signalen, etwa von einem Keyboard oder MP3-Player. Der Mixer ist eben falls mit einem integrierten digitalen 24-Bit Effektprozessor ausgestattet, um zu ihrer Stimme oder zu Instrumenten Effekte in Studioqualität hinzufugen. Das XP1000 ist zum Abspielern von Musik ebenfalls mit einer kabellosen Bluetooth® Schnittstelle ausgestattet, um Audio von Ihr dem Smart Phone, Tablet oder Computer zu streamen. Der Mixer verfügt ebenfalls über eine robuste Leistung, mit 1000 Watt Gesamtleistung aus dem hocheffizienten, leichten Class-D Verständerteil.
Das XP1000 System besitz ein abgestimmtes Laufsprechersystem mit Dual 2-Wege Gehäuse, mit proprietären 10^ Tieftonern und 1^ Hochtörn in einem 90^ × 60^ Horn, wodurch eine breite vertikale Deckung erreicht wird. Um den Sound für ein großes Publikum zu projizieren, können die XP1000 Laufsprecher dank des integrierten Ständerflanschs auf Standard Laufsprecherstander montiert werden. Das XP1000 wird mit haltbarem, schlagfestem ABS Kunststoff hergestellt, so dass esalanders transporttauglich und zur gleichen Zeit leicht ist.
Die XP1000 ist das perfekte Tool für ihre Solo Performance, für Proben von Garagenbands, Auftritte bei Cocktail Veranstaltungen, Präsentation, Vorräge oder das Klassenzimmer geeignet. Auf diesen Seiten werden Sie eine detailierte Beschreibung der Eigenschaften und Funktionen sowie Anweisungen zur Einstellung und Nutzung des XP1000 PA Systems und eine vollständige Beste seiner Funktionen und Eigenschaften finden.
Wir empfehlen Ihnen, die folgenden Daten sowie eine Kopie der Kaufquittung gut aufzubewahren.
Seriennummer:
Kaufdatum:
Name des Händlers:
Mit der richtigen Pflege und Wartung werden Sie Ihr XP1000 weitere Jahre lang problemlos einsetzten konnen. Falls der Laufsprecher je eine Reparatur benöttigen sollte, ist eine Return Authorization (RA) Nummer [Rücksende-Genehmigungsummer] erforderlich, bevor Sie Ihr Gerät an die Samson schicken. Ohne diese Nummer wird das Gerät nicht angenommen.itte rufen Sie Samson unter 1-800-3SAMSON (1-800-372-3726766) an und erbitten Sie eine RA Nummer, bevor Sie die Einheit einschicken.itte bewahren Sie das originale Verpackungsmaterial auf und schicken Sie das Gerät wenn möglich in der originalen Verpackung ein. Wenn Ihr XP1000 außerhalb der Vereinigten Staaten erworben wurde, kontaktieren Sieitte ihren lokalen Handler bezuglich der Details zur Garantie und fur Service- und Wartungsinformationen.
Funktionen

Das Samson Expedition XP1000 ist ein kompaktes, tragbares PA System mit Dual 2-Wege Lautsprechern, Onboard Mixer und einem 1000 Watt Leistungsverträger. Hier sind weniger der wichtigen Funktionen beschrieben:
- Leicht und so konzipiert, dass Sie alle Teile zusammen zu einer einzigen, leicht zu transportierenden Einheit verbunden werden können.
- Der Mixer wird in einer der Laatsprechergehause untergebracht; der andere Schrank verfügbar über ein Zubehrfach zur Aufbewährung von Laatsprecherkabeln, Mikrofonen, usw.
Die Laatsprecher sind abgestimmte 2 -Wege Bassreflex Gehause mit 10 - Zoll Tieftoner fur tiefe Basse, ergänzt durch 1 -Zoll Hochfrequenz Treiber in einem spezifisch konzipierten Horn mit 60 × 90 Grad Abstrahlwinkel, die einen sauberen, klaren Klang liefern. - Der leichte integrierte 2 × 500 Watt Leistungsveränder erzeugt einen kraftigen Stereo Sound.
- Der Mixer des XP1000 kann für die Desktop Nutzung aus dem Lautsprecher genommen werden und Sie können den Seitenständen verwenden, um den Mixer in einem ergonomisch richtig Winkel aufzustellen. Sie können auch den optional SMS510 Adapter einsetzen, um den Mixer auf einem Mikrofonständer zu montieren.
- Der 10-Kanal Mixer verfügbar über vier Mic / Line Eingänge mit dem Sie Mikrofone oder Line Pegel Signale anschließen können, plus drei Stereo Eingänge für den Anschluss von Line Signalen von Keyboards, Drum Maschinen und MP3-Playern.
- Jeder Kanal ist mit Bass- und Höhenregler ausgestattet, so dass Sie den Klang der einzelnen Eingänge anpassen können.
- Um auf den ersten vier Kanalen einen kräftigen Sound zu erstellen, können Sie aus den sechzehn Onboard verfügbar baren 24- Bit Digitaleffekten wahlen.
- Bluetooth® Connectivity ermöglicht Ihnen das kabellose Streamen von Audioquellen, wie etwa Ihr Smart Phone, Tablet oder Ihr Computer.
- Für zusätzliche Flexibilität hat der Mixer des XP1000 Systems einen Monitor Ausgang. Darüber konnen Sie externe Aktivlautsprecher oder Aktiv Subwoofer anschließen und das System so erweitern.
XP1000 Mixer Layout

1. Kanal Eingangsbuchsen (Kanäle 1-4)
MIC - XLR Anschluss - Schlieben Sie über die XLR Buchsen Mikrofone mit niedriger Impedanz an den integrierten Mic Vorversteller des XP1000.
LINE - V4" Phone Anschluss - Verwenden Sie diese Vi" Buchsen, um Instrument-oder Audio Quellen mit Line Pegel Signalen an das XP1000 anzuschreiben. Sie können die Ausgänge von aktiven akustischen Gitarren Pickups, Keyboards, Drum Maschinen, CD / MP3 / TAPE Player und andere Geräte mit Line Pegel Ausgängen anschreiben.
2. USB WIRELESS Eingang* - Schließen Sie den optionalen digitalen kabellosen
Samson Stage XPD1 USB Receiver an diesen Eingang an. Der kabellose Empfänger wird über das XP1000 mit Strom versorgt, somit ist keine zusätzliche Stromversorgung erforderlich. Der WIRELESS Eingang wird an die Kanal 4 LEVEL Steuerung weitergeleitet.
3. MIC / LINE Schalter (Kanäle 1 - 4) - Die MIC Positionändert die Verständung o
den Eingangsbuchsen auf MIC Ebene. Die LINE Position reduziert die Verständlung
4. LIMIT / COMP Schalter - Stellen Sie den LIMIT / COMP Schalter in die COMP
Position, um Kompression zu aktivieren, oder stellen Sieihn auf die LIMIT Position, um eine Begrenzung zu aktivieren.
Kompressoren werden verwendet, um den dynamischen Bereich eines Signals zu steuern, was eine Vielzahl von Vorteilen bietet, einschließlich des Ausgleichs eines Signals und Erhöhen der Lautstärke eines Sound Systems.
- Der USB Anschluss ist nur für den Stage XPD1 Receiver vorgesehen. Der Anschluss ist nicht damit ausgelegt, Smartphones, Tablets oder ähnliche Geräte zu laden.
XP1000 Mixer Layout
Ein Limiter ist eine spezielle Form eines Kompressors, der konfiguriert ist, um Spitzen zu vermeiden und allgemein Überlastungen vermeidet.
5. Equalizer Einstellknöpf
HIGH Frenquenzen - Der HIGH Knopf steuert die Hohen für jeder Kanal. Der Frenquenzgang in den Hohen ist flach, wenn der Knopf in der Mitte eingestellt wird (12:00 Uhr Positionen). Drehen Sie den Regler nach rechts, werden die Frenquen des Kanals oberhalb von 10 kHz um 15 dB angehoben, drehen Sieihn nach links, werden die Frenquenzen um 15 dB gesenkrt.
LOW Frenquenzen - Der LOW Knopf steuert den Bass fur jeder Kanal. Der Frenquenzgang in den Bassen ist flach, wenn der Knopf in der Mitte eingestellt wird (12:00 Uhr Positionen). Drehen Sie den Regler nach rechts, werden die Frenquen des Kanals unterhalb von 100 Hz um 15 dB angehoben, drehen Sieihn nach links, werden die Frenquenzen um 15 dB gesenkrt.
6. EFFECTS Schalter - Nutzen Sie den EFFECTS Schalter, um zu einem Mic oder Line Eingang an irgendem der ersten vier Eingangskanäle Effekte hinzuzufugen. Die EFFECTS Anzeige leuchtet GRUN auf, wenn sich der EFFECTS Schalter des Kanals auf der ON Position befindet.
7. LEVEL Regler - Dieser Knopf stellt den allgemeinen Pegel für den Eingangskanal ein. ANMERKUNG: Um Rauschen zu reduzieren, stellen Sie die LEVEL Regler auf allen nicht genutzten Kanälen auf den Mindestwert.
8. Stereo Kanal Eingangsbuchsen (Kanäle 5/6, 7/8, 9/10) - Benutzen Sie für Stereo Eingänge den L Eingang, um den linken Kanal, und den R Eingang, um den rechten Kanal anzuschlieBen. Verwenden Sie diese Eingänge zum Anschluss von Mikrofonen, Synthesizer, Drumcomputer, MP3, CD, Tape -Player oder andere Line-Level Geräte mit hoher Impedanz. Das XP1000 bietet W" Phone, V8" Phone und RCA Anschlüsse.
9. MONITOR OUT Buchsen - Die an den Buchsen MONITOR OUT anliegenden Signale kommt vom MONITOR Pegelregler, der die Signale von den Eingangskanälen erhält. Der MASTER Regler beeinfusst nicht die MONITOR OUT Signale. Dieser Ausgang kann verwendet werden, um den Mix an aktive Laufsprecherboxen zu senden, um einen Bühnenmonitor zu verwenden oder um zusätzliche Front Laufsprecher zu nutzen, um die Reichweite des Systems zu erweitern.
10. REC OUT Buchsen - Dieser Ausgang wird verwendet, um den Haupt-Mix an einen externen Recorder zu schicken. Das an thisem Anschluss anliegende Signal ist das L / R Bus Signal, bevors durch den MASTER Pegelregel geschickt wurde. Der nominale Ausgangspiegel beträgt -10 dBV und die Impedanz 600 Ohm.
11. SPEAKER OUT Buchsen - Zwei W" Phone Ausgangsbuchsen, die dazu verwendet werden, den rechten und linken Laufsprecher anzuschreiben. Verwenden Sie die mitgelieferten Kabel, um die Laufsprecher anzuschreiben. AchtUNG: Die Gesamtimpedanz für jeder Seite des Verständerkers darf nicht weniger als 4 Ohm sein. Schreiben Sie keine zusätzlichen Laufsprecher an den XP1000 Mixer / Verständerkan.
XP1000 Mixer Layout
- AC Eingang - Schließen Sie das mitgelieferte 3-polige «IEC» Netzkabel hier an.
- POWER Schalter - Betätigen Sieihn, um das XP1000 System ein- oder auszuschalten. Der Schalter leuchtet rot auf, wenn er in der ON Position ist und mit Strom versorgt wird.
- SPEECH/MUSIC Schalter - Der SPRACHE / MUSIK Schalter dient dazu, den allgemeinen Frequenzgang oder die Klangkontur für das XP100 Sound System zu verändern.. Wenn die Anwendung vornehmlich für Musik geplant ist, setzen Sie den Schalter auf der MUSIC Frequenzkurve. Wenn die Anwendung vornehmlich für Sprache geplant ist, schalten Sie den Schalter auf die SPEECH Frequenzkurve.
- Pairing Indicator - Zeigt den Bluetooth Status des XP1000 Systems an.
- Pairing Knopf - Betätigen Sie diesen Knopf, um den Discoverable Mode / Sichtbar Modus zu aktivieren und mit einem Bluetooth Audio Gerät zu verbinden.
- MONITOR Lautstärkenregler - Der MONITOR Lautstärkenregler regelt die Gesamtlautstärke für den MONITOR OUT Anschluss.
- Effects Program (PROG) Wahlschalter - Dieser Schalter dient dazu, eines der 16 24-bit DSP Effekt-Programme zu wahlen.
- Effects SEND Knopf - Der SEND Knopf dient dazu, den Gesamtumfang der Effekte auf jedem Kanal einzustellen, der seinen EFFECTS Schalter hinzugeführst einstellen (siehe Nr. 6) in der unteren Stellung hat.
- MASTER Knopf - Der MASTER Volume Knof steuert die Gesamtlautstärke. Diese Regler bestimmt den finalen Ausgangssignalpegel. Die Signale aller zehn Kanäle laufen hier zusammen, , bevor sie an die eingebauten Endstufen und die linken und rechten Laatsprecher Ausgänge weitergeleitet werden (siehe Nr. 11).
- METER LED Indikatoren - Diese sechs Segmente-Anzeige zeigt den Ausgangspiegel des XP1000 Systems an. Stellen Sie für ein optimales Signal-zu-Rausch Verhältnis den VOLUME Regler so ein, so dass Programm durchschnittlich bei oder um 3 bis 6 VU liegt, mit gelegentlichen aber nicht permanenten «Ausflügen» in das rote «LIMITER” Segment.
- READY Indikator - Die Anzeige leuchtet auf, wenn der Netzschalter eingeschaltet und das Gerät bereit ist, Audio wiederzugegeben.
- PHANTOM Schalter - Das XP1000 verfügbar über eine Onboard Phantom Stromversorgung, um Kondensatormikrofone zu versorgen. Wenn der Schalter eingeschaltet ist, leuchtet die LED auf und zeigt damit an, dass die Phantom Stromversorgung nun an den Mikrofon Vorverständern zur Verfügung stehen. WICHTIGE ANMERKUNG: Um laute Pop Gerausche zu vermeiden, achten Sie darauf, die MASTER Steuerung vor dem Einstecken und Abziehen der Mikrofonkabel herabzudrehen, wenn die Phantomspeisung aktiv ist.
Verbindung mit einem Bluetooth® Gerät
Bluetooth® ist eine kabellose Kommunikationstechnologie, die Verbindungen zwischen einer Vielzahl von Geräten erhögt. Das XP1000 verwendet Bluetooth um qualitativ hochwertige Audio Streams von Ihr dem mit Bluetooth, ausgestatteten Gerät wiederzugegeben, ohne damit auf eine Kabelverbindung zugreifen zu müssen. Damit Ihr Gerät mit dem XP1000 Funktionieren kann, müssen beiden zunachst einmal verbunden werden.
- Drehen Sie alle VOL Knöpfe gegen den Uhrzeigersinn auf O.
- Schalten Sie das XP1000 und Ihr Bluetooth Gerät ein; betätigten Sie den PAIR Knopf an der Rückseite des XP1000 Mixers, damit das Gerät erkannt werden kann. Der Bluetooth Indikator wird langsam blau blinken.
- Stellen Sie Ihr Bluetooth Gerät im Konfigurationsmenu so ein, dass die Option «Discover available devices" / Sichtbare Geräte anzeigen aktiviert ist.
- Wahlen Sie aus der erscheinenden Liste von Bluetooth Geräten das Gerät «Samson XP1000».
- Wenn das Gerät nach einem Password fragt, geben Sie 0000 (vier Nullen) ein und betätigten dann die OK Taste. Es kann sein, dass eine Geräten Sie anschließend Fragen, ob Sie die Verbindung akzeptieren.
- Wahrend sich das XP1000 mit ihrem Gerät verbindet, wird der Bluetooth Indikator Schnell blau blinken.
- Der XP1000 Lautsprecher gibt an, dass die Verbindung hergestellt wurde, wenn der Indikator konstant blau aufleucht. Nun können Sie Audio von Ihrem Gerät an den XP1000 Lautsprecher streamen.
- Stellen Sie an Ihr dem Bluetooth Gerät die Lautstärke ein und speilen Sie ein Musiktück ab. Erhöhen Sie langsam die XP1000 BLUETOOTH Kanal 9/10 LAUTSTARKE, bis die Musik die gewünschte Lautstärke hat.

Einstellen des XP1000
Packen Sie alle Systemkomponenten aus dem Versandkarton und bewahren Sie das Verpackungsmaterial für den Fall, dass Ihr Gerät für Reparaturzwecke eingesandt werden muss.
Entfernen Sie den Mixer, indem Sie die Schraube eine viertel Umdrehung gegen den Uhrzeigersinn in Richtung der Position RELEASE dreiben.

Halten Sie den Mixer vorsichtig fest und entfernen Sieihn aus dem Lautsprecher.

Entfernen Sie die Abdeckung des Zubehörfachs durch Drehen der Schraube eine viertel Umdrehung gegen den Uhrzeigersinn in Richtung der RELEASE Position und enthalten Sie die mitgelieferten Laatsprecherkabel.
Setzen Sie die Abdeckung des Zubehörfachsein, indem Sie die Unterseite der Platte mit den Schlitzen ausrichten. Vergewissern Sie sich damit, dass die Schraube in der RELEASE Position ist; schreiben Sie dann das Fach und drehen Sie die Schraube eine viertel Umdrehung im Uhrzeigersinn in die LOCK Position.

Einstellen des XP1000
Stellen Sie die Laufsprecher auf den Boden oder montieren Sie sie auf Ständer.
Zur maximalen Deckung der Sound Bestrahlung konnen die XP1000 Laufsprecher auf einen Standard 1 3/8" Laufsprecherstandern montiert werden. Der Laufsprecher solle oberhalb der Köfe der Zuhörer angebracht werden. Seien Sie vorsichtig, wenn Sie den Laufsprecher auf einen Ständer stellen. Achten Sie daraufuf, dass er auf einer ebenen und stabilen Fläche stehen und nicht umkippen kann. Wenn Sie den Laufsprecher auf den Boden stellen oder wenn der Laufsprecher unterhalb der Zuhörer positioniert wird, kann das XP1000 System in einer Monitor Position aufgestellt werden, um den Sound nach oben in Richtung der Zuhörer zu projizieren.

Verbinden Sie mit den mitgelieferten Laufsprecherkabeln den LINKEN SPEAKER OUT Anschluss mit dem Eingang des linken Laufsprechers. Schließen Sie als nachstes den RECHTEN SPEAKER OUT Anschluss an den Eingang des rechten Laufsprechers.

Kurze Betriebsanleitung
- Vergewissern Sie sich, dass sich der Hauptschalter des XP1000 in der OFF Position befindet.
- Falls die Laufsprecher noch nicht angeschlossen sind, verbinden Sie sie mit den Laufsprecherkabel, wie im vorherigen Abschnitt beschrieben.
- Drehen Sie den LEVEL und MASTER Regler eines jeder Kanals ganz nach links in die «O» Position.
- Verbinden Sie anschließend die eine Seite des mitgelieferten Netzkabels mit dem Stromanschluss des XP1000 Mixers und die andere mit einer geerdeten Steckdose.
- Schließen Sie die Mikrofone mit Standard XLR Kabel, Instrumente mit W" Phone Kabel und MP3 Player mit 1/8" Kabel an die entsprechenden Buchsen am Mixer an.


- Schalten Sie alle Geräte an, die mit dem XP1000 System verbunden sind. Schalten Sie dann den POWER Schalter des XP1000 Systems in die Position ON Position.
- Drehen Sie den MASTER Pegelregler in die Mitte, das heißt auf die Position «5».
- Sprechen Sie in den Kanal oder spielten Sie Musik ab, während Sie langsam den LEVEL Regler einstellen, bis Sie die gewünschte Lautstärke erreicht haben. Stellen Sie auf diese Weise jeder verwendenten Kanal ein.
XP1000 Kurzanleitung
- Wenn Sie feststellen, dass die LIMITER Anzeige ständig leuchtet, stellen Sie den MASTER Regler so ein, dass die Anzeige lediglich bei lauten Impulsen gelegentlich aufleuchtet.
- Um zum Mix Tiefe hinzuzufugen oder Sprache zu glätten, konnen Sie zu den Kanalen 1 - 4 Effekte wie Hall hinzufugen. Betätigten Sie dazu die EFFECTS Taste auf dem Canal / den Kanalen, zu denen Sie den Effekt hinzufugen möchten.
- Drehen Sie langsam den Effects SEND Regler, bis Sie den gewünschten Klang gefunden haben.
- Sie können, um die tonale Charakteristik des Signals zu verändern, die LOW (Bass) und HIGH (Höhen) Regler einstellen. Wenn Sie den Klang zu(TRbfinden, konnen Sie den LOW Regler reduzieren. Wenn Sie feststellen, dass der Sound dumpf klingt, konnen Sie den HIGH Regler erhöhen. Es gibt keine richtigen oder falschen Weg, einen Sound einzustellen. Sie sollenn horen, wie der Mix in dem Raum klingt und dann die Feinabstimmung nach ihren Wünschen vornehmen.

Effekte verwenden
Das XP1000 verfügbar über integrierte, hochwertige 24- Bit Digital- Effekte, die Sie für die Kanäle 1 bis 4 verwendet werden konnen. Sie konnen Effekte wie Delay oder Reverb verwenden, um Gesang oder Ambiente zu verstärken / verbessern, indem Sie wie folgt vorgehen:
- Schließen Sie ein Mikrofon oder Instrument auf den gewünschten Kanal an stellen Sie die Lautstärke und den Equalizer nach ihren Wünschen ein.
- Verwenden Sie den Reverb Programm Wahlschalter, um eines der zehn eingebauten digitalen Effekte zu wahlen.

-
- Drücken Sie den EFFECTS Schalter auf dem Kanal nach unter, zu dem Sie den Digi-taleffekt hinzufugen möchten.

- Sobald Sie den Kanal oder die Kanäle gewählt haben, für den / die die Effekte angewendet werden sollen, indem Sie den EFFECTS Schalter der Kanal einschalten, erhöhen Sie den Pegel des Effekte SEND Hauptreglers, um die Stärke des gewünschten Effektes einzustellen.

Vermeiden von Rückkopplungen
Eine Rückkopplung ist ein nervendes Heulen und Kreischen, dass entsteht, wenn das Mikrofon Sound vom Lautsprecher aufnimmt. Der Sound wird dann erneut verstärkt und in den Lautsprecher geleitet, wodurch ein Kreislauf, die Rückkopplung entsteht. Gehen Sie wie folgt vor, um die Wahrscheinlichkeit einer Rückkopplung zu vermeiden:
- Vermeiden Sie es, das Mikrofon direkt in Richtung des Laufsprechers zu halten. Allgemein wird empfohlen, dass das Mikrofon hinter dem Gehäuse des Laufsprechers aufgebaut wird. Diese Methode nutzt die direktionale Eigenschaft von Laufsprecher und Mikrofon.
- Halten Sie das Mikrofon soweit als möglich vom Laufsprecher entfernt. Dadurch erreicht man eine Isolierung zwischen dem Laufsprecher und dem Mikrofon, und Sie können so die Leistung des XP1000 erhöhen.
- Stellen Sie das Mikrofon so nahe als möglich an der Sound Quelle auf. Dadurch nimmt das Mikrofon den Sound direkter auf und erfolglich Ihnen, den Regler der Eingangsverständlung etwas zu reduzieren.
- Reduzieren Sie den MASTER LEVEL des XP1000 Systems
Kabelloses Stage XPD1 System (Optional)

Stecken Sie den RXD1 USB Receiver in die mit WIRELESS bezeichnete Buchse.

Drehen Sie den WIRELESS LEVEL Regler des XP1000 vollständig gegen den Uhrzeigersinn auf O und anschließend den Netzschalter des XP1000 in die ON Position.

Klichen Sie auf den tragbaren Sender, offen Sie die Schrauben im unteren Bereich des Mikrofons, indem Sie sie gegen den Uhrzeigersinn drehen. Legen Sie einen neuen Satz AA (LR6) Batterien in den Batteriehalter des Senders ein. Achten Sie damit auf die gekennzeichne Polarität. Setzen Sie anschließend die Abdeckung wieder auf.

Schalten Sie den Sender durch Halten des Hauptschalters ein; die Kontroll LED leuchtet gelb auf.
Kabelloses Stage XPD1 System (Optional)

Wenn der tragbare Sender und der Empfänger nicht vorher miteinander verbunden worden sind, drücken und halten Sie die Taste am RXD1 Receiver für >5 Sekunden, bis es beginnnt zu blinken.

Erhöhen Sie das MASTER LEVEL und sprechen oder singen Sie in das Mikrofon mit normaler Lautstärke, während Sie langsam das LEVEL des Kanals 4 über den Regler erhöhen, bis Sie die gewünschte Lautstärke erreicht haben.

Drücken und halten Sie den Hauptschalter des tragbaren Senders für > 5 Sekunden. Dies wird bereits Komponenten den Pairing Modus schalten. Sobald der Empfänger und Sender miteinanderCOMMUNIZIEREN und synchronisiert sind, werden die LEDs auf beiden Einheiten konstant leuchten und die Geräte betriebsbereit sein.
Wenn Sie Verzerrungen horen, prufen Sie die LIMIT LED. Wenn sie rot leuchtet, stellen Sie das WIRELESS LEVEL am XP1000 leiser, bis die LED nur noch gelegentlich und bei lauten Gerauschen aufleuchtet. Wenn Sie weiterhin Verzerrung horen, schrauben Sie den Mikrofon Körper ab und verwenden Sie den mitgelieferten Kunststoff-Schraubendreher, um den Verständungsregler im HD1 Sender langsam gegen den Uhrzeigersinn zu drehen, bis die Verzerrungen verschwinden. Wenn Sie umgekehrt ein schwach, rauschendes Signal bei der gewündten Lautstärke horen (und der WIRELESS Regler am XP1000 ganz im Uhrzeigersinn gedrecht ist), verwenden Sie den mitgelieferten Plastik Schraubendreher, um den Verständungsregler am HD1 Sender langsam im Uhrzeigersinn zu drehen, bis das Signal ein akzeptables Niveau erreicht hat.
XP1000 Anschlüsse
Es gibt mehrere Möglichkeit, mit den Schnittstellen des XP1000 Systems eine Vielzahl von Anwendungen zu untersuten. Das XP1000 verfügbar über symmetrische Ein- und Ausgänge. Es ist somit möglich, Geräte mit symmetrischen und unsymmetrischen Signalen anzuschreiben.

Anschlussanleitung
Unsymmetrischer 1/4» Stecker

Symmetrischer TRS 14 Stecker

XLR symmetrischer Anschluss


Stereo TRS 3.5mm Anschluss

RCA Anschluss

Spezifikationen
| Verstärker | ||
| Leistung(0.5% THD bei 1KHz) | 1000 W @ 40 (500 W pro Kanal) Spitze | |
| 500 W @ 40 (250 W pro Kanal) Spitze | ||
| Frequenzgang 20 Hz - 20 kHz | ||
| Stromverbrauch AC INPUT 10 | 0V~240V,50/60Hz 800W | |
| Loutsprecher | ||
| Tiefe Freqenz 10" Bass Lautsprecher | ||
| Hohe Freqenz 1" Kalottenhochtöner | ||
| Mischung | ||
| Eingaben XLR, W" symmetrisch, RCA, 3.5 mm Stereo, USB Wireless | ||
| Ausgaben | W" MONITOR, RCA REC OUT, W" Loutsprecher Ausgang | |
| Maximaler Ausgangspiegel(0.5% T.H.D bei 1KHz) | +22dBu (MONITOR L/R) @10KQ+ 14dBu (REC) @10KQ | |
| Phantomspeisung + 15V DC, fixe Phantomspannung | ||
| EingangskanalEQ | High 10kHz | Shelving ±15 dB |
| Low 100Hz | Shelving ±15 dB | |
| Sprache / Musik Schalter | 167Hz, 3dB / Oktave | |
| Indikatoren | 5-Punkt Level, LIMITER, PHANTOM, READY,EFFECTS | |
| Bluetooth® Bluetooth 3.0 A2DP | ||
| Dimensionen und Gewicht | ||
| Maße 22.7"(L) x 11.9"(B) x 2 | 2"(H)577 mm(L) x 301 mm(B) x 560 mm(H) | |
| Gewicht 52.8 Ib / 24 kg | ||
Wir bei Samson verbessern ständig unsere Produkte. Daher können Spezifikationen und Bilder ohne vorherige Ankündigung geändert werden.
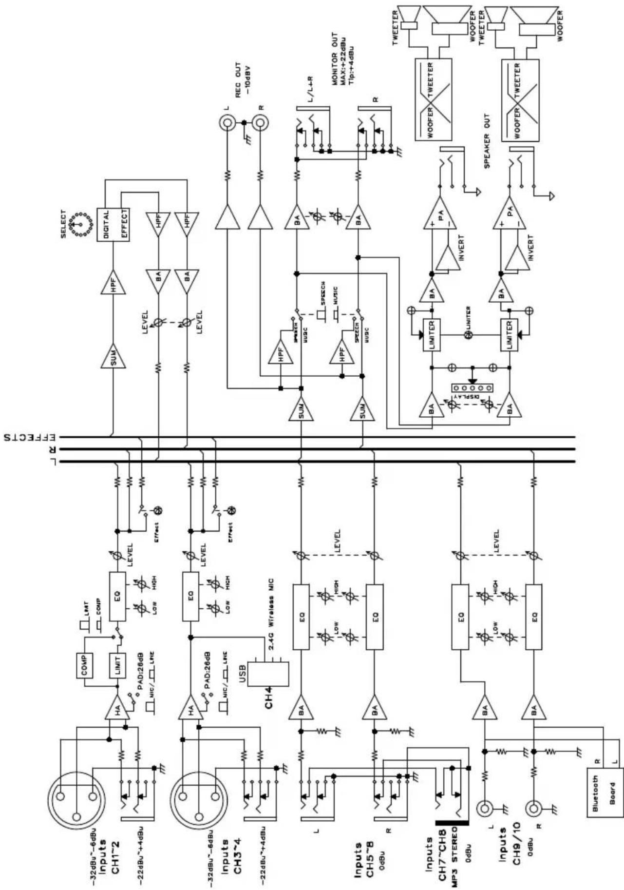
Blockdiagramm

EinfachAnleitung