Expedition XP1000 - Table de mixage SAMSON - Notice d'utilisation et mode d'emploi gratuit
Retrouvez gratuitement la notice de l'appareil Expedition XP1000 SAMSON au format PDF.
| Type d'appareil | Enceinte audio portable |
| Puissance maximale | 1000 watts |
| Nombre de canaux | Non précisé |
| Connectivité | Entrées XLR, RCA, jack |
| Mixeur intégré | Oui |
| Bluetooth | Oui |
| Alimentation | Alimentation secteur |
| Poids | Non précisé |
| Dimensions | Non précisé |
| Utilisation recommandée | Sonorisation portable |
| Matériau du boîtier | Plastique robuste |
| Type de haut-parleur | Haut-parleur large bande |
| Contrôles | Volume, égaliseur |
| Accessoires inclus | Non précisé |
| Garantie | Non précisé |
FOIRE AUX QUESTIONS - Expedition XP1000 SAMSON
Questions des utilisateurs sur Expedition XP1000 SAMSON
0 question sur cet appareil. Repondez a celles que vous connaissez ou posez la votre.
Poser une nouvelle question sur cet appareil
Téléchargez la notice de votre Table de mixage au format PDF gratuitement ! Retrouvez votre notice Expedition XP1000 - SAMSON et reprennez votre appareil électronique en main. Sur cette page sont publiés tous les documents nécessaires à l'utilisation de votre appareil Expedition XP1000 de la marque SAMSON.
MODE D'EMPLOI Expedition XP1000 SAMSON
Le mot Bluetooth®, sa marque et ses logos sont des marques déposées qui appariennent à Bluetooth SIG, Inc. et toute utilisation de ces marques par Samson Technologies doit se faire dans le cadre d'une licence. Les autres noms et marques apparitennent à leurs propriétaires respectifs.
Consignes de sécurité importantes

Le signe avec un éclair dans un triangle prévient l'utilisateur de la présence d'une tension dangereuse et non isolée dans l'appareil. Cette tension constitue un risque d'électrocution.

Le signe avec un point d'exclamation dans un triangle prévient l'utilisateur d'instructions importantes relatives à l'utilisation et à la maintenance du produit.

Si vous souhaitez éliminer ce produit, ne le mettez pas aux ordures menagères. Le ramassage des équipementslectroniques se fait séparément pour assurer le recyclage correct de ces équipements.
Les menages résident dans les 28 Etats membres de l'U.E., en Suisse et en Norvège peuvent déposer gratisment leurs apparciels électroniques usages dans les déchetteries agréeses ou chez un revendeur (en cas d'achat d'un apparéil neuf similaire).
Pour les pays non cités, n'hésitez pas à contacter votre collectivité locale pour vous renseigner sur le mode d'élimination en vigueur.
En agissant ainsi, vous serez assure que votre apparéil sera traité, récapéré et recyclé dans les régles, prévenant ainsi les effets néfastes potentiels sur l'environnement et la santé humaine.
Consignes de sécurité importantes
- Lisez la presente notice.
- Conserve ces instructions.
- Respectez les averissements.
- Suivez toutes les consignes.
- N'utilisez pas cet apparéil à proximité d'un point d'eau.
- Nettoyez-le avec un chiffon sec.
- N'obstruez eneldom cas les orifices d'aération. Installez en respectant la notice du fabricant.
- Ne l'installé pas à proximé d'une source de chaleur telle qu'un radiateur, une bouche de chaleur, un poèle ou d'autres apparèils (dont les amplificateurs) produit de la chaleur.
- Ne déteriouez pas la sécurité de la fiche polarisée ou de la fiche de terre. Une prise polarisée est composée de deux fiches dont l'une est plus large que l'autre. Une fiche de terre comporte deux lames et une troisième broche de mise à la terre. La lame la plus large ou la troisième broche assure la sécurité de l'utilisateur. Si la prise de l'appareil ne的角度 pas dans la prise d'alimentation secteur de votre installation, veuillez consulter un électricien agréé pour le remplacement de la prise secteur.
- Placez le cordon d'alimentation de sorte qu'il ne soit ni piétiné ni comprimé, en particulier au niveau de la fiche de connexion, de la prise de courant et du point de sortie de l'appareil.
- Utilisez uniquement les accessoires et le
matériel de fixation recommandés par le fabricant.
- Utilisez uniquement le chariot, le pied, le trépied, le support ou la table recommandié par le fabricant ou fourni avec l'ap

pareil. Lors de l'utilisation d'un chariot, veuillez faire attention en déplaçant l'ensemble chariot/appareil afin d'eviter tout accident corporel en cas de rensevement.
- Debranchez cet apparéil pendant les orages ou en cas de non-utilisation prolongée.
- Faites effectuer toutes les réparations nécessaires par du personnel qualifié. Des réparations sont nécessaires si l'appareil est endommagé d'une façon quelconque, par exemple : cordon ou prise d'alimentation endommagé, liquide renversé ou objet tombé à l'intérieur de l'appareil, exposition de l'appareil à la pluie ou à l'humidité, apparéil qui ne marche pas normalement ou que l'on a fait tomber.
- Cet apparéil ne doit pas être exposé à des éclaboussures ou des gouttes d'eau etaucun object rempli de liquide comme un vase ne doit se couver à proximité.
- Attention - Pour prévenir les chocs électriques, n'insérez la lame large de la fiche que dans la fente large de la prise.
- Veillez à ce que la zone autour de l'unité soit bien aérée.
- Afin d'eviter toute blessure, cet apparéil doit être correctement attaché à l'embase, conformément aux consignes d'installation.
-
AVENTISSEMENT : La batterie (batterie, batteries ou kit batterie) ne peut pas etre exposée à une chaleur excessive telle que celle du soleil, d'un feu ou d'une source similaire.
-
ATTENTION! Un remplacement incorrect de la batterie peut entrainer des risques d'explosion. Remplacez par une batterie de même type ou une batterie de type équivalent uniquement.
Consignes de sécurité importantes
Avis de la FCC
- Ce dispositif est conforme à la section 15 des réglementations de la FCC Le fonctionnement du dispositif est assujetti aux deux conditions suivantes :
(1) Cet apparéil ne doit pas causeur d'interférences nuisibles.
(2) Il doit accepter toute interfERENCE reçue, notamment celles pouvant entraîner un dysfonctionnement.
- Les changements ou les modifications non expressement approuvés par le fabricant peuvent annuler l'autorisation accordée à l'utilisateur pour faire fonctionner l'équipment.
Déclaration de la FCC
Cet équipement a ete teste et declare conforme aux limites pour apparieils numériques de classe B, selon la section 15 des reglements de la FCC. Ces restrictions visent a garantir une protection suffisante contre les interferences nuisibles dans une installation à domicile.
Cet apparéil génére et utilise un rayonnement de fréquence radio et peut cause des interférences nuisibles aux communications radio s'il n'est pas installé ou utilisé conformément aux instructions. Cependant, il n'existe aucune garantie contre ces interférences dans le cas où l'installation n'est pas conforme. Si cet apparéil cause des interférences nuisibles à la réception des signaux de radio ou de télévision, ce qui peut être déterminé en allumant et en éteignant l' apparéil, l'utilisateur peut tenter de résoudre le problème de l'une des façon suivantes :
- Réorientez ou repositionnéz l'antenne de réception.
- Augmentez la distance séparant l'équipment du récepteur.
- Branchez l'appareil sur un circuit différent de celui du récepteur.
- Demandez conseil au revendeur ou à un technicien radio/TV experimenté.
Avertissement concernant les fréquences radio
Le dispositif est conforme aux exigences en matière d'exposition aux fréquences radio. Le dispositif peut être transporté sans aucune restriction.
Cet apparéil est conforme à la norme RSS-310 de l'industrie canadienne. Son'utilisation est sujette aux conditions voulant que cet apparéil ne cause aucune interférence nuisible.
Table des matieres
Introduction 29
Caracteristiques 30
Disposition de la console de mixage du XP1000 31
Apparlement avec un dispositif Bluetooth® 34
Installation du XP1000 35
Configuration rapide 37
Pour appliquer des effets 39
Eviter l'effet Larsen. 39
Système sans fil de scène XPD1 (en option) 40
Les branchements du XP1000 42
Guide de câblage. 43
Caracteristiques techniques. 44
Scheme synoptique. 45
Introduction
Merci d'avoir acquis le SYSTEME D'ENCEINTES AMPLIFIEES PORTATIVES Expedition XP1000 de Samson! Le XP1000 offre le meilleur compromis entre un grand son époustouflant et la portabilité. Suffisamment léger pour permettre à une seule personne de le transporter, ce système est formé d'un seul apparéil, ce qui en simplifie,enormément le transport, même dans le coffre d'une voiture compaçé.
Le système XP1000 se compose de deux enceintes 2 voies de 10^ (25,4 cm), d'une console de mixage active 10 voies de 1000 W et de deux cables d'enceintes. La console de mixage se range bien au dos de l'une des enceintes, la deuxième d'entre elles étant dotée d'un logement à accessoires situé à l'arrière de la第二种 enceinte, qui renfermera les cables d'enceintes et d'alimentation. Les deux enceintes sont équipées de notre modele exclusif de glissière à cran pour les regrouper, ce qui permet à l'ensemble du système d'être réuni en un seul ensemble ayant à peu pris les dimensions d'un bagage de cabine.
La console de mixage 10 voies peut s'utiliser encastree derriere l'enceinte ou detachée de l'enceinte pour être posée sur une table. Elle présente 4 entrées permettant de brancher des micros, auxquelles s'ajoutent trois entrées pour des signaux stéreo comme ceux provenant d'un clavier ou d'un lecteur MP3. Il y a également un processeur 24 bits à effets numériques incorpore pour ajouter des effets de qualité studio à votre voix ou à vos instruments. Pour écouter de la musique, le XP1000 est doté de la connectivité sans fil Bluetooth® pour passer des fichiers audio stockés sur votre smartphone, votre tablette ou votre ordinateur. La console de mixage est également équipée d'une sortie robuste d'une puissance totale de 1000 W provenant de la partie amplificateur léger à haut rendement de Classe D.
Le XP1000 fait appel à un système d'enceintes appariées à double caisson 2 voies représentant des haut-parleurs de graves brevétés de 10^ (25 cm) et des tweeters haute fréquences de 1^ (2,5 cm) encastrés dans un pavillon de 90^ × 60^ pour une couverture verticale étendue. Pour étendre la diffusion du son à un public plus large, les enceintes XP1000 peuvent être installées sur des pieds standard grâce aux logements intégrés. Le XP1000 est fabriqué en plastique robuste à haute résistance aux chocs ABS tout en étant léger.
Le XP1000 est l'idéal pour votre spectacle en solo, la répetition de votre groupe amateur, votre moceau de début de soitée, votre exposé en salle de conférence. Dans ce manuel, vous trouvez une description détaillée des fonctions du système de sonorisation XP1000, les instructions pour sa mise en œuvre, son utilisation, ainsi que les caractéristiques techniques.
Nous vous conseillons de conserver les renseignements suivants pour consultation ultérieure, ainsi qu'une copie de votre preuve d'achat.
Nombre de série :
Date d'achat :
Nom du revendeur :
Avec un entretien adapté et une bonne maintenance,Vote XP1000 you donnera satisfaction pendant de très nombreuses années. Pour faire réparerVote enceinte, vous devez tout d'abord obtenir un numero de回头 (RA) avant de la renvoyer à Samson. Sans ce numero, l'appareil ne sera pas accepté. N'hésitez pas à appeler Samson au 1-800-3SAMSON (1-800-372-6766) pour obtenir ce numero avant de renvoyerVote apparéil.Conservez, si possible, l'emballage d'origine afin de l'utiliser en cas de回头. Si vous aze achétéVote XP1000 ailleurs qu'aux Etats-Unis,contactez vosideristributeur pour obtenir tous les renseignements sur la garantie et le service après vente.
Caracteristiques

Le Samson Expedition XP1000 est un système d'enceintes amplifiées portatives compactes constitué de deux enceintes 2 voies, d'une console de mixage intégrée et d'un amplificateur d'une puissance de 1000 W. Voici ses principales caractéristiques :
Leger, il est concu pour vous permettre de regrouper tous les elements en un seul coffret facile a deplacer.
La console de mixage se range dans l'une des enceintes, l'autre étant munie d'un rangement à accessoires ou vous pourrezmettre les cables d'enceintes,les micros,etc.
- Les enceintes sont des baffles 2 voies accordés à caissons de graves de 25 cm pour graves profonds, complétés par un tweeter haute fréquences de 2,5 cm à zone de couverture de 60 x 90 degrés restituant un son limpide et fidèle.
L'amplificateur interne léger de 2 x 500 W donne un son stéreo puissant.
- On peut detacher de l'enceinte la console de mixage du système XP1000 pour la poser sur une table ; on peut en outre utiliser le support inclinable pour positionner la console de mixage à un angle ergonomique. Vous pouvez également vous servir de l'adaptateur SMS510 en option pour installer la console de mixage sur un pied à micro.
- La console de mixage 10 voies presente quatre entrées Mic/Line qui vous permet de brancher des micros ou des sources de niveau de ligne, auxquelles s'ajoutent trois entrées stéreo permettant de brancher des cables provenant de claviers, de batteries et de lecteurs MP3.
- Chaque voie presente des réglages de graves et d'augus qui vous permettent d'ajuster le son de chaque entrée.
- Pour obtenir un son somptueux sur les quatre premières voies, vous pouvez désirir par les seized effets numériques 24 bits intégrés à la carte.
- La connectivité Bluetooth vous permet d'écouter sans fil un fichier audio present sur votre smartphone, votre tablette ou votre ordinateur.
- Pour une flexibilité accrue, la console de mixage du XP1000 présente une Sortie 'Monitor' qui vous permet de brancher des enceintes amplifiées externes ou un caisson actif d'extrêmes graves pour élargir le système.
Disposition de la console de mixage du XP1000

1. Jacks d'entrée des voies (voies 1 à 4)
Connecteur MIC - XLR - Servez-vous de ces jacks XLR pour relier des micros à faible impédance aux préamplis à prise mic incorpôres du XP1000.
Connecteur de téléphone LINE - 14^ - Servez-vous de ces jacks de 14^ pour corriger les sources d'instruments ou sources de signal audio, les signaux de niveau ligne allant vers le XP1000. Vous pouvez relier les sorties entre les capteurs actifs d'une guitare acoustique, les claviers, les batteries, les lecteurs de CD/MP3/CASSETTE et autres apparueils ayant ici des sorties ligne.
-
Entrée USB SANS FIL* - Relie le récepteur USB numérique sans fil Samson Stage XPD1 disponible en option à cette entrée. Le récepteur sans fil tire son alimentation du XP1000, et donc, l'alimentation électrique supplémentaire est inutile. L'entrée WIRELESS (sans fil) est acheminée vers le réglage de LEVEL (niveau) de la voie 4.
-
Commutateurs MIC/LINE (voies 1 à 4) - La MIC fait passer le gain des deux jacks d'entre au niveau de MIC. La position LINE réduit le gain des deux prises jack à partir de 26 dB jusqu'àu niveau ligne.
-
Sélecteur LIMIT/COMP - Réglez le sélecteur LIMIT/COMP sur la position COMP pour appliquer une compression ou le régler sur la position LIMIT pour appliquer une limitation.
Les compresseurs seront à régler la gamme dynamique d'un signal, ce qui offre divers avantages comptenant le niveaument d'un signal et l'amplification de l'intensité sonore d'une sonorisation à nommer.
- Le connecteur USB est réservé au récepteur Stage XPD1. Ce connecteur n'est pas consu pour recharger les smartphones, les tablettes ni des dispositifs analogues.
Disposition de la console de mixage du XP1000
Un Limiteur est une forme particulier de compresseur configurée pour prévenir les créées et pour offrir une protection générale contre les surcharges.
5. Boutons de réglage de l'égaliseur
HAUTE Fréquence - Le bouton HIGH règle la valeur des aigus appliquée à chaque voie. La réponse dans les haute fréquences est plate lorsque ce bouton est au centre (à midi). Tournez-le vers la croite ou la gauche pour accentuer ou atténuer de +/- 15 dB les fréquences supérieures à 10 kHz.
BASSE Fréquence - Le bouton LOW règle la valeur des graves appliquée à chaque voie. La réponse dans les basses fréquences de la voie est plate lorsque ce bouton est au centre (à midi). Tourner le bouton vers la droite accentuera la réponse basses fréquences de la voie, au-dessous de 100Hz , de 15 dB; à l'inverse, le tourner vers la gauche attenuera la réponse basses fréquences de 15 dB.
- Sélecteur EFFECTS - Servez-vous du sélecteur EFFECTS pour ajouter un effet à une entrée Mic ou Ligne sur l'une des quatre premières voies d'entrée, qu'elle qu'elle soit. Le tímoin EFFECTS s'allume en VERT lorsque le sélecteur EFFECTS de la voie est sur ON.
- Boutons LEVEL - Ce bouton règle le niveau d'ensemble de la voie d'entrée.
REMARQUE: Pour atténuer le bruit, positionnez au minimum les réglages de LEVEL (Niveau) sur l'une des voies inutilisées.
- Jacks d'Entrée de Voies Stéreo (voies 5/6, 7/8, 9/10) - Pour les entrées stéreo, utilisez l'entrée L pour relier la voie de gauche et l'entrée R pour relier la voie de droite. Servez-vous de ces entrées pour brancher des micros à haute impédance, des synthétiseurs, des batteries, des lecteurs MP3, platines CD, magnétophones ou tout autre dispositif à entrée de ligne. Le XP1000 présente des connecteurs de casque 14 , de casque 18 et RCA.
- Jacks de SORTIE MONITOR - Le signal presente sur les jacks de SORTIE MONITOR est envoyé depuis le bouton de réglage de niveau MONITOR, alimenté par les voies d'entrée. Le réglage MASTER n'a aucun effet sur le signal de SORTIE MONITOR. Cette sortie peut être utilisée pour envoyer le mix vers les enceintes amplifiées pour les utiliser comme enceintes de monitoring de scene ou comme enceintes de sonorisation supplémentaires pour étendre la couverture du système.
- Jacks de SORTIE REC - Cette sortie sert à envoyer le mix principal à un apparéil enregistrateur externe. Le signal de ce connecteur est le signal du bus Gauche/Droit avant qu'il ne passse par le réglage de niveau MASTER. Le niveau de sortie nominale est de -10 dBV et l'impédance de 600 ohms.
- Jacks de SORTIE ENCEINTES - Deux jacks de sortie alimentés de casque de 14 Serving à brancher les enceintes gauche et droite. Branchez les enceintes à l'aide des cables d'enceintes joints à la livraison.
ATTENTION! La charge d'impédance totale de chaque côté de l'amplificateur ne doit pas être inférieure à 4 Ohms. Ne pas relier d'enceintes supplémentaires à la console de mixage/l'amplificateur du XP1000.
- Entre AC (secteur) - Branchez ici le gros cable de secteur CEI à prise de terre joint à la livraison.
Disposition de la console de mixage du XP1000
- Interrupteur POWER - A l'aide de l'interrupteur Marche/Arrêt (POWER),mettre le XP1000 en marche ou à l'arrêt. Il s'allume en rouge lorsque l'appareil est sur MARCHE et qu'il est alimenté en courant.
- Sélecteur SPEECH/MUSIC - Le sélecteur SPEECH/MUSIC sert à modifier la réponse en fréquence globale, ou contour sonore, de la sono XP1000. Si vous vous en servez principalement pour la musique, enchance le sélecteur pour désirir la courbe de réponse MUSIQUE. Si vous vous en servez principalement pour le discours parlé, laissez le sélecteur en position haute pour désirir la courbe de réponse PAROLE.
- Témoin d'Appariement - Affiche le statut Bluetooth du système XP1000.
- Bouton d'Appariement - Appuyez sur ce bouton afin d'apparier un dispositif audio Bluetooth en mode Découverte.
- Bouton de réglage MONITOR - Le réglage de niveau MONITOR (Monitoring) sert à régler le niveau global envoyé à la SORTIE DE MONITORING.
- Sélecteur du Programme d'Effets (PROG) - Ce bouton sert à seLECTIONner l'un des 16 programmes d'effets 24 bits du DSP.
- Bouton d'Envoi d'Effets SEND - Le bouton SEND sert à régler la quantité totale d'effets ajustés à un canal dont le bouton EFFECTS (voir n° 6) est enforcé.
- Bouton MASTER - Le bouton de volume MASTER (volume principal) règle le niveau de sortie global. Ce bouton détermine le niveau final du signal de sortie. Les signaux partant de l'ensemble des dix voies sont acheminés ici immédiatement avant d'être réachiminés vers les amplificateurs de puissance intégrés et les jacks de sortie de haut-parleurs Gauche et Droit (voir #11).
- Indicateurs LED METER - Cet indicateur à barres à six segments donne le niveau de sortie du XP1000. Pour un rapport signal/bruit optimum, positionner le réglage de VOLUME de telle sorte que le matériel du programme soit habituellement situé entre +3 et +6 VU, avec des excursions occasionnelles, mais non permanentes, vers le segment "LIMITER" (Limiteur) rouge.
- Indicateur READY - Cet indicateur s'allumera en mettant sur Marche l'interrupteur Marche/Arrêt alors que le dispositif est prét à faire passer des signaux audio.
- Interrupteur PHANTOM - Le XP1000 est équipé d'une alimentation fantôme embarquée pour faire fonctionner les micros à condensateur. Lorsque cet interrupteur est enclenché, le témoin LED s'allumera pour signaler que l'alimentation fantôme est présente sur les préamplis des micros.
REMARQUE IMPORTANTE : Pour éviter un fort claquement, bien réduire le réglage de niveau PRINCIPAL (MASTER) avant de brancher ou de débrancher les cables mic lorsque l'alimentation fantôme est activée.
Apparlement avec un dispositif Bluetooth®
Bluetooth® est une technologie de communication sans fils permettant de connecter toute une série de dispositifs. Le XP1000 utilise Bluetooth pour dire des morceaux de grande qualité acoustique depuis un dispositif Bluetooth, et ce sans utiliser de cables. Si vous souhaitez utiliser votre dispositif avec le XP1000, vous doivent préalablement l'apparier.
- Réduire tous les réglages de NIVEAU (LEVEL) à fond en les mettant à 0.
- Lorsque le XP1000 et votre dispositif Bluetooth sont en marche; appuyez sur la touche d'appariement (PAIR) sur le panneau supérieur de la console de mixage du XP1000 pour que votre enceinte soit détectée. Le tímoin Bluetooth bleu clignotera lentement.
- Dans les paramètres de votre dispositif Bluetooth, activez l'option "déctector les dispositifs disponibles".
- Choisissez le dispositif "Samson XP1000" dans la liste des dispositifs Bluetooth.
- Si vous appeareil demande d'entrer une clé d'accès, entrez 0000 (quatre zéros) et appuyez sur OK. Certains dispositifs peuvent给您 demander d'accepter la connexion.
- Une fois la connexion établie entre le XP1000 et votre apparéil, l'indicateur Bluetooth se mettra à clignoterrapidement en bleu.
- L'enceinte du XP1000 indique que l'appariume a ete effectue lorsque le temoin bleu cesse de clignoter pour s'allumer en continu. Vous pouze a present passer un signal audio de�te dispositif sur les enceintes du XP1000.
- Augmentez le volume de votre dispositif Bluetooth, jouez un morceau, puis augmentez doucement le NIVEAU du canal 9/10 BLUETOOTH du XP1000 jusqu'à ce que vous avez atteint le niveau recherche.

Installation du XP1000
Sortez tous les composants du système du carton de livreaison et conservez tous les emballages pour le cas où vous auriez à renvoyer votre apparéil au S.A.V.
Retirez la console de mixage en faisant tourner la vis quart-de-tour en sens hora vers la position RELEASE (LIBERATION).

Tenez bien la console de mixage avec soin pour la retirer de l'enceinte.

Retirez le cache du compartment à accessoires en tournant la vis quart de tour en sens inverse hora vers la position RELEASE (LIBERATION), puis retirez les cables d'enceintes ci-joints.
Remettez en place le panneau des accessoires en alignant le bas du panneau sur les fentes. Vérifiez que la vis quart-de-tour est bien sur RELEASE (LIBERATION); ensuite, fermez le panneau et tournez la vis quart-de-tour en sens horsaire sur LOCK (VERROUILLAGE).

Installation du XP1000
Posez les enceintes par terre ou sur des pieds.
Pour une couverture sonore maximale, le XP1000 peut etre utilise avec une embase standard d'enceinte de 13 / 8 Essayez autant que possible d'installer l'enceinte pour qu'elle soit au-dessus de la tete des auditeurs. Faites attention a ce que I'enceinte soit placee sur une surface stable pour eviter les chutes. Lorsque vous posez I'enceinte a meme le sol ou lorsque I'enceinte se touve plus bas que les auditeurs, recourez a la position d'angle de surveillance du XP1000 qui permet de projeter le son vers le haut, vers les auditeurs.

En vous servant d'un des cables d'enceinte joints à la livraison, reliez la SORTIE D'ENCEINTE GAUCHE de la console de mixage au connecteur d'entrée de l'enceinte gauche. Ensuite, servez-vous du deuxième cable d'enceinte joint à la livraison pour relier la SORTIE D'ENCEINTE DROITE au connecteur d'entrée de l'enceinte droite.

Configuration rapide
-
Vérifiez que l'interrupteur Marche/Arrêt du XP1000 est bien sur ARRET.
-
Si les enceintes ne sont pas connectées, raccordez les fils des enceintes comme indiqué au paragraphe précédent
-
Tournez chacun des réglages de NIVEAU de voie et de volume PRINCIPAL (LEVEL et MASTER) à fond sur "0".
-
Ensuite, branchez une extrémité du cable d'alimentation ci-joint à l'entrée de courant de la table de mixage du XP1000 et l'autre sur une prise de secteur à prise de terre.
-
Branchez vos micros au moyen de câbles XLR standard, vos instruments au moyen de câbles téléphoniques 14 (6,35 mm), et le lecteur MP3 par un cable de 18 (3,175 mm) dans les jacks correspondants de la table de mixage.

-
Mettez en marche tous les équipements raccordés au XP1000, puis mettez sur MARCHE l'interrupteur Marche/Arrêt du XP1000.
-
Augmentez le réglage de niveau de volume PRINCIPAL (MASTER) jusqu'à mi-course sur "5".
-
Commencez à parler ou à jour d'un instrument sur la voie 1 tout en faisant varier lentement le réglage de NIVEAU (LEVEL) jusqu'à ce que le niveau désiré soit atteint. Faites de même pour chaque voie que vous utilisez.

Configuration rapide du XP1000
-
Si vous remarquez que le témoin LIMITEUR (LIMITER) s'allume en continu, réduire le volume PRINCIPAL (MASTER) pour que le témoin ne s'allume qu'occasionnement lorsque les morceaux sont forts.
-
Pour donner de la profondeur au mélange ou lisser les voix, vous pouvez appliquer des effets comme la réverbération sur les voies 1 à 4. Pour ce faire, appuyez sur le bouton EFFECTS de la (des) voie(s) à laquelle (auxquelles) vous voudriez ajouter l'effet.
-
Montez lentement le bouton d'ENVOI des effets (SEND) jusqu'à obtenir le son recherche.
-
Pour modifier la caractéristique tonale du signal, vous pouvez ajuster les réglages de LOW (graves) et HIGH (aigus). Si vous trouvez le signal audio trop lourd, vous voudrez peut-être réduire le réglage de LOW (graves). Si vous estimez que le signal audio est terne, vous pouvez augmenter le réglage de HIGH (aigus). Il n'y a pas de bonne ni de mauvaise méthode pour égaliser un son. Vous devrez écouter pour savoir quel est l'effet acoustique du mélange dans la salle et affiner le réglage à votre convenance.

Pour appliquer des effets
Le XP1000 présente des effets numériques 24 bits intégrés de qualité supérieure que vous pouze ajouter aux voies 1 à 4. Vous pouze utiliser des effets comme la temporisation ou la réverbération pour améliorer les voix ou l'ambiance au mixage en suivant les phases ci-dessous :
- Branchez un micro ou un instrument sur la voie désirée, puis reglez le volume et l'égaliseur à votre convenance.
- Utilisez le sélecteur de Programme de Réverbération pour désir l'un des dix effets numériques incorporens.

- Appuyez sur le bouton EFFECTS de la voie à laquelle vous VOULEZ ajouter l'effet numérique.

- Une fois que vous avez sélectionné la ou les voie(s) à laquelle (auxquelles) vous pouze ajouter des effets à l'aide du bouton EFFECTS de la voie, augmentez le réglage du niveau principal d'ENVOI des effets (SEND) pour appliquer la valeur de l'effet déséré.

Éviter l'effet Larsen
Le Larsen est ce bruit strident et désagréable qui se produit lorsque le son de l'enceinte est capté par le micro. Le son est alors réamplifié dans l'enceinte, et ainsi de suite.
Suivez ces étapes pour minimiser le risque d'effet larsen :
- Evitez d'orienter le micro en direction des enceintes. En général, il est recommandé de placer le micro derrière l'enceinte afin de profiter des caractéristiques directionnelles de l'enceinte et du micro.
- Éloignez le micro le plus possible des enceintes pour qu'il y a ait une isolation entre l'enceinte et le micro, ce qui vous permettra d'augmenter la sortie du XP1000.
- Placez le micro le plus pres possible de la source sonore pour que le micro capte plus de sons directs, ce qui vous permettra de réduire le contrôle du gain d'entrée du micro.
- Réduisez le NIVEAU PRINCIPAL (MASTER LEVEL) du système XP1000.
Système sans fil de scène XPD1 (en option)

Branchez le récepteur à port USB RXD1 dans le jack USB de Voie 4 marqué WIRELESS (SANS FIL).

Tournez à fond en sens inverse hora le bouton de NIVEAU de voie 4 situé sur le XP1000 jusqu'à O, puis mettez l'interrupteur MARCHE/ARRET (POWER) du XP1000 sur MARCHE.

Sur l'émetteur portable sans fil, dévissez la partie inférieure du micro en la faisant tourner dans le sens inverse horsaire, puis faites-la coulisser pour la disjoindre. Introduisez un jeu de piles AA (LR6) neuves dans le logement à piles de l'émetteur, en veillant à bien respecter les repères de polarité, puis remettez le cache en place.

Mettez l'émetteur en Marche en appuyant sur l'interrupteur Marche/ Arrêt et en le maintainant enforcé ; le témoin LED s'allumera en orange.
Système sans fil de scène XPD1 (en option)

Si I'emetteur et le recepteur portatifs n'ont pas ete auparavant appariés, appuyez sur le bouton du recepteur RXD1 et maintenez-le enfoncé sur plus de 5 secondes jusqu'a ce qu'il se mette à clignoter.

Augmentez le réglage du NIVEAU PRINCIPAL (MASTER LEVEL), puis parlez ou chantez dans le micro à un niveau normal sur scene en augmentant le réglage de NIVEAU de la Voie 4 jusqu'à ce que vous parveniez au niveau déséré.

Appuyez sur le bouton Marche/Arrêt de l'émetteur portatif et maintenez-le enforcé plus de 5 secondes. Ceci fera passer les deux éléments en mode Appariement. Une fois que l'émetteur et le récepteur communiquent et se synchronisent, les témoins LED des deux apparciels s'allumeront en continu et seront prêts à fonctionner.
Si vous entendez une distorsion, contrôle le témoin LED du LIMITEUR. S'il est allumé en rouge, réduisez le NIVEAU (LEVEL) de la voie 4 sur le XP1000 jusqu'à ce qu'il ne s'allume plus que par moments pendant lessons puissants. Si vous entendez toujours une distorsion, désissez le corps du micro et servez-vous du tournevis en plastique joint à la livraison pour tourner lentement le réglage du Gain de l'émetteur HD1 en sens inverse horsaire jusqu'à ce que la distorsion disparaisse.
A l'inverse, si vous entendez un faible signal plein de bruit au volume désiré (le réglage SANS FIL du XP1000 étant à fond en sens horsaire), servez-vous du tournevis en plastique joint à la livraison pour tourner lentement le réglage du Gain de l'émetteur HD1 en sens horsaire en attendant que le signal attigne un niveau acceptable.
Les branchements du XP1000
Il existe différents moyens d'interfacer le XP1000 pour qu'il prenne en charge toute une gamme d'applications. Le XP1000 est équipé d'entries et de sorties symétriques; il est donc possible de connecter des signaux symétriques et asymétriques.

Guide de câblage
Connecteur 14 asymétrique

Connecteur TRS 1 / 4'' symétrique

Connecteur XLR symétrique

Connecteur stéreo TRS 3,5 mm

Connecteur RCA

\section*{Caracteristiques techniques}
| Amplificateur | ||
| Puisance(0,5% THD à 1 KHz) | 1000 W à 4 Ω (500 W par voie) en pointe | |
| 500 W à 4 Ω (250 W par voie) en moyenne | ||
| Réponse en fréquence 20 Hz | - 20 kHz | |
| Puisance absorbée Courant de secteur en entrée 100 V~240 V, 50/60 Hz800 W | ||
| Enceintes | ||
| Basse fréquence Capteur de graves de 10" (25,4 cm) | ||
| Haute Fréquence Côte d'augus de 1" | ||
| Table de mixage | ||
| Entrées XLR, ¼" symétrique, | RCA, stéréo de 3,5 mm, USB sans fil | |
| Sorties ¼" Sortie de MONITOR | RING, ENREGISTREMENT RCA, Sortie d'enceinte ¼" | |
| Niveau de sortie maximum(0,5% T.H.D à 1 KHz) | +22 dBu (MONITORING gauche/droite) @10 KΩ+14 dBu (Enreg.) @10 KΩ | |
| Alimentation fantôme +15 V=, tension fantôme fixe | ||
| Égaliser des voies d'entrée | Haut par paliers de 10 kHz ±15 dB | |
| Bas par paliers de 100 Hz ±15 dB | ||
| Sélecteur Speech/Music | 167 Hz, 3 dB/octave | |
| Témoins | Niveau à 5 points, LIMITER, PHANTOM, READY,EFFECTS | |
| Bluetooth® Bluetooth 3.0 A2DP | ||
| Dimensions et poids | ||
| Dimensions 22.7" x 11.9" x 2 | 2" (I x p x h)577 mm x 301 mm x 560 mm (I x p x h) | |
| Poids 52,8 lb / 24 kg | ||
Chez Samson, nous améliorons nos produits en permanence, certaines images et specifications sont donc susceptibles de changer sans notification préalable.
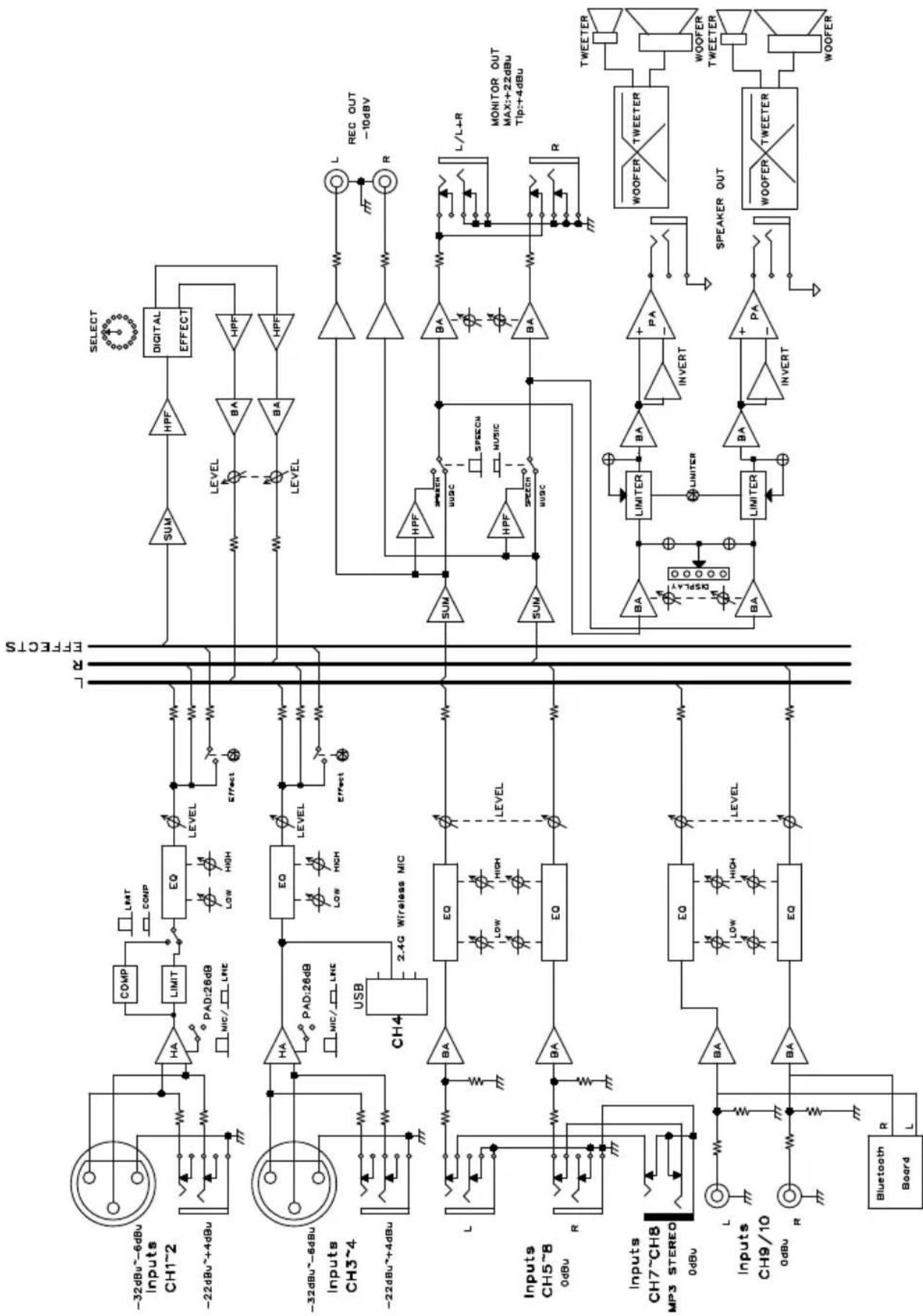
Scheme synoptique

Notice Facile