Expedition XP150 - Mezclador SAMSON - Manual de uso y guía de instrucciones gratis
Encuentra gratis el manual del aparato Expedition XP150 SAMSON en formato PDF.
| Tipo de dispositivo | Altavoz portátil |
| Configuración | 2 altavoces + mesa de mezclas |
| Potencia | No especificado |
| Conectividad | Múltiples entradas de audio |
| Alimentación | Alimentación de red |
| Peso | No especificado |
| Dimensiones | No especificado |
| Uso | Portátil, sistema PA |
| Control de sonido | Mesa de mezclas integrada |
| Material | Carcasa de plástico resistente |
| Color | Negro |
| Accesorios incluidos | Soportes para altavoces, mesa de mezclas |
| Tipo de altavoz | De banda ancha |
| Garantía | No especificado |
| Uso recomendado | Sonorización portátil |
Preguntas de los usuarios sobre Expedition XP150 SAMSON
0 pregunta sobre este aparato. Responde a las que conoces o haz la tuya.
Hacer una nueva pregunta sobre este aparato
Descarga las instrucciones para tu Mezclador en formato PDF gratis! Encuentra tus instrucciones Expedition XP150 - SAMSON y toma tu dispositivo electrónico nuevamente en la mano. En esta página están publicados todos los documentos necesarios para el uso de su dispositivo. Expedition XP150 de la marca SAMSON.
MANUAL DE USUARIO Expedition XP150 SAMSON
Instrucciones importantes de seguridad

ATTENTION RISQUE D'ÉLECTROCUTION! NE PAS OUVRIR!
ATENCION: PARA REDUCIR EL RIESGO DE DESCARGA ELECTRICA, NUNCA QUITE LA TAPA NI EL CHASIS. DENTRO DEL APARATO NO HAY PIEZAS SUSCEPTIBLES DE SER REPARADAS POR EL USUARIO. DIRIJA CUALQUIER REPARACION AL SERVICIO TECNICO OFICIAL.

El símbolo del relámpago dentro del triángulo equilátero pretende advertir al usuario de la presencia de "voltajes peligrosos" no aislados dentro de la carcaça del producto, que pueda ser de la magnitud suficiente como para constituir un riesgo de descarga electrica a las personas.

El símbolo de exclamación dentro del triángulo equilátero quiere advertirle de la existencia de importantes instrucciones de manejo y mantenimiento (reparaciones) en los documents que se adjuntan con este aparato.
ESTE DISPOSITIVO CUMPLE CON LO INDICADO EN LA SECCION 15 DE LAS NORMAS FCC CLASE B. SU FUNCIONAMIENTO ESTÁ SUJETO A LAS DOS CONDICIONES SIGUIENTES: (1) Este APARATO NO PUEDE PRODUCIR INTERFERENCIAS MOLESTAS, Y (2) Este APARATO DEBE ACEPTAR CUALQUIER INTERFERENCIA RECIBIDA, INCLUYENDO AQUELLAS QUE PUEDAN PRODUCIR UN FUNCIONAMIENTO NO DESEADO DE LA UNIDAD.

A la hora de deshacerse de este aparato, no lo elimine jusqu'à con la basura orgánica. Existe un procedimiento de eliminación de aparatos electrónicos usados que cumple con la legislación actual sobre tratamiento, recuperación y reciclaje de elementos electrónicos.
Todos los usuario no profesionales y que Sean ciudadanos de uno de los 25 paises miembros de la EU, Suiza y Noruega,可以更好 devolver sus aparatos electronicos usados, sin coste algo, al commercio en el que fueon adquiridos (si adquiere alli除外 aparato similar) o en determinados punto limpios designados
En el caso de cualquier(other paisdistincto alos anteriores,pongase en contacto con las autoridades locales para que le informen del método adequado para deshacerse de este aparato. El hacer lo anteriorle asegurarque este aparato sea eliminado siguiendo las normas actuales de tratamiento, recuperacion y reciclaje de materiales, evitando los posibles efectos negativos para el medio ambiente y la salute.
Instrucciones importantes de seguidad
- Lea todo estemanual de instrucciones.
- Conserve estas instrucciones.
- Preste atencion a todas las advertencias.
- Siga todo lo indicate en estas instrucciones.
- No use este aparato cerca del agua.
- Limpie este aparato solo con un trapo seco.
- No bloquee ninguna de las aberturas de ventilacion. Instale este aparato de acuerdo a las instrucciones del fabricante.
- No instale este aparato cerca de fuentes de calor como radiadores, hornos uthers aparatos (incluyendo amplificadores) que generen calor.
- Utilice solo accesorios/complementos relacionados por el fabricante.
- Desconecte este aparato de la corriente durante las tormentas electricas o cuando no lo vaya a usar durante un periodo de tiempo largo.
- No anule el sistema de seguridad que supone un enchufe polarizzato o uno con toma de tierra. Un enchufe polarizzato tiene dos bornes de distinta anchura. Uno con toma de tierra tiene dos bornes iguales y una tercera lámina para la connexion a tierra. El borne ancho o la lámina se incluyen para sucurity. Si el enchufe incluido con este aparato no encaja en su calidad de corriente, haga que un electricista sustituya su calidad anticuada.
- Coloque el cable de corriente de forma que no pueda quedar aplastado o retorcido, con especial atencion en los enchufes, receptaculos y en el punto en el que salen del aparato.
- Utilice este aparato solo con un soporte, tripode o bastidor especificado por el fabricante o que
se vendada directamente con el propio aparato. Si utilizes un bastidor con ruedas,pongaspecial atencion al mover la combinacion

aparato/bastidor para打架 posibles accidentes en caso de un vuelco.
- Consulte该如何 possible reparación con el servicios técnico. Este aparato deben ser reparado si ha resultado danado de该如何 forma, como por ejemplo si se ha danado el cable de corriente, si se ha derramado algo liquidido o se ha introducido algo的对象o dentro del aparato, si ha sido expuesto a la lluvia o la humedad, si no funciona normalmente o si ha caido al sueño.
- INTERRUPTOR DE ENCENDIDO: Para aquellos aparatos que dispongan de un interruptor de encendido ha de tener en cuenta que este interruptor NO CORTA la cornexion a la corriente electrica.
- DESCONEXION A LA CORRIENTE ELECTRICA: Coloque el enchufe eletrico de forma que siempre pueda acceder a el Para instalaciones en rack o en las que no pueda acceder al enchufe deben incorporar un interruptor de corriente multipolar con unaSeparateda entre los contactos de, al menos, 3 mm en cada polo en la instalacion electrica del rack o del edificio.
- PARA LAS UNIDADES EQUIPADAS CON RECEPTACULO DE FUSIBLE ACCESSIBLE DESDE EL EXTERIOR: Sustituya este fusible solo por otro de identicas caracteristicas.
- VOLTAJE DE ENTRADA MULTIPLE: Este aparato pueda requisir el uso de un cable y/o enchufe electrico distinctos,dependiendo de la fuente de alimentacion disponible en su instalacion.Conecte este aparato solo a una fuente de alimentacion de lascharacteristicas indicadas en el panel trasero de la unidad.Para reducir el riesgo de incendios o descargas electricas, dirijaequalquier possible reparacion al serviceo Tecnico oficial.
Indices
Introduccion. 53
54
Configuración del XP150. 55
XP150 Puesta en marcha. 57
Configuración del XP150 para su transporte 59
Conexiones del XP150 62
Guia de cableado del XP150. 63
Especificaciones技术icas. 64
Diagramadebloques. 65
jEnhorabuena por la compra de su sistemas PA portátil Expedition XP150 de Samson! El XP150 dispone de una mesa de mezclas de 5 canales con una potencia de 150 watos de amplificacion interna y dos altavoces de dos vias, que lo converten en la solution ideal para infinidad de aplicaciones PA de時間 medio y(PCqueno. El XP150 es además extremamente portátil,gracias a su exclusivo y ligero diseno "deslice y lista".
El mezclador de 5 canales pueda ser分开 del altovoz para su uso como unidad de sobremesa.Esta mesa dispone de tres entradas para la conexión de micros, más un canal para la conexión de una SENSOR de un reproductor MP3 u other dispositivo electrónico. también incluye un procesador de efectos digital interno paraañadirle revert a su voz o instrumento. El mezclador le offre una calidad potente gratías a sus 150 watos de potencia total procedentes de su ligera sección de amplificación de clase D. El XP150 utilizes un sistema de altavoces emparejado con dos recintos acústicos de 2 vías con woofers de 6 pulgadas y tweeters de titanio de 1 pulgada. Para ayudarle a hacerikhailgás lejos su sonido, pueda montar los altavoces del XP150 sobre soportes de altovoz standard, sin adaptadores adiconiales, gratías al casquillo para barra de montaje integrado. El XP150 está fabricado con plástico ABS, resistente a los golpes, lo que hace que sea a la vez ligero y capaz de resistir los traqueteos de una gira.
En este manual encontrará una descripción detallada de todas las característica del sistema PA XP150, asi como una descripción del panel frontal y trasero, instructaciones bajo el caso. Para su configuración y uso y sus espécificacioneséticas. Tembloarayearuna tarjeta de garantía—no se olvide complimentarla y enviárnosla por correo! Este le permitiráreb恭喜o online, asi como que le mantengamos informado acerca de este yotiros products Samson en el futuro. Además, no deje de visitar notrestra网页 (www.samsontech.com) para ver toda la información disponible sobre notrestracomplete gama de produits.
Con todos cuidadosolestimos y una correcta ventilacion, su XP150 funciona arsin darle ningún problema durante años. Para cualquier referencia futura, le recomendamos que apunteAquí abajo el número de série.
Numero de série:
Fecha de compra:
En el improbable caso de que este aparato deba ser reparado en某个 momento, debenunar numero de Autorizacion de devolucion (RA) antes de enviar este aparato a Samson. Sin este numero, ninguna unidad sera aceptada. Pongase en contacto con Samson en el téléphone 1-800-3SAMSON (1-800-372-6766) para solicitar su numero de Autorizacion de devolucion antes de devolvernos su unidad. Conserve el embalaje original y las protecciones y, si es posible, develuelvanos la unidad en ellos. Si adquirio este producto Samson fuera de los Estados Unidos, pongase en contacto con su distribuidor local para que le facilitate los detailles acerca de la garantia y reparaciones.
Characteristicas

- El XP150 es un sistema PA compacto con dos altavoces de 2 vías, mesa de mezclas interna y amplificador de 150 watos de potencia.
- El XP150 es lo最後 en Diseño portátil. Su reducido peso y el Diseño inteligente permiten interconectar todas las piezas para formar un pack fácil de transporte. El mezclador queda almacenado en uno de los recintos acústicos. Elsegundo recinto dispone de un compartmento que le permitte guardar los cables de altavoz, microfonos y otros accesorios.
- Los altavoces son recintos acústicos de 2 vías con tobera, con woofers de 6 pulgadas de alto rendimiento complementados con un tweeter de titanio de 1 pulgada montado en una trompeta exclusiva con una cobertura de 60 × 90 grados que producen un sonido limpio.
- La ligera etapa de potencia interna de 2 x 75 watos de类产品 D produce un sonido stereo, limpio y potente.
- El mezclador del XP150 pueda ser分开 del altovoz para su uso como unidad de sobremesa y pueda usar el soporte de la caja de una bateria para colocar el mezclador con un ángulo ergonOMICamente correcto.
- La mesa de mezclas de 5 canales dispone de tres entradas de micro/linea que le permiten conectar micros o senales de nivel de linea, además de un canal de entrada stereo para conectar senales de nivel de linea procedentes de teclados, cajas de ritmos y reproductores MP3/CD. Puede activar la alimentación fantasma si está utilizing microfonos condensadores.
- En cada una de las entradas de los canales de la mesa de mezclas hay un control de agua y graves que le permitte modelar el sonido de las entradas individuales.
- Para create un sonido brillante en cualesquera de los canales de micro,可以更好izar el procesador de efectos interno paraañadir revert digital.
Configuración del XP150
- Extraiga todos los componentes del sistemas de la caja y conserve tanto este embalaje como las protecciones para el improbable caso de queonga que devolver a fabrica estaunidad para su reparación.
- Extraiga el mezcludor girando hacía la izquierda el tornillo de cuarto de vuelta hasta la posición RELEASE.

- Sujete con cuidado el mezclador hastaSeparated del recinto acustico.

- Abra la tapa del compartmento de accesorios girando también su tornillo de cuarto de vuelta hacía la posición RELEASE y extraiga los cables de altovo incluidos.

Configuración del XP150
- Vuelva a colocar en su situ el panel de accesorios alineando la parte inferior del panel con las ranuras. Asegúrese de que el tornillo está en la posición RELEASE; ciderre對於s la tapa y gire de nuevo el tornillo de cuarto de vuelta a la derecha hacía la posición LOCK.
- Coloque los recintos acusticos sobre el suejo o encima de uno soportes.
- Usando uno de los cables de alteavoz incluidos, connecte laitters左边 SPEAKER OUT de la mesa de mezclas al conector de entrada del recinto izquierdo. Después, use el segundo cable de alteavoz para connectar laitters RIGHT SPEAKER OUT a la entrada del recinto acústico derecho.


XP150 Puesta en marcha
- Compruebe que el interruptor POWER del XP150 esté en la posición OFF.
- Si los altavoces no estan connectados, conecte los cables de altevoz tal como le hemos descripto en la seccion anterior.
- Gire totalmente hacía la izquierda cada uno de los controlles de volumen de canal (VOL) y MASTER, hasta la posición "0".
- Después, conecte un lado del cable de alimentación incluido a la toma de entrada del mezclador del XP150 y el(other a una calidad de corriente con toma de tierra.
- Conecte sus microfonos usingo cables con connectores XLR standard, los instrumentos usingo cables con clavijas de 6,3 mm y su reproductor MP3 usingo un cable con clavija de 3,5 mm, en las tomas adecuadas del mezclador.

- Encienda el resto de aparatos que estén connectados al XP150 y después colque el interruptor POWER del XP150 en la posión ON.
- Gire el control de nivel MASTER hasta la posicion "5" central.

XP150 Puesta en marcha
-
Comience a cantar o a tocar su instrumento en el canal 1@m间隙as ajusta lentamente el control VOL hasta que consiga el nivel que quiera.Haga lo mismo con cada uno de los canales que este usingo.
-
Si observa que el piloto POWER/PEAK se illumina continuamente, bajo el nivel MASTER hasta que ese indicator solo se illumine de forma punctual.
-
Paraañadir profundidad a la mezcla o suavizar sus voces, pueda aplicar un efecto revertb a los canales 1-3. Paraarlo, pulse el boton REV del canal al que quiera aplicarle ese efecto.

- Lentamente vaya subiendo la posicion del mando REVERB hasta que consiga el sonido que quiera.

- Para modifier las caracteristicas tonales de la senal,可以更好ar los controlles LF (graves) y HF (agudos). Si detecta que la senal audio esblemado borrosa,可以更好 que le interese reduir el ajuste del control LF. Si observa que suena muy opaca,;aumente la posicion del control HF. En relation a la ecualizacion del sonido no existe el ajuste "correcto" o "incorrecto". Simplemente escuche como suene su mezcla en la sala en la que lo vaya a reproducir y retóquelo de acuerdo a sus gustos o necessities.

Configuración del XP150 para su transporte
Puede transporte fácilmente su Sistema de sonido gratias a la caracteristica "deslice y lista" del XP150. Los recintos acústicos con esta característica le permiten unir ambos recintos para formar una una unidad de transporte. Siga"These sencillos pasos para configurar el XP150 para su transporte.
- Coloque uno de los recintos acusticos en el suejo y sobre uno de sus laterales.

- Levante elOTHERrecinto y mientes lo mantiene por encima del primo, alinee sus rieles y guias de "deslice y lista"para que queden en paralelo con los del recinto del suejo.

Los recintos deben quedar invertidos en su cara superior e inferior.
- Deslice el segundo recinto acústico sobre el que está en el sueño, asegurándose de que también recintos se mantengan en paralelo en todo momento.

- Escuchará un(PC)pequeño chasquido.
cuando ambos recintos acusticos
queden fjados.

Partes de la mesa de mezclas del XP150

- Conectores de entrada de micro XLR (canales 1-3) - Utilice estas��as XLR para conectar micros de baja impedancia a los previos de micro del XP150.
- Conectores de entrada de linea de 6,3 mm (canales 1-3) - Sirven para conectar al XP150 instrumentos o fuentes de audio con senales de nivel de linea. Puede conectar las salidas de pastillas de guitars acusticas, teclados, cajas de ritmos, reproductores de CD/MP3 y除外 unidades con salidas de nivel de linea.
- Conectores de entrada Stereo de 6,3 mm (canales 4/5) - En el caso de dispositivos stereo, use las entradas L y R de los canales 4/5 para conectar los canales de salute izquierdo y derecho de ese disposativo. Use estas entradas para conectar micros de alta impedancia, sintetizadores, cajas de ritmos, reproductores de CD, MP3 oCNTAS o综合素质 de suerte de nivel de linea.
- Conector de entrada Stereo de 3.5mm (canales 4/5) - Use esta entrada para conectar un dispositivo de nivel de linea stereo como un reproductor de MP3, CD o una pletina deCNTas.
- Alta Frequencia (HF) - El mando HF controla la calidad de agudos aplicados a ese canal. La的回答uesta de Frequencia de agudos de ese canal sera plana cuando el mando está en la posicion "0". Si gira el mando a la derecha, realizará 15 dB la的回答uesta de Frequencia de agudos del canal por encima de 10kHz , y si lo gira hacía la izquierdaURTARALOS agudos 15 dB.
- Baja Frequencia (LF) - El mando LF controla la cantidad de graves aplicados a ese canal. La的回答ista de Frequencia de graves de ese canal sera plana cuando el mando está en la posicion "0". Si gira el mando a la derecha, realizará 15 dB la的回答sta de Frequencia de graves del canal por encima de 10kHz , y si lo gira hacía la izquierdaURTARALOS GRAVES 15 dB.
Partes de la mesa de mezclas del XP150
- Interruptor REVERB - Le permetteañadir un efecto revert a una entrada de micro o de linea en cualesra de las entradas 1-3. El piloto REVERB se iluminará en VERDE cuando esta REVERB estáactivada.
- Indicador REVERB -Este piloto se enciende cuando el interruptor REVERB está pulsado paraindicarle queel canal está configurado paraque le sea anadida la reverb (vea el punto 7 arriba).
- Mando de control VOLUME - Ajusta el nivel global para la entrada de micro o de linea de cada canal. NOTE: Para reducir los ruidos, ajuste al minimum los 控ules VOLUME de los canales que no esté usando.
- Tomas SPEAKER OUT - El XP150 tiene dos connectores de tipo auriculares de 6,3 mm, que sonidas amplificadas para conectar su altovo izquierdo ydeocho. Para realizar this connexion, utilise los cables del altovo incluidos. CUIDADO: La energia de impedancia total para cada lado del amplificador no debe ser inferior a 8 ohmios. No connecte altavoces adiconiones al mezclador del XP150.
- Interruptor SPEECH/MUSIC - Sirve para modifier la的回答sta global de fecuencia o el modelado de tono para el sistemas de sonido XP150. Si va a utiliser el equipo para una aplicacion fundamentalmente de musica, pulse este interruptor para selectionar la curva de的回答sta de musica. Si lo va a utiliser para aplicaciones de voz hablada,letes this interruptor en la posicion de "no pulsado".
- Mando de control REVERB - Sirve paraaabustar lacantidad total de reverb añadida a los canales en los que el interruptor REVERB esté pulsado (vea 7 arriba).
- Mando de control MASTER - Controla el nivel de salute global. Las senales de los cinco canales son rutadas ahora antes de ser enviadas a las etapas de potencia internas y a las manos de salute izquierda y derecha (vea 10 arriba).
- Interruptor POWER - Sirve para encender y apagar el XP150.
- Indicador Power/Peak - Este piloto se iluminará en VERDE cuando launidad está encendida y en ROJO cuando el amplificador está cerca del punto de saturación. Si elindicador Peak se ilumina con Frequencia, reduzca el ajuste del control de volumen MASTER o reduzca los controlleds VOL de los canales de entrada hasta que elindicador ya no se ilumine o lo haga de forma occasional en los picos de senal.
- Entrada de corriente IEC - Conectequiryel cable de corriente "IEC" de gran calibre y 3+puntas incluido.
- Cierre del mezcluder - Gire este tornillo de cuarto de vuelta hacía la izquierda, hacía la posición RELEASE, si quiere Separar el mezcluder de la parte trasera del recinto acústico. Cuando está transportando el XP150, asegúrese de que este tornillo está en la posición LOCK.

Este example le muestra un tipo problema PA para un grupo musical en el que se usa el XP150 con dos microfonos, guitarra acustica, teclados y un reproductor MP3 connectados, esteultimate para la musica de fondo.
Guía de cableado del XP150
Existen varias formas de interconectar el XP150 para su uso en una amplia gama de aplicaciones. El XP150 dispone de entrada balanceadas, por lo que pueda conectar Señales tanto balanceadas como no balanceadas.
Conector de 6,3 mm no balanceado

Conector TRS de 3,5 mm balanceado

Guía de cableado de XLR balanceado

Especificaiones Tecnicas
| Amplificador | ||
| Potencia RMS 150 W @ 8Ω (75 W por canal) | ||
| Respuesta de Frequencia 40 Hz - 20 | kHz | |
| Consumo Entrada alterna 100~240 V 50/60 Hz 180 W | ||
| Altavoces | ||
| Bajas Frequencias Transductor de graves de 6" | ||
| Altas Frequencias Tweeter de 1" | ||
| Mez.clador | ||
| Entradas XLR, 6,3 mm balanceado, 3.5 mm stereo | ||
| Salidas Salida de altavoces de 6,3 m | ||
| Alimentacion fantasma +15 V DC, voltaje fantasma bajo | ||
| EQ de canal de entrada | High 10 kHz Estaneria ±15 dB | |
| Low 100 Hz Estaneria ±15 dB | ||
| Interruptor Speech/Music | 150 Hz, 18 dB/octava | |
| Indicadores | Piloto de dos colores - Power/Peak | |
| Dimensiones y peso | ||
| Dimensiones | Longitud 395 mm / 15.6" | |
| Anchura 218 mm / 8.6" | ||
| Altura 354 mm / 13.9" | ||
| Peso 10.8 kgs / 24 lbs | ||
Estas specifications estan susetas a cambios sin previo aviso.
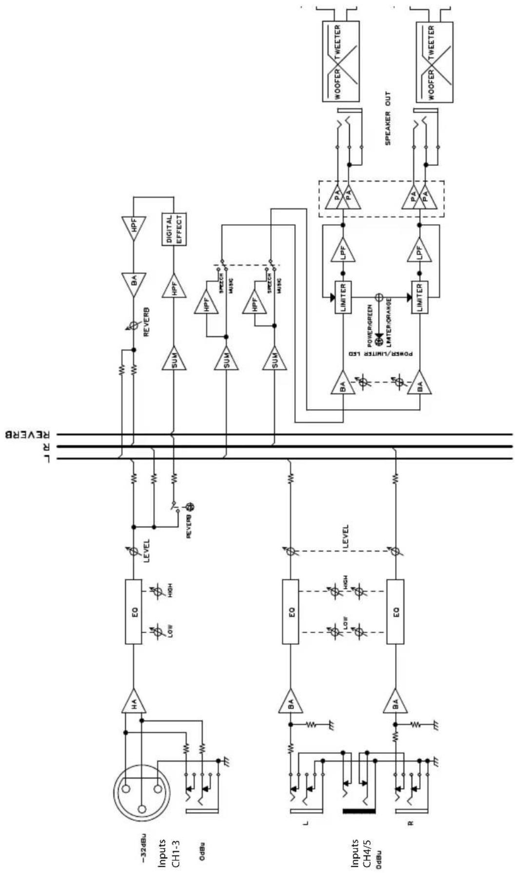
Diagrama de bloques


ManualFácil