2CKA006599A2968 - Sähköinen rele Busch-Jaeger - Ilmainen käyttöohje ja opas
Löydä laitteen käyttöohje ilmaiseksi 2CKA006599A2968 Busch-Jaeger PDF-muodossa.
Usein kysytyt kysymykset - 2CKA006599A2968 Busch-Jaeger
Käyttäjien kysymyksiä aiheesta 2CKA006599A2968 Busch-Jaeger
0 kysymys tästä laitteesta. Vastaa tuntemiisi tai esitä omasi.
Esitä uusi kysymys tästä laitteesta
Lataa ohjeet laitteellesi Sähköinen rele PDF-muodossa ilmaiseksi! Löydä käyttöohjeesi 2CKA006599A2968 - Busch-Jaeger ja ota elektroninen laitteesi takaisin hallintaan. Tällä sivulla julkaistaan kaikki laitteidesi käyttöön tarvittavat asiakirjat. 2CKA006599A2968 merkiltä Busch-Jaeger.
KÄYTTÖOHJE 2CKA006599A2968 Busch-Jaeger
!Monivaihekäytö on sallittua yksinomaan Saksassa!

OHJE
Merkkivalollisina painikkeina saa käyttaa ainoastaan painikkeita, joissa on erillinen N-liitäntä. Koskettimien rinnalle ei saa kytkeä merkkilamppua!
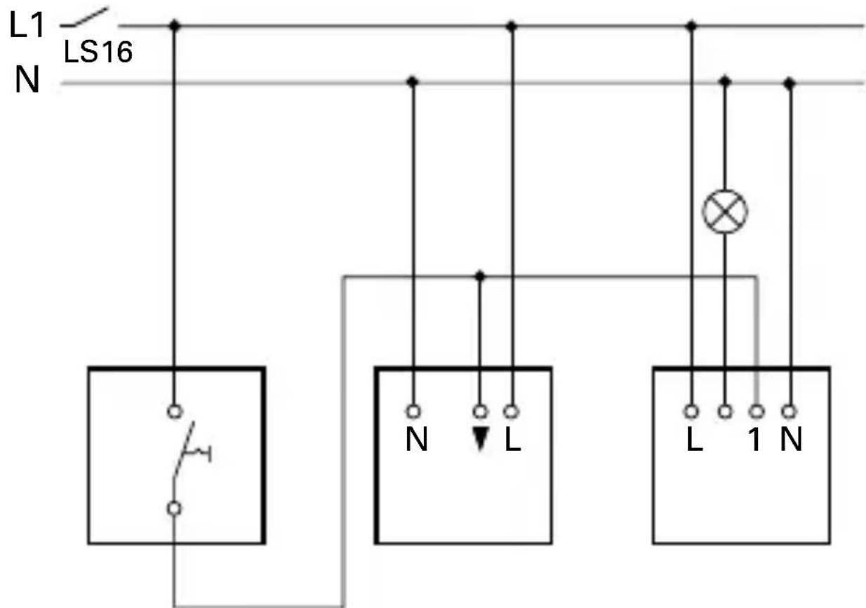
Kuva 2

Yleis-releyksikkö liitettnä aktiviseen rinnakkaisohjausyksikköön rinnakkaisohjaukseen 6805U ja sulkeutuviin koskettimiin.

Kosketin/sulkeutuva
6805U 6401U-102
Kuva 3

IR-kantama

IR-kantama


Kuva 5

Yhdistelymahdollisuudet Vahti-Jussi 180 -yksikköihin

Käytökohteet

Yleis-releyksikkö 6401U-102 (jäljempänä yksikkö 6401U-102) on sivuohjaussisäänmenolla ohjattava kytkin, jolla voidaan kytkeä:
- hehkulamppuja
- halogeneenilamppuja
- muuntajalla syötetyjä pienjännitehalogeenilamppuja ja
- loistelamppuja
Yksikköön 6401U-102 voidaan asentaa mm. seuraavat Vahti-Jussi tuotteet:
- IR-ohjauselementti 6067-xxx-10x
- Ohjauselementti 6543-xxx-10x
- sulkeutuvat kytkimet (esim. Art.-No.:2020 US tai 2021/6UK) sivuohjauskäytössä
- Vahti-Jussi Standard 6810-xxx-10x
- Vahti-Jussi Komfort 6800-xxx-102(M)/103M/104(M)
- Ajastinelementti 6412-10x
- Liikeilmaisin 6813
Tärkeitä ohjeita

Jos halutaan soveltaa monivaiheohjausta (2-valihe) ohjainyksikon 6401U-102 yhteydessä, tulee seuraavat DIN VDE 0100 märäysten vaatimukset ehdottomasti täytää:
VARO! HENGENVAARA
Jos eri vaiheiden liittäminen yksikköön 6401U-102 sallitaan, on huolehdittava siitä, että vikatilanteessa tai laitoksen kanssa työskenneltäessä jännite katkeaa kaikkinapaisesti.
Tämä kytkentätapa on sallittu vain Saksassa!
Dokumentointi
Tässä käyttoohjeessa kutsutaan sekä Vahti-Jussi Standard (Art.-No.6810-xxx-10x)etta Komfort-antureita (Art.-No.6800-xxx-10x(M) "UP-antureiki".
O.h. huomaa kulloinkin oikea, kuvausosassa käytetty tyyppinumoero.
Tyyppimerkintä lóytyy kunkin laitteen takapuolelta.
Tekniset tiedot

Käyttojannite: 230 ~V ± 10 % ,50 Hz
Tehonkulutus: <1 W
maks. käytöjannite: 250 V ~
maks. kytkentäteho: 2300 W/VA
maks. hurinajännite 100V/ 100 m johtopituudella
sivuohjauspaikassa:
Kytkimien lukumäärä: rajoittamaton
Sujoausluokka: IP 20
Ympäristön lampötila: -20 ... + 55 °C
Asennus

Katkaise verkkojannitesyott!
Yksikon 6401U-102 asentaminen
Yksikkö 6401U-102 asennetaan tavalliseen uppoasennusrasiaan (DIN 49073 Osa 1 mukainen).
a. Asennus liitettynä ohjauselementtiin
Asennuspaikka (katso Kuvat 3 ja 4)
Käytettäessä laitetta yhdessa IR-ohjauselementin 6067-xxx-10x kanssa tulee asennuspaikan olla ilmoitetun IR-kantaman sisällä. Muista, että muu valo (esim. auringonpaiste ja valaistus) voi muuttaa Kantamaa.
Ohjauselementin liittäminen
IR-ohjauselementissä 6067-xxx-10x, aseta haluamasi osoite ennen asentamista. Työnnä ohjauselementti yksikköön 6401U-102.
Ohjauselementin irrottaminen
Avaa irrotaessasi kiinnityshakaset uristaan.
Asennus

b. ... ajastinelementtiin 6412-10x liitettaessä
Asennus ja purkaminen suoritetaan kuten edellä kohdassa a. kuvatulle mekaaniselle ohjauselementille.
c. ... liikeilmaisimeen 6813 liitettaessä
Asennuspaikka
Liikeilmaisimeen 6813 liitettäessä on ainoastaan katton asentaminen suositeltua. Liikeilmaisin 6813 tulisi asentaa, mikali mahdollista, suoraan työpisteen ylapuolelle.
Liikeilmaisimen 6813 asentaminen
Työnnä liikeilmaisin 6813 yksikköön 6401U-102.
Liikeilmaisimen 6813 irrottaminen
Vedä liikeilmaisin 6813 irti yksikon 6401U-102 kotelon renkaasta.
Asennus

d. ... rinnakkaiskytkimiin liitetynä
Yksikköä 6401U-102 voidaan ohjata sivupainikkeilla. Tällöin on otettava huomioon seuraavaa:
- Suurin sallittu johdon pituus riippuu suurimmasta rinnakkaissisäänmenoissa sallituista hurinajännitteista. Hurinajännite ei kuitenkaan saa olla yli 100 V (vastaa kaytannossa vahintaan 100 m johdon pituutta).
Rinnakkaisohjaimina voidaan kayttäa: - sulkeutuvia kytkimiä (esim. 2020 US tai 2021/6 UK)
HUOM Rinnakkaiskytkimen merkkivaloa ei saa kytkeä koskettimien rinnalle; Käytä kytkintä, jossa onerillinen "N"-liitin.
OHJE
Varmistaaksesi Häiriottöman toiminnan, vedäkuorman johdot erilleen rinnakkaisohjausjohdosta.
Asennuskorkeus/käyttokohde

UP-ilmaisimet toimivat optimaalisesti, kun noudatat seuraavassa taulukossa annettuja suosituksia.
| UP-anturi Asennu$korkeus Liittimien asento Malli Kohde Sijoitus | ||
| 6810-xxx-10x 0,8 - 6800-xxx-10x | 1,2 m alhaalla | |
| 6800-7x-10xM 0,8 | - 1,2 m (Portaikko) ylhäällä | |
| 2,0 - 2,5 m (Tilavalv.) ylhäällä | ||
| 6800-2xx-10xM 0,8 | 8 - 1,2 m (Portaikko) alhaalla | |
| 2,0 - 2,5 m (Tilavalv.) alhaalla | ||
Asennus

e. ... UP-ilmaisimiin liitettynä
Yksikköä 6401U-102 voidaan käyttaa yhdessä UPilmaisimien kanssa, tyypit6810-xxx-10xja6800-xxx-10x(M). Asennuskorkeus riippuu ilmaisinvalinnasta.
Lisātietao asennuskorkeudesta, Vahti-Jussien saädoistä jne. daß kunkin laitteen käyttoohjeista.
IR-ohjauselementtien osoitteistus

IR-ohjauselementin 6067-xxx-10x-500 osoitteeksi on asetetu tehtaalla numero 1.
Voit muuttaa osoitteen osoitekiekolla, joka on ohjaus-elementin takapuolella.

Ota osoitetta antaessasi huomioon "IR-valvonta-alue" (katso Kuvat 3 ja 4).
Käytto

Yksikkö 6401U-102 tunnistaa paikalleen pantaessa automaattisesti, mikä ohjauselementttityppi on kyseessä.
a. Yksipistekäytto
Käytö ohjauselementillä 6543-xxx-10x
-
PÄÄLLE/POIS: Hipaise/paina
-
liitetyt kuormat kytkeytyvät paallee tai pois.
Rinnakkaisohjaus painikkeilla toimii samalla ravalla.
b. Kaksipistekäytto
Käytto IR-ohjauselementillä 6067-xxx-10x
-
I: Hipaise/paina yläreunaa
-
liitetyt kuormat kytkeytyvät paallee
-
0: Hipaise/paina alareunaa
-
liitetyt kuormat kytkeytyvät irti.
IR-ohjauselementin LED välähtää lahetyskäytössä.
Rinnakkaisohjaus painikkeilla toimii samalla tavalla kuin yksipistekaytossa.
Käytto

OHJEITA
Käsky "Himmenna" ei IR-kauko-ohjaimella annettuna käynnista yksikössä 6401U-102 mitään kytkentätoimenpidetta. Lisatietoja IR-käytösta lóydät esim. IR-käsiohjaimen käyttoohjeesta.
Kuitenkin, viimeinen käyttotoimenpide (myös rinnakkaiskäytto) käynnistää kytkentätoimenpiteet, myös silloin kun painiketta painetaan pitempa'an eika ohjaus näytä vielä paattyneen.
c. Vahti-Jussi IR-ohjaus
MEMO muistien M1 ja M2 ohjelmoini tapahtuu käyttaen IR-kasi- tai seinälähetintä - katso vastaavaa käyttoohjetta.
- PÄÄLLE: Releyksikkö kytkee pälle (veta)
- POIS: Releyksikkö kytkee irti (päästä)
- Kirkasta: Releyksikkö kytkee pälle (veta)
Himmenna: Ei toimintoa
Käytto

-
MEMO: - kytkentätilan palauttaminen
-
MEMO tallennus
-
lukee MEMO 1 tai 2 muistin
-
KAIKKI POIS: Releyksikkö katkaisee
d. Käytto UP-ilmaisimilla
Sahkokatkon tai paallekytkennan jälkeen yksikkö 6401 U-102 kytkee liitetyt kuormat paalle
-
mitatusta valoisuudesta riippumatta
-
pantaessa ilmaisinosa 6810-xxx-10x paikalleen, uudel-leen 80 sekunniki.
- pantaessa ilmaisin 6800-xxx-10x(M) paikalleen, asetetuksi ajaksi (vahintaën 1 minuutin ajaksi jos aikaasetus on < 1 minuutti) takaisin paälle (poikkeuksena impulssiohjaus ).
Käytto

e. Sivuohjaus UP-ilmaisimilla
Tämä sivuohjauskäytto tapahtuu kayttamällä
- ohjausta sulkeutuvilla koskettimilla
-tai rinnakkaisyksikkoo 6805U.
Passivinen rinnakkaiskäytto kytkimillä
Sulkeutuvilla koskettimilla suoritettu toiminto aiheuttaa,
etta liitetyt kuormat kytkeytyvät paallee
-
mitatusta valoisuudesta riippumatta
-
pantaessa UP-ilmaisin 6810-xxx-10x paikalleen, n. 80 sekunniki.
-
pantaessa ilmaisin 6800-xxx-10x(M) paikalleen, ilmaisimeen asetetuksi ajaksi (myös vaikka asetus olisi lyhyempi kuin 1 minuutti).
OHJEITA
-
sivuohjauskäytössä sulkeutuvilla koskettimilla ei rinnakkaisjohdon pituus saa olla yli 100 m.
-
Käytä ainoastaan sellaisia kytkimiä, joiden koskettimien rinnalle ei ole kytketty merkkivaloa.
Käytto

- Välttäksesi hurinan aiheuttamia Häiriöitä, vedärinnakkaisohjausjohto erilleen tehonsyöttöjhodosta.
- Poiskytkentä rinnakkaisohjauspaikasta ei ole mahdollista.
- Paälle kytkétyn valaistuksen uusi paällekytkentäkäsky saa aikaan asetetun irtikytkentäviiveen palautumisen alkuun.
Aktiivinen sivuohjauskäytto 6805U- ja UP-ilmaisimilla Koska sekä pää-etta rinnakkaiskojeilla on erilliset hamäräarvojen saadot, voidaan kunkin sijoituspaikan valaistusolsuhteet ottaa huomioon kojekohtaisesti.
Lopullinen sammutusvive muodostuu pää- ja rinnak-kaiskojeiden asetusten summasta. UP-ilmaisimien 6800-xxx-10x(M) yhteydessä suosittelemme rinnakkaisoh-jaukseen asetuksen "impulssi" käytämista silloin kun halutaan noudattaa mahdollisimman tarkasti pääkojeeseen asetettuja aikoja.
Käytto

OHJE
Lisātietoja saat kyseisen kojeen käytöohjeesta.
f. Käytö ajastinelementin 6412-10x yhteydessä
O.h. katso kyseisen laitteen käyttoohjetta!
Painikkeilla voidaan valaistus kytkea paalle ja.POis. Rinnakkaisohjaus kytkimilltoimii samalla lailla.
g. Käytö liikeilmaisimeen 6813 liitetynä.
O.h. katso kyseisen laitteen käyttoohjetta!
Sivuohjauskäytössä kytkimillä voidaan valaistus kytkeä paälle ja pois valoisuudesta riippumatta.
Liikeilmaisimella varustettuna aktivinen sivuohjauskoje 6805 U toimii anturina, jolloin liikeilmaisu valittyy paakoeelle (6401 U-102). Paakoje paattaa valoisuudesta riippumatta, kytketaenkö/jatetaanko valaistus paalle.
Vianetsintä

Vian oire Aiheuttaja/Toimenpide
Kuorma ei kytkeydy - Tarkista sivuohjaus
rinnakkaiskojeesta: - pienennä hurinaa (> 100 V)
Kuorma ei kytkeydy - vaihda viallinen kuormaalinkaan: - vaihda kyseinen laite
Kuorma kytkeytyy - pienennä hurinaa (> 100 V)
itsestaan paallee: - muuta vaarin vedetyt kaapelit (ks. kohta Asennus).
IR-vastaanotin/ - IR-vastaanotin ei ole kuorma ei reagoi: IR-kantaman sisällä
-
IR-lähetyssuunnassa (esteita, kädet tai vartalo)
-
paristo tyhjentynyt
Valodiodi (LED) - poista vieras IR-valonlähde
IR-keskiölevyssä ei pala:- kytke jannite paälle
- Katkaise verkkosyöttö n. 5 sekunnin ajaksi
Vianetsintä

Vian oire Aiheuttaja/Toimenpide
IR-keskiölevyn LED - poista vieras IR-sateilylahde vilkkuu jatkuvasti:
IR-keskiölevyn LED - cokeile IR-vastaanoton toiminta ei vilku - vaihda uusi paristo IR-käsi-/
lähetettäessä: seinälhettimeen - olet IR-kantaman ulkopuolella
Releyksikköä - poista merkkivalo ei voi käyttaa sivuohjauskjoeesta sivuohjauskjoeesta:
Kauko-ohjaus ei toimi: - käytökytkin jumissa
Valo ei pala: - vaihda viallinen lamppu
-
etusulake pitäa vaihtaa/virittäuudelleen
-
korjaa katkennut johto
Takuu

Valmistaja takaa toimitusehtojen puiteissa tehtaalta viallisina toimitetut laitteet:
Kesto
Takuu on voimassa 12 kk ostopäivästä tai 18 kk valmistus-päivästä.
Laajuus
Palautetti laite korjataan tai vaihdetaan uuteen tapauksesta riippuen valmistajan harkinnan mukaan, mikali laitteentoiminta on todistettavasti valmistus- tai materiaaliviantakia huonontunut tai estynyt.
Takuun piiriin ei kuulu luonnollinen kuluminen tai kuljetusvauriot eikä epääasiallinen tai ohjeiden vastainen käytto.
Vastuuta asiattomista muutoksista tai korjaustöistä eivalmistajalla ole. Vian korjaamiseksi varataan valmistajalle kohtuullinen aika. Vialisen laitteen aiheuttamat seurausbahingot eivät kuulu takuun piirin.
Takuutodistus
Takuutapauksessa vialinen laite ja lyhyt selvitys vian laadusta palautetaan alla mainittuun osoitteeseen yhdessä takuutodistuksen kanssa.


| Gerät: | Verkaufsdatum: |
| Apparail: | Date d'achat: |
| Device: | Date of purchase: |
| Toestel: | Aankoopdatum: |
| Type: | Købsdato: |
| Apparatur: | Inkopsdatum: |
| Laite: | Ostopäivä: |
Stempel und Unterschrift des Handlers:
Cachet et signature du commercant:
Stammp and signature of dealer:
Stempel en handtekening van de verkoper:
Forhandlerens stempel og underskrift:
Återförsaljarens stampel och underskrift:
Myyjan leima ja allekirjoitus:

HelppoOhje