DJM-1000 - Mezclador PIONEER - Manual de uso y guía de instrucciones gratis
Encuentra gratis el manual del aparato DJM-1000 PIONEER en formato PDF.
| Tipo de producto | Mesa de mezclas DJ profesional |
| Características técnicas principales | 10 canales, 4 entradas de micrófono, 4 entradas de línea, 2 entradas de phono, 2 entradas estéreo |
| Alimentación eléctrica | AC 100-240V, 50/60Hz |
| Dimensiones aproximadas | 320 mm (H) x 420 mm (L) x 100 mm (P) |
| Peso | 4,5 kg |
| Compatibilidades | Compatible con la mayoría de los sistemas DJ y software de mezcla |
| Funciones principales | Efectos digitales, ecualizador de 3 bandas, control de tono, crossfader ajustable |
| Mantenimiento y limpieza | Limpiar con un paño suave, evitar productos químicos agresivos |
| Piezas de repuesto y reparabilidad | Disponibilidad de piezas de repuesto a través del servicio postventa PIONEER |
| Seguridad | Utilizar en un entorno seco, evitar sobrecargas eléctricas |
| Información general útil | Ideal para DJs profesionales, actuaciones en vivo y eventos |
Preguntas frecuentes - DJM-1000 PIONEER
Descarga las instrucciones para tu Mezclador en formato PDF gratis! Encuentra tus instrucciones DJM-1000 - PIONEER y toma tu dispositivo electrónico nuevamente en la mano. En esta página están publicados todos los documentos necesarios para el uso de su dispositivo. DJM-1000 de la marca PIONEER.
MANUAL DE USUARIO DJM-1000 PIONEER
Manual de instrucciones
FONCTION DE LIAISON NUMÉRIQUE 31
DIVERS
DEPANNAGE 32
FICHE TECHNIQUE 33
SCHEMA DE CÂBLAGE 100
VÉRIFICATION DES ACCESSOIRES
Mode d'emploi 1
BRANCHEMENTS À LIAISON NUMÉRIQUE
FONCTION DE LIAISON NUMÉRIQUE
Enhorabuena por la adquisión de este producto Pioneer.
Lea completely is meual de instruionso para aperar corctamente el aparo. Despues de haber terminado la lectura de las instrucciones, guarde el manual en un lugar seguro para poderlo consultar en el futuro.
En algunos País o regions, la forma de la clavija de alimentacion y del enchufe de corriente能把 en differentes de la mostrada en las ilustraciones de explicacion. Sin embargo, el método de conexion y operation del aparato es el mesmo. K015 Sp
IMPORTANT

La luz intermitente con el símbolo de punto de flecha bajo un triángulo equilátero.
Esta convenido para作為 el usuario de la presencia de "voltaje peligrosa" no aslada bajo el producto que podra constituir un peligro deCHOqueeléctricopara las personas.
CAUTION
RISK OF ELECTRIC SHOCK
DO NOT OPEN
ATENCLON:
PARA PREVENIR EL PELIGRO DE CHOQUE ELECTRICO NO REMOVER LA TAPA NI LAS PARTES DENTRO NO UTILIZADAS, LLMAR UNA PERSONA CUALIFICADA

El punto exclamativo Dentro un triángulo equilatorico convened para avisar el usuario de la presencia de importantes instruciones sobre el funcionajo y la manutenacion en la libreta que aparea al aparato.
D3-4-2-1-1_Sp
PRECAUCIONES CONCERNIENTES A LA MANIPULACION DEL CABLE DE ALIMENTACION
Tome el cable de alimentacion por la clavija. No extraiga la clavija tirando del cable. Nunca toque el cable de alimentacion cuando sus manos esten mojadas, ya que this podria causar cortocircuitos o descargas electricas. No coloco la unidad, algo mueble, etc., sobre el cable de alimentacion. Asegurese de no hacer nudos en el cable ni de unirlo aothers cables. Los cables de alimentacion deben ser dispuestos de tal forma que la probabilitad de que sean pisados sea minima. Una cable de alimentacion dañado podra causar incendios or descargas electricas. Revise el cable de alimentacion está dañado, Solicite el reemplazo del本身就是 centro de service autorizzato PIONEER más cercano, o a su distribuidor. S002_Sp
ADVERTENCIA
Este aparato no es impermeable. Para evitar el riesgo de incendio y de descargas electricas, no ponga ningún recipiente lleno de liquido (como pueda ser un vaso o un florero) cerca del aparato ni lo exponga a goteo, salpicaduras, lluvia o humedad. D3-4-2-1-3_A_Sp
ADVERTENCIA
Antes de enchufar el aparato a la corriente, lea la seccion?sigue con mucha atencion.
La tension de la red electrica esdistincta segun el pays o region.Asegurese de que la tension de la alimentacion de la localidadonde se proponga aplicarosteste aparato corresponda a la tension必需aria (es decir, 230V o 120V) indicaea en el panel posterior. D3-4-2-1-4_A_Sp
ADVERTENCIA
Para evitar el peligro de incendio, noonga nada con fuego encendido (como pueda ser una vela) encima del aparato. D3-4-2-1-7a_A_Sp
VENTILACION: Cuando se instala estaunidad, asegúrese de hacer espacio alrededor de launidad para proportionscar ventilacion y mejorar asi la radiación del calor (por lo menos 5cm en la parte trasera y 3 cm de cada lado).
ADVERTENCIA: Las rendijas en el aparato esnecessary para la ventilacion para permitirelfuncciono del producto y para proteger este de sobrecalentamento, para evitar incendio. Las rendijas noderabad sinuna cubiertas conobjectos, como periodicos, manteles, tiendas, etc. Tantiem noponer el aparato sobre alfombra espesa, cama, sofo o construction de pila espesa.
D3-4-2-1-7b_Sp
Entorno de funciona
Temperatura y humedad del entorno de funciona+5- +35^ ; menos del 85% de humedad relativa(rejillas de refrigeracion no obstruidas)
No instale este aparato en un lugar mal ventilado, ni en lugares expuestos a alta humedad o a la luz directa del sol (o de other luz artificial potente). D3-4-2-1-7c_A_sp
Este producto cumple con la Directiva de Bajo Voltaje (73/23/CE, correcto por la 93/68/CE),
Directivas EMC (89/336/CE, correcto por la 92/31/CE y la 93/68/CE). D3-4-2-1-9a_Sp
Si la clavija del cable de alimentacion de CA de este aparato no se adapta a la toma de corriente de CA que usted desea utiliser, debenCambiar la clavija por otherque se adapte apropiadamente.El reemplazo y montaje de una clavija del cable de alimentacion de CA solo deben realizarlos personal de serviceo的专业cualificado.Sie se enchufa la clavija cortada a una toma de corriente de CA,可以使ar fuertes descargas electricas.
Asegürese de que se tira de la forma apropriada antes de serpues de haberla extraído.
El aparato deben藓conectarse desenchufando la clavija de la alimentacion de la toma de corrente cuando no se proponga utiliserdo durante mucho tiempo (por exemple, antes de irse de vacaciones).
D3-4-2-2-1a_A_Sp
PRECAUCION
El interruptor de la alimentación POWER de este aparato noURT por Completely toda la alimentación de la toma de corriente de CA. Puesto que el cable de alimentación hac las functions de dispositivo de desconexión de la corriente para el aparato, para desconectar toda la alimentación del aparato deben desenchufar el cable de la toma de corriente de CA. Por lo tanto, asegúrese de instalar el aparato de modo que el cable de alimentación pueda desenchufarse con calidad de la toma de corriente de CA en caso de un accidente. Para evaporar correr el peligro de incendio, el cable de alimentación tambiénDebe desenchufarse de la toma de corriente de CA cuando no seonga la intencion de utiliser durante mucho tiempo seguido (por exemple, antes de irse de vacaciones). D3-4-2-2a_A_Sp
CHARACTERISTICAS
① Diseño de sonido de alta calidad
Las señales analógicas se transmiten a工程技术 de la vía más corta y se converten a señales digitales mediante un convertor A/D de alta calidad, 24 bits, de是我国 96kHz , pasando de este modo las señales a la etapa de mezcla digital en las óptimas conditiones. Empleando un DSP de 32 bits, la mezcla se realiza sin ninguna degradación de la calidad del sonido y,+junto con el filtrado simultáneo ideal, se produce el sonido optimo para los DJ profesiones que工作的 en clubes.
Para poder aprovechar al máximo estas functions, se ha tenido mucho cuidado en perfeccionar la calidad del sonido, incluyendo un chassis de alta rigidez,+junto con una seccion de potencia de alto rendimiento queemploya un transformador de nucleo R que apoya la calidad de los graves, creando de este modo un sonido potente yclaro que es ideal para el ambiente de los clubs.
② Aislander de 3 bandas
El aislador de 3 bandas incorporeal es capaz de producir el control del nivel de +6 dB a - en cada ancho de banda.
La clara sensación de la operation permitte realizar una amplia variedad de技术水平 de DJ.
③ Envío/returno (SEND/RETURN) de 2 sistemas y 3 problemas
Se incorpora una función de envío/returno (SEND/RETURN) de 2 sistemas y 3 temas (PRE INSERT/POST INSERT/AUX) para permitirmultiple variaciones de connexion conOthersdispositivos externos,tales como generadores de efectos y de muestro, ampliando de este modo el margen del potencial de reproduccion del DJ.
Ajuste de la curva de fundido
El ajuste de la curva de fundido permiteJKLM no solo la curva del fundido cruzado (como en los modelos anteriores), sino también la curva de fundido de canales.
Ambas functions de fundido peuvent ajustarse en 17 pasos, por lo que los DJ peuvent personalizar los ajustes a sus ajustes propios preferidos.
Empleando los conectores de entrada digital incorporedados para cada una de las velocidades de muestreo (44,1/48/96 kHz), puede formarse un sistema en el que no se produzca degradacion de la calidad del sonido cuando se connecte a dispositivos digitales externos.
Se incorpora un conector DIGITAL OUT con velocidad de muestreo de 24 bits/96 kHz, que Facilita la grabacion en estudios y en otheras situaciones que requiren alta calidad del sonido.
Es compatible solo con PCM lineal.
⑥ Salida MIDI (MIDI OUT)
Las señales MIDI peuvent emitirse para permitir el control MIDI de dispositivos externos.
⑦ Función de enlace digital
Pueden efectuarse multíplesmericanos empleando cables de enlace digital para conectarotiros reproductores de CD para DJ, generadores de efectos para DJ y consolas de mezcla audiovisual PIONEER.
Otrascharacteristicas
- Empleando un cable de control para conectar launidad a un reproductor de CD para DJ PIONEER, PODRA iniciarse la reproduccion en el reproductor de CD en enlace automatico con la operacion de fundido ("reproduccion de inicio con fundido").
- El "ecualizarde 3 bandas" incorpore permite controlar el nivel bajo el margen de +6 dB a -26 dB en cada ancho de banda.
- Incorpora un "Evaluador de cabina de 2 bandas" para control de la的回答uesta del monitor de la cabina, fácilando asi al DJ el control de monitor de la cabina.
- La funciona de "asignacion de fundido cruzado" incorpORA, permite asignar con mas flexibilidad la entrada de cada canal para el fundido cruzado.
- La funciona de intercomunicaciones "TALK OVER" reduce automatistically el volumen de la pista durante la entrada de micrófono (MIC).
INDICE
CHARACTERISTICAS 83
CONFIRMACION DE LOS ACCESORIOS 83
PRECAUCIONES PARA LA MANIPULACION 84
ANTES DE LA UTILIZACION
CONEXIONES 85
PANEL DE CONEXIONES 85
CONEXION DEL CABLE DE ALIMENTACION ... 86
CONEXION A LOS CONECTORES DE
ENTRADA 86
CONEXION A UN GENERADOR DE EFFECTOS Y CONECTORES DE SALIDA 87
CONECTORES MIDI 87
CONEXION DE MICROFONOS Y AURICULARES 88
CONEXIONES DE ENLACE DIGITAL 88
NOMENCLATURA Y FUNCIONES 89
OPERACIONES
OPERACIONES 93
OPERACIONES BASICAS 93
AJUSTES DE LA CURVA DE FUNDIDO 93
FUNCION DE INICIO CON FUNDIDO 94
EMPLEO DE GENERADOS DE EFFECTOS EXTERNOS 94
FUNCION DE ENLACE DIGITAL 95
OTROS
SOLUTION DE PROBLEMAS 96
ESPECIFICACIONES 97
DIAGRAM EN BLOQUES 100
CONFIRMACION DE LOS ACCESORIOS
Manual de instrucciones 1
Cable de alimentacion 1
PRECAUCIONES PARA LA MANIPULación
Situación
Instale la unidad en un lugar bien ventilado donde no quede expuesta a altas temperatas ni a humedad.
- No instale la unidad en Lugares expuestos a los rayos directos del sol, nioca de estufas o radiadores. El calor excessivo puede afectar adversamente el exterior y los componentes internos de la unidad. Su instalacion en un lugar humedo o polvoriento también puede producir mal funciona y sufuncionamiento o un accidente. (No la instaleerca de fogones, etc. donde pueda quedar expuesta a humano de aceite, valor, o calor.)
- Cuando se empSEA la unidad dentro de un estuche para el transporte o de una cabina de DJ, separela de las paredes o de otros equipos para melhorar la disipacion del calor.
Instalación de la DJM-1000 en un bastidor EIA
Los orificios para tornillos del panel frontal de la DJM-1000 estan diseñados para montar la unidad en un bastidor EIA de 19 pulgadas.
- Monte launidad en el bastidoremployando unoes tornillos del tamano apropiado (los tornillos no se suministran con launidad).
- Cuando instale la unidad en un bastardor,onga cuidado para no pillarse los dedos.
Notas:
- Noonga nunca estaunidad directamente encima de un amplificador de potencia, porque el calor emitido por el amplificadorURTDA OCCASIONAR DAños en launidad. Si se pone launidad directamente encima de un amplificador de potencia, también es possible que se capten senales de radio u otheros temas de interferencias.
- Deje un espacio de 1U (43,7 mm) como minimum entre este componente y el que se monte encima del本身就是, para asegurar que los cables connectados a los conectores de entrada/salida y los terminales de estaunidad no tocan el componente que hay encima.
- Antes de transporte la unidad, siempre deben desmontarla del bastidor.
- Cuando deba mover la unidad,msteadas está montada en el bastidor,onga mucho cuidado para que no reciba ningún golpe ni quede sometida a vibraciones.
Condensation
Cuando se traslada la unidad desde un lugar frío a una sala calida, o cuando la temperatura de la sala aumento rápidamente, pueda formarse condensación de humedad en el interior, y la unidad pueda resultar incapaz de funciona como debiera. En caso como éstos,deo la unidad sin desplazarla durante aproximamente una hora, o deje que la temperatura de la sala suba gradualmente.
Limpieza de la unidad
- Emplee un paño de limpieza para sacar el polvo y la suciedad.
- Cuando las superficies estén muy sucias, fróelas con un paño suave humedecido en una solución de detergente neutro diluido en cinco ophis partes de agua, bien escurrido, y bajo frote de nuevo con un paño seco. No emplee ceras ni limpiadores de muebles.
- No emlee从来没 disolventes, bencina, pulverizadores de insecticidas ni ellos productos químicos sobre estaunities nioca de la misma, porque pueda causar corrosión en las superficies.
CONEXIONES
PANEL DE CONEXIONES

- Interruption de la alimentación (POWER)
- Conector de calidad principal 1 (MASTER 1)
Salida equilibrada del tipo XLR (conector macho). - Conector de calidad principal 2 (MASTER 2)
Salida desequilibrada del tipo RCA. - Mando del atenuador de salute principal (MASTER ATT.)
Atenua el nive del salute de las salidas MASTER 1 y MASTER 2. El nive del atenuacion puede seleccionarse entre 0 dB, -3 dB, -6 dB, -12 dB.
- Conectores de calidad de grabación (REC)
Conector de salute del tipo RCA para grabacion.
- Conectores de entrada de tocadiscos (PHONO)
Conectores de entrada de niveau de tocadiscos (del tipo de capsaula MM) del tipo RCA.
No los emlee para introducir senales de nivel de linea.
- Terminal de tierra de la seals (SIGNAL GND)
Se exemple para conectar el cable de toma de tierra de un tocadiscos analógico.
No es un terminal de toma de tierra de seguridad.
- Conectores de entrada de CD/lininga (CD/LINE)
Conectores de entrada de niveau de ligne del tipo RCA.
Se emplean para conectar reproductores de CD para DJ y/o dispositivos de salute de nivel de linea.
- Conectores de calidad de envío (SEND 1, 2)
Conectores de salute del tipo Telefonico de 6,3 mm de diametro.
Se emplean para conectar los conectores de entrada de generadores de efectos externos, etc.
Cuando sólo se conecta el canal izquierdo, se emite una señal monofónica de los canales izquierdo y derecho (L+R).
- Conector de salute MIDI (MIDI OUT)
Conector de salute del tipo DIN.
Se connecta conOthersdispositivosMIDI(P.87).
- Conector de enlace VISUAL
Cuando se utilizes un cable de enlace digital para conectar la unidad a una consola de mezcla de video PIONEER (conmutador) compatible con el enlace digital, podra controlarse el fundido cruzado de la consola de mezcla de video emploando el fundido cruzado de la DJM-1000.
- Conectores de returno (RETURN 1, 2)
Conectores de salute del tipo Telefonico de 6,3 mm de diametro.
Se conectan a los conectores de entrada de generadores de efectos externos, etc.
Cuando sólo se conecta el canal izquierdo (L), la entrada al canal izquierdo (L) se introducirá al canal derechocho (R).
- Conectores de entrada/salida de enlistace de EFX (EFX 1, 2)
Cuando se employs un cable de enlace digital para conectar launidad a un generator de efectos para DJ PIONEER compatible con el enlace digital (EFX-1000), las conexiones de SEND/RETURN se efectuan digitalmente de una vez, y las functions tales como las de efectos de fundido también se habilitan.
- Conectores de entrada de linea (LINE)
Conectores de nivel de linea del tipo Telefonico de 6,3 mm de diametro. Cuando solo se conecta el canal izquierdo (L), la entrada al canal izquierdo (L) también se introducirá al canal derecho (R).
- Conectores de entrada de enlace de CDJ (SOUND 1, 2)
Cuando se employs un cable de enlace digital para conectar launidad a un reproductor de CD para DJ PIONEER compatible con el enlace digital, las conexiones de audio digital y las conexiones de cables de control se efectuan de una vez, y las functions tales como las de synchronization de BPM también se habilitan.
- Conectores de entrada DIGITAL
Conectores de entrada coaxial digital del tipo RCA.
Se conectan a los connectores de salute coaxial digital del reproductor de CD para DJ, etc.
- Conectores de entrada de micrófono secundario (SUBMIC)
Conectores de entrada de micrófono del tipo Telefonico de 6,3 mm de diametro.
Utilizan los canales 5 y 6 de la DJM-1000 como canales de entrada de micrófono.
- Conectores de CONTROL
Conector de entrada del tipo Telefonico mini de 3,5 mm de diametro para conectar el cable de control al reproductor de CD para DJ. Permite elemploi de la función de fundido de la DJM-1000 para controlar el inizio/parada de un reproductor de CD para DJ conectado.
- Conectores de salute de monitor de cabina (BOOTH)
Conectores de salute del tipo Telefonico de 6,3 mm de diametro para monitor de la cabina. Cambia el volumen con el mando BOOTH MONITOR (LEVEL), sin verse afectado por el fundido MASTER (puesto que la salute es TRS, se soportan lassonianas equilibrada y desequilibrada).
- Conector de calidad digital (DIGITAL OUT)
Conector de salute coaxial digital del tipo RCA.
Salida principal digital.
- Selector de la Frequencia de muestreo (48k/96k)
Selección la fecuencia de muestreo de la calidad digital (96 kHz o 48 kHz).
- Conector de entrada de alimentacion (AC IN)
Se conecta a la toma de corriente de CA con el cable de alimentacion suministrado. 95
Antes de realizar o ALTERAR conexiones, desconnecte la alimentacion y descenthufe el cable de alimentacion del tomacorriente de CA.
CONEXión DEL CABLE DE ALIMENTACION
Conecte el cable de alimentacion enultimate lugar.
- Cuando se han terminado todas las otheras conexiones, enchufe el cable de alimentacion suministrado a la toma de entrada de CA del panel posterior de esta unidad, y enchufe la clavija de alimentacion a una toma de corriente de CA o a un receptaculo de alimentacion auxiliar de un amplificador.
- Asegürese deemployarsolele cabledealimentacionsuministrado.
CONEXión A LOS CONECTORES DE ENTRADA
RePRODUCTOres de CD para DJ PIONEER
Conecte los conectores de calidad de audio del reproductor de CD para DJ a uno de los juegos de conectores de entrada CD/LINE de la DJM-1000, y conecte el cable de control al conector de CONTROL del canal correspondiente. Ponga el selector de entrada del canal conectado en la posicion [CD/LINE].
Cuando emplee conexiones digitales, conecte el conductor de salute coaxial digital a uno de los connectores de entrada DIGITAL de la DJM-1000, yonga el selector de entrada del canal conectado en la posicion [DIGITAL] (no hay connectores de entrada digital para el canal 1 ni para el canal 2).
Giradiscos analógicos
Conecte los cables de calidad de audio del giradiscos analógico a un juego de connectores de entrada PHONO de la DJM-1000, y ponga el selector de entrada del canal conectado en la posición [PHONO]. La entrada PHONO de la DJM-1000 es compatible con capsulas MM. El cable de tierra de un giradiscos analógico se conecta a uno de los externales SIGNAL GND.
Otros dispositivos de salute de nivel de linea
Cuando conecte grabadoras de casete o reproductores de discs CD, conecte los connectores de salute de audio a uno de los connectores de entrada CD/LINE de la DJM-1000, yonga el selector de entrada del canal conectado en la posicion [CD/LINE]. Cuando la clavija de connexion es una clavija Telefonica de 6,3 mm de diametro, conectela a uno de los connectores de entrada LINE de la DJM-1000, yonga el selector de entrada del canal conectado en la posicion [LINE] (no hay connectores de entrada LINE para el canal 5 ni para el canal 6). Cuando solo se conecta el canal izquierdo (L), la entrada al canal izquierdo (L) se introducirá también al canal derecho (R).
Dispositivos de salute digital
Cuando emplee conexiones digitales para dispositivos tales como reproductores de discos CD, conecte el conductor de salute coaxial digital del dispositivo a uno de los connectores de entrada DIGITAL de la DJM-1000, yonga el selector de entrada del canal connectado en la posicion [DIGITAL] (no hay connectores de entrada DIGITAL para el canal 1 ni para el canal 2).

CONEXION A UN GENERADOR DE EFFECTOS Y CONECTORES DE SALIDA
Salida principal
Hay una clavija XLR que corresponde a la salute equilibrada MASTER 1, y una clavija RCA que corresponde a la salute desequilibrada MASTER 2. Ajuste el nivel de salute emploando el mando MASTER ATT. para adaptar la sensibilitidad de entrada del amplificador de potencia conectado.
Salida de monitor de cabina
Es una salute desequilibrada compatible con clavijas Telefonicas de 6,3 mm de diametro. El volumen peut ajustarse con el mando BOOTH MONITOR (LEVEL), sin tener en cuenta el ajuste de fundido MASTER.
Salida de grabación
Son conectores de salute para grabacion, compatibles con clavijas RCA.
Salida digital
Son conectores de salute digital coaxial, compatibles con clavijas RCA. Puede seleccionarse la fecuencia de muestreo (96 kHz/48 kHz) de acuerdo con el dispositivo conectado.
Generador de efectos externo
Emplee un cable con clavijas Telefonicas de 6,3 mm de diametro para connectar los connectores SEND de la consola de mezcla para DJ a los connectores de entrada de un generator de efectos externo. Cuando utilise un generator de efectos de entrada monofónica, connecte sólo la calidad del canal izquierdo (L). De este modo, la seals al audio mezclada de los canales izquierdo/ derechocho (L/R) se enviará al generator de efectos.
Del mesmo modo, emplee un cable con clavijas Telefonicas de 6,3 mm de diametro para connectar los connectores RETURN de la consola de mezcla para DJ a los connectores de calidad del generator de efectos externo. Cuando el generator de efectos soloonga salute monofónica, conecte solo la entrada del canal izquierdo (L). De este modo, la seals del generator de efectos se introducirá en los canales izquierdo/derecho (L/R).

CONECTORES MIDI
MIDI (interfaz digital para instrumentos musicales) es una norma unificada para transmisión de datos entre instrumentos musicales electricos yordenadores.
Los datos mueben transmitsre entre dispositivos con connectores MIDI emploando un cable MIDI.
El DJM-1000能把 transmitir datos de operación a dispositivos MIDI externos employando el protocolo MIDI.
| Control de la DJM-1000 | Código de control MIDI | Nombre de control MIDI | Canal MIDI |
| Operación de fundido cruzado | CC11 | Expresión | 1 |
- Los datos 0-127 MIDI se emiten operando el fundido cruzado.
- Cuando utilise la funciona de enlace visual, no se emitirán los datos MIDI.
CONEXION DE MICROFONOS Y AURICULARES
Auriculares
Pueden connectarseelines auriculares con clavija Telefonica estreero de 6,3 mm de diametro a la toma PHONES del panel de operation (panel superior).
Micrófono principal
Puede connectarse un micrófono con clavija Telefonica de 6,3 mm de diametro o con clavija XLR a la toma MIC del panel de operación (panel superior).
Micrófono secundario
Puede connectarse un micrófono con clavija Telefonica de 6,3 mm de diametro a los connectores de entrada SUBMIC en el canal 5 y canal 6 de la DJM-1000.
Ponga el selector de entrada del canal conectado en la posicion [SUBMIC].

CONEXIONES DE ENLACE DIGITAL
(Incluye conexiones para futuros componentes compatibles con el enlace digital.)

Conectando un solo cable exclusivo (cable de enlace digital), podrá efectuarse digitalmente el intercambio de senales de audio y de senales de control (no esecessaryla conexiónde cables de audio ni de cables de control).
Conector de enlace VISUAL
Cuando se utilizes un cable de enlace digital para conectar launidad a una consola de mezcla de video PIONEER (conmutador) compatible con el enlace digital,oulda operarse lamericano de fundido cruzado de la consola de mezcla de video emploando el fundido cruzado de la DJM-1000. (P.95)
Conectores de entrada/salida de enlace de EFX (EFX 1, 2)
Cuando se employs un cable de enlace digital para conectar launidad a un generator de efectos para DJ PIONEER compatible con el enlace digital (EFX-1000), las connexiones de SEND/RETURN se efectuan digitalmente de una vez, permitiendo de este modo el empleo de las functions de efectos de fundido yrogenas de sincronizacion de BPM cuando se employs las connexiones de enlace sonoro. (P.95)
Conectores de entrada de enlace de CDJ (SOUND 1, 2)
Cuando se Employmenta un cable de enlace digital para conectar launidad a un reproductor de CD para DJ PIONEER compatible con el enlace digital, las conexiones de audio digital y lasmericanas de cables de control se efectuán de una vez, y lasmericanas tales como las de synchronization de BPM también se habilitan. Ajuste el selector de entrada del canal 1 y 2 en [SOUND 1] y [SOUND 2]. (P.95)
Sección de control de entrada del microfondo principal
- Conector de entrada del micrófono principal (MIC)
Sirve para conectar microfonos con conductor del tipo XLR o telefónica.
- Mando de ajuste del nivel del micrófono (MIC LEVEL)
Ajusta el volumen del micrófono principal. (Margen ajustable: - a 0 dB)
- Mando de ajuste del sonido de la gama alta del ecualizador del micrófono (EQ HI)
Ajusta el sonido de gama alta del micrófono principal. (Margen ajustable: -6 dB a +6 dB)
- Mando de ajuste del sonido de la gama bajo del ecualizador del micrófono (EQ LOW)
Ajusta el sonido de gama baja del micrófono principal. (Margen ajustable: -6 dB a +6 dB)
5. Indicador de referencia del micrófono
Se enciende cuando el selector del micrófono se pone en la posición [ON]. Parpadea cuando el selector se pone en la posición [TALK OVER].
6. Selector de referencia del micrófono (MIC) OFF:
No se emite el sonido del micrófono principal. ON:
Se emite el sonido del micrófono principal.
TALK OVER:
Se emite el sonido del micrófono principal. Cuando se introduce un sonido más alto que -15 dB en la entrada del micrófono principal, la funciona TALK OVER se activa y la salute de todo el sonido, con exception del sonido del micrófono principal, se atena 20 dB.
Sección de control de entrada de canales
7. Selector de entrada del canal 1 SOUND 1:
Entrada exclusiva para reproductores de CD para DJ compatibles con el enlace digital (conector mini DIN).
LINE:
Conector del tipo Telefonico (cuando se conecta una seals monofónica sólo al canal izquierdo (L), la seals introduce a los canales izquierdo (L) y derechos (R)).
CD/LINE:
Conector del tipo RCA con entrada de nivel de linea.
PHONO:
Conector del tipo RCA con entrada de nivel de giradiscos.
8. Selector de entrada del canal 2
SOUND 2:
Entrada exclusiva para reproductores de CD para DJ compatibles con el enlace digital (conector mini DIN).
LINE:
Conector del tipo Telefonico (cuando se conecta una seals monofónica sólo al canal izquierdo (L), la seals introduce a los canales izquierdo (L) y derechos (R)).
CD/LINE:
Conector del tipo RCA con entrada de nivel de linea.
PHONO:
Conector del tipo RCA con entrada de nivel de giradiscos.
9. Selector de entrada del canal 3
DIGITAL:
Conector del tipo RCA con entrada digital de cable coaxial.
LINE:
Conector del tipo Telefonico (cuando se conecta una seals monofónica sólo al canal izquierdo (L), la seals introduce a los canales izquierdo (L) y derechos (R)).
CD/LINE:
Conector del tipo RCA con entrada de nivel de linea.
PHONO:
Conector del tipo RCA con entrada de nivel de giradiscos.
10. Selector de entrada del canal 4
DIGITAL:
Conector del tipo RCA para entrada digital de cable coaxial.
LINE:
Conector del tipo Telefonico (cuando se conecta una seals monofónica sólo al canal izquierdo (L), la seals introduce a los canales izquierdo (L) y derechos (R)).
CD/LINE:
Conector del tipo RCA con entrada de nivel de linea.
PHONO:
Conector del tipo RCA con entrada de nivel de giradiscos.
11. Selector de entrada del canal 5
DIGITAL:
Conector del tipo RCA para entrada digital de cable coaxial.
SUBMIC:
Conector del tipo del tipo Telefonico para entrada de micrófono secundario (monofónico).
CD/LINE:
Conector del tipo RCA con entrada de nivel de linea.
PHONO:
Conector del tipo RCA con entrada de nivele de giradiscos.
12. Selector de entrada del canal 6
DIGITAL:
Conector del tipo RCA para entrada digital de cable coaxial.
SUBMIC:
Conector del tipo del tipo Telefonico para entrada de micrófono secundario (monofónico).
CD/LINE:
Conector del tipo RCA con entrada de nivel de linea.
PHONO:
Conector del tipo RCA con entrada de nivel de giradiscos.
13. Mandos de ajuste del niveau de entrada de los canales 1-6 (TRIM)
Ajustan el nivel de entrada de cada canal.
(Marginajustable: - a +9 dB,seaproximaa0dB en el punto intermedio.)
14. Mandos de ajuste del sonido de la gama alta del ecualizador de canales (EQ HI)
Ajustan el sonido de la gama alta de cada canal.
(Margin ajustable: -26 dB a +6 dB)
15. Mandos de ajuste del sonido de la gama media del ecualizador de canales (EQ MID)
Ajustan el sonido de la gama media de cada canal.
(Margin ajustable: -26 dB a +6 dB)
16. Mandos de ajuste del sonido de la gama bajo del ecualizador de canales (EQ LOW)
Ajustan el sonido de la gama baja de cada canal.
(Margin ajustable: -26 dB a +6 dB)
17. Indicadores del nivel del canal
Visualizan el nivel de cada canal. El visualizador proporciona una retencion de picos de 2 segundos.
18. Botón/indicadores de activación de auriculas (CUE)
La fuente seleccionada que deba eschurate con los auriculares se selecciona presionando el botón CUE para RETURN 1, RETURN 2, canales 1-6, o MASTER. Cuando se presionan a la vez various botones, los sonidos del audio selectionado se mezclan. Cuando se presiona de nuevo un botón, se cancela la selección.
Los botones de las fuentes no seleccionadas se encienden con poca intensidad, y los botones de las fuentes seleccionadas se encienden con más intensidad.
Sección de control de fundido
19. Mando de fundido de canal de ajuste de la curva (CURVE ADJUST CH FADER)
Ajusta las caracteristicas de la curva del fundido de canal. (P.93)
20. Mando de fundido cruzado de ajuste de la curva (CURVE ADJUST CROSS FADER)
Ajusta las caracteristicas de la curva del fundido cruzado. (P.93)
21. Interruptores/indicadores de asignación de fundido cruzado (CROSS FADER ASSIGN)
Selección elazo al que dirige la calidad de cada canal del fundido cruzado. (Cuando se han seleccionado various canales en el mesmoazo, lasuma combinada se asigna a esteazo.)
A:
La salute de los canales se dirige al lado A (lado izquierdo) del fundido cruzado. Se encenderá el indicator A.
THRU:
La salute del fundido de canales se dirige a laitters principal sin pagar por el fundido cruzado. Se apagaran los indicadores A y B.
B:
La salute de los canales se dirige al lado B (lado derecho) del fundido cruzado. Se encenderá el indicator B.
22. Indicador de asignacion de fundido cruzado A (A)
Se enciende en naranja cuando la alimentacion está conectada.
23. Control deslizante de fundido cruzado
El audio dirigido al lado A o al lado B con el interruptor CROSS FADER ASSIGN para cada canal se emite de acuerdo con la curva de fundido cruzado ajustada con el mando CURVE ADJUST (CROSS FADER).
24. Indicador de asignacion de fundido cruzado B (B)
Se enciende en verde cuando la alimentacion está conectada.
25. Control deslizante de fundido de canales
Ajusta el volumen de cada canal. (Margen ajustable: - a 0 dB) Emite el sonido de acuerdo con la curva de fundido de canales ajustada con el mando CURVE ADJUST (CH FADER).
Sección de control de salute principal
26. Control deslizante de fundido principal (MASTER)
Ajusta el volumen de la calidad principal.
(Margenajustable: - a0dB)
Ajusta el balance de los canales izquierdo/derecho (L/R) de la calidad principal, la calidad de monitor de la cabina, la calidad de grabacion, y la calidad digital.
28. Indicadores del nivel principal (MASTER LEVEL, L y R)
Visualiza los niveles de salute del canal izquierdo (L) y del derecho (R). Cada segmento proportora una retencion de picos de 2 segundos.
29. Botón/indicador del aislador principal (MASTER ISOLATOR, ON)
Activa y desactiva (ON/OFF) la funciona del aislador principal. La funciona del aislador opera con disrespect a la calidad principal 1, calidad principal 2, calidad de monitor de la cabina, calidad de grabacion y calidad digital.
Se apaga cuando está desactivado (OFF), y se enciende cuando está activado (ON).
30. Mando de ajuste del sonido de la gama alta delaislador principal (MASTER ISOLATOR, HI)
Se exemple paraaabustar el sonido de la gama alta de la senal de salute principal.
(Margenajustable: - a +6 dB)
31. Mando de ajuste del sonido de la gama media del aislador principal (MASTER ISOLATOR, MID)
Seemplea paraajustar el sonido de la gama media de la sealsal de salute principal.
(Margenajustable: - a +6 dB)
32. Mando de ajuste del sonido de la gama bajo del aislador principal (MASTER ISOLATOR, LOW)
Se embarque paraaabustar el sonido de la gama bajo de la senal de salute principal.
(Margenajustable: - a +6 dB)
Sección de control de monitor de la cabina
33. Mando de ajuste del sonido de la gama alta del monitor de la cabina (BOOTH MONITOR, HI)
Se exemple paraaabustar el sonido de la gama alta de la senal de salute del monitor de la cabina.
(Margenajustable: -6dB a +6 dB)
34. Mando de ajuste del sonido de la gama baja del monitor de la cabina (BOOTH MONITOR, LOW)
Se embarca paraaabrear el sonido de la gama bajo de la senal de salute del monitor de la cabina.
(Margenajustable: -6dB a +6 dB)
35. Mando de ajuste del niveau de monitor de la cabina (BOOTH MONITOR LEVEL)
Ajusta el volumen de la calidad de monitor de la cabina.
Puede ajustarse independiente del ajuste del fundido principal.
(Margenajustable: - a0dB)
Sección de calidad de audio
36. Selector de salute de los auriculares (HEADPHONES — MONO SPLIT/STEREO)
MONOSPLIT:
El audio de la fuente seleccionada con el botón CUE de los auriculares se emite por el canal izquierdo, y el audio principal se emite por el canal derecho (sólo cuando se ha seleccióndo MASTER con el botón CUE de los auriculares).
STEREO:
El audio seleccionado se emite en estéreo.
37. Mando de mezcla de auriculares (HEADPHONES MIXING)
Cuando se gira hacía lackecha (dirección de MASTER), se emite el audio de la calidad principal (sólo cuando se ha的选择rado MASTER con el botón CUE de los auriculares); cuando se gira hacía la izquierda (dirección de CUE), la calidad de audio sera una mezcla del sonido del canal selectionado con el botón CUE de los auriculares, y el sonido que proviene del generator de efectos externo (RETURN).
38. Mando de ajuste del niveau de los auriculares (HEADPHONES LEVEL)
Ajusta el volumen de salute del conector de auriculas. (Margen ajustable: - a 0 dB)
39. Toma de auriculares (PHONES)
Sección de envío/returno (SEND/RETURN)
40. Selectores del tipo de envío/returno (SEND/RETURN)
Se emplean paraCambiar entre la etapa de envio (SEND) y la etapa de entrada (RETURN) para las senales cuando se ha connectado un generator de efectos externo (P. 94).

[ Tipo de pre-insertión]

[ Tipo de post-insercción]

[Tipo AUX]
41. Selectores de canal de envío (SEND)
Se embarque para seleccionar el audio de envio desde MIC, los canales 1-6, y MASTER.
42. Mandos de ajuste del niveau de entrada de returno (RETURN, LEVEL)
Ajustan el nivel de la seals returnada.
(Marginajustable: - a +6 dB)
43. Botones/indicadores de envío/returno (SEND/RETURN, ON)
Se emplean para activar/desactivar (ON/OFF) la operation de envio/returno (SEND/RETURN) del tipo seleccionado en el canal selectionado.
Se enciende cuando se inserta una clavija en el conector RETURN, o cuando se connecta un componente compatible con el enlace digital al conector EFX. Si se presiona el botón cuando está encendido, se activa (ON) la funciona y parpadea el indicator. Cuando el indicator está encendido, la seals de entrada al conector RETURN está habilidad. Cuando se connecta un componente de enlace digital al conector EFX, se da prioridad al componente de enlace digital (señal digital).
Sección de activación/desactivación (ON/OFF) de la funciona de enlace
44. Botón/indicador de enlace visual (VISUAL LINK, V)
Cuando se utilizes un cable de enlace digital (conector mini DIN) para conectar una consola de mezcla de video/ commutador PIONEER compatible con el enlace digital,EARá operarse el fundido cruzado de la consola de mezcla de video emploando el fundido cruzado de la DJM-1000. El indicator se enciende cuando se activa la funciona.
45. Botones de enlace de sonido SOUND LINK 1, 2 (SOUND 1, 2)/indicador (S1, 2)
Cuando se employs un enlace digital para conectar estaunidad a un generator de efectos para DJ PIONEER compatible con el enlace digital (EFX-1000), y se conecta también un reproducir de discos CD para DJ PIONEER compatible con el enlace digital a工程技术 del cable de enlace digital (conector mini DIN), al ajustar这些 botones en ON se habilitan las functions de sincronizacion de BPM.
El indicator se enciende cuando se activa la funciona.
46. Botones LINK de enlace de generator de efectos 1, 2 (EFX 1, 2)/indicador (E 1, 2)
Cuando se Employmente un cable de enlace digital (conector mini DIN) para conectar estaunidad a un generator de efectos para DJ PIONEER compatible con el enlace digital (EFX-1000), al ajustar these botones en ON se habilitan las functions de efectos de fundido.
El indicator se enciende cuando se activa la funciona.
Sección de activación/desactivación (ON/OFF) del inicio/parada de fundido
47. Botón/indicadores de inizio con fundido (FADER START CH-1 a CH-6)
Cuando se emplean los interruptores CROSS FADER ASSIGNN para cada canal con el fin de selectionar [A] o [B], se activa/desactiva (ON/OFF) la funciona de inicio/parada de fundido cruzado de la consola de reproductor de CD para DJ de tal canal.
Cuando se selección [THRU] con el interruptor CROSS FADER ASSIGN para cada canal, se activa/desactiva (ON/OFF) la funciona de inizio/parada de fundido de canales de la consola de reproductor de CD para DJ de tal canal.
El botón de cada canal se enciende cuando se activa (ON) la funciona de inicio/parada de fundido, y se apaga cuando se desactiva (OFF) la funciona de inicio/parada de fundido.
OPERACIONES
OPERACIONES BASICAS

- Ponga el interruptor POWER, situado en el panel posterior (panel de conexiones), en la posición ON.
- Ajuste los selectores de entrada para los canales realizados a los dispositivos conectados a这些东西 canales.
- Emplee el mando TRIM para ajustar el nivel de entrada.
- Ajuste el tono empleando los mandos EQ (HI, MID, LOW).
- Ajuste el volumen del canal con el control deslizante de fundido de canales.
-
Cuando dese see utilizes el fundido cruzado entre canales, emplee el interruptor CROSS FADER ASSIGN para seleccionar el canal [A] o el canal [B] del fundido cruzado, y opere el fundido cruzado.
-
Cuando no emplee el fundido cruzado, seleccione [THRU] con los interruptores CROSS FADER ASSIGN.
-
Cuando utilise el aislador,pongá el botón MASTER ISOLATOR en la posición ON,y ajuste el nivel de cada ancho de banda con losmandos MASTER ISOLATOR (HI, MID, LOW).
- El botón MASTER ISOLATOR se encenderá cuando se active (ON).
- Emplee el control deslizante de fundido MASTER para ajustar el volumen general, y ajuste el balance del volumen de los canales izquierdo yaretho empleando el mando MASTER BALANCE.
[Entrada de micrófono principal]
- Cuando emplee el micrófono principal, ajuste el selector MIC en [ON] o ajustelo en [TALK OVER].
- Cuando seAJusta en [TALK OVER],se atena uen 20 dB la salute de todo el sonido, con exception del sonido del micrófono principal, cuando se introduce un sonido mas alto que -15dB en la entrada del micrófono principal.
- Ajuste el volumen con el mando MIC LEVEL, y ajuste el tono con los mandos MIC EQ (HI, LOW).
[Salida de monitor de cabina]
- Ajuste el volumen con el mando BOOTH MONITOR (LEVEL).
- El volumen puede ajustarse con el mando BOOTH MONITOR (LEVEL), sin tener en cuenta el ajuste del control deslizante de fundido MASTER.
- Ajuste el tono emploando el mando BOOTH MONITOR (HI "sonido de gama alta") y el mando BOOTH MONITOR (LOW "sonido de gama baja").
[Salida de auriculares]
- Selecciona la fuente con el boton CUE de los auriculares (canales 1-6, MASTER, RETURN 1, RETURN 2).
-
E botón CUE de los auriculares selecciónados se encenderá con intensidad.
-
Emplee el selector HEADPHONES (MONO SPLIT/STEREO) para seleccionar el formatting de la calidad de audio.
-
Cuando se selección [MONO SPLIT], el audio selectionado con el botón CUE se emitirá por el canal izquierdo, y el audio principal (habilitado sólo cuando se ha activado (ON) el botón CUE para MASTER) se emitirá por el canal derecho.
-
Cuando se selección [STEREO], el audio selecciónado con el botón CUE se emitirá en estéreo.
-
Cuando se selección [MONO SPLIT], emplee el mando HEADPHONES (MIXING) para ajustar el balance del canal izquierdo (seLECTIONado con el botón CUE de los auriculares), y del canal derecho (audio principal soportado sólo cuando se ha activado (ON) el botón CUE de los auriculares para MASTER).
-
Cuando se gira hacía la derecha (dirección de MASTER), se emitirá la calidad principal (sólo cuando el botón CUE para MASTER está activado (ON)), y cuando se gire hacía la izquierda (dirección de CUE) se emitirá el audio seleccióndo con el botón CUE.
-
Ajuste el volumen de los auriculares con el mando HEADPHONES (LEVEL).
AJUSTES DE LA CURVA DE FUNDIDO
Permiten el ajuste de las caracteristicas de cambio de volumen del sonido correspondientes al movimiento de operacion del fundido.
■ Gire el mando CURVE ADJUST (CH FADER), y ajuste las caracteristicas de la curva del fundido de canales.
- Cuando se gira Completely能做到 la derecha, al incrementar el fundido se cambiará el volumen casi de forma lineal (equivalente a la curva B).
- Cuando se gira Completely hacer la izquierda, la curva del volumen cambiará de modo que el volumen del sonido;aumente lentamente hasta que el fundido suba casi por completo.
- La curva de todos los canales 1-6 cambiará al mesmo tiempo.

■ Gire el mando CURVE ADJUST (CROSS FADER), y ajuste las caracteristicas de la curva del fundido cruzado.
- Cuando se gira por Completely hacer la derecha, el fundido cruzado pasado a ser una curva de subida Pronunciada en la que elmovement del fundido desde ellado causa la aparicio instantanea del sonido en el lado opuesto.
- Cuando se gira por Completely hacer la izquierda, el fundido cruzado para ser una curva de cambio de volumen casi lineal.
- Ambas curvas del lado A y B cambiarán a la vez.

FUNCION DE INICIO CON FUNDIDO
Empleando un cable de control para conectar launidad a un reproductor de discs CD PIONEER optional, la reproduccion del reproductor de CDoulda iniciarse con las functions de fundido de canales o de fundido cruzado (si se efectua una connexion de enlace digital, no seranecessaryoemployarun cable ofcontrol). Laencion de pausa del reproductor de CDse cancela cuando semueve el control deslizante del fundido de canales o el control deslizante del fundido cruzado de la consola de mezcla, y la reproduccion de la pista se inicia instantanamente de forma automatica. Adiconvalmente, hacero volver el fundido a su posicion anterior, la reproduccion del reproductor de CDcoulde hacerse retroceder al punto de localizacion (localizacion regresiva), para poder efectuar la reproduccion como un muestreador.
[Reproducción de inicio con fundido cruzado y reproducción con localización regresiva]
Durante el estado de esper del punto de localización en el reproductor de CD asignado al canal A del fundido cruzado, al mover el control deslizante de fundido cruzado desde el lado derecho (lado B) al lado izquierdo (lado A), se inicia la reproduccion en el reproductor de CD connectado al canal A. Cuando el control deslizante de fundido cruzado隐身 al lado izquierdo (lado A),el reproductor de CD asignado al canal B efectuara la localizacion regresa (returno al punto de localizacion).Durante el modo de esper del punto de localizacion en el reproductor de CD asignado al canal B, al mover el control deslizante de fundido cruzado desde el lado izquierdo (lado A) al lado derecho (lado B),se inicia la reproduccion en el reproductor de CD asignado al canal B. Cuando el control deslizante de fundido cruzado隐身 al lado derecho (lado B),el reproductor de CD asignado al canal A efectuara la localizacion regresa.
- La localización regresiva se realizará también el selector de entrada no está ajustado en [CD/LINE].
![PIONEER DJM-1000 - [Reproducción de inicio con fundido cruzado y reproducción con localización regresiva] - 1](/content/2019/11/118581/images/270e44b91587098b4724e9137bcbaa899a633c0b9b6e987ae2c4bc75aed53056.jpg)
Generador de efectos externo
[Inicio de la reproduccion con fundido de canales]
① Presione el boton FADER START para el canal (canales 1 a 6) conectado al reproductor de CD que deseee controlar.
- El botón del canal selecciónado se encenderá.
② Mueva el control deslizante de fundido de canales a la posicion [0].
③ Ajuste un punto de localización en el reproductor de CD, y establishzcalo en el estado de espera en el punto de localización.
- Si ya se ha ajustado un punto de localización, no estánecessaryajustar el reproductor de CD en el estado deespera en el punto de localización.
(4) Mueva el control deslizante de fundido de canales en el momento deseado para iniciar la reproduccion.
- El reproductor de CD inicia la reproduccion.
- Después de haberse inicialdo la reproduccion, al hacer retroceder el control deslizante de fundido de canales a [0], el reproductor de CD vuelve al punto de localizacion y se establace en el mode de espera (localizacion regresiva).
* El fundido se habilita para el controlsoleo cuando se ajusta el interruptor CROSS FADER ASSIGN en [THRU].
94
Sp
[Inicio de la reproduccion con fundido de cruzado]
Presione el botón FADER START para el canal (canales 1 a 6) conectado al reproductor de CD que deseee controlar.
- El botón del canal selección de se encenderá.
2 Ajuste el interruptor CROSS FADER ASSIGN del canal selectionado en [A] o en [B].
- Cuando está asignado al canal A (lado izquierdo) del fundido cruzado, ajustelo en [A].
- Cuando está asignado al canal B (lado derecho) del fundido cruzado, ajustelo en [B].
3 Mueva el control deslizante de fundido cruzado al máximo hacía elazo opuesto al del canal por el que usted deseee empezar.
4 Ajuste un punto de localización en el reproductor de CD, y establishalo en el estado de espera en el punto de localización.
- Si ya se ha ajustado un punto de localización, no seranecessaryajustar el reproductor de CD en el estado deespera en el punto de localización.
5 Mueva el control deslizante de fundido cruzado en elmomento deseado para iniciar la reproduccion.
- El reproductor de CD inicia la reproduccion.
-
Después de haberse iniciado la reproducción, al mover el control deslizante de fundido cruzado hasta el final, el reproductor de CD asignado al lado opuesto volverá al punto de localización y se establishé en el modo de espera (localización regresiva).
-
Es possible que la funciona de inizio con fundido no funciona correctamente cuando se hace sólo las conexiones digitales. En este caso, conecte también los connectores analógicos del reproductor de discos CD.
EMPLEO DE GENERADOS DES EFFECTOS EXTERNOS
Puede conectarse dos generadores de efectos si asie se desea.
- Emplee el selector de canales SEND para selectionar la fuente que deba enviarse al generator de efectos.
- Selezione entre [MIC], canales [1]-[6], o [MASTER].
- Emplee el selector SEND/RETURN para selectionar la etapa al que se haya conectado el generator de efectos.
- Cuando el canal de envío se ajusta a [MIC], sólo se habilita la conmutación de [INSERT] y [AUX] desde el本身就是 punto para [PRE] y [POST].Cuando se ajusta el canal de envío a [MASTER], sólo se habilita [INSERT].
PRE INSERT:
Salida del ecualizador, enviada antes del fundido de canales, y returnada al mesmo punto.
POST INSERT:
Salida de fundido de canales, enviada antes del fundido cruzado, y returnada al mesmo punto.
AUX:
Salida de fundido de canales, enviada antes de la asignación del fundido cruzado y returnada al punto anterior del fundido principal, y bajoañadida arialquier或其他salida.El sonido original que se ha enviado también pasado por el fundido cruzado asignado y seañadirá.
3. Active (ON) el botón SEND/RETURN.
-
Parpadea el botón SEND/RETURN.
-
Ajuste el volumen de RETURN con el mando RETURN (LEVEL).
| Posición Fuente | PRE POST AUX INSERT | PRE POST AUX INSERT | PRE POST AUX INSERT |
| MIC | INSERT | AUX | |
| CH-1 — CH-6 | PRE | POST | AUX |
| MASTER | INSERT | ||

FUNCION DE ENLACE DIGITAL
Diagrama del sistema de enlace

Conexiones del enlace digital para el EFX-1000
Emplee un cable de enlace digital para conectar un generator de efectos para DJ PIONEER (EFX-1000) a los conectores EFX 1 o 2 de estaunidad.
Este enlace proportora una connexion digital de alta fidadelidad y permite elempleo de las functions de efectos del EFX-1000.
Las operaciones deundyes de la connexion son las mismas que para el "EMPLEO DE GENERADOS DES EFFECTOS EXTERNOS" (P. 94). Si se conectan simultaneamente los connectores SEND/ RETURN (cable de clavija Telefonica), la connexion de entrada/ calidad de entrada del EFX (a工程技术 of the ENLACE digital) obtiene automatistically prioridad.
Para Obtener más información sobre los ajustes, consulte el manual de instrucciones del EFX-1000.
Enlace de efectos de fundido (enlace de EFX)
Cuando se han efectuado las conexiones arriba descritas, al mover el control deslizante de fundido de canales se producen los mismos efectos que cuando se opera el mando de lanzadora digital del EFX-1000.
- Ajuste en ON la interrupción de mando de lanzadora digital del EFX-1000.
- Emplee los selectores de canal SEND para selectionar el canal que deba utiliser para los efectos de fundido (puede selectionarse los canales [1]-[6]).
-
Ajuste en ON los botones LINK del generator de efectos (EFX 1, 2).
-
Se encenderan los botones LINK del generator de efectos.
Note: El volumen del sonido para el canal seleccionado pasado a ser el本身就是 que el que se ha ajustado con el fundido de canales máximo; como resultado, deben efectuar su seleccion antes de haber seleccionado el nivel de sonido producido cuando se ajusta el fundido de canales al máximo. - Active (ON) el botón SEND/RETURN.
- Parpadearé el botón SEND/RETURN.
- Opere el fundido para el canal seleccionado.
- El medidor de interruptor de mando de lanzadora digital del EFX-1000 y el sonido cambiarán como respuesta a la posición del fundido de canales.
- Cuando se cambia el ajuste del selector de canal SEND, se Cancela el enlace de efectos de fundido, y se apaga el indicator del botón LINK del generator de efectos.
Conexiones de enlace digital para el reproductor de discos CD para DJ de enlace digital
Puede utiliser un cable de enlace digital para conectar un reproductor de discos CD para DJ con enlace digital a los
conectores SOUND 1, 2 de esta unidad.
Este enlace proportiona una connexion digital de alta fidelidad para mezcla sonidos del reproductor de discos CD para DJ.
La funciona de inizio con fondido también se habilita mediante este.Unico enlace digital.
Enlace de BPM (enlace de sonido)
Cuando se emplea un cable de enlace digital para conectar un reproductor de CD para DJ compatible a los connectores SOUND 1 o 2, y se conecta el generator de efectos para DJ EFX-1000 a工程技术 del cable de enlace digital a los connectores EFX 1 o 2, los efectos podra anadirse con un calor de BPM más precojo medido con el reproductor de CD para DJ.

Transformación visual (enlace visual)
Cuando se emplea un cable de enlace digital para conectar el connector VISUAL de la consola de mezcla para DJ a una consola de mezcla audiovisual compatible con el enlace digital (y con la direccion de enlace digital habitada), el fundido cruzado de la consola de mezcla audiovisual podrá moverse automatistically enlazado con el fundido cruzado de la consola de mezcla para DJ, permitiendo de este modo modificar al mesmo tiempo el audio y el video.

SOLUTION DE PROBLEMAS
Las operaciones incorrectas suelen confundirse como averías y problemas de configuración. Siusted cree que hay algo que no funciona bien en este componente, disfruebe los+puntos seguidentes. A vez el problema reside en otro componente. Por lo tanto, disfruebe también los other aparatos electricos que estéutilizando.
Si el problema no pueda resolverarse despues de haber verificado los+puntossiguientes,pongase encontacto con su distribuidor o con el centro de serviceo的技术ico PIONEER que le quede masoca.
| Síntoma | Causa posible | Contramedida |
| No se conecta la alimentación. | • No se ha enchufado el cable de la alimentación. | • Enchufe el cable a una toma de corriente. |
| El sonido es bajo o inaudible. | • El selector de entrada está en una posición incorrecta. • No se ha connectado correctamente el cable de conexión o se ha desconnectado. • El connector o la clavija está sucios. • El ajuste del mando MASTER ATT. del panel posterior es demasiado bajo [−12 dB], etc.). | • Selección el dispositivo que estáactualmente en reproducción Employmente el selector de entrada. • Conéctelo correctamente. • Límpielos y vuélvalos a conectar. • Ajuste el mando MASTER ATT. del panel posterior. |
| El sonido sale distorsionado. | • El nivel de salute principal es demasiado alto. • El nivel de entrada es demasiado alto. | • Ajuste el mando MASTER ATT. del panel posterior. • Ajuste el mando TRIM para que el nivel de entrada se acerque a 0 dB en los indicadores CHANNEL LEVEL. |
| No pueda efectuarse el fundido cruzado. | • El ajuste del interruptor CROSS FADER ASSIGN ([A], [THRU], [B]) es Incorrecto. | • Ajuste el interruptor CROSS FADER ASSIGN del canal deseado para efectuarcorrectamente el fundido cruzado. |
| No pueda inciarse con fundido el reproductor de CD. | • El interruptor de inizio con fundido estádesactivado (OFF). • No se ha connectado el connector delCONTROL del reproductor del panelposterior. | • Active (ON) el interruptor de inizio confundido. • Emcee el cable de control para conectarlaunidad y el reproductor de CD. |
| El sonido del generator de efectos externo sale distorsionado. | • El nivel de entrada del generador deeffectos externo es demasiado alto. | • Reduzca el nivel de salute del generator deeffectos externo, o ajuste el nivel de returnon con el mando RETURN (LEVEL). |
| El generator de efectos externo no funciona. | • Se apaga el botón SEND/RETURN. • El inventor de efectos no estáconnectado al connector RETURN oconectar EFX del panel posterior. • El ajuste del selector de canales SEND estrroroneo. | • Active (ON) el botón SEND/RETURN. • Conecte el inventor de efectos al inventorSEND/RETURN o conectores EFX 1 o EFX 2 del panel posterior. • Selección la fuente a la que desear aplicarlos efectos con el selector de canales SEND. |
| La funciona de enlace no funciona. | • No se ha connectado un dispositivo compatible con el enlace digital a losconectores de enlace digital (EFX 1, EFX2, SOUND 1, SOUND 2, VISUAL) delpanel posterior. | • Emcee un cable de enlace digital paraconectar la DJM-1000 a un dispositivo quesea compatible. |
La electricidad estática u otheri interferencias externas pueen afectar negativamente el functiacion de la unidad. Para restablecer el functiacion normal, apague la alimentacion y vuelva a encenderla.
Compruebe los elementos siguientes si la connexion del enlace no se establiece correctamente:
| Indicadores de precaución | Significado | Contramedida |
| Cada indicator de enlace parpadea dos veces. | Hay componentes que no son compatibles conectados a los connectores de entrada/salida de enlace. | Compruebe las conexiones de los connectores de entrada/salida de enlace. |
| Cada indicator de enlace parpadea tres vezes. | Los connectores de enlace de una DJM-1000 se han-connectado juntos, o los connectores de enlace de dos DJM-1000 se hanconductado juntos. | Compruebe las conexiones. |
| Cada indicator de enlace parpadea cuatro vezes. | Ha occurred un error de communicatoraciones en los connectores de entrada/salida de enlace. | Compruebe las conexiones y los cables de conexión. |
ESPECIFICACIONES
1. Especillasiones generales
Tensión de alimentación 220-240 V CA, 50/60 Hz
Consumo de energia 62 W
Temperatura de funciona +5 °C a +35°C
Humedad de functionamento 5% al 85% (sin condensacion)
Peso 12,1 kg
Dimensiones externas. 482 (An) x 363,5 (Prf) x 187,5 (Al) mm
2. Sección de audio
Frecuencia de muestreo. 96 kHz
Convertor A/D, D/A 24 bits
Respuesta en Frequencia 20 Hz a 20 kHz
Relación de postal/ruido (a escalá completa)
LINE 104 dB
PHONO 88 dB
MIC 84 dB
Distorsión (LINE-MASTER1) 0,005 %
Altura libre 19 dB
Nivel de entrada
PHONO. -52 dBu (47 kΩ)
MIC, SUBMIC. -52 dBu (3 kΩ)
CD/LINE, LINE -12 dBu (22 kΩ)
RETURN -12 dBu (22 kΩ)
Nivel de salute
MASTER1 +2 dBu (600Ω)
MASTER2 +2 dBu (10 kΩ)
REC -8 dBu (10 kΩ)
BOOTH +2 dBu (600 Ω)
SEND -12 dBu (10 kΩ)
PHONES +8,5 dBu (32 Ω)
Diafonia (LINE) 88 dB
Canales 6
Ecuador de canales
HI -26 dB a +6 dB (13 kHz)
MID -26 dB a +6 dB (1 kHz)
LOW. -26 dB a +6 dB (70 Hz)
Ecuador de micrófono
HI -6 dB a +6 dB (10 kHz)
LOW. -6 dB a +6 dB (100 Hz)
Ecuador del monitor de cabina
HI -6 dB a +6 dB (10 kHz)
LOW. -6 dB a +6 dB (100 Hz)
3. Conectores de entrada y calidad
Conectores de entrada PHONO
Conectores de calidad REC
Conectores de enlace digital (EFX 1, 2, SOUND 1, 2, VISUAL)
Mini DIN 5
Conector MIDI OUT
DIN de 5 patillas. 1
4. Accesorios
Manual de instrucciones 1
Cable de alimentacion 1
Con fines de mejor del producto, las specifications y el Diseño está susketos a Cambios sin previo aviso.
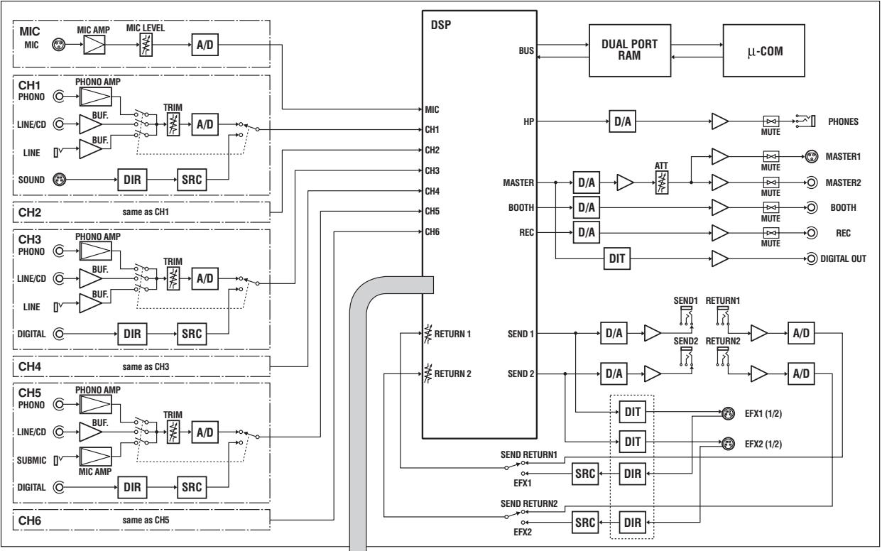
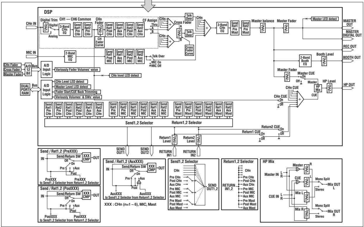
BLOCK DIAGRAM / SCHEME DE CÂBLAGE / BLOCKSCHALTBILD / DIAGRAMMA A BLOCCHI / BLOKSCHEMA / DIAGRAMA EN BLOQUES


ManualFacil