LHM1011 - Electric winch Ferm - Free user manual and instructions
Find the device manual for free LHM1011 Ferm in PDF.
Frequently Asked Questions - LHM1011 Ferm
User questions about LHM1011 Ferm
0 question about this device. Answer the ones you know or ask your own.
Ask a new question about this device
Download the instructions for your Electric winch in PDF format for free! Find your manual LHM1011 - Ferm and take your electronic device back in hand. On this page are published all the documents necessary for the use of your device. LHM1011 by Ferm.
USER MANUAL LHM1011 Ferm
Protecting grade IP54
Group of mechanisms M1
The numbers in the following text correspond with the pictures at page 2 - 4.

Read this operators guide carefully, before using the machine. Ensure that you know how the machine works, and how it should be operated. Maintain the machine in accordance with the instructions, and make certain that the machine functions correctly. Keep this operator's guide and other enclosed documentation with the machine.
Intended use
The electric lever hoist is an ideal appliance in your garage or shed for hoisting all kinds of loads.
Be aware: This machine is only for domestic use.
Improper use:
Do not use outside (tool is not weatherproof)
This machine cannot be used for the industry.
Do not hoist people or animals.
Contents
- Machine data
- Safety instructions
- Installation
- Use
- Service & maintenance
1. Machine data
Technical specification
Voltage 230 V, 50 Hz
Input power 500 W
*Work rate S3 20% - 10 min
Rated load 125kg (without pulley)
250 kg (with pulley)
Lifting height 12m (without pulley)
6m (with pulley)
Lifting speed 8m/min (without pulley)
4m/min (with pulley)
Cable diameter 3.0 mm
Resister cable ≥ 1870N / mm
Cable length 12 m
Weight 10.5 kg
Current 2.2 A
Insulation grade B
^*S3 = intermittent operation.
During a period of 10 minutes, the machine may run max. 20% (2.0 min.)
Contents of packing
1 Electric lever hoist
1 Pulley + coupling
Brackets + bolts
1 Instruction manual
1 Safety instructions
1 Warranty card
Check the machinesk loose parts and accessories for transport damage.
Features
Fig. 1
- Bracket
- Down limit pole
- Lever automatic stop
- Limit block
5.Drum - Steel cable
- Hook
- Mains cable
- Remote control
- Push button
- (Emergency) stop button
- Motor
2. Safety instructions
List of symbols

Danger of bodily injury or material damage.

Keep bystanders at a distance.

Immediately unplug the plug from the mains electricity in the case that the cord gets damaged and during maintenance.
When using electric machines always observe the safety regulations applicable in your country to reduce the risk of fire, electric shock and personal injury.
Read the following safety instructions and also the enclosed safety instructions.
- Always check that the voltage corresponds to the voltage on the rating plate. In case the mains voltage is not suitable they should be checked by a skilled electrician.
- Your socket plug must be grounded and your electric system must be supplied with an earth leakage circuit breaker.
- Keep children and other unauthorized persons away from the machine.
- Protect the machine from frost and low temperatures.
- In case the machine cannot hoist a load, do not keep pressing the hoisting pushbutton, to avoid damaging the machine. It means that the load exceeds the machine maximum capacity.
- The machine shall not be disassembled when running or connected to power.
- The machine shall not be operated when it is raining or storming.

Do not stand under hoisted weights!
- Before starting the work, make sure that the steel cable is correctly winded around the reel and the pitch is equal to the cable diameter (Fig. 2).

Observe the maximum load indicated on the hoist, not that on the hook!
- Do not lift loads bigger than the rated load of the hoist.
- Leave at least three turns of cable around the reel, so that the cable connection is not under stress.
- If the red cable appears do not continue to unroll it.
- To avoid any danger, do not wind more than 15m of cable around the reel.
- In case the steel cable is worn out, it must be replaced only with a cable of same features manufactured by us. It can be found at all authorized service shops.
- Before starting the work, check that switches are in good operating conditions.
-
In case the hoist stops during the lowering of a load, it is normal that the load goes down a few millimeters more because of the inertial force.
-
Never pull or push laterally the cable or the load.
- Transport of people with the hoist is forbidden.
- Avoid switch-on / switch-off quickly sequences.
- Wear gloves during transport.

Attention! The hoist electric motor is not supplied with any mechanical overload cut-out (to avoid an unexpected and unwanted restart). Therefore, if you are unable to hoist a load, do not insist and let the motor cool down.
3. Installation
Mounting
Fig. 4
The hoist is provided with a bracket system which allows holding rectangular beams. The beam dimensions must be in accordance with the distance between the hoist and the hinge and the load to be hoisted. We recommend contacting a skilled technician for help and checking the solidity of the beam construction. The bolts must be properly tightened. Before the start-up a skilled technician should check that the support and the coupling of the hoist are well sized.
Pulley block
Fig. 5 + 6
The lever hoist is provided with an extra pulley and hook. When used correctly, the machine can hoist double load. Assemble the pulley with help of the bolts as shown in the picture. Tighten the two bolts completely, and then unscrew them for of turn.
The fixed hook on the machine can be attached on the cover: there is a special hole for that purpose. The load is now lifted with help of 2 steel cables: the machine can hoist a double load.
4. Use

Remove the adhesive tape from the cable reel before using the machine.

Secure the load carefully to the lever hoist.

Do not lift loads bigger then the rated load of the hoist.
Start
Fig. 1 + 7
- Check if the (emergency) stop switch (11) is not pressed. Turn the red stop switch clockwise to engage.
- Press the push button (10) to lift the load.
- Press the push button (10) to lower the load.
When the hoist is almost in top position, the limit block (4) will move the lever (3) upwards. A switch on the motor is now engaged and the motor will stop running.
When the hoist is almost in low position (about two turns of cable around the drum), the down limit pole (2) will move. A switch on the motor is now engaged and the motor will stop running.
Stop
When the push button (10) is not pressed, the machine will stop. In case of an emergency, immediately press the red stop switch (11) to stop the machine. Operating the machine is not possible when this red switch is pressed.
5. Service & maintenance

Always make sure that the machine is not connected to the mains electricity when you carry out any maintenance of the mechanism.
Machines are designed to function for a long time without any problems with a minimum of maintenance. By cleaning the machine regularly and using it in the correct way you can contribute to a long life of your machine.
Periodically check that the steel cable is in good condition.
- Check that the screws securing the brackets and pulley are well tightened.
Periodically check that that stop switch and push button panel are in good operating conditions.
- For extraordinary maintenance contact an authorized service center.
Troubleshooting
1. The machine does not work when pressing the push button.
- The electric cord is damaged or unplugged.
- Check the connections.
- The overload cut-out has tripped.
- Check the fuse box of your electric system.
- During storage the brake sticks.
- Keep operating the push button for a while until the brake releases.
2. The hoist cannot lift anymore.
- The electric motor is overheated.
- Let the motor cool down.
- The load exceeds the hoist capacity.
- Reduce the load to be lifted.
3. The brake does not operate; the load tends to slip.
-
Brake is worn out.
-
Contact an authorized service centre to repair the brake.
4. The steel cable is warped.
See Fig. 3.
- Contact an authorized service centre to replace the steel cable.

Repairs and servicing should only be carried out by a qualified technician or service firm.
Cleaning
Clean the machine housing regularly with a soft cloth, preferably after each time you use the machine. Make sure that the ventilation slots are free of dust and dirt. For stubborn dirt use a soft cloth dampened with soapy water. Never use solvents such as benzene, alcohol, ammonia, etc. These types of solvents can damage the plastic parts.
Lubrication
The machine does not need any extra lubrication.
Faults
Should a fault occur, e.g. after wear of a part, please contact the service address on the warranty card. In the back of this manual you find an exploded view showing the parts that can be ordered.
Environment
To prevent damage during transport, the appliance is delivered in a solid packaging which consists largely of reusable material. Therefore please make use of options for recycling the packaging.

Faulty and/or discarded electrical or electronic apparatus have to be collected at the appropriate recycling locations.
Only for EC countries
Do not dispose of power tools into domestic waste. According to the European Guideline 2012/19/EU for Waste Electrical and Electronic Equipment and its implementation into national right, power tools that are no longer usable must be collected separately and disposed of in an environmentally friendly way.
Warranty
For the warranty conditions read the warranty card at the back of these instructions for use.
ELEKTRISCHER HEBELAUFZUG 500W,250 KG
Utilisation abusive:
Specifications techniques
Tension 230 V, 50 Hz
Alimentation 500 W
Bne3Ha MOKHOCT 500 W
*Pa60TeH yUHHOK S3 20% - 10 min
KanaunTeHa noDurahe 125kg (6e3 MaKapa)
250 kg (co Makapa)
BncnHa Ha noDnrahe 12m (6e3 MaKapa)
6m (co Makapa)
Bp3nHa Ha noDurahe 8m/min (6eMaKapa)
4m/min (co Makapa)
PpeuHnKa jaKe 3.0 mm
JaokT Ha jaxeTo ≥ 1870N / mm
ДолхиHa KaбелOT 12m
TeKHa 10.5 kg
Jaunha Ha ctpya 2.2A
CTeENHa n30Jaunja B
*S3 = pa60Ta co npekHH.
3aВрemeHa nepnoD on 10 min, MaunHaTa MoKe Da pa6oTu max. 20% (2.0 min.)
CoDpxHa Ha nkyBaHeTo
1 EneKtpuHa dIgralka
1 MaKapa + cnojka
Hocau+3aBpTkn
1 YnataCTBO 3a paKyBaHe
1 Ynata 3a 6e36eHNOCT
1 RapaTHa KapTuUka
PpOBepTe ja MaunHaTa,OTCTeHnatte DeNoBn np6bOpT da He ce OwTeTeHn ptn TpaHCnopt.
KapakTepnKu
Cn. 1
- Hocay
2.「pahnHnHK 3a noBpaTHO DnHexHe - loct 3a aBtOMaTcKo cOnnpaHbe
4.ГранчehблOK
5.Баразан - Yelenyuho jaxe
- 3akaayka
- Hanoen ka6eI
9.ДалунскуynpaByBaHe - Konue 3a npntnckahe
- (ITHO) cTOn konue
- Motop
2. B3EEDHOCHN YNATCTBA
JnctaHa Cm60nn

Onachocm od melechu nopeu unu owmemyeahe Ha Mamepujan.

Pnucymnu nua da 6udam odaeneenu.

Bednau u3eJeeme 20 Ka6enom od cmpya 8o cnuyaj da ce owmemun unu 3a epe Me Ha oDpxyBaHe.
Pn KOpncTeHe Ha eJekTpnuHm MaunHn NoHTyBaJte n636eHOnCHne npabnla BO
BaWata 3emja, 3a Da rHamaJIte pN3IKOT Odo noXap, cTpyeH yIap n Nobpeu.
IpouHTajTe rCneHnTe 6e36eHnCHy naTCTBa n npInIOxKeHnTe 6e36eHnCHy naTCTBa.
CekoraunnpoBepybaTe daHn HanoHOT Ha HanojyBaHeTo OndroBapa Ha HabedeHnOT HANOHa IIoukata.Bo cIyaj Da He OndroBapa MpeXnOHT HAnOH,Ke Tpe6a Da ce npOBepn OD CTpHaHa CTpyeH eJIeKtpuap.
- PpuknyHncaTa Mopa da 6nde 3a3emjeHa n eJektpnHnOT CnCTeM Mopa da 6nde nCnpaah Co 3a3emjeH ocNrgypBaq.
- Deua n npucyTHn Iuca da 6nDat noaeneky Od MaunHaTa.
3aunTeTe ja MaunHaTa OJ Kopo3nJa N OJ HnCKn TEMepaTpyn.
Bo cnuyaj MaunHaT a He noDnra TObap, He ro npntnckajTe KOnYeTo 3a noDnraHe, 3a Da He ja OWTeTIne MaunHata. Toa 3NaHn DeKa TOBapOT Ro HAdMnHaJ KanauTeTOT Ha NoDnraHe.
MaunHaTa He Cmee Da ce demoHTnpa Kora pa60Tu nn Kora e npKnyeHa BO cTpyja.
MaunhaTa He cMee da pa6oTu Kora BpHe nn rpmn.

He cmoume ucnod noduzhamuom moep!
- Ппед понуваье са рбота, увepete ce Deka челочно щаж e правлино hamotah Okoly Ma Kapataи.Yekopot e edHaKOB Ha npechNKOT ha jaЖeTo (Cn.2).

Ha6bIydy8ajme 20 MaKcumannHou mOeap O3HaueHn Ha duZankama, a He Ha 3akaayankama!
He noindrajte noronem TOBAP oKanaunTeTOT Ha dngarakata.
- Octabete Hajmaiky Tpu HABNBKN OJ jaxeTo OKony Makapata, Taka jaxeTo da He e noD CTpec.
Ako ce nojabu cpgbeHo jaxe, He npoJOnjyBajTe da ro OndMoTyBaTe.
3a da ce n36eHne 6nIO KaKBa onaCHOCT, He HamotyBajTe NOBeKe od 15 m jaKe oKOJy makapata.
Ako e jaxeTo nCTpoWeHo, Mopa da ce 3aMeHn CO HOBO, CO nCTn KapaKTepuCTnKn Ha jaXe
npoun3BeJeHO kaj Hac.Toa moKe da ce Hajde BO CNTe OBnlaCTeHN cepBnCHN npOdaBHnCn.
- Ppei noHyBaHBe co pa60Ta, npoBepeTe n npeknHyBaHTe, daHc Ce BO do6pa pa60Tha cocToj6a.
-Дигалкata MoKe Да ce conupa BO TeKOT Ha cnyuTahbeTo Ha TOBapOT,3aUTo e HopMaIHO TOBAPOT Da OAn HAOJy HeKOJIky MUNIMetprn NOBeKe,napuHepunjalna Cnla.
HnkoraaJa He ro BneyeTe uNn CTpaHnHo npNTnCKaTe jaxeTo uNn TObapOT.
TpaHcnpT Ha lyfe co dIraJIkaTa e 3a6paHET. - N36eHnYBaJTe 6p3n BkIyUyBaHa nNCKIyUyBaHa.
Hocete paKaBnUz 3a BpeMe Ha TpaHCnpTnpaHe.

BHumaHue! EneKmpuHuom Momop Ha duzankama He e cHa6deH co npekuHyBaay 3a MexaHuyko npeonmoabapybahe (3a da ce u36eHe HeoeykaHo u HecakaHO pecmapupaBe).Iopadu moa,ako He cme 80 cocmo6a da noduzame moap, He unhcumupajme u u3naDeme zo MOMopom.
3. NOCTABYBAHbE
MOHTAXA
Cn. 4
Диогankata e onpeMeHa co HoceyKn CnCTeM KOJ OBO3MOKByBa HOceHBe Ha npaBoaRoiHN CHONOB.ДIMeH3NITE Ha ChONOT MopaaT Da 6iDaT BO corIacHOCT co pactoJaHneTo NOMEy Dnrgankata n 3aKaayankata n TOBAPOT KoJ ce NOInra.ПрелорapuYbame DA KOHTaKTnpaTe KBaINΦNYBaH TexHnUap 3a NOMOИnpOBepka Ha jaKoCTa Ha KOHcTpPyKUnjata.3aBPTKite MopaaT Da 6iDaT npabUNHo cTERHaTn.ПpeI noHyBaHe, KBaINΦNYBaH TexHnUap Tpe6a Da ro npOBepn HOceHbeto n CnojyBaHbeto Ha Dnrigankata.
Makapa
Cπ.5+6
Iirrakata e onpeMeHa co donoHnTeJHa MaKapa n 3aKaayka. Kora ce Kopuctn npabnHo, MaunHaTAMOKe Da noDnRhe DBOeH TOBap. MoHTnpajTe ja MaKapata co nomow Ha 3aBpTKn, KaKO wTo e npKaKaHO Ha cnHKata.CTeReHeTe rN DBete 3aBpTKn KOJIky MoKeTe, a nOToa OTCTeHETe rN.
ФИКСНАТаЗачанka може да ce npицВрсн ha KaNAKOT: NOCTOINOCe6an OTBOP 3a Taa HAmEuHa. ToBapOT Ke ce NOДnra co NOMoW Ha 2 YeHnHy jaXnBa: MaUInHaTa Ke moxe da NOДnra DBOeH TOBap.
4. KOPNCTEbe

Omcpanheme ja neuama nehma od Hamomahomo jaxe, nped Kopucmehe Ha mawuHama.

BhumamEnHo ocuaypajme 2o moapom Ha duzankama.

He noduzajme nozolonem moep od kanaumemom ha duazankama.
NohyBaHe
Cπ.1+7
- PpOBepTe Da He e npTnChat (NTeH) CTOn npeKInHyBaU (11). CbptTe ro CpBeHNOT CTOn npeKInHyBaU HaDecHO, 3a Da ce BKnyuN.
- PnTnCHeTe ro KOnYeTo ▲ (10) 3a noDnraHBe Ha ToBap.
- PnTnucHeTe ro konueTo (10) 3a cnuyTaHb e Ha TOBap.
Kora e ToBapot peuNCn BO rOpHa nOIOx6a, rpaHnUHnot 6nok (4) Ke ro nomeCTn NocTOT (3) Harope. IpeKInHyBaUOT Ha MOTOPe Ce aKtNBupa n MOTOPe Ce nCKNpyu.
Kora TObApOT e peuNC BO DOJHa NOJox6a (OKOy DBe HAMOTyBaHa Ha jaKeTo OKOy 6apabahot), Ke ce 3aDbNkN DoJHnOT rpaHnueH loCT (2). IpeKnHyBaOT Ha MOTOp Ke ce aKTbBupa N MOTOpT Ke ce ncknyu.
COnpahe
Kora He e npitncHaTo konheTo (10), MaunHaTa Ke ce conpe. Bo nTHn cnyan, npitncHete ro cpBeHNOT cTOn peknHyBaU (11) 3a da ce conpe MaunHaTa. PaKyBaHe co MaunHaTa He e MoXHo Kora e npitncHaT pBeHNOT peknHyBaU.
5. CEPBNC I ODPXyBAHbE

Maunama He cmee da e noep3aHa Ha
eIekmpuHa Mpeka Kozaj
odpxyame.
MaunHaT e KOHCTpynpaHa da fynKuOnHpa DoIro BpeMe 6e3 npoblemn, co MmHmAnHo OdpXyBaHe. Co peoBHO uCTeBe n cPiPaBHO KOpNCTeHe, MoKeTe Da npDoHeceTe 3a DOJIr BEK Ha MaunHaTa.
- Повремно поверура差别 ja coctoj6aTa ha Челочanto jakе.
- Поверете дади ce CTeHataN 3aBpTknte kon ro 06e36eYbaat Hocayot makapata.
- Повремно поверете ja сoctojbata ha CTOnп配电инваочиnpNTCHATA nOVA.
3a BOHpeIHO OndpKyBaHe o6paTeCe BO OBlaCTe H cepBnC.
DepeKTaKa
1. MaunHaTa He pa6oTu Kora e npNTuChaTo npNTuCHOTO konue.
EneKtpnHnoT ka6e ne oWTeTeH nIN NCKnyueH.
PpOBepeTe ro npKnyyBaHbTo.
- AktuBupaHo e nckJyUyBaHbTeTo oD, npeonTepetyBaHbe.
- PpOBepTe rN OcHpyBaUHTe OD BaUNOT eNEKtpuueh CnCTEm.
- CoNipaKaTa ocTaHyBa aKTbBupaHa.
- PnTncHeTe ro HeKoJkyNaTn npTncHOTOKOue,doKeHa He ce OTnyuTn connpaKaTa.
2.Диогалкata He MoKe Da noDnra.
- PerpeahemOTopoT.
Octabete ro MOTOPOT da ce n3naIaI.
ToBapOT ro HaDMnHyBa KaNaCuITeTOT Ha DnIraNkata. - HamaJIeTe ro TObApOT KoJ ro NoIraTe
3. ConnpaKaTa He pa6OTn; TOBapO T ce cnyuSha.
- Connpaqukata enctpoweha.
- OśpaTeTe ce BO oblaCTeH cepBnC 3a nonpaBaHbe Ha CoNIPAyKaT.
4. YenHoto jaxe ycykaHo.
Budn cI.3.
- OśpaTeTe Ce BO OBJIaCTeH cepBnC 3a
N3MeHa Ha YeJIuHHTO jaXe.

NonpaKume u cepucupaHem mpe6a da zu u3eoyea camo keanuukyaHo nuue unu cepeuc.
UcTeHe
PeIOBHO YIcTeTe rO KyKuIITeTo Ha MaUHHaTa CO MeKaHa KpNa, NO MOXHOCT IocJIe CEKoe KOpIcTeHe.
OTBOPHTe 3a BEHTINaCnJa da 6nDaT OcNo6oDeHn OD npaunHa n HeuNCTOTnJa. OTCTpaHeTe ja TBpDOKOPHaT a HeuNCTOTnJa co MeKaHa KpNa, HATONEHa BO canyHnca. HNKORAaH He KopNCTeTe pactBOPyBaUn KaO uTo e 6eH3n, anKoxon, AMOHjaK mTH. Obue pactBOPyBaUn MoXaT da rN OwTeTAT PnactUHnTe DeNoBn.
POnMaUkyBaHbe
MaunHaTa He Tpe6a dononHnTeHNo da ce IOnMaUkyBa.
OTka3N
Ako ce cnyu OTka3, Hnp. npaun TpoweHe Ha den, obpatete ce Ha aepcaTa Ha cepBucot od rapaHTHaT a KapTuKa. Ha no3aHnata Ha yntCTBOBo Ke HajTe EKcno3nOHeH npereed co npkaxaHn DeNoBn KOJ MoKat da ce Hapaaat.
KuBoTHa cpeDnHa
3a da ce cnpeu OwTeYBaHe 3a BpeMe Ha TpaHcnpToT, ypeDoT ce nCnopaUyBa BO TBpdo NaKyBaHe KOe ce cocToN oM MaTePnJaN 3a eHOKpaTHa yNoTpe6a. 3aToa Be MoNIme da rN KOpNCtnte ONUnITE 3a peuKlnpaHe Ha am6anaXata.

DepekmHu u/unn omphieneHu ekempuHu unu enekmpoHcku anapamu mpe6a da ce cobupaam Ha coodbemHu nokauu 3a peuknupahe.
Cama 3a 3emjno EY
He n deNoHnpajte aanaTne BO domaWeH OTnad. CnopeE BpOncKTo YnataCTBO 2012/19/EU 3a OTnadHa eNekTpnuHa n eNekTpOncKa onPema HcROBaTa NMJIeMeHTaunJa BO HaUNoHJIHOT O npaBo, eNekTpnuHnTe aAnTu KOn BeKe He ce yNtpeBnBuM opaat Da ce coBnpaAT OndenHO N da Ce otCTpaHyBaAT Ha ekONoWKn HauHn.
Tapaanju
3a rapaHTHnTe ycNoBn npouHTajTe ja rapaHTHaTakapTnUka BO 3aHnOT dEo yNaTCTBOBO.

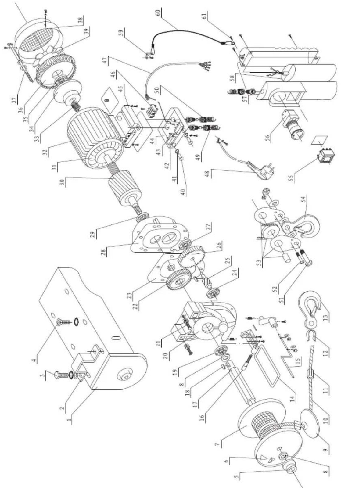
Spare parts list
LHM1011
| Art. no. Description Position no. | |
| 400462 Mounting bracket screws set 3(x4) + 4(x2) | |
| 409740 Mounting bracket 2 | |
| 400461 Key for cable 6 | |
| 400463 Cable+hook 9 TILL 13 | |
| 400464 Endstop bracket 14 + 16 | |
| 400471 Down limit pole complete 15 | |
| 806203 Bearing 6203 zz 19 | |
| 806201 Bearing 6201 zz 24 | |
| 400466 Motor cover 38 | |
| 400465 Cooling fan 39 | |
| 400467 Connection box (new model) 40 TILL 46 + 48 TILL 50 | |
| 400460 Moving pulley with hook 51 TILL 54 | |
| 400459 Switch 55 | |
| 400468 Remote control 55 TILL 58 + 47 | |
| 400469 Capacitor 14.5 + 3 uF 58 |

Exploded view
CE
DECLARATION OF CONFORMITY LHM1011 - ELECTRIC LEVER HOIST
(EN) We declare under our sole responsibility that this product is in conformity with directive 2011/65/EU of the European parliament and of the council of 8 June on the restriction of the use of certain hazardous substances in electrical and electronic equipment is in conformity and accordance with the following standards and regulations:
(DE) Der Hersteller erklärt eigenverantwortlich, dass这点 Produkt der Direktive 2011/65/EU des Europäischen Parlaments und des Rats vom 8. Juni 2011 über die Einschränkung der Anwendung von bestimmten gefährlichen Stoffen in elektrischen und elektronischen Geräten entspricht. den folgenden Standards und Vorschriften entspricht:
(NL) Wij verwlaren onder once volgede verantwoordelijheid dat dit product voldoet aan de conform Richtlij 2011/65/EU van het Europees Parlement en die Raad van 8 Juni 2011 betreffende beperking van het gebuik in van bepaalde gevaarlijke stoffen in elektrische en elektronische apparatuur en overeenstemming is met de volgende standardaen reguleringen:
(FR) Nous déclarons sous notre seule responsabilité que ce produit est conforme aux standards et directives suivants: est conforme à la Directive 2011/65/EU du Parlement Européen et du Conseil du 8 juin 2011 concernant la limitation d'usage de certaines substances dangereuses dans l'équipment électrique et électronique.
(ES) Declaramos bajo esta exclusiva responsabilidad que este producto cumple con las siguientes normas y estandares de configuraciono: se enquirya conforme con la Directiva 2011/65/UE del Parliamento Europeo y del Consejo de 8 de junio de 2011 sobre la restriccion del uso de determinadas sustancias peligrosas en los equipos electricos y electronicos.
(PT) Declaramos por esta total responsabilità-de que este produit está em conformidade e cumpe as nomas e regulamentaoes que se seguem: está em conformidade com a Direcva 2011/65/EU do Parliamento Europeu e com o Conselho de 8 de Junho de 2011 no que respeita a restricao de utilização de determinadas substancias perigosas existentes em equipamento eletrico e electrónico.
(II) Dichiariamo, sotto la nostra responsabilità, che questo prodotto è conforme alla normative e ai regolamenti segunti: è conforme alla Diretta 2011/65/UE del Parliamente Europeo e del Consiglio dell'8 giugno 2011 sulla limitazione dell'uso di determinate sostanze pericolose nelle apparentechiature eletriche ed ellettroniche.
(SV) Vi garanterar p eget ansvar attenna produkt uppfyller och foljer fojande standarder och bestammelser: uppfyller direktiv 2011/65/EU fran Europeiska parliamentent et cH EG-radet fran den 8 Juni 2011 om begransningen av anvandning av farla substanser i elektrisk och elektronik ulutrustning.
(FI) Vakuutamme yksinomaan omalla vastuillamme, etta tama teutayttaa seuraavat standardit ja saadokset: tayttae Euroopan parlementin ja neuvoston 8. kasakuta 2011 paivatyn direktivin 2011/65/EU vaatimukset koskien vaarallisten aineiden kayton rajaotista sahko- je elektronissisa latteissa.
(NO) Vi erklærer und vart eget ansvar at dette prodktet er i samsvar med folgende standarder og regler: er i samsvar med EU-direktivet 2011/85/EU fra Europa-parliamentenet og Europa-radet, pr. 8 Juni 2011, om begrensning i brumen av visse farlige stoffer i elektrisk og elektronisk ulstyr.
(DA) Vi erkräner under egel ansvar, at dette produit er i overensstemmelse med følgende standarder og bestemmelser: er i overensstemmelse med direktiv 2011/65/EU fra Europa-Parliamentet og Rådet af 8. Juni 2011 om begrænsing af anwendelsen af visse farlige stoffer i elektrisk og elektronisk udstyr.
(HU) Felelossaggink teljes tudataban kijelentjuk, hogy ez a termek teljes mertekben megfefel az alabbi szabvanyoknak es eliorasoknak: je v souladu se smernici 2011/65/EU Evropskeho parlamentu a Rady EU ze dne 8. cervna 2011, ktera se tykå amezeni pouziti urciti nebezpecnych latek v elektrickych a elektronickych zarizenich.
(CS) Na nasi vlastni zodpovednost prohlasujeme, ze je tento vyrobek v souladus nasludujicimi standarda y nomami: Je v sulade s normou 2011/65/EU Europskeho parlementu a Rady z 8. juna 2011 tykajucej sa obmedzenia pouzivania uritichy nebepezechny latick v elektrikkom a elektronikom vybaveni.
(SK) Vyhlasujemne na nasu vyhradnú zodovovednost,Že tento vyrobok je v zhode a suliade n nasledujucimi nomami a predisimi: Je v suliade s normou 2011/65/EU Europskeho parlementa a Rady z 8. juna 2011 tykajucej sa obmedzenia pouzivania urcitych nebezepechnych latk v elektrikkom a elektronickom vybaveni.
(SL) S polno odgovornstjo izjavlamo, da je tizdelek v skladu in da odgovarja naslednjin standardom terpredispom:je v skladu z direktvo 2011/65/EU Evropskega para-menta in Sveta z dne 8. juni 2011 o omejevanju uporabe dolocenih nevarim hsnovi v elektrici n in elektronski upremi.
(PL) Deklarujemy na wlasna odpowiedzialnosc, ze ten produkt speltnia wymogi zawarte w nastepujiacych normach i przypeisach: jest zgodny z Dyrektwy 2011/65/EU Parla- mentu Europejskiego i Rady z dnia 8 czerwca 2011 r. w sprawie agricanzenia stosowania niedtorych niebepeznych substanci w sprezie elektrycznym i elektronicznym.
(LT) Prisiimdami visa atsakomybe deklarojuoame, kad sis gaminys attinka zemiau paminétus standartus arba nuostatus: attingka 2011 m. birzeiio 8 d. Europos Parliamento ir Tarybos direktyva 2011/65/EB del tam tikru pavojingu medziagu naudojoim elektros ir elektroninéje irangoje apriboimo.
(LV) Ir atblistosa Eiropas Parliamenta un Padomes 2011. gada 8, jünija Direktivai 2011/65/ES par dazu bistamu vieu izmantošanas ierobezošanu elektriskās un elektronikas ekjartās.
(ET) Agpalvojam arvisu atibildtu, ka sis produits irsaskaa un atibst sekojsiem standartiem un nolikumemi: ir atibsto6a Eiropas Parliamenta un Padomes 2011. gada 8. junja Direktivai 2011/65/ES par dazu blastmu viu izmantoisan ierobezoisane elektriskas un elektroniskas iekartas.
(RO) Declarām prin aceasta cu rāspunderea deplina cà produsul acesta esté in conformitate cu urmatoarede standarda seu directive: este en conformitate con Directiva 2011/65/UE a Parliamentului Europeano.si a Consiliului din 8 iunie 2011 cu privire la interzecerea utilizesi anumitor substante periculoae la chipplementele electricle si electronicer.
(HR) Izjavljemo pod vlastitom odgovroMsu da je strojem ukladan sa slijedešim standardima ill standardiziranim dokumentima i u skladu sa odredbama: usklaDENs Dektivom 2011/65/EU europskog parliamenta i vija izdanom 8. lipna 2011. oografienu koristenia odreedeni opasnih vari u elektronici je elektronickoj opremi.
(SRL)Pod punom odgovronscu izjavljume da je usaglasen sa sledecim standardima ili normama: usaglasen sa direktivom 2011/65/EU Evropskog parlamenta i Saveta od 8.juna.2011. godine za restrkciju upotrebe odredenih opasnih materija u elektricnoj i elektronskoi upremi.
(RO) NIO CBOO OTBCTBEHOHCTB 3AEBNREM, YTO DAHNOE IEDINE COOTBECTBYET CNEIyDIOUM CTANDAPTAM IN HOPMAM. COOTBECTYET P360BAHWM DnpeKTNbI 2011/65/EU EBponeckoro napnameHTa IN cOBETA ot 8 NHOHA 2011.r no ORPAHCHENH KIOINb3OBAHN ONPDEENHEBIX ONAPcHb BIECECTB 3JNEKTPWNECKOM INIKETPOHHOM OOBOPDHYAM
(UK) Na CbO BnAch yIbnOaBnIbHcT 3aBRIHMe, OZ aHaDe 6bNaHnHnB iDnOBiAdae HACTYNM CTaNATNAM I HOPMATBAM: 3aQoBNbHRe BMON DInepHTbM 2011/65/ EC Cbponehckoro NaplameHy Ta PaDN bIe 8bpeHN 2011 pOKy Ha o6mEkeHH NIKOPCTAHNe DeaMX He63neHnHX peoBH N EeKTPnHOMy Ta eKeKTPOHOMy 6bndAHHJI.
EL Anwouue utuuvua oto Tpoioov auto uupuvi KaTpeu Tucpapatu kavovpuocu taupotua: ouupagpvetae tye Onyia 2011/85/EE to Eupwraikou KvoBouluoi ka TouuBouluoi ts Bng laivouio 2011 vay trekopiao ts xipans opiaevv etikivvovu ouvce ae nkekpiko knaekpovika eoTAmiaq.
EN14492-2, EN55014-1, EN55014-2, EN60204-32, EN610003-2, EN61000-3-3
2006/42/EC, 2014/30/EU, 2011/65/EU, 2012/19/EU
Zwolle, 01-03-2019
H.G.F Rosberg
CEO FERM
FERM - Lingenstraat 6 - 8028 PM - Zwolle - The Netherlands
EasyManual