FUGB50000 - Door/window sensor ABUS - Free user manual and instructions
Find the device manual for free FUGB50000 ABUS in PDF.
Frequently Asked Questions - FUGB50000 ABUS
Download the instructions for your Door/window sensor in PDF format for free! Find your manual FUGB50000 - ABUS and take your electronic device back in hand. On this page are published all the documents necessary for the use of your device. FUGB50000 by ABUS.
USER MANUAL FUGB50000 ABUS
natural_image
White cylindrical device with a black circular button and a small red button on the side (no text or symbols visible)[EN] Wireless glass breakage detector
text_image
Diagram of a device panel with labeled components including buttons, connectors, and a U-shaped componentnatural_image
Simple line drawing of a door with handle and seat, no text or symbols presentEinlernen
Wireless glass breakage detector

natural_image
White cylindrical device with a circular button and a small orange button on the side (no text or symbols visible)[DE] Secvest Funk-Glasbruchmelder [EN] Wireless glass breakage detector
Many thanks for your purchase of this wireless glass breakage detector. In choosing our product, you now have a piece of equipment that is built according to state-of-the-art technology.
This product complies with current domestic and European regulations. Conformity has been proven, and all related certifications are available from the manufacturer on request.
To maintain this status and to guarantee safe operation, it is your obligation to observe these operating instructions! In the event of questions, please contact your local specialist dealer.
![ABUS FUGB50000 - [DE] Secvest Funk-Glasbruchmelder [EN] Wireless glass breakage detector - 1](/content/2026/02/413183/images/c580b164603bea982b5aadb85ed0aa30472976b052522e4f61c83f8fbd4118ec.jpg)
Pay attention to the notes and instructions in these operating instructions! If you do not follow these instructions, your guarantee claim becomes invalid! No liability can be accepted for resulting damages!
No part of the product may be changed or modified in any way.
Introduction
The FUGB50000 wireless glass breakage detector is an acoustic device used for the wireless monitoring of glass windows and doors. The noise made in the monitored room
by broken glass is detected by the FUGB50000. The maximum distance to the monitored window pane is 6 metres. The detector is equipped with a wall and cover tamper contact.
Safety information
Battery warning!
The device is supplied with direct current from a 3 V lithium battery. To guarantee a long working life and avoid fire and injury, please note the following:
- Do not dispose of the battery in domestic waste.
- The battery must not be directly exposed to heat or sunlight, and must not be stored in a place with a very high temperature.
- The battery must not be burned.
- The battery must not come into contact with water.
- The battery must not be dismantled, pierced or otherwise damaged.
- The battery contacts must not be short-circuited.
- The battery must be kept away from small children.
- The battery cannot be recharged.
Caution!
Improper or careless installation work may lead to misinterpretation of signals. This could result in false alarms. The costs resulting from the deployment of emergency services (e.g. fire or police) are borne by the operator of the equipment.
Scope of delivery
Wireless glass breakage detector
2 x wall plugs (6x20 mm)
2 x screws (3x22 mm)
1 x CR2 battery
Multilingual instructions
Technical data
| Environment class | I |
| Security level | 2 (EN50131-3) |
| Microphone | Omnidirectional |
| Detection area | < 6 m |
| Operating temperature | -10 °C to +55 °C |
| Humidity | < 85% relative humidity |
| Dimensions | 80 x 108 x 43 mm (HxWxD) |
| Weight | 140 g |
| HF immunity | 10 V/m |
| Power supply | 3.0 V DC (lithium CR2 battery) |
| “Low battery” error message | < 2.4 V |
| Frequency | 868.6625 MHz |
| HF transmission power | 10 mW (antenna input) |
| Tamper monitoring | Yes |
| Supervision monitoring | Every 4 minutes |
| Housing material | ABS |
Subject to alterations and errors.
Position
The detector has a sensor that monitors the entire room (360°), though it should not directly face the area to be monitored. It is designed for installation on walls and ceilings.
Ideally, the detector should be installed on the wall opposite the window. The ceiling or side walls are also suitable locations.
The best position is approx. 2-3 metres from the window pane. Maintain a distance of at least 1.2 metres to other sources of noise (TV, radio, doors etc.) to avoid possible false alarms. The maximum distance to the window pane is 6 metres. For security glass (class A1 to A3, EH01), the distance must not exceed 3.65 metres.

text_image
3-6 m 3-6 mThe sensor must NOT be attached in the following locations:
• In rooms with interior window blinds
- In rooms with sound insulation or sound absorbing curtains
• In the corner of a room
- In glass air-locks, loud kitchens, garages, workshops, staircases, bathrooms or other small, loud rooms
- In damp rooms
- Next to or on large metal structures. Less than one metre away from power lines and metal, water and gas pipes. Less than two metres away from fluorescent lamps. Inside steel cases. Next to electrical devices, especially computers, photocopiers or communication devices. Note: Wireless conditions and malfunctions can change over time, meaning no guarantees can be given for a specific transmission range.
Installation
- Open the housing by pressing the side of the detector base and removing the cover.
- Attach the base to the desired position on the wall or ceiling.
- Insert the enclosed 3 V CR2 lithium battery correctly.
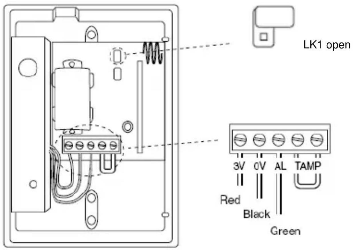
- To deactivate the internal LED, connect the jumper on contact LK3 on one pin only.
- If the green cable is connected to the screw clamp block contact marked “Alarm”, jumper contact LK1 must be open.
- When connecting the detector, ensure that the tamper contact is correctly positioned.

text_image
Diagram of a device panel with numbered components and labeled parts1 Jumper connection LK3 – learn LED on/off
2 Jumper connection LK1 – swap inputs
3 Hole
4 Battery
5 Hole
6 Tamper switch

text_image
LK1 open 3V 0V AL TAMP Red Black Green
natural_image
Simple line drawing of a cabinet or enclosure with two doors and a shaded base (no text or symbols)Training
-
Set the wireless alarm system / wireless receiver to learning mode. See the receiver instructions for more details.
-
Wireless variations:
Activate the tamper contact of the wireless glass breakage detector to send a tamper message to the wireless alarm system.
IR variation:
Point the LED of the glass breakage detector at the IR receiver of the wireless extension (RFX). Trigger the tamper contact of the glass breakage detector.
- Make sure that the glass breakage detector is recognised by your wireless alarm system / wireless receiver, then close the housing.
Walk test
- Switch the alarm system to walk test mode (see the relevant installation instructions).
- Test whether the detector and the LED are working by clapping loudly. The LED flashes twice.
-
Use a glass breakage simulator to check the response of the detector. The LED lights up for a few seconds. The detector now sends an alarm signal to the alarm centre.
-
Open the housing. The detector now sends a tamper signal to the alarm centre.
Idle time
The default idle time of the detector is set to one minute. This function works as follows:
- The detector recognises a noise and sends a signal to the centre. The idle time now begins. The LED flashes once per second in this time.
- When the idle time has expired, the detector can then detect the next noise and send a signal to the centre.
Information on device disposal

The EU Directive 2012/19/EU regulates the proper return, treatment and recycling of used electronic devices. This symbol means that in the interest of environmental protection the device must be disposed of separately from household or industrial waste at the end of its service life in accordance with applicable local legal guidelines. Disposing of used devices can be done at official re-cycling centers in your country. Obey local regulations when disposing of material. Further details on returns (also for non-European countries) can be obtained at your local authority. Separate collection and recycling saves natural resources and ensures that all the pro-visions for protecting health and environment are observed when recycling the product.
Declaration of Conformity
Hereby, ABUS Security-Center GmbH & Co. KG declares that the radio equipment type FUGB50000 is in compliance with Directive 2014/53/EU. The full text of the EU declaration of conformity is available at the following internet address: www.abus.com >> Search >> FUGB50000 >> Downloads
The Declaration of Conformity can also be obtained from the following address:
natural_image
White rectangular electronic device with a circular button and a small metallic connector (no visible text or symbols)[DE] Secvest Funk-Glasbruchmelder [EN] Wireless glass breakage detector
text_image
3-6 m 3-6 mtext_image
Diagram of a device panel with numbered components and labeled partsnatural_image
Simple line drawing of a cabinet or enclosure with two handles and a shaded base (no text or symbols)Apprentissage
natural_image
White cylindrical device with a circular button and a small orange button on the side (no text or symbols visible)text_image
3-6 m 3-6 mtext_image
Diagram of a device panel with labeled components including buttons, connectors, and a U-shaped componentnatural_image
Simple line drawing of a cabinet or enclosure with two doors and a shaded base (no text or symbols)Apprendimento
natural_image
White cylindrical device with a circular button and a small orange button on the side (no text or symbols visible)text_image
3-6 m 3-6 mDe melder mag NIET aangebracht worden:
text_image
Diagram of a device panel with labeled components and internal componentsnatural_image
Simple line drawing of a door with handle and seat, no text or symbols presentInlezen
natural_image
White cylindrical device with a circular button and a small orange button on the side (no text or symbols visible)[DE] Secvest Funk-Glasbruchmelder [EN] Wireless glass breakage detector [FR] Détecteur de bris de glace radio [IT] Radiorilevatore rottura vetri [NL] Draadloze glasbreukmelder [DK] Trådløs glasbrudsdetektor
Forord
Kære kunde.
text_image
3-6 m 3-6 mMelderen må IKKE placeres:
text_image
Diagram of a device panel with numbered components and labeled parts1 Jumpertilslutning LK3 – indlærings-LED til/fra
2 Jumpertilslutning LK1 – ombytning af indgange
3 Hul
4 Batteri
5 Hul
6 Sabotagekontakt

text_image
LK1 åben 3V 0V AL TAMP Red Black Green
natural_image
Simple line drawing of a cabinet or enclosure with two doors and a shaded base (no text or symbols)Indlæring
Linker Kreuthweg 5, 86444 Affing, Germany
EasyManual