LI 12TU - Wasserpumpe DIMPLEX - Kostenlose Bedienungsanleitung
Finden Sie kostenlos die Bedienungsanleitung des Geräts LI 12TU DIMPLEX als PDF.
Häufig gestellte Fragen - LI 12TU DIMPLEX
Laden Sie die Anleitung für Ihr Wasserpumpe kostenlos im PDF-Format! Finden Sie Ihr Handbuch LI 12TU - DIMPLEX und nehmen Sie Ihr elektronisches Gerät wieder in die Hand. Auf dieser Seite sind alle Dokumente veröffentlicht, die für die Verwendung Ihres Geräts notwendig sind. LI 12TU von der Marke DIMPLEX.
BEDIENUNGSANLEITUNG LI 12TU DIMPLEX
Montage- und Gebrauchsanweisung
Luft-WasserWärmpumpe für Innenaufstellung
1Bitte sofort lesen . DE-2
1.1 Wichtige Hinweise DE-2
1.2 Bestimmungsgemäßer Gebrauch DE-2
1.3 Gesetzliche Vorschriften und Richtlinien.. DE-2
1.4 Energiesparende Handhabung der Wärmepumpe DE-3
2 Verwendungszweck der Wärmepumpe DE-3
2.1 Anwendungsbereich DE-3
2.2Arbeitsweise.. DE-3
2.3 Funktionsbeschreibung integrierte Wärmemengenzahlung DE-3
3 Lieferumfang. DE-4
3.1 Grundgerät DE-4
3.2 Schaltkasten . DE-4
3.3 Beipack DE-4
4 Zubehor DE-5
4.1 Fernbedierung .DE-5
4.2 Gebäudeleittechnik DE-5
5 Transport. DE-5
6 Aufstellung. DE-6
6.1 Allgemein DE-6
6.2 Kondensatleitung.. DE-6
6.3 Schall. DE-6
7 Montage. DE-6
7.1 Allgemein DE-6
7.2 Luftanschluss DE-7
7.3 Heizungsseitiger Anschluss.. DE-8
7.4 Temperaturfuhler . DE-8
7.5 Elektrischer Anschluss DE-10
8 Inbetriebnahme DE-11
8.1 Allgemein DE-11
8.2 Vorbereitung DE-11
8.3 Vorgehensweise DE-11
9 Reinigung / Pflege DE-12
9.1 Pflege DE-12
9.2 Reinigung Heizungsseite DE-12
9.3 Reinigung Luftseite DE-12
10 Störungen / Fehlersuche. DE-12
11 AuBerbetriebnahme / Entsorgung. DE-12
12 Geräteinformation. DE-13
13 Produktinformationen gemäß Verordnung (EU) Nr.813/2013, Anhang II, Tabelle 2 DE-15
14 Garantieurkunde. DE-17
Anhang / Appendix / Annexes A-1
Maßbilder / Dimension Drawings / Schémas cotés A-II
Diagramme / Diagrams / Diagrammes. A-IV
Stromlaufpläne / Circuit Diagrams / Schémas électriques. A-VII
Hydraulische Einbindungsschema / Hydraulic integration diagram / Schema d'intégration hydraulique A-XIV
Konformitätserklarung / Declaration of Conformity / Declaration de conformité ............ A-XVI
1 Bitte sofort lesen
1.1 Wichtige Hinweise
ACHTUNG!
Für den Betrieb und die Wartung einer Wärmpumpe sind die rechtlichen Anforderungen des Landes einzuhalten, in dem die Wärmpumpe betrieben wird. Je nach Kätemittelfullmenge ist die Dichtheit der Wärmpumpe in regelmäßigen Abständen durch entsprechend geschultes Personal zu überprüfen und zu protokollieren.
ACHTUNG!
Die WärmepumpearfobemTransportnurbis zu einer Neigungvon 45^ (in jederRichtung)gekipptwerden.
ACHTUNG!
Vor der Inbetriebnahme ist die Transportsicherung zu entfern.
ACHTUNG!
Der Ansaug- und Ausblasbereicharfndichteingeengtoder zugestelltdwerden.
ACHTUNG!
Die Wärmepumpearf nur mit angebauten Luftkanalen betrieben werden.
ACHTUNG!
Bei vollentsalztem Wasser ist darauf zu achten, dass der minimal zulässige pH-Wert von 7,5 (minimal zulässiger Wert für Kupfer) nicht untersritten wird. Eine Unterschreitung kann zur Zerstörung der Wärmpumpe führen.
ACHTUNG!
Rechtsdrehfeld beachtens: Bei falscher Verdraughtung wird das Anlaufen der Wärmpumpe verhindert. Ein entsprechender Warnhinweis wird im Wärmpumpenmanager angezeigt (Verdraughtung anpassen).
ACHTUNG!
Es ist nicht zulässig über einen Relaisausgang mehr als eine elektronisch geregelte Umwälzpumpe zu schalten.
ACHTUNG!
Ein Betrieb der Systemtemperatureen Wärmpumpe mit niedrigeren kann zum Totalausfall der Wärmpumpe führen.
ACHTUNG!
Der eingebaute Schmutzfänger ist in regelmäßigen Abständen zu reinigen.
ACHTUNG!
Vor Offnen des Gerätes ist sicherzustellen, dass alle Stromkreise spannungsfrei geschalte sind.
ACHTUNG!
Arbeiten an der Wärmepumpe)dürfen nur vom autorisierten und sachkundigen Kundendienst durchgeführt werden.
1.2 Bestimmungsgemäßer Gebrauch
Dieses Gerät ist nur für den vom Hersteller vorgesehenen Verwendungszweck freiogegeben. Ein anderer oder darüber hinaus gehender Gebrauch gilt als nicht bestimmungsgemäß. Dazu zählt auch die Beachtung der zugehörgen Projektierungsunterlagen. Änderungen oder Umbauten am Gerät sind zu unterlassen.
1.3 Gesetzliche Vorschriften und Richtlinien
These Wärmepumpe ist gemäß Anteil 1, Abschnitt 2 k) der EU-Richtlinie 2006/42/EG (Maschinenrichtlinie) für den Gebrauch im hauslichen Umfeld bestimmt und unterliegt damit den Anforderungen der EU-Richtlinie 2014/35/EU (Niederspannungsrichtlinie). Sie ist damit ebenfalls für die Benutzung durch Laien zur Beheziehung von Läden, Büros und anderen ähnlichen Arbeitsumgebungen, von landwirtschaftlichen Betrieben und von Hotels, Pensionen und ähnlichen oder anderen Wohneinrichtungen vorgesehen.
Bei der Konstruktion und Ausführung der Wärmpumpe wurden alle entsprechenden EU-Richtlinien, DIN- und VDE-Vorschriften eingehalten (siehe CE-Konformitätserklärag).
Beim elektrischen Anschluss der Wärmpumpe sind die entsprechenden VDE-, EN- und IEC-Normen einzuhalten. AuBer dem*Müssen die Anschlussbedingungen der Versorgungszetzbetreiber beachtet werden.
Beim Anschlieben der Heizungsanlage sind die einschlagigen Vorschriften einzuhalten.
Dieses Gerät kann von Kindern ab 8 Jahren und darüber sowie von Personen mit verringerten physischen, sensorischen oder mentalen Fähigkeiten oder Mangel an Erfahrung und Wissen benutzt werden, wenn sie beaufsichtigt oder bezüglich des sicheren Gebrauchs des Gerätes unterwiesen wurden und die daraus resultierenden Gefahren verstehen.
Kinder dürfen nicht mit dem Gerät speiten. Reinigung und Benutzer-Wartung dürfen nicht von Kindern ohne Beaufsichtigung durchgeführt werden.
ACHTUNG!
Für den Betrieb und die Wartung einer Wärmpumpe sind die rechtlichen Anforderungen des Landes einzuhalten, in dem die Wärmpumpe betrieben wird. Je nach Kätemittelfullmenge ist die Dichtheit der Wärmpumpe in regelmäßigen Abständen durch entsprechend geschultes Personal zu überprüfen und zu protokollieren.
Nahere Angaben dazu befinden sich im beiliegenden Logbuch.
1.4 Energiesparende Handhabung der Wärmepumpe
Mit dem Kauf dieser Wärmepumpe tragen Sie zur Schonung der Umwelt bei. Die Voraussetzung für eine energiesparende Betriebsweise ist die richtige Auslegung der Wärmequellen- und Wärmenutzungsanlage.
Besonderss wichtig für die Effektivität einer Wärmepumpe ist es, die Temperaturdifferenz zwischen Heizwasser und Wärmequelle möglichst gering zu halten. Deshalb ist eine sorgfällige Auslegung der Wärmequelle und der Heizungsanlage dringend anzuraten. Eine um ein Kelvin (ein °C) höhere Temperaturdifferenz führt zu einer Steigerung des Stromverbrauches von ca. 2,5%. Es ist darauf zu achtenden, dass bei der Auslegung der Heizanlage auch Sonderverbraucher, wie z.B. die Warmwasserbereitung berücksichtigt und für niedrige Temperaturen dimensioniert werden. Eine Fußbodenheziehung (Flächenheziehung) ist durch niedrige Vorlauftemperaturen (30 °C bis 40 °C) optimal für den Einsatz einer Wärmepumpe geeignet.
Während des Betriebes ist es wichtig, dass keine Verunreinigungen der Wärmetauscher auftreten, weil dadurch die Temperaturdifferenz erhöht und damit die Leistungszahl verschlechtert wird.
Einen betrachtlichen Beitrag zur energiesparenden Handhabung leistet auch der Wärmepumpenmanager bei richtiger Einstellung. Weitere Hinweise dazu sind der Gebrauchsanweisung des Wärmepumpenmanagers zu entnahmen.
2 Verwendungszweck der Wärmpumpe
2.1 Anwendungsbereich
Die Luft/Wasser-Wärmpumpe ist ausschließlich für die Erwär-mung von Heizungswasser vorgesehen. Sie kann invorhanden oder neu zu errichtenden Heizungsanlagen eingesetzt werden.
Die Wärmepumpe ist für den monoenergetischen und bivalenten Betrieb bis -20 °C Luftbauβentemperatur geeignet.
Im Dauerlauf ist eine Temperatur des Heizwasserrückkaufs von mehr als 18^ einzuhalten, um ein einwandfrei Abtauen des Verdampfers zu gewährleisten.
Die Wärmepumpe ist nicht ausgelegt für den erhöhten Wärmebedarf während der Bau Austrocknung, deshalb muss der zusätzliche Wärmebedarf mit speziellen, bauseitigen Geräten erfolgen. Für eine Bau Austrocknung im Herbst oder Winter empfeht es sich einen zusätzlichen Elektroheizstab (als Zube-hör erhältlich) zu installieren.
□HINWEIS
Das Gerät ist nicht für Frequenzumrichterbetrieb geeignet.
2.2 Arbeitsweise
Außenluft wird vom Ventilator angesaugt und damit über den Verdampfer (Wärmetauscher) geleitet. Der Verdampfer kühlt die Luft ab, d.h. er entzieht ihr Wärme. Die gewonnene Wärme wird im Verdampfer auf das Arbeitsmedium (Kältemittel) übertragen.
Mit Hilfe eines elektrisch angetriebenen Verdichters wird die aufgenommene Wärme durch Druckerhöhung auf ein hóheres Temperaturniveau „gepumpt" und über den Verflüssiger (Wärmetauscher) an das Heizwasser abgegeben.
Dabei wird die elektrische Energie eingesetzt, um die Wärme der Umwelt auf ein hoheres Temperaturniveau anzuheben. Da die der Luft entzogene Energie auf das Heizwasser übertragen wird, bezeichnet man these Gerät als Luft/Wasser-Wärme-pumpe.
Die Luft/Wasser-Wärmpumpe besteht aus den Hauptbauteilen Verdampfer, Ventilator, Expansionsventil, Verdichter, dem Verflüssiger und der elektrischen Steuerung.
Bei tiefen Umgebungstemperaturen lagert sich Luftfeuchtigkeit als Reif auf dem Verdampfer an und verschlechtert die Wärmeübertragung. Eine ungleichmäßige Anlagerung besteht bzw keinen Mangel dar. Der Verdampfer wird durch die Wärmpumpe nach Bedarf automatisch abgetaut. Je nach Witterung konnen bzw Dampfschwaden am Luftausblas entstehen.
2.3 Funktionsbeschreibung integrierte Wärmemengenzahlung
Die Leistungsvorgaben des Verdichterstellers bei entsprechenden Drucklagen sind in der Wärmpumpen-Software hinterlegt. Zur Ermittlung der aktuellen Drucklage sind im Kältekreis der Wärmpumpe zwei zusätzliche Drucksensoren vor und nach dem Verdichter eingebaut. Aus den in der Software hinterlegten Verdichterdaten und der aktuellen Drucklage kann die momentane Heizleistung ermittelt werden. Das Integral der Heizleistung über die Laufzeit ergibt die von der Wärmpumpe abgegebene Wärmemenge, die im Display des Wärmpumpen-Managers getrennt für Heizen, Warmwasser- und Schwimmbadbereitung angezeigt wird.
3 Lieferumf
3.2 Schaltkasten
3.1 Grundgerät
Die Wärmepumpe enthält unter aufgeführte Bauteile.
Der Kältekreis ist „hermetisch geschlossen" und enthalt das vom Kyoto-Protokoll erfasste fluorierte Kältemittel R410A. Angaben zum GWP-Wert und CO_2 -Äquivalent des Kältemittels finden sich im Kapitel Geräteinformation. Es ist FCKW-frei, baut kein Ozon ab und ist nicht brennbar.

1) Verdampfer
2) Expansionsventil
3) Ventilator
4) Schaltkasten
5) Filtertrockner
6) Verflüssiger
7) Verdichter
Der Schaltkasten befindet sich in der Wärmpumpe. Nach Abnahme der unteren Frontabdeckung und dem Lösen der sich rechts oben befindenden Befestigungsschraube kann der Schaltkasten Herausgehaklappt werden.
Im Schaltkasten befinden sich die Netzanschlussklemmen, sowie die Leistungsschütze, die Santhanlauf-Einheit und der Wärmepumpenmanager.
Der Wärmepumpenmanager ist ein komfortables elektronisches Regel- und Steuergerät. Er steuert und überwacht die gesamte Heizungsanlage in Abhängigkeit von der Außentemperatur, die Warmwasserbereitung und die Sicherheitsstechnischen Einrichtungen.
Der bauseits anzubringende AuBentemperaturfuhler inkl. Befestigungsmaterial liegt dem Wärmepumpenmanager bei.
Funktionsweise und Handhabung des Wärmerpumper-Managers sind in der beiliegenden Gebrauchsanweisung beschrieben.
3.3 Beipack
obenaufWärmepumpe:
1x Dichtmatte Kanalanschluss
1x Ringdichtung Klein Ansaug
1x Ringdichtung groB Ausblas
im Schaltkasten:
1x AuBenfuhler mit Befestigungsmaterial
unter Ventilator:
8 x Blindstopfen 0 30 - schwarz
LaBen an Verpackung:
1x Montage- und Gebrauchsanweisung
4 Z u b e h ö r
4.1 Fernbedienung
Als Komforterweiterung ist im Sonderzubehör eine Fernbedienstation erhältlich. Bedienung und Menüführung sind identisch mit denen des Wärmpumpenmanagers. Der Anschluss erfolgt über eine Schnittstelle (Sonderzubehör) mit Westernstecker RJ 12.
□HINWEIS
Bei Heizungsreglern mit abnehmbarem Bedienteil kann these direkt als Fernbedienstation genutzt werden.
4.2 Gebäudeittechnik
Der Wärmepumpermanager kann durch die Ergänzung der jeweiligen Schnittstellen-Steckkarte an ein Netzwerk eines Gebäudeleitsystems angeschlossen werden. Für den genauen Anschluss und die Parametrierung der Schnittstelle muss die ergänzende Montageanweisung der Schnittstellenkarte beachtet werden.
Für den Wärmepumpenmanager sind folgende Netzwerkverbindungen möglich:
Modbus
EIB.KNX
Ethernet
5 Transport
ACHTUNG!
Die WärmepumpearfabbemTransportnurbiszueiner Neigungvon 45^ (in jederRichtung)gekipptwerden.
Der Transport zum endgültigen Aufstellungsort sollte mit Palette erfolgen. Das Grundgerät bietet einsersects die Transportmöglichkeit mit Hubwagen, Sackkarre o., oder mittels 3/4 Rohren, die durch Bohrungen in der Grundplatte, bzw. im Rahmen geführt werden.

Wärmepumpe und Transportpalette sind durch 4 Kippsicherungen fest verbunden. Diese müssen entfernt werden.
Zur Nutzung der Transportbohrungen im Rahmen ist es notwendig, die unteren Fassadierungsteile abzunehmen. Dazu werden jeweils zwei Schrauben am Sockel gelost und die Bleche durch Zurückzieheniben ausgehängt. Beim Einhängen der Blechteile sollen den diese mit leichtem Druck nach oben geschoben werden.
Beim Durchsdecken der Tragrohre durch den Rahmen ist darauf zu achten, dass keine Bauteile beschädigt werden.
Am Aufstellungsord mussen 8 schwarze Schutzkappen, die als Beipack dem Gerät beiliegen, in die möglichen Transportbohrungen eingeschnappt werden.

Öffnen des Deckels Schließen des Deckels
Nach dem Transport ist die Transportsicherung im Gerät am Boden beidseitig zu entfern.

ACKTUNG!
Vor der Inbetriebnahme ist die Transportsicherung zu entfern.
6 A u f s t e l l u
6.1 Allgemein
Die Bauweise des Gerätes sieht mehrere Anschlussvarianten vor. Durch Umsetzen einer der beiden aufgeschraubten Abdeckungen kann die Lage der Ausblasöffnung von rechts (Auslieferungszustand) nach links oder oben versetzt werden.
Durch Austausch der unteren seitlichen Fassadenteile ist es ebenso möglich, den hydraulischen Anschluss von links (Auslieferungszustand) nach rechts umzusetzen. Die verschiedene Anschlussmöglichkeiten sind im Maßbild (Kap. 3 auf S. VII) dargeistelt.
Die Luft/Wasser-Wärmepumpe muss in einem frostfrei und trockenen Raum auf einer ebenen, glatten und waagerechte Fläche aufgestellt werden. Dabei sollte der Rahmen rundum dicht am Boden anliegen, um eine ausreichende Schallabdichtung zu gewährleisten. Werden Stellfuße verwendet, ist die Wärmepumpe waagrecht auszurichten. In thisem Fall kann sich der angegebene Schallpegel um bis zu 3 dB(A) erhöhen und zusätzliche schalldammende Maßnahmen notwendig werden.
Die Aufstellung auf einem Unterstellpuffer erfordert zwingend eine voll umlaufende Auflage. Die Wärmpumpe muss so aufgestellt sein, dass Wartungsarbeiten problemlos durchgeführt werden konnen. Dies ist gewährleistet, wenn ein Abstand von je 1m an der Frontseite sowie auf der Seite der Heizwasseranschlüsse der Wärmpumpe eingehalten wird.
Die Seiteinteile)dürfen nicht durch Anschlussleitungen verdeckt sein.

Im Aufstellraum dürfen zu keiner Jahreszeit Frost oder höhere Temperaturen als 35^ auftreten.
Das Gerät sollen nie in Räumen mit hoher Luftfeuchtigkeit aufgestellt werden. Bei Luftfeuchtigkeiten von über 50 % und Au-Bentemperaturen unter 0 °C kann an der Wärmpumpe und der Luftführung Kondensat entstehen.
Bei Installation der Wärmepumpe in einem Obergeschoss, ist die Tragfähigkeit der Decke zu prufen und aus akustischen Gründen die Schwingungsentkoppelung sehr sorgfältig zu planen. Eine Aufstellung auf einer Holzdecke ist abzulehnen.
6.2 Kondensatleitung
Das im Betrieb anfallende Kondenswasser muss frostfrei abgeleitet werden. Um einen einwandfreien Abfluss zu gewährleisten, muss die Wärmepumpe waagerecht stehen. Das Kondenswasserrohr muss mindestens einen Durchmesser von 50 mm haben und muss frostsicher in den Abwasserkanal geführt worden. Kondensat nicht direkt in Klärbecken und Gruben einleiten. Die aggressiven Dämpfe sowie eine nicht frostfrei verlegte Kondensatleitung können die Zerstörung des Verdampfers zur Folge haben.
6.3 Schall
Um bei erhöhten Schallanforderungen Körperschallübertragungen ins Heizsystem zu vermeiden, empfeihlt es sich, die Wärmpumpe mit einem flexiblen Schlauch an das Heizsystem anzubinden.
- Verwendete Luftkanäe sind schalltechnisch von der Wärmerpumpe zu entkoppeln, um eine Körperschallübertragung auf die Kanäe zu vermeiden.
Das Nichtentfernen der Transportsicherungsschrauben am Verdichter kann zu deutlich higherer Schallemission führen!
7 Montage
7.1 Allgemein
An der Wärmepumpe sind folgende Anschlüsse herzustellen:
-Zu-/Abluft
-Vor-/Rücklaufe der Heizungsanlage
-Kondensatablauf
- Spannungsversorgung
- Temperaturfuhler
7.2 Luftanschluss
ACHTUNG!
Der Ansaug- und Ausblasbereicharfndichteingeengtoder zugestellt werden.
ACHTUNG!
Die Wärmepumpearf nur mit angebauten Luftkanalen betrieben werden.
Die als Zubehor angebotenen Luftkanäe aus Glasfaserleichtbeton sind feuchtgkeitsbeständig und diffusionsoffen (Abluftkanal 600× 600 und Ansaugkanal 750× 750 ). Bei der Verwendung des Luftkanals für die Ausblasseite (600× 600) ist an der gewählten Anschlusseite die "Dichtmatte Kanalanschluss" (im Beipack) um die Ausblasöffnung zu kleben.

Die Dichtmanschette wird zur Abdichtung der Luftkanäe an der Wärmpumpe verwendet. Die Luftkanäe selbst werden nicht direkt mit der Wärmpumpe verschraubt. Im betriebsfertigen Zustand berührt lediglich der Dichtgummi die Wärmpumpe. Dadurch ist zum einen eine leichte Montage und Demontage der Wärmpumpe gewährleistet, zum anderen wird eine gute Körperschallentkopplung erreicht.

Wird ein anderer als der als Zubehör erhältliche Luftkanal verwendet, ist drauf zu achten, dass die innere Querschnittsfläche von Luftansaug- und Luftausblasse durch den Luftkanal nicht verringert wird. Für die Abdichtung zur Wärmpumpe konnen die mitgelieferten "Ringdichtungen Klein und groß" verwendet werden, diese stellen gleichzeitig ein schwingungsminderndes Koppeelement dar.

Mit der großen Ringdichtung kann die Ansaugöffnung der Wärmepumpe auch direkt an einen entsprechend gestalteten Mauerdurchbruch positioniert werden.
Es ist darauf zu achten, dass der Mauerdurchbruch auf der Innenseite zwingend mit einer Käteisolierung verkleidet wird, um eine Auskuhlung bzw. Durchfeuchtung des Mauerwerks zu verhindern.
Bei der Verwendung sehr kurzer Luftkanäe am Luftauslass ist an der Wandaußeneite des Mauerdurchbruchs ein Schutzgitter oder Luftumlenggitter zu installieren, welche geeignet verhindert, dass Körperteile (Finger und Arme, im Besonderen von Kindern) den Ventilator in der Wärmpumpe berühren können.
Bei der Verwendung von angeflanschten Luftkanäen wird je ein Anschlussstutzen an der Ansaug- und Ausblasseite mit 4 Sechskantschrauben M8 an den vorgesehenen Gewinde-lochern (der 6-Kantlangmuttern) befestigt. Dabei ist zu beachten, dass beiden Luftkanalstutzen nur mit der Isolierung und nicht mit dem Außenblech in Berührung kommt.
Zusätzlich ist auf geeignete Schwingungsentkopplung und Kanalisolation zu achten

7.3 Heizungsseitiger Anschluss
Die heizungsseitigen Anschlusses an der Wärmepumpe sind mit 1 14 "Außengewinde versehen. Beim Anschluss an die Wärmepumpe muss an den Übergängen mit einem Schlüssel gegen gehalten werden.
Alternative kann der heizungsseitige Anschluss auch nach rechts erfolgen. Dazu sind die unteren Fassadenteile links und rechts zu demontieren. Die beiden Anschlussrohre incl. Rohrhalter sind im Gerät von links nach rechts umzusetzen. Danach sind die Fassadenteile wieder seitervertaucht zu montieren.
Bevor die heizwasserheitigen Anschlüsse der Wärmpumpe erfolgen, muss die Heizungsanlage gesplüt werden, um eventuell vorhandene Verunreinigungen, Reste von Dichtmaterial oder ähnliches zu entfernen. Ein Ansammeln von Rückständen im Verflüssiger kann zum Totalausfall der Wärmpumpe führen. Für Anlagen mit abspperrbarem Heizwasserdurchfluss, bedingt durch Heizkorper- bzw. Thermostatventile, muss ein Überströmventil bauseits hinter der Heizungspumpe in einem Heizungsbypass eingebaut werden. Dies sichert einen Mindestheizwasserdurchfluss durch die Wärmpumpe und verhinder Störungen.
Nach erstellter heizungsseitiger Installation ist die Heizungsanlage zu füssen, zu entlüften und abzudrücken.
Beim Füllen der Anlage ist folgenden zu beachten:
unbehandeltes Füll- und Ergänzungswasser muss Trinkwasserqualität haben (farblos, klar, ohne Ablagerungen)
das Füll- und Ergänzungswasser muss vorfiltriert sein (Porenweite max. 5 m
Eine Steinbildung in Warmwasserheizungsanlagen kann nicht vermieden werden, ist aber in Anlagen mit Vorlauftemperaturen kleiner 60^ vernachlüssigbar gering. Bei Hochtemperatur-Wärmpumpen und vor allem bei bivalenten Anlagen im groben Leistungsbereich (Kombination Wärmpumpe + Kessel) können auch Vorlauftemperaturen von 60^ und mehr erreicht werden. Daher sollte das Full- und Ergänzungswasser nach VDI 2035 - Blatt 1 folgende Richtwerte erfüllen. Die Werte der Gesamthärte können der Tabelle entnommen werden.
Abb. 7.1: Richttwerte für Füll- und Ergänzungswasser nach VDI 2035
| Gesamtheiz-leistung in kW | SummeErdalkalien in mol/ma2 bzw. mmol | Spezifisches Anlagenvolumen(VDI 2035) in l/kW | ||
| < 20 | ≥ 20 < 50 | ≥ 50 | ||
| Gesamthärte in °dH | ||||
| < 50 ≤ 2,0 ≤ 16,8 | ≤ 11,2 | < 0,111 | ||
| 50 - 200 ≤ 2,0 | ≤ 11,2 ≤ 8 | 4 | ||
| 200 - 600 ≤ 1,5 | ≤ 8,4 | < 0,111 | ||
| > 600 < 0,02 | < 0,111 | |||
- Dieser Wert liegt außerhalb des zulässigen Werts für Wärmetauscher in Wärmepumpen.
Bei Anlagen mit überdurchschnittlich großem spezifischen Anlagenvolumen von 50 l/kW empfeihlt die VDI 2035 den Einsatz von vollentsalztem Wasser und einem pH-Stabilisator um die Korrosionsgefahr in der Wärmpumpe und der Heizungsanlage zu minimieren.
ACHTUNG!
Bei vollentsalztem Wasser ist darauf zu achten, dass der minimal zulässige pH-Wert von 7,5 (minimal zulässiger Wert für Kupfer) nicht untersritten wird. Eine Unterschreitung kann zur Zerstörung der Wärmepumpe führen.
Mindestheizwasserdurchsatz
Der Minestheizwasserdurchsatz der Wärmepumpe ist in jeder Betriebszustand der Heizungsanlage sicherzustellen. Dieses kann z.B. durch Installation eines doppelt differenzdrucklosen Verteilers oder eines Überströmventiles erreicht werden. Die Einstellung eines Überströmventiles ist in Kapitel Inbetriebnahme erklär. Eine Unterschreitung des Minestheizwasserdurchflusses kann zum Totalschaden der Wärmepumpe durch ein Aufgefrieren des Plattenwärmetauschers im Kältekreislauf führen.
Der Nenndurchfluss wird in Abhängigkeit der max. Vorlauftemperatur in den Geräteinformationen angegeben und ist bei der Projektierung zu berücksichtigten. Bei Auslegungstemperaturen unter 30^ im Vorlauf ist zwingend auf den max. Volumenstrom mit 5 K Speziehung bei A7/W35 auszulegen.
Der angegebene Nenndurchfluss (Siehe "Geräteinformation" auf Seite 13.) ist in jedem Betriebszustand zu gewährleisten. Ein eingebauter Durchflussschalter dient ausschließlich zur Abschaltung der Wärmpumpe bei einem außergewöhnlichem und abruptem Abfall des Heizwasserdurchsatzes und nicht zur Überwachung und Absicherung des Nenndurchflusses.
□HINWEIS
Der Einsatz eines Überströmventils ist nur bei Flächenheizungen und einem max. Heizwasserdurchsatz von 1,3m^3/h ratsam. Bei Nichtbeachten kann es zu Störungen der Anlage führen.
Frostschutz
Bei Wärmepumpen, die frostgefahrdet aufgestellt sind, sollte eine manuelle Entleerung (siehe Bild) vorgesehen werden. Sofern Wärmepumpenmanager und Heizungsumwälzpumpe betriebsbereit sind, arbeitet die Frostschutzfunktion des Wärmepumpenmanagers. Bei Außerbetriebnahme der Wärmepumpe oder Stromausfall ist die Anlage zu entleeren. Bei Wärmepumperanlagen, an denen ein Stromausfall nicht erkannt werden kann (Ferienhaus), ist der Heizungskreis mit einem geeigneten Frostschutz zu betreiben.

7.4 Temperaturfuhler
Folgende Temperaturfuhler sind bereits eingebaut bzw. müssen zusätzlich montiert werden:
AuBentemperatur (R1) beigelegt (NTC-2)
Rücklauftemperatur (R2) eingebaut (NTC-10)
Vorlauftemperatur (R9) eingebau (NTC-10)
7.4.1 Fuhlerkennlinien
Die an den Wärmepumpenmanager anzuschliebenden Temperaturführer mussen der in Abb. 7.2 auf S. 9 gezeigten Führerkennlinie entsprechen. Einzige Ausnahme ist der im Lieferumfang der Wärmepumpe befindliche Außentemperaturführer (siehe Abb. 7.3 auf S. 9)


Abb. 7.2:Fuhlerkennlinie NTC-10
Abb. 7.3: Fuhlerkennlinie NTC-2 nach DIN 44574 Außentemperaturfähler
7.4.2 Montage des Außentemperaturfühlers
Der Temperaturfuhler muss so angebracht werden, dassSAMTliche Witterungseinflüsse erfasst werden und der Messwert nicht verfallscht wird.
an der Außenwand möglischst an der Nord- bzw. Nord-westseite anbringen
■ nicht in „geschützter Lage“ (z.B. in einer Mauernische oder unter dem Balkon) montieren
not in der Nähe von Fenstern, Turen, Abluftöffnungen, Außenleuchten oder Wärmepumpen anbringen
zu keiner Jahreszeit direkter Sonneneinzahlung aussetzen
| Auslegungsparameter Führerleitung | |
| Leitermaterial | Cu |
| Kabellänge | 50 m |
| Umgebungstemperatur | 35 °C |
| Verlegeart | B2 (DIN VDE 0298-4 / IEC 60364-5-52) |
| Außendurchmesser | 4-8 mm |
7.4.3 Montage der Anlegefuhrer
Die Montage der Anlegefuhler ist nur notwendig, falls diese im Lieferumfang der Wärmpumpe enthalten, aber nicht eingebaut sind.
Die Anlegefuhler konnen als Rohranlegefuhler montiert oder in die Tauchhülse des Kompaktverteilers eingesetzt werden.
Montage als Rohranlagefuher
Heizungsrohr von Lack, Rost und Zunder saubern
Gereinigte Fläche mit Wärmeleitpaste bestreichen (dūn auftragen)
Fuhler mit Schlauchschelle befestigen (gut festziehen, lose Fuhler führen zu Fehlfunktionen) und thermisch isolieren

7.4.4 Verteilsystem Hydraulik
Kompaktverteiler und doppelt differenzdruckloser Verteiler fungieren als Schnittstelle zwischen der Wärmpumpe, dem Heizungsverteilsystem, dem Pufferspeicher und evtl. auch dem Warmwasserspeicher. Dabei wirdstatt vieler Einzelkomponenten ein kompaktes System verwendet, um die Installation zu vereinfachen. Weitere Informationen sind der jeweiligen Montageanweisung zu entnahmen.
Kompaktverteiler
Der Rücklauffhler kann in der Wärmepumpe verbleiben oder ist in die Tauchhülse einzubringen. Der noch vorhandene Hohlräum zwischen Fuhler und Tauchhülse muss mit Wärmeleit-paste vollständig ausgefüllt sein.
Doppelt differenzdruckloser Verteiler
Der Rücklauffhler muss in die Tauchhülse des doppelten differenzdrucklosen Verteilers eingebaut werden, um von den Heizkreispumpen der Erzeuger- und Verbraucherkreise durchströmt zu werden.
7.5 Elektrischer Anschluss
7.5.1 Allgemein
Samtliche elektrische Anschlussarbeiten dürfen nur von einer Elektrofachkraft oder einer Fachkraft für festgelegte Tätigkeiten unter Beachtung der
Montage- und Gebrauchsanweisung,
Länderspezifischen Installationsvorschriften z.B. VDE 0100
technischen Anschlussbedingungen der Energieversorger- und Versorgungsnetzbetreiber (z.B. TAB) und
Örtlicher Gegebenheiten
durchgefuhrt werden.
Zur Gewährleistung der Frostschutzfunktionarf der Wärme-pumpenmanager nicht spannungsfrei geschaltet werden und die Wärme-pumpemussurdströmt werden.
Die Schaltkontakte der Ausgangsrelais sind entstört. Deshalb wird abhängig vom Innenwiderstand eines Messinstruments auch bei nicht geschlossenen Kontakten eine Spannung gemessen, die aber welt unterhalb der Netzspannung liegt.
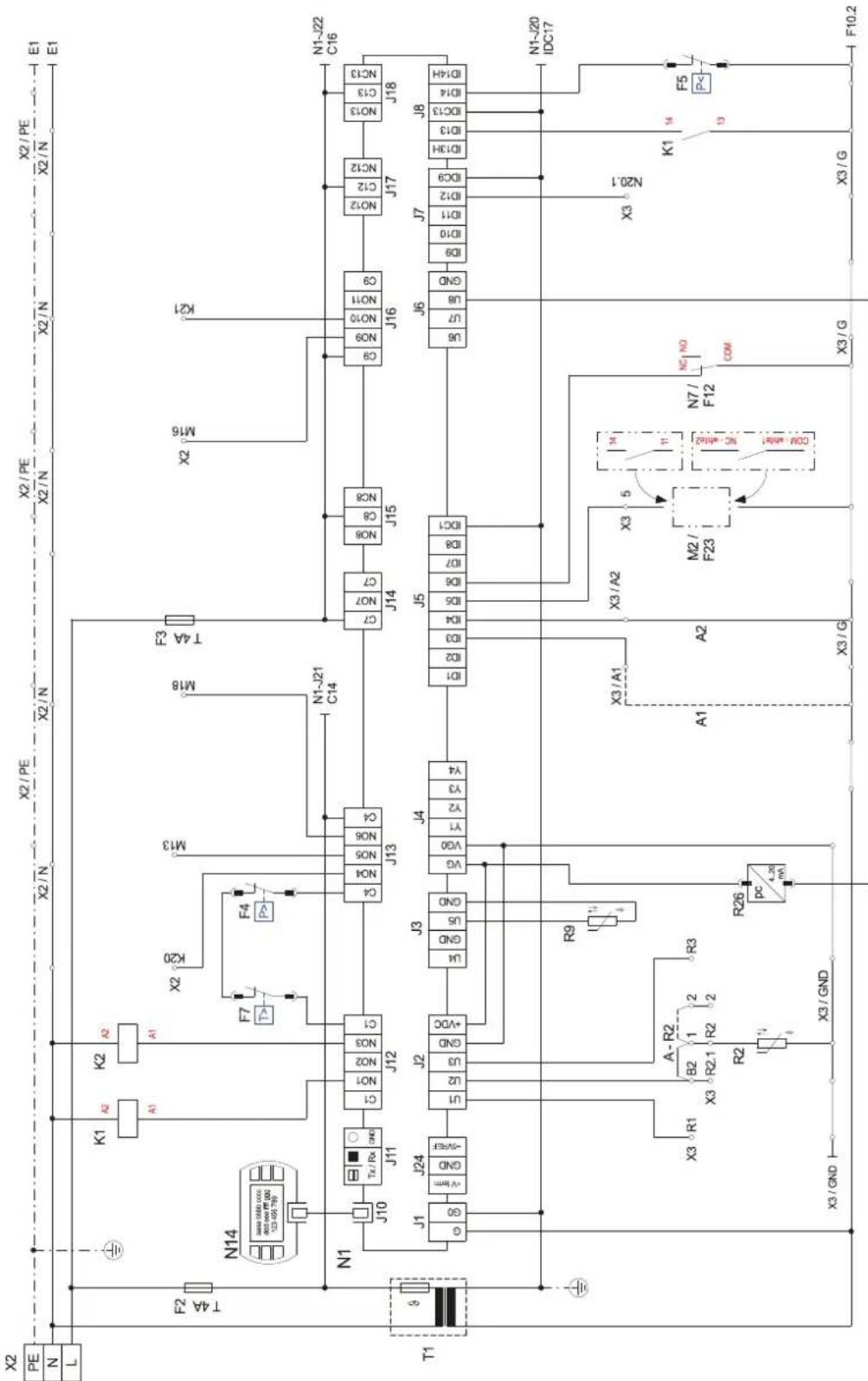
An den Regler-Klemmen N1-J1 bis N1-J11; N1-J19; N1-J20; N1-J23 bis N1-J26 und der Klemmleiste X3; X5.1 liegt Kleinspannung an. Wenn wegen eines Verdraughtungsfehlers an diese Klemmen Netzspannung angelegt wird, wird der Wärmpumpenmanager zerstört.
7.5.2 Elektrische Anschlussarbeiten
1) Die 5-adrige elektrische Versorgungsleitung für den Leistungsteil der Wärmpumpe wird vom Stromzahler der Wärmpumpe über das EVU-Sperrschütz (falls gefordert) in die Wärmpumpe geführt.
Anschluss der Lastleitung am Schaltkasten der Wärme-pumpe über Klemmen X1: L1/L2/L3/N/PE In der Leistungsversorgung für die Wärmepumpe ist eine allpolige Abschaltung mit mindestens 3 mm Kontaktöffnungsbstand (z.B. EVU-Sperrschütz, Leistungsschütz), sowie ein allpoliger Sicherungsautomat, mit gemeinsamer Auslösung aller Außenleiter, vorzusehen (Auslösestrom und Charakteristik gemäß Geräteinformation).
ACHTUNG!
Rechtsdrehfeld beachten: Bei falscher Verdraughtung wird das Anlaufen der Wärmpumpe verhindert. Ein entsprechender Warnhinweis wird im Wärmpumpenmanager angezeigt (Verdraughtung anpassen).
2) Die 3-adrige elektrische Versorgungsleitung für den Wärmepumpenmanager (Heizungsregler N1) wird in die Wärmepumpe geführt.
Anschluss der Steuerleitung am Schaltkasten der Wärme-pumpe über Klemmen X2: L/N/PE.
Die Leistungsaufnahme der Wärmepumpe entnehmer Sie der Produktinformation oder dem Typschild.
Die Versorgungsleitung (L/N/PE~230 V, 50 Hz) für der WPM muss an Dauerspannung liegen und ist aus thisem Grund vor dem EVU-Sperrschütz abzugreifen bzw. an den Haushaltsstrom anzuschlieben, da sonst während der EVU-Sperre wichtige Schutzfunktionen außer Betrieb sind.
3) Das EVU-Sperrschutz (K22) mit 3 Hauptkontakten (1/3/5 / 2/4/6) und einem Hilfskontakt (Schlieber 13/14) ist entsprechend der Wärmerpumperleistung auszulegen und bauseits bezustellen.
Der Schlieber-Kontakt des EVU-Sperrschutz (13/14) wird von Klemmleiste X3/G zur Steckerklemme X3/A1 geschleift. VORSICHT! Kleinspannung!
4) Das Schutz (K20) für den Tauchheizkorper (E10) ist bei monoenergetischen Anlagen (2. WE) entsprechend der Heizkorperleistung auszulegen und bauseits bezustellen. Die Ansteuerung (230 V AC) erfolgt aus dem Wärmepumpenmanager über die Klemmen X2/N und X2/K20.
5) Das Schutz (K21) für die Flanschheizung (E9) im Warmwasserspeicher ist entsprechend der Heizkörperleistung auszulegen und bauseits bezustellen. Die Ansteuerung (230 V AC) erfolgt aus dem WPM über die Klemmen X2/N und X2/K21.
6) Die Schütze der Punkte 3;4;5 werden in die Elektroverteilung eingebaut. Die Lastleitung für eingebaute Heizungen sind gemäß den gültigen Normen und Vorschriften auszulegen und abzuschern.
7) Alle installierten elektrischen Leitungen müssen als dauerhafte und feste Verdraughtung ausgeführnt sein.
8) Die Heizungsumwälzpumpe (M13) wird über den Kontakt N1-J13/NO5 angesteuert. Anschlusspunkte für die Pumpe sind X2/M13 und X2/N. Bei Verwendung von Pumpen, die die Schaltkapazität des Ausgangs übersteigen muss ein Koppelrelais zwischengeschäftet werden.
9) Die Zusatzumwälzpumpe (M16) wird über den Kontakt N1-J16/NO9 angesteuert. Anschluspunkte für die Pumpe sind X2/M16 und X2/N. Bei Verwendung von Pumpen, die die Schaltkapazität des Ausgangs übersteigen muss ein Koppelrelais zwischengeschäftet werden.
10) Die Warmwasserladepumpe (M18) wird über den Kontakt N1-J13/NO6 angesteuert. Anschlusspunkte für die Pumpe sind X2/M18 und X2/N. Bei Verwendung von Pumpen, die die Schaltkapazität des Ausgangs übersteigen muss ein Koppelrelais zwischengeschäftet werden.
11) Bei der Wärmepumpen ist der Rücklaufführer integriert und wird über die Steuerleitung zum Wärmepumpenmanager geführt. Nur beim Einsatz eines Doppel-Differenzdrucklosen-Verteilers muss der Rücklauffhler in der Tauchhülse im Verteiler eingebaut werden. Dann werden die Einzeladern an den Klemmen X3/GND und X3/R2.1 angeklemmt. Die Brücke A-R2, die im Auslieferzustand zwischen X3/B2 und X3/1 sitzt, muss anschließend auf die Klemmen X3/1 und X3/2 versetzt werden.
12) Der Außenfuhler (R1) wird an den Klemmen X3/GND und X3/R1 angekLEMmt.
13) Der Warmwasserfuhler (R3) liegt dem Warmwasserspeicher bei und wird an den Klemmen X3/GND und X3/R3 angeklemmt.
7.5.3 Anschluss von elektronisch geregelten Umwälzpumpen
Elektronisch geregelte Umwälzpumpen weisen hohe Anlaufströme auf, die unter Umständen die Lebenszeit des Wärme-pumpenmanagers verkurzen konnen. Aus thisem Grund, ist zwischen dem Ausgang des Wärme-pumpenmanagers und der elektronisch geregelten Umwälzpumpe ein Koppelrelais zu installmenten bzw. installiert. Dies ist nicht erforderlich, wenn der zulässige Betriebsstrom von 2 A und ein maximaler Anlaufstrom von 12 A der elektronisch geregelten Umwälzpumpe nicht übersritten wird, oder es liegt eine ausrückliche Freigabe des Pumpenherstellers vor.
ACHTUNG!
Es ist nicht zulässig über einen Relaisausgang mehr als eine elektronisch geregelte Umwälzpumpe zu schalten.
8 Inbetriebnahme
8.1 Allgemein
Um eine ordnungsgemäß Inbetriebnahme zu gewährleisten, sollte diese von einem vom Werk autorisierten Kundendienst durchgeführt werden. Unter bestimmten Bedingungen ist damit eine zusätzliche Garantieleistung verbunden (vgl. Garantieleistung).
8.2 Vorbereitung
Vor der Inbetriebnahme müssen folgende Punkte geprüft werden:
Alle Anschlüsse der Wärmerpumper ⇒n wie in Kapitel 6 beschrieben montiert sein.
Im Heizkreislauf müssen alle Schieber, die den korrekten Fluss des Heizwassers behindern konnten, geöffnet sein.
Der Luftansaug-/-ausblasweg muss frei sein.
Die Drehrichtigung des Ventilators muss der Pfeilrichtung entsprechen.
Die Einstellungen des Wärmerpumpenmanagers müssen gemäß seiner Gebrauchsanweisung an die Heizungsanlage angepasst sein.
Der Kondensatablauf muss sichergestellt sein.
Der Beipack im Schaltkasten und der Beipack im Bereich unter dem Ventilator müssen entfernt worden sein!
8.3 Vorgehensweise
Die Inbetriebnahme der Wärmpumpe erfolgt über den Wärmpumpenmanager. Die Einstellungen müssen gemäß dessen Anweisung vollzogen werden.
Wird der Minestheizwasserdurchsatz mittels Überströmventil sichergestellt, so ist diese auf die Heizungsanlage abzustimmen. Eine falsche Einstellung kann zu verschiedenen Fehlerbildern und einem erhöhten Energiebedarf führen. Um das Überströmventil richtig einzustellen, empfehlen wir folgende Vorgehensweise:
Schlieben Sie alle Heizkreise, die auch in Betrieb je nach Nutzung geschlossen sein konnen, so dass der vom Wasserdurchsatz ungunstigste Betriebszustand vorliegt. Dies sind in der Regel die Heizkreise der Räume auf der Süd- und Westseite. Mindestens ein Heizkreis muss geöffnet bleiben (z.B. Bad).
Das Überströmventil ist soweit zu öffnen, dass sich bei der aktuellen Wärmequellentemperatur die in der nachstehenden Tabelle angegebene maximale Temperatursprüizung zwischen Heizungsvor- und Rücklauf ergibt. Die Temperatursprüizung ist möglichst nahe an der Wärmepumpe zu messen. Bei monoenergetischen Anlagen ist der Heizstab während der Inbetriebnahme zu deaktivieren.
| Wärmequellen- temperatur von bis | max. Temperaturspreizung zwischen Heizungsvor- und Rücklauf | |
| -20 °C -15 | °C 4 K | |
| -14 °C -10 | °C 5 K | |
| -9 °C | -5 °C | 6 K |
| -4 °C | 0 °C | 7 K |
| 1 °C | 5 °C | 8 K |
| 6 °C | 10 °C | 9 K |
| 11 °C | 15 °C | 10 K |
| 16 °C | 20 °C | 11 K |
| 21 °C | 25 °C | 12 K |
| 26 °C | 30 °C | 13 K |
| 31 °C | 35 °C | 14 K |
Bei Heizwassertemperaturen kleiner 7^ ist eine Inbetriebnahme nicht möglich. Das Wasser im Pufferspeicher muss mit dem 2. Wärmeerzeuger auf mindestens 18^ aufgeheizt werden.
AnschlieBend must folgender Ablauf eingehalten werden, um die Inbetriebnahme störungsfrei zu realisieren:
1) Alle Verbraucherkreise sind zu schreiben.
2) Der Wasserdurchsatz der Wärmepumpe ist sicherzustellen.
3) Am Manager Betriebsart "Automatik" wahren.
4) Im Menu Sonderfunktionen muss das Programm "Inbetriebnahme" gestartet werden.
5) Warten, bis eine Rücklauftemperatur von mindestens 25^ erreicht wird.
6) AnschlieBend werden die Schieber der Heizkreise nacheinander wieder langsam geoffnet, undzarw so, dass der Heizwasserdurchsatz durch leichtes Offnen des betreffenden Heizungskreises stetig erhöht wird. Die Heizwassertemperatur im Pufferspeicherarf dad bei nicht unter 20^ absinken, um jederzeit eine Abtauung der Wärmepumpe zu ermöglich.
7) Wenn alle Heizkreise voll geöffnet sind und eine Rücklauftemperatur von mindestens 18^ gehalten wird, ist die Inbetriebnahme abgeschlossen.
ACHTUNG!
Ein Betrieb der Systemtemperatureen Wärmpumpe mit niedrigeren kann zum Totalausfall der Wärmpumpe führen.
9 Reinigung / Pflege
9.1 Pflege
Vermeiden Sie zum Schutz des Lackes das Anlehnen und Ablegen von Gegenständen am und auf dem Gerät. Die Außenteile der Wärmpumpe können mit einem feuchten Tuch und mit handelsüblichen Reinigern abgewischt werden.
□HINWEIS
Verwenden Sie nie sand-, soda-, säure- oder chloridhaltige Putzmittel, da diese die Oberfläche angreifen.
Um Störungen durch Schmutzablagerungen im Wärmetauscher der Wärmpumpe zu vermeiden, ist davon zu sorgen, dass der Wärmetauscher in der Heizungsanlage nicht verschmutzen kann. Zum Schutz des Verdampfers ist im Ansaugkanal ein Vogelschutzgitter mit mindestens 80% freien Querschnitt empfohlen. Sollte es Dennoch zu Betriebsstörungen wegen Verschmutzungen kommt, ist die Anlage wie unter angegeben zu reinigen.
9.2 Reinigung Heizungsseite
ACHTUNG!
Der eingebaute Schmutzfänger ist in regelmäßigen Abständen zu reinigen.
Die Wartungsintervalle sind je nach Verschmutzungsgrad der Anlage selbst zu wahren. Der Siebeinsatz ist hierbei zu reinigen.
Zur Reinigung ist der Heizkreis im Bereich des Schmutzfängers drucklos zu machen, der Siebeinsatz durch Aufschrauben des Siebraumes zu entnahmen und zu reinigen. Beim Zusammenbau in umgekehrter Reihenfolge ist auf korrekten Einbau des Siebeinsatzes und Dichtheit der Verschraubung zu achten.
Sauerstoff kann im Heizwasserkreis, insbesondere bei Verwendung von Stahlkomponenten, Oxidationsprodukte (Rost) bilden. Diese gelangen über Ventile, Umwälzpumpen oder Kunststoffrohr in das Heizsystem. Deshalb sollte besonders bei den Rohren der Fußbodenheziehung auf eine diffusionsdichte Installation geachtet werden.
HINWEIS
Zur Vermeidung von Ablagerungen (z.B. Rost) im Kondensator der Wärmpumpe wird empfohlen, ein geeignetes Korrosionsschutzsystem einzusetzen.
Auch Reste von Schmier- und Dichtmitteln konnen das Heizwasser verschmutzen.
Sind die Verschmutzungen so stark, dass sich die Leistungsfähigkeit des Verflüssigers in der Wärmepumpe verringgert, muss ein Installateur die Anlage reinigen.
Nach heutigem Kenntnisstand empfehlen wir, die Reinigung mit einer 5% -igen Phosphorsäure oder, falls früiger gereinigt werden muss, mit einer 5% -igen Ameisensäure durchzuführen.
In beiden Fällen sollen die Reinigungsflußigkeit Raumtemperatur haben. Es ist empfehlenswert, den Wärmetauscher entgegen der normalen Durchflußrichtung zu spulen.
Um zu verhindern, dass saurehaltiges Reinigungsmittel in den Heizungsanlagenkreislauf gelangt, empfehlen wir, das Spülgerät direkt an den Vor- und Rücklauf des Verflüssigers der Wärmepumpe anzuschreiben.
Danach muss mit geeigneten neutralisierenden Mitteln gründlich nachgespält werden, um Beschädigungen durch eventuell im System verbliebene Reinigungsmittelrechte zu verhindern.
Die Säuren sind mit Vorsicht anzuwenden und es sind die Vorschriften der Berufsgenossenschaften einzuhalten.
Die Herstellerangaben des Reinigungsmittels sind in jedem Fall zu beachten.
9.3 Reinigung Luftseite
Luftkanäe, Verdampfer, Lüfter und Kondensatablauf sind vor der Heizperiode von Verunreinigungen (Blätter, Zweige usw.) zu reinigen. Dazu ist die Wärmepumpe an der Seite zuerst unter und dann oben zu öffnen.
ACHTUNG!
Vor Offnen des Gerätes ist sicherzustellen, dass alle Stromkreise spannungsfrei geschaltet sind.
Das Abnehmer und Einhängen der Fassadierungsteile erfolgt wie in Kapitel 4 beschrieben.
Die Verwendung von scharfen und harten Gegenständen ist bei der Reinigung zu vermeiden, um eine Beschädigung am Verdampfer und der Kondensatwanne zu verhindern.
10 Störungen / Fehlersuche
These Wärmepumpe ist ein Qualitätsvorprodukt und sollte Störungsfrei arbeiten. Tritt Dennoch einmal eine Störung auf, wird diese im Display des Wärmepumpenmanagers angezeigt. Schlagen Sie dazu auf der Seite Störungen und Fehlersuche in der Gebrauchsanweisung des Wärmepumpenmanagers nach.
Wenn die Störung nicht selbst behoben werden kann, verständigen Sieitte denzuständigen Kundendienst.
ACHTUNG!
Arbeiten an der Wärmepumpe dürfen nur vom autorisierten und sachkundigen Kundendienst durchgeführt werden.
11 Außerbetriebnahme / Entsorgung
Bevor die Wärmepumpe ausgebaut wird, ist die Maschine spannungsfrei zu schalten und abzuschiebern. Der Ausbau der Wärmepumpe muss durch Fachpersonal erfolgen. Umweltrelevante Anforderungen, in Bezug auf Rückgewinnung, Wiederverwendung und Entsorgung von Betriebsstoffen und Bauteilen gemäß den gängigen Normen, sind einzuhalten. Dabei istalanders Wert auf eine fachgerechte Entsorgung des Kätlemittels und Kälteöles zu legen.
12 Geräteinformation
| 1 Typ- und Verkaufsbezeichnung | LI 9TU LI 12TU | |||
| 2 B a u f o r m | ||||
| 2.1 Wärmequelle Luft Luft | ||||
| 2.2 Ausführung Universal Universal | ||||
| 2.3 Regler integriert integriert | ||||
| 2.4 Wärmemengenzahlung integriert integriert | ||||
| 2.5 Aufstellungsord Innen | Innen | |||
| 2.6 Leistungsstufen 1 | 1 | |||
| 3 Einsatzgrenzen | ||||
| 3.1 Heizwasser-Vorlauf / -Rücklauf | °C | bis 60 ± 2K / ab 18 | bis 60 ± 2K / ab 18 | |
| 3.2 Luft | °C | -20 bis +35 | -20 bis +35 | |
| 4 Durchfluss / Schall | ||||
| 4.1 Heizwasserdurchsatz interne Druckdifferenz | ||||
| nach 14511 | m3/h / Pa | 1,5 / 19300 | 2,0 / 27300 | |
| Mindestheizwasserdurchsatz | m3/h / Pa | 0,7 / 5400 | 0,9 / 6100 | |
| 4.2 Schall-Leistungspiegel nach EN121021 Gerät/außen | dB(A) | 49 / 52 | 50 / 53 | |
| 4.3 Schall-Druckpegel in 1 m Entfernunginnen21 | dB(A) | 42 | 43 | |
| 4.4 Luftdurchsatz bei externer statischer Druckdifferenz | m3/h /Pa | 4000 / 0 | 4400 / 0 | |
| m3/h /Pa | 3700 / 25 | 4100 / 25 | ||
| 5 Abmessungen, Gewicht und Fülllungen | ||||
| 5.1 Geräteabmessungen3 | H x B x T mm | 1560 x 960 x 750 | 1560 x 960 x 750 | |
| 5.2 Gewicht der Transporteinheit(en) incl. Verpackung | kg | 256 | 270 | |
| 5.3 Geräteanschlüsse für Heizung | Zoll | G 1 1/4" | G 1 1/4" | |
| 5.4 Luftkanalanschluss Ansaugeite | mm | 726 x 726 | 726 x 726 | |
| 5.5 Luftkanalanschluss Ausblasseite | mm | 552 x 355 | 552 x 355 | |
| 5.6 Kältemittel; Gesamt-Füllgewicht | Typ / kg | R410A / 3,7 | R410A / 4,6 | |
| 5.7 GWP-Wert / CO2-Aquivalent | ---/t | 2088 / 8 | 2088 / 9 | |
| 5.8 Kältekreis hermetisch geschlossen | ja | ja | ||
| 5.9 Schmiermittel / Gesamt-Füllmenge | Typ / Liter | Polyolester (POE) / 1,2 | Polyolester (POE) / 1,2 | |
| 6 Elektrischer Anschluss | ||||
| 6.1 Lastspannung / Absicherung | 3-/PE 400V (50Hz) / C10A | 3-/PE 400V (50Hz) / C13A | ||
| 6.2 Steuerspannung / Absicherung | 1-/N/PE 230V (50Hz) / C13A | 1-/N/PE 230V (50Hz) / C13A | ||
| 6.3 Schutzart nach EN 60 529 | IP 21 | IP 21 | ||
| 6.4 Anlaufstrombegrenzung | Santhanlasser | Santhanlasser | ||
| 6.5 Drehfeldüberwachung | Ja | Ja | ||
| 6.6 Anlaufstrom | A | 16 | 19 | |
| 6.7 Nennaufnahme A7 W35/ max. Aufnahme4 | kW | 1,8 / 3,3 | 2,4 / 4,4 | |
| 6.8 Nennstrom A7 W35 / cos φ | A / --- | 3,5 / 0,75 | 4,1 / 0,85 | |
| 6.9 Leistungsaufnahme Verdichterschutz (pro Verdichter) | W | -- | 70; thermostatisch geregelt | |
| 6.10 Leistungsaufnahme Ventilator | W | 130 | 130 | |
| 7 Entspricht den europäischen Sicherheitsbestimmungen | 5 | 5 | ||
| 8 Sonstige Ausführungsmerkmale | |||
| 8.1 Abtauart Kreislaufumkehr Kreislaufumkehr | |||
| 8.2 Frostschutz Kondensatwanne / Wasser im Gerät gegen Einfrieren geschützt6 | Ja Ja | ||
| 8.3 max. Betriebsüberdruck (Wärmequelle/Wärmesenke) bar 3,0 3,0 | |||
| 9 Heizleistung / Leistungszahl | |||
| 9.1 Wärmeleistung / Leistungszahl4 | EN 14511 EN 14511 | ||
| bei A-7 / W35 kW / ---7 | |||
| kW / ---8 | 5,4 / 3,0 7,1 / 3,1 | ||
| bei A2 / W35 | kW / ---7 | ||
| kW / ---8 | 6,8 / 3,9 9,4 / 4,0 | ||
| bei A7 / W35 | kW / ---7 | ||
| kW / ---8 | 8,5 / 4,7 | 11,5 / 4,8 | |
| bei A7 / W55 | kW / ---7 | ||
| kW / ---8 | 7,5 / 2,9 | 10,3 / 3,0 | |
| bei A10 / W35 | kW / ---7 | ||
| kW / ---8 | 8,9 / 5,0 | 12,0 / 5,1 | |
- Der angegebene Schallwerte gelten ohne die optional erhaltlichen Stellfübe. Bei Verwendung der Stellfübe kann sich der Pegel um bis zu 3 db(A) erhöhen.
- Der angegebene Schaldruckpegel entspricht dem Betriebsgerausch der Wärmepumpe im Heizbetrieb bei 35^ Vorlauftemperatur. Der angegebene Schaldruckpegel stellt den Freifeldpegel dar. Je nach Aufstellungsord kann der Messwert um bis zu 16 dB(A) abweichen.
- Beachten Sie, dass der Platzbedarf für Rohranschluss, Bedienung und Wartung länger ist.
- These Angaben Charakterisieren die Grosse und Leistungsfähigkeit der Anlage nach EN 14511. Für wirtschaftliche und energetische Betrachtungen sind Bivalentzpunkt und Regelung zu berücksichtigen. These Angaben werden ausschließlich mit sauberen Wärmeübertragem erreicht. Hinweise zur Pflege, Inbetriebnahme und Betrieb sind den entsprachenden Abschnitten der Montage- und Gebrauchsanweisung zu entnahmen. Dabei badeuten z.B. A7/W35: Wärmequellentemperatur 7 °C und Heizwasser-Vorlauftemperatur 35 °C.
- siehe CE-Konformitätserklarung
- Die Heizungsumwälzpumpe und der Wärmepumper manager müssen immer betriebsbereit sein.
- 2-Verdichterbetrieb
- 1-Verdichterbetrieb
13 Produktinformationen gemäß Verordnung (EU) Nr.813/2013, Anhang II, Tabelle 2
| Erforderliche Angaben über Raumheizgeräte und Kombiheizgeräte mit Wärmpumpe | |||||||
| Modell | LI 9TU | ||||||
| Luft-Wasser-Wärmpumpe: | ja | ||||||
| Wasser-Wasser-Wärmpumpe: | nein | ||||||
| Sole-Wasser-Wärmpumpe: | nein | ||||||
| Niedertemperatur-Wärmpumpe: | nein | ||||||
| Mit Zusatzheizgerät: | nein | ||||||
| Kombiheizgerät mit Wärmpumpe: | nein | ||||||
| Die Parameter sind für eine Mitteltemperaturanwendung anzugeben, außer für die Niedertemperatur-Wärmpumpen. Für Niedertemperatur-Wärmpumpen sind die Parameter für eine Niedertemperaturanwendung anzugeben. | |||||||
| Die Parameter sind für durchschnittliche Klimaverhältnisse anzugeben: | |||||||
| Angabe Symbol Wert Einheit Angabe Symbol Wert | Einheit | ||||||
| Wärmenennleistung (*) | Prated | 4 | kW | Jahreszeitbedingte Raumheizungs-Energieeffizienz | η6 | 118 | % |
| Angegebene Leistung für Teilast bei Raumlufttemperatur 20 °C undAußenlufttemperatur Tj | Angegebene Leistungszahl oder Heizzahl für Teilast bei Raumlufttemperatur20 °C und Außenlufttemperatur Tj | ||||||
| Tj = -7°C | Pdh | 5,0 kW Tj = -7°C | COPd | 2,02 - | |||
| Tj = +2°C | Pdh | 6,6 kW Tj = +2°C | COPd | 3,02 - | |||
| Tj = +7°C | Pdh | 8,2 kW Tj = +7°C | COPd | 4,07 - | |||
| Tj = +12°C | Pdh | 9,6 kW Tj = +12°C | COPd | 5,26 - | |||
| Tj = Bivalenztemperatur | Pdh | 4,5 kW Tj = Bivalenztemperatur | COPd | 1,75 - | |||
| Tj = Betriebstempoatergrenzungwert | Pdh | 4,5 kW Tj = Betriebstempoatergrenzungwert | COPd | 1,75 - | |||
| Für Luft-Wasser-Wärmpumpen: | Für Luft-Wasser-Wärmpumpen: | ||||||
| Tj = -15°C (wenn TOL < -20°C) | Pdh | 3,5 kW Tj = -15°C (wenn TOL < -20°C) | COPd | 1,31 - | |||
| Bivalenztemperatur | Tbiv | -10 °C | Für Luft-Wasser-Wärmpumpen:Betriebsgrenzwert-Temperaturenol | -10 | °C | ||
| Leistung bei zyklischem Interval-Heizbetrieb | Pych | - | kW | Leistungszahl bei zyklischem Interval-Heizbetrieb | COPcyc | - | - |
| Minderungsfaktor (**) | Cdh | 0,9 | - | Grenzwert der Betriebstempatur desHeizwassers | WTOL | 60 °C | |
| Stromverbrauch in anderen Betriebsarten als dem Betriebszustand | Zusatzheizgerät | ||||||
| Aus-Zustand | POFF | 0,015 | kW Wärmenennleistung (*) | Psup | 0 | kW | |
| Thermostat-aus-Zustand | PTO | 0,020 | kW | Art der Energiezufuhr | Elektrisch | ||
| Bereitschaftszustand | PSB | 0,015 | kW | ||||
| Betriebszustand mitKurbelgehäuseheizung | PCX | 0,000 | kW | ||||
| Sonstige Elemente | Für Luft-Wasser-Wärmpumpen: Nenn-Luftdurchsatz, außen | ||||||
| Leistungssteuerung | fest | Für Luft-Wasser-Wärmpumpen: Nenn-Luftdurchsatz, außen | |||||
| Schallleistungspegel, innen/außenStickoxidausstöß | LWA NOx | 49/52 | dB(mg/KWh) | Für Wasser/Sole-Wasser-Wärmpumpen: Wasser- oder Sole-Nenndurchsatz | |||
| Kombiheizgerät mit Wärmpumpe | |||||||
| Angegebenes Lastprofil | - | Wärmbasserbereitungs-Energieeffizienz | ηM | - | % | ||
| Täglicher Stromverbrauch | Qelec | - | kWh | Täglicher Brennstoffverbrauch | Qtuel | - | kWh |
| Kontakt | Glen Dimplex Deutschland GmbH, Am Goldenen Feld 18, 95326 Kulmbach | ||||||
| (*) Für Heizgeräte und Kombiheizgeräte mit Wärmpumpe ist die Wärmenennleistung Prated gleich der Auslegungslast im Heizbetrieb Podesingh und die Wärmenennleistung eines Zusatzheizgerätes Psup möglich der zusaätzlichen Heizleistung sup(Tj). | |||||||
| (**) Wir der Cdh -Wert nicht durch Messung bestimmt, gilt für den Minderungsfaktor der Vorgabewert Cdh = 0,9(-) Nicht zuteffend | |||||||
| Erforderliche Angaben über Raumheizgeräte und Kombiheizgeräte mit Wärmepumpe | |||||||
| Modell | LI 12TU | ||||||
| Luft-Wasser-Wärmepumpe: | ja | ||||||
| Wasser-Wasser-Wärmepumpe: | nein | ||||||
| Sole-Wasser-Wärmepumpe: | nein | ||||||
| Niedertemperatur-Wärmepumpe: | nein | ||||||
| Mit Zusatzherzigerat: | nein | ||||||
| Kombiheizgerät mit Wärmepumpe: | nein | ||||||
| Die Parameter sind für eine Mitteltemperaturanwendung anzugegeben, außer für die Niedertemperatur-Wärmepumpen. Für Niedertemperatur-Wärmepumpen sind die Parameter für eine Niedertemperaturanwendung anzugegeben. | |||||||
| Die Parameter sind für durchschnittliche Klimaerhaltnisse anzugegeben: | |||||||
| Angabe Symbol Wert Einheit Angabe Symbol Wert | Einheit | ||||||
| Wärmenennleistung (*)Prated 6 kW | Jahreszeitbedingte Raumheizungs-Energieeffizienzηs 126 % | ||||||
| Angegebene Leistung für Teilast bei Raumlufttemperatur 20 °C undAußenlufttemperatur Tj | Angegebene Leistungszahl oder Heizzahl für Teilast bei Raumlufttemperatur20 °C und Außenlufttemperatur Tj | ||||||
| Tj = -7°C Pdh 6,9 kW Tj = -7°C | COPd 2,22 -3,17 -4,18 -5,27 -2,00 - | ||||||
| Tj = +2°C Pdh 8,9 kW Tj = +2°C | COPd 3,17 -4,18 - | ||||||
| Tj = +7°C Pdh 11,2 kW Tj = +7°C | COPd 4,18 - | ||||||
| Tj = +12°C Pdh 13,0 kW Tj = +12°C | COPd 5,27 - | ||||||
| Tj = Bivalenztemperatur Pdh 6,4 kW Tj = Bivalenztemperatur COLD 2,00 - | COPd 2,00 - | ||||||
| Tj = Betriebstempaturgrenzungwert Pdh 6,4 kW Tj = Betriebsstempaturgrenzungwert COLD 2,00 - | COPd 2,00 - | ||||||
| Für Luft-Wasser-Wärmepumpen: | Für Luft-Wasser-Wärmepumpen: | ||||||
| Tj = -15°C (wenn TOL < -20°C) Pdh 5,5 kW Tj = -15°C (wenn TOL < -20°C) | COPd 1,63 - | ||||||
| Bivalenztemperatur Tblv -10 °C | Für Luft-Wasser-Wärmepumpen:Betriebsgrenzungwert-Temperaturel TOL -10 °C | ||||||
| Leistung bei zyklischem Interval-Heizbetrieb Pych -kW | Leistungszahl bei zyklischem Interval-Heizbetrieb COPcyc | - | |||||
| Minderungsfaktor (*)Cdh 0,9 - | Grenzwert der Betriebstempatur desHeizwassers WTOL 62 °C | ||||||
| Stromverbrauch in anderen Betriebsarten als dem Betriebszustand | Zusatzherzügeratenennleistung (*)Psup 0 kW | ||||||
| Aus-ZustandPOFF 0,015 kW Wärnenennleistung (*) | Art der Energiezufuhr Elektrisch | ||||||
| Thermostat-aus-Zustand PTO 0,020 kW | |||||||
| Bereitschafts-zustand PSB 0,015 kW | |||||||
| Betriebszustand mitPCK 0,000 kW | |||||||
| Sonstige Elemente | Für Luft-Wasser-Wärmepumpen: Nenn-Luftdurchsatz, außen | ||||||
| Leistungssteuerung fest | Für Wasser/Sole-Wasser-Wärmepumpen: Wasser- oder Sole-Nenndurchsatz | ||||||
| Schallleistungspegel,innen/außenLWA 50/53 dB (mg/kWh) | Für Wasser/Sole-Wasser-Wärmepumpen: Wasser- oder Sole-Nenndurchsatz | ||||||
| Stickoxidausstobq NOx - | |||||||
| Kombiheizgerät mit Wärmepumpe | |||||||
| Angegebenes Lastprofil | - | Wärmwasserbereitungs-Energieeffizienzηm | % | ||||
| Täglicher Stromverbrauch Qelec | - | kWh | Täglicher Brennstoffverbrauch Qtuel | kWh | |||
| Kontakt | Glen Dimplex Deutschland GmbH, Am Goldenen Feld 18, 95326 Kulmbach | ||||||
| (*)Für Heizgeräte und Kombiheizgeräte mit Wärmepumpe ist die Wärmenennleistung Prated具有良好 der Auslegungslast im Heizbetrieb Pdesingh und die Wärmenennleistung eines Zusatzherzügerates Psup具有良好 der zusätzlichen Heizleistung sup(Tj).***)Wird der Cdn-Wert nicht durch Messung bestimmt, gilt für den Minderungsfaktor der Vorgabewert Cdn = 0,9(-) Nicht zuteffend | |||||||
14 Garantieurkunde
(Heizungs-Wärmepumperen, Zentrale Wohnungsluftungsgeräte) gültig für Deutschland und Österreich
(Ausgabestand 11/2019)
Die nachstehenden Bedingungen, die die Voraussetzungen und den Umfang unserer Garantieleistung umschreiben, setzen die Gewährleistungsverpflichtungen des Verkaufers aus dem Kaufvertrag mit dem Endabnehmer unberührt. Für die Geräte leisten wir Garantie gemäß nachstehenden Bedingungen:
Wir beheben unentgeltlich nach Maßgabe der folgenden Bedingungen Mängel am Gerät, die auf einem Material und/oder Herstellungsehler berufen, wenn sie uns unverzüglich nach Feststellung und innerhalb von 24 Monaten nach Lieferung an den Erstendabnehmer gemeldet werden. Bei Ersatzteilen und bei gewerblichem Gebrauch innerhalb von 12 Monaten.
Dieses Gerät fällt nur dann unter diese Garantie, wenn es von einem Kunden in einem der Mitgliedstaaten der Europäischen Union gekauft wurde, es bei Auftreten des Mangels in Deutschland oder Österreich betrieben wird und Garantieleistungen auch in Deutschland oder Österreich erbracht werden können.
Die Behebung der von uns als garantiepflichtig anerkannten Mängel geschiet dadurch, dass die mangelhaften Teile unentgeltlich nach unserer Wahl instandgesetzt oder durch einwandfreie Teile ersetzt werden. Durch Art oder Ort des Einsatzes des Gerätes oder schlechte Zugänglichkeit des Gerätes bedingte außergewöhnliche Kosten der Nachbesserung werden nicht übernommen. Der frei Gerätezugang muss durch den Kunden gestellt werden. Ausgebasta Teile, die wir zurücknahmen, gehen in unser Eigentum über. Die Garantiezeit für Nachbesserungen und Ersatzteile endet mit dem Ablauf der ursprünglichen Garantiezeit für das Gerät. Die Garantie erstreckt sich nicht auf leicht zerbrechliche Teile, die den Wert oder die Gebrauchstauglichkeit des Gerätes nur unwesentlich beeinträchtigen. Es ist jeweils der Original-Kaufbeleg mit Kaufund/oder Lieferdatum vorzulegen.
Eine Garantieleleistung entfällt, wenn vom Kunden oder einem Dritten die entsprechenden VDE-Vorschriften, die Bestimmungen der örtlichen Versorgungsunternehmen oder unsere Montage- und Gebrauchsanweisung sowie die in den Projektierungsunterlagen enthaltenen Hinweise zu Wartungsarbeiten oder Einbindungsschemen nicht beachtet worden sind oder wenn unser faktionsnotwendiges Zubehör nicht eingesetzt wurde. Durch etwa Seiten des Kunden oder Dritter unsachgemäß vorgenommenen Änderungen und Arbeiten, wird die Haftung für die daraus entstehenden Folgen aufgehoben. Die Garantie erstreckt sich auf das Gerät und vom Lieferer bezogene Teile. Nicht vom Lieferer bezogene Teile und Geräte-/Anlagenmängel, die auf nicht vom Lieferer bezogene Teile zurückzuführen sind, fallen nicht unter den Garantieanspruch.
Bei endgültig fehlgeschlagener Nachbesserung wird der Hersteller entweder kostenfrei Erssatz liefern oder den Minderwert vergüten. Im Falle einer Ersatzlieferung behalten wir uns die Geltendmachung einer angemessenen Nutzungsanrechnung für die bisherigeutzungszeit vor. Weitergehende oder andere Ansprüche, insbesondere solche auf Ersatz außerhalb des Gerätes entstandenen Schäden, sind ausgeschlossen.
Eine Veränderung der Garantie auf 60 Monate oder mehr für Heizungs-Wärmpumpen und zentrale Wohnungsluftungsgeräte ab dem Datum der Inbetriebnahme wird gemäß den nachfolgenden Bedingungen gewährt
Voraussetzung für die Übernahme der verlangerten Garantie ist eine kostenpflichtige Feststellung der Betriebstauglichkeit (siehe Pauschalen in der Servicepreisliste) durch den autorisierten Systemtechnik-Kundendienst mit Protokoll zur Betriebstauglichkeits feststellung innerhalb einer Betriebszeit (Verdichterlaufzeit) von weniger als 150 Stunden. Die Beauftragung der kostenpflichtigen Feststellung der Betriebstauglichkeit durch den Systemtechnik-Kundendienst erfolgt schriftlich mit dem entsprechenden Auftragsformular oder mittels der Online-Beauftragung im Internet (www.dimplex.de/garantieverlaengerung). Voraussetzung zur Bestätigung der Garantiezeitveränderung ist die vollständige Bezahlung der Pauschale. Falls im Protokoll der Betriebstauglichkeitsfeststellung Mängel vermerk sind, müssen diese beseitigt werden. Die Bestätigung der Garantiezeitveränderung erfolgt von unter angegebener Adresse nach erfolglicher Feststellung der Betriebstauglichkeit und der Einreichung des Protokolls durch den Systemtechnik-Kundendienst an GDTS. Voraussetzung ist die Prüfung der Daten im Protokoll der Betriebstauglichkeitsfeststellung und die Zustimmung durch GDTS. Die Garantie endet spätestens 72 Monate ab Auslieferung Werk bzw. 78 Monate ab Fertigungsdatum.
Die Pauschale beinhaltet den Arbeitsaufwand für die Feststellung der Betriebstauglichkeit sowie die Fahrtkosten. Es wird keine Haftung für die ordnungsgemäß Planung, Dimensionierung und Ausführung der Gesamtanlage übernommen. Die Behebung von Anlagenmängeln und Wartezeiten sind Sonderleistungen.
Die aktuellen Pauschalen und die damit verbundenen Leistungs-umfänge sind im Internet unter: http://www.dimplex.de/garantieverlaengerung hinterlegt. Hier ist ebenfalls eine Online-Beauftragung integriert.
Glen Dimplex Deutschland GmbH
Abteilung: Service
Am Goldenen Feld 18
95326 Kulmbach
Tel.-Nr.: +49 (0) 9221 709 545
Fax.-Nr.: +49 (0) 9221 709 924545
E-Mail-Adresse: service@gdt.sone
Internet: www.gdt.sone
www.dimplex.de/garantieverlaengerung
www.dimplex.de/seviceauftrag
Für die Auftragsbearbeitung werden der Typ, die Seriennummer S/ N, das Fertigungsdatum FD und falls angegeben der Kundendienstindex KI des Gerätes besteht.
These Angaben befoinden sich auf dem Typschild des Gerates.
Kundendienstadresses:

Table of contents
| 1 | Heizungsvorlauf | Heating water flow | Aller eau de chauffage |
| Ausgang aus der WP | Heat pump outlet | Sortie de la PAC | |
| 1 1/4" AußenGewinde | 1 1/4" external thread | Filetage extérieur 1 1/4" | |
| 2 | Heizungsrücklauf | Heating water return flow | Retour eau de chauffage |
| Eingang in die WP | Heat pump inlet | Entrée dans la PAC | |
| 1 1/4" AußenGewinde | 1 1/4" external thread | Filetage extérieur 1 1/4" | |
| 3 | Durchführung | feedthrough | Passage Condensats |
| Elektreitungen | Condensate | ||
| 4 | Durchführung | feedthrough | Passage optionnel |
| Kondensat | Condensate | Condensats |
2: Dichtmanschette (als Zubehör erhältlich)/Sealing collar (available as an accessory)/
3: Luftkanal (als Zubehor erhältlich)/Air duct (available as an accessory)/
4: Umlaufende Abschragung zur Abdichtung der Stoßkante und Verbesserung
Bei Einsatz eines Dammstreifens oder Stellfuen unter der Wärmenumpe
Muss das Maß entspruchend erhöht werden. The dimensions must be
3.1 Steuerung / Control / Commande

3.2 Steuerung / Control / Commande

An den Steckklemmen N1-J1 bis J11, J19, J20; J23 bis J26 und den Klemmleisten X3, X5.1 liegt Kleinspannung an. Auf keinen Fall darf hier eine höhere Spannung angelegt werden.
ATTENTION!
4.1 Monoenergetische Anlage mit einem Heizkreis und
Sicherheitsventilkombination
Ausdehnungsgefäß Expansion vessel Vase d'

Ruumtemperaturgesteuertes Ventil Room temperature-controlled valve
Absperrentil mit Rückschlagventil
Absperrventil mit Entwasserung
Flexibler Anschlussschlauch
Luft/Wasser-Wärmepumpe
Reihen-Pufferspeicher
Schütz 2. Wärmeerzeuger
Contactor for HG2
Heizungsumwälzpumpe Hauptkreis
Zusatzrücklauffuhler
Die aktuelle CE-Konformitätserklarung finden sie als Download unter:
EinfachAnleitung