SIH 20TE - Wasserpumpe DIMPLEX - Kostenlose Bedienungsanleitung
Finden Sie kostenlos die Bedienungsanleitung des Geräts SIH 20TE DIMPLEX als PDF.
Häufig gestellte Fragen - SIH 20TE DIMPLEX
Laden Sie die Anleitung für Ihr Wasserpumpe kostenlos im PDF-Format! Finden Sie Ihr Handbuch SIH 20TE - DIMPLEX und nehmen Sie Ihr elektronisches Gerät wieder in die Hand. Auf dieser Seite sind alle Dokumente veröffentlicht, die für die Verwendung Ihres Geräts notwendig sind. SIH 20TE von der Marke DIMPLEX.
BEDIENUNGSANLEITUNG SIH 20TE DIMPLEX
Montage- und Gebrauchsanweisung
Sole-Wasser- Wärmepumpe für Innenaufstellung
1.1 Wichtige Hinweise ......DE-2
1.2 Bestimmungsgemäßer Gebrauch......DE-2
1.3 Gesetzliche Vorschriften und Richtlinien......DE-3
1.4 Energiesparende Handhabung der Wärmepumpe......DE-3
2 Verwendungszweck der Wärmepumpe ......DE-3
2.1 Anwendungsbereich......DE-3
2.2 Arbeitsweise......DE-3
3 Grundgerät......DE-4
4 Zubehör DE-4
4.1 Anschlussflansche......DE-4
4.2 Fernbedienung......DE-4
4.3 Gebäudeleittechnik......DE-4
4.4 Wärmemengenzähler WMZ......DE-5
5 Transport......DE-5
6 Aufstellung......DE-6
6.1 Allgemeine Hinweise......DE-6
6.2 Schallemissionen DE-6
7 Montage......DE-6
7.1 Allgemein......DE-6
7.2 Heizungsseitiger Anschluss......DE-6
7.3 Wärmequellenseitiger Anschluss DE-7
7.4 Temperaturfühler DE-7
7.5 Elektrischer Anschluss DE-9
8 Inbetriebnahme DE-10
8.1 Allgemeine Hinweise......DE-10
8.2 Vorbereitung......DE-10
8.3 Vorgehensweise bei Inbetriebnahme DE-10
9 Pflege / Reinigung DE-10
9.1 Pflege DE-10
9.2 Reinigung Heizungsseite DE-10
9.3 Reinigung Wärmequellenseite DE-10
10 Störungen / Fehlersuche......DE-11
11 Außerbetriebnahme / Entsorgung......DE-11
12 Geräteinformation...... DE-12
13 Produktinformationen gemäß Verordnung (EU) Nr.813/2013, Anhang II, Tabelle 2...... DE-13
14 Garantieurkunde...... DE-14
Anhang / Appendix / Annexes ...... A-I
Maßbild / Dimensioned drawing / Schéma coté ...... A-II
Diagramme / Schematics / Diagrammes....A-III
Stromlaufpläne / Wiring diagrams / Schémas électriques ...... A-V
Hydraulisches Einbindungsschema / Hydraulic integration diagram /
1 Bitte sofort lesen
1.1 Wichtige Hinweise
ACHTUNG!
Für den Betrieb und die Wartung einer Wärmepumpe sind die rechtlichen Anforderungen des Landes einzuhalten, in dem die Wärmepumpe betrieben wird. Je nach Kältemittelfüllmenge ist die Dichtheit der Wärmepumpe in regelmäßigen Abständen durch entsprechend geschultes Personal zu überprüfen und zu protokollieren.
ACHTUNG!
Arbeiten an der Wärmepumpe dürfen nur vom autorisierten und sachkundigen Kundendienst durchgeführt werden.
ACHTUNG!
Bei einer externen Ansteuerung der Wärmepumpe bzw. der Umwälzpumpen ist ein Durchflussschalter vorzusehen, der das Einschalten des Verdichters bei fehlendem Volumenstrom verhindert.
ACHTUNG!
Die Wärmepumpe darf nur bis zu einer Neigung von maximal 45° (in jeder Richtung) gekippt werden.
ACHTUNG!
Vor der Inbetriebnahme ist die Transportsicherung zu entfernen.
ACHTUNG!
Vor Anschluss der Wärmepumpe Heizungsanlage spülen.
ACHTUNG!
Bei vollentsalztem Wasser ist darauf zu achten, dass der minimal zulässige pH-Wert von 7,5 (minimal zulässiger Wert für Kupfer) nicht unterschritten wird. Eine Unterschreitung kann zur Zerstörung der Wärmepumpe führen.
ACHTUNG!
Im Wärmequelleneintritt der Wärmepumpe ist der beiliegende Schmutzfänger zu montieren. um den Verdampfer gegen Verunreinigungen zu schützen.
ACHTUNG!
Die Sole muss mindestens zu 25 % aus einem Frostschutz auf Monoethylenglykol- oder Propylenglykolbasis bestehen und ist vor dem Befüllen zu mischen.
ACHTUNG!
Beim Anschluss der Lastleitungen auf Rechtsdrehfeld achten (bei falschem Drehfeld bringt die Wärmepumpe keine Leistung, ist sehr laut und es kann zu Verdichterschäden kommen).
ACHTUNG!
Es ist nicht zulässig über einen Relaisausgang mehr als eine elektronisch geregelte Umwälzpumpe zu schalten.
ACHTUNG!
Die Inbetriebnahme erfolgt gemäß der Montage- und Gebrauchsanweisung des Wärmepumpenregler.
ACHTUNG!
Zur Vermeidung von Ablagerungen (z.B. Rost) im Kondensator der Wärmepumpe wird empfohlen, ein geeignetes Korrosionsschutzsystem einzusetzen.
ACHTUNG!
Vor Öffnen des Gerätes sind alle Stromkreise spannungsfrei zu schalten.
1.2 Bestimmungsgemäßer Gebrauch
Dieses Gerät ist nur für den vom Hersteller vorgesehenen Verwendungszweck freigegeben. Ein anderer oder darüber hinaus gehender Gebrauch gilt als nicht bestimmungsgemäß. Dazu zählt auch die Beachtung der zugehörigen Projektierungsunterlagen. Änderungen oder Umbauten am Gerät sind zu unterlassen.
1.3 Gesetzliche Vorschriften und Richtlinien
Diese Wärmepumpe ist gemäß Artikel 1, Abschnitt 2 k) der EG-Richtlinie 2006/42/EC (Maschinenrichtlinie) für den Gebrauch im häuslichen Umfeld bestimmt und unterliegt damit den Anforderungen der EU-Richtlinie 2014/35/EU (Niederspannungsrichtlinie). Sie ist damit ebenfalls für die Benutzung durch Laien zur Beheizung von Läden, Büros und anderen ähnlichen Arbeitsumgebungen, von landwirtschaftlichen Betrieben und von Hotels, Pensionen und ähnlichen oder anderen Wohneinrichtungen vorgesehen.
Die Wärmepumpe entspricht allen relevanten DIN-/VDE-Vorschriften und EG-Richtlinien. Diese können der CE-Erklärung im Anhang entnommen werden.
Der elektrische Anschluss der Wärmepumpe muss nach den gültigen VDE-, EN- und IEC-Normen ausgeführt werden. Außerdem sind die Anschlussbedingungen der Versorgungsunternehmen zu beachten.
Die Wärmepumpe ist entsprechend den einschlägigen Vorschriften in die Wärmequellen- und Heizungsanlage einzubinden.
Dieses Gerät kann von Kindern ab 8 Jahren und darüber sowie von Personen mit verringerten physischen, sensorischen oder mentalen Fähigkeiten oder Mangel an Erfahrung und Wissen benutzt werden, wenn sie beaufsichtigt oder bezüglich des sicheren Gebrauchs des Gerätes unterwiesen wurden und die daraus resultierenden Gefahren verstehen.
Kinder dürfen nicht mit dem Gerät spielen. Reinigung und Benutzer-Wartung dürfen nicht von Kindern ohne Beaufsichtigung durchgeführt werden.

ACHTUNG!
Arbeiten an der Wärmepumpe dürfen nur vom autorisierten und sachkundigen Kundendienst durchgeführt werden.

ACHTUNG!
Für den Betrieb und die Wartung einer Wärmepumpe sind die rechtlichen Anforderungen des Landes einzuhalten, in dem die Wärmepumpe betrieben wird. Je nach Kältemittelfüllmenge ist die Dichtheit der Wärmepumpe in regelmäßigen Abständen durch entsprechend geschultes Personal zu überprüfen und zu protokollieren.
Nähere Angaben dazu befinden sich im beiliegenden Logbuch.
1.4 Energiesparende Handhabung der Wärmepumpe
Durch das Betreiben dieser Wärmepumpe tragen Sie zur Schonung unserer Umwelt bei. Für den effizienten Betrieb ist eine sorgfältige Bemessung der Heizungsanlage und der Wärmequelle sehr wichtig. Dabei ist besonderes Augenmerk auf möglichst niedrige Wasservorlauftemperaturen zu richten. Darum sollten alle angeschlossenen Wärmeverbraucher für niedrige Vorlauftemperaturen geeignet sein. Eine um 1 K höhere Heizwassertemperatur steigert den elektrischen Energieverbrauch um ca. 2,5 %. Eine Niedertemperaturheizung mit Vorlauftemperaturen zwischen 30 °C und 50 °C ist für einen energiesparenden Betrieb gut geeignet.
2 Verwendung Wärmepumpe
2.1 Anwendungsbereich
Die Sole/Wasser-Wärmepumpe ist ausschließlich für die Erwärmung von Heizungswasser vorgesehen. Sie kann in vorhandenen oder neu zu errichtenden Heizungsanlagen eingesetzt werden. Als Wärmeträger in der Wärmequellenanlage dient ein Gemisch aus Wasser und Frostschutz (Sole). Als Wärmequellenanlage können Erdsonden, Erdkollektoren oder ähnliche Anlagen genutzt werden.
2.2 Arbeitsweise
Das Erdreich speichert Wärme die von Sonne, Wind und Regen eingebracht wird. Diese Erdwärme wird im Erdkollektor, der Erdsonde oder ähnlichem von der Sole bei niedriger Temperatur aufgenommen.
Eine Umwälzpumpe fördert dann die "erwärmte" Sole in den Verdampfer der Wärmepumpe. Dort wird diese Wärme an das Kältemittel im Kältekreislauf abgegeben. Dabei kühlt sich die Sole wieder ab, so dass sie im Solekreis wieder Wärmeenergie aufnehmen kann.
Das Kältemittel wird vom elektrisch angetriebenen Verdichter angesaugt, verdichtet und auf ein höheres Temperaturniveau "gepumpt". Die bei diesem Vorgang zugeführte elektrische Antriebsleistung geht nicht verloren, sondern wird größtenteils dem Kältemittel zugeführt.
Daraufhin gelangt das Kältemittel in den Verflüssiger und überträgt hier wiederum seine Wärmeenergie an das Heizwasser. Abhängig vom Betriebspunkt erwärmt sich so das erhitzte Heizwasser auf bis zu 70 °C.
3 Grundgerät
Das Grundgerät besteht aus einer anschlussfertigen Wärmepumpe für Innenaufstellung mit Blechgehäuse, Schaltkasten und integriertem Wärmepumpenmanager. Der Kältekreis ist „hermetisch geschlossen“ und enthält das vom Kyoto-Protokoll erfasste fluorierte Kältemittel R134a. Angaben zum GWP-Wert und CO₂-Äquivalent des Kältemittels finden sich im Kapitel Geräteinformation. Es ist FCKW-frei, baut kein Ozon ab und ist nicht brennbar..
Im Schaltkasten sind alle für den Betrieb der Wärmepumpe notwendigen Bauteile angebracht. Ein Fühler für die Außentemperatur mit Befestigungsmaterial sowie ein Schmutzfänger liegen der Wärmepumpe bei. Die Zuleitung für Last- und Steuerspannung ist bauseits zu verlegen.
Die Ansteuerung der bauseits zu stellenden Solepumpe ist über den Schaltkasten zu realisieren. Dabei ist - falls erforderlich - für diese ein Motorschutz vorzusehen.
Die Wärmequellenanlage mit Soleverteiler ist bauseits zu erstellen.

text_image
1 2 6 3 4 51) Steuerung
2) Verdampfer
3) Verflüssiger
4) Verdichter
5) Transportsicherung
6) Filtertrockner
4 Z u b e h ö r
4.1 Anschlussflansche
Durch den Einsatz der flachdichtenden Anschlussflansche kann das Gerät optional auf Flanschanschluss umgestellt werden.
4.2 Fernbedienung
Als Komforterweiterung ist im Sonderzubehör eine Fernbedienstation erhältlich. Bedienung und Menüführung sind identisch mit denen des Wärmepumpenmanagers. Der Anschluss erfolgt über eine Schnittstelle (Sonderzubehör) mit Westernstecker RJ 12.
HINWEIS
Bei Heizungsreglern mit abnehmbarem Bedienteil kann dieses direkt als Fernbedienstation genutzt werden.
4.3 Gebäudeleittechnik
Der Wärmepumpenmanager kann durch die Ergänzung der jeweiligen Schnittstellen-Steckkarte an ein Netzwerk eines Gebäudeleitsystems angeschlossen werden. Für den genauen Anschluss und die Parametrierung der Schnittstelle muss die ergänzende Montageanweisung der Schnittstellenkarte beachtet werden.
Für den Wärmepumpenmanager sind folgende Netzwerkverbindungen möglich:
Modbus
EIB, KNX
Ethernet
ACHTUNG!
Bei einer externen Ansteuerung der Wärmepumpe bzw. der Umwälzpumpen ist ein Durchflussschalter vorzusehen, der das Einschalten des Verdichters bei fehlendem Volumenstrom verhindert.
4.4 Wärmemengenzähler WMZ
4.4.1 Allgemeine Beschreibung
Der Wärmemengenzähler (WMZ 25/32) dient dazu, die angegebene Wärmemenge zu erfassen. Er ist als Zubehör erhältlich. Durch den vorhandenen Zusatzwärmetauscher werden für die Erfassung der Wärmemenge zwei Wärmemengenzähler benötigt.
Sensoren im Vor- und Rücklauf der Wärmetauscherleitungen und ein Elektronikmodul erfassen die gemessenen Werte und übertragen ein Signal an den Wärmepumpenmanager, der abhängig von der aktuellen Betriebsart der Wärmepumpe (Heizen/Warmwasser/Schwimmbad) die Wärmemenge in kWh aufsummiert und im Menü Betriebsdaten und Historie zur Anzeige bringt.
HINWEIS
| Der Wärmemengenzähler entspricht den Qualitätsanforderungen des deutschen Marktanreizprogramms zur Förderung von effizienten Wärmepumpen. Er unterliegt nicht der Eichpflicht und ist deshalb nicht zur Heizkostenabrechnung verwendbar! |
4.4.2 Hydraulische und elektrische Einbindung des Wärmemengenzählers
Zur Datenerfassung benötigt der Wärmemengenzähler zwei Messeinrichtungen.
Das Messrohr für die Durchflussmessung
Dieses ist in den Wärmepumpenvorlauf (Durchflussrichtung beachten) zu montieren.
■ Einen Temperatursensor (Kupferrohr mit Tauchhülse)
Dieser ist im Wärmepumpenrücklauf zu montieren.
Der Einbauort der beiden Messrohre sollte sich möglichst nahe an der Wärmepumpe im Erzeugerkreis befinden.
Der Abstand zu Pumpen, Ventilen und anderen Einbauten ist zu beachten, da Verwirbelungen zu Verfälschungen bei der Wärmemengenzählung führen können (empfohlen wird eine Beruhigungsstrecke von 50 cm).

text_image
VMZ Gehäuse - Elektronik L/N/PS 230 V / 50 Hz Impure Wümmenerzuführt 24 V AC NVDX in Vortauf in Rocklauf5 Transport
Zum Transport mit einem Sack- oder Kesselkarren kann dieser an der Stirnseite des Gerätes unter dem Transportschutz angesetzt werden.
Das Gerät kann zum Transport auf ebenem Untergrund von hinten oder vorne mittels Hubwagen oder Gabelstapler angehoben werden. Hierzu ist der Transportschutz nicht unbedingt notwendig.

Die Wärmepumpe darf nur bis zu einer Neigung von maximal 45° (in jeder Richtung) gekippt werden.
Nach dem Transport ist die Transportsicherung im Gerät am Boden beidseitig zu entfernen.

text_image
Transportsicherung entfernen/einschraubenACHTUNG!
Vor der Inbetriebnahme ist die Transportsicherung zu entfernen.
Zum Abnehmen der Fassadierung sind die einzelnen Deckel an den jeweiligen Drehverschlüssen zu öffnen und nur leicht vom Gerät weg zu kippen. Danach können sie nach oben aus der Halterung gehoben werden.
6 Aufstellungontage
6.1 Allgemeine Hinweise
Die Sole/Wasser-Wärmepumpe muss in einem frostfreien und trockenen Raum auf einer ebenen, glatten und waagerechte Fläche aufgestellt werden. Dabei sollte der Rahmen rundum dicht am Boden anliegen, um eine ausreichende Schallabdichtung zu gewährleisten. Ist dies nicht der Fall, können zusätzlich schalldämmende Maßnahmen notwendig werden.
Die Wärmepumpe muss so aufgestellt sein, dass ein Kundendiensteinsatz problemlos durchgeführt werden kann. Dies ist gewährleistet, wenn ein Abstand von ca. 1 m vor der Wärmepumpe eingehalten wird.

text_image
0,5m 1mIm Aufstellraum dürfen zu keiner Jahreszeit Frost oder höhere Temperaturen als 35 °C auftreten.
6.2 Schallemissionen
Aufgrund der wirkungsvollen Schallisolation arbeitet die Wärmepumpe sehr leise. Eine Schwingungsübertragung auf das Fundament bzw. auf das Heizsystem wird durch interne Entkopplungsmaßnahmen weitgehend verhindert.
7.1 Allgemein
An der Wärmepumpe sind folgend Anschlüsse herzustellen:
■ Vor-/Rücklauf Sole (Wärmequellenanlage)
■ Vor-/Rücklauf Heizung
■ Temperaturfühler
Spannungsversorgung
7.2 Heizungsseitiger Anschluss
ACHTUNG!
Vor Anschluss der Wärmepumpe Heizungsanlage spülen.
Bevor die heizwasserseitigen Anschlüsse der Wärmepumpe erfolgen, muss die Heizungsanlage gespült werden, um eventuell vorhandene Verunreinigungen, Reste von Dichtmaterial oder ähnliches, zu entfernen. Ein Ansammeln von Rückständen im Verflüssiger kann zum Totalausfall der Wärmepumpe führen.
Nach erstellter heizungsseitiger Installation ist die Heizungsanlage zu füllen, zu entlüften und abzudrücken.
Beim Füllen der Anlage ist folgendes zu beachten:
■ unbehandeltes Füll- und Ergänzungswasser muss Trinkwasserqualität haben
(farblos, klar, ohne Ablagerungen)
- das Füll- und Ergänzungswasser muss vorfiltriert sein (Porenweite max. 5 µm).
Eine Steinbildung in Warmwasserheizungsanlagen kann nicht vermieden werden, ist aber in Anlagen mit Vorlauftemperaturen kleiner 60 °C vernachlässigbar gering. Bei Hochtemperatur-Wärmepumpen und vor allem bei bivalenten Anlagen im großen Leistungsbereich (Kombination Wärmepumpe + Kessel) können auch Vorlauftemperaturen von 60 °C und mehr erreicht werden. Daher sollte das Füll- und Ergänzungswasser nach VDI 2035 - Blatt 1 folgende Richtwerte erfüllen. Die Werte der Gesamthärte können der Tabelle entnommen werden.
| Gesamtheiz-leistung in kW | Summe Erdalkalien in mol/ m3 bzw. mmol | Spezifisches Anlagenvolumen (VDI 2035) in l/kW | ||
| < 20 | ≥ 20 < 50 | ≥ 50 | ||
| Gesamthärte in °dH | ||||
| < 50 | ≤ 2,0 | ≤ 16,8 | ≤ 11,2 | < 0,111 |
| 50 - 200 ≤ 2,0 | ≤ 11,2 ≤ 8,4 | |||
| 200 - 600 ≤ 1,5 | ≤ 8,4 | < 0,111 | ||
| >600 | < 0,02 | < 0,111 | ||
- Dieser Wert liegt außerhalb des zulässigen Werts für Wärmetauscher in Wärmepumpen.
Abb. 7.1: Richtwerte für Füll- und Ergänzungswasser nach VDI 2035
Bei Anlagen mit überdurchschnittlich großem spezifischem Anlagenvolumen von 50 l/kW empfiehlt die VDI 2035 den Einsatz von vollentsalztem Wasser und einem pH-Stabilisator um die Korrosionsgefahr in der Wärmepumpe und der Heizungsanlage zu minimieren.
ACHTUNG!
Bei vollentsalztem Wasser ist darauf zu achten, dass der minimal zulässige pH-Wert von 7,5 (minimal zulässiger Wert für Kupfer) nicht unterschritten wird. Eine Unterschreitung kann zur Zerstörung der Wärmepumpe führen.
Mindestheizwasserdurchsatz
Der Mindestheizwasserdurchsatz der Wärmepumpe ist in jedem Betriebszustand der Heizungsanlage sicherzustellen. Dieses kann z.B. durch Installation eines doppelt differenzdrucklosen Verteilers erreicht werden.
HINWEIS
Der Einsatz eines Überströmventils ist nur bei Flächenheizungen und einem max. Heizwasserdurchsatz von 1,3 m³/h ratsam. Bei Nichtbeachten kann es zu Störungen der Anlage führen.
Sofern Wärmepumpenmanager und Heizungsumwälzpumpen betriebsbereit sind, arbeitet die Frostschutzfunktion des Wärmepumpenmanagers. Bei Außerbetriebnahme der Wärmepumpe oder Stromausfall ist die Anlage zu entleeren. Bei Wärmepumpenanlagen, an denen ein Stromausfall nicht erkannt werden kann (Ferienhaus), ist der Heizungskreis mit seinem geeigneten Frostschutz zu betreiben.
7.3 Wärmequellenseitiger Anschluss
Folgende Vorgehensweise ist beim Anschluss einzuhalten:
Die Soleleitung am Vor- und Rücklauf Wärmequelle der Wärmepumpe anschließen.
Dabei ist das hydraulische Einbindungsschema zu beachten.
ACHTUNG!
Im Wärmequelleneintritt der Wärmepumpe ist der beiliegende Schmutzfänger zu montieren, um den Verdampfer gegen Verunreinigungen zu schützen.
Die Sole ist vor dem Befüllen der Anlage herzustellen. Die Solekonzentration muss mindestens 25 % betragen. Das gewährleistet Frostsicherheit bis -14 °C.
Es dürfen nur Frostschutzmittel auf Monoethylenglykol- oder Propylenglykolbasis verwendet werden.
Die Wärmequellenanlage ist zu entlüften und auf Dichtheit zu prüfen.
ACHTUNG!
Die Sole muss mindestens zu 25 % aus einem Frostschutz auf Monoethylenglykol- oder Propylenglykolbasis bestehen und ist vor dem Befüllen zu mischen.
HINWEIS
Im Wärmequellenkreis ist ein geeigneter Luftabscheider (Mikroluftblasenabscheider) bauseits vorzusehen.
7.4 Temperaturfühler
Folgende Temperaturfühler sind bereits eingebaut bzw. müssen zusätzlich montiert werden:
■ Außentemperatur (R1) beigelegt (NTC-2)
Rücklauftemperatur Sekundärkreis (R2) eingebaut (NTC-10)
■ Vorlauftemperatur Sekundärkreis (R9) eingebaut (NTC-10)
■ Vorlauftemperatur Primärkreis (R6) eingebaut (NTC-10)
7.4.1 Fühlerkennlinien
Die an den Wärmepumpenmanager anzuschließenden Temperaturfühler müssen der in Abb. 7.2 gezeigten Fühlerkennlinie entsprechen. Einzige Ausnahme ist der im Lieferumfang der Wärmepumpe befindliche Außentemperaturfühler (siehe Abb. 7.3)

line
| Außentemperatur [°C] | Widerranktwert [Ω/m] | | --------------------- | --------------------- | | -20 | 73 | | -15 | 62 | | -10 | 52 | | -5 | 42 | | 0 | 32 | | 5 | 28 | | 10 | 24 | | 15 | 20 | | 20 | 16 | | 25 | 12 | | 30 | 10 | | 35 | 8 | | 40 | 6 | | 45 | 4 | | 50 | 2 | | 55 | 1 | | 60 | 0.5 |Abb. 7.2:Fühlerkennlinie NTC-10

line
| Außentemporatur [°C] | Widerstandwert [kJOhm] | | --------------------- | ---------------------- | | 20 | 14.5 | | 15 | 12.0 | | 10 | 9.0 | | 5 | 6.0 | | 0 | 4.0 | | 5 | 3.0 | | 10 | 2.5 | | 15 | 2.0 | | 20 | 1.8 | | 25 | 1.6 | | 30 | 1.4 | | 35 | 1.2 | | 40 | 1.0 | | 45 | 0.8 | | 50 | 0.6 | | 55 | 0.4 | | 60 | 0.2 |Abb. 7.3: Fühlerkennlinie NTC-2 nach DIN 44574 Außentemperaturfühler
7.4.2 Montage des
Außentemperaturfühlers
Der Temperaturfühler muss so angebracht werden, dass sämtliche Witterungseinflüsse erfasst werden und der Messwert nicht verfälscht wird.
an der Außenwand möglichst an der Nord- bzw. Nordwestseite anbringen
nicht in „geschützter Lage“ (z.B. in einer Mauernische oder unter dem Balkon) montieren
nicht in der Nähe von Fenstern, Türen, Abluftöffnungen, Außenleuchten oder Wärmepumpen anbringen
zu keiner Jahreszeit direkter Sonneneinstrahlung aussetzen
| Auslegungsparameter Fühlerleitung | |
| Leitermaterial CuKabellänge 50 mUmgebungstemperatur 35 °CVerlegeartAußendurchmesser 4-8 mm | |
| B2 (DIN VDE 0298-4 / IEC 60364-5-52) | |
7.4.3 Montage der Anlegefühler
Die Montage der Anlegefühler ist nur notwendig, falls diese im Lieferumfang der Wärmepumpe enthalten, aber nicht eingebaut sind.
Die Anlegefühler können als Rohranlegefühler montiert oder in die Tauchhülse des Kompaktverteilers eingesetzt werden.
Montage als Rohranlegefühler
■ Heizungsrohr von Lack, Rost und Zunder säubern
■ Gereinigte Fläche mit Wärmeleitpaste bestreichen (dünn auftragen)
■ Fühler mit Schlauchschelle befestigen (gut festziehen, lose Fühler führen zu Fehlfunktionen) und thermisch isolieren

text_image
Schlauchschelle Anlegefühler Wärmeisolierung7.4.4 Verteilsystem Hydraulik
Kompaktverteiler und doppelt differenzdruckloser Verteiler fungieren als Schnittstelle zwischen der Wärmepumpe, dem Heizungsverteilsystem, dem Pufferspeicher und evtl. auch dem Warmwasserspeicher. Dabei wird statt vieler Einzelkomponenten ein kompaktes System verwendet, um die Installation zu vereinfachen. Weitere Informationen sind der jeweiligen Montageanweisung zu entnehmen.
Kompaktverteiler
Der Rücklauffühler kann in der Wärmepumpe verbleiben oder ist in die Tauchhülse einzubringen. Der noch vorhandene Hohlraum zwischen Fühler und Tauchhülse muss mit Wärmeleit-paste vollständig ausgefüllt sein.
Doppelt differenzdruckloser Verteiler
Der Rücklauffühler muss in die Tauchhülse des doppelt differenzdrucklosen Verteilers eingebaut werden, um von den Heizkreispumpen der Erzeuger- und Verbraucherkreise durchströmt zu werden.
7.5 Elektrischer Anschluss
7.5.1 Allgemein
Sämtliche elektrische Anschlussarbeiten dürfen nur von einer Elektrofachkraft oder einer Fachkraft für festgelegte Tätigkeiten unter Beachtung der
■ Montage- und Gebrauchsanweisung,
■ länderspezifischen Installationsvorschriften z.B. VDE 0100
■ technischen Anschlussbedingungen der Energieversorger- und Versorgungsnetzbetreiber (z.B. TAB) und
■ örtlicher Gegebenheiten
durchgeführt werden.
Zur Gewährleistung der Frostschutzfunktion darf der Wärmepumpenmanager nicht spannungsfrei geschaltet werden und die Wärmepumpe muss durchströmt werden.
Die Schaltkontakte der Ausgangsrelais sind entstört. Deshalb wird abhängig vom Innenwiderstand eines Messinstruments auch bei nicht geschlossenen Kontakten eine Spannung gemessen, die aber weit unterhalb der Netzspannung liegt.
An den Regler-Klemmen N1-J1 bis N1-J11; N1-J24 bis N1-J26 und der Klemmleiste X3; X5 liegt Kleinspannung an. Wenn wegen eines Verdrahtungsfehlers an diese Klemmen Netzspannung angelegt wird, wird der Wärmepumpenmanager zerstört.
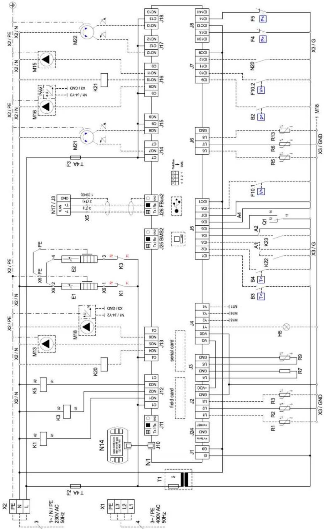
7.5.2 Elektrische Anschlussarbeiten
1) Die 4-adrige elektrische Versorgungsleitung für den Leistungsteil der Wärmepumpe wird vom Stromzähler der Wärmepumpe über das EVU-Sperrschütz (falls gefordert) in die Wärmepumpe geführt (Lastspannung siehe GI-Blatt). Anschluss der Lastleitung am Schaltblech der Wärmepumpe über Klemmen X1: L1/L2/L3/PE.
ACHTUNG!
Beim Anschluss der Lastleitungen auf Rechtsdrehfeld achten (bei falschem Drehfeld bringt die Wärmepumpe keine Leistung, ist sehr laut und es kann zu Verdichterschäden kommen).
In der Leistungsversorgung für die Wärmepumpe ist eine allpolige Abschaltung mit mindestens 3 mm Kontaktöffnungsabstand (z.B. EVU-Sperrschütz, Leistungsschütz), sowie ein allpoliger Sicherungsautomat, mit gemeinsamer Auslösung aller Außenleiter, vorzusehen (Auslösestrom und Charakteristik gemäß Geräteinformation).
2) Die 3-adrige elektrische Versorgungsleitung für den Wärmepumpenmanager (Heizungsregler N1) wird in die Wärmepumpe geführt. Anschluss der Steuerleitung am Schaltblech der Wärmepumpe über Klemmen X2: L/N/PE. Die Versorgungsleitung (L/N/PE\~230 V, 50 Hz) für den WPM muss an Dauerspannung liegen und ist aus diesem Grund vor dem EVU-Sperrschütz abzugreifen bzw. an den Haushaltsstrom anzuschließen, da sonst während der EVU-Sperre wichtige Schutzfunktionen außer Betrieb sind.
3) Das EVU-Sperrschütz (K22) mit Hauptkontakten und einem Hilfskontakt ist entsprechend der Wärmepumpenleistung auszulegen und bauseits beizustellen.
Der Schließer-Kontakt des EVU-Sperrschütz wird von Klemmleiste G/24 V AC zur Steckerklemme J5/ID3 geschleift. VORSICHT! Kleinspannung!
4) Das Schütz (K20) für den Tauchheizkörper (E10) ist bei monoenergetischen Anlagen (2.WE) entsprechend der Heizkörperleistung auszulegen und bauseits beizustellen. Die Ansteuerung (230 V AC) erfolgt aus dem Wärmepumpenmanager über die Klemmen N und N1-J13/NO4
5) Das Schütz (K21) für die Flanschheizung (E9) im Warmwasserspeicher ist entsprechend der Heizkörperleistung auszulegen und bauseits beizustellen. Die Ansteuerung (230 V AC) erfolgt aus dem WPM über die Klemmen N und N1-J16/NO 10.
6) Die Schütze der Punkte 3;4;5 werden in die Elektroverteilung eingebaut. Lastleitungen für eingebaute Heizungen sind gemäß den gültigen Normen und Vorschriften auszulegen und abzusichern.
7) Alle installierten elektrischen Leitungen müssen als dauerhafte und feste Verdrahtung ausgeführt sein.
8) Die Heizungsumwälzpumpe (M13) wird an N1-J13/NO5 und X2/N angeschlossen. Bei Verwendung von Pumpen, die die Schaltkapazität des Ausgangs übersteigen muss ein Koppelrelais zwischengeschaltet werden.
9) Die Zusatzumwälzpumpe (M16) wird an N1-J16/NO9 und X2/N angeschlossen. Bei Verwendung von Pumpen, die die Schaltkapazität des Ausgangs übersteigen muss ein Koppelrelais zwischengeschaltet werden.
10) Die Warmwasserladepumpe (M18) wird an N1-J12/NO6 und X2/N angeschlossen. Bei Verwendung von Pumpen, die die Schaltkapazität des Ausgangs übersteigen muss ein Koppelrelais zwischengeschaltet werden.
11) Die Sole- bzw. Brunnenpumpe (M11) wird über den Kontakt N1-J12/NO3 angesteuert. Anschlusspunkte für die Pumpe sind an Schütz K5:2/4/6. Ein Koppelrelais ist in diesem Ausgang bereits integriert.
12) Der Rücklauffühler (R2) ist bei der Wärmepumpe für Innenaufstellung integriert.
Der Anschluss am WPM erfolgt an den Klemmen: GND und N1-J2/U2.
13) Der Außenfühler (R1) wird an den Klemmen GND und N1-J2/U1 angeklemmt.
14) Der Warmwasserfühler (R3) liegt dem Warmwasserspeicher bei und wird an den Klemmen X3/GND und N1-J2/U3 angeklemmt.

Das Netzkabel ist durch die Führungsrohre seitlich in den Schaltkasten zu führen und mit der Zugentlastung zu sichern.
7.5.3 Anschluss von elektronisch geregelten Umwälzpumpen
Elektronisch geregelte Umwälzpumpen weisen hohe Anlaufströme auf, die unter Umständen die Lebenszeit des Wärmepumpenmanagers verkürzen können. Aus diesem Grund, ist zwischen dem Ausgang des Wärmepumpenmanagers und der elektronisch geregelten Umwälzpumpe ein Koppelrelais zu installieren bzw. installiert. Dies ist nicht erforderlich, wenn der zulässige Betriebsstrom von 2 A und ein maximaler Anlaufstrom von 12 A der elektronisch geregelten Umwälzpumpe nicht überschritten wird, oder es liegt eine ausdrückliche Freigabe des Pumpenherstellers vor.
ACHTUNG!
Es ist nicht zulässig über einen Relaisausgang mehr als eine elektronisch geregelte Umwälzpumpe zu schalten.
8 Inbetriebnahme
8.1 Allgemeine Hinweise
Um eine ordnungsgemäße Inbetriebnahme zu gewährleisten, sollte diese von einem vom Werk autorisierten Kundendienst durchgeführt werden. Unter bestimmten Bedingungen ist damit eine zusätzliche Garantieleistung verbunden (vgl. Garantieleistung).
8.2 Vorbereitung
Vor der Inbetriebnahme müssen folgende Punkte geprüft werden:
Alle Anschlüsse der Wärmepumpe müssen, wie in Kapitel 7 beschrieben, montiert sein.
■ Die Wärmequellenanlage und der Heizkreis müssen gefüllt und geprüft sein.
Der Schmutzfänger muss im Soleeintritt der Wärmepumpe eingebaut sein.
Im Sole- und Heizkreislauf müssen alle Schieber, den den korrekten Fluss behindern könnten, geöffnet sein.
Der Wärmepumpenregler muss gemäß seiner Gebrauchsanweisung auf die Heizungsanlage abgestimmt sein.
8.3 Vorgehensweise bei Inbetriebnahme
Die Inbetriebnahme der Wärmepumpe erfolgt über den Wärmepumpenmanager.
ACHTUNG!
Die Inbetriebnahme erfolgt gemäß der Montage- und Gebrauchsanweisung des Wärmepumpenmanagers.
9 Pflege / Reinigung
9.1 Pflege
Um Betriebsstörungen durch Schmutzablagerungen in den Wärmetauschern zu vermeiden, ist dafür Sorge zu tragen, dass keinerlei Verschmutzungen in die Wärmequellen- und Heizungsanlage gelangen können. Sollte es dennoch zu derartigen Betriebsstörungen kommen, ist die Anlage wie unten angegeben zu reinigen.
9.2 Reinigung Heizungsseite
Sauerstoff kann im Heizwasserkreis, insbesondere bei Verwendung von Stahlkomponenten, Oxidationsprodukte (Rost) bilden. Diese gelangen über Ventile, Umwälzpumpen oder Kunststofffrohre in das Heizsystem. Deshalb sollte besonders bei den Rohren der Fußbodenheizung auf eine diffusionsdichte Installation geachtet werden.
ACHTUNG!
Zur Vermeidung von Ablagerungen (z.B. Rost) im Kondensator der Wärmepumpe wird empfohlen, ein geeignetes Korrosionsschutzsystem einzusetzen.
Auch Reste von Schmier- und Dichtmitteln können das Heizwasser verschmutzen.
Sind die Verschmutzungen so stark, dass sich die Leistungsfähigkeit des Verflüssigers in der Wärmepumpe verringert, muss ein Installateur die Anlage reinigen.
Nach heutigem Kenntnisstand empfehlen wir, die Reinigung mit einer 5 %-igen Phosphorsäure oder, falls häufiger gereinigt werden muss, mit einer 5 %-igen Ameisensäure durchzuführen.
In beiden Fällen sollte die Reinigungsflüssigkeit Raumtemperatur haben. Es ist empfehlenswert, den Wärmetauscher entgegen der normalen Durchflussrichtung zu spülen.
Um zu verhindern, dass säurehaltiges Reinigungsmittel in den Heizungsanlagenkreislauf gelangt, empfehlen wir, das Spülgerät direkt an den Vor- und Rücklauf des Verflüssigers der Wärmepumpe anzuschließen.
Danach muss mit geeigneten neutralisierenden Mitteln gründlich nachgespült werden, um Beschädigungen durch eventuell im System verbliebene Reinigungsmittelreste zu verhindern.
Die Säuren sind mit Vorsicht anzuwenden und es sind die Vorschriften der Berufsgenossenschaften einzuhalten.
Die Herstellerangaben des Reinigungsmittels sind in jedem Fall zu beachten.
9.3 Reinigung Wärmequellenseite
ACHTUNG!
Im Wärmequelleneintritt der Wärmepumpe ist der beiliegende Schmutzfänger zu montieren, um den Verdampfer gegen Verunreinigungen zu schützen.
Einen Tag nach der Inbetriebnahme sollte das Filtersieb des Schmutzfängers gereinigt werden. Weitere Kontrollen sind je nach Verschmutzung festzulegen. Sind keine Verunreinigungen mehr erkennbar, kann das Sieb des Schmutzfängers ausgebaut werden, um die Druckverluste zu reduzieren.
10 Störungen / Fehlersuche
Diese Wärmepumpe ist ein Qualitätsprodukt und sollte störungsfrei arbeiten. Tritt dennoch eine Störung auf, wird diese im Display des Wärmepumpenmanagers angezeigt. Schlagen Sie dazu auf der Seite Störungen und Fehlersuche in der Montage- und Gebrauchsanweisung des Wärmepumpenmanagers nach. Wenn die Störung nicht selbst behoben werden kann, verständigen Sie bitte den zuständigen Kundendienst.
ACHTUNG!
Arbeiten an der Wärmepumpe dürfen nur vom autorisierten und sachkundigen Kundendienst durchgeführt werden.
ACHTUNG!
Vor Öffnen des Gerätes sind alle Stromkreise spannungsfrei zu schalten.
11 Außerbetriebnahme / Entsorgung
Bevor die Wärmepumpe ausgebaut wird, ist die Maschine spannungsfrei zu schalten und abzuschiebern. Der Ausbau der Wärmepumpe muss durch Fachpersonal erfolgen. Umweltrelevante Anforderungen in Bezug auf Rückgewinnung, Wiederverwendung und Entsorgung von Betriebsstoffen und Bauteilen gemäß den gängigen Normen sind einzuhalten. Dabei ist besonders Wert auf eine fachgerechte Entsorgung des Kältemittels und Kälteöles zu legen.
12 Geräteinformation
| 1 Typ- und Verkaufsbezeichnung | SIH 20TE | ||||
| 2 Bau form | |||||
| 2.1 Schutzart nach EN 60 529 IP 21 | |||||
| 2.2 Aufstellungsort Innen | |||||
| 3 Leistungsangaben | |||||
| 3.1 Temperatur-Betriebseinsatzgrenzen: | |||||
| Heizwasser-Vorlauf °C bis 70 | |||||
| Sole (Wärmequelle) °C -5 bis +25 | |||||
| Frostschutzmittel Monoethylenglykol | |||||
| Minimale Solekonzentration (-13 °C Einfriertemperatur) 25% | |||||
| 3.2 Heizwasser-Temperaturspreizung bei B0 / W35 | K | 9,9 | 5,0 | ||
| 3.3 Wärmeleistung / Leistungszahl | bei B-5 / W551 | kW / --- | 2 | 18,1 / 2,5 | |
| kW / --- | 3 | 9,1 / 2,5 | |||
| bei B0 / W451 | kW / --- | 2 | 20,5 / 3,4 | ||
| kW / --- | 3 | 10,5 / 3,4 | |||
| bei B0 / W501 | kW / --- | 2 | 21,3 / 3,3 | ||
| kW / --- | 3 | 10,5 / 3,2 | |||
| bei B0 / W351 | kW / --- | 2 | 21,8 / 4,7 | 21,4 / 4,4 | |
| kW / --- | 3 | 11,8 / 4,8 | 11,5 / 4,6 | ||
| 3.4 Schall-Leistungspegel | dB(A) | 62 | |||
| 3.5 Schalldruck-Pegel in 1 m Entfernung | dB(A) | 47 | |||
| 3.6 Heizwasserdurchfluss bei interner Druckdifferenz | m3/h / Pa | 1,9 / 2310 | 3,7 / 8500 | ||
| 3.7 Soledurchsatz bei interner Druckdifferenz(Wärmequelle) | m3/h / Pa | 5,1 / 11000 | 4,9 / 10200 | ||
| 3.8 Kältemittel Gesamt-Füllgewicht | Typ / kg | R134a / 4,2 | |||
| 3.9 GWP-Wert / CO2Äquivalent | --- / t | 1430 / 6 | |||
| 3.10 Kältekreis hermetisch geschlossen | ja | ||||
| 3.11 Schmiermittel / Gesamt-Füllmenge | Typ / Liter | Polyolester (POE) / 3,54 | |||
| 4 Abmessungen, Anschlüsse und Gewicht | |||||
| 4.1 Geräteabmessungen ohne Anschlüsse4 | H x B x L mm | 1660 x 1000 x 750 | |||
| 4.2 Geräteanschlüsse für Heizung | Zoll | G 1 1/4" i/a | |||
| 4.3 Geräteanschlüsse für Wärmequelle | Zoll | G 1 1/2" i/a | |||
| 4.4 Gewicht der Transporteinheit(en) incl. Verpackung | kg | 307 | |||
| 5 Elektrischer Anschluss | |||||
| 5.1 Nennspannung / Absicherung | V / A | 400 / 25 | |||
| 5.2 Nennaufnahme1B0 W35 | kW | 4,70 | 4,86 | ||
| 5.3 Anlaufstrom m. Sanftanlasser | A | 30 | |||
| 5.4 Nennstrom B0 W35 / cos φ2 | A / --- | 8,48 / 0,8 | 8,77 / 0,8 | ||
| 5.5 max. Leistungsaufnahme Verdichterschutz(pro Verdichter) | W | 70 | |||
| 6 Entspricht den europäischen Sicherheitsbestimmungen | 5 | ||||
| 7 Sonstige Ausführungsmerkmale | |||||
| 7.1 Wasser im Gerät gegen Einfrieren geschützt6 | ja | ||||
| 7.2 Leistungsstufen | 2 | ||||
| 7.3 Regler intern / extern | intern | ||||
- Diese Angaben charakterisieren die Größe und die Leistungsfähigkeit der Anlage. Für wirtschaftliche und energetische Betrachtungen sind Bivalenzpunkt und Regelung zu berücksichtigen. Dabei bedeuten z.B. B10 / W55: Wärmequellentemperatur 10 °C und Heizwasser-Vorlauftemperatur 55 °C.
- 2-Verdichter-Betrieb
- 1-Verdichter-Betrieb
- Beachten Sie, dass der Platzbedarf für Rohranschluss, Bedienung und Wartung größer ist.
- siehe CE-Konformitätserklärung
- Die Heizungsumwälzpumpe und der Wärmepumpenmanager müssen immer betriebsbereit sein.
13 Produktinformationen gemäß Verordnung (EU) Nr.813/2013, Anhang II, Tabelle 2
| Erforderliche Angaben über Raumheizgeräte und Kombiheizgeräte mit Wärmepumpe | ||||||
| Modell SIH 20TE | ||||||
| Luft-Wasser-Wärmepumpe: nein | ||||||
| Wasser-Wasser-Wärmepumpe: nein | ||||||
| Sole-Wasser-Wärmepumpe: ja | ||||||
| Niedertemperatur-Wärmepumpe: nein | ||||||
| Mit Zusatzheizgerät: nein | ||||||
| Kombiheizgerät mit Wärmepumpe: nein | ||||||
| Die Parameter sind für eine Mitteltemperaturanwendung anzugeben, außer für die Niedertemperatur-Wärmepumpen. Für Niedertemperatur-Wärmepumpen sind die Parameter für eine Niedertemperaturanwendung anzugeben. | ||||||
| Die Parameter sind für durchschnittliche Klimaverhältnisse anzugeben: | ||||||
| Angabe Symbol Wert Einheit Angabe Symbol Wert | Einheit | |||||
| Wärmenennleistung (*) Prated 20 kW | Jahreszeitbedingte Raumheizungs-Energieeffizienz _g 132 % | |||||
| Angegebene Leistung für Teillast bei Raumlufttemperatur 20 °C und Außenlufttemperatur Tj | Angegebene Leistungszahl oder Heizzahl für Teillast bei Raumlufttemperatur 20 °C und Außenlufttemperatur Tj | |||||
| Tj = -7°C Pdh 20,6 kW Tj = -7°C | COPd 2,89 - | |||||
| Tj = +2°C Pdh 20,9 kW Tj = +2°C | COPd 3,45 - | |||||
| Tj = +7°C Pdh 21,2 kW Tj = +7°C | COPd 3,90 - | |||||
| Tj = +12°C Pdh 21,4 kW Tj = +12°C | COPd 4,47 - | |||||
| Tj = Bivalenztemperatur Pdh 20,4 kW Tj = Bivalenztemperatur | COPd 2,75 - | |||||
| Tj = Betriebstemperaturgrenzwert Pdh 20,4 kW Tj = Betriebstemperaturgrenzwert | COPd 2,75 - | |||||
| Für Luft-Wasser-Wärmepumpen: | Für Luft-Wasser-Wärmepumpen: | |||||
| Tj = -15°C (wenn TOL < -20°C) Pdh 20,4 kW Tj = -15°C (wenn TOL < -20°C) | COPd 2,75 - | |||||
| Bivalenztemperatur T_biv -10 °C | Für Luft-Wasser-Wärmepumpen: Betriebsgrenzwert-Temperatur TOL -10 °C | |||||
| Leistung bei zyklischem Intervall-Heizbetrieb Pcych - kW | Leistungszahl bei zyklischem Intervall-Heizbetrieb COPcyc - | |||||
| Minderungsfaktor (**) Cdh 0,9 - | Grenzwert der Betriebstemperatur des Heizwassers WTOL 70 °C | |||||
| Stromverbrauch in anderen Betriebsarten als dem Betriebszustand | Zusatzheizgerät | |||||
| Aus-Zustand P_OFF 0,015 kW Wärmenennleistung (*) | Psup 0,00 kW | |||||
| Thermostat-aus-Zustand P_TO 0,020 kW Art der Energiezufuhr Elektrisch | ||||||
| Bereitschaftszustand P_SB 0,015 kW | ||||||
| Betriebszustand mit P_CK 0,000 kW | ||||||
| Sonstige Elemente | ||||||
| Leistungssteuerung fest | Für Luft-Wasser-Wärmepumpen: Nenn-Luftdurchsatz, außen - m3/h | |||||
| Schalleistungspegel, innen/außen L_WA 62/- dB (mg/kWh) | Für Wasser/Sole-Wasser-Wärmepumpen: Wasser- oder Sole-Nenndurchsatz - 4,9 m3/h | |||||
| Stickoxidausstoß NO_x - | ||||||
| Kombiheizgerät mit Wärmepumpe | ||||||
| Angegebenes Lastprofil - | Warmwasserbereitungs-Energieeffizienz _wh - % | |||||
| Täglicher Stromverbrauch Q_elec - kWh Täglicher Brennstoffverbrauch Q_fuel - kWh | ||||||
| Kontakt Glen Dimplex Deutschland GmbH, Am Goldenen Feld 18, 95326 Kulmbach | ||||||
| (*) Für Heizgeräte und Kombiheizgeräte mit Wärmepumpe ist die Wärmenennleistung Prated gleich der Auslegungslast im Heizbetrieb Pdesingh und die Wärmenennleistung eines Zusatzheizgerätes Psup gleich der zusätzlichen Heizleistung sup(Tj). | ||||||
| (**) Wird der Cdh -Wert nicht durch Messung bestimmt, gilt für den Minderungsfaktor der Vorgabewert Cdh = 0,9 (-) Nicht zutreffend | ||||||
14 Garantieurkunde
(Heizungs-Wärmepumpen, Zentrale Wohnungslüftungsgeräte) gültig für Deutschland und Österreich
(Ausgabestand 11/2019)
Die nachstehenden Bedingungen, die die Voraussetzungen und den Umfang unserer Garantieleistung umschreiben, lassen die Gewährleistungsverpflichtungen des Verkäufers aus dem Kaufvertrag mit dem Endabnehmer unberührt. Für die Geräte leisten wir Garantie gemäß nachstehenden Bedingungen:
Wir beheben unentgeltlich nach Maßgabe der folgenden Bedingungen Mängel am Gerät, die auf einem Material und/oder Herstellungsfehler beruhen, wenn sie uns unverzüglich nach Feststellung und innerhalb von 24 Monaten nach Lieferung an den Erstendabnehmer gemeldet werden. Bei Ersatzteilen und bei gewerblichem Gebrauch innerhalb von 12 Monaten.
Dieses Gerät fällt nur dann unter diese Garantie, wenn es von einem Kunden in einem der Mitgliedstaaten der Europäischen Union gekauft wurde, es bei Auftreten des Mangels in Deutschland oder Österreich betrieben wird und Garantieleistungen auch in Deutschland oder Österreich erbracht werden können.
Die Behebung der von uns als garantiepflichtig anerkannten Mängel geschieht dadurch, dass die mangelhaften Teile unentgeltlich nach unserer Wahl instandgesetzt oder durch einwandfreie Teile ersetzt werden. Durch Art oder Ort des Einsatzes des Gerätes oder schlechte Zugänglichkeit des Gerätes bedingte außergewöhnliche Kosten der Nachbesserung werden nicht übernommen. Der freie Gerätezugang muss durch den Kunden gestellt werden. Ausgebaute Teile, die wir zurücknehmen, gehen in unser Eigentum über. Die Garantiezeit für Nachbesserungen und Ersatzteile endet mit dem Ablauf der ursprünglichen Garantiezeit für das Gerät. Die Garantie erstreckt sich nicht auf leicht zerbrechliche Teile, die den Wert oder die Gebrauchstauglichkeit des Gerätes nur unwesentlich beeinträchtigen. Es ist jeweils der Original-Kaufbeleg mit Kauf- und/oder Lieferdatum vorzulegen.
Eine Garantieleistung entfällt, wenn vom Kunden oder einem Dritten die entsprechenden VDE-Vorschriften, die Bestimmungen der örtlichen Versorgungsunternehmen oder unsere Montage- und Gebrauchsanweisung sowie die in den Projektierungsunterlagen enthaltenen Hinweise zu Wartungsarbeiten oder Einbindungsschemen nicht beachtet worden sind oder wenn unser funktionsnotwendiges Zubehör nicht eingesetzt wurde. Durch etwa seitens des Kunden oder Dritter unsachgemäß vorgenommenen Änderungen und Arbeiten, wird die Haftung für die daraus entstehenden Folgen aufgehoben. Die Garantie erstreckt sich auf das Gerät und vom Lieferer bezogene Teile. Nicht vom Lieferer bezogene Teile und Geräte-/Anlagenmängel, die auf nicht vom Lieferer bezogene Teile zurückzuführen sind, fallen nicht unter den Garantieanspruch.
Bei endgültig fehlgeschlagener Nachbesserung wird der Hersteller entweder kostenfreien Ersatz liefern oder den Minderwert vergüten. Im Falle einer Ersatzlieferung behalten wir uns die Geltendmachung einer angemessenen Nutzungsanrechnung für die bisherige Nutzungszeit vor. Weitergehende oder andere Ansprüche, insbesondere solche auf Ersatz außerhalb des Gerätes entstandenen Schäden, sind ausgeschlossen.
Eine Verlängerung der Garantie auf 60 Monate oder mehr für Heizungs-Wärmepumpen und zentrale Wohnungslüftungsgeräte ab dem Datum der Inbetriebnahme wird gemäß den nachfolgenden Bedingungen gewährt
Voraussetzung für die Übernahme der verlängerten Garantie ist eine kostenpflichtige Feststellung der Betriebstauglichkeit (siehe Pauschalen in der Servicepreisliste) durch den autorisierten Systemtechnik-Kundendienst mit Protokoll zur Betriebstauglichkeitsfeststellung innerhalb einer Betriebszeit (Verdichterlaufzeit) von weniger als 150 Stunden. Die Beauftragung der kostenpflichtigen Feststellung der Betriebstauglichkeit durch den Systemtechnik-Kundendienst erfolgt schriftlich mit dem entsprechenden Auftragsformular oder mittels der Online-Beauftragung im Internet (www.dimplex.de/garantieverlaengerung). Voraussetzung zur Bestätigung der Garantiezeitverlängerung ist die vollständige Bezahlung der Pauschale. Falls im Protokoll der Betriebstauglichkeitsfeststellung Mängel vermerkt sind, müssen diese beseitigt werden. Die Bestätigung der Garantiezeitverlängerung erfolgt von unten angegebener Adresse nach erfolgreicher Feststellung der Betriebstauglichkeit und der Einreichung des Protokolls durch den Systemtechnik-Kundendienst an GDTS. Voraussetzung ist die Prüfung der Daten im Protokoll der Betriebstauglichkeitsfeststellung und die Zustimmung durch GDTS. Die Garantie endet spätestens 72 Monate ab Auslieferung Werk bzw. 78 Monate ab Fertigungsdatum.
Die Pauschale beinhaltet den Arbeitsaufwand für die Feststellung der Betriebstauglichkeit sowie die Fahrtkosten. Es wird keine Haftung für die ordnungsgemäße Planung, Dimensionierung und Ausführung der Gesamtanlage übernommen. Die Behebung von Anlagenmängeln und Wartezeiten sind Sonderleistungen.
Die aktuellen Pauschalen und die damit verbundenen Leistungsumfänge sind im Internet unter: http://www.dimplex.de/garantieverlaengerung hinterlegt. Hier ist ebenfalls eine Online-Beauftragung integriert.
Glen Dimplex Deutschland GmbH
Abteilung: Service
Am Goldenen Feld 18
95326 Kulmbach
Tel.-Nr.: +49 (0) 9221 709 545
Fax.-Nr.: +49 (0) 9221 709 924545
E-Mail-Adresse: service@gdts.one
Internet: www.gdts.one
www.dimplex.de/garantieverlaengerung
www.dimplex.de/seviceauftrag
Für die Auftragsbearbeitung werden der Typ, die Seriennummer S/N, das Fertigungsdatum FD und falls angegeben der Kundendienstindex KI des Gerätes benötigt.
Diese Angaben befinden sich auf dem Typschild des Gerätes.
Kundendienstadresse:

Hydraulisches Einbindungsschema / Hydraulic integration diagram /
4 Hydraulisches Einbindungsschema / Hydraulic integration diagram /
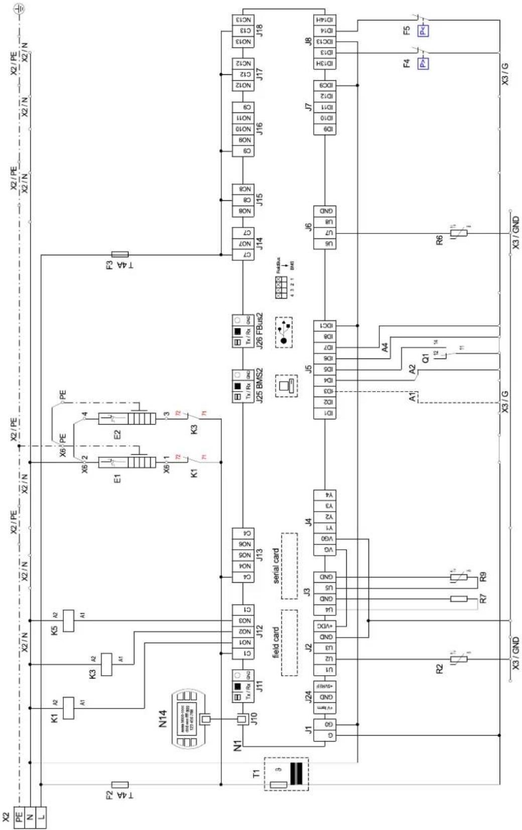
3.1 Steuerung / Control / Commande

flowchart
graph TD
subgraph Power Line
X2["PE"] --> X2/PE["X2/PE"]
X1["PE"] --> X2/PE
X2/PE --> X2/PE
X2/PE --> X2/PE
X2/PE --> X2/PE
X2/PE --> X2/PE
X2/PE --> X2/PE
X2/PE --> X2/PE
X2/PE --> X2/PE
X2/PE --> X2/PE
X2/PE --> X2/PE
X2/PE <-->|+| F4["F4"]
X2/PE <-->|+| F5["F5"]
X2/PE <-->|+| T4A["T4A"]
X2/PE <-->|+| K1["K1"]
X2/PE <-->|+| K3["K3"]
X2/PE <-->|+| K5["K5"]
X2/PE <-->|+| A1["A1"]
X2/PE <-->|+| A2["A2"]
X2/PE <-->|+| A3["A3"]
X2/PE <-->|+| A4["A4"]
X2/PE <-->|+| A5["A5"]
X2/PE <-->|+| A6["A6"]
X2/PE <-->|+| A7["A7"]
X2/PE <-->|+| A8["A8"]
X2/PE <-->|+| A9["A9"]
X2/PE <-->|+| A10["A10"]
X2/PE <-->|+| A11["A11"]
X2/PE <-->|+| A12["A12"]
X2/PE <-->|+| A13["A13"]
X2/PE <-->|+| A14["A14"]
X2/PE <-->|+| A15["A15"]
X2/PE <-->|+| A16["A16"]
X2/PE <-->|+| A17["A17"]
X2/PE <-->|+| A18["A18"]
X2/PE <-->|+| C1["E1"]
X2/PE <-->|+| E1["E1"]
X2/PE <-->|+| E2["E2"]
X2/PE <-->|+| E3["E3"]
X2/PE <-->|+| E4["E4"]
X2/PE <-->|+| E5["E5"]
X2/PE <-->|+| E6["E6"]
X2/PE <-->|+| E7["E7"]
X2/PE <-->|+| E8["E8"]
X2/PE <-->|+| E9["E9"]
X2/PE <-->|+| E10["E10"]
X2/PE <-->|+| E11["E11"]
X2/PE <-->|+| E12["E12"]
X2/PE <-->|+| E13["E13"]
X2/PE <-->|+| E14["E14"]
X2/PE <-->|+| E15["E15"]
X2/PE <-->|+| E16["E16"]
X2/PE <-->|+| E17["E17"]
X2/PE <-->|+| E18["E18"]
end
subgraph Power Line
N1["N1"] --> J10["J10"]
J10 --> J11["Tx/Rx GND"]
J11 --> J12["C1 NO1 NO2 NO3 C1"]
J12 --> J13["C4 NO4 NO5 NO6 C4"]
end
subgraph Serial Card
J1["J1"] --> J24["J24"]
J24 --> J3["J3"]
J3 --> J4["VG VG0 Y1 Y2 Y3 Y4"]
end
subgraph Field Bus
J5["J5"] --> ID1["ID1 ID2 ID3 ID4 ID5 ID6 ID7 ID8 IDC1"]
end
subgraph Output Line
J6["J6"] --> ID6["U6 U7 U8 GND"]
end
subgraph Control Panel
R2["R2"] --> G0["G0 HN GND +WRW U1 U2 U3 GND +VDC U4 GND U5 GND VG VG0 Y1 Y2 Y3 Y4"]
end
subgraph Grid Pin
J3 --> J4
end
subgraph Power Line
J6 --> J7["J7"] --> ID9[ID9 ID10 ID11 ID12 IDC9 ID13 IDC13 ID14 ID15 ID16 ID17 ID18 ID19 ID20 ID21 ID22 ID23 ID24 ID25 ID26 ID27 ID28 ID29 ID30 ID31 ID32 ID33 ID34 ID35 ID36 ID37 ID38 ID39 ID40 ID41 ID42 ID43 ID44 ID45 ID46 ID47 ID48 ID49 ID50 ID51 ID52 ID53 ID54 ID55 ID56 ID57 ID58 ID59 ID60 ID61 ID62 ID63 ID64 ID65 ID66 ID67 ID68 ID69 ID70 ID71 ID72 ID73 ID74 ID75 ID76 ID77 ID78 ID79
end
subgraph Power Line
J6 --> J7
end
subgraph Control Panel
J6 --> J7
end
subgraph Grid Pin
J6 --> J7
end
subgraph Power Line
J6 --> J8
end
subgraph Field Bus
J6 --> J7
end
subgraph Output Line
J6 --> J8
end
subgraph Power Line
J6 --> J9
end
subgraph Control Panel
J6 --> J9
end
subgraph Grid Pin
J6 --> J9
end
subgraph Power Line
J6 --> J10
end
subgraph Field Bus
J6 --> J9
end
3.2 Last / Load / Charge

flowchart
graph TD
subgraph Motor_Control_Circuit
X1["3~ / PE 400V AC 50Hz"] --> L1["L1"]
X1 --> L2["L2"]
X1 --> L3["L3"]
X1 --> PE["PE"]
L1 --> K1["K1"]
L2 --> K1
L3 --> K1
PE --> K1
K1 --> N7["N7"]
K1 --> N8["N8"]
K3["K3"] --> N7
K3 --> N8
N7 --> M1["M1"]
N7 --> M3["M3"]
N8 --> M3
M1 --> M3
M3 --> M11["M11"]
end
subgraph Power_Circuit_Circuit
Q1["Q1"] --> K5["K5"]
K5 --> M11
M11 --> M3
M3 --> M1
M11 --> M3
end
style Motor_Control_Circuit fill:#f9f,stroke:#333
style Power_Circuit_Circuit fill:#ccf,stroke:#333
3.3 Anschlussplan / Terminal diagram / Schéma de branchement

4 Hydraulisches Einbindungsschema / Hydraulic integration diagram /
Die aktuelle CE-Konformitätserklärung finden sie als Download unter:
EinfachAnleitung