HCW 82 - Termostat HONEYWELL - Gratis brugsanvisning og manual
Find enhedens vejledning gratis HCW 82 HONEYWELL i PDF-format.
Download vejledningen til din Termostat i PDF-format gratis! Find din vejledning HCW 82 - HONEYWELL og tag din elektroniske enhed tilbage i hånden. På denne side er alle dokumenter nødvendige for brugen af din enhed offentliggjort. HCW 82 af mærket HONEYWELL.
BRUGSANVISNING HCW 82 HONEYWELL
- Oversigt 27
1.1. Anvendelse 27
1.2. Forskelle mullem HCW 82 og HCF 82 27
1.3. Leveringens omfang 27 - lbrugtagning 27
2.1. Teach-in 28
2.1.1. Tilknytning til etageregulering 28
2.1.2. Tilknytning til Hometronic Manager HCM 200D... 28
2.1.3. Indstilling af HCF 82 til frostbeskyttelse 28
2.1.4. Mislykket Teach-in 28
2.2. Montering 28 - Særlige eigenskaber ved HCW 82 29
3.1. Betjening 29
3.2. Begraensning af indstellingsomrade 29
3.3. Anvendelse med ekstern strømkilde 29
3.4. Installation af en rudekontakt 30 - Batteriskift 30
- Kontrol af signalstyrke 30
- Problemløsning 30
- Tekniske data 30
- WEEE-directivet 2002/96/EF om elektrisk og elektronisk udstyr 30
1. Oversigt
Rumenhederne HCW 82/HCF 82 anwendes til intelligent rumtemperaturregulering. Rumtemperaturføleren HCF 82 maler rumtemperaturen og sender måleværdierne til andre enheder.
HCW 82 maler rumtemperaturen og muliggør desuden regulering af den nominelle rumtemperaturværdi.
1.1. Anvendelse
Enhederne overfører dataene med 868,3 MHz. Dataene kan modtages af andre eheder sasom etageregulering HCE 80/HCC 80/HCE 80R/HCC 80R eller Hometronic Manager HCM 200D.
1.2. Forskelle mellem HCW 82 og HCF 82
HCW 82 har ud over samme Funktioner som HCF 82 desuden følgende:
- Mulighed for tilslutning af en ekstern strømforsyning (se "Anvendelse med ekstern strømkilde", side 29).
- Mulighed for tilslutning af en rudekontakt (se "Installation af en rudekontakt", side 30).
- Indstellingsjul til direkte indstilling af den nominelle rumtemperatur.
Indstellingsområdet er ± 12 °C, med udgangspunkt i grundværddien 20 °C (til position 0).
1.3. Leveringens omfang
1 HCW 82/HCF 82
2 Mignon-batterier
2. Ibrugtagning
ADVARSEL

Utilstrækkelig dataoverforsel!
Forstyrrelse af radiomodtageren i enheden forarsaget af metalliske genstande ullandet udstyr, der udsender uller modtager radiosignaler.
Sorg for at holde tilstrækkelig afstand til metalliske genstande.
Monter apparatet mindst 1 m fra radioudstyrsasom trdlose hovedtelefoner, trdlose DECT-telefoner etc.
Vaelg et andet monteringssted i tilfaelde af vedvarende radiostj.

Figur 1: Afmonter kabinettet
Afmonter rumtemperaturfølerens cabinet (se Figur 1).
IIaeg de medfolgende Mignon-batterier, og sorg for at de vender korrekt (se Figur 2). När den rode lysdiode på HCW 82/HCF 82 blinker, skal batterierne udskiftes (se "Batteriskift", side 30).

Fjernreguleringen HCW 82 kan ogsa bruges sammen med en ekstern strømkilde i stedet for batterier. Oplysninger herom finder du i afsnittet "Anvendelse med ekstern strømkilde", side 29.
Læg rumtemperaturføleren på det planlagte monteringssted, men foretag endnu ikke monteringen.
Tildel HCW 82/HCF 82 den ønskede temperaturzone (see "Teach-in").
2.1. Teach-in
2.1.1. Tilknytning til etageregulering
For at knytte HCW 82/HCF 82 til en temperaturzone skal du ffolge instruktionerne i kapitlet "Ibrugtagning" i monteringsvejledningen til "Etageregulering HCE 80/HCE 80R/HCC 80/HCC 80R".
2.1.2. Tilknytning til Hometronic Manager HCM 200D
For at knytte HCW 82/HCF 82 til en temperaturzone skal du ffolge instruktionerne i kapitlet "Installation af HCW 82/HCF 82 og rumtilknytning" i betjeningsvejledningen til Hometronic Manager HCM 200D.
2.1.3. Indstilling af HCF 82 til frostbeskyttelse

HCW 82/HCF 82 kan kun knyttes til Hometronic Manager som frostbeskyttelsesføler, hvis enchedskontakten HS 30 anvendes til kadelforespørgsel.
Drej på indlaesningsknappen, indtil "Frost protec. sensor" er markeret.

Tryk pa indlaesningsknappen.
Markoren blinker ud for "Frost protec. sensor". Hometronic Manager er klar til at modtage data fra føleren.
Oplyninger om, hvordan du aflaeser måledataene fra rumtemperaturføleren på Hometronic Manager eller tilpasser toleranceværddien for frostbeskyttelsen, kan du læse i betjeningsvejledningen til Hometronic Manager.
2.1.4. Mislykke Teach-in
Hvis Teach-in-processen mislykkes:
Bedre overforselsbetingelser (se nedenfor).
Gentagelse af Teach-in-processen.
Bedre overforselsbetingelser
Ved valg af anvendelsested for hver enkelt enhed er det vigtigt at holde en afstand pa mindst 1 m til radioudstyr sasom trdlose hovedtelefoner, trdlose DECT-telefoner etc.
- Installer erkke enhederne oven over metalliske vægkontaktter, og sorg for, at der er en afstand på mindst 30 cm fraafdækningen af varmekilden.
Vaelg i modsat fald et andet sted at montere rumtemperaturføleren.
2.2. Montering
Tag batterierne ud.
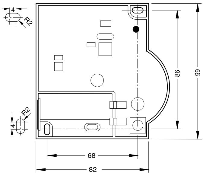
Markér borehullerne after boreskabelonen (se Figur 3).

Figur 3: Boreskabelon (angivelser i mm)
Bor hullene.
Skru rumtemperaturføleren pa.
Laeg batterierne i gen.
Saat kabinettet pa foroven, og bring det i indgrep formeden (se Figur 4).
3. Særlige egenskaber ved HCW 82
3.1. Betjening
Den nominelle rumtemperatur er nem at indstille pa fjernreguleringen HCW 82 ved hjælp af et indstillingsjul. Indstellingsområdet er ± 12 °C, med udgangspunkt i grundværddien 20 °C (til position 0).

Figur 5: HCW 82
Vælg den ønskedeænding af den forudindstillede temperatur på indstellingshjulet (1) (se Figur 5) (angivelser på skalaen i °C).
3.2. Begrænsning af indstellingsområde
Du kan begrænse det effektive indstellingsområde på indstellingsområdet.
Fjern kabinetet (se Figur 1, side 27).

Figur 6: Begraensning af indstellingsområde
Flyt de to små stifter i hullerne på indstellingshjulet for at begrænse indstellingsområdet (se Figur 6). Brug i den forbindelse den indvendige skala som vejledning: På Figur 6, er stfterne indstillet, sö indstellingshjulet kun kan reguleres ± 3 °C omkring nul grader.
Drej indstillingshjulet med uret indtil anslag.
Kontroller, om indstellingshjulet befinder sig i den position, der vises på Figur 5.
Vend om nødvendigt indstillingshjulet 180^ , og saet det paigen for at opn den viste position.
Drej indstillingshjulet til position 0.
Sæt kabinettet på foroven, og bring det i indgrep b formeden (se Figur 4).
3.3. Anvendelse med ekstern strømkilde
Fjernreguleringen HCW 82 kan anvendes bade med batterier og med en ekstern strømkilde.
ADVARSEL

Beskadigelse af enheden!
Anvendelse af en uegnet strømforsyning.
Anvend en strømforsyning med 3 VDC ± 10 %, min. 25 mA.
Sorg for, at stromforsyningen ici er strormforende, nár den tilsluttes.
Vær opmaerkoms pa det ledningsdiagram, der er vist ved sider af kabelklemmerne.
Sorg for at have en strormforsyning med 3 VDC ± 10% min. 25mA parat.
Afbryd strømmen til strømforsyningen.
Fjern kabinettet på HCW 82 (se Figur 1, side 27).
Fjern batterierne.

Bortskaf batterierne i henhold til gaeldende lovbestemmelser og ikke sammen med almindeligt husholdningsaffald.
Skru fjernreguleringen HCW 82 af.


Figur 7: Tilslutning af den eksterne strømkilde (kun HCW 82)
i
Den maksimalt tilladte kabellaengde fra strormforsyningen til enheden er 100 m. Anvend om muligt et kabel af typesen JE-Y (ST)Y 2x2x0,8 mm aller JE-LIICY 2x2x0,5 mm².
För strömforsyningens udgangskabel ind gennem abningen i kabinettet (1) (se Figur 7).
Slut udgangskablet til klemmen (2) (se Figur 7).
Tilstutning 2: stel
Tilslutining 3: spænding
Skru fjernreguleringen HCW 82 paigen.
Saat kabinettet pa foroven, og bring det i indgrep forneden (se Figur 4).
3.4. Installation af en rudekontakt
Slut en vilkårlig føler med potentialfri kontakt til HCW 82 (Installation til tilslutning 1 og tilslutning 2, se Figur 7 (2), side 29).
- Knyt HCW 82 til Hometronic Manager HCM 200D som føler (sevejledningen HCM 200D "Tilknytning af en føler til et rum").

Hvis der anwendes flere potentialfrie kontakter, skal disse serieforbindes.
4. Batteriskift
Skift batterierne, när den röde lysdiode på rumtemperaturføleren blinker, og encheden ikke befinder sig i testtilstand.
Tag kabinetet på HCW 82/HCF 82 af (se Figur 1).
Fjern batterierne.

Bortskaf batterierne i henhold til gaeldende lovbestemmelser og ikke sammen med alminderigt husholdningsaffald.

Skift altid begge batterier.
Anvend kun 1,5-V-Mignon-batterier af typen LR06, AA.
Laeg batterierne i batterirummet, sa de vender korrekt (se Figur 2).
Sæt kabinettet på foroven, og bring det i indgrep forneden (se Figur 4).
5. Kontrol af signalstyrke
HCW 82/HCF 82 kan sende et testsignal til den tilknyttede modtager (f.eks. en etagereguling) for at kontrollere signalstyrken.
Hold Teach-in-tasten inde i mindst 30 sek., indtil den rode lysdiode slukkes.
Enheden er nu i testtilstand og sender hvert femte sekund et testsignal.
Lysdioden blinker kortvarigt for hvert testsignal.
Kontroller overforslen af radiosignalerne pa modtageren.
Oplysninger om, hvordan du modtager og behandler testsignalerne, fremgår af den relevante vejledning.

Testtilstanden afbrydes automatisk after 5 minutter. Testtilstanden kan och afbrydes ved at tage batterierne ud, afbryde strømtilførslen eller trykke på Teach-in-tasten.
6. Problemlösning
| Problem | Årsag | Løsning |
| Teach-in mislykkeles | Batteriene er lagt forkert i | ► Læg batterierne rigtigt i. |
| Radiofor-bindelsen forstyrres | ► Fjern forstyrrende genstande (metal, radioudstyr).► Vælg et andet monteringssted.► Gentag Teach-in. | |
| Ingenmxåledata på Hometronic Manager | Batteriene er lagt forkert i | ► Læg batterierne rigtigt i. |
| Radiofor-bindelsen forstyrres | ► Fjern forstyrrende genstande (metal, radioudstyr).► Gentag Teach-in. | |
| Modul er ikke tilknyttet eller tilknyttet forkert | ► Gentag Teach-in.► Kontrollér tilknytning, gentag den om nødvendigt. | |
| Der reagers ikke på rudekontakt | Rudekontakt ikke tilknyttet | ► Gentag Teach-in for rudekontakt. |
7. Tekniske data
| Batterier | 1,5 V Mignon, type LR06, AA |
| Strømforsyning | 3 VDC ± 10 %, min. 25 mA |
| Kabel til strømforsyning/rudekontakt | Ø 2x0,8 mm; 2x0,5 mm² Laengde maks. 100 m |
| Frekvens | 868,3 MHz (sender) |
8. WEEE-direktivet 2002/96/EF om elektrisk og elektronisk udstyr

Bortskaf emballage og produkt på denCOMMUNALE genbrugsstation erlet lignende sted, narprodukter udtjent.
Produktet pågressive bortskaffes med alminderigt husholdningsaffald.
Produktem参加会议 bortskaffes ved afbranding.
Notice-Facile