BOSCH BGS51262 - 吸尘器

BGS51262 - 吸尘器 BOSCH - 免费用户手册

免费查找设备手册 BGS51262 BOSCH PDF格式.

📄 138 页 中文 ZH 💬 AI提问
Notice BOSCH BGS51262 - page 108
手册助手
由 ChatGPT 驱动
等待您的消息
产品信息

品牌 : BOSCH

型号 : BGS51262

类别 : 吸尘器

下载您的设备说明 吸尘器 免费PDF格式!查找您的手册 BGS51262 - BOSCH 并重新掌握您的电子设备。本页发布了使用您的设备所需的所有文档。 BGS51262 品牌 BOSCH.

用户手册 BGS51262 BOSCH

請妥善保存使用說明書。 將吸塵器轉交第三方時,請連同使用說明書一併交付。 本機僅限於私人家庭及非商業環境中使用。本機適合在海拔最高 2,000 公尺以下使用。 僅可依照使用說明書上的指示使用本吸塵器。 為了避 免 人 身 受 傷 與 機 器 損 壞 ,不可將本吸塵器用在: 人類和動物。 吸入: − 有害健康、尖銳、高熱或灼熱的物質。 − 潮濕或液態的物質。 − 容易起燃或爆炸的物質和氣體。 − 煙灰、爐具和中央暖氣設備的煤灰。 − 印表機和複印機的碳粉塵。 如同本公司的原廠集塵袋,我們的原廠備件、原廠配件和特殊配件皆特別依照吸塵器的特性需求而設計。因此,建議您只使用原廠備件、原廠配件和特殊配件和本公司的原廠集塵袋。才可確保您吸塵器能擁有長期使用壽命和持久的高品質清潔性能。 注意事項: 使用非精準密合或低品質的備件、配件/特殊配件和集塵袋可能造成您吸塵器的損壞,如因使用上述產品而導致損壞,則無法涵蓋在保固範圍內。

年滿 8 歲的兒童以及身體、感 官或智力有缺陷之人士及缺乏相 關經驗和知識之人士,應在負責 安全使用機器人員的監督或指導 下,瞭解使用機器可能帶來的危

塑料袋和包膜必須存放在兒童拿 不到的地方並進行廢棄處理。 >= 有造成窒息的危險!

僅可依照銘牌資料連接吸塵器和使用。 未安裝集塵袋或集塵盒、馬達防護和排氣過濾網時,絕不可進行吸塵。 >= 可能會造成產品損壞! 進行吸塵時,絕不可將吸頭和吸氣管置於頭部附近。 >= 此舉可能造成受傷危險! 於樓梯上吸塵時,必須將本產品置於使用者的下方。 不得以電源線和軟管攜帶/移動吸塵器。如本產品的電源線損壞,則必須透過製造商或其客服中心,或類似合格的人員進行更換,以防止發生危險。 如使用超過 30 分鐘,請完全拔掉電源線。 不可拉住充電線拔掉電源產品,而應拉住插頭。 不可將電源線拉往鋒利的邊緣並且不可擠壓。 在自動收線時,請注意不可讓電源插頭甩到人身、肢體、動物或物體上。 利用電源插頭導入電源線。 進行所有吸塵器的操作前,請先拉出電源線。 不可操作損壞的吸塵器。出現故障時,請拔掉電源插頭。 為避免發生危險,僅可由授權的客服中心進行吸塵器的維修和備件更換。 請保護吸塵器不受氣候、濕度和熱源的影響。 不可將可燃性或含酒精的物品放置在濾網(集塵袋、馬達防護濾網、排氣濾網等)上。 本吸塵器不適用於建築場所。>= 吸入建築碎片可能造成本產品損壞。 不吸塵時,請關掉開關並拔掉電源線。 立即報廢不再使用的產品,然後安排適當的廢棄處理。 請注意 電源插座必須至少須由 16A 的保險絲防護。 若此保險絲在開機時跳開,則同一個電路內可能同時連接了其他的高耗電電子裝置。 如您在開機時將功率調到最低,然後再調高,可避免保險絲跳

包裝可保護吸塵器在運送時不受損傷。它以環保材質製作而 成,因此可以回收再利用。請將不再需要的包裝材料送至「綠 點」回收系統的收集處。 老舊家電 老舊的家電仍含有不少珍貴的材料。因此,請將不再使用的產 品交給您的經銷商或回收中心進行資源回收。請查詢您的經銷商或當地機關有關最新的廢棄處理方式。 濾網和集塵袋的廢棄處理 濾網和集塵袋皆由環保材質製成。如未含家庭垃圾所禁止的 物質,則可將其丟棄至一般家庭垃圾。 本吸塵器為配備主要吸塵管之一般用途吸塵器。如需在地毯上達到最佳的能源效益和清潔效果,請使用可替換的通用吸嘴。計算方式基於授權規定(歐盟)編號665/2013由委員會於2013年5月3日制訂以補充規範2010/30/EU的內容。指示內未有詳述的所有程序已按照DIN EN 60312-1:2017*列 *由於馬達運轉試驗是在集塵容器為空時進行,在集塵容器半滿時,所述之馬達運轉壽命必須增加10%。34 æÁ È ¼n¤ º°µ¦Ä oµÁ¨n¤ ¸ oÁ°µÅªoÁ¤ºn°¤ ¸µ¦¤°Á¦ ºn° ¼»nÄ®o´¼o° º n ¦»µ¤° ¼n¤ º°µ¦Äoµ Á¨n¤ ¸ oÅ oª¥ ª´»¦³rĵ¦Äoµ Á¦ º n°¸ oÅo¦´µ¦°°Â宦´Ä®oÄ oµ£µ¥ÄoµÂ¨³¦ ´ªÁ¦ º° °»¦r ¸ o¤ ¸µ¦¦ ·Ã£ ¼ ¹ Á¤¦Á®º°¦³´o ε³Á¨ÄoÁ¦ º n°¼»nµ¤ÎµÂ³ÎµÄ¼n¤ º°µ¦Äoµ¦»n Á¡ º n° o°´µ¦µÁȨ³µ¦Îµ¦»Á ¸¥®µ¥³o°Å¤nÄnÁ¦ º n° ¼»nÁ¡ º n° 媵¤³°µ»¨®¦º°´ªroª¥µ¦¼»n 媵¤³°µ·nn°Å¸ooª¥µ¦¼»n − ª´»°´¦µ¥ª´»Â®¨¤¤ª´»¸n¤¸ªµ¤¦o°®¦º°ª´»Á¦º°Â − ª´»¸nÁȰÁ®¨ª®¦º°Á¸¥ºo − ª´»Â¨³pµ¸ n·Å¢®¦º°¦³Á·Åonµ¥ − ÁoµnµÁ¤nµµÁµ··´Â¨³¦³Îµªµ¤¦o°nª¨µ − ¸µÁ¦ºn°¡·¤¡r¨³Á¦ºn°nµ¥Á°µ¦

感謝您購買博世Relaxx´x吸塵器。 本說明書為Relaxx´x系列通用,某些功能與配備或不適用於您 的機型。請使用本吸塵器專用的博世原廠配件,以達到最佳吸

1 可調式地板吸頭,包括配件接頭 2 伸縮管,含滑動按鈕與配件接頭 3 配件固定座 4 伸縮軟管 5 把手 6 環狀刷頭(適接室內吸嘴)* 7 輔助掛槽(在吸塵器側面) 8 電源線 9 集塵容器 10 室內吸嘴 11 尖頭吸嘴 12 「Clean」濾網清潔按鈕* 13 吸力指示器 14 開關按鈕,附電子吸力調節器 15 機殼蓋 16 搬運把手 17 吸塵器底部的貯存輔助設計 18 葉片式濾網 19 棉絮濾網 20 專業室內吸嘴 21 專業尖頭吸嘴 22 硬質地板吸嘴 23 硬質地板吸嘴

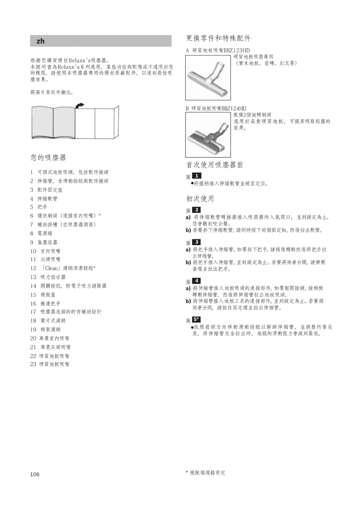
配備2個旋轉刷頭 適用於高貴硬質地板,可提昇吸取粗塵的

a) 將伸縮軟管轉接器推入吸塵器的入氣開口,直到鎖定為止。

b) 若要拆下伸縮軟管,請同時按下兩個固定扣,然後拉出軟管。

a) 將把手推入伸縮管。如要拆下把手,請稍微轉動然後將把手拉

b) 將把手推入伸縮管,直到鎖定為止。若要將兩者分開,請擠壓

a) 將伸縮管推入地板吸頭的連接部件。如要鬆開接頭,請稍微 轉動伸縮管,然後將伸縮管拉出地板吸頭。 b) 將伸縮管推入地板工具的連接部件,直到鎖定為止。若要將 兩者分開,請按住固定環並拉出伸縮管。

依照箭頭方向移動滑動按鈕以解鎖伸縮管,並調整所需長 度。將伸縮管完全拉出時,地毯的滑動阻力會減到最低。107

a) 將配件固定座放置在伸縮管上的所需位置。 b) 從上方或下方將具有環狀刷頭和尖頭吸嘴的室內吸嘴稍微用

抓住插頭,依根據所需長度拉出電源線,然後將插頭插入電源

如要啟動或關閉吸塵器,請按開關按鈕按鈕。

>= 適合清理精緻物品,例如精緻的墊毯、窗簾等。

>= 適合清理地板覆蓋物、硬質地板和大量灰塵。

地板吸頭會受到一定程度的磨損,依硬質地板的種類而定(例 如表面粗糙的瓷磗)。因此,每隔一段時間必須檢查地板吸頭 的底部。地板吸頭底部因磨損所造成的尖銳表面,可能會 造成 實木地板或亞麻地板等精緻硬質地板受損。因地板工具磨損 而造成的損壞,製造商概不負責。

硬質地板/實木地板 => 若要吸起較大的物件,請確認物件已確實連續地吸起,而且並未

按照需要,在吸塵管或握柄上安裝吸嘴: a) 適合清理縫隙和角落等的尖頭吸嘴 b) 適合清理軟墊傢俱、窗簾等的室內吸嘴 c) 固定式環狀刷頭的室內吸嘴適合清理窗框、碗櫥、各種外形構

使用後,請將尖頭吸嘴和室內吸嘴重新插入配件固定座。 d) 專業尖頭吸嘴 超長尖頭吸嘴適合清理縫隙、角落和狹窄空間,例如汽車內

e) 專業室內吸嘴 適合溫和並徹底清理室內傢俱、窗簾等。 若要清理專業室內吸嘴,只要使用握把處進行吸塵清潔即

a) 其清潔方式是:將吸塵器放到刷頭底下吸除髒污。 b) 用剪刀剪斷纏繞在刷頭上的長線和毛髮。用尖頭吸嘴吸除剪

若您想暫停吸塵,可以使用吸塵器側面的輔助掛槽。

吸塵器關機後,請將地板吸頭的掛鉤推入輔助掛槽內。

14* 在樓梯吸塵時,吸塵器必須位於樓梯的最下方。如果吸塵範圍不 足,您可以使用搬運把手提著吸塵器。

依照箭頭方向移動滑動按鈕以解鎖伸縮管,然後將管子推入

存放吸塵器時,請使用底部的存放輔助設計。 a) 利用把手將吸塵器立起。 b) 將地板吸頭的掛鉤推入貯存輔助設計中。

為達到良好的吸塵效果,每次使用後請清理集塵容器,或至少在 棉絮濾網上已有積塵時或當集塵容器達到標示時清理。 清空集塵容器時,務必同時檢查棉絮濾網的髒污程度,如有必要 請依照「清潔棉絮濾網」中詳述的指示進行清潔。

a) 拉一下鎖定卡榫以便打開機殼蓋。 b) 利用把手將集塵容器從吸塵器中取出。108

a) 按壓解鎖按鈕以便分離集塵容器的濾芯。 b) 將濾芯從集塵容器中取出,然後清空集塵容器。

a) 將濾芯裝回集塵容器中,並確認是否安裝妥當。濾網上的箭頭

b) 壓下容器蓋,直到聽見其正確卡入的喀噠聲。 c) 將集塵容器重新裝回吸塵器中,並確認是否安裝妥當。關上機 殼蓋,直到再度聽見鎖定卡榫正確卡入的喀噠聲。

闔上蓋子時若感覺到有任何阻力,請檢查濾網齊全無缺且濾 網和集塵容器都位於正確位置上。清潔與保養

24* 本功能可持續監控您的吸塵器是否達到最佳吸力。您可從指示 燈知道何時該清潔葉片式濾網,以便讓吸塵器再度回復至最佳

22* 吸塵器以最佳吸力運作時,此指示燈將以藍色亮起。此指示器一 旦轉為紅色並呈閃爍狀態,表示必須清潔葉片式濾網。吸塵器會

清潔葉片式濾網時,請將旋鈕至少轉三次,各旋轉180°。 吸力變弱時,即使指示器尚未亮燈,您亦可清潔濾網。建議您每 次清空集塵容器的同時清潔葉片式濾網。最慢於「感應控制」指 示燈亮起時一定要進行清潔。 如果指示器連續快速閃爍三次,但葉片式濾網已清潔乾淨,這有 可能是因為棉絮濾網太髒或堵塞。此時,吸塵器會自動調整為最 低吸力,且指示燈持續以紅色顯示。

關掉吸塵器的電源、清空集塵容器,並依照「清潔棉絮濾網」 中詳述的指示清潔棉絮濾網。圖

24* 吸塵器以最佳吸力運作時,此指示燈將以藍色亮起。此指示器一 旦轉為紅色並呈閃爍狀態,則吸塵器將自動關機 內建的清潔馬達將啟動並執行濾網清潔程序。 如果吸塵器短時間內便連續清潔三次,這有可能是因為棉絮濾 網過髒或堵塞。此時,吸塵器會自動調整為最低吸力,且指示燈

關掉吸塵器的電源、清空集塵容器,並依照「清潔棉絮濾網」 中詳述的指示清潔棉絮濾網。

25* 您亦可視需要於吸塵器電源開啟的期間按下「清潔」濾網清潔按 鈕,如此即可以手動方式啟動清潔程序。 吸力減弱時,即使指示器尚未亮燈,您亦可清潔濾網。建議您每 次清空集塵容器的同時清潔葉片式濾網。

若葉片式濾網髒污程度嚴重,您亦可直接藉由輕敲方式彈落灰

棉絮濾網應定期清潔,以確保吸塵器保持在最佳運作狀態。

打開機殼蓋並將集塵容器從吸塵器中取出。圖

a) 將濾芯從集塵容器中取出。 b) 於集塵容器清空後稍微搖晃或輕敲整組濾芯,通常就能抖落

但這麼做無效時,您可以用乾布掃除濾網上的灰塵顆粒。109

應定期清潔馬達保護濾網上方的灰塵,並用水沖洗。

a) 打開機殼蓋並取出馬達保護濾網。 b) 利用輕敲方式清除馬達保護濾網上的灰塵。如果馬達保護濾 網非常髒時,請以水沖洗。接著讓濾網完全晾乾。 c) 馬達保護濾網清潔好後,將它重新裝入吸塵器,然後關上機

排氣濾網專為此吸塵器所設計,使用壽命與吸塵器相同,毋須

為確保吸塵器保持最佳狀態,排氣濾網應每年清洗一次。即使濾 網表面褪色,濾網功能也不受影響。 清潔HEPA濾網

a) 透過鎖定卡榫打開活動側板。 b) 拉開兩個鎖定卡榫,以便解開具有H EPA濾網的濾芯並將它從

c) 清理濾網並用水沖洗。 d) 待濾芯完全晾乾後才將它重新裝回吸塵器內,並確認聽見正

e) 闔上活動側板,直到您再度聽見鎖定卡榫正確卡入的喀噠

f) 將集塵容器裝入吸塵器內,並關上機殼蓋。

a) 透過鎖定卡榫打開活動側板。 b) 拉開兩個鎖定卡榫,以便解開具有濾棉和微塵濾材的濾芯,然 後將它從吸塵器中取出。 c) 將濾棉和微塵濾材從過濾框上取下。 d) 清潔濾棉和微塵濾材,並用水沖洗。 e) 濾棉和微塵濾材未完全晾乾前,請勿將它們重新裝入 過濾框 f) 將濾芯裝入吸塵器內,並確認聽見鎖定卡榫正確卡入的喀噠

g) 闔上活動側板,直到您聽見鎖定卡榫正確卡入的喀噠聲。 h) 將集塵容器裝入吸塵器內,並關上機殼蓋。

清潔吸塵器前,請務必關閉吸塵器電源並拔下插頭。您可以使用 一般塑膠清潔劑保養吸塵器和塑膠配件。

請勿使用刷具、玻璃清潔劑或多功能清潔產品。切勿將吸塵器

AI.%"?!(I3BN?M7%.K@2.5-.8)?AI.%"<8?(b

此吸塵機受歐盟2012/19/EU有關舊電器及電子產品(廢棄 電器和電子設備– WEEE)指引監管,該指引確立了適用於 整個歐盟的舊電器回收和再造的規章制度。