EXR 2981 - Dijital dekoder KATHREIN - Ücretsiz kullanım kılavuzu
Cihazın kılavuzunu ücretsiz bulun EXR 2981 KATHREIN PDF formatında.
Cihazınız için talimatları indirin Dijital dekoder PDF formatında ücretsiz! Kılavuzunuzu bulun EXR 2981 - KATHREIN ve elektronik cihazınızı yeniden ele alın. Bu sayfada cihazınızın kullanımı için gerekli tüm belgeler yayınlanmaktadır. EXR 2981 markasının KATHREIN.
KULLANIM KILAVUZU EXR 2981 KATHREIN
- Mistakil evlerde 1 x 8 adet uydu alicisini beslemek icin dijital uydu ara frekans sinyallerini (HDTV dahil 8 farkli uydu) ve karasal sinyalleri dagitmaya yarayan birbirine ekleyerek kullanabilme Özelligine sahip tek kabolu coklu anahtar
Programçesitliginde hicbir kisitlama yoktur; iki uydudabulunan programlarin tamami aktarilmaktadir
Yatay/dikey, dusuk/yuksek bant, uydu pozisyonu A/uydu pozisyonu B parametrelineri ve transponder sekimini her bir uydu alici ciin ayri olarak yapabilme
Yatay/dikey, yüksek/dusuk bant, A/B uydu pozisyonuarasindakiGPCISVE transponder seci, EN 50494 standardina uygunbir SCR tek kablo komut dizesinesahip bir uydu alicisi tarafindan kontrl edilen cokluanahtar icinde gerekeklesir
Transponder seçimi,—çın kullanı frekanslarina don)—turme yapabilmek,—çın tek kabolu,—çoklu anahtarara, SCR olarak adlandırilan,—çzel Turner parçaları entegre edilmışı
Her bir uydu alici si igin sabit bir kullanic frekansi duzenlenmistir (ikiz (Twin) tipi bir uydu alici si iki kullanic frekansina ihtiya dcymaktadir)
EN 50494 standardinin ongordugu SCR tek kablo standardina uygundur; bir diger ifade ile, bir tek kablolu sistemin bu standarda uygun tum parcalari bir uydu sistemine dahilinde kullanilabilmektedir
Karasal yayinlar, uydu alici si kapali durumdayken de alinabilmektedir
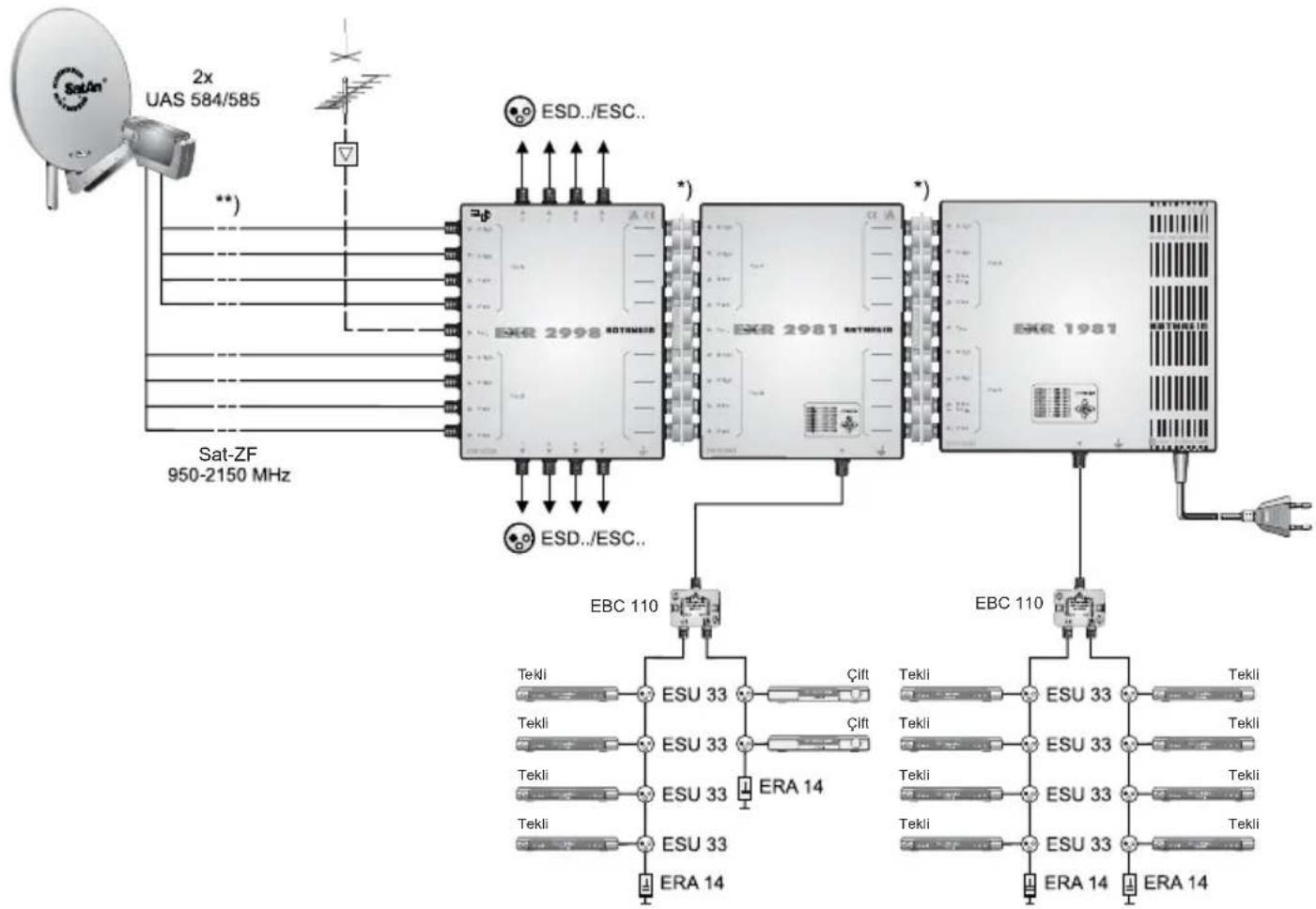
Tek kablolu coklu anahtar EXR 2981 ve diz geleşili coklu anahtar EXR 2998, istenilen sekilde karışı olarak kullanilabilmektedir. 8 adete kadar coklu anahtar birbirine eklerek kullanilabilmektedir
Bina ici tesisat ici
C

EXR 1981
Her sekiz uydu alicisina yonelik olarak bir adet tek kablolu baglanti inc tek kablolu coklu anahtar; LNB beslemesi inc entegre guc adaptororu ile
Yüksek verimli ve kisa devre korumali güç kaynagi saysinde Düşuk güç tuketimi ve elektrik tasarrufu konsepti (tek kablolucoklu anahtar, bagl durumdaki uydu alicilari tarafindan beslenmektedir ve uydu alicilari kapatildigiinda coklu anahtar da kapanmaktadir)
EXR 2981
Tesisati her sekiz uydu alici si inci iki tek kablolu baglanti ile gelistirmek inci tek kablolucoklu anahtar gecişi
Montaj ve Güvenlikle ilgili Uyarilar

- Tarifi yapilan cihazlar sadece uydu tesisatlarinda kullanim icin uygundur.
- Bunun disindaki her turlu kullanim veya burada belirtilen kullanim uyarilarin dinkkate alinmaması, garanti hukumlerinin ve garantinin gezersiz kalmasina neden olabilir.
- Cihazlar, sadece kuru, bina ici ortamlara monte edilmelidir. Kolay alev alabilen malzemelerin üzerlerine monte etmeyiniz.
Cihazlara bir potansiyel dengeleme iletkeni (bakir, en az 4mm^2 ) baglanmalidir. - Güvenlikle ilgili olarak EN 60728-11 ve EN 60065 standartlarina uygun olarak hareket edilmelidir.
- Montaj malzemesi: Vidalar, maks. Ø: 4,5 mm
- Konnektörler: EN 61169-24 standardina uygun HF konnektör 75 Ω (F serisi).
Kullanilmayan HF baglantilar 75Ω dirençlerle (orn. EMK 03) kapatilmalidir.

Elektrikli Cihaz EXR 1981
Cihazi açmayiniz veya üzerinde herhangi birdehyşiklik yapmayiniz!
- Tesisat uzerinde yaplan islerde cihazin fisini prisiden减免kiniz!
- Cevresinde yeterince mesafe kalacak sekilde monte ediniz! Her tarafinda en az 5 cm!
Cihaz tavana monte edilmemelidir!
Cihazin isnmasi icin yetleri miktarda hava sirkulasyonu olmaldir. Asiir sinma tehlikesi!
- Izin verilen ortam sicutigi -20ila +55^ arasi
Dikkat:
Guc kaynaginin uzerine ici sivdolu herhangi bir nesne konmamalidir.
Guc kaynag, uzerine su damlamamali vya siogramamalidir.
- Elektrik fisi, kolay ulasilabilir ve kolay sokiulebilir-takilabilir bir konumda bulunmalidir.
Cihaz, sadece elektrik fisi czekilerek sebekeden ayrilabilmektedir.

Kablo ic iletkeninincapi 1,2 mm'den veyadereceden buyuk olmasihalinde, cihazin disikonektorleri hasargorebilir.

Bilgiler
- Coklu anahtarinin cikisinda bulunan her bir frekansin sadece bir defa atanmasina özellikle dikkat edilmelidir; aktı takdirde uydu alicları birbirlerini karşiliklı olarak bozarlı.
- Frekanslarin Düzenlenmesi, uydu alicisin in ayar menusünde yapilmaktadir.
- Tipe bagl olarak bu islem manuel veya otomatik olarakgereklesebilmektedir.

- Daha kisa baglanti uzunluğuna sahip prizlere daha)yuksek frekanslarin duzenlenmesi onerilmektedir.
- Sistem, tek kablolu cihazlar 14 V DC ile beslenecek sekilde on ayarlidir.
- DiSEqCTM benzeri kumanda sinyallerini aktarmak icin besleme gerilimi kisa sureli olarak 18 V DCye yükseltilmektedir. Surekli olarak 18 V verilmesi, sistemin bloke olmasina yol açardı. Bu nedenle, elektronik kapama dizeneğine sahip ESU 33/34 tipi prisler kullanilmasi onerilir.
- Baglanan uydu alicilari, EN 50494 standardina uygun tek kabolu calisma icin uygun olmalidir.
Sistem Örneigi (Sembolik Çüzim)

*) EMU 290 (9'lu konnektör), BN 20510023 opsiyonel olarak temin edilebilir. EXR 1981/2981'nin teslimat kapsaminda bulunmamaktadir
**Asiir gerilim korumasi KAZ 11/KAZ 12
Çeşitli kanallar ilen SCR tek kablolu komutlar
| Kanal BBC EINS EXTRA PRO 7 QVC | ilk (Hotbird) | ||||
| Uydu ara frekans)düzlemi | Dikey tatsächik(low) | Yatay tatsächik(low) | Yatay:yüzsek(high) | Dikey:yüzsek(high) | Yatay:nothers(low) |
| 1847 MHz 994 | MHz 1945 MHz 19 | 52 MHz 1854 MHz | |||
| E0 10 5A .... E0 10 5A .... E0 10 5A .... | 10 5A .... E0 10 5A .... | E0 10 5A .... | |||
| SCR 0 (1284 MHz) | 01 B1 08 DB 0D C9 05 CB 19 B2 | ||||
| SCR 1 (1400 MHz) | 21 CE 28 F8 | 2D E6 25 E8 | 39 CF | ||
| SCR 2 (1516 MHz) | 41 EB 49 15 4E 03 | 46 05 | 59 EC | ||
| SCR 3 (1632 MHz) | 62 08 | 69 32 | 6E 20 | 66 22 | 7A 09 |
| SCR 4 (1748 MHz) | 82 25 | 89 50 | 8E 3D | 86 3F | 9A 26 |
| SCR 5 (1864 MHz) | A2 42 A9 6D AE 5A | A6 5C BA 43 | |||
| SCR 6 (1980 MHz) | C2 5F C9 8A CE 77 | C6 79 DA 60 | |||
| SCR 7 (2096 MHz) | E2 7C E9 77 EE 94 | E6 96 | FA 7D | ||
| Güncellik:Belirtilen kanallar:içın"—şu"—geçerlidir:SR-FEC 22000-5/6 SR-FEC 27500-5/6 | |||||
| Temmuz 2009 | |||||
Teknik veriler
| Tip EXR 1981 EXR 2981 | |||||
| Sipariş no. 20510042 20510043 | |||||
| Kullanıicago质量问题 | 1 x 8 | 1 x 8 | |||
| Girlisir 1 x karasal | 4 x uydu arara frekans | 1 x karasal | 4 x uydu arara frekans | ||
| Frekans aralarıMHz 5-862 950-2150 5-862 950-2150 | |||||
| Geçın kaykı | dB | - | - | 2,5 | 2,0 |
| Bağlantı kaykı (karasal) | dB | 1 | - | 7 | - |
| Kullanıci质量问题(Uydu)içın Güçlendirme1) | dB | - | 9 → 12 | - | 9 → 12 |
| Sönümleyici ayarlayüncü nin ayarlama alanı(UYDU, 1-dB adımlar) | dB | - | 0-15 | - | 0-15 |
| Yatay/dikey. izolasyon | dB | - | 25 | - | 25 |
| Ana izolasyon | dB | - | - | - | 40 |
| İşletme seviyesi2) | dBμV | - | 98 | - | 98 |
| Kullanıci frekansı/SCR adresi: | |||||
| Uydu alcısci 1 | 1284/0 | 1284/0 | |||
| Uydu alcısci 2 | 1400/1 | 1400/1 | |||
| Uydu alcısci 3 | 1516/2 | 1516/2 | |||
| Uydu alcısci 4 | MHz | 1632/3 | 1632/3 | ||
| Uydu alcısci 5 | 1748/4 | 1748/4 | |||
| Uydu alcısci 6 | 1864/5 | 1864/5 | |||
| Uydu alcısci 7 | 1980/6 | 1980/6 | |||
| Uydu alcısci 8 | 2096/7 | 2096/7 | |||
| Kullanıci çkında,müsaade edilen besleme gerilimi | V | 12-14 | 12-14 | ||
| 14 V'ta maks. akı sarf iyatıçoklu anahtar | mA | 260 | 260 | ||
| Giris anma gerilimi | V | 220-230 (50/60 Hz) | - | ||
| Giris nominal güncü (800-/150-/0-mA yük ile) | W | 18/4,7/1,7 | - | ||
| İkincil gerilim («horiz. low» girişi) | V | 18 | - | ||
| Izin verilen maks. uzaktan besleme akı(müşük yatay giris) | mA | 800 | - | ||
| Hat basına izin verilen maks. LNB besleme gerilimi | mA | - | 1000 | ||
| Koruma sinif/Koruma türü | II (koruyucu izolasyonlu)/IP 30 | IP 30 | |||
| Müsaade edilen ortam sıçakkı | °C | -20 ile +55 arasi | -20 ile +55 arasi | ||
| Bağlantılar | F konnektörleri | F konnektörleri | |||
| Ebatlar | mm | 227 x 228 x 44 | 172 x 228 x 44 | ||
| Ambalaj iceriği/Ağırlik | Adet/kg | 1 (10)/0,84 | 1 (10)/0,70 | ||
1) Frekansa bagl sönümlemegülcendirme (Preem evresi); buna ilaveten SCR 0 -1 dB SCR 3 + 1 dB
2) 15 dBlik zayiflatma ayarinda isletim seviyesi 83 dBv degerine duismektedir
3) Düşuk yatay Girls Üzerinden
Olasi Hata Nedenleri ve Bunlarin Giderilmesi
| Sorum Olasi nedeni Hatan | in giderilmesi | |
| Çoklu anahtar geleçis yapymiyor | Uydu alç,isindan kumanda sinyali gelmiyor veya yanlş kumanda sinyali geliyor | Uydu alç,isindan Çoklu anahtar olan böglantıda kisa devre olmaması dikkat edin. Uydu alç,isn in ayarlar��sunü (Tek kablolç,isma modu!) konlrd edin.Uydu alç,isçık,isndaki calisma gerilimi 14 V'tan daha yüksek olmamaldir |
| Çoklu anahtar geleçis yapymiyor, fakat buna aitGPCıntu yok | Yanlş tek kablo frekansi | Sistema报记者 uydu alç,isrin ayarlar��sunü konlrd edin.Bir frekansin bir defadan fazla atanmaması dikkat edin |

Elektronik/elektrikli cihazlar ev copune at.lmaz. Bu cihazlar AVRUPA PARLAMENTO VE KONSEYi'NIN 27. Ocak 2003 tarihli 2002/96/AT Yonetmeligi uyarinca, eski elektrik ve elektronik cihazlar imha yerlerinde usulüne uygun olarak imha edilmelidir. Lütfen bu cihazin kullanimi sona erdikten sonra atiga Çıkartmakuzere, bunun icin öngrūlmus toplama yerlerine veriniz.
KolayKılavuz