Ingenio - Котёл ATLANTIC - Бесплатное руководство пользователя
Найдите руководство к устройству бесплатно Ingenio ATLANTIC в формате PDF.
Скачайте инструкцию для вашего Котёл в формате PDF бесплатно! Найдите своё руководство Ingenio - ATLANTIC и возьмите своё электронное устройство обратно в руки. На этой странице опубликованы все документы, необходимые для использования вашего устройства. Ingenio бренда ATLANTIC.
РУКОВОДСТВО ПОЛЬЗОВАТЕЛЯ Ingenio ATLANTIC
- Патруоок выход в горячей воыд
- Прсдохрапитслыпый клапаи
- Снфонн Труба с воронкой (рекоменлаыния)
- Клапаи рсдукции давлсппия
Устанавливається при давлснии свыше - бар в системе (0,5 мпа) 5.
Запорный кран - Выход в канализпию
- Труба подачи холодной воды
- Изолирующая муфта (диэлектрическая)
3

text_image
230 V~ N L A PE B L F > > > >
Режим MINI Mini. : Позволява избор на температура на топлата вода между 45°C и 50°C (фабрична настройка : 50°C).
ПОВРЕДА НА ФУНКЦИОНИРАНЕТО / РЕШЕНИЕ
2. ПОДДРЪЖКА ОТ КВАЛИФИЦИРАН ПЕРСОНАЛ
| Вид / Модел: | ПЕЧАТ ОФЕРТА | |
| Сериен номер: | ||
| Наименование и адрес на клиента: |
HR
UPOZORENJE
Ovaj uređaj nije namjenjen za upotrebu osobama (uključujući djecu) s psihičkim, motoričkim ili mentalnim poteškoćama, ili osobama s nedostatkom iskustva ili znanja , sve dok ih ne steknu od osoba zaduženih za njihovu adekvatnu obuku ili dok ne dobiju instrukcije o načinu korištenja uređaja. Djeca bi trebala biti nadzirana kako bi se osiguralo da se ne igraju s uređajem. Ovim uređajem se mogu koristiti djeca ne mlađa od 8 godina starosti, te osobe smanjenih psihičkih, motoričkih ili mentalnih kapaciteta ili bez iskustva ili znanja ukoliko su pod adekvatnim nadzorom ili ukoliku su izdate upute i uzeti svi rizici u obzir.. Djeca se ne smiju igrati uređajima. Djeca ne smiju čistiti ili održavati uređaj bez nadzora.
OPREŽ! Težak predmet, rukovati oporezno:
1 Instalirati uređaj u prostoriju zaštićenu od mraza. Ukoliko se uređaj ošteti uslijed otklanjanja sigurnosne opreme, u tom slučaju garancija ne vrijedi.
2 Budite sigurni da zid na koji želite postaviti bojler može podnijeti težinu uređaja napunjenog vodom,
3 Ukoliko se urešaj postavlja u prostorji, odnosno mjestu gdje je okolna temperature viša od 35°C, osigurajte dodatnu ventilaciju,
4 Kad se instalira u kupatilu, ne postavljajte ga u zone V0 i V1 (vidi ilustraciju ①, p.2). Ukoliko se bojler postavlja iznad prostora u kome se, postavite spremnik s ispustom u kanalizaciju. Postavite bojler na mjesto kome se lako može pristupiti,
5 Ukoliko se koriste PER cijevi, preporučuje se instalacija termostatskog regulatora na izlaznu cijev uređaja. To će biti urađeno u skladu s karakteristikama materijala koji se koristi.
6 Instalacija horizontalno ili vertikalno postavljenog uređaja: Kako bi se omogućila zamjena grijača ostavite slobodan prostor od 300 mm između kraja cijevi i zida odnosno pokućstva.
7 Isključiti napon prije uklanjanja poklopca, kako bi se izbjegao rizik od ozljede ili elektrošok.
8 Instalacija mora biti opremljena uzvodno od aparata, s bipolarnim uređajem za isključivanje (osigurač, prekidač), poštujući lokalnu regulative (sklopka za prekidač 30 ma).
9 Ukoliko je dovodni kabel oštećen, mora se zamijeniti drugim kablom dostupnim kod proizvođača ili kod servisera.
10 Obavezna ugranja sigurnosnog uređaja u porstoru gdje nema mraza (ili bilo koji drugi uređaj koji ograničava tlak spremnika) na 7 ili 9 bar (0,7 ili 0,9 MPa) u skladu s nominalnim tlakom. Velilčine 12 " ili 34 " na ulazu u bojler, poštujući lokalne zakone,
11 Radite redovito pražnjenje sigurnosnog uređaja kako bi se spriječilo taloženje kamenca i provjerite da nije blokiran.
12 Hidraulični priključci ne bi trebali biti postavljeni između sigusnosnog ventila i ulaza hladne vode. Redukcioni ventil (ne isporučuje se) je potreban tamo gdje tlak dotoka vode prelazi 5 bar (0,5 MPa) i postavlja se na glavni dovod.
13 Povezati sigurnosni uređaj na izlaznu cijev koja ije pod tlakom na frost free lokaciji, s kontinuiranim nagibom za odvod vode za vrijeme zagrijavanja ili pražnjenja bojlera.
14 Cijevi koje se koriste moraju podržati 10 bari i 100 °C.
15 Pražnjenje uređaja: Isključiti napon i dovod hladne vode, otvoriti slavinu s vrućom vodom i manipulirati sigurnosnim ventilom. Za pražnjenje pod pultnog bojlera odvojiti hidraulične priključke i vratiti uređaj.
16 Proizvodi opisani u ovome priručniku su podložni promjenama u bilo koje vrijeme, kako bi bili u skladu s tehnologijom i standardima. Uređaji su u skladu s direktivom 2004/108/EC te direktivom za niski napon 2006/95/EC.
Этот прибор не предназначен для использования лицами (включая детей) с ограниченными физическими, сенсорными или умственными способностями, или людьми без опыта или технических знаний, если им не было предоставлено специальное обучение по вопросам использования устройства со стороны конролирующего лица, ответственного за их безопасность. Детям запрещено играть с прибором. Этот прибор может быть использован детьми начиная с 8 летнего возраста, а также людьми с ограниченными физическими, сенсорными, умственными способностями или людьми без опыта или технических знаний, при условии, что их действия контролируются, и что ими была изучена инструкция по использованию прибора и все возможные риски принимаются во внимание. Чистка и обслуживание прибора не может производиться детьми без присмотра. Важное примечание: Установка водонагревателя должна отвечать действующим нормам страны, в которой устанавливается прибор. В случае если вы не уверены, что ваши знания достаточны для установки данного прибора, мы рекомендуем обратиться к специалисту.
УСТАНОВКА: Внимание: Изделие имеет большой вес, обращайтесь с ним осторожно.
- Устанавливать прибор в помещении, где исключено его замерзание. Разрушение прибора вследствие блокировки органов безопасности или не использования предохранительного клапана не покрывается гарантией.
- Убедиться в том, что стена выдержит вес прибора, наполненного водой.
- Если прибор устанавливается в помещении или месте, где температура окружающей среды постоянно выше 35^ C, необходимо предусмотреть возможность его проветривания.
- В ванных комнатах не должны устанавливаться изделия объёмом V0 и V1 (см. рис. 1 р.3). Если водонагреватель устанавливается над жилыми помещениями, необходимо предусмотреть водосборную ёмкость со стоком в канализацию.
- Размещать прибор в легкодоступном месте. В случае использования пластиковых труб, настоятельно рекомендуется установка терморегулятора на выходе. Он будет отрегулирован в соответствии с производительностью используемого материала.
- Установка вертикальная и горизонтальная настенная : Чтобы позволить замену нагревательного элемента в случае необходимости, следует оставить расстояние (минимум 300 мм) под водонагревателем (для вертикальной модели) и сбоку (для горизонтальной модели) для доступа к электрической части. (рис1)
- Прежде чем снять крышку, убедитесь, что питание отключено, чтобы избежать риска травм или электрошока.
- Электрическое подключение должно включать в себя многополюсный выключатель (автоматический выключатель или предохранитель) в соответствии с местными правилами установки. (дифференциальным прерывателем 30 мА).
- Если кабель (шнур) поврежден, он должен быть заменен на оригинальный шнур или набор, доступный у производителя или в сервисном центре.
- Новое предохранительное устройство (или любое другое устройство для сброса давления) давлением в 7 или 9 бар (0,7 или 0.9 МПа), размером 12 ", должно быть обязательно установлено на входе в водонагреватель в соответствии с местными нормами, в помещении, где исключено его замерзание.
- Устройство осушения предохранительного клапана должно быть периодически включено в работу для удаления накипи и проверки того, что прибор не заблокирован.
- Запрещена установка каких либо гидравлических аксессуаров между клапаном безопасности и входом (подачей) холодной воды в прибор. Редукционный клапан (не поставляется в комплекте) требуется установить, когда давление превышает 5 бар (0,5 МПа).
- Подключить предохранительное устройство к дренажной трубке в защищенном от мороза помещении, поддерживая её при этом на весу; направить вниз, в сторону спуска воды, в случае расширения нагретой воды или при спуске воды из водонагревателя.
- Трубы должны выдержать температуру в 100°C и давление в 10 бар (1 МПа).
- Слив: Отключить питание и холодную воду, открыть краны горячей воды, работать со сливным клапаном предохранительного устройства.
- Изделия, описанные в этой инструкции, могут быть изменены в любое время, чтобы оставаться в соответствии с новыми технологиями и стандартами. Продукция соответствует электромагнитной Директиве 2004/108/EC и Директиве по низкому напряжению 2006/95/EC
- Не выбрасывайте это устройство с общим мусором, он должен быть сдан в специализированный пункт для переработки.
Уважаемые покупатели! По вопросам гарантийного, сервисного и послегарантийного обслуживания на территории Российской Федерации обращайтесь по тел.: 8-800-100-21-77 – бесплатно с городских телефонов. С актуальным списком сервисных центров и развернутой информацией по эксплуатации можно ознакомиться на сайте www.atlantic-comfort.ru или по телефону 8-800-100-21-77.
RU
УСТАНОВКА
1. КРЕПЛЕНИЕ
см. предупреждение 1 – 6 (см. р. 21).
Для установки продукта, обратитесь к разделу рисунки 1 стр. 2.
2. ПОДКЛЮЧЕНИЕ ТРУБ
см. предупреждение 10 – 14 (см. р. 21).
Для гидравлической связи, обратитесь к чертежам раздела 2 стр. 3.
Перед подключением необходимо тщательно прочистить подающие трубы. Подключение на выходе горячей воды производится при помощи чугунной, стальной муфты или при помощи дизлектрического соединительного элемента. С тем, чтобы избежать коррозию труб (прямой контакт железо-медь), запрещается использовать соединительные элементы из латуни.
На входе водонагревателя обязательно установить новый узел безопасности, который соответствовал бы действующим нормам (в Европе EN 1487) Давление 7 или 9 бар (0.7 или 0.9 МПа), размер ½. Группа безопасности или предохранительный клапан должны быть защищены от мороза. Никакое гидравлическое приспособление не должно находиться между узлом безопасности и местом доступа холодной воды в прибор. Редуктор давления необходим в том случае, когда давление подаваемой воды превосходит 5 бар 5 МПа (в комплект поставки не входит). Присоединить узел безопасности к сливной трубе для того, чтобы обеспечить выход воды в результате её термического расширения или в случае слива воды из водонагревателя. Подключение предохранительного устройства должно осуществляться без давления в трубе , трубы должны быть защищены от замерзания ; трубы должны быть установлены под наклоном для свободного отбора воды во время нагрева или осушения водонагревателя. трубы должны выдержать температуру в 100°C и давление в 10 бар (1 МПа).
Внимание: Не использовать клапан безопасности при такой сборке во Франции (Métropole, DOM-TOM).
Предохранительный клапан : предохранительный клапан конструктивно объединяет в себе обратный и стравливающий клапан. Обратный клапан исключает вытекания воды из бака в стояк при отсутствии холодной воды в водопроводе. При нагревании происходит расширение воды, что приводит к увеличению давления в баке. При превышении давления воды в рабочем баке более 8 бар (0.9 Мпа), возможен, или сброс небольшого количества воды, через сливное отверстие стравливающего клапана, или стравливания избыточного давления через обратный клапан в стояк холодного водоснабжения. Это является нормальным режимом работы предохранительного клапана.
В процессе эксплуатации ЭВН возможно срабатывание тепловой защиты регулятора, которая срабатывает в результате перепадов напряжения в электросети или перегрева ТЭНа, вызванного значительным образованием накипи на нем. Срабатывание тепловой защиты не считается неисправностью и не подлежит устранению по гарантии. Возобновление работы ЭВН осуществляется потребителем самостоятельно, для чего необходимо: отключить ЭВН от электросети; выкрутить крепежный шуруп защитной крышки; снять защитную крышку; нажать на кнопку тепловой защиты, которая расположена в корпусе терморегулятора. После возобновления работы терморегулятора установите на место защитную крышку и включите ЭВН. Постоянное включение кнопки тепловой защиты может привести к выходу из строя терморегулятора.
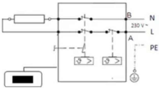
3. ЭЛЕКТРИЧЕСКОЕ ПОДКЛЮЧЕНИЕ
Для электрического соединения, обратитесь к чертежам раздел 3 стр. 4.
В зависимости от модели водонагреватель должен питаться только от сети однофазного переменного тока 230. Подсоединить водонагреватель при помощи жёсткого кабеля с жилами сечением в 2.5 мм кв. Для этого использовать стандартные штровы (жёсткая оплётка или короба), которые должны подходить к калиброванному ложементу крышки. В том случае, если приборы имеют кабель или розетку (во Франции запрещено), подключать напрямую. В обязательном порядке подключить заземление или подвести провод заземления к специальной клемме, обозначенной знаком 🌐. Данное подключение является обязательным из соображений безопасности.
Длина жёлто-зелёного провода заземления должна быть больше длины фазных проводов. Установка должна иметь на входе водонагревателя одноплюсное прерывательное устройство (раскрытие контактов не менее 3 мм: предохранитель, прерыватель). В том случае, если водяные трубы изготовлены из изолирующего материала, електрические цепи должны быть защищены дифференциальным прерывателем 30 мА, соответствующим действующим нормам. Выставить напряжение питающей сети (смотри схемы и таблицу).
До вскрытия крышки проверить отключено ли электропитание. В любых случаях защита должна быть выше отбора воды из водонагревателя. Повреждённый шнур питания должен быть заменен производителем, его службой обслуживания или любым другим квалифицированным специалистом во избежание каких-либо рисков.
Тепловой прерыватель (см. рисунки раздела 5 стр.4): Все наши изделия оснащены термостатом с тепловым прерывателем и ручным взводом, который отключает напряжение водонагревателя в случае перегрева. Внимание: В случае срабатывания прерывателя: а) обесточить перед проведением любых операций, б) снять крышку, в) проверить электрическое подключение, г) взвести тепловой выключатель.
В случае повторного срабатывания, произвести замену термостата. Никогда не закорачивать защитные устройства и термостат. Питание подключать только на входную панель.
RU
ИСПОЛЬЗОВАНИЕ ПРИБОРА
ВНИМАНИЕ: Никогда не включать водонагреватель без воды. Перед включением напряжения открыть кран горячей воды, полностью выпустить воздух из труб и заполнить прибор. Проверить герметичность стыков и прокладки дверцы под крышкой. В случае обнаружения подтеканий, подтянуть, не прикладывая чрезмерных усилий. Проверить функционирование гидравлических узлов безопасности и наполнить водой. Подать напряжение на прибор. Через 5-20 минут, в зависимости от объёма прибора, вода должна начать капать из сливного отверстия предохранительного клапана. Это естественное явление, вызваноое расширением воды. Проверить герметичность стыков и прокладки. Во время нагрева и в зависимости от качества воды водонагреватели с погружным нагревательным элементом могут издавать звук кипения; этот звук является нормальным и не свидетельствует ни о какой неисправности прибора.
Чтобы избежать развития бактерий (легионелла и др), нагревать воду не менее одного раза в день до 60°C. Заводская регулировка термостата произведена при помощи стопора (в зависимости от модели,65°C+-5°C или 82+-3°C). ВНИМАНИЕ: Если вы заметите постоянное выделение пара или кипящей воды через слив или через отверстие водозаборного крана, необходимо отключить электропитание водонагревателя и обратиться к специалисту.
Ввод в эксплуатацию
- Заполните ЭВН водой для этого: убедитесь в том, что закрыта запорная арматура на стояке горячего водоснабжения; откройте запорную арматуру на стояке холодного водоснабжения; откройте кран горячей воды на смесителе в точке потребления; ЭВН будет заполнен, когда из крана горячей воды начнет вытекать вода; закройте кран горячей воды.
- Осмотрите место подключения ЭВН к системе водоснабжения и убедитесь в отсутствии протечек воды.
- Включите автоматический выключатель.
- Регулировка температуры нагрева производится поворотом ручки регулировки:
Водонагреватель обладает цифровым экраном, который позволяет выбрать режим работы (видеть. разработке раздела 4 стр. 4).
1/ Кнопка MODE (A): Позволяет выбрать режим работы. Нажмите дважды для смены режима.
2/ Кнопки установок (В), они позволяют увеличивать или понижать установку температуры (с шагом в 1°C).
3/ Индикатор режима работы: показывает текущий режим работы изделия (C).
4/ Режимы работы (D)
FROST FREE режим : автоматическое поддержание плюсовой температуры (7°C), позволяет снизить потребление электроэнергии в период отсутствия пользователя
SMART режим SMART : Полностью автоматический режим подачи воды: после периода изучения, аппарат будет сам устанавливать температуру горячей воды адаптированную для использования потребителем. Это позволяет оптимизировать расход электроэнергии.
MINI режим Mini. : По выбору пользователя температура горячей воды устанавливается между 45°C и 50°C (по умолчанию 50°C)
COMFORT режим : По выбору пользователя температура горячей воды устанавливается между 50°C и 65°C (по умолчанию 50°C). Предупреждение: использование этого режима может увеличить электропотребление прибора.
MAX режим. : По выбору пользователя температура горячей воды устанавливается между 65°C и 75°C (по умолчанию 70°C). Предупреждение: использование этого режима может увеличить электропотребление прибора и появление накипи. Будьте осторожны при пользовании горячей водой, она может обжечь. Настоятельно рекомендуется использовать все меры предосторожности при использовании этого режима работы.
5/ Температура (F):
в режиме FROST FREE ✪ показывается установка температуры 7°C – автоматически установленная прибором.
В режиме SMART SMART показывается установка температуры автоматически определенная и зафиксированная водонагревателем. В тот момент когда используется большое количество горячей воды, температура отображаемая на дисплее — это температура измеренная рядом с нижним краем прибора (30см для водонагревателя 50L, 40см для водонагревателя 80L и 100L). Это означает, что оставшееся количество горячей воды ограниченно (10L горячей воды осталось для водонагревателя 50L, 30L осталось для водонагревателя 80L и 50L для водонагревателя 100L).
В режиме MINI Mini. , COMFORT , MAX modes , показывается температура воды, содержащаяся в водонагревателе. Когда нажимаются кнопки установок дисплей в течение нескольких секунд устанавливает температуру выбранную пользователем, прежде чем вывести на дисплей температуру воды в водонагревателе.
6/ Индикатор нагрева (E): Показывает когда вода в процессе подогрева.
КОММЕНТАРИЙ: если индикатор продолжительно горит – это означает, что водонагреватель в процесс подогрева. Это не означает плохой работы водонагревателя.
7/ Панель управления замок (G): Чтобы заблокировать или разблокировать панель управления, нажать одновременно кнопки ВВЕРХ и ВНИЗ
RU
НЕКОРРЕКТРАЯ РАБОТА
В случае некорректной работы изделия на дисплее высвечивается сигнал об ошибке.
| код | ошибка | элементу | действия |
| E1 | Датчик температуры | Термостат | Отключить и снова подключить источник питания→ Если проблема сохраняется обратитесь к вашему установщику или дилеру (сервисный код: ERR3)→ Если ошибка пропала - узел снова работоспособен |
| E2 | Нет нагрева – Нет горячей воды | ТермостатГорячее водоснабжениеНагревательный элемент | 1/ Проверьте, что нет проблем с горячим водоснабжением (открытый кран, прорыв канализации...)→ Если обнаружена течь, решите проблему, отключите и снова подключите питание к прибору и проверьте, что ошибка не повторяется во время первого разогрева.2/ Проверьте, что не сработала тепловая защита → Отключите питание → откройте крышку прибора → проверьте термостат→ Если сработала тепловая защита → восстановите ее нажав кнопку SAFETY на термостате → закройте крышку прибора → подключите питание и проверьте, что ошибка не повторяется при первом прогреве. Если ошибка повторяется, обратитесь к своему установщику или дилеру (сервисный код: ERR9).3/ Не один из описанных выше случаев→ Обратитесь к своему установщику или дилеру (сервисный код: ERR0). |
| E3 | Перегрев – опасность ожога | Термостат | Проверьте, что не сработала тепловая защита → Отключите питание → откройте крышку → проверьте термостат→ Если сработала тепловая защита → восстановите ее нажав кнопку SAFETY на термостате → закройте крышку прибора → подключите питание и проверьте, что ошибка не повторяется при первом прогреве. Если ошибка повторяется, обратитесь к своему установщику или дилеру (сервисный код: ERR9).Если тепловая защита не сработала, обратитесь к своему установщику или дилеру (сервисный код: ERR9). |
| E4 | Нет горячей воды | Снабжение холодной водой | 1/ Проверьте, что холодное водоснабжение работает2/ Откройте кран горячей воды и посмотрите на поток воды. Если поток не начинается немедленно ...Откройте кран горячей воды и посмотрите на поток. Если поток воды не немедленный подождите пока система освободится от воздуха.➤ Если поток горячей воды достаточный → отключите питание и подключите его вновь и проверьте, что ошибка не повторилась. Если ошибка появляется снова, обратитесь к вашему установщику или дилеру (сервисный код: Err7).➤ Если отсутствует поток горячей воды, обратитесь к квалифицированным профессионалам для наладки холодного водоснабжения прибора. |
RU
ОБСЛУЖИВАНИЕ
ВНИМАНИЕ: Прежде чем снять пластиковую крышку, чтобы избежать возможности получения травм или удара электрического тока убедитесь, что прибор отключен от питания.
1. ДОМАШНЕЕ ОБСЛУЖИВАНИЕ
1 раз в месяц приводить в действие узел слива устройства гидравлической безопасности: удалить накипь и проверить, чтобы он не заедал. Несоблюдение этого правила может вызвать повреждение прибора и потерю гарантии.
2. ОБСЛУЖИВАНИЕ КВАЛИФИЦИРОВАННЫМ ПЕРСОНАЛОМ
Корпус водонагревателя нужно время от времени вытирать влажной мягкой тряпкой или губкой. Ни в коем случае не используйте абразивные или пенообразующие средства. Сервисное обслуживание водонагревателей осуществляется не позднее 10 дней по истечению указанного ниже срока от даты покупки ЭВН и даты проведения последнего
сервисного обслуживания
Сервисное обслуживание состоит из: Чистки внутреннего бака водонагревателя от накипи;
Чистки фланца нагревательного элемента от накипи ; Замены магниевого анода ; Проверки состояния внутреннего бака, ТЭНа, прокладки, фланца и электрического блока управления ; Проверки состояния предохранительного клапана и его чистку при необходимости ; Отметки в гарантийном талоне.
Внимание! Работы по сервисному обслуживанию оплачивает потребитель, согласно действующего прейскуранта сервисного центра.
3. УКАЗАНИЯ ПО ТЕХНИКЕ БЕЗОПАСНОСТИ. ЗАПРЕЩАЕТСЯ
Устанавливать ЭВН на гибких шлангах ;эксплуатировать ЭВН без заземления ;эксплуатировать ЭВН без магниевого анода, который установлен на фланце в середине рабочего бака ;эксплуатировать ЭВН со снятой защитной крышкой электрического блока ;проводить ремонтные работы и обслуживание при включенном в сеть ЭВН ;эксплуатировать неисправный ЭВН.
RU
УСЛОВИЯ ДЕЙСТВИЯ ГАРАНТИИ
- Водонагреватель должен быть установлен, должен использоваться и обслуживаться в соответствии с нормами, действующими в стране установки, и в соответствии с указаниями настоящего руководства.
- Гарантия вступает в силу с момента установки с дня, указанного в счете на продажу или на установку; при отсутствии данных документов, точкой отсчета будет являться дата изготовления, указанная на шильде водонагревателя, с прибавлением 6 месяцев. Замена компонента не влечёт за собой продление срока гарантии прибора.
- Торговая гарантия покрывает бесплатную замену ёмкостей и элементов, признанных неисправными нашей службой послепродажного обслуживания, за исключением расходных деталей (магнезиевый анод, прокладка ...) без выплаты компенсации и продления гарантии. Гарантия не покрывает расходы по ремонтным работам и доставке, которые должны оплачиваться в соответствии с нашими тарифами.
- При покупке ЭВН Atlantic требуйте правильного заполнения гарантийных документов, проверки внешнего вида изделия, целостности его элементов и комплектности. Претензии, касающиеся механических повреждений и некомплектности ЭВН, после продажи не принимаются.
- Гарантийные документы действительно только в оригинале с отметкой о дате и месте продажи, подписью продавца, штампом торгующей организации. При неправильном оформлении или потере гарантийных документов потребитель теряет право на гарантийное обслуживание.
- При отсутствии в гарантийном и отрывном талонах даты продажи гарантийный срок исчисляется со дня выпуска изделия предприятием-изготовителем. Стоимость установки не входит в стоимость изделия. Гарантийное обязательство не распространяется на магниевый анод, потому что он является расходным материалом.
- Водонагреватель подлежит обязательному сервисному обслуживанию (см. п.20), которое должно проводиться уполномоченным сервисным центром, или уполномоченными участниками «Клуба специалистов Atlantic», которые используют оригинальные комплектующие. Работы по сервисному обслуживанию и изменения расходных материалов оплачивает Потребитель согласно действующего прейскуранта сервисного центра.
Гарантийный срок эксплуатации товара составляет 24 месяца при обязательном условии проведения сервисного обслуживания в порядке, предусмотренном стр 20 данного руководства.
Гарантийные обязательства Гарантийный срок эксплуатации товара составляет 24 месяца при обязательном условии проведения сервисного обслуживания в порядке, предусмотренным данным руководством. Гарантийный срок на водяной бак может быть продлен до 60 месяцев (модели Ingenio VM -D400 -3-E) при условии проведения сервисного обслуживания товара.
- При возникновении неисправностей потребитель обязан отключить ЭВН от электросети и от системы водоснабжения. ЭВН Изготовитель принимается на гарантийный ремонт только с руководством по эксплуатации, с правильно заполненными гарантийными документами и заявлением потребителя. Срок выполнения гарантийных обязательств составляет не более 14 суток со дня поступления ЭВН в организацию, выполняющую ремонт. Изготовитель не несет ответственности за отклонения параметров электросети и сети водоснабжения от нормы и их техническое состояние, а также неисправности ЭВН вызванные этими отклонениями.
- Запрещено! Демонтировать ЭВН до приезда мастера сервисного центра. В случае не выполнения данного требования ЭВН не подлежит гарантийному обслуживанию, и ремонт оплачивает потребитель. Гарантийный ремонт производится в следующих случаях: разгерметизация (течь) бака ;неисправность ТЭНа ;неисправность терморегулятора ;неисправность сигнальной лампочки ;неисправность предохранительного клапана (кроме случаев сброса воды через сливное отверстие).
- Гарантийное обслуживание не производится в случаях: несоблюдение правил хранения, транспортировки, установки, подключения и эксплуатации изделия; механических повреждений изделия ; внесение технических изменений в изделие ;использование прибора не по назначению; отсутствие магниевого анода, установленного в месте, предусмотренном производителем в середине рабочего бака ЭВН ; нарушение условий гарантийного обслуживания ; отсутствия заземления, если это привело к выходу из строя ЭВН ; нарушение требований п. 8 по ежегодному обслуживанию (отсутствие отметки и наклейки в гарантийном талоне, свидетельствующих о проведении сервисного обслуживания специалистом авторизованного сервисного центра или уполномоченным участником «Клуба специалистов Atlantic»). В этих случаях ремонт оплачивает Потребитель. В случае вызова специалиста сервисного центра с не гарантийного случая, потребитель оплачивает стоимость вызова согласно действующего прейскуранта. Производитель оставляет за собой право вносить изменения в руководство без уведомления потребителей.
- Гарантийные обязательства Гарантийный срок эксплуатации товара составляет 24 месяца при обязательном условии проведения сервисного обслуживания в порядке, предусмотренным данным руководством. Гарантийный срок на водяной бак может быть продлен до 60 месяцев (модели Ingenio VM -D400 -3-E) при условии проведения сервисного обслуживания товара.
- Если в течение гарантийного срока товар эксплуатировался с нарушением правил или потребитель не выполнял рекомендаций предприятия, выполняющего работы по гарантийному обслуживанию товара, ремонт производится за счет потребител Заполняет исполнитель
В процессе эксплуатации ЭВН возможно срабатывание тепловой защиты регулятора, которая срабатывает в результате перепадов напряжения в электросети или перегрева ТЭНа, вызванного значительным образованием накипи на нем. Срабатывание тепловой защиты не считается неисправностью и не подлежит устранению по гарантии.
Возобновление работы ЭВН осуществляется потребителем самостоятельно, для чего необходимо:
- отключить ЭВН от электросети;
- выкрутить крепежный шуруп защитной крышки;
- снять защитную крышку;
- нажать на кнопку тепловой защиты, которая расположена в корпусе терморегулятора.
После возобновления работы терморегулятора установите на место защитную крышку и включите ЭВН. Постоянное включение кнопки тепловой защиты может привести к выходу из строя терморегулятора.
Индикатор нагрева показывает условный уровень температуры воды в середине рабочего бака (кроме модели Slim). Градуировка индикатора для условного и точного измерения температуры воды в баке не предназначена.
Гарантийный талон Заполняет продавец
| Водонагреватель модель | Заводской No |
Дата изготовления зашифрована в заводском номере: первые две цифры – год выпуска, вторые две цифры – неделя выпуска, остальные цифры – порядковый номер.
Продавец
(название,адрес)
Дата продажи
(число, месяц, год)
Цена
(ИФО ответственного лица продавца)
(подпись)
MП
Заполняет исполнитель
| Товар принят на гарантийное обслуживание | Дата |
Учет работ по техническому обслуживанию и гарантийному ремонту
| Дата | Описание недостатков | Содержание выполненной работы, название и тип замененных комплектующих изделий | ФИО, подпись исполнителя |
| Заполняет исполнительИсполнитель____(предприятие, организация, адрес)Номер, по которому товар взят на гарантийный учет____Причина ремонта. Название замененного комплектующего изделия, составной части:____________Дата проведенияработ____(число, месяц, год)Подпись лица, которое исполняло работу и его расшифровка____________Номер пломбиратора____МППодпись потребителя, который подтверждает исполнение гарантийного ремонта________________ | Заполняет исполнительИсполнитель____(предприятие, организация, адрес)Номер, по которому товар взят на гарантийный учет____Причина ремонта. Название замененного комплектующего изделия, составной части:____________Дата проведенияработ____(число, месяц, год)Подпись лица, которое исполняло работу и его расшифровка____________Номер пломбираторампПодпись потребителя, который подтверждает исполнение гарантийного ремонта________________ | Заполняет исполнительИсполнитель____(предприятие, организация, адрес)Номер, по которому товар взят на гарантийный учет____Причина ремонта. Название замененного комплектующего изделия, составной части:____________Работы по техническому обслуживанию, выполненные соответственно порядку гарантийного обслуживания, ремонтом не считаются.Дата проведенияработ____(число, месяц, год)Подпись лица, которое исполняло работу и его расшифровка____________Номер пломбиратора____МППодпись потребителя, который подтверждает исполнение гарантийного ремонта________________ |
| действителен в случае заполненияОТРЫВНОЙ ТАЛОНна техническое обслуживание в течение 2 лет гарантийного срока | |||||||||||||||||||||||||||||||||||||||||||||||||||||||||||||||||||||||||||||||||||||||||||||||||||||||||||||||||||||||||||||||||||||||||||||||||||||||||||||||||||||||||||||||||||||||||||||||||||||||||||||||||||||||||||||||||||||||||||||||||||||||||||||||||||||||||||||||||||||||||||||||||||||||||||||||||||||||||||||||||||||||||||||||||||||||||||||||||||||||||||||||||||||||||||||||||||||||||||||||||||||||||||||||||||||||||||||||||||||||||||||||||||||||||||||||||||||||||||||||||||||||||||||||||||||||||||||||||||||||||||||||||||||||||||||||||||||||||||||||||||||||||||||||||||||||||||||||||||||||||||||||||||||||||||||||||||||||||||||||||||||||||||||||||||||||||||||||||||||||||||||||||||||||||||||||||||||||||||||||||||||||||||||||||||||||||||||||||||||||||||||||||||||||||||||||||||||||||||||||||||||||||||||||||||||||||||||||||||||||||||||||||||||||||||||||||||||||||||||||||||||||||||||||||||||||||||||||||||||||||||||||||||||||||||||||||||||||||||||||||||||||||||||||||||||||||||||||||||||||
| Заполняет продавецВодонагреватель модельЗаводской No | |||||||||||||||||||||||||||||||||||||||||||||||||||||||||||||||||||||||||||||||||||||||||||||||||||||||||||||||||||||||||||||||||||||||||||||||||||||||||||||||||||||||||||||||||||||||||||||||||||||||||||||||||||||||||||||||||||||||||||||||||||||||||||||||||||||||||||||||||||||||||||||||||||||||||||||||||||||||||||||||||||||||||||||||||||||||||||||||||||||||||||||||||||||||||||||||||||||||||||||||||||||||||||||||||||||||||||||||||||||||||||||||||||||||||||||||||||||||||||||||||||||||||||||||||||||||||||||||||||||||||||||||||||||||||||||||||||||||||||||||||||||||||||||||||||||||||||||||||||||||||||||||||||||||||||||||||||||||||||||||||||||||||||||||||||||||||||||||||||||||||||||||||||||||||||||||||||||||||||||||||||||||||||||||||||||||||||||||||||||||||||||||||||||||||||||||||||||||||||||||||||||||||||||||||||||||||||||||||||||||||||||||||||||||||||||||||||||||||||||||||||||||||||||||||||||||||||||||||||||||||||||||||||||||||||||||||||||||||||||||||||||||||||||||||||||||||||||||||||||||
| Дата изготовления____(число, месяц, год)Продавец____(название, адрес)Дата изготовления____(число, месяц, год)Материально ответственное лицо____(подпись и расшифровка)МПКорешок отрывного талона на техническое обслуживание в течении 2 лет гарантийного срока эксплуатацииИзъят____ 20 г.Исполнитель____(подпись и расшифровка) | Дата изготовления____(число, месяц, год)Продавец____(название, адрес)Дата изготовления____(число, месяц, год)Материально ответственное лицо____(подпись и расшифровка)МПКорешок отрывного талона на техническое обслуживание в течении 2 лет гарантийного срока эксплуатацииИзъят____20 г.Исполнитель____(подпись и расшифровка) | Дата изготовления____(число, месяц, год)Продавец____(название, адрес)Дата изготовления____(число, месяц, год)Материально ответственное лицо____(подпись и расшифровка)МПКорешок отрывного талона на техническое обслуживание в течении 2 лет гарантийного срока эксплуатацииИзъят____ | 20 г. | Исполнитель____(подпись и расшифровка) | 1 | 2 | 3 | 4 | 5 | 6 | 7 | 8 | 9 | 10 | 11 | 12 | 13 | 14 | 15 | 16 | 17 | 18 | 19 | 20 | 21 | 22 | 23 | 24 | 25 | 26 | 27 | 28 | 29 | 30 | 31 | 32 | 33 | 34 | 35 | 36 | 37 | 38 | 39 | 40 | 41 | 42 | 43 | 44 | 45 | 46 | 47 | 48 | 49 | 50 | 51 | 52 | 53 | 54 | 55 | 56 | 57 | 58 | 59 | 60 | 61 | 62 | 63 | 64 | 65 | 66 | 67 | 68 | 69 | 70 | 71 | 72 | 73 | 74 | 75 | 76 | 77 | 78 | 79 | 80 | 81 | 82 | 83 | 84 | 85 | 86 | 87 | 88 | 89 | 90 | 91 | 92 | 93 | 94 | 95 | 96 | 97 | 98 | 99 | 100 | 101 | 102 | 103 | 104 | 105 | 106 | 107 | 108 | 109 | 110 | 111 | 112 | 113 | 114 | 115 | 116 | 117 | 118 | 119 | 120 | 121 | 122 | 123 | 124 | 125 | 126 | 127 | 128 | 129 | 130 | 131 | 132 | 133 | 134 | 135 | 136 | 137 | 138 | 139 | 140 | 141 | 142 | 143 | 144 | 145 | 146 | 147 | 148 | 149 | 150 | 151 | 152 | 153 | 154 | 155 | 156 | 157 | 158 | 159 | 160 | 161 | 162 | 163 | 164 | 165 | 166 | 167 | 168 | 169 | 170 | 171 | 172 | 173 | 174 | 175 | 176 | 177 | 178 | 179 | 180 | 181 | 182 | 183 | 184 | 185 | 186 | 187 | 188 | 189 | 190 | 191 | 192 | 193 | 194 | 195 | 196 | 197 | 198 | 199 | 200 | 201 | 202 | 203 | 204 | 205 | 206 | 207 | 208 | 209 | 210 | 211 | 212 | 213 | 214 | 215 | 216 | 217 | 218 | 219 | 220 | 221 | 222 | 223 | 224 | 225 | 226 | 227 | 228 | 229 | 230 | 231 | 232 | 233 | 234 | 235 | 236 | 237 | 238 | 239 | 240 | 241 | 242 | 243 | 244 | 245 | 246 | 247 | 248 | 249 | 250 | 251 | 252 | 253 | 254 | 255 | 256 | 257 | 258 | 259 | 260 | 261 | 262 | 263 | 264 | 265 | 266 | 267 | 268 | 269 | 270 | 271 | 272 | 273 | 274 | 275 | 276 | 277 | 278 | 279 | 280 | 281 | 282 | 283 | 284 | 285 | 286 | 287 | 288 | 289 | 290 | 291 | 292 | 293 | 294 | 295 | 296 | 297 | 298 | 299 | 300 | 301 | 302 | 303 | 304 | 305 | 306 | 307 | 308 | 309 | 310 | 311 | 312 | 313 | 314 | 315 | 316 | 317 | 318 | 319 | 320 | 321 | 322 | 323 | 324 | 325 | 326 | 327 | 328 | 329 | 330 | 331 | 332 | 333 | 334 | 335 | 336 | 337 | 338 | 339 | 340 | 341 | 342 | 343 | 344 | 345 | 346 | 347 | 348 | 349 | 350 | 351 | 352 | 353 | 354 | 355 | 356 | 357 | 358 | 359 | 360 | 361 | 362 | 363 | 364 | 365 | 366 | 367 | 368 | 369 | 370 | 371 | 372 | 373 | 374 | 375 | 376 | 377 | 378 | 379 | 380 | 381 | 382 | 383 | 384 | 385 | 386 | 387 | 388 | 389 | 390 | 391 | 392 | 393 | 394 | 395 | 396 | 397 | 398 | 399 | 400 | 401 | 402 | 403 | 404 | 405 | 406 | 407 | 408 | 409 | 410 | 411 | 412 | 413 | 414 | 415 | 416 | 417 | 418 | 419 | 420 | 421 | 422 | 423 | 424 | 425 | 426 | 427 | 428 | 429 | 430 | 431 | 432 | 433 | 434 | 435 | 436 | 437 | 438 | 439 | 440 | 441 | 442 | 443 | 444 | 445 | 446 | 447 | 448 | 449 | 450 | 451 | 452 | 453 | 454 | 455 | 456 | 457 | 458 | 459 | 460 | 461 | 462 | 463 | 464 | 465 | 466 | 467 | 468 | 469 | 470 | 471 | 472 | 473 | 474 | 475 | 476 | 477 | 478 | 479 | 480 | 481 | 482 | 483 | 484 | 485 | 486 | 487 | 488 | 489 | 490 | 491 | 492 | 493 | 494 | 495 | 496 | 497 | 498 | 499 | 500 | 501 | 502 | 503 | 504 | 505 | 506 | 507 | 508 | 509 | 510 | 511 | 512 | 513 | 514 | 515 | 516 | 517 | 518 | 519 | 520 | 521 | 522 | 523 | 524 | 525 | 526 | 527 | 528 | 529 | 530 | 531 | 532 | 533 | 534 | 535 | 536 | 537 | 538 | 539 | 540 | 541 | 542 | 543 | 544 | 545 | 546 | 547 | 548 | 549 | 550 | 551 | 552 | 553 | 554 | 555 | 556 | 557 | 558 | 559 | 560 | 561 | 562 | 563 | 564 | 565 | 566 | 567 | 568 | 569 | 570 | 571 | 572 | 573 | 574 | 575 | 576 | 577 | 578 | 579 | 580 | 581 | 582 | 583 | 584 | 585 | 586 | 587 | 588 | 589 | 590 | 591 | 592 | 593 | 594 | 595 | 596 | 597 | 598 | 599 | 600 | 601 | 602 | 603 | 604 | 605 | 606 | 607 | 608 | 609 | 610 | 611 | 612 | 613 | 614 | 615 | 616 | 617 | 618 | 619 | 620 | 621 | 622 | 623 | 624 | 625 | 626 | 627 | 628 | 629 | 630 | 631 | 632 | 633 | 634 | 635 | 636 | 637 | 638 | 639 | 640 | 641 | 642 | 643 | 644 | 645 | 646 | 647 | 648 | 649 | 650 | 651 | 652 | 653 | 654 | 655 | 656 | 657 | 658 | 659 | 660 | 661 | 662 | 663 | 664 | 665 | 666 | 667 | 668 | 669 | 670 | 671 | 672 | 673 | 674 | 675 | 676 | 677 | 678 | 679 | 680 | 681 | 682 | 683 | 684 | 685 | 686 | 687 | 688 | 689 | 690 | 691 | 692 | 693 | 694 | 695 | 696 | 697 | 698 | 699 | 700 | 701 | 702 | 703 | 704 | 705 | 706 | 707 | 708 | 709 | 710 | 711 | 712 | 713 | 714 | 715 | 716 | 717 | 718 | 719 | 720 | 721 | 722 | 723 | 724 | 725 | 726 | 727 | 728 | 729 | 730 | 731 | 732 | 733 | 734 | 735 | 736 | 737 | 738 | 739 | 740 | 741 | 742 | 743 | 744 | 745 | 746 | 747 | 748 | 749 | 750 | 751 | 752 | 753 | 754 | 755 | 756 | 757 | 758 | 759 | 760 | 761 | 762 | 763 | 764 | 765 | 766 | 767 | 768 | 769 | 770 | 771 | 772 | 773 | 774 | 775 | 776 | 777 | 778 | 779 | 780 | 781 | 782 | 783 | 784 | 785 | 786 | 787 | 788 | 789 | 790 | 791 | 792 | 793 | 794 | 795 | 796 | 797 | 798 | 799 | 800 | 801 | 802 | 803 | 804 | 805 | 806 | 807 | 808 | 809 | 810 | 811 | 812 | 813 | 814 | 815 | 816 | 817 | 818 | 819 | 820 | 821 | 822 | 823 | 824 | 825 | 826 | 827 | 828 | 829 | 830 | 831 | 832 | 833 | 834 | 835 | 836 | 837 | 838 | 839 | 840 | 841 | 842 | 843 | 844 | 845 | 846 | 847 | 848 | 849 | 850 | 851 | 852 | 853 | 854 | 855 | 856 | 857 | 858 | 859 | 860 | 861 | 862 | 863 | 864 | 865 | 866 | 867 | 868 | 869 | 870 | 871 | 872 | 873 | 874 | 875 | 876 | 877 | 878 | 879 | 880 | 881 | 882 | 883 | 884 | 885 | 886 | 887 | 888 | 889 | 890 | 891 | 892 | 893 | 894 | 895 | 896 | 897 | 898 | 899 | 900 | 901 | 902 | 903 | 904 | 905 | 906 | 907 | 908 | 909 | 910 | 911 | 912 | 913 | 914 | 915 | 916 | 917 | 918 | 919 | 920 | 921 | 922 | 923 | 924 | 925 | 926 | 927 | 928 | 929 | 930 | 931 | 932 | 933 | 934 | 935 | 936 | 937 | 938 | 939 | 940 | 941 | 942 | 943 | 944 | 945 | 946 | 947 | 948 | 949 | 950 | 951 | 952 | 953 | 954 | 955 | 956 | 957 | 958 | 959 | 960 | 961 | 962 | 963 | 964 | 965 | 966 | 967 | 968 | 969 | 970 | 971 | 972 | 973 | 974 | 975 | 976 | 977 | 978 | 979 | 980 | 981 | 982 | 983 | 984 | 985 | 986 | 987 | 988 | 989 | 990 | 991 | 992 | 993 | 994 | 995 | 996 | 997 | 998 | 999 | 1000 |
ПростаяИнструкция