EVORA - Piscina elevada GRE - Manual de utilização gratuito
Encontre gratuitamente o manual do aparelho EVORA GRE em formato PDF.
Baixe as instruções para o seu Piscina elevada em formato PDF gratuitamente! Encontre o seu manual EVORA - GRE e retome o controlo do seu dispositivo eletrónico. Nesta página estão publicados todos os documentos necessários para a utilização do seu dispositivo. EVORA da marca GRE.
MANUAL DE UTILIZADOR EVORA GRE
É IMPRESSIVEL verificar as dimensoes das diagonais das piscinas. Desta maneira, serao evitados problemas futuros. Rever isto varias vezes ate obter as dimensoes indicadas nos planos.



Em caso de roturas e/ou deformacoes da madeira, faça um inventario complete do estado das peças antes de as solicitar ao service pós-venta. Desta forma, as peças chegarao todas no mesmo envio.
Para a montagem, a lingueta da travessa deve estar sempre virada para cima (em piscinas comSYSTEMa macho/femea).
Na primeira linha de travessas (que formam a base da piscina), é normal que algumas travessas aparecem uma ranhura na parte inferior e outras não, sentido estas de base plana (travessas de meia largura).
Durante o inverno, as peças metalicas das zonasAdjacentes podem oxidar-se. A manutenção destas peças é da sua responsabilitad. Se utilize a采暖 cobertura de inverno, assegure-se de que existe uma ventilacao correta.
Nao esvaziar complemente a piscina durante um periodo de tempo longo, para fazer que a sua estrutura possa sofrer deformacoes.
Consulte a secção de manutençao do manual, para a escada de aço inoxidavel (no caso de que a sua piscina inclua escada)
PT Antes de aparafusar as praias da piscina, e necessario colocar as madeiras para una correta localizaao. Se a piscina tiver praia dupla, deve colocar tanto a interior como a exterior e会展ar a aparafusar o perimetro interior.
É proibido sentar-se ou caminhar em cima dasplaces. As roturas não se encontrar cobertas pela garantia.

EN To install the blocks (pieces of wood that support the edges), pay attention to the pool drawing. It is important that these are screwed in the exact position indicated on the drawing. Do not over-tighten the screws to avoid splintering the wood. It is recommended to sand the areas with splinters to eliminate the risk of cutting.
Para instalar los tacos (piezas de madera que sujetan las playas), fjese en el plano de la piscina. Es importante que los atornille en el lugar exacto que indica el plano. No apriete demasiado los tornillos para evitar que se formen astillas en la madera. Se recomienda lijar las zonas que queden con una astilla para eliminar el riesgo de corte.
Pour installer les cales (pièces en bois qui soutiennent les margelles), consultez le plan de la piscine. Il est important de les visser à l'endetroit exact indiqué sur le plan. Ne serrez pas trop les vis pour éviter la formation d'échards sur le bois. Il est conseilé de poncer les zones avec des échards pour éliminer tout évientuel risque de coupure.
Die Positionierung der Holzprofile zum Abstützen der Strandstücke entnehmer Sieitte der Beckenzechnung. Dese mssen genau an der in der Zeichnung angegebenen Stelle angeschraubt werden. Die Schrauben nicht zu fest anziehen, damit das Holz nicht splitter. Um der Gefahr von Rissverletzungen vorzubeugen, sollenn Bereiche mit eventueller Splitterbildung abgeschlifen werden.
IT Per installare i piedi (elementi in legno che sostengono i rivestimenti) atteneri allo schema della piscina. E' fondamentale avvitari nel luogo corretto come indicate nello schema. Non serrareccessivamente le viti per evitare di scheggiare il legno. Si consiglia di carteggiare le aree che dovesso presentare schegge per evitare di tagliarsi.
Voor het monteren van de steunen (blokken hout die de wanden steunen) moet u goed op het montageplan voor het zwembad kijken. Het is belangrijk dat ze precies op dieplaatsen worden vastgeschroefd op het plan+zijn aangegeven. No Draai de schroeven Niet te vast om te voorkomen dat er splinters op het hout ontstaan. Het worden aanbevolen om de gebieden waar wat splintertjes te zien zich netjes glad te schuren om het risico op insnijding te voorkomen.
Para instalar asbuchas (peças de madeira que seguram as praias), repare no plano da piscina. é importante que as aparafuse no local exato indicado no plano. Não aperte demasiado os parafudos, para evitar que se formem farpas na madeira. Recomenda-se lixar as zonas emq ue se detetem farpas, para eliminar o risco de corte.
EN After a few months since assembling the pool we recommend using a water-based dye to hydrate the wood. Remember wood is a live being. This reduces the appearance of fissures. This dye is advisable on copping because being most exposed to sunlight and chemical products. If you decide to paint your pool, make sure the product you use is adequate for wood treated with Autoclave 4.
ES Pasados uns meses de el montaje de la piscina es recomendable dar un tinte al agua para hidrar la madera. Recordemos que la madera es un ser vivo. De esta way, se minimiza la aparacion de fisuras. Este tinte es aconsejable sobre todo en las playas ya que son las partes mas expuestos al sol y al producto quimico. Si usted decide pintar su piscina, asegurese de que es un producto apto para la madera tratada con Autoclave 4.
FR Quelques mois après le montage de la piscine, il est conseilled d'appliqueur une teinture a I'eau pour hydrater le bois. Il ne faut pas oublier que le bois est un etre vivant et ce geste permet de limiter l'apparition de fissures. Cette teinture est specialement recommandee sur les margelles, etant donne qu'il s'agit des parties les plus exposées au soleil et aux produits chimiques. Si vous decide de peindre votre piscine, assurez-vous d'employer un produit apte pour le bois traité avec Autoclave 4.
DE Einige Monate nachdem Sie Ihr Schwimmbecken aufgebaut haben empfeihlt es sich, eine Beize auf Wasserbasis aufzutragen, um das Holz zu hydratisieren. Denken Sie daran, dass Holz etwas Lebendiges ist. So vermeiden Sie Risse. Die Beize empfeihlt sich insbesondere für die Handlaufe, da diese am haufigsten Sonne und Chemikalien ausgesetzt sind. Wenn Sie Ihr Schwimmbecken anstreichen wollen, verwenden Sieitte ausschließlich fur Holz des Typas A IV geeignete Produkte.
Dopo pochi mesi dal montaggio della piscina, si consiglia di verniciarla con una vernice ad acqua per IDRatare il legno. Ricordiamoci che il legno e un materiale vivo. Questa accortezza consente di ridurre al minimo la formazione di crepe. La verniciatura è raccomandata soprattutto sui bordi, poiché sono le parti più esposte al sole e al prodotto chimico. Qualora si decide di dipingere la propria piscina, assicurarsi di utilizzato un prodotto adatto per legno trattato con autoclave 4.
NL Een paar maanden na de montage van het zwembad is het raadzaam om het hout te hydrateren door het te bewerken met beits op waterbasis. Laten we Niet vergeten dat hout een levend materiaal is. Op deze manier wordt het ontstaan van scheuren geminaliseerd. Beitsen is vooral aan te raden voor de zwembadranden, omdat dit de delen zich die het meest aan de zon en chemische producten worden blootgesteld. Als u besluit uw zwembad te schilderen, zorg er dan voor dat het een product is dat geschikt is voor met autoclaaf klassie IV behandeld hout.
Transcorridos algoes apso a montagem da piscina, e recomendavel aplicar um demao de tintura a base de agua para hidrar a madeira. Nao devemos esquecer que a madeira é um ser vivo. Este procedimento permite minimizar a apariacao de fissuras, e recomendavel especialmente para as passarelas, por serotonin as partes mais expostas ao sol e aos produits quimicos. Se decide decidir pintar a sua piscina, assegure-se de utilizear um produto apto para a madeira tratada com Autoclave 4.
EN Once you open the pallet of the wood, the pool must be assembled within a maximum period of two days. In addition, we suggest doing this on days without any rain to avoid that the wood is humidified, complicating the final assembly.
Es Una vez se abre el palet de madera, es importante montar su piscina en un maximo de dos días. Además es aconsejable hacerlo en días sin lluvia para evaporar que la madera se humedezca, complicando el montaje final.
FR Une fois que la palette en bois est ouverte, il est important de monter la piscine dans un délambda maximum de deux jours. Il est également conseilé de procéder au montage sans pluie, afin d'éviter que le bois ne soit mouillé, ce qui compliquerait l'assemblage final.
DE Nach Öffnen der Holzpalette sollen Sie den Pool in maximal zwei Tagen zusammenbauen. Es empfeht sich außerdem, die Montage an regenfrei Tagen durchzuführen, damit das Holz nicht nass wird und die Endmontage erschwert.
IT Una volta aperto il bancale in legno, è importante montare la piscina entro un massimo di due giorni. Si consiglia di farloanche nelle giornate sulla pioggia per evitare che il legno si bagni, complicando l'assemblaggio finale.
Zodra je de houten pallet hebt opengemaakt, is het belangrijd dat je je zwembad binnen uiterlijk twee階段 in elkaar zet. Het is ook raadzaam dit te doen op階段 waarop het Niet regent. Zo voorkom je dat het hout nat wordt, wat de uiteindelijke montage zou bemoeilijken.
PT Uma vez aberto a palette de madeira, é importante montar a sua piscina num tempo máximo deinous dias. Além disso, é aconsehlável realizar a montagem em dias sem chuva a fim de fazer que amadeira se molhe, o que complicaria a montagem final.
. COMPONENTS . COMPONENTES . ELEMENTS
A palette deve ser armazenada sobre um piso nivelado, de preferencia de betão.
- Rever o conteudo.
- Montar logo que possível a fim de fazer a deformação das peças antes retirada a tira de fixação.
Casonao sejamontada de imediato:
- Nãoletalas tiras de fixação damadeira.
- Caso sera necessario desfazer a palette e não a piscina não está ser montada, a palette deve ser reconstruindo assegurando uma boa fixação a fim de evaporar deformações sem as peças (utilizar cordas, tiras, etc.).
Em ), os caseos, colocar peso em cima para assegurar que as peças se mantenham planas. Armazenar a palette num local com uma ventilacao adequada.
EN ATTENTION!
Parabéns pela sua escolha. O modelos que escolHEU foi concebido especialmente para una instalação simples e rápida, porém algumas precauções são necessarias para a boa utilização da sua piscina. Antes de quando a instalação e a montagem da sua piscina, informe-se sobre o regulamento local em vigor em materia de superficie e de implantação.
Autilização do kit de piscinas implicá o respeito pelas instruções de segurança descritas no manual de manutenção e de utilização.
Se as normas de segurar não foram respeitadas, poderão ocorro graves riscos para a Saúde, designamente a das crianças. Leia atentamente este manual e observe as ilustrações antes de partirar a montagem da sua piscina. Caso a montagem não está conforme este manual, a garantia pode ser recusada em caso de falha.
A informação que consta de estudo de instalacao minha exatamente como a montagem deve ser realizada. Porém, os desenhos que constam do mesmo pretendem explicar oprocesso de montagem. As forma, as cores e o aspeto que these sofram não serao considerados elementos contratuais. No seu objetivo constante de melhorar os osseiros, a sociedade Manufacturas Gré reserva-se o direito de alterar, a qualquer alta e sem prévio avis, as dascharacteristicas, os detalhes tecnicos, os equipamentos padronizados e as opções dos seu produits.
PICTOGRAMS - PICTOGRAMAS - PICTOGRAMMES - PIKTOGRAMME PITTOGRAMMI - PICTOGRAMMEN - PICTOGRAMAS

Compulsory Obligatorio Impératif Obligatorisch Obligatorio Verplicht Obrigatório

Attention
Atencion
Attention
Achtung
Attenzione
Let op
Atencion

Observacion
Observacion A noter
Hinweis
Osservazioni Opmerking
Observacao

Suggestions Consejo Conseils Ratschlag Consigli Tips Conselhos
PRECAUCIONES DE ALMACENAMIENTO
Para qualquer reclamação ou service pos-venda, conserve o seu manual com o número de série, juntamente com o comprovativo de compra (ticket de caixa).
Qualquer reclamação de garantia deverá ser objecto de uma declaração online, no site https://www.grepool.com/pt/post-venda, juntamente com o comprovativo de compra.
Podem serrequireidas fotografia para justificá-lo. Não sera aceite nenhumadevoluçao demercadora sem acordo prévio.
0 cliente assumirá os custos de todas as devoluções de mercadora (embalagem e transporte).
APós A VERIFICAÇÃO E A CONSTATAÇÃO DE UM DEFEITO DE FABRICO.
- Os produits que efetivamente aparecem defeitos são reparados ou substituções com os portes半导ços.
!
A garantia limita-se à reparacao ou a substituicao da peça defeituosa. Em nenhum caso, implicará uma acao de indemnização ou de perdas e danos.
A GARANTIA NÃO SERÉ APLICADA NAS SITUACções SEGUIDES:
- Utilização de materiais não conformes às nosssas instruções.
- Danos causados por um manuseamento errado ou por uma instalacao não conforme.
IMPORTANT:
A société Manufacturas Gré substitui components em troca deculos para a sua peritagem.
Se depuis da peritagem não for detetada qualquer anomalia ou disfunção, a sociedade Manufacturas Gré reservar-se-á o direito de fatarar os custos de portes e outros diversos ao cliente.
DURAÇÃO DA GARANTIA:
- Amadeira de pinheiro-silvestre tratada em autoclave de classe IV tem uma garantia de 10 anos contra a podridao e os ataques de insetos.
- Liner: 2 anos para as costuras e a estanqueidade numas condições de uso normal. Não entram na garantia: os rasões, os buracos, as roturas, as manchas (produtos de tratamento diretamente na água), as manchas vinculadas ao crescimento de algas, as manchas relacionadas com a decomposão de corpos estranhos em contacto com o liner, as manchas e as decolorações resultantes da ação dos produits oxidantes, a manutenção da cor e o desgaste devidos à friççao do material sobre diversas superfícies, a deformação doliner que foci deixado mais de 24 horas sem água (nunca esvazie a piscina
porcomplete).
É obligatório guardar a etiqueta com o número de série doliner presente no produits e na sua embalagem. Para qualquer eventualrequireimento de concessions de garantia,uma amostra do liner sera exigida.
- Escada inoxidavel: 2 anos. Em caso de uma filtração por eletrólique de sal, a garantia da escada não poderá ser tida em conta.
- Grupo de filtração: a bomba tem uma garantia de 2 anos (problemaétrico) em condições normais de'utilização. Não entram na garantia: a rotura de peças (base da bomba/deposito de areia, cobertura do pré-filto, valvula multidirectional...), a deterioração deixa a uma conexão defeituosa, o uso da bomba a seco, a deterioração por abrasão ou por corrosão (o grupo de filtração deve ser colocado num local fresco e seco, resguardo de salpicos de água).
- Outros componentes: 2anos.
SÃO EXCLUIDOS DA GARANTIA:
Quaisquer alteracoes posteriores ao tratamento que possam afetar negativamente a qualidade do mesmo, como, por example, e a tuito de exemple, qualquer corte, escovagem, lixivagem e perfurações. Exceço: os orificios necessários para a fixacao dos reforços e dos blocos de madeira, realizados com uma broca com um diametroelo menos um milimetro inferior ao dos parafusos realizados na montagem.
- Os cortes no liner
- A montagem e a conexão da filtração
- A ensambladura
- O enchimento de agua
- A colocação dos bordos
- A hibernação
- A manutenção
SERVICO Pós-VENDA EM GARANTIA: (Após comprovacao e prova de compra
- Portes de ENVIO a cargo do cliente.
- Portes de RETORNO por conta da Manufacturas Gré (para aquelas peças abrangidas no esquema da garantia).
- Mudança demadeira antes comprovacaovisual.
- Peças ou componentes por conta da Manufacturas Gré.
- Prazo de substituição: 8 dias úteis. No(contexto da substituição de um componente defeitouso, a montagem e a desmontagem não correim por conta da Manufacturas Gré.
SERVICO POS-VENDA SEM GARANTIA:
- Portes de envio / returno a cargo do cliente.
- As peças seront a faturadas de acordo com o meu tarifário em vigor.
Peças avulsas disponíveis durante 5 anos a conta da data de faturação do produits.
PRELIMINAR
PRECAUÇÖS DE ARMAZENAMENTO
Enquanto a piscina se encontrar desmontada, é sensível às variações de temperatura e de humidade. Portanto, é necessário tomarisas precauçõesde armazenamento.
Quando receba as embalagens, guarde as peças de fazer em plano, resguardadas da humidade e da luz solar para fazer qualquer risco de deformacao.
IMPRESCINDIVEL:
- Não deixe a madeira ao sol, a fim de evaporar que amadeira empene ou rache de forma excessiva.
- Não deixe o tanque da piscina exposto no exterior protegado com uma lona estanque, porque a condensação que emana damadeira vai humedecê-la mesma mais e a submeterá a alterações de forma.
OBRIGATORIO:
Monte a estrutura de una sola vez.
- Guarde a madeira da sua piscina num local plano, resguardada da agua e da luz solar.
- Retire a &, protetora para que a madeira «respire».
DURAÇÃO DA INSTALAÇÃO
A instalacao da piscina precise da intervencao deleo menos das pessoas e demora dois dias (para além da preparacao do terreno e do enchimento).
ANTES DA CONSTRUÇÃO DA PISCINA CERTIFICHE-SE
- De que é uma persona qualificada quem efetua as ligações electrolyticas.
- De que o fornecimiento de agua é suficiente para enchcer a piscina.
- De que leu o manual minuciosamente, passo a passo, para comprehender adequadamente a instalacao da piscina.
IMPORTANT:
Manufacturas Gre, S.A não sera responsable dos falhos que sejam derivados de uma boa qualidade do betão.
A base de betão deve ser feita por um profissional de acordo às indicações descritas neste manual de instruções. Em caso de uma reclamação, a fatura da base pode ser solicitada para poder estudar a garantia da piscina.
PISCINAS ENTERRADAS E REGULAMENTO ESPECIFICO
Para as pescinas em superficie, é recomendado proteger o acesso ao tanque por meio de um elemento de protecao normalizzato.
Para as piscinas semienterradas e completeness enterradas, a lei francesa n. 2003-9 de 3 de janeiro de 2003, relativa à segurarca das piscinas, bem como o decreto francés n. 2003-1389 de 31 de dezembro de 2003, relativo à segurarca das piscinas, exigem proteger o accesso ao tanque atraves deleo menos um elemento de protecao normalizzato, como:
- Barreira de proteção
- Alarme de piscina
- Cobertura de piscina
- Refúgio de piscina
CONSELHO DE COLOÇÃO
Deve preparar o terreno como indicaço;nestemanual no capítulo «Instalação».
NÃO COLOQUE A SUA PISCINA
- Sob redes de eletricidade
- Sob ramagem de árvores
- Sobre um terreno não estabilizzato
Uma boa localização permite poupar tempo e evita limitações. A piscina deve estar num lugar soalheiro e fácilmente acessível.
A localização da piscina deve estar isenta de tubagens ou de ligações electrolyicas.
Tenha em conta que é preferível montar a piscina num dia soalheiro e evaporar os dias com muito vento.
- Alguns componentes da piscina está embalados em sacos de plástico. Para fazer qualcer risco de asfixia, nunca permita que os bebés ou ascriças brinquem com eles.
- Obrigados por respeitar as normas da Uniao Europeia e por collaborating na protecao do ambiente.
Quando tenha instalado a sua piscina e estejam todos os componentes Unidos, agradecemos que classifique e recicle todas as embalagens.
PRELIMINAR
INSTRUÇÉS DE SEGURANÇA
É obligatório colocar o kit de filtração (filtro + bomba) a uma distência minima de 3,5 metros da piscina para fazer o risco de descarga eletrica.
É obligatório prever a instalação de um disposito de proteção diferencial especial para pescinas na alimentação eletrica da bomba, nos termos do regulamento.
Nunca deixe as crianças sem vigilência perto da piscina.
Depois de cada banho, retire a escada exterior visando evaporar as quedes acidentais à piscina das crianças ou dos animais de estimação (Norma EN P90-317).
Esta piscina está destinada a uma utilização exclusivamente familiar. Não é permitido caminhar sobre os bordos nem mergulhar ou saltar a partir deles.
Antes de instalar e de utilizes a piscina, leia atentamente a informacao inclua在这e manual, assimile-a e cumpra-a. Os anuncios, as instruções e as ordens de seguranca dizem respeito a somes dos ricos mais habituais relativos ao lazer na agua, mas nao cobrem a totalidade dos ricos e perigos que podem surgir. Seja prudente e tenha senso crico e senso comum quando praticar atvidades aquaticas. Guarde esta informacao para ulteriores consultas.
Segurarca de whom nao sabem nada:
Sempre é necessária a vigilência atenta, ativa e continua por parte de um adulto responsavel sobre as crianças que não sabem nadar ou que não o fazem bem (tenha em conta que o risco de afogamento mais elevado é o que atinge as crianças de menos de cinco anos).
- Tente que um adulto responsavel vigile a piscina sempre que é realizada.
- É conveniente que as crianças que não sabem nadar ou que não o fazem bem contentem com equipamentos de proteção individual quando utilizem a piscina.
- Quando a piscina não está正常使用 ou se entraince sem vigilência, devekatrar todos os brinquados dela a fim de fazer que as crianças se aproximem dela.
Dispositivos de seguranca
- É recomendável instalar uma barreira (e, se for caso disso, instalar elementos de segurança em portas e janelas) a fim de fazer qualquer acesso não autorizzato à piscina.
- As barreiras, as coberturas, os alarmes para piscinas ou os dispositivos de seguranca anlogos, são ueteis, mas nao substituem a vigilancia continua por parte de um adulto responsavel.
Equipamento de segurar
- É recomendado dispor de material de salvamento (uma boia, por exemplo) perto da piscina.
- Tenha um Telephone em perfeito estado e uma listagem de números de emergências perto da piscina.
Uso seguro da piscina
- Encoraje todos os usuários, especialmente as crianças, aplerder a nada.
- Aprendia técnicas de salvamento (reanimação cardiopulmonar) e atualize periodicamente os seuis acontecimentos. Isto pode salvar uma vida numa emergência.
- Explique aos 用户 da piscina - também às crianças - o procedimento que devem seguir em caso de urgência.
- Nunca vergulhe em piscinas pouco profundas, dado que pode sofrer lesões graves ou mortais. - Não utilize a piscina antes ter ingerido alcool ou medicamentos suscêveis de reduzir a sua capacidade de o fazer em condições de segurar a total.
- Se a piscina estiver tapada por una cobertura, devaré retirá-la completeness da superficie da agua antes de entrada.
- Trate a agua da sua piscina e estabeleça boas prácticas de higiene para proteger os 用户os de doçências relacionadas com a água. Consulte como tratar a água no manual de instruções.
- Mantenha fora do alcance das crianças os produits químicos (produtos de tratamento da água, de limpeza ou de desinfeço, por exemplo).
- É obligatório colocar os pictogramas incluídos numa posicao visível a menos de 2 m da piscina. - Coloque as escaladas moveris sobre uma superficie horizontal.




Peças avulsas disponíveis durante 5 anos a conta da data de faturação do produits.

PEFC
PEFC/14-38-00166



ATENÇA:
Qualquer aparelho eletrico alimentado com 220 V, deve estra situado pelo menos a 3,50 m do borde da piscina. O aparelho deve ser ligado a uma tomada de corrente alterna, com ligação à terra, protegida com um interruptor diferencial (RCD) com uma corrente de functimento residual que não exceeda os 30 mA.
Leia atentamente estas instruções, e guarde- as para futuras consultas.
EM CASO DE PROBLEMA...jCONSULTAR-NOS!
SERVIÇOS TECNICO EM PORTUGAL:
www.grepool.com
Quando tenha instalado a sua piscina e estejam todos os componentes Unidos, agradecemos que classifique e recicle todas as embalagens.
EN LEARN ABOUT THE WOOD
ES CONOZCA LA MADERA
FR MIEUX CONNIATRE LE BOIS
DE DAS HOLZ BESSER KENNENLERNEN
CONOSCI IL LEGNO
NL WAT U MOET WETEN OVER HOUT
CONHEÇA A MADEIRA
WOOD: A LIVING MATERIAL
Amadeira é um produto natural,asfissuraspercetiveisnoveio da madeira sao completelynormaisnao alteram ascharacteristicadesistênciada.thisma.
Amadeira é sempre um material moldável (de 3 % a 4 % de variações dimensionais) com as oscilações em temperatura e em humididade. Portanto, pode surgir��ueas fendas e para limitar ulteriores deformações,serao respeitados os criterios tecnicos no que diz respeito à conceção, à seleção de secções e de uniónes e a forma de fixação. Os nós são elementos naturais da madeira: o seu aspeto e o seu tamanho variam de um produits para outro. A secreção de resina é um fenómeno natural da madeira resinosa. Da mesma forma que nenhumá árvore é exatamente igual a outra, os elementos abaixo fotografados não podem ser considerados defeitos:

Cracks/Grietas/Fente/Risse/ Crepe/ Barsten/Fendas

Resin/Resina/Résine/Harz/ Resina/Hars/Resinas

Surface mould/Moho superficial/ Moisissures superficielles/ Oberflächlicher moeder/Muf fa superficialie/Oppervlakte-schimmel/Bolor superficial

Round knots/Nudos redondos/ Noeuds ronds/Runde knoten / Nadi rotondi/ Ronde kwasten/ Nós redondos

Nerves and long knots
Nervios y nudos alargados
Nervures et noeuds longs
Geäder und Lange knoten
Nervature e nodi ingranditi
Houtn erf en verlangde kwesten
Nervuras e nós alongados

Retention of sterilization products Retencion de produits de esterilizacion Retencion de produits detuve Rückstande von Sterilisationsprodukten Ritenzione di prodotti per la sterilizzazione Vasthoden van impregnatiemiddelen Retencion de produits de esterilizione

Differences in shades of colour
Diferencias de tonalidad
Diferencias de teinte
Unterschiede im Farbston
Diferencze di tonalità
Kleuverschillen
Diferencças de tonalidade
Pd surgir bolor sobre a superficie da madeira, ainda que nao penetrna nela e nao a degrada. Ao se submeter a radiao UV, a madeira tornase grisalha com o decorrer do tempo sem que isso prejudique a sua durabitidade. Pode aplicar um verniz para madeiras tratadas em autoclave. Para lem de proteger, o verniz contribui para a beleza e a longevidade da instalaao. Nesse caso, espere a que a madeira seque completely antes de aplicar o verniz.
O PINHEIRO-SILVESTRE TRATADO EM AUTOCRAVE
A madeira realizada é um pinheiro的选择ado e secado a 25% antes de um tratamento em autoclave IV.
Conta com una garantia de 10 anos contra o ataque dos insetos e contra a podridao para as partes no solo.
EN INSTALLATION DRAWING
ES PLANO DE INSTALLACION
FR PLAN D'IMPLANTATION
DE AUFSTELLPLAN
Piano Di INSTALLAZIONE
TIPS VOOR DE VEILIGHEID
PLANO DE INSTALAÇÃO

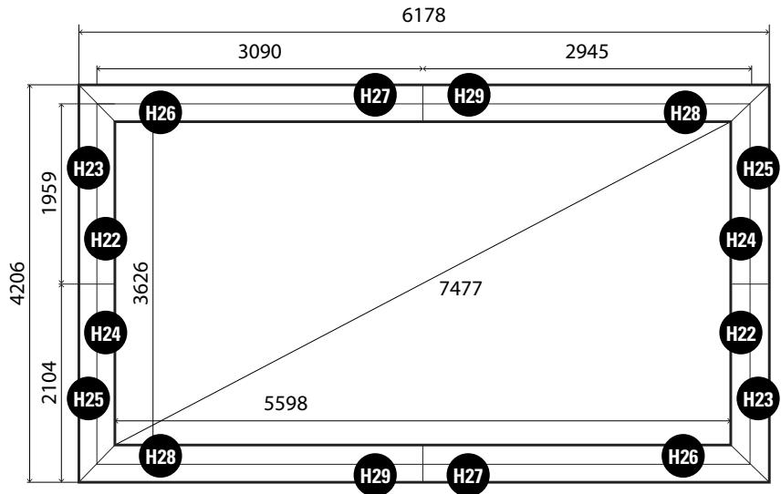
Dimensions in mm
Cotas en mm
Cotations en mm
Hohenangaben in mm
Livello in mm
Afmetingen in mm
Cotas em mm
| REF/REF /HINWEIS/RIF | DENOMINATION/DENOMINACION /BEZEICHNUNG/DENOMINAÇÃO /BENAMING/DENOMINAGGRO | CTD/QTÉ /ANZ/AANT /TD |
| 620004756/ABO | BAST BSK 46x145x4000 | 1 |
| 620004756/AAO | BAST DEP 46x81x4000 | 2 |
| 120074650/AH3 | BAST FIN G 46x79x2000 | 2 |
| 620004650/AG3 | BAST FIN G 46x79x4000 | 2 |
| 620004756/AEO | BAST HSK 46x145x4000 | 1 |
| 620004756/ACO | BAST REF 46x145x4000 | 1 |
| 620004652/AC3 | BAST STD 46x145x4000 | 14 |
| 620004650/AE3 | BAST STD G 46x145x2000 | 18 |
| 620004650/AC3 | BAST STD G 46x145x4000 | 18 |
| 620004756/AD0 | BAST SUP 46x145x4000 | 1 |
| 620004415 | CACHED L 22x56x1300 | 8 |
| 620001465 | CORBELET 46x145x225 | 11 |
| 620004515 | ENTRETOISE 28x56x1260 | 10 |
| 620002271/A00 | LIM D ECH 28/145/1,496 | 1 |
| 620002270/A00 | LIM G ECH 28/145/1,496 | 1 |
| 620004488 | MARCHE ECH 28x145x586 | 4 |
| 620004755/AR0 | MARG EXT D 36X145X2104 | 2 |
| 620004756/AKO | MARG EXT D 36X145X3090 | 2 |
| 620004755/AQ0 | MARG EXT G 36X145X2104 | 2 |
| 620004756/AJO | MARG EXT G 36X145X3090 | 2 |
| 620004755/ATO | MARG INT D 36X145X1959 | 2 |
| 620004756/AMO | MARG INT D 36X145X2945 | 2 |
| 620004755/ASO | MARG INT G 36X145X1959 | 2 |
| 620004756/ALO | MARG INT G 36X145X2945 | 2 |
| 620002246 | PLANQUE JONCTION 28X145X250 | 4 |
| 127072003/194 | RENFORT 46X145X1270 | 31 |

| IDENTIFICATION/ IDENTIFICAZION/ REPÉRER KENNZEICHNUNG/ IDENTIFICAZIONE/ IDENTIFICATIE/ IDENTIFICAZão | DENOMINATION/DENOMINACION/DÉSIGNATION/BEZEICHNUNG/ DENOMINA-NAZIONE/BENAMING/DENOMINAÇÂO/ | CTD/QTÉ/ANZ/AANT/TD |
| H22 | • Inside edge L1959 • Playa interior L1959 • Margelle intérieure L1959 • Innerer Rand L1959 • Bordo interno L1959 • Binnerand L1959 • Bordo interior L1959 | 2 |
| H23 | • Outside edge L2104 • Playa exterior L2104 • Margelle extérieure L2104 • Außerer Rand L2104 • Bordo esterno L2104 • Buitenrand L2104 • Bordo exterior L2104 | 2 |
| H24 | • Inside edge L1959 • Playa interior L1959 • Margelle intérieure L1959 • Innerer Rand L1959 • Bordo interno L1959 • Binnerand L1959 • Bordo interior L1959 | 2 |
| H25 | • Outside edge L2104 • Playa exterior L2104 • Margelle extérieure L2104 • Außerer Rand L2104 • Bordo esterno L2104 • Buitenrand L2104 • Bordo exterior L2104 | 2 |
| H26 | • Inside edge L2945 • Playa interior L2945 • Margelle intérieure L2945 • Innerer Rand L2945 • Bordo interno L2945 • Binnerand L2945 • Bordo interior L2945 | 2 |
| H27 | • Outside edge L3090 • Playa exterior L3090 • Margelle extérieure L3090 • Außerer Rand L3090 • Bordo esterno L3090 • Buitenrand L3090 • Bordo exterior L3090 | 2 |
| H28 | • Inside edge L2945 • Playa interior L2945 • Margelle intérieure L2945 • Innerer Rand L2945 • Bordo interno L2945 • Binnerand L2945 • Bordo interior L2945 | 2 |
| H29 | • Outside edge L3090 • Playa exterior L3090 • Margelle extérieure L3090 • Außerer Rand L3090 • Bordo esterno L3090 • Buitenrand L3090 • Bordo exterior L3090 | 2 |

Dimensions in mm
Cotas en mm
Cotations en mm
Hohenangaben in mm
Livello in mm
Afmetingen in mm
Cotas em mm


Wooden blocks
Tacos de madera
Consoles
Konsolen
Tasselli
Console
Blocos de madeira

Reinforcements
Refuerzos
Renforts
Verständkungen
Rinforzi
Verstevigingen
Reforços



SVUOTAMENTO DELL'ACQUA
O grupo de filtração, e em especial a bombaétrica da piscina, devem estar localizados obligatoriamente a uma distância de pelo menos 3,5 metros do tanque (normaétrica NFC-100).
EVACUÇÃO DE AGUA
A manutenção e a hibernação do过滤 precisam de evacuações de água. É imprescindivel prever as evacuações para a instalação do grupo de filtração.
TUBO DE FILTRACÄO
No caso de desejar enterrar os tubos de filtracao, é indispensable protegê-los contra o risco de deterioracao colocando-os num revestimento antes de introduzi-los debaixo da terra.
4
0 tanque deve ser colocado de tal forma que o skimmer se encontrar voltado para os ventos dominantes. O skimmer é um elemento muito importante do Sistema de filtracao e sempre instalado voltado para os ventos dominantes. Da capacidade de aspiracao e da sua boa localização, depende a filtracao otima da agua da piscina.

O grupo de filtração deve ser situado por baixo do[nível da piscina e,idealmente,a não do solo da piscina; se não, a bomba correrá o risco de se desativar. A bomba de filtração deve ser situada protegida de salpicos deágua, de inundações e da humidade, num local seco e bem ventilado. Caso contrário, as peças metálicas e o motor da bomba pode deteriorar-se.

É uma etapa determinante na construção da sua piscina. Determinados trathestos de colocação em funcaoamento, como a preparacao do terreno, a laje de betao, a drenagem... podem precisar da intervencao de professionais que saberao propor-lhe as soluções adequadas.
Seleciona a localizaao ideal, o mais soalheira possivel, tendo em conta o regulamento local (distancia da vedacao, servidos publicas, redes...) e o paisagismo posterior à instalação da piscina.
Determine a localização atraves da identificação do solo, consulte o capítulo «Traçado no solo».
Pode instalar a piscina destas tres forme:
O grupo de filtração deve ser situado por baixo do nível da piscina e, ideally, ao nível do solo da piscina; se não, a bomba correrá o risco de se desativar. A bomba de filtração deve ser situada protegida de salpicos de água, de inundações e da humidade, num local seco e bem ventilado. Caso contrário, as peças metálicas e o motor da bomba pode deteriorar-se.
Tente não instalar a piscina num solo enchido recentemente ou que não seja estavel. Seja qual for o tipo de instalacao selecionado, é necessario escavar e preparar o terreno para nivelá-lo.
Atença: em caso de terrenos em declive, é imprescindivel escavá-lo para nivalé-lo. Não adicione terra para nivelar o terreiro.
A instalação deverá ser efetuada sobre uma laje de betão, esta deverá ter uma espessura minima de 17 centimetros. A montagem do tanque está realizada antes a laje ter secado completeness (3 semanas). O grupo de filtração deve ser situado por debaixo do nível da piscina e, ideally, ao nível do solo da piscina.

Tenha em conta a referencia da piscina quando de realizar a montagem
EN TOOLS
- 1 chave de fendas (com céça torx N.° T15, T20, T25) • 1 trado com brocas paramadeira Ø4, Ø6 e Ø10, para betão Ø10 e para metal Ø5 • 1 estilete • 1 nível de bolha de ar • 1 decâmetro • 1 maço • 1 martelo
- 1 chave de fendas● 1 chave 19● 1 serra para metal • 1 serra para madeira • 1 esferografica • Adesivo PVC
- Rolo de Teflão • Adesivo de face dupla ou agrafador • Luvas • Aperta-juntas
Tempo de montagem (paraalysis do terreno e do enchimento): 2 dias com 2 pessoas no minimo

790206


790207
CONCRETE SLAB: THE POOL MUST BE CENTRED ON THE CONCRETE SLAB, AS SHOWN IN THE IMAGE. THE DIMENSIONS INCLUDE THE WALL THICKNESS.
Trace no solo a forma da piscina ajudando-se das dimensoes anteriores. Pode efetuar o tratado com a ajuda de uma corda
Se a piscina estiver complete ou parcialmente enterrada,deer prever a escavao de una zona de 50 cm adiconais no perimetro para facitar as suas deslokacoes durante a montagem.
PLACA DE BETAO:
A instalação da piscina implica a construção de uma laje de betão armado com fibras ou de malha soldada. O betão deve ser de 350 kg/m3 (normalizando C125 430). Recomendamos que recorra a um profissional para a construção da laje.
Se se tratar de uma instalação parcial ou totalmente enterrada, tente retirar todos os fragmentos de madeira, ramos ou raízes passivos de se degradarem com o decorrer do tempo. Não instale uma cofragem em torno da piscina ou proxima dela com uma madeira que não está tratada para a sua instalação em contacto com a terra. Não aplicque qualquer tratamento adiconal sobre a parte enterrada; por exemplo, a aplicação de alcatrão ou de verniz não microporso é proibida. Certifique-se de que a madeira tem a possibidade de «respirar», consulte o capítulo «Preparação do terreno».
PREPARING THE LAND
As recomendações sobre a construção para as piscinas total ou parcialmente enterradas são efetivas nocontexto de uma instalação num terreno que não seja humido. É conveniente que as instruçõesbasicas seamapadaptadas para evitar as restricçõesrelativas ao tipo de terreno (argila, porexample)ou à presenca excessiva deágua no solo (fontes, escorrenciais...). A fim de evitar qualquer excesso dehumidade no terreno, é necessário instalar umsystema de drenagem sob a piscina e em volta dela, com a construçãode um poço de decompressão.Em todos oscases, é necessária a presence da umsystema de evacuaçaoadaptado para evitar o estancamento daágua com as eventuais consequências de contaminaçãodo solo, inclusive a deterioraçãoda estrutura (podidão damadeira, deformação da estrutura...)Para garantiruma planificacaode qualida, a informaçãode um especialista pode ser muchovaliosa.
NUNCA MONTAR EM: Terreno inclinado, desigual, areso, com pedras ou brando.
MARCAR ZONA DE INSTALAÇÃO
Depo is esolher a zona de colocao da piscina (que tem de estar perfeitamente nivelada), e precise marcar. Marcar o terreno com a ajuda de estacas de madeira, uma chave de parafusos, um funil (ou uma garrafa de plastico), farinha ou cal, e uma corda. Aconseha-se nivelar a superficie total necessaria antes da markao (que deve ficar centrada no rectangulo correspondente ao modelo da piscina) para travaHar na montagem mais como do.
A fim de fazer excesso de humidade no terreno, é necessario instalar umsystema de drenagem sob a piscina e em torno dela, com a construcao de um poço de decompressao.
NIVELAR
Se se nvelar o terreno nunca se devar acrescentar terra ond falta, sempre deve-se cavar ond sobra. Desta forma garante-se a estabilitadde do terreno e a sua firmeza. Em qualquer caso devem-se eliminar as ervas, raizes, pedras, etc. O processo de nivelamento do terreno é muito importante. Deve-se dedicar a ele todo o tempo e atenho necessarios para a sua piscina se assentar perfeitamente no terreno escolhido, ou que evitarao problemas.
como nivelar: com regras ou "reguas de madeira compridas: Coloque-as enterradas na zona escolhida e limpa, formando rectangulos (ou quadrados) nivelados entre eles, por meio de una regra de pedreiro (aluminio) e um nivel. Quando estiverem todas as "reguas" a nivel e tirada a terra ai onde sobrar, podera encher as��anas zonas que faltam por nivelar (com terra limpa ou areia) mas sempre compactando e nivelando antes. é importante que fique bem firme para nao se arrombar o terreno quando a piscina estiver cheia de agua. Consulte um professional (um construtor ou um jardineiro, ou qualquet除外).
Acabamento: Encima do terreno limpo e nivelado, por a camada final (max.1 cm) de areia tamisada. Depois rega-se e compacta-se (com um rodizio de jardim). Verificar se está bem nivelado. Não utilizes a areia para nivelar o terreno. O acabamento deve ser perfeito.
Important: A instalação da piscina implica a construção de uma laje de betão armado com fibras ou de malha soldada.
A laje deve ser perfectamente alisado e suavizados para fazer quaisquer imperfeições.


Recomendamos que recora a um profissional para a construcao da laje.
A laje de betão não está incluída.
Ref. 790206 C: 6,59 x L: 4,61 x A: 0,17 m - 5,17 m³ de betão.
Ref. 790207 C: 8,56 x L: 4,61 x A:0,17 m -6,72 m³ de betão.
INSTALAÇÃO PARCIAL OU COMPLETAMENTE ENTERRADA
Segundo a natureza do terreno, é importante instalar uma drenagem periférica e ligá-la a um pouco de decompressão. O pouco é escavado antes da construção da piscina porque pode tambem evitar que as escações se encham de água durante as obras. Deve estar perto do tanque, uns centímetros por debaixo do ponto mais profundo do mesmo e chegar até à superficie. O pouco de decompressão situa-se no lado mais humido. Desempenhna a funcção de sumidouro em caso de infiltrações de água ou de solo argiloso, partindo de que a água sobe de forma mais


1-Armação demadeira
2-Rolo de protecao e de drenagem alveolar de PEHD
- No caso de instalar qualquer acessório em contacto com amadeira, é imprescindivel colocar o rolto alveolar para assegurar umaproteção correta.
EN METAL FRAMES
ES BASTIDORES METÁLICOS
FR BERCEAUX METALLIQUES
DE METALLGESTELL
TELAI METALLICI
NL METALEN FRAMES
PT ARMAÇOES METÁLICAS

YouTube
EN ASSEMBLY
É obrigatório montar a armação metalica, está qual for o tipo de instalação.
Primeiramente, devem unir-se ambas peças com as peças metálicas, tal como está indicado na figura 1 para formar uma «L».
Monte a armação de acordo com a imagem 2. A armação deve ser colocada ao mesmo tempo que é realizada a laje em betão.


Fig. 1 / Abb. 1 / Afb. 1
Ref. 790206
Ref. 790207

+2 screws HM 12x35
+2 tornillos HM 12x35
+2visHM12x35
+2 Schrauben HM 12x35
+2viti HM 12x35
+2 schroeven HM 12x35
+2 parafusos HM 12x35
+4 washers 0 12
+4 arandelas 0 12
+4 rondelles 012
+4 Unterlegscheiben 0 12
+4 rondelles 012
+4 ringen 012
+4 arruelas 012
+2 nuts M12x35
+2tuercasM12x35
+2écrous M1
+2 Schrauben M12x35
+2dadiM12x35
+2 moeren M12x35
+2 porcas M12x35
Fig. 2 / Abb. 2 / Afb. 2
EN POSITIONING
Coloque as armações no fundo da escaçaão conforme as indicações do plano anexo. Certifique-se de que as peças verticas se encontrar bem agrumadas. Colque a malha metalácia ajustando-a à superficie que irá ocupar a laje de betão. É obligatório instalar a armação e a laje. As medidas da placá de betão devem excesser pelo menos 50 cm as faces interiores do tanque. (figura 2)

Top view
Vista superior
Vuesupérieure
Draufsicht
Vista dall'alto
Bovenaanzicht
Vista superior

Distência entre oscentros das



Representation of the concrete slab/ Representación de la losa de hormigón
Representatio nalle becon/ Anbringung der Betonplatte Rappresentazione della base in calcestruzzo/ Weergave van de betonplaat Representacao da laje de betao

Pool/Piscina/Bassin/Pool/Piscina/Zwembad/Piscina

Fig. 3 / Abb. 3 / Afb. 3
EN There are no metal clamps provided in long lengths to secure any angles. Therefore, the IPN must be kept at a distance (790206 = 5790mm / 790207 = 7760 mm) (see figure 3). The angles for the small panels are 1000mm wide.
ES En grandes longitudes, no hay abrazaderas metálicas para fjir los ángulos. Por lo tanto, es NEEDario mantener los IPN a una distancia (790206 = 5790mm / 790207 = 7760 mm) (ver figura 3). El ancho de los ángulos de los paneles pequeños es de 1000 mm.
FR Sur les grandes longueurs, il n'y a pas de sangle métallique pour relier les angles. Il faut donc maintainir les IPN à une distance (790206 = 5790mm / 790207 = 7760 mm) (cf figure 3). L'écartement des angles sur les petits pans est de 1000 mm.
DE Bei groen Lagen gibt es keine metallischen Haltezwingen zum Befestigen der Winkel. Deshalb ist es notwendig, die IPN mit einem Abstand (790206 = 5790mm / 790207 = 7760 mm) (siehe Tabelle 3). Die Breite der Winkel der kleinen Paneele beträgt 1000 mm.
Sulle grandi lunghezze non sono presenti griglie metalliche per fissare gli angoli. è pertanto necessario Maintainere gli IPN a una distanza (790206 = 5790mm / 790207 = 7760 mm) (vedi figura 3). L'ampietza degli angoli dei pannelli piccoli è di 1000 mm.
NL Bij groe lengtes, jnr er geen metalen beugels om de hoeken vast te zetten. Daarom is het nodig om de IPN's op een afstand (790206 = 5790mm / 790207 = 7760 mm) (zie afbeelding 3). De bredte van de hoeken van dekleine panelen is 1000 mm.
Em grandes comprimentos, não ha braçadeiras metálicas para fixar os ângulos. Portanto, é necessário manter os IPN a uma distância (790206 = 5790mm / 790207 = 7760 mm) (ver imagem 3). A largura dos ângulos dos painésoes inadequados é de 1000 mm.

- Check the verticality of the IPN
- Compruebe la verticalidad de los IPN
- Contrôlez I'aplomb des IPN
- Überprüfen Sie die Vertikalität der IPN
- Verificare la verticalità degli IPN
- Controleer de IPN's verticalaïen
- Verifique a verticalidade dos IPN

- Keep all vertical parts plumb whilst the concrete is being cured
Mantenga el aplomo de las piezas verticales durante la cura del hormigón
Maintenez l'aplomb des montants verticaux pendant la prise du béton
Behalten Sie die Auslotung der vertikalen Elemente bei, während der Beton fest wird
Mantenere l'appiombo delle parti verticali nel corso del trattamento del calcestruzzo
Zorg dat de verticale delen loodrecht blijven tijdens het uitharden van het beton
Mantenha o aprumo das peças verticais durante o curado do betão

A malha permite melhorar a resistencia do betao e evitar que se quebre por causa da sua rigidez. Para incrementar a aderencia da malha, recomenda-se curvar os extremos da estrutura. O ferro não pode estar de modo algo umo tems de 30~mm do bdo exterior da obra finalizada.
Espere 3 semanas até que a laje seque completeness antes de continuar a instalacao da piscina.
Antes de quando aestrutura, e obligatório limpar a laje para registrar todas as impurezas (gravilha, ramagens, folhas) e eliminar as irregularidades da superficie.


Ref. 790207

Identification of the boards / Identificacion de las tablas Reperege des madriers / Identifizierung der Holzbretter Identificazione della tavole / Identificatie van de planken Identificacao das tabuas

| IDENTIFICATION/IDENTIFICACION/REPÉRE/KENNZEICHNUNG/IDENTIFICAZIONE/IDENTIFICATIE/IDENTIFICAZIONA/ | DENOMINATION/DENOMINACION/DÉSIGNATION/BEZEICHNUNG/ DENOMINAZIONE/BENAMING/DEMONIMAGUÇÃO/CTD/QTÉ/ANZ/AANT/TD | |
| A22 | •Standard board L4000 •Tablero estandar L4000 •Madrier standard L4000 •Standardbrett L4000•Panelo standard L4000 •Standaard plank L4000 •Tabuleiro padão L4000 | 14 |
| A23 | •Standard board L4000 •Tablero estandar L4000 •Madrier standard L4000 •Standardbrett L4000•Panelo standard L4000 •Standaard plank L4000 •Tabuleiro padão L4000 | 18 |
| A24 | •Standard board L4000 •Tablero estandar L4000 •Madrier standard L4000 •Standardbrett L4000•Panelo standard L4000 •Standaard plank L4000 •Tabuleiro padão L4000 | 18 |
| B12 | •Board with cut L4000 •Tablero parte L4000 •Madrier départ L4000 •Schnitt L4000 •Panelo taglio L4000 •Zaagsnede L4000•Corte L4000 | 1 |
| C12 | •Board with cut-out for the lower part of the skimmer L4000 •Tablea con muesca para a parte inferior del skimmer L4000•Madrier entaille pour le bas du Skimmer L4000 •Holzbrett mit Kerbe für das untere Teil des Skimmers L4000 •Tavola con incastro per la parte inferiore dello skimmer L4000 •Plank met uitsnjding voor het onderste deel van de skimmer L4000•Tábiau com entalhe para a parte inferior do skimmer L4000 | 1 |
| D12 | •Board with cut-out for the upper part of the skimmer L4000 •Tablea con muesca para a parte superior del skimmer L4000•Madrier entaille pour le haut du Skimmer L4000 •Holzbrett mit Kerbe für das obere Teil des Skimmers L4000 •Tavola con incastro per la parte superiore dello skimmer L4000 •Plank met uitsnjiding voor het bovenste deel van de skimmer L4000•Tábiau com entalhe para a parte superior do skimmer L4000 | 1 |
| E12 | •Board with cut-out for the refilling fitting with key L4000 •Tablea con muesca para la boquilla de impulsión L4000•Madrier entaille pour le buse de refoulement L4000 •Holzbrett mit Kerbe für das Druckventil L4000 •Tavola con incastro per lúgello di mandata L4000 •Plank met uitsnjiding voor het uitsroommondstuk L4000 •Tábiau com entalhe para a boquilha de impulsão L4000 | 1 |
| F22 | •End board L2000 •Tabla final L2000 •Madrier final L2000 •Abchließendes Holzbrett L2000 •Tavola finale L2000•Laatste plank L2000 •Tábiau final L2000 | 2 |
| F23 | •End board L4000 •Tabla final L4000 •Madrier final L4000 •Abchließendes Holzbrett L4000 •Tavola finale L4000•Laatste plank L4000 •Tábiau final L4000 | 2 |
| G12 | •Upper board L4000 •Tabla superior L4000 •Madrier Supérieur L4000 •Oberes Brett L4000 •Tavola superiore L4000•Bovenste plank L4000 •Tábiau superior L4000 | 1 |

Identification of the boards / Identificacion de las tablas Reperege des madriers / Identifizierung der Holzbretter Identificazione della tavole / Identificatie van de planken Identificacao das tabuas

| IDENTIFICATION /IDENTIFICACION/REPÉRE/ KENNZEICHNUNG /IDENTIFICAZIONE/IDENTIFICATIE/ IDENTIFICAZão/ | DENOMINATION/DENOMINATION/DÉSIGNATION/BEZEICHNUNG / DENOMINAZIONE/BENAMING/DEMONIMAGIAO/ | CTD/QTÉ/ANZ/ AANT/TD |
| A22 | •Standard board L4000 •Tablero estândar L4000 •Madrier standard L4000 •Standardbrett L4000 •Panelo standard L400 •Standaard plank L4000 •Tabuleiro padrão L4000 | 16 |
| A23 | •Standard board L3000 •Tablero estândar L3000 •Madrier standard L3000 •Standardbrett L3000 •Panelo standard L3000 •Standaard plank L3000 •Tabuleiro padrão L3000 | 20 |
| A24 | •Standard board L3000 •Tablero estândar L3000 •Madrier standard L3000 •Standardbrett L3000 •Panelo standard L3000 •Standaard plank L3000 •Tabuleiro padrão L3000 | 20 |
| A25 | •Standard board L2000 •Tablero estândar L2000 •Madrier standard L2000 •Standardbrett L2000 •Panelo standard L2000 •Standaard plank L2000 •Tabuleiro padrão L2000 | 20 |
| B12 | •Board with cut L4000 •Tablero partir do L4000 •Madrier départ L4000 •Schnitt L4000 •Panelo taglio L4000 •Zaagsnede L4000 •Corte L4000 | 2 |
| C12 | •Board with cut-out for the lower part of the skimmer L4000 •Tabla con muesca para la parte inferior del skimmer L4000 •Madrier entailleé pour le bas du Skimmer L4000 •Holzbrett mit Kerbe für das untere Teil des Skimmers L4000 •Tavola con incastro per la parte inferiore dello skimmer L4000 •Plank met uitsnjiding voor het onderste deel van de skimmer L4000 •Tábiau com entalhe para a parte inferior do skimmer L4000 | 1 |
| D12 | •Board with cut-out for the upper part of the skimmer L4000 •Tabla con muesca para la parte superior del skimmer L4000 •Madrier entailleé pour le haut du Skimmer L4000 •Holzbrett mit Kerbe für das obere Teil des Skimmers L4000 •Tavola con incastro per la parte superiore dello skimmer L4000 •Plank met uitsnjiding voor het bovenste deel van de skimmer L4000 •Tábiau com entalhe para a parte superior do skimmer L4000 | 1 |
| E12 | •Board with cut-out for the refilling fitting with key L4000 •Tabla con muesca para la boquilla de impulsión L4000 •Madrier entailleé pour le buse de refoulement L4000 •Holzbrett mit Kerbe für das Druckventil L4000 •Tavola con incastro per lúgello di mandata L4000 •Plank met uitsnjiding voor het uitsroommondstuk L4000 •Tábiau com entalhe para a boquilha de impulsão L4000 | 1 |
| F22 | •End board L3000 •Tabla final L3000 •Madrier final L3000 •Abchließendes Holzbrett L3000 •Tavola finale L3000 •Laatste plank L3000 •Tábiau final L3000 | 2 |
| F23 | •End board L3000 •Tabla final L3000 •Madrier final L3000 •Abchließendes Holzbrett L3000 •Tavola finale L3000 •Laatste plank L3000 •Tábiau final L3000 | 2 |
| F24 | •End board L2000 •Tabla final L2000 •Madrier final L2000 •Abchließendes Holzbrett L2000 •Tavola finale L2000 •Laatste plank L2000 •Tábiau final L2000 | 2 |
| G12 | •Upper board L4000 •Tabla superior L4000 •Madrier Supérieur L30 L4000 00 •Oberes Brett L4000 •Tavola superiore L4000 •Bovenste plank L4000 •Tábiau superior L4000 | 1 |
EN ASSEMBLY OF THE STRUCTURE
ES MONTAJE DE LA ESTRUCTURA
FR ASSEMBLAGE DE LA STRUCTURE
DE ZUSAMMENBAU DES TRAGWERKS
MONTAGGIO DELLA STRUTTURA
NL MONTAGE VAN DE CONSTRUCTIE
PT MONTAGEM DA ESTRUTURA
-
ABOVE GROUND INSTALLATION-COLOCACION EN EL SUELO
-
ENCOMBREMENT AU SOL-POSITIONIERUNG AUF DEM BODEN
-
POSIZIONAMENTO NEL TERRENO-CONSTRUCTIE OP GRON
-
COLOÇÃO NO SOLO

-
Prepare the boards «as trial»
-
Coloque las tablas «de prueba»
- Dispossez les madriers «à blanc»
- Platzieren Sie die „Test“-Bretter
-
Posizione are le cavole «di prova»
-
Plaats de planken in «proefopstelling»
-
Cologne as tabuas «de prova»

YouTube
DISPOSÇÃO DAS TÁBUAS: Prepare as tábuaes «de prova» formando a silhueta do tanque.
COLOCAÇÃO DA PRIMEIRA FILA DE TÁBUAS: • Construa a primaira fila colocando as tábuais (A23), (A24) e (B12) como muito na figura 4. • Ajuste a forma da piscina utilizes as dimensoes interiores indicadas no plano de instalação (Ver págin44). • O plano apareça as dimensoes interiores da piscina para as distinctas diagonais opostas.

Top view
Vista superior
Vue supérieure
Draufsicht
Vista dall'lalto
Bovenaanzicht
Vista superior


Screw 4x40 (1 screw per slab)
- FILA DE TÁBUIS: • Coloque as táuias da segunda fila conforme à figura 5. • Para ensambar corretamente as táuias, conta com um calço de madeira na embalagem de estrutura. • Não bata nas táuias diretamente. Estragaria as espigas e prejudicaria a solidez da estrutura. • Não bata nelas com uma peça metalica. Deterioraria amadeira irremediavelmente. • Tente ensambar profundamente as táuias desde o princípio. Não delve haver espaço entre cada fila para fazer um desajuste nas madeiras superiores.

IMPORTANTE: é importante que as táuas estejam corretoamente encaixadas, sobretudo as de abaixo (onde a pressão da agua sera mais forte). É possivel que algumas táuas se soltem. Isto é Completely normal porque a madeira é um material vivo. Mesmo solta, é possivel colocar a táua. Siga these passos: • Situe e entange um dosinous lados da táua. • Redirija o除外ado com a ajuda de um aperta-juntas. • Encaixe a táuaajsando-se com um maço e o calço deMadeira.

Loose board • Tabla suelta • Madrier voilé • Loses Brett • Tavola libera • Losse plank • Tábua solta

Redirected board · Tabla redirigida · Madrier redresse · neu ausgerichtetes Brett · Tavola ripositionata · Rechtgebogen plank · Tábua redirigida

- FILA DE TÁBUAS: Coloque as tábanas da terreira fila conforme à figura 6. Deve determinar a localização da boquilha de impulsão e do skimmer desde o começo da montagem (leia os parágrafos elesicos).
4.a FILA DE TABUAS E SEGUIENTES: Colque as tabaas e as filas posteriores repetindo as alternancias de tabaas da segunda e da terreira fila.

- nozzle • boquilla • refoulement
- Düse·ugello·mondstuk·boquilha

TAVOLE SPECIFICHE: Boquilha de impulsão: Coloque a tabua esística para a boquilha de impulsão (E12) situando o desempenamento no lado externo da piscina.

larger diameter on exterior
refrente lado exterior
lamage côte extérieur
Senkung äußere Seite
lato esterno
gefreesedgatbuitenzijde
desemporamento lado exterior

Internal side - cut outs
Zona interior - rebaje
Partie interieure - encoche basse
Innenseite - Kürzung
Zona interna - incavo
Binnenzijde - snijdt uit
Zona interior - recorte

Skimmer: • Coloque as tabuas especías para o skimmer voltado para os ventos dominantes. As tábua (C12) e (D12) são colocadas sempre sobre um pailn a meçar pela tábua (B12) (figura 7). • Enquanto a piscina não sera enchida, o skimmer não sera estável. O skimmer (juntamente com a sua válvula) encaixa-se ao mesmo tempo que a tábua de acabamento.


EN The part (E12) must be just below part (C12). Part (E12) must be located at height number
ES La pieza (E15)Debe quedar justo bajo de la pieza (C12). En la alta numero 8debe colocar la pieza (E12).
La piece (E12) doit être située sous la piece (C12). La piece (E12) doit être située à la hauteur du nun
Teil (E12) muss direkt unter Teil (C12) sitzen.
Teil (E12) ist auf Höhe der Nummer 8 anzubri
Il componente (E12) delve essere posizionato appena quello al componente (C12). All'altezza numero 8 è necessario positonare il componente (E12).
Het onderdeel (E12) moet net onder onderdeel (C12) blijven zitten. Ter hoogte van nummer 8 moet onderdeel (E12) worden geplaatsst.
A peça (E12) delve situar-se precisamente debaixo da peça (C12). Na alta número 8deferavelocarpeça(E12).
Ref. 790207
- ABOVE GROUND INSTALLATION·COLOCACION EN EL SUELO
- ENCOMBREMENT AU SOL-POSITIONIERUNG AUF DEM BODEN
- POSIZIONAMENTO NEL TERRENO-CONSTRUCTIE OP GRON
- COLOÇÃO NO SOLO

- Prepare the boards «as trial»
- Coloque las tablas «de prueba»
- Disposez les madriers «à blanc»
- Platzieren Sie die „Test“-Bretter
- Posizione are le cavole «di prova»
- Plaats de planken in «proefopstelling»
- Coloque as tabuas «de prova»


DISPOSÇÃO DAS TÁBUAS: Prepare as tábuaas «de prova» formando a silhueta do tanque.
COLOCAÇÃO DA PRIMEIRA FILA DE TÁBUIS: • Construa a primeira fila colocando as tábias (A23), (A24), (A25) e (B12) como muito boa na figura 4.
- Ajuste a forma da piscina'utilizing as dimensoes interiores indicadas no plano de instalacao (Ver paginga 46). - O plano aparesta as dimensoes interiores da piscina para as distinctas diagonais opostas.

Top view
Vista superior
Vuesupérieure
Draufsicht
Vista dall'alto
Bovenaanzicht
Vista superior


Screw 4x40 (1 screw per slab)
- FILA DE TÁBUIS: • Coloque as táuias da segunda fila conforme à figura 5. • Para ensambar corretamente as táuias, conta com um calço de madeira na embalagem de estrutura. • Não bata nas táuias diretamente. Estragaria as espigas e prejudicaria a solidez da estrutura. • Não bata nelas com uma peça metalica. Deterioraria amadeira irremediavelmente. • Tente ensambar profundamente as táuias desde o princípio. Não delve haver espaço entre cada fila para fazer um desajuste nas madeiras superiores.
IMPORTANT: É importante que as tábuaes esteyam corretamente encaixadas, sobretudo as de abaixo (onde a pressao da agua sera mais forte). é possivel que algumas tábuaes se soltem. Isto é completeness normal porque a madeira é um material vivo. Como sola, é possivel colocar a táuba. Siga these passos: • Situe e entate um dos bois lados da táuba. • Redirija o outro lado com a ajuda de um aperta-juntas. • Encaixe a táuba ajudando-se com um maço e o calo deMadeira.

Loose board • Tabla suelta • Madrier voilé • Loses Brett • Tavola libera • Losse plank • Tábua solta

Redirected board · Tabla redirigida · Madrier redresse · neu ausgerichtetes Brett · Tavola riposizionata · Rechtgebogen plank · Tábua redirigida
3rd LAYER OF BOARDS: Install the third layer of boards as shown in figure 6. The position of the refilling fitting with the key and the skimmer should be defined at the start of the assembly (read the specific paragraphs).
4th AND FOLLOWING LAYERS OF BOARDS: Place the boards and the following layers repeating the alternations of the second and of the third layer.
ES 3a FILA TABLAS: Coloque las tablas de la tercera fila conforme a la figura 6. Debe determinar la ubicacion de la boquilla de salute y del skimmer desde el principio del montaje (lea los párafos espécificos).
4a FILA TABLAS Y SIGUIENTES: Coloque las tablas y las hileras posteriores repitiendo las alternancies de tablas de la segunda y de la tercera fila.
FR 3EMRANGEE MADRIERS: Positionnez les madriers de la 3eme rangée conformement à la figure 6. Vous doivent déterminé l'emplacement de la buse de refoulement et du skimmer depuis le début du montage (voir paragraphs espécifiques).
4EME RANGEE ET SUIVANTES DE MADRIERS : Positionnez les madriers et les rangées suivantes en repétant les alternances de madriers des deuxièmes et troisièmesrangées.
3. BRETTTERRIHE: Platzieren Sie die Bretter der dritten Reihe laut Abb. 6. Zu Beginn der Montage müssen Sie die Lage des Druckventils und des Skimmers festlegen (lesen Sie hierzu die entsprechenden Abschnittte).
4. UND FOLGENDE BRETTERREIHEN: Platzieren Sie die nachfolgenden Bretter und Reihen, indem Sie die Bretter der zweiten und dritten Reihe abwechselnd wiederholen.
3a FILA DI TAVOLE: Posizionare le davole della terza fila come indicato nella figura 6. La posizione dell'ugello di mandata e dello skimmer deve essere determinata all'inizio del montaggio (leggere i paragrafi dedicati).
4a FILA DI TAVOLE E QUELLE SUCCESSIVE: Posizione are le tavole e le file successive ripitiendo l'alternanza di tavole della seconda e della terza fila.
3a RIJ PLANKEN: Plaats de planken van de derde rij zoals te zien is op afbeelding 6. U要去 al bij aanvang van de montage bepalen op welke plaats het uitstroommondstuk en de skimmer moet komen (less de betreffende paragrafen).
4a RIJ PLANKEN EN DAAROPVOLGENDE: Plaats de planken en de waarbij afwisseIend het patroon voor de planken van de twede en die van de derde rij worden geolgd.
3. FILA DE TÁBUAAS: Coloque as tábuaas da terreira fila conforme à figura 6. Deve determinar a localização da boquilha de impulsão e do skimmer desde o começo da montagem (leia os parágrafos especialicos).
4. a FILA DE TÁBUAS E SEGUIENTES: Coloque as táuas e as filas posteriores repetindo as alternâncias de táuas da segunda e da terceira fila.

- nozzle • boquilla • refoulement
- Düse·ugello·mondstuk·boquilha

Fig.7 / Abb.7 / Afb.7
TAVOLE SPECIFICHE: Boquilha de impulsão: Coloque a tabua esística para a boquilha de impulsão (E12) situando o desempenamento no lado externo da piscina.

larger diameter on exterior
refrente lado exterior
lamage côte extérieur
Senkung äußere Seite
lato esterno
gefreesde gat buitenzijde
desempenamento lado exterior

Internal side - cut outs
Zona interior - rebaje
Partie interieure - encoche basse
Innenseite - Kurzung
Zona interna - incavo
Binnenzijde - snijdt uit
Zona interior - recorte

Skimmer: • Coloque as tabuas especías para o skimmer voltado para os ventos dominantes. As táubes (C12) e (D12) são colocadas sempre sobre um pailn a começarPGA táubaaB12) (figura 7).Enquanto a piscina não sera enchida, o skimmer nao sera estavel. O skimmer (juntamente com a sua valvula) encaixa-se ao mesmo tempo que a táuba de acabamento.


The part (E12) must be just below part (C12). Part (E12) must be located at height number
ES La pieza (E15)Debe quedar justo bajo de la pieza (C12). En la alta numero 9debe colocar la pieza (E12).
La piece (E12) doit être située sous la piece (C12). La piece (E12) doit être située à la hauteur du nun
Teil (E12) muss direkt unter Teil (C12) sitzen.
Teil (E12) ist auf Höhe der Nummer 9 anzubri
Il componente (E12) delve essere posizionato appena quello al componente (C12). All'altezza numero 9 è necessario positonare il componente (E12).
Het onderdeel (E12) moet net onder onderdeel (C12) blijven zitten. Ter hoogte van nummer 9 moet onderdeel (E12) worden geplaatsst.
A peça (E12) delve situar-se precisamente debaixo da peça (C12). Na alta número 9deferavelocalarpeça(E12).
EN WOODEN BLOCKS, REINFORCEMENTS AND TRIMMINGS
ES TACOS, REFUERZOS Y EMBELLECEDORES
FR CONSOLES, RENFORTS ET CACHES
DE KONSOLEN, VERSTÄRKUNGEN UND ZIERLEISTEN
TASSELLI, RINFORTZIE COPERTURE
NL CONSOLE,VERSTEVIGINGEN EN SIERLIJSTEN
PT BLOCOS DE MADEIRA, REFORÇOS E EMBELEZADOS





YouTube
EN CAREFULLY READ THE COMPLETE SECTION BEFORE SCREWING ANY PART TO YOUR POOL
Assemble the wooden stepladder and use it as a template to define the separation of the wooden blocks that support it.
ES LEA DETENIDAMENTE EL APARTADO COMPLETO ANTES DE ATORNILLAR NINGUNA PIEZA A SU PISCINA
Monte la escalera de madera y utilisela como patron para determinar la separacion de los tacos de madera que la sostienen.
FR LISSEZ ATTENTIVEMENT LE TEXTE COMPLET AVANT DE VISSER UNE PIECE A VOTRE PISCINE
Montez I'echelle bois puis utilisez-la comme gabarit pour déterminer I'ecartement des consoles la recevant.
DE BEVOR SIE MIT DEM ANSCHRAUBEN DER TEILE AN DAS BECKEN BEGINNEN, LESEN SIE BITTE DEN GESAMTEN ABSCHNITT
SORGFÄLTIG DURCH
Montieren Sie die Holztreppe und verwenden Sie sie als Muster zur Bestimmung der Trennung der Konsolen, die sie stützen.
IT LEGGERE ATTENTAMENTE L'INTERO PARAGRAFO PRIMA DI AVVITARE QUALSIASI COMPONENTE ALLA PISCINA
Montare lacala di legno eutilizzarla come metro per determinare la separazione dei tasselli che la sostengono
NL LEES DIT DEEL ZORGVULDIG DOOR VOORDAT U BEGINT MET HET VASTSCHROEVEN VAN DELEN AAN UW ZEWBAD
Monteer de houten trap en gebruik hem als patroon om de afstand te bepalenussen consoles die de trap ondersteunen.
PT LEIA ATENTAMENTE ESTAS INDICACOs ANTES DE APARAFUSAR QUALQUER PECA A SUA PISCINA
Monte a escada de madeira e utilize-a como padrão para determinar a separação dos blocos demadeira que a sustentar.
The position of the wooden blocks and of the reinforcements is indicated in the drawing (See page 44/46). The wooden stepladder can also be used for positioning the wooden blocks, see stepladder chapter.
WOODEN BLOCKS ( 6x90)
A posicao dos blocos de madeira e dos reforços está indicada no plano (Ver pagsina 44/46). Pode utilizear tambem a escadra de madeira para colocar os blocos, veja o capitulo da escal.
BLOCOS DE MADEIRA ( 6x90)
A· Alinke a parte superior dos blocos ao;nével da ultima tábia. Mantenha os blocos no seu lugar.
B· Fure as tabuas com una broca para madeira de 6 mm situando-se no interior da piscina.
- Verifique sistematicamente que a parte superior do Bloco está bem alinhada com a da tábia.
- Tente que a%cabeça do parafuso esteja nivelada com amadeira.
Para colocar o segundo parafuso, tenha em conta o comprimento do mesmo, para fazer que sobressaia pela parte posterior. Colque-o mais proxies possivel damadeira da parte superior.

REINFORCEMENTS (6x90)
- Alinne a parte superior do reforço ao;nvel da ultima tábia. Mantenha os reforços no seu lugar. - Fure as tábras com uma broca para madeira de 6 mm. Aparafuse em 2 tempos, situando-se no interior da piscina. - Fixe primeiro os reforços superiores e depois os inferiores (na 1.^a e na ultima tábia). Verifique a verticalidade dos reforços. Finalize a ensambladura dos reforços colocando 1 parafuso por tábia e corrija as eventuais deformações da madeira (tábras). Verifique/systematicamente que a parte superior do reforço está bem alinhada com a dá tábia e que aCESSA do parafuso está navelada com a madeira.

Check the verticality of the reinforcements
Compruebe la verticalidad de los refuerzos
Contrôlez l'aplomb des renforts
Prufen Sie die vertikale Ausrichtung der Verstärkungen
Accertarsi della verticalità dei refinzi
Controller de verstevigingen loordrecht zijn
Verifie a verticalidade dos reforços
The reinforcement need not necessarily touch the ground
El refuerzo no taça obligatório el suelo
Le renfort ne touche pas obligatório le sol
Die Verstärkung berührt nicht zwangsweise den Boden
Il rinnzo non delve toccare obbligatório il suolo
De versteviguing hoesen nicht pensé de grond te raken
O reforço não taça obligatório no solo

Install the reinforcements with 1 screw board
Instale el refuerzo mediante 1 tornillo por tabla
Assemblez le renfort en mettant 1 vis par madrier
Bringen Sie die Verstärkung mittels einer Schraube pro Brett an
Installare il rinforzo con 1 vita per ravola
Installeer de versteviging d.m.v. een schroef per plank
Instale o reforco por meio de um parafuso por tabua

EN
TRIMMINGS L (4x60)
- Situe o embelezador L sobre os extremos das táuias. Corte o excidente de embelezador segudo a alta do tanque se for necessario (figura 8). Fixe o embelezador L com a ajuda de 3 parafusos 4 × 60 distribuções homogeneamente sobre a alta (figura 9).
A montagem da estrutura propriamente dita está conclusu. Resta apenas colocar os bordos (ver o capitulo Bordos). Neste quando da montagem, delve ter:
- O skimmer posicionado voltado para os ventos dominantes. - O paine da estrutura sobre o qual a escada desmontavel escolhida sera montada.




Fig. 8 / Abb. 8 / Afb. 8
Fig. 9 / Abb. 9 / Afb. 9


Fig. 10 / Abb. 10 / Afb. 10
EMBELEZADORES DA ARMAÇÃO METÁLICA (5x70)
Os embelezadores são reforços complementares que permitem ocultar a parte visível da pena metalica. Fixam-se ao tanque da mesma forma que o resto de reforços e contam com uma travessa (imagem 10) para ocultar a vista exterior da armação.
EN WOODEN STEPLADDER
ES ESCALERA DE MADERA
FR ECHELLE BOIS
DE HOLZTREPPE
IT SCALA DI LEGNO
NL HOUTEN TRAP
PT ESCADA DE MADEIRA

YouTube

Check the drawings (See page 44/46).
A escada de madeira é inclúa para aceder à piscina. Não a utilize para outros fins.
Monte a escada de madeira e utilize-a como padrão para determinar a separação dos blocos de MADEira que a sustentar. No caso de o tanque ter forma alongada, a escada deverá ser colocada aspenas num dos lados mais curtos.
Centre a escada exterior de madeira relativamente ao lado.
Fure com una broca para madeira de 0 mm as 2 vigas de escada e os 2 blocos de madeira.
Não utilize a escada para outros fins distinctos dos referidos neste manual.
Segundo a alta do tanque, pode ser necessario um reajuste da escada.
Corte as vigas da escada consultando as dimensoes da figura 11 na parte baixa da viga da escada e serre a parte que pretendeletal.
Monte a escada e colique-a conforme a figura 12.



Fig. 11/ Abb. 11/Afb. 11
Fig. 12/ Abb. 12 / Afb. 12




1- Reduza o comprimento do degrau 12mm
2- Se a dimenso A é inferior a 140 mm, reduza a largura do degrau de tal forma que, quando o degrau for instalado, o espoço debaixo deste esteja completeness fechado.
3- Monte o degrau modificado na escada como做不到 no esquema superior, procurandoURTar previamente a viga da escada.


EN For safety reasons, you should respect these dimensions whatever the configuration of the pool assembly.
ES Por motivos de seguridad, es obligatorio respetar estas cotas cuales sea la configuracion de montaje del vaso.
Pour des raisons de sécurité, cotes à respecter impératifement, qu'elle que soit la configuration de montage de votre bassin.
DE Aus Sicherheitsgründen müssen Sie diese Höhenangaben unabhängig von der Konfiguration beim Zusammenbau des Beckens beachten.
IT Per ragioni di sicurezza, e obblatorio rispetto que stme misure qualsi si la configurazione del montaggio della vasca.
NL Om veiligheidsredenen is het verplicht om deze afmetingen in acht te nemen, ongeacht de montageconfiguratie van het bassin.
PT Por motivos de seguranca, e obligatorio respeitar estas cotas sera qual for a configuraao de montagem do tanque.
-Butterfly screw
Tuerca de mariposa
- Ecrou à oreille
Schmetterlingsschraube
Dado a farfalla
V Leugelmoer
- Porca de orelhas

-2 screws TRCC 120 mm
-2 tornillo TRCC 120 mm
-2visTRCC120mm
-2 TRCC-Schauben 120 mm
- 2 viti TRCC 120 mm
-2 schroef TRCC 120 mm
-2 parafusos TRCC 120 mm

Screw 5x70 mm
Tornillo 5x70 mm
-Vis 5x70 mm
- Schraube 5x70 mm
Vite 5x70 mm
- Schroef 5x70 mm
- Parafuso 5x70 mm


Admitted maximum weight = 150~kgs . Its is COMPULSORY to remove the stepladder after using the pool.

Duas possibilidades para instalar a manta protetora de parede.
AUTOCOLANTE DE DUPLA FACE (NÃO INCLUIDO)
- Cole o autocolante de face dupla pail a pail, alinhando-o的那一 parte superior das tabuas superfiores (figura 13).
Se a madeira estiver um pouco humida ou tem po, podera suavizá-la com uma lixa para facilitar a aderência. - Verifique a limpeza das paredes e do solo. Retire parafudos, crostas, aparas, serradura...
- Desenrole a manta alinhando-a belo bordo superior das tabuas superiores (figura 14).
- Corte o excidente de manta e elimine as eventuais dobras.
AGRAFADOR (Não INCLUIDO)
- Agrafe o extremo da manta começando por um canto.
- Desenrole a manta alinhando-a belo bordo superior das tabuas superiores.
- Cologne um agrafa a cada 20 cm (figura 15).
- Corte o excidente de manta e elimine as eventuais dobras.
- Guarde o excesso do tapete da parede (Pode precisá-lo para o chão)
EN PROTECTIVE GROUND BLANKET
ES MANTA PROTECTORA DE FONDO
FR FEUTRE DE FOND
DE SCHUTZDECKE IM UTERGRUND
COPERTURA DI PROTEZIONE DEL FONDO
NL BESCHERMDEKEN BODEM
PT MANTA PROTETORA DE FUNDO

YouTube
PT Comece colocando a manta protetora de dato que deve ser cortada do rolo incluido.
Desenrole a manta tendo em conta como decidiu orientar a piscina. (É melhor utilizez tesoura e não estilete)
- Junte as peças sem que se sobreponham.
- Não deixe dobras.
- Una as peças pelos bordos com fita adesiva de uma face.
- Se a sua piscina possui也有很多a zona da parede sem cobrir com a lona, aproveite ahora ao colocar aanela doundo e suba-a um pouco na zona inferior da parede, para proteger bem oliner.
EN FIXING OF THE SKIMMER JOINT
ES FIJACION DE LA JUNTA DEL SKIMMER
FR FIXATION DU JOINT DE SKIMMER
DE BEFESTIGUNG DER DICHTUNGDES SKIMMER
IT FISSAGGIO DEL GIUNTO DELLO SKIMMER
VASTZETTEN VAN DE SKIMMERVERBINDING
PT FIXACAO DA JUNTA DO SKIMMER


Fixação da primaira junta do skimmer



O skimmer é o punto de aspiração de água da piscina para a filtração. A sua posicao voltada para os ventos dominante permite recuperar os eventuais resíduos a flutuar na superficie da agua (poeira, folhas...)
INSTALACAO
- Corte a manta com um estilete. O corte sera superior ao orificio (raio do orificio + 2 cm).
Fixe a primaire junta de estanqueidade (junta plana) no corpo do skimmer
EN LOCATION OF THE REFILLING FITTING WITH KEY
ES SITUACION DE LA BOQUILLA DE SALIDA
FR EMPLACEMENT BUSE DE REFOULEMENT
DE EINBAUSTELLE DES DRUCKVENTILS
IT POSIZIONE DELL'UGELLO DI MANDATA
PLAASTING VAN HET UITSTROOMMONDSTUK
PT SITUACAO DA BOQUILHA DE IMPULSAO
Wooden structure • Estructura de madera • Structure bois • Tragework aus Holz • Struttura in legno • Houten constructie • Estrutura de madeira

A boquilha de impulsao serve para introduzir agua filtrada no tanque. Atravessa a parede polo orificio reservado na tábia pre-cortada. INSTALAÇÃO
- Localize a situação do orifácio para a boquilha.
Realize um corte em cruz na manta a partir do interior da piscina. - Corte a manta com um estilete. O corte sera superior ao orificio (raio do orificio + 2 cm).
A toma limpa-fundos do skimmer eutilizada apenas para a manutencao da piscina.
EN INSTALLATION OF THE LINER HOOKING PROFILE
ES COLOCACION DE LOS PERFILES DE ENGANCHES DEL LINER
FR POSITIONNEMENT DES BAGUETTES D'ACCROCHE DE LINER
DE POSITIONIERUNG DER EINHÄNGEPROFILE DER POOLFOLIE
IT POSIZIONAMENTO DEI PROFILI DI AGGANCIO DEL LINER
PLAATSING VAN DE KLEMPROFIELEN VOOR INHANGEN VAN DE LINER
COLOÇÃO DOS PERFIS DE ENGATE DO LINER

YouTube


EN ·Locate some white pieces in the bag. Present the piece in the joint of two boards as shown in the photograph and in the following photo.
· Localiceunaspiezasblancas enla bolsa.Presente la pieza enla unionde dos maderas como se muestra en la foty y el elsiguiente dibujo.
FR · Utilizez les pieces blanches du sachet. Presentez la piece dans l'union des deux bois comme cela est indiqué sur la photo et sur le dessin suivant.
DE Suchen Sie in der Packung nach mehreren weißen Teilen. Halten Sie ein Teil entspruchend dem Foto und der nachfolgenden Zeichnung an die Stoßstelle zweier Holzteile.
· Individuare i pezzi bianchi nel sacchetto. Posizionare il pezzo nella giuntura di due parti in legno come migliorato nell'imagine e nel disegno riportato a continuazione.
NL Haal de witte stukken uit de zak. Plaats het stuk op de verbinding van de twee houten balken zoals u op de volgende Foto's en afbeelding kutzie.
PT Localize as peças brancas na saqueta. Coloque a peça na uniao das madeiras, tal como se observa na fotografia e no segunte deseno.
EN ·Screw in the piece using two screws 4× 40mm
Es · Atornille la pieza utilizing dos tornillos 4× 40mm
- Vissez la pierce avec deux vis 4 × 40 ~mm .
· Schrauben Sie das Teil mit zwei Schrauben 4x40 mm fest.
·Avvitareilepezconduedviti4x40mm
N Schroef het stuk vast en gebruik waar twee schroeven voor van 4× 40mm
Aparafuse a pegacomdois parafusos 4x40mm
AJUSTAMENTO E FIXAÇAO DOS PERFIS (4x40): Situe a ripa do liner. Fure a ripa com uma mecha de 4 mm quando a 50 mm do bordo. Aparafuse a ripa no;nvel do bordo da tabua superior por meio dos parafusos (4x40). Distribua homogeneamente os parafusos pela ripa. Proceda da mesma forma no resto dos painés curtos. Com a ajuda de uma serra para metal, corte o excessente da ripa. Á medida que for cortando os perfis blancos com as dimensores corretas para sujeitar o revestamento, as partes que sobrem serao necessarias para continuar a instalação do outras parte da sua piscina.
Não fure previamente as tabuas.

Take the measurement
- Tome la medida
- Prise de mesure
0 número de série encontrar-se na etiqueta da caixa

- Limpe a estrutura interior da piscina (grãos de areia, parafusos...) com um aspirador se for necessário.
- Verifique que a junta do skimmer está no seu lugar. Colque a valvula no interior do skimmer.
- Localize no fundo ou na parede do liner e anote o N.° de Série no quadro da folha de instruções para eventuais reclamações*
- Verifique que nenhumaCESSA de parafuso sobressai da madeira.

SERIAL No:
EN INSTALLATION OF THE LINER
ES COLOCACION DEL LINER
FR MISE EN PLACE DU LINER
DE POSITIONIERUNG DES LINERS
IT POSIZIONAMENTO DEL LINER
PLAATSING VAN DE LINER
PT COLOÇÃO DO LINER
O linerdefer ter passadoelo moins 24hrs a umatemperatura ambiente de 20^oC no minimo antes da sua colocacao.As dimensoes do liner saununs centimetros mais cortasdo que as medias interjoresdo tanque,para obteruma instalacao tensa do liner.E imprescindivelque a colocacao do liner seefetuea umateratura exteriorde 15^ no minimo. E altamente recomendavel expor oliner ao sol duranteumas horas ante da sua montagem,de maneira quese flexibilize para facilrar a sua colocacao.E obligatorio guardar o autocolante com o numero de série presente no liner.Para qualer eventualpedido de concessiondo garantia,este numero de série sera exigido.
INSTALAÇÃO (É imprescindivel enchcer a piscina com água antes de colocar as playas)
Para realizar este passo, é necessário que se descalce, a fim de não danificar oliner.
A Entre en el interior de la piscina, ya descalzo.
B Colque o liner no centro da piscina (figura 16) e desdobre-o partindo dai (figura 17). Distribua homogeneamente a folga entre as dimensoes do liner e as da estrutura em todo o esqaco.
Alinne corretamente os angulos inferiores do liner (angulos dos fechos do fundo) com os cantos do tanque (figura 18).
D Insira o/perfil de engate do liner no/perfil (figura 19).
O linerdeer ter passado pello moins 24 hrs a uma temperatura ambiente de 20^ no minimo antds da sua colocacao. E imprescindivel que a colocacao do liner sera efetuada a uma temperatura exterior de 15^ no minimo.


Fig. 16/Abb. 16/Afb. 16


B
Fig. 17/Abb. 17/Afb. 17

C
Fig. 18/Abb. 18/Afb. 18

D
Fig. 19/Abb. 19/Afb. 19

Para deslocar o liner ja colocado, deslize-o polo peril. Se for muito dificil, o liner podera ser retirado levantaro-o para nao danificar a uniao. Certifique-se de que o liner está bem posicaoado tanto no fundo como nas paredes, ajuste uniformamente a tension do mesmo (com a ponta do pé, empurre o liner pelos seuas angulos para os cantos das paredes) (figura 20).
Encha a piscina de agua até circa de 2 centimetros (figura 21). Para faciliter a colocação do liner, é preferível que a água não estuja muito fria.
G Alise o fundo do liner para evitar as dobras comoa a partir do centro para os extremos. Continue a enchre a piscina. Se ainda houver dobras, devera corrigir a tensao do liner nas paredes deslizando-o pelo peril de engate. (As dobras obliquas na parede indicam um posicionamento incorreto) (Figura 22).
E imprescindivel que os angulos do liner correspondam com os cantos da estrutura do tanque.
Apos colocado o liner, continue a enchir a piscina até 10 cm sob a boquilha de impulsão.
Umas semanas depuis do enchimento, oliner aparecerá uma corDIFFrente entre a parte submergida e a que está ao ar. Este decoloração é normal e não coloca em risco a solidez e/ou as caracteristicas do liner. Para evitar que apareça uma marca escura de vida à contaminação atmosférica entre a parte submergida e a parte ao ar livre do liner (denominada linha de agua), recomendamos limpar regularamente oliner esta zona com um limpador especialico.

Fig. 20 / Abb. 20 / Afb. 20
PT Nas piscinas enterradas total ou parcialmente, é indispensableavel um terraplenagem de brita para favorecer a drenagem periférica. A terraplenagem da piscina pode parecer uma simples formalidade, porque à primeira vista não coloca dificuldades tecnicas especialis. Porém, é uma operação mais delicada do que parece para que devem ser tomadas determinadas precações. Uma terraplenagem incorreta pode causar deteriorações posteriores na piscina e nas imedicações. Deve prestar-se atençao ao tipo de materialutilizado erealizartodasasverificacoesimpriscindiveis.Antesderealizaraterraplenagem,éimportante:
- Verificar que todos os equipamentos hidrálicos eétricos esteam bem ligados. - Verificar a estanqueidade das ligações das suas canalizações, em especial no que diz respeito às peças seladas. - Proteja, se aplicável, o tubo de drenagem periférica revestindo-o com geotéxtil. É importante realizar o enchimento da piscina em paralelo à terraplenagem de maneira que se equilibrem as pressões e se evitem deformações na estrutura durante a operação. Aconselho-se seguir a técnica de terraplenagem por terços (1/3 de água e 1/3 de terraplenagem). Durante a terraplenagem, aconselho-se proceedor por camadas successivas por todo o perimetro do tanque para não correr o risco de danIFICAR a estrutura. - Coloque a proteção alveolar em PEHD (não incluía) em volta do tanque. A proteção alveolar delve, igualmente, continuar a laje e estender-seelo exterior esta. - Para fazer a obstruaçao da drenagem, é necessario situar um felto no terreno natural (não incluido) para reter a terra. - Instale a drenagem periférica sobre a proteção e ligue-a ao pouco de decompressao (se for caso disso). Caso contrário, deixe a drenagem estendida sobre o terreno. - Em seguida, efetue a terraplenagem contra as paredes com brita compactada (calibre 10/30) que faculdar a drenagem.Esta terraplenagem deve ser realizada em simultâneo com o enchimento da piscina.
A terraplenagem com terra vegetal é proibida.
INFORMAÇAO: A drenagem permite a evacuação continua de água, ao pé da piscina e, portanto, limita as subidas de água por capilaridade para a parte superior da boa, onde interagem ar e terra e ocorrem os ataques de fungos ou a podridão (esquema abaixo). A ausência de drenagem origina subidas de agua por capilaridade que poder ser importantes e permanentes, o que favorece os ataques na interação ar /água (esquema abaixo).
Em caso de um ataque verificado, e se não existir drenagem, a garantia não assumira a deterioração.

Drainage gravel
Grava drenante
Gravier drainant
Encha a piscina de agua até aprox. 4 cm por debaixo do bordo inferior do orificio da valvula.
Assinale o orificio com um marcador (A) e faça um corte em cruz no centro do orificio B) com a ajuda de um x-acto (LÁMINA) sem ultrapassar marca indicativa do orificio.
Por dentro da piscina, introduza, atraves do corte (C), a valvula de returno (No 1) com um dos anos de fricção (No 2) e uma das juntas (No 3).
Os pedaços do liner que sobressaírem pela parte externa da piscina deverão ser removidos com um corte limpo erente.
A outra junta (No 3.1) é colocada a partir do exterior,ogrando-a e passando o painei para que quede em contacto com oliner e com o painei.
Coloque o除外 anel de fricção (No 2.1) e aperture firmamente com a porca (No 4). Montar a mangueira de returno que vai da tomada de saía do purificador até à valvula de returno e sujeita-la com a braçadeira.
Important: Antes de colocar a mangueira, introduza o embelezador. (No 5)
Assegure-se de que a valvula do depurador permanece na posicao FECHADA (Closed).

Instale a filtracao antes de efetuar os cortes doliner.

1-Corpo da boquilha
2-2.1 Junta plana redonda
3-3.1 Junta
4-Porco do corpo da boquilha
5-Embelezador
SKIMMER
MONTAGEM DO SKIMMER
Antes de instalar o skimmer na piscina devaré instalar o Conjunto comporta na Boca do skimmer.
Seguidamente, colque a junta (No 5) como se indica na A.
FIXACAO DO SKIMMER
Continue a encher a piscina ate que alcance um nvel de 4 cm por debaixo da marca indicativa do skimmer da madeira da piscina.
Recorte oliner com um x-acto (lamina), seguido a marca indicativa.

A

B
C

- Antes de partir, certificque-se de que a valvula do skimmer está bem positionala.
- Marque com um marcador a posicao dos parafusos de fixacao sobre oliner.
- Colque a seguda junta plana quadrada (5.1) e(before o flange (6) contra oliner, alinhando os orificios com as marcas de localização dos parafusos.
Fixe o flange (6) sobre o liner com os 10 parafusos a comear pela parte inferior. A pressao dos pontos de fixacao sobre o liner deve ser constante (fixacao em cruz) - Aperte os parafusos ligeiramente no inico da operacao para vericar o correto encaixe e, seguidamente, realize o aperto final,(before a ordem indica no C
- Coloque a tampa decorativa No 6.1 pressionando-a e tendo o cuidado de situar asscaras de niven na posicao adequada.(D)
- Rosque o conector canelado (11) previamente equipado com Teflao no corpo da boquilha, pelo lado exterior do tanque. (E)
- Corte o liner com um estilete peso interior do skimmer.
- Nesse momento, deve instalar a filtração.

D

1-Tampa skimmer
2-Tampa de aspiração
3-Cesto
4- Comjunto comporta
5- Junta
6- Flange 6.1- com tampa decorativa
7-Saco parafusos (2 DIN 7981 4,2X16 e 10DIN 7983 4,8X25)
8- Válvula returno
9-Tampa de inverno
10- Chave
11-Adaptador da mangueira

E

Ref. 790207





BOQUILHA DE IMPULSAO
Encha a piscina de agua até aprox. 4 cm por debaixo do bordo inferior do orificio da valvula.
Assinale o orificio com um marcador (A) e faça um corte em cruz no centro do orificio B) com a ajuda de um x-acto (LÁMINA) sem ultrapassar marca indicativa do orificio.
Por dentro da piscina, introduza, atraves do corte (C), a valvula de returno (No 1) com um dos anos de fricção (No 2) e uma das juntas (No 3).
Os pedacos do liner que sobressairem pela parte externa da piscina devarao ser removidos com um corte limpo e rente.
A outra junta (No 3.1) é colocada a partir do exterior,ogrando-a e passando o painei para que quede em contacto com oliner e com o painei.
Coloque o除外 anel de fricção (No 2.1) e aperture firmamente com a porca (No 4). Montar a mangueira de returno que vaida toma de saía do purificador até à valvula de returno e sujeita-la com a braçadeira. Importante: Antes de colocar a manqueira, introduza o embelezador. (No 5)
Assegure-se de que a valvula do depurador permanece na posicao FECHADA (Closed).

1-Corpo da boquilha
2-2.1 Junta plana redonda
3-3.1 Junta
4- Porco do corpo da boquilha
5-Embelezador
SKIMMER

Instale a filtracao antes de efetuar os cortes doliner.

MONTAGEM DO SKIMMER
Antes de instalar o skimmer na piscina devera instalar o Conjunto comporta na Boca do skimmer (No 5 Fig. 3)
Seguidamente, colque a junta (No 6) e a Boca cónica (No 7), aparafusando as peças com 8 parafudos (No 8) DIN7982 5,5x25, como se indica na A.
FIXAZAO DO SKIMMER
Continue a encher a piscina ate que alcance um nivel de 4 cm por debaixo damarca indicativa do skimmer da madeira da piscina.
- Antes de vezar, certifique-se de que a valvula do skimmer está bem posicionada.
- Marque com um marcador a posicao dos parafusos de fixacao sobre oliner.
- Colque a seguda junta plana quadrada (5.1) e(before o flange (8) contra oliner, alinhando os orificios com as marcas de localização dos parafusos.
Fixe o flange (6) sobre o liner com os 18 parafusos a comear pela parte inferior (7). A pressao dos pontos de fixacao sobre o liner deve ser constante (fixacao em cruz) - Aperte os parafusos ligeiramente no inico da operacao para vericar o correto encaixe e, seguidamente, realize o aperto final,.aftera ordem indica no C
- Colque a tampa decorativa No 9 pressionando-a e tendo o cuidado de situar as MARCAS de niven na posicao adequada. (D)
- Rosque o conector canelado (13) previamente equipado com Teflão no corpo da boquilha, pelo lado exterior do tanque. (E)
- Corte o liner com um estileteelo interior do skimmer.
- Nesse momento, deve instalar a filtração.


D
1-Tampa skimmer
2-Tampa de aspiração
3-Cesto
4- Comjunto comporta
5- Junta de união
6- Boca cónica
7-Saco parafusos (26 DIN 7982 5,5X25 and 10DIN 7982 4,8X19)
8- Junta
9- Flange com tampa decorativa
10-Valvula returno
11-Tampa de inverno
12- Chave
13-Adaptador da mangueira

E
EN FILTER
ES FILTRACION
Filtration
DE FILTRATION
IT FILTRAZIONE
NL FILTERING
PT FILTRACAO

YouTube
PT CONSELHOS DE MONTAGEM: A filtraçãodeera ser situada a umminimo de 3,50 ma piscina.
Os esquemas abaixopretendem explicar o sentido de circulacao da agua.Consulte o manual incluindo com o groupe de filtracao para realizar a montagem. Nota: Encha o filtro com 2/3 de areia limpa e calibrada; apenas é fornecido um calibre, garante um bom functiomento da filtracao. (1) As cores e as lagooes dos sistemas de filtracao podem variar segudo os modelos.Consulte o manual especifico.
A valvula multidirectional determina um sentido de circulacao. As marcas "PUMP" "RETURN" "WASTE" estao gravadas nas entradas e nas saidas da valvula. A instalação de todos os sistemas elétricos deve cumprir a norma NF C15-100. Consulte com o fabricante qualquer alteração de um ou de various componentes do
sistema de filtracao. A bomba de aspirado não deve ser situada por cima do nivel da agua porque corre o risco de se desativar.


Todas as unioes roscadas devem ser montadas com a fita estanque de Teflao inclua * exceto as unioes com junta tórica. O Teflao deve enrolar-se no sentido contrario à rosca.
TERRAPLENAGEM: Termine de enchcer a piscina. O;nivel da agua devaré estar entre o tergo superior e a metade da Boca do skimmer.
EN SAND FILTER
ES FILTRO DE ARENA
FR FILTRE A SABLE
DE SANDFILTER
FILTRO PER LA SABBIA
NL ZANDFILTER
PT FILTRO DE AREIA
- POÇÃO ENXAGUADELA / ESCOAMENTO DO FILTRO ** (OU RINSE): Operação que se segue à lavagem do filtró. quando o filtró já FOI limpo, é imprescindivel enquaguar e apertar novamente a massa filtrante. Nesta posção, a água circula pelo filtró como durante a filtração, mas evacua-se pelo esgoto na saída do filtró.Esta operação deve ser efetuada entre 20 e 30 segundos.



- POSICão ESVAZIAMENTO / ESCOAMENTO (OU WASTE): Posicao para evacuar a agua ou para esvaziar o tanque. Nesse caso, a agua não passa peloimento, sai diretamente pelo esgoto.


- POISO A FECHADA (OU CLOSED): Este posicao não permitte que a agua passe e é'utilizada para colocar a piscina em hibernacao completenessa quando a filtracao é detida.



-
Enkele modellen worden geleverd met een 4-weg-afsluiter (beschikbare opties: Filtering, Wasser, Legen/Lozen, Sluiten of Winterklaar make).
** Deze standen verwijzen enkel waar de 6-wegs-aftsluiter. -
POSICAO RECIRCULAÇÃO / CIRCULAÇÃO**: Posãoutilizada para que aágua circuleça pela rede hidráulica sem passar peloriters. Estasoplisibidade éutilizada para remexer aágua se um produits deve ser adcionado na piscina ou se alguma operação deve ser efetuada no tiro, dado que nesse caso o filtró está isolado e aágua procedente da bombé é expulsa diretamente.
-
Alguns modelos são fornecidos com uma valvula de 4 vias (opções disponíveis: Filtração, Lavagem, Esvaziamento/Escoamento Fechado ou Hibernação).
**把这些positõesdizemrespeitoexclusivamenteàvalvula de6 vias.


You should never manoeuvre the multi-directional flap when the pump is working.
Nunca se debe manejar la trampilla multidireccional cuando la bomba está en funciona.
La vanne multivoies ne devra jamais est manoeuvree lorsque la pompe est en marche.
Die mehrrichtungsklappearfndiebedientwerden,wnediepumpe lauft.
Non si deve mai maneggiare lo sportello multidirezionale nelle pompa è in funzione.
De multidirectionale aflsluiter mag nooit worden bediend wonneer de pomp in werking is.
Ayardulamultidirecionalnuncadevesermanuseadaquando bombaestemfuncionamento.
EDGES
PLAYAS
MARGELLES
BORDI
RANDEN
BORDOS
Outside edge
Playa exterior
Margelle extérieur
- Außer Herdläufe
Bordo esterno
Buitenrand
Bordo exterior
- Block of wood
Taco de madera
- Console
Konsule
Tassello
- lassello
- Console
- Bloco de madeira
- Inside edge
- Playa interior
Margelle interieur -
Innerer Handlaufe
Bordo interno
Binnenrand
Bordo interior -
Breakwater
Rompeolas - Brise vague
- Wellenbrecher
-
Frangiflutti
Golfbreker
Quebra-mar -
Board
- Tabla
- Madrier
Brett
Tayola - Plank
Táhua


YouTube
BORDOS (É imprescindivel ench a piscina com agua antes de colocar as playas. É proibido sentar-se ou caminhar em cima das placas. As roturas não se encontrar cobertas pela garantia.)
O bordo é composto de 2 lâminas, uma interior e outra exterior. Consulte os planos (4x60) (Ver págnia 44/46).
PREPARACAO
- Antes de fixar o bordo, colque todas as lâminas de prova, consultando o plano de instalação no final do manual, sem aparafusá-las, para poder distribuir unifornamente os jogos.
- Deixe que o bordo ultrappe se para o interior a fim decriar um «quebra-mar».
FIXACAO
- É necessário furar previamente os bordos com uma broca para madeira de 4 mm para encontrar uma fixação firme e duradoura. Para a montagem, utilize os parafusos inox 4 x 60 mm que deverá aparafusar obliquamente (no caso dos exteriores) ao fundo das ranhuras.
- Quando tenha ajustado todos os bordos, continue com a nivelação dos blocos de madeira. (*)




\*
Fixação das placas sob os bordos
Fixing of the edges
- Coloque as placas de madeira sob os bordos nos ângulos e fixe-as por meio dos 4 parafusos (4x40).

1

2
EN SKIMMER ACCESS EDGE
- No painel onde é colocado o skimmer, corte apenas a praia exterior com una medida correspondente à distência entre as blocos de madeira
- Fixar a portinhola de acesso do skimmer com asdobradiças incluidas.
EN FIXING OF THE STAINLESS STEEL LADDER
ES FIJACIOn DE LA ESCALERA INOXIDABLE
FR FIXATION DE L'ECHELLE INOX
DE BEFESTIGUNG TREPPE AUS ROSTFREEMATERIAL
FISSAGGIO DELLA SCALA DI ACCIAIO INOSSIDABILE
NBEVESTIGING VAN DE RVS LADDER
PT FIXAZAO DA ESCADA INOXIDÁVEL


Fig. 23/Abb. 23/Afb. 23




A.- Una os corrimões superior (1) e inferior (10) embutindo-os e fixando-os entre si com os degraus (9) e estes ao corrimão com os parafusos (11), as porcas (8) e as anilhas (7) correspondentes. (Fig.23)
B.- Monte as proteções (12) do correirão para fazer que a escada possa danificar a base da piscina.
C.- Uma vez montada a escada, posicione-a na piscina e faça quatre furos Ø9mm'utilizando a chapa como Modelo.
D.- Coliqueos as parafusos (3) e as anilhas (4,7) e meios de aperto chace de bocas 12-13. (Fig.24)
E.- Introduzca a tampa decorativa (2).
| IDENTIFICATION/IDENTIFICACION/REPÉRE/KENNZEICHNUNG/IDENTIFICAZIONE/IDENTIFICACHE | DENOMINATION/DENOMINACION/DÉSIGNATION/BEZEICHNUNG/ DENOMINALIÇÃO/BENAMING/DENOMINALAÇÃO/ | CTD/QTÉ/ANZ/AANT/TO |
| 1 | •Upper handrail •Pasamanos superior •Rampé supérieure •Obere Geländer •Corrimano superiore •Bovenstuk •Corrimão superior | 2 |
| 2 | •Trim •Tapeta embellecedora •Chapeau enjolivre •Zierdeckel •Abbelimento •Sierring •Tampa decorativa | 2 |
| 3 | •Screw Ø 8x50 mm •Tornillo Ø 8x50 mm •Vis Ø 8x50 mm •Schrauben Ø 8 x 50 mm •Viti Ø 8x50 mm •Bouten Ø 8x50 mm •Parafuso Ø 8x50 mm | 4 |
| 4 | •Washer •Arandela •Rodelle •Scheiben •Rondelle •Ringen •Anhila | 4 |
| 5 | •Anchorage •Soporte anclaje escalera •Soutien •Unterstützung •Supporto •Ondersteuning •Apoio | 2 |
| 6 | •Againist plange •Contrapletina •Contre plaque •Gegen platte •Contro piasta •Teggen plaat •Contra a placata | 2 |
| 7 | •Washer •Arandela •Rodelle •Scheiben •Rondelle •Ringen •Anhila | 10 |
| 8 | •Nut •Tuerca •Écrou •Mattern •Dadi •Moeren •Porca | 10 |
| 9 | •Step •Peldaño •Marche •Stufe •Scalini •Treden •Degraus | 3 |
| 10 | •Lower handrail •Pasamanos inferior •Rampe inférieure •Untere Geländer •Corrimano inferiore •Onderstuk •Corrimão inferior | 2 |
| 11 | •Screw Ø 8x80 mm •Tornillo Ø 8x80 mm •Vis Ø 8x80 mm •Schrauben Ø 8x80 mm •Viti Ø 8x80 mm •Bouten Ø 8x80 mm •Parafuso Ø 8x80 mm | 6 |
| 12 | •Bumper •Tope escalera •Buté •Achläge •Cappucci •Eindstoppen •Protecções | 2 |
EN Do not use the stepladder for other needs different to those indicated in this manual. Admitted maximum weight: 150kg
No utilise la escalera parathers fines distinctos a aquellos indicados en este manual. Peso maximo admitido: 150~kg
Ne pas utiliser l'échelle à d'autres fins que celle précisé dans cette notice.
Masse maximale admissible: 150 kg.
DB Verwenden Sie die Treppe nicht für andere Zwecke als die in thism Handbuch beschrieben. Zulässiges Höchstgewicht: 150 kg.
Non utilizzato la Scala per scopi diversi da quelli indicati nel presente manuale. Peso massimo consentito: 150~kg
Gebruik deze trap Niet voor andere doeleinden dan welke+zijn aangegeven in deze handleiding. Maximaal toelaatbare gewicht:150 kg.
Não utilize a escada para outros fins distinctos àqueles indicados neste manual.
Peso máximo admitido: 150 kg.
PUTTING INTO SERVICE
PRINCIPIO DE FUNCIONAMENTO:
PRINCIPIO DI FUNZIONAMENTO:
TRATTAMENTO DELL'ACQUA
COLOCAÇÃO EM SERVIÇO
Durante o primeiro uso, é obligatório realizar uma lavagem do filtró (consulta a manutençao doSYSTEMA de filtração). A filtração é um tratamento mecanico que permite limpar a água da piscina atraves da remoção das impurezas e das particulas contaminantes. O Conjunto do circuito hidráulico e do grupo de depuração daágua é um elemento essencial para o bom Functionamento do systema de filtração. Osystema de filtração deve ser coerente:as dimenso do filtró devem ser percentais ao volume deágua da piscina e ao desempenho da bomba. A filtração não é antibacteriana. Portanto, é obligatório adcionar um produits (ou um)...sistema) de desinfeço da agua.
TEMPO DE FILTRACÇÃO:
Durante a epoca de uso do kit de piscina, o Sistema de filtracao deve ser colocado em funcaoamento todos os dias, durante o tempo sufficiente para garantir uma renovacao completeness do volume de agua. Em teoria, deve realizar-se o segunte calculo:
(T. da água / 2) = número de horas de filtração
Amiude, a pratica resulta em filtrar 4 horas antes e 4 deposito do zénite.
Desaconsela-se o functiimento intermitente (paragem e arranque a cada hora) porque não se renovará todo o volume de agua.
PRINCIPIO DE FUNCIONAMENTO:
O skimmer aspira a agua da piscina (este elemento, especialmente os cestos que recolhem as folhas e otheras impurezas grandes, devem estar muito limpos).
A agua é entrada dirigida atraves das tubagens para chegar a uma bomba com pré-filtro
- (ai, um及其他 cesto filtras as impurezas medias, pelo qual a sua limpeza é essencial para um bom funciona). A bomba propulsa a água para um filtro que retém todas as impurezas em suspensão gratas ao seu material filtrante. Este filtro é de areia. A
| TEMPERATURA DA ÁGUA | DURAÇÃO DA FILTRADA PARA UM DIA |
| 15 a 18°C | 8 horas |
| 19 a 21°C | 10 horas |
| 22 a 25°C | 12 horas |
| 26 a 28°C | 14 horas |
| 28 a 30°C | 19 horas |
| + de 30°C | 24 horas |
água ja filtrada volta à piscina. Este Conjunto pode ser manuseado, programado e protegado por meio de uma unidade elétrica (optional). A água da piscina deve ser submetida a um tratamento físico e químico para fazer a sua transparência e para garantir um banho completeness seguro. Não se aconseia encher a piscina comágua de poço, a fim de evitar todos os riscos de reação química e de coração da agua.
DEVE CERTIFICAR-SE SEMPRE DE QUE:
- O nível de agua é o correto: isto é, levemente por cima da metade do skimmer.
- Os cestos do skimmer e do pré-filtro da bomba está limpos.
- O circuito hidráulico está controlado e as posições das valvulas verificadas.
- A filtração pode ser colocada em funcção e a pressão controlada com o manómetro (em uso do tipo e da posicao do local区管委会), relativamente à piscina).
PROIBIDO ACEDER À PISCINA NO CASO DE O SISTEMA DE FILTRAZÉ ESTAR DETERIORADO * Conforme Modelo
MANUTENÇÂO DO SISTEMA DE FILTRÂÇÂO
LIMPEZA DO FILTRO
Quando a pressao augmentar 0,2 bares relativamente a pressao de colocacao em service, sera necessario efetuar um limpeza como explicado en seguida. Certificque-se de que foi instalado corretamente o tubo de esvazamento (nao incluio) no coletor da valvula multidirecional, de forma que permita a evacuationdo de aqua quando a areia ou oimento form lavados.
- Detenha a filtracao.
- Coloque a valvula multidirectional na posicao LAVAGEM.
- Coloque em funcaoamento a filtracao e deixe que funcao durante 2 a 3 minutos.
- Detenha novamente a filtração, colque a valvula multidirectional em posicao ENXAGUAMENTO e colque novamente em funcaoamento a filtracao durante 30 segundos.
- Detenha a filtracao e colque a valvula multidirecional em posicao FILTRACAO.
- Coloque novamente em funcaoamento a filtracao e verifique que a pressao é a correta.
LIMPEZA DO tanque
Com um limpa-fundos manual
- Ligue o tubo ao limpa-fundos.
- Introduza o limpa-fundos na agua.
- Preencha o tubo com agua situando-o perante una boquilha de impulsão.
- Coloque o除外 extremo na tomadia limpa-fundos.
- Deve passar o limpa-fundos lentamente (para evitar que a poeira se levante) e sem retirar-lo da agua, para evitar que a bomba se desative.
- Quando tenha conclusão a limpeza, limpe o FILTER antes de colocá-los na sua posção habitual.
RECOMENDACOES:
- É obligatório verificar que os orífíios de aspiração não está abstruções.
- É obligatório deter a filtração durante as operações de manutenção do Sistema de filtração.
- Verifique periodicamente o;nível de lubrificacao do filtro.
A manutenção e a hibernação do过滤 de areia precisam de evacuações de água. É imprescindivel prever as evacuações para a instalação doroupo de filtração.
TRATAMENTO DA ÁGUA
Seja qual for oSYSTEMA de filtracaoutilizado, e necessario tratar quimicamente a agua da piscina para destruar as bacterias e os micro-organismos e para evitar o cresamento de algas. Podem ser Utilizados various produits de esterilização, como o cloro, o bromo, o oxigenio, etc.
Solicite assessoramento a um vendedor de produits de tratamento para piscinas para组织开展 a decisão. Em primeiro lugar, deve ser verificado o nivenel de pH por meio de um equipamento de analise. Lembre a que os frascos de testem uma validade de apenas um ano. O nivenl ideal está entre 7,2 e 7,4 quando ao pH, e em 1,5 quando ao CLORO. Retifique este nivenl mediate corretores de pH (aumentadores e minoradores). A quantidade de produits é proportional à cubicagem da sua piscina. Para o tratamento do tanque, consulte as indicações que constam do produits que escolhosse para a piscina. pH (potencial de hidrogenio): é obligatório manter sempre o pH da água entre 7,2 e 7,4 quando por boaix dessetes valores a agua torna-se corrosiva (devido à sua acidez) e deteriorara rapidamente as peças metálicas da piscina. Por cima desses valores, a agua é basia e reduz em grande medida a ação do tratamento.
Nunca introduza pastilhas de cloro diretamente no tanque. Oliner «queimar-se-ia».


INFORMAÇÃO DE SEGURANÇA
Antes de instalar e de utilizes a piscina, leia atentamente a informacao inclua neste manual, assimile-a e cumpra-a. Os anuncios, as instruções e as ordens de seguranca dizem respeito a algoos dos ricos mais habitualais relativos ao lazer na agua, mas nao cobrem a totalidade dos ricos e perigos que podem surgir. Seja prudente e tenha senso critico e senso comum quando praticar atividades aquáticas. Guarde esta informacao para ulteriores consultas.
Quando a piscina atingir o final da sua vidautil,devera ser desmontada e os distinctos materiais (plastico e aço) segregados e transporte para o Ecoponto especificado pelas autoridades locais.
Segurarca de whom nao sabem;nadar:
Sempre é necessária a vigilência atenta, ativa e continua por parte de um adulto responsavel sobre as crianças que não sabem nadar ou que não o fazem bem (tenha em conta que o risco de afogamento mais elevado é o que atinge as crianças de menos de cinco anos).
- Tente que um adulto responsavel vigile a piscina sempre que é realizada.
- É conveniente que as criancies que não sabem nadar ou que não o fazem bem contentem com equipamentos de proteção individual quando utilizem a piscina.
- Quando a piscina não sera utilizada ou se encontrar sem vigilência, deve retirar todos os brinquados dela a fim de fazer que as crianças se aproximar dela.
- É recomendável instalar uma barreira (e, se for caso disso, instalar elementos de segança em portas e janelas) a fim de fazer qualcerAceço não autorizado à piscina.
- As barreiras, as coberturas, os alarmes para piscinas ou os dispositivos de seguranca anaglos, sao ueteis, mas nao substituem a vigilancia constuua por parte de um adulto
responsavel.
Equipamento de segurarca
- É recomendado dispar de material de salvamento (uma boia, por exemplo) perto da piscina.
- Tenha um téléphone em perfeito estado e uma lista de他们在em de emergências perto da piscina.
Uso seguro da piscina
- Encoraje todos os usuários, especialmente as crianças, aplerder a nada.
- Aprendia tecnicas de salvamento (reanimacao cardiopulmonar) e atualize periodicamente os seuis conhecimentos. Isto pode salvar a vida numa emergencia.
- Explique aos 用户 da piscina - também às crianças - o procedimento que devem seguir em caso de urgência.
- Nunca vergulhe em piscinas pouco profundas, dado que pode sofrer lesões graves ou mortais.
- São utilize a piscina antes ter ingerido alcool ou medicamentos suscêveis de reduzir a sua capacidade de o fazer em condições de segurarça total.
- Se a piscina estiver tapada por una cobertura,deera retiring-la completeness da superficie da agua antes de entrada.
- Trate a agua da sua piscina e estabeleça boas praticas de higiene para proteger osisexos de doengas relacionadas com a agua. Consulte como tratar a agua no manual de instruções.
- Mantenha fora do alcance das crianças os produits químicos (produtos de tratamento da água, de limpeza ou de desinfeço, por exemplo).
- É obligatório colocar os pictogramas incluídos numa posão visível a menos de 2 m da piscina.
- Coloque as escaladas moveris sobre una superficie horizontal.
ATENÇA:
Qualquer aparelho eletrico alimentado com 220 V, delve estra situado pelo menos a 3,50 m do borde da piscina. O aparelho deve ser ligado a uma tomada de corrente alterna, com ligaçao à terra, protegida com um interruptor diferencial (RCD) com uma
corrente de funciona residual que não exceeda os 30 mA.
Leia atentamente estas instruções, e guardeas para futuras consultas.
EM CASO DE PROBLEMA...i CONSULTAR-NOS!
CONSULTA:
- Ponha a funcirar o Sistema de filtracao uma vez por dia para assegurar um renovamento completeness do volume de agua, e sempre que nao se estiver a utilizear a piscina para o banho. (Ver o manual do depurador).
- Verifique o nível de bloqueio dos filtros regularmente no Verao, quando o kit de piscina estiver a ser utilizado.
- Verifique o estado dos parafusos, porcas e anilhas (para detectar possiveis vestigios de oxidação).
- O nível de agua da piscina deve manter-se sempre como minimo a 15 cm do borde superior.
- Nunca esvazie completeness a piscina. Um baixo nivel de agua poderia danificar seriamente a piscina.
- Não respeitar as instruções de manutençao pode por gravamente em perigo a saude, especialmente a das crianças.
- A'utilização de um kit de piscina implicá o respeito pelas normas de segurarça descritas no guia de manutenção e deutilização.
- Nunca deixe um kit de piscina vazio no chão e no exterior.
- Limpe regularamente o Liner P.V.C. e a红线 do nível de agua, com produits não abrasivos. Limpar periodicamente a dobra de união do Fundo com o lateral do liner ja que é uma zona onde se acumula a sujidade. Se accidentalmente houver um pouco furo no liner, pode-se arranjar com os outros remendos AR202 ou V12.
- As cobertas de verão (isotérmicas) protegem a piscina dos insectos, do pó, das folhas, etc. e evitam baixar a temperatura da água.
Coloque-a sempre com as bolhas em contacto com a água.
INVERNO:
1-Limpar oundo e as paredes do liner com um produits nao abrasivo.
2- Tratar a agua com um produto químico para o Inverno. Recomenda-se o uso de INVERNADOR LÍQUIDO no lugar de bóias com produits solidos para fazer descolorações noliner.
3- Deixar a piscina cheia de agua, tendo em conta o segunte:
a) Para piscinas com skimmer e valvula de returno, o nível da agua deve estar 5 cm por baixo do skimmer; fechar a valvula de returno com a tampa de rosca que vai muito como o depurador.
b) Para piscinas com valvulas de admissão e returno, o;nvel da agua deve de estar a 20 cm do borde superior da piscina; fechar as valvulas com o Sistema de rosca de que está dotadas.
4- Desmontar as mangueiras. Não desmontar o skimmer nem as valvulas.
5- Proteger a piscina com una coberta de Inverno, colocando um elemento flutuante entre a piscina e a agua para a proteger do frio.
6- Desmontar o depurador da piscina. Limpar, despejar a areia ou tirar o cartucho, secar e guardar num lugar coberto e sem humidade.
7- Acessórios: tirar todos os acessórios (escada,Alarme,fovo,para,...), limpar com agua doce e guardar.
PARA UTILIZAR DE NOVO: Tirar a coberta de Inverno, instalar o depurador,(desjar pelo menos 1/3 da agua e realizar una cloragem deCHOque. POr o depurador em funcaoamento
pelo menos durante 8 horas sem interrupcao.
MEIOS QUIMICOS:
Leia com atenção as instruções do fabricante do produits químico. ATENÇA: Guarde os produits químicos num local limpo, seco e fora do alcance das crianças. Importante: Todos os produits realizados devem ser compatíveis com oliner de P.V.C.
- Primeiro enchimento: Analisar o pH e o Cloro (Cl) da agua e ajustar aosnectivos optimos: pH: 7,2 - 7,6; Cloro: 0,5 - 2 ppm.
- Cloragem deCHOque: Consiste em augmentar o nivel de cloro ate 20 ppm aprox. para eliminar as bacteriias e as algas. So se deve realization se a agua da piscina vier de rios, tanques,... ou quando levar muito tempo sem tratamento.
- Controlos: Revisar-os meno uma vez por semana os nveis de pH e de Cloro. (Utilize um analisador de Cloro e de pH).Tambemdeveracrescentarglicida para evitar a formacao de algas.Nunca tome banho ante de se ter estabilizado o nivel de cloro. Utilizesemumpusificador flutuante paraadissoluao do produto quimico (comprimidos).Adosagem dos produtos quimicos faz-se emfuncao do volume de agua da piscina,da frequenciosa dos banhos,das condioces climaticas,da temperatura da agua e da situacao.Mexer sempre a agua e esperar a dissolutione de um produto quimico antes de por other. Espere mas ou menos 12 h. entre cadaajustamento de pH, de Cloro, ou de anti algas com o systema de filtrationao em funcaoamento.
MEIOS MECÁNICOS:
Verificar se a junção à piscina do depurador, do skimmer, das valvulas e das mangueiras é correcta. Tenha em conta que quando mais alta for a temperatura da água mais necessitará tempo de filtração. Tempo filtração teórico = Volume de água / caudal doSYSTEMA de filtração (em geral 8 h/dia com uma temperatura de agua de 21^ C), (Ideal: 2 h pela minha - 4 h ao meio dia - 2 h pela tarde).
LIMPA FUNDOS POR ASPIRAÇÃO (MANUAL OU AUTOMÁTICO):
So para piscinas com skimmer. Ligar um extremo da mangueira do limpa fundos à varredora e submergi-lo na água para se encher a mangueira. Ligar o除外 extremo da mangueira à Tampa de Aspiração (TA) e colocá-lo em cima do cesto do skimmer. Pôr em funciona o depurador na posção FILTER e começar a limpar o fundo. Especial atenção nas zonas com dobras aonde se acumule a sujidade.
LIMPA FUNDOS TIPO VENTURY:
Acoplar uma mangueira de jardim a cabeça do limpa fundos e introduzi-lo na piscina. Abrir a torneira a uma pressão normal, para a agua fluar contra o fundo da piscina, produzindo uma corrente ascendente que deposita a sujidade no FILTER do limpa fundos.
| EFEITOS | CAUSAS | SOLUTIONES |
| Água turva esverdeada | • Filtro sujo • pH Incorrecto • Formação de algas | • Lavagem do filtró • Reajuste • Tramento deCHOque |
| A bomba não arranca | • Disjuntor saltado • Fusível queimado • Turbina bloqueada | • Ligá-lo novoamente • Substitui-lo • Verificar que o ventilador detrás do motor gira |
| A bomba roda mas não descarga | • Válvulas de aspiração fechadas • O skimmer aspira ar • Pré-filtro cheio • Tomada de ar na cobertura • Turbina defeituosa | • Abri-las novamente • Retificar o;nível de agua • Limpá-lo • Verificar a junta e substituir a cobertura pré-filtro • Substituir a turbina |
| O skimmer não aspira | • Cesto cheio • Válvula mal fechada • Nível de água demasiado baixo | • Esvaziá-lo • Abri-la • Reajustá-lo |
| Água suja returnada à piscina | • Filtró obstruído | • Lavá-lo, enxaguá-lo |
| Pressão do manómetro demasiado alta | • Lavagem do filtró mal realizada • Válvula de saía cerrada | • Repeti-lo • Abrir a ↳vula, controlar o estado da areia (substitui-la a cada 3 ou 4 anos) |
| O limpa-fundos não aspira ou aspira pouco | • Pré-filtro obstruído • Válvula correspondente fechada • Tubo gasto ou perfurado • Ar nos tubos • Outras ↳vulas abertas • Filtró sujo | • Limpá-lo • Abri-la • Substitui-lo • Purgar e esperar a que carregue • Feça-las • Limpá-lo |
| Marcas de corrosão | • pH muito baixo | • Aumentar o pH a 7,2-7,4 |
| Areia no tanque | • Grelha quebrada • Manuseio da ↳vula multidirecional com a bomba em funçãoamento • Filtração ligada ao contrário. Na mon-tagem, as tubagens foram invertidas. | • Substitua a grelha • Substitua a ↳vula multidirecional • Ligue a filtração corretemente |
SERVICIOS TÉCNICOS
Os serviços tecnicos são responsaveis pela instalação de piscinas, a vendá de peças de reposicao e acessórios e manutençao do filtres do tratamento do agua.
NORTE - Formula Azul - 252 105 608 - gre partner@formulaazul.pt
CENTRO NORTE - Activ Wave - 249 531 450 - activwave@sapo.pt
CENTRO - Piscinas do Atlantico - 214 340 120 - geral@piscinasdoatlantico.pt
CENTRO SUR - Espaco piscinas - 961 724 949 - gre@espacopisinas-com
SUR - Leiri Piscinas - 917 938 188 - leiripiscinas@gmail.com

DISTRIBUIDO POR
MANUFACTURAS GRE S.A. I ARITZ BIDEA 57, BELAKO INDUSTRIALDEA I 48100 MUNGIA (VIZCAYA) ESPANA
N^o REG.IND.:48-06762
FABRICADO EN EUROPA
ManualFácil